Проектирование высокочастотного генератора синусоидальных сигналов
Министерство образования и науки Украины
Харьковский национальный университет радиоэлектроники
Кафедра БМЭ
Пояснительная записка к курсовой работе по дисциплине “Аналоговая и цифровая электроника” на тему:
“Проектирование генераторов гармонических колебаний“
Выполнила:
Проверил:
ХАРЬКОВ 2009
РЕФЕРАТ
Целью данной курсовой работы является расчет генератора синусоидальных сигналов.
Пояснительная записка к курсовой работе содержит 25 страниц текста, включающих в себя 3 приложения.
Перечень ключевых слов:
генератор гармонических сигналов;
фазирующая цепочка;
активный элемент;
условие самовозбуждения;
частота генерируемых сигналов.
Содержание
Введение
1 Анализ технического задания
2 Выбор принципиальной схемы
3 Электрический расчет схемы
4 Анализ схемы (разработка математической модели) на ЭВМ
Выводы
Список используемой литературы
Приложение
Введение
Электронный генератор представляет собой устройство, преобразующее электрическую энергию источника постоянного тока в энергию незатухающих электрических колебаний требуемой формы, частоты и мощности.
По принципу работы и схемному построению различают генераторы с самовозбуждение (автогенераторы) и генераторы с внешним возбуждением ,которые по существу являются усилителями мощности генерируемых колебаний заданной частоты .
Электронные автогенераторы подразделяются на автогенераторы синусоидальных (гармонических) колебаний и автогенераторы колебаний несинусоидальной формы, которые принято называть релаксационными (импульсными) автогенераторами.
Являясь первоисточником электрических колебаний, генераторы с самовозбуждением широко используются в радиопередающих и радиоприемных (супергетеродинных) устройствах, в измерительной аппаратуре, в ЭВМ, в устройствах телеметрии и т. д.
По диапазону генерируемых частот генераторы делятся на низкочастотные (от 0,01 Гц до 100 кГц), высокочастотные (от 100 кГц до 100 МГц ) и сверхвысокочастотные (от 100 МГц и выше ).
Широкое внедрение сложных радиоэлектронных устройств в различные отрасли народного хозяйства ставит перед разработчиками радиоаппаратуры две важнейшие задачи: повышение ее надежности и уменьшение массы и габаритов. Надежность аппаратуры в настоящее время повышается за счет применения соответствующей элементной базы и специальных методов построения систем, а основным направлением миниатюризации избирательных и автоколебательных низкочастотных систем, ввиду отсутствия реальных путей миниатюризации катушек индуктивности, является внедрение активных избирательных RC-цепей (активных RC-фильтров и RC-генераторов).
Широкому распространению транзисторных RC-генераторов синусоидальных колебаний способствует простота изготовления, существующие высокостабильные конденсаторы и сопротивления, стабильные операционные и интегральные усилители, а также технологическая перспективность, если учесть прогресс технологии микромодулей и цепей на основе твердого тела.
Целью данной курсовой работы является проектирование низкочастотного генератора синусоидальных колебаний. Параметры генератора представлены в задании на курсовую работу.
1Анализ технического задания
В данной курсовой работе необходимо разработать генератор гармонических колебаний, который имел бы такие параметры:
-выходная мощность P>вых>= 0,2 Вт;
-сопротивление нагрузки R>н>= 2 кОм;
-частота генерируемых колебаний f>н >= 5 МГц;
-стабильность частоты
.
В результате анализа ТЗ можно сделать вывод, что разрабатываемый генератор относится к высокочастотным генераторам средней мощности. А поскольку применение генераторов с колебательными контурами (типа RC) для генерирования колебаний высокой частоты затруднено, то для проектируемого генератора целесообразно использовать схему типа LC.
Синтез схемы и расчет ее элементов будут произведены в следующих пунктах расчетно-пояснительной записки.
2Выбор принципиальной схемы
Известно много разновидностей схем транзисторных генераторов типа LC, но любая из них должна содержать: колебательную систему (обычно колебательный контур), в которой возбуждаются требуемые незатухающие колебания; источник электрической энергии, за счет которого в контуре поддерживаются незатухающие колебания; транзистор, с помощью которого регулируется подача энергии от источника в контур; элемент обратной связи, посредством которого осуществляется подача необходимого возбуждающего переменного напряжения из выходной цепи во входную.
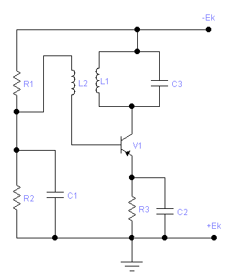
Простейшая схема транзисторного генератора типа LC приведена на рисунке 1.1. Такая схема называется генератором в трансформаторной связью и используется обычно в диапазоне высоких частот.
Элементы R1, R2, R3 и С2 предназначены для обеспечения необходимого режима по постоянному току и его термостабилизации. С помощью конденсатора С1 емкостное сопротивление, которого на высокой частоте незначительно, заземляется один конец базовой обмотки. В момент включения источника питания в коллекторной цепи транзистора появляется ток I>K>, заряжающий конденсатор С3 колебательного контура. Так как к конденсатору подключена катушка L1, то после заряда он начинает разряжаться на катушку. В результате обмена энергией между конденсатором и катушкой в контуре возникают свободные затухающие колебания, частота которых определяется параметрами контура

(1.1)

Рисунок 1.1-Транзисторный автогенератор
Переменный ток контура, проходя через катушку L1, создаёт вокруг нее переменное магнитное поле. Вследствие этого в катушке обратной связи L2, включенной в цепь базы транзистора, наводится переменное напряжение той же частоты, с которой происходят колебания в контуре. Это напряжение вызывает пульсацию тока коллектора, в котором появляется переменная составляющая.
Переменная составляющая коллекторного тока восполняет потери энергии в контуре, создавая на нем усиленное транзистором переменное напряжение. Это приводит к новому нарастанию напряжения на катушке связи L2, которое влечет за собой новое нарастание амплитуды тока коллектора и т.д.
Нарастание коллекторного тока наблюдается лишь в пределах активного участка выходной характеристики транзистора. Что же касается амплитуды колебаний в контуре, то ее рост ограничивается сопротивлением потерь контура, а также затуханием, вносимым в контур за счет протекания тока в базовой обмотке.
Незатухающие колебания в контуре автогенератора установятся лишь при выполнении двух основных условий, которые получили название условий самовозбуждения.
Первое из этих условий называют условием баланса фаз. Сущность его сводится к тому, что в схеме должна быть установлена именно положительная обратная связь между выходной и входной цепями транзистора. Только в этом случае создаются необходимые предпосылки для восполнения потерь энергии в контуре.
Поскольку резонансное сопротивление параллельного контура носит чисто активный характер, то при воздействии на базу сигнала с частотой, равной частоте резонанса, напряжение на коллекторе будет сдвинуто по фазе на 180о. Напряжение, наводимое на базовой катушке за счет тока I>K>, протекающего через контурную катушку L1, равно
(1.2)
где
-
коэффициент взаимоиндукции между
катушками.
Очевидно, необходимо так
выбрать направление намотки базовой
катушки, чтобы

.
Только в этом случае общий фазовый сдвиг
в цепи усилитель - обратная связь будет
равен нулю, т.е. в схеме будет установлена
положительная обратная связь. Если же
,
то обратная связь окажется отрицательной
и колебания в контуре прекратятся.
На практике выполнение условия баланса фаз достигается соответствующим включением концов катушек L1 и L2. При отсутствии самовозбуждения необходимо поменять местами концы катушки связи L2. При этом автогенератор должен самовозбудиться, если в схеме нет других неисправностей. Выполнение условия баланса фаз является необходимым, но недостаточным для самовозбуждения схемы. Второе условие самовозбуждения состоит в том, что для существования автоколебательного режима ослабление сигнала, вносимое цепью ОС, должно компенсироваться. Иными словами, глубина положительной ОС должна быть такой, чтобы потери энергии в контуре восполнялись полностью.
При наличии ОС коэффициент усиления равен
(1.3)
где
-
коэффициент усиления усилителя без
обратной связи;
-
коэффициент передачи цепи обратной
связи.
Для рассматриваемой схемы
коэффициент
,
показывающий, какая часть переменного
напряжения контура подается на базу
транзистора в установившемся режиме
работы, равен
(1.4)
где
-
амплитуда тока в контуре автогенератора.
Учитывая, что усилитель
с положительной обратной связью переходит
в режим генерации при условии
,
получаем значение коэффициента передачи
цепи обратной связи, необходимое для
самовозбуждения,
. (1.5)
Условие самовозбуждения, выраженное формулой (1.5), называют условием баланса амплитуд.
Выбор энергетического
режима генератора. Транзисторный
автогенератор типа LC
может работать в разных режимах. Для
установки соответствующего режима
выбирается коэффициент использования
коллекторного напряжения
.
Этот коэффициент равен отношению
амплитуды переменного напряжения на
контуре
к постоянному напряжению на коллекторе
Е>К>
. (1.6)


Рисунок 1.2 – Графики зависимости коэффициен-тов разложения импульсов тока
При
устанавливается недонапряженный режим
работы автогенератора. При
режим работы называют перенапряженным.
Обычно используется критический режим
работы автогенератора. В этом случае
автогенератор отдает требуемую полезную
мощность при достаточно высоком КПД.
Форма тока в коллекторной цепи
автогенератора зависит от режима работы.
Если ток проходит на протяжении всего
периода напряжение на входе, то колебания
его имеют синусоидальную форму и их
называют колебаниями первого рода. Этот
режим характеризуется малым КПД и
поэтому в автогенераторах используется
редко. Более выгодным является режим
колебаний второго рода с отсечкой
коллекторного тока. Угол отсечки
коллекторного тока транзистора в
критическом режиме составляет
.
Известно, что ток, имеющий
форму импульсов, можно разложить в ряд
Фурье и представить в виде суммы
постоянного тока, переменного тока той
же частоты, что и частота повторения
импульсов, переменного тока удвоенной
частоты, а так же переменных токов более
высоких частот. Важно отметить, что
именно первая гармоника тока
создает на контуре генератора переменное
напряжение требуемой частоты, амплитуда
которого определяется по формуле
, (1.7)
г
Рисунок 1.2
де
-
резонансное сопротивление контура
автогенератора.
Для токов других частот контур имеет малое сопротивление и токи этих частот проходя через контур, не создавая на нем заметного напряжения. Таким образом, несмотря на то, что ток коллектора по форме отличается от синусоидального, колебательное напряжение на контуре оказывается синусоидальным.
Амплитуду первой гармоники,
а также величину постоянной составляющей
импульсного тока можно найти с помощью
коэффициентов разложения
и
,
зависящих от угла отсечки рисунок 1.2
Между амплитудным значением
первой гармоники тока
,
постоянной составляющей тока
и максимальным значением импульсного
тока
существуют соотношения
; (1.8)
(1.9)
Для анализа и расчета транзисторных генераторов допустимо пользоваться идеализированными характеристиками транзисторов рисунок 1.3.
Один из основных параметра,
в схеме генератора, является крутизна
линии критического режима
рисунок 1.3б. У некоторых типов транзисторов
сотен миллиампер на вольт и выше.
Важными параметрами являются также крутизна характеристики тока коллектора
при
(1.10)
и напряжение среза
,
определяемое для заданного рабочего
напряжения на коллекторе
рисунок 1.3б.
Главную особенность
работы транзистора на высоких частотах
составляет влияние времени пробега
носителей тока. Это время невелико и на
сравнительно низких частотах им можно
пренебречь, но с повышением частоты
влияние это значительно увеличивается.
Действие времени
проявляется, прежде всего в том, что
заряды, инжектированные эмиттером в
один и тот же момент времени, приходят
к коллектору в разное время. Появляется
рассеяние носителей тока, которое
приводит к уменьшению коэффициента
усиления транзистора по току, тем более
сильному, чем выше частота генерируемых
колебаний. Инерционность носителей
тока приводит также к возникновению
между первой гармоникой коллекторного
тока и коллекторного напряжения на
контуре фазового сдвига φ>пр>,
зависящего от времени движения носителей
тока
Существенное влияние на работу транзисторного генератора в области высоких частот оказывают емкости эмитерного и коллекторного p – n переходов транзистора. С повышением частоты для поддержания на требуемом уровне коллекторного тока и полезной мощности на выходе генератора необходимо увеличить амплитуду напряжения возбуждения на участке база – эмиттер.
3Электрический расчет схемы
Порядок расчета LC-генератора на транзисторе. Основными техническими данными для расчета транзисторного LC-генератора являются: выходная мощность, отдаваемая автогенератором в нагрузку, Р>вых >и частота генерируемых колебаний f>р>. Порядок расчета транзисторного генератора рассмотрим применительно к схеме, приведенной на рис. 9.2,а.
1.Выбираем тип транзистора. При заданном значении Р>вых >мощность Р>к>, которую должен отдать транзистор в контур, составляет
Р>К> =Р>вых/>η>к, > (1.11)
Вт
> >Где η>к, > - КПД контура.
При повышенных требованиях к стабильности частоты автогенератора КПД контура η>к >выбирают в пределах 0,1…1,2. В остальных случаях его можно увеличить до 0,5…0,8.
Выбирая транзистор, необходимо исходить из условий
Р>К >>max>> >>P>K>> >, (1.12)
f>max>> >≥f>p>, (1.13)
где Р>К >>max> –максимально допустимая рассеиваемая мощность коллектора выбранного транзистора; f>max> –максимальная частота генерации биполярного транзистора; выбранного типа. Параметры Р>К >>max> = 0,4Вт.> >и> >f>max> = 200 МГц.> >высокочастотных транзисторов приведены в справочнике по полупроводниковым приборам (взяли транзистор КТ 668В, или его аналог BС393)
2. Рассчитываем энергетический режим работы генератора. Выбираем импульс коллекторного тока косинусоидальной формы. Считая, что в критическом режиме угол отсечки тока коллектора θ=90° ,по графикам рис.1.2 находим коэффициенты разложения импульса коллекторного тока α>1>=0,5; α>0>=0,318.
Находим усредненное время движения τ>п> носителей тока между p-n переходами транзистора по формуле
τ>п>≈1/2πf>max>> >(1.14)
c
Вычисляем угол пробега носителей тока
φ>пр>=2πf>р>τ>п> (1.15)

Вычисленное по формуле (1.15) значение φ>пр> выражаем в градусах. При этом учитываем, что при φ>пр>=2π угол φ>пр>=360°. Находим угол отсечки тока эмиттера
θ>э>=θ-φ°>пр> (1.16)
;
По графикам рис. 1.2 определяем коэффициенты разложения импульса эмитерного тока α>1(Э) >и α>0(Э)>
Напряжение питания можно определить по формуле (1.17) при этом U>k> берем в пределах 0,8…1,2 В:
(1.17)
;
Коэффициент использования коллекторного напряжения выбираем из соотношения:
ξ=1-2Р>к>/Е>к>2S>кр>α>1 >(1.18)
;
где S>кр >– крутизна линии критического режима выбранного транзистора (при отсутствии данного параметра в справочнике значение S>кр> определяют графически в семействе идеализированных выходных характеристик транзистора; из справочника возьмем S>кр>=0,03).
Определяем основные электрические параметры режима:
амплитуду переменного напряжения на контуре
U>мк>=ξ|E>k>|; (1.19)

амплитуду первой гармоники коллекторного тока
I>K>>1>>m>=2P>K>/U>mk>; (1.20)
;
Постоянную составляющую коллекторного тока
I>K>>пост>=α>0>I>K>>1>>m>/α>1> (1.21)
;
максимальное значение импульса тока коллектора
I>K>>и >>max>= I>K>>1>>m>/α>1> (1.22)
;
мощность, расходуемую источником тока в цепи коллектора
Р>0>=I>K>>пост>|E>k>|; (1.23)
;
мощность, рассеваемую на коллекторе
Р>К рас>=Р>0>-Р>К >(1.24)
;
причем необходимо, чтобы
Р>К рас><Р>K>> >>max>> >(1.25)
КПД по цепи коллектора
η=Р>К>/Р>0> (1.26)
;
Эквивалентное резонансное сопротивление контура в цепи коллектора
R>рез>=U>mk>/I>K>>1>>m> (1.27)
;
Находим коэффициент передачи тока транзистора в схеме с ОБ на рабочей частоте
h>21б(>f>p>>)>=h>21б>/
(1.28)
;
Где h>21б(>f>p>>) >– коэффициент передачи тока на низкой частоте; f >h>>21б(>f>p>>)>-предельная частота коэффициента передачи тока биполярного транзистора выбранного типа.
Для определения параметра h>21б> (значение которого не всегда приводится в справочниках) может быть использована формула
h>21б>= h>21э>/(1+ h>21э>) (1.29)
;
где h>21э>-коэффициент передачи тока биполярного транзистора в режиме малого сигнала в схеме с ОЭ.
Определяем амплитуду первой гармоники тока эмиттера
I>Э1>>m>=I>K>>1>>m>/ h>21б(>>fp>>)> (1.30)
;
Находим амплитуду импульса тока эмиттера
I>Э>> u max>= I>Э>>1m>/α>1(>>Э>>)> (1.31)
;
Рассчитываем амплитудное значение напряжения возбуждения на базе транзистора, необходимое для обеспечения импульса тока эмиттера I>Э >>u>> >>max> без учета влияния частоты
U>БЭ>>m>= I>Э>> u max>/(1-cosθ>э>)S>0> (1.32)
;
где S>0>-крутизна характеристики тока коллектора.
Определяем напряжение смещения на базе, обеспечивающее угол отсечки тока эмиттера,
U>БЭсм>=Е>с>+ U>БЭ>>m>cosθ>э >> >> >(1.32)


;
где Е>с> – напряжение среза.
В случаях, когда значение напряжения среза в справочниках не приводится, его можно найти по идеализированным (спрямленным) характеристикам транзистора или ориентировочно принять равным Е>с>=(0,1…0,2)В (полярность Е>с> зависит от типа транзистора: для транзисторов p-n-p на базу подается отрицательное, а для транзисторов n-p-n положительное напряжение смещения).
Находим коэффициент обратной связи
К>св>= U>БЭ>>m>/U>mk> (1.33)
;
Для выполнения условия баланса амплитуд необходимо выполнить условие
К>св>≥ К>св >>min>=1/S>0>R>рез> (1.34)
;
Рассчитываем сопротивление резисторов R1и R2. Для этого задаемся током делителя, проходящим через эти резисторы
I>Д>≈5I>Бпост> (1.35)
;
где I>Бпост> - постоянная составляющая тока базы выбранного транзистора. Величину I>Бпост> можно найти по формуле
I>Бпост>=I>K>>пост>/h>21Э> (1.36)
;
(h>21Э> – статический коэффициент передачи тока биполярного транзистора выбранного типа в схеме с общим эмиттером).
Зная I>Д>, находим R2 по формуле
R>2>= U>БЭсм>/ I>Д> (1.37)
;
Поскольку ток делителя на много превышает ток базы транзистора, последний не изменит существенно ток, протекающий через резистор R1. поэтому
R>1>=(E>k>-U>БЭсм>)/I>Д> (1.38)
;
Мощность, рассеиваемая на резисторах R1 и R2, соответственно равна P>R>>1>=I2>Д>R>1>; P>R>>2>=I2>Д>R>2>. С учетом этих значений выбираем стандартный тип резисторов R1 и R2 по шкале номинальных сопротивлений резисторов.
Находим емкость разделительного конденсатора С1 С>1>≈(10…20) С>э>, где С>э> – емкость эмитерного перехода транзистора.
С1 = 15·70 Пф = 1 нФ
Элементы цепочки термостабилизации R>3>C>2> определяются так же, как и при расчете избирательного усилителя на транзисторе
R>3>≈U>Э>/I>Эпост> (1.39)
;
где U>Э> падение напряжения на резисторе эмиттерной стабилизации (порядка (0,7…1,5)В); I>Эпост> – постоянный ток эмиттера (I>Эпост>≈I>Кпост>).
Емкость конденсатора С2 равна
С2≥(15…30)103/f>p>R>3> (1.40)
;
Где С2 выражается в микрофарадах; f>p> – мегагерцах; R>3> – в килоомах
Стандартные значения R>3 > и С2 выбираются по шкале нормальных значений сопротивлений резисторов и емкостей конденсаторов
3. Определяем параметры контура. Задаемся добротностью одиночного (ненагруженного)контура. Экспериментальным путем установлено, что у генераторов малой и средней мощности добротность ненагруженных контуров составляет:
на волнах 20…50м (15 МГц…6 МГц) Q=150…300;
на волнах 50…100м (6 МГц…3 МГц) Q=100…250;
на волнах 100…1000м (3 МГц…300 кГц) Q=80…200.
Добротность нагруженного контура подсчитывается по формуле
Q'=Q(1-η>к>) (1.41)
;
где η>к> – КПД контура.
Находим минимальную общую емкость контура С>к >>min> по приближенной формуле
С>к >>min>≈(1…2)λ>р> (1.41)
;
λ>р> – рабочая длина волны колебаний (λ>р>=с/f>p>, где с – скорость света), м; С>к >>min> выражается в пикофарадах).
В общую емкость контура С>к >>min> входят емкость конденсатора С3 (рис. 9.2 а) и выносимые (паразитные) емкости: выходная емкость транзистора, емкость катушки контура, емкость монтажа и др. Общая величина вносимой емкости С>вн> обычно составляет десятки пикофарад. Следовательно, емкость конденсатора контура С3 мажет быть найдена по формуле
С>3>≈ С>к >>min>-С>вн> (1.42)
;
Вполне понятно, что формула (1.42) позволяет установить лишь ориентировочное значение емкости С3; более точное значение определяется в процессе настройки схемы.
Рассчитываем общую индуктивность контура L>k>
L>k>=0.282λ2>p>/С>к >>min> (1.43)
;
где L>k> выражается в микрогенри; λ>р> – в метрах; С>к >>min> – в пикофарадах.
Определим волновое (характеристическое) сопротивление контура
ρ=103
(1.44)
;
(ρ выражается в омах; L>k> – в микрогенри; С>к >>min> – в пикофарадах.
Находим сопротивление потерь контура
R>п>=ρ/Q' (1.45)
;
Рассчитываем сопротивление, вносимое в контур
R>вн>= R>п>η>к>/(1-η>к>) (1.46)
;
Полное сопротивление контура равно
R>K>= R>п>+ R>вн> (1.47)
;
Определяем амплитуду колебательного тока в нагруженном контуре
I>mk>=
(1.48)
;
Находим величину индуктивности L2 связи контура с базой транзистора (приложение)
L>2>=K>св>L>k> (1.49)
;
Определяем величину индуктивности связи контура с коллектором транзистора
L>1>=L>k>-L>2 >(1.50)
;
4. Анализ схемы (разработка математической модели) на ЭВМ
Анализ схемы с рассчитанными параметрами произведем, используя программное приложение Electronics Workbench V5.12. В схеме использовался источник постоянного напряжения и осциллограф.
Сигнал, полученный на осциллографе, представлен в приложении.
Из этих рисунков видно, что форма полученного сигнала имеет форму синусоиды, частота которой не сильно отличается от заданной в ТЗ (5000750Гц).
Выводы
В результате выполнения курсовой работы был спроектирован высокочастотный генератор синусоидальных сигналов в соответствии с ТЗ.
Поскольку применение генераторов с колебательными контурами (типа RC) для генерирования колебаний высокой частоты не удовлетворяет, для разрабатываемого генератора была взята схема типа LC (в качестве фазирующей цепочки взята трехточечная схема с автотрансформаторной связью, активный элемент - транзистор).
После расчета выбранной схемы был произведен ее анализ (разработана математическая модель) в Electronics Workbench. На осциллографе, включенном на выходе рассчитанного генератора, синусоидальный сигнал с частотой f = 5000750Гц, что соответствует отклонению в ТЗ.
При нагрузке 2 кОм выходная мощность генератора составляет 0,225 Вт.
Техническая документация (перечень элементов) представлена в приложении.
Список использованной литературы
Гершунский Б.С. Справочник по расчету электронных схем. – Киев: Вища школа. Изд-во при Киев. ун-те, 1983. – 240 с.
Бондаренко В.Г. LC-генераторы синусоидальных колебаний. М., “Связь”, 1976. – 208 с. с ил.
Петухов В.М. Транзисторы и их зарубежные аналоги. Биполярные транзисторы низкочастотные. Справочник. В 4 т. Т.2. Издание второе, исправленное. – М.: ИП РадиоСофт, 1999. – 544 с., ил.
Приложение А

Приложение Б

Приложение В
|
Поз. Обозна-чение |
Наименование |
Кол |
Примечание |
|
Конденсаторы |
|||
|
С1 |
КМ-6–1нФ 63В 5% ОЖО.464.031 ТУ |
1 |
|
|
С2 |
К50 –400мкФ 63В 20% ОЖО.464.031 ТУ |
1 |
|
|
С3 |
КМ-6–85пФ 63В 5% ОЖО.464.031 ТУ |
1 |
|
|
С4 |
К50 –100мкФ 63В 20% ОЖО.464.031 ТУ |
1 |
|
|
Кату шки индуктивности |
|||
|
L1 |
11,22 мкГн |
1 |
|
|
L2 |
0.08 мкГн |
1 |
|
|
Резисторы ГОСТ 7113–77 |
|||
|
R1 |
МЛТ– 0.125 – 340 кОм 5% |
1 |
|
|
R2 |
МЛТ– 0.125 – 720 кОм 10% |
1 |
|
|
R3 |
МЛТ– 0.25– 100 Ом 5% |
1 |
|
|
Транзистор |
|||
|
VT1 |
КТ668В (BС393) |
1 |