Проектирование и анализ активного электрического фильтра
Министерство образования РОССИЙСКОЙ ФЕДЕРАЦИИ
УРАЛЬСКИЙ ГОСУДАРСТВЕННЫЙ ТЕХНИЧЕСКИЙ УНИВЕРСИТЕТ
КАФЕДРА ТЕОРЕТИЧЕСКИХ ОСНОВ РАДИОТЕХНИКИ
ПРОЕКТИРОВАНИЕ И АНАЛИЗ АКТИВНОГО ЭЛЕКТРИЧЕСКОГО ФИЛЬТРА
КУРСОВАЯ РАБОТА
Пояснительная записка
Руководитель Ковалев Е. И.
Студент Устьянцев К.Ю.
Екатеринбург 2008
АННОТАЦИЯ
В данной работе проводится расчёт активного фильтра нижних частот Чебышева. Определяется порядок фильтра и значения компонентов. Приводится полная схема фильтра, проводится анализ АЧХ и ФЧХ. Исследуется влияние разброса параметров резисторов и конденсаторов относительно номинальных. Анализ и проектирование выполнены с помощью компьютерной программы Microcap.
СОДЕРЖАНИЕ
Введение
Перечень условных обозначений
Задание на курсовую работу
Расчетная часть
Построение АЧХ и ФЧХ рассчитанного фильтра
Передаточная функция ФНЧ Баттерворта
Заключение
Список литературы
ПЕРЕЧЕНЬ УСЛОВНЫХ ОБОЗНАЧЕНИЙ
f>C> – частота среза фильтра, кГц.
f>S>>. >– граница частоты подавления, кГц
>S> – нормированная частота, соответствующая частоте f>S>>.>
K – коэффициент усиления фильтра в полосе пропускрния
Rн – сопротивление нагрузки, Ом.
A – минимальное затухание в полосе задерживания, дБ.
неравномерность передачи в
полосе пропускания, дБ.
АЧХ – амплитудно-частотная характеристика.
ФЧХ – фазово-частотная характеристика.
С – емкость.
ОУ – операционный усилитель
Ко - коэффициент усиления ОУ
ВВЕДЕНИЕ
Передача и обработка цифровых сигналов электросвязи, сигналов радио и телевидения и т.д. требуют создания электронных цепей, которые в определенной полосе частот обладали бы наперед заданными свойствами амплитудно-частотных и фазо- частотных характеристик (АЧХ и ФЧХ). Этими устройствами являются электрические фильтры. Они бывают реактивными и активными. В данной работе будет рассмотрено проектирование активного электрического фильтра.
Активными называются электрические фильтры, в состав которых наряду с пассивными входят также усилительные или независимые элементы. Наибольшее распространение получили активные RC-фильтры (ARC-фильтры), которые не содержат индуктивных элементов и могут быть реализованы в виде интегральных схем.
Широкое распространение получили ARC-фильтры на основе усилителей с конечным усилением, ОУ-(операционный усилитель) и преобразователей сопротивления.
В данной работе будет использовано 2 операционных усилителя и RC-цепочки, состоящих из трех сопротивлений и двух емкостей. И на основе этих элементов будет реализован низкочастотный ARC-фильтр.
Задание на курсовую работу
Спроектировать активный фильтр на основе каскадного соединения звеньев, состоящих из резисторов, конденсаторов и операционных усилителей, удовлетворяющих нижеперечисленным требованиям.
Привести полную схему фильтра и рассчитать его АЧХ и ФЧХ.
Выполнить анализ спроектированного фильтра с учетом указанных ниже условий. Расчет характеристик производиться на ЭВМ.
Тип фильтра – ФНЧ Баттерворта.
Значения параметров фильтра заданы в табл.1.
Табл. 1
|
Параметр |
Значение |
|
f>С> , кГц |
20 |
|
f>S> , кГц |
30 |
|
A , дБ |
20 |
|
Ко |
106 |
|
К |
4 |
|
Rн , Ом |
75 |
|
Rвх, кОм |
100 |
|
Rвых, Ом |
1 |
РАСЧЕТНАЯ ЧАСТЬ
Анализ требований, предъявляемых к АЧХ фильтра
Фильтр низких частот представляет собой устройство, пропускающее сигналы низких частот и подавляющее сигналы высоких частот. Характеристика фильтра Баттерворда содержит пульсации в полосе пропускания и монотонна в полосе задерживания. АЧХ имеет полосу пропускания от 0 до f>с>=20 КГц и полосу подавления от f>s>=30 КГц и до бесконечности. Полоса пропускания - диапазон частот, в котором затухание минимально. Полоса подавления - диапазон частот, в котором затухание фильтра максимально.
Передаточная функция ФНЧ Баттерворда n-го порядка состоит из следующих n/2 сомножителей второго порядка [1, стр. 13] :
,
А в случае, если порядок n является нечетным, то добавляется сомножитель первого порядка [1, стр. 17]:
,
где
- частота среза, а B
и C
– нормированные коэффициенты звена
фильтра нижних частот второго (первого)
порядка, которые приводятся в таблицах.
K -
коэффициент усиления звена.
Для расчёта ФНЧ необходимо в первую очередь определить его. Зная порядок фильтра, определяют количество звеньев. Затем выбирают одну из схем, реализующих типовые звенья второго и первого порядков, и рассчитывают параметры этих схем.
Передаточная характеристика фильтра
Передаточная характеристика звена второго порядка имеет вид [1, стр. 13]:
.
Передаточная характеристика звена первого порядка имеет вид [1, стр. 17]:
.
Итоговое уравнение передаточной характеристики формируется перемножением передаточных характеристик каждого звена с подставленными коэффициентами К>1>, К>2>, К>2, >B и С.
В каждом случае К представляет
коэффициент усиления звена,
частоту среза фильтра., а коэффициенты
В, С взяты из таблицы справочника. Для
получения выражения функции АЧХ нашего
фильтра, нужно подставить значения
коэффициентов В, С из таблицы.
В результате получается следующее уравнение:
.
Согласно заданию, коэффициент усиления фильтра в полосе пропускания должен равняться 4 (K=4). Из этого следует, что произведение коэффициентов усиления каждого звена фильтра должно также равняться 4 (K>1>K>2>К>3>=4). Тогда выберем коэффициент первого звена К>1>=2, второго К>2>=1,25, а коэффициент третьего звена К>3>=1,6.
Коэффициенты будут иметь следующий вид:
- для звена второго порядка: В=1,141214
С=1,000000;
Рассчитаем передаточную характеристику для каждого звена
Для звена второго порядка:
.


Передаточная характеристика фильтра

Расчет фильтра
Нормирование частоты.
=30/20=1,5
Выбор порядка фильтра-прототита.
По графику, изображенного на рисунке 1, с учетом коэффициента затухания выбираем порядок фильтра: n=6.

Рис.1
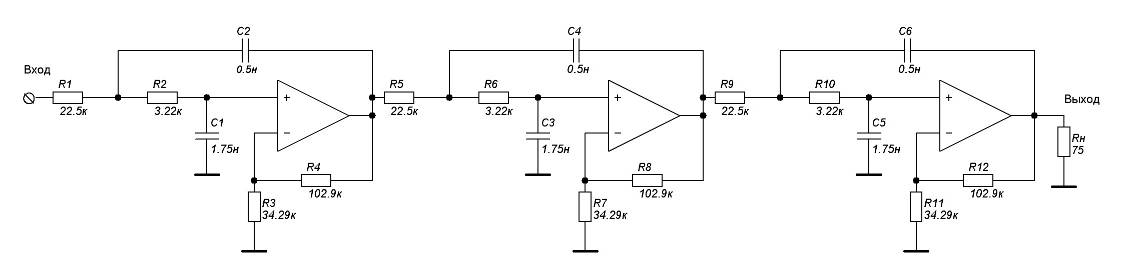
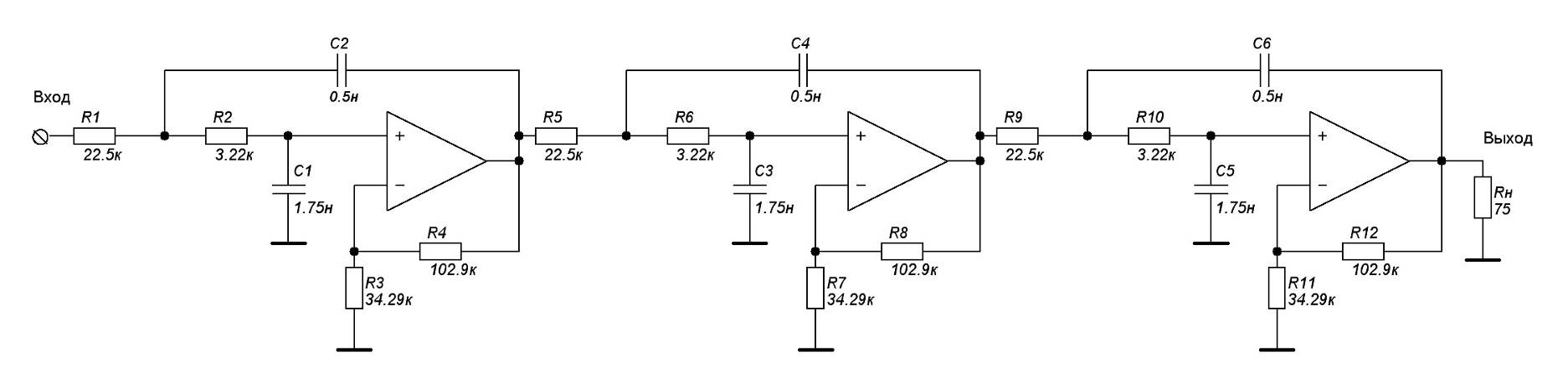
Необходимый порядок АФ может быть получен последовательным соединением типовых каскадов 2-го и 3-го порядка. Если порядок АФ n—четное число, то используется n/2 каскадов 2-го порядка. Если же n—нечётное число, то используется (n-2)/2 каскадов второго порядка и один каскад 3-го порядка.
Каждый отдельный каскад имеет единичное усиление, а очень малое выходное сопротивление операционных усилителей позволяет осуществлять непосредственное соединение каскадов. Номиналы элементов схемы некоторых АФ представлены в таблице.

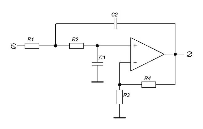
Рассчитаем элементы схемы первого каскада:

,
где С=1, В=1,414214




Составим схему требуемого АФ Баттерворта 6-го порядка:

Рис. 2
Построение АЧХ и ФЧХ рассчитанного фильтра
Для построения АЧХ и ФЧХ использовалась программа Microcap
АЧХ

ФЧХ

Фильтр имеет максимально плоскую характеристику в полосе пропускания вблизи нулевой частоты и далее монотонно возрастающее затухание с бесконечным затуханием при =.
Влияние коэффициента усиления операционного усилителя на форму АЧХ и ФЧХ.
Заключение
В данной курсовой работе был разработан активный электрический фильтр Баттерворта 6-го порядка на основе идеального операционного усилителя (ОУ), получены навыки в проектировании фильтров при использовании современных методов расчета – программы Microcap.
Для полученного фильтра с помощью ЭВМ были построены АЧХ и ФЧХ фильтра.
Спроектированный фильтр, если не учитывать небольшие неточности, может быть успешно использован в радиоэлектронной аппаратуре.
СПИСОК ЛИТЕРАТУРЫ
Джонсон Д. Справочник по расчету активных фильтров М.1986
ПРОЕКТИРОВАНИЕ ПАССИВНЫХ И АКТИВНЫХ ЭЛЕКТРИЧЕСКИХ ФИЛЬТРОВ: Методические указания к курсовой работе по курсу "Теория радиотехнических сигналов и цепей" /В.Г.Коберниченко. А.П.Мальцев. Екатеринбург: УПИ, 1992. 36 с.




