Радиочастотная идентификационная метка на поверхностных акустических волнах
Содержание
Введение
1 Краткий обзор идентификационных меток
1.1 Штриховое кодирование
1.2 Радиочастотные идентификационные метки
1.2.1 Пассивные, полуактивные и активные метки
1.2.2 Только считываемые и перезаписываемые метки
1.2.3 Чиповые и бесчиповые метки
1.3 Пассивные радиочастотные идентификационные метки на поверхностных акустических волнах
1.3.1 Физические принципы работы меток на поверхностных акустических волнах
1.3.2 Возможные принципы построения и функционирования РЧИД-меток на ПАВ
1.3.3 Варианты кодирования данных в метках на ПАВ
1.4 Частотные диапазоны РЧИД-систем
1.5 Актуальность ПАВ-устройств. Выводы
2 Основная часть
2.1 Выбор исходных материала
2.1.1 Основные требования к материалам подложеr устройств на ПАВ
2.1.2 Выбор материала подложки (звукопровода)
2.1.3 Выбор материала для металлизации поверхности
2.2 Расчёт основных элементов метки
2.2.1 Выбор приемо-передающего ВШП
2.2.2 Расчет основных параметров приемо-передающего ВШП
2.2.3 Выбор и расчет отражателей
2.2.4 Конструкция метки
2.2.5 Кодирование данных
2.2.6 Определение габаритных размеров проектируемой метки
2.3 Технологические этапы изготовления РЧИД-метки на ПАВ
2.3.1 Стадия предварительной обработки поверхности подложек
2.3.2 Предварительная очистка подложек ниобата лития
2.3.3 Окончательная очистка подложек от загрязнений
2.3.4 Формирование электродных структур
2.4 Карта идентификации. Проверка работоспособности меток
2.4.1 Антенна
2.4.2 Печатная согласующая индуктивность
2.4.3 Оценка вносимых устройством потерь в принимаемый/передаваемый сигнал
2.4.4 Проверка работоспособности меток
3 Организационно-экономическая часть
3.1 Оценка эффективности инновационного процесса
3.1.1 Определение себестоимости инновационного процесса
3.1.2 Определение эффективности инновационного процесса
3.2 Организационно-плановые расчеты
3.2.1 Расчет календарно-плановых нормативов
3.3 Экономические расчеты
3.3.1 Определение стоимости основных фондов и их износа на полное восстановление
3.3.2 Расчет затрат на материалы
3.3.3 Расчет численности работающих по категориям и фонда заработной платы
3.3.4 Калькулирование себестоимости
3.3.5 Расчет технико-экономических показателей
3.4 Расчет коммерческой эффективности проекта
3.4.1 Расчет потока реальных денег от операционной (производственной) деятельности
3.4.2 Расчет потока реальных денег от инвестиционной деятельности
3.4.3 Расчет необходимого прироста оборотного капитала
3.4.4 Расчет потока реальных денег от финансовой деятельности
3.4.5 Расчет показателей коммерческой эффективности проекта
4 Безопасность жизнедеятельности
4.1 Вредные и опасные факторы в цехе изготовления
радиочастотных идентификационных меток на ПАВ
Охрана труда
4.2 Экологические аспекты БЖД
5 Обеспечение безопасности объекта ООО НПЦ «Элион» в чрезвычайных ситуациях
5.1 Определение устойчивости объекта к радиоактивному заражению местности
5.2 Расчет режимов работы объекта в условиях радиоактивного заражения
5.3 Определение возможных радиационных потерь (поражений) в зонах радиоактивного заражения
Заключение
Список литературы
Аннотация
В данном дипломном проекте разработана радиочастотная идентификационная метка на поверхностных акустических волнах. Основными функциональными элементами устройства являются подложка с нанесенными на нее встречно-штыревыми структурами, прикрепляемая к контактным вывода метки антенна, а также согласующий элемент – индуктивность. Разработана методика расчета основных элементов метки, выбраны материал подложки, тип встречно-штырьевых преобразователей и отражательной системы. Также предложен технологический маршрут изготовления разрабатываемой метки. В качестве примера рассмотрен один из способов построения карты идентификации с использованием метки на ПАВ.
Введение
Ежегодный рост мирового товарооборота и масштабное увеличение числа грузоперевозок привело к созданию систем регистрации и идентификации подвижных и неподвижных объектов. Задачей любой системы идентификации является хранение информации об объекте с возможностью ее удобного считывания. Такие системы как правило содержат в своем составе считыватели и метки. Метка может содержать данные о типе объекта, стоимости, весе, температуре, данные логистики, или любой другой информации, которая может храниться в цифровой форме. Они могут быть выполнены в виде карт с магнитной полосой, штрих-кодов, электронных ключей, чиповых или бесчиповых карточек идентификации. Однако в дальнейшем нас будут интересовать системы дистанционного считывания информации об объекте, поэтому остановимся на наиболее распространенных системах штрихового кодирования и радиочастотной идентификации, выявим достоинства и недостатки каждой технологии. Далее определим основные цели и задачи по созданию устройства, позволяющего конкурировать с существующими аналогами. Основная часть дипломного проекта будет посвящена разработке радиочастотной идентификационной метки на ПАВ согласно техническому заданию.
1 Краткий обзор идентификационных меток
Штриховое кодирование
C помощью штрихового кода зашифрована информация о некоторых наиболее существенных параметрах продукции. Наиболее распространена Европейская система кодирования EAN [1]. Согласно этой системе, каждому виду изделия присваивается свой номер, состоящий чаще всего из 13 цифр (EAN-13). Типовой штрих-код представлен на рисунке 1.1.

Рис.1. - Типовой штрих-код
Цифровые обозначения:
Код страны;
Код изготовителя;
Код товара;
Контрольная цифра;
Знак товара, изготовленного по лицензии.
Основными преимущества штрихового кодирования являются простота реализации и низкая стоимость. Однако для целого ряда областей эта технология оказывается нерезультативной, особенно там, где требуется контроль перемещения объектов в реальном времени, интеллектуальные решения автоматизации, способность работать в жестких условиях эксплуатации. Все эти проблемы в состоянии решить радиочастотная идентификация, в частности радиочастотные идентификационные (РЧИД) метки.
1.2 Радиочастотные идентификационные метки
Радиочастотная идентификация – технология, использующая радиочастотное электромагнитное излучение для чтения/записи информации на устройство, называемое меткой [2].
На рисунке 1.2 приведена типовая конструкция РЧИД-метки.

Рисунок 1.2 - Типовая конструкция карты для бесконтактной радиочастотной идентификацией
В таблице 1.1 приведена сравнительная характеристика радиочастотной идентификации и штрихового кодирования [3][4].
Таблица 1.1 – Сравнительная характеристика радиочастотной идентификации и штрихового кодирования
|
Характеристики технологии |
РЧИД |
Штрих-код |
|
Необходимость в прямой видимости метки |
Возможно чтение скрытых меток |
Чтение невозможно без прямой видимости |
|
Объем памяти |
От 10 до 10000 байт |
До 100 байт |
|
Возможность перезаписи и многократного использования |
Есть |
Нет |
|
Одновременная идентификация нескольких меток |
До 200 меток |
Невозможна |
|
Характеристики технологии |
РЧИД |
Штрих-код |
|
Устойчивость к воздействиям окружающей среды: механическому, температурному химическому, влаге |
Повышенная прочность и сопротивляемость |
Крайне легко повреждается |
|
Срок жизни метки |
Более 10 лет |
короткий |
|
Безопасность и защита от подделки |
Подделка практически невозможно |
Легко подделать |
|
Идентификация движущихся объектов |
Возможна |
Затруднена |
|
Идентификация металлических объектов |
Возможна |
Возможна |
|
Подверженность помехам в виде электромагнитных полей |
Есть |
Нет |
|
Дальность регистрации |
До 100 м |
До 4 м |
|
Стоимость |
Средняя |
Низкая |
При работе с радиочастотной идентификацией необходимо учитывать некоторые ограничения. К ним относятся: относительно высокая стоимость; невозможность размещения под металлическими и экранирующими поверхностями; взаимные коллизии; подверженность помехам в виде электромагнитных полей. Разберем каждый из этих недостатков более подробно.
Стоимость пассивных РЧИД-меток превышает стоимость этикеток со штриховым кодом. Исходя из этого, использование радиочастотных меток целесообразно для защиты дорогих товаров от краж или для обеспечения сохранности изделий, переданных на гарантийное обслуживание. В сфере логистики и транспортировки грузов стоимость радиочастотной оказывается совершенно незначительной по сравнению со стоимостью содержимого контейнера, поэтому совершенно оправдано использование радиочастотных меток на упаковочных ящиках, паллетах и контейнерах.
Радиочастотные метки подвержены влиянию металла (это касается упаковок определенного вида - металлических контейнеров, иногда даже некоторых типов упаковки жидких пищевых продуктов, запечатанных фольгой). Это вовсе не исключает применение РЧИД, но приводит или к необходимости использования более дорогих меток, разработанных специально для установки на металлические поверхности или к нестандартным способам закрепления меток на объекте.
Подверженность систем радиочастотной идентификации помехам в виде электромагнитных полей от включенного оборудования, излучающего радиопомехи в диапазоне частот, используемом для работы РЧИД-системой. Необходимо тщательно проанализировать условия, в которых система РЧИД будет эксплуатироваться. Для систем UHF диапазона 868-869 МГц это практически не актуально (в этом диапазоне никакие другие приборы не работают), но низкочастотные метки, работающие на частоте 125 КГц подобному влиянию подвержены.
Из-за того, что сферы применения меток разнообразны, на их характеристики налагаются существенные ограничения по исполнению, размерам и стоимости. С этими характеристиками связаны различные классификации РЧИД-меток [5].
Радиочастотные идентификационные метки принято разделять на "чиповые" и "бесчиповые". Чиповые содержат интегральную микросхему – чип, а бесчиповые ее не содержат. Чиповые, в свою очередь, могут быть пассивные, полуактивные и активные. Пассивные метки не содержат ни элемента питания, ни активного передатчика; полуактивные метки содержат элемент питания, но не имеют активного передатчика; активные метки содержат и то и другое.
Еще одна классификация подразделяет метки на только считываемые и считываемые/записывающие. Только считываемые метки имеют или только считываемую память, или память, которая однократно программируется и многократно считывается. Считываемые/записывающие метки позволяют однократно записывать и многократно перезаписывать информацию.
1.2.1 Пассивные, полуактивные и активные метки
Различие между пассивными, полуактивными и активными метками состоит в наличии источника питания и передатчика. Пассивные метки не содержат ни источника питания, ни передатчика. Полуактивные метки содержат источник питания, но не содержат передатчика. Активные метки содержат как источник питания, так и передатчик.
Активные метки имеют наилучшие характеристики. Дальность может достигать километров, а связь со считывателем надежная и быстрая. Однако наличие источника питания и передатчика приводит к высокой стоимости.
Полуактивные метки по сравнению с пассивными имеют более высокую дальность (до нескольких десятков метров) и из-за этого могут иметь достаточно высокие функциональные возможности. Однако это также приводит к повышению их стоимости.
Пассивные метки обладают дальностью действия до 100 метров и более зависимы от регламентных ограничений и влияния окружающей среды. Тем не менее они получили широкое распостранение из-за наименьшей стоимости. Поэтому с дальнейшем при сравнении различных типов меток будем касаться лишь области пассивной идентификации.
1.2.2 Только считываемые и перезаписываемые метки
Любые чиповые метки могут быть только считываемыми или считываемыми/записывающими. Пассивные метки, как правило, бывают только считываемыми. Только считываемые метки программируются идентификационным кодом в процессе производства или при установке на определенный объект. Память таких меток может быть или только читаемой памятью или однократно программируемой и многократно читаемой.
Считываемые/записывающие метки могут многократно перепрограммироваться в процессе их эксплуатации. Обычно они имеют идентификационный код или серийный номер, который записывается в процессе производства. Также в них может записываться разнообразная дополнительная информация. Такие метки многофункциональны, однако это приводит к возрастанию их стоимости.
Из-за низкой стоимости наибольшим рыночным потенциалом обладают только считываемые метки в совокупности с практически теми же функциональные возможности, как и считываемые/записывающие метки.
1.2.3 Чиповые и бесчиповые метки
Чтобы идентифицировать множество производимых объектов, схема памяти должна иметь возможность хранения достаточного числа уникальных кодов. Оптимальным считается объем памяти в 96 бит. Большинство бесчиповых меток в настоящее время позволяют хранить 24 бита или меньше, хотя некоторые позволяют хранить 64 бита. Однако, увеличение размера памяти приводит их стоимости метки.
Из-за возрастания числа и снижения размера объектов, на которые устанавливаются метки, необходимо, чтобы считыватель был способен одновременно считывать множество меток, находящихся в зоне его действия; причем метки могут размещаться близко друг от друга. В настоящее время наилучшим способом решения такой задачи – коллизии сигналов – является наделение самих меток некоторым интеллектом.
Возможно также использование методов пространственного выделения одной метки среди многих других, что приводит к разрешению коллизии,
На рисунках 1.3 представлена типичная чиповая метка и ее конструкцияи. На рисунке изображена чиповая радиочастотная метка для диапазона частот 850–960 МГц, выпускаемые сегодня компанией Omron [6].

Рисунок 1.4 – Метка, работающая в диапазоне частот 850 – 900 МГц
Оба типа меток имеют перемычку, которая представляет собой гибкую печатную плату с установленной микросхемой, соединенной с контуром антенны.
Достоинства чиповых меток:
Обладают достаточной памятью, чтобы хранить уникальных идентификационный номер большого числа объектов;
Простота реализации считывания нескольких меток одновременно
Бесчиповые метки не имеют в своем составе модуля памяти, и поэтому могут хранить гораздо меньший объем информации. Однако существует множество приемов, специальных кодировок сигнала, которые позволяют в полной мере конкурировать с чиповыми аналогами. Кроме того, также возможно считывание сразу нескольких меток одновременно. Бесчиповые метки – метки самой низкой стоимости, которые обеспечивают оптимальный минимум функциональных возможностей, простые только считываемые устройства с постоянным уникальным идентификационным кодом. Рассмотрим даны вид меток более подробно.
1.3 Пассивные радиочастотные идентификационные метки на поверхностных акустических волнах
1.3.1 Физические принципы работы меток на поверхностных акустических волнах
Работа меток на поверхностных акустических волнах основана на пьезоэффекте и распространении на поверхности пьезоэлектрического кристалла поверхностных акустических волн с относительно небольшой скоростью (от 3000 до 4000 м/с) [7].
Пьезоэлектрический эффект (пьезоэффект) наблюдается в анизотропных диэлектриках, преимущественно в монокристаллах некоторых веществ, обладающих достаточно низкой симметрией или имеющих вместо центра симметрии так называемые полярные направления (оси). Пьезоэффектом могут обладать также некоторые поликристаллические диэлектрики с упорядоченной текстурой, например керамические материалы и полимеры. Диэлектрики, обладающие пьезоэффектом, называют пьезоэлектриками. Внешние механические силы, воздействуя в определенных направлениях на пьезоэлектрический кристалл, вызывают в нем не только механические напряжения и деформации (как в любом твердом теле), но и электрическую поляризацию. На поверхностях кристалла появляются связанные электрические заряды разных знаков. При изменении направления механических сил на противоположное становятся противоположными направление поляризации и знаки зарядов. Данное явление называют прямым пьезоэффектом. Пьезоэффект обратим. При воздействии на анизотропный диэлектрик электрического поля соответствующего направления в кристалле возникают механические напряжения и деформации. При изменении направления электрического поля на противоположное соответственно изменяются на противоположные направления напряжений и деформаций. Это явление получило название обратного пьезоэффекта. В пьезоэлектриках вследствие обратного пьезоэффекта исходное переменное электрическое поле вызывает деформацию подложки. Деформация подложки, в свою очередь, из-за прямого пьезоэлектрического эффекта создает дополнительное электрическое поле. Дополнительное электрическое поле запаздывает относительно исходного поля. В результате суперпозиции этих двух полей возникает поле с эллиптически поляризованной составляющей, которое обуславливает возбуждение поверхностной акустической волны.
Поверхностные акустические волны (ПАВ) — это упругие волны, распространяющиеся вдоль свободной поверхности твердого тела или вдоль границы твердого тела с другими средами и затухающие при удалении от границ. Поверхностные акустические волны занимают диапазон длин волн от 10–5 до 10–1 см, а их частоты соответствуют области ультразвука. Замечательным свойством поверхностных акустических волн является их невысокая в сравнении с электромагнитными волнами скорость распространения, что позволяет применять к ним математические способы обработки сигнала. Наиболее просто ПАВ возбуждаются и регистрируются в пьезоэлектриках. Пьезоэлектриками являются такие монокристаллы, встречающиеся в виде природных минералов и искусственно выращиваемые, как ниобат лития LiNbO>3> и танталат лития LiTaO>3>.
Для возбуждения и детектирования ПАВ в различных технических приложениях служат встречно-штыревые преобразователи (ВШП). Они представляют собой нанесенные на пьезоэлектрическую подложку металлические штыри-электроды, как щетки, вставленные друг в друга (рисунок 7). ВШП показан без учета пропорций. Реальная длина электродов в сто и более раз превышает их ширину.
Принцип работы встречно-штыревого преобразователя заключается в следующем. Электрический Δ-импульс, приложенный к ВШП, преобразуется благодаря обратному пьезоэлектрическому эффекту в механическую деформацию поверхности подложки между электродами разной полярности. Эта деформация пропорциональна электрическому полю и распространяется как поверхностная акустическая волна в обоих направлениях, перпендикулярных электродам. Возбуждение ПАВ происходит только в области между электродами, подключенными к разным клеммам. Длина взаимно перекрывающихся частей электродов определяет ширину пучка возбуждаемой ПАВ.
Достоинством ВШП является возможность изменения в широких пределах параметров возбуждаемых ПАВ. Это легко достигается изменением геометрических размеров ВШП и проявляется в виде изменения формы импульсного отклика и частотной характеристики.
Встречая механическую или электрическую неоднородность на поверхности, часть ПАВ отражается. Поверхностная волна, входящая обратно в ВШП, генерирует на его шине в результате прямого пьезоэффекта электрический сигнал. Именно это свойство используется в системах радиочастотной идентификации на поверхностных акустических волнах.
1.3.2 Возможные принципы построения и функционирования РЧИД-меток на ПАВ
До настоящего момента наиболее распространенными были метки с использованием линии задержки. Линия задержки, один из приборов на ПАВ, включает в себя два ВШП, один из которых предназначен для возбуждения, а второй для приема возбуждаемой звуковой волны (рисунок 8). При приложении ко входному ВШП электрического сигнала, возбуждается поверхностная акустическая волна. Она, в свою очередь, доходит до второго преобразователя с некоторой задержкой во времени, зависящей от расстояния между преобразователями и от скорости распространения ПАВ. Типичное время задержки составляет 1 —50 мкс [8].
Пассивная карта идентификации представляет собой несколько линии задержки (ЛЗ) на ПАВ заключенных в герметичный корпус, с тремя или более выводами (кнопками для набора идентифицирующего кода) и снабженная небольшой антенной, позволяющей принимать и излучать сигналы в заданной полосе частот с минимальными потерями. Число линий задержки зависит от значности идентифицируемого кода и может достигать семи (семизначный код). Каждая ЛЗ настроена на свою полосу частот и мало восприимчива к сигналов, предназначенных для ЛЗ, настроенных на другие полосы частот. Также дополнительные выводы позволяют увеличить число идентифицирующих комбинаций в 103раз.

Рисунок 1.6 - Линия задержки
Однако такая метка обладает существенными недостаткам: малая емкость данных и большие габаритные размеры.
Наиболее распространенным в настоящее время является транспондер на отражателях (рефлекторах). Схематическое изображение и принцип работы транспондера приведены на рисунке 9.
ВШП располагается в конце пьезоэлектрической подложки. К его шинам подключается дипольная антенна транспондера, которая принимает сигнал опроса от ридера (считывателя) и излучает ответный сигнал, генерируемый транспондером на ПАВ.

Рисунок 1.7 – Принцип работы транспондера на отражателях
По длине транспондера ПАВ размещаются отдельные электроды-рефлекторы. Их располагают на поверхности таким образом, чтобы кодировать данные, используя задержку во времени, амплитуду и фазу.
Когда транспондер попадает в зону действия ридера, то часть излучаемой ридером энергии принимается антенной транспондера и поступает к выводам ВШП в виде высокочастотного импульса напряжения.
ВШП преобразует часть этой принятой энергии в поверхностную акустическую волну, которая распространяется в кристалле под прямым углом к электродам ВШП. Для преобразования большего количества принятой транспондером электромагнитной энергии в акустическую энергию необходимо, чтобы частота передачи ридера соответствовала частоте колебаний поверхностной волны, генерируемой ВШП.
На дальнейшее распространение ПАВ по поверхности пьезоэлектрического кристалла оказывают воздействие рефлекторы. Небольшая часть поверхностной волны отражается от каждого рефлектора и движется обратно по кристаллу в направлении ВШП. Оставшаяся часть поверхностной волны продолжает двигаться к концу подложки и там гасится.
Таким образом, из одного импульса опроса генерируется несколько ответных импульсов, причем каждый рефлектор создает свой импульс в ответном сигнале транспондера.
Эта последовательность импульсов, полученная ВШП и преобразованная в высокочастотную последовательность электромагнитных импульсов, излучается антенной транспондера и может быть принята ридером. Число принимаемых импульсов соответствует числу рефлекторов на подложке.
Следует особо отметить, что время задержки между отдельными импульсами пропорционально пространственному расстоянию между рефлекторами на подложке, и поэтому пространственное расположение рефлекторов может представлять двоичную последовательность цифр, которая в простейшем случае равна идентификационному коду транспондера (количество различных кодов равно величине 2n–1, где n — число рефлекторов на подложке).
Расположение рефлекторов и, тем самым, считываемый код определяются при изготовлении устройства. Поэтому транспондеры ПАВ принадлежат к категории транспондеров «только чтение». Емкость хранения данных и скорость передачи данных транспондера на ПАВ зависят от размера подложки и минимального реализуемого расстояния между рефлекторами. Обычный транспондер на ПАВ передает около 16 или 32 бит со скоростью передачи 500 кбит/с.
В связи с невысокой скоростью распространения поверхностных волн по подложке, первый ответный импульс транспондера принимается считывателем с задержкой, равной примерно 1,5 мс. Для сравнения: временной задержки в примерно 0,66 мкс вполне достаточно, чтобы произошло затухание помех в радиусе 100 м вокруг ридера.
Таким образом, ответный сигнал транспондера приходит, когда все отражения от окружения ридера давно прекратились, и подобного рода помехи не вносят ошибки в последовательность ответных импульсов от транспондера.
Транспондеры на ПАВ являются полностью линейными устройствами и отвечают на импульс опроса с определенной фазой. Более того, фазовый угол и дифференциальное время распространения между отраженными индивидуальными сигналами сохраняют постоянное значение. Это важное свойство позволяет увеличить дальность действия транспондера на ПАВ методом усреднения слабых ответных сигналов транспондера на многие импульсы опроса. Операция считывания занимает микросекунду, поэтому за секунду может быть выполнено несколько сотен тысяч циклов чтения.
Рефлекторы реализуются с помощью системы металлизированных полосок на пьезоэлектрической подложке (рисунок 10а) или системы канавок (рисунок 10б), которые формируют путем травления.
В некоторых случаях элементы рефлектора создаются в виде диэлектрических слоев с использованием метода ионной имплантации.
Электроды транспондера создаются с помощью фотолитографической процедуры, аналогичной той, что используется в микроэлектронике при производстве интегральных схем.

Рисунок 1.8 - Рефлекторы: a) в виде металлизированных полосок на пьезоэлектрической подложке; б) в виде канавок, формируемых методом травления
Наиболлее перспективной является использование производственных линеек на базе систем наноимпринтлитографии (НИЛ). Она предполагает пошаговую штамповку в жидкий мономер с последующим его отверждением ультрафиолетовым излучением. Такой подход позволяет создавать наноразмерные структуры, что удешевляет стоимость продукции, так как на одной пластине становится возможным разместить большее количество меток, а также улучшает рабочие характеристики выпускаемой продукции
1.3.3 Варианты кодирования данных в метках на ПАВ
В транспондерах на ПАВ применяются в основном следующие методы кодирования данных: кодирование методом включения-выключения импульса (a) и кодирование временной позиции импульса (б).
a) В простейших транспондерах на ПАВ используется метод кодирования данных включением-выключением импульса, при котором каждая возможная позиция импульса кодирует один бит данных. Наличие или отсутствие импульса в ответном сигнале ПАВ-транспондера определяется топологией расположения рефлекторов на пьезоэлектрической подложке. Каждый рефлектор создает свой импульс в ответном сигнале ПАВ-транспондера, при этом время задержки между отдельными импульсами пропорционально пространственному расстоянию между рефлекторами на подложке. Промежутки, свободные от импульсов, отсутствуют. Размещая соответственным образом рефлекторы на подложке, можно сформировать требуемый двоичный код, представляемый последовательностью импульсов ответного сигнала транспондера.
б) В коммерческих системах на ПАВ используется метод кодирования временной позиции импульса.
В этом случае необходим так называемый импульс начала (стартовый импульс), чтобы обеспечить временную синхронизацию для остальных импульсов данных. Каждый импульс может занимать одну из 4 возможных временных позиций (рисунок 1.9). Соответствующая группа данных из 2 битов кодируется этим импульсом. Между группами данных существуют промежутки, свободные от импульсов.
При данном методе кодирования ширина импульсных слотов увеличивается примерно в два раза, чтобы обеспечить четкое разделение смежных позиций, которые могут занимать импульсы.

Рисунок 1.9 – Кодирование данных временной позиции импульсов в транспондере на ПАВ
В целом, кодирование временной позиции импульса и кодирование включением-выключением импульса обеспечивают примерно одинаковую плотность данных на единицу времени. Однако преимуществом метода кодирования временной позиции импульса является 50-процентное уменьшение импульсов данных, что означает 50-процентное уменьшение числа рефлекторов на транспондере. Благодаря использованию ограниченного числа рефлекторов улучшается детектирование данных (в каждой группе данных существует только один импульс) и обеспечивается постоянство амплитуд импульсов данных. Несмотря на то, что каждый рефлектор слегка уменьшает амплитуду сигнала, постоянное число рефлекторов означает, что импульсы сигнала, которые порождаются последними рефлекторами, всегда имеют постоянную амплитуду.
1.4 Частотные диапазоны РЧИД-систем
Существующие системы радиочастотной идентификации работают в нескольких нелицензируемых частотных диапазонах. В настоящее время для каждого из выделенных диапазонов действуют свои стандарты [9]. Системы РЧИД в соответствии с международными стандартами ISO подразделяются на четыре класса:
Низкочастотные, с рабочим диапазоном частот 125 - 135 кГц;
Высокочастотные системы − 13,56 МГц;
Сверхвысокочастотные системы − 850 - 950 МГц;
Сверхвысокочастотные,− 2,4 ГГц.
Системы RFID в каждом частотном диапазоне имеют свои преимущества и недостатки, поэтому выбор конкретного диапазона основном зависит от сферы применения. Низкочастотные системы идентификации имеют низкую скорость передачи данных и меньшее расстояние считывания по сравнению с высокочастотными системами. Так же с ростом частоты способность проникновения электромагнитных волн в различные материалы уменьшается. Низкочастотные системы обычно взаимодействуют на расстоянии в пределах одного метра. В силу физики распространения волн в этом диапазоне, низкочастотные метки наиболее подходят для приложений, где требуется способность электромагнитных волн проникать в различные поверхности. Такие области применения включают маркировку животных, контроль доступа. Для некоторых объектов были созданы специальные стандарты (таблица 1.2).
Высокочастотные системы характеризуются более высокой скоростью передачи данных (~ 106Кбит). Также более высокая тактовая частота позволяет снабжать метки дополнительными функциональными возможностями, такими как шифрование данных и возможность перезаписи данных в метке. Сферы применения таких систем: электронные удостоверения личности, маркировка изделий, банковские и смарт карты, контроль технических процессов.
Таблица 1.2 – Действующие стандарты систем РЧИД
-
Рабочая частота
Стандарт
Сферы применения
125 кГц
135 кГц
ISO 14223
ISO 11784
ISO 11785
ISO 18000-2
Разработаны для идентификации животных
13.56 МГц
ISO 14443
ISO 15693
ISO 10373
ISO 18000-3
Бесконтактные смарт-карты для широкого круга приложений
Бесконтактные метки для логистики, идентификации товаров
860-930 МГц
ISO 15961
ISO 15962
ISO 15963
ISO 18000-6
Бесконтактные метки для логистики, идентификации товаров со средней дальностью
2.45 ГГц
ISO 15961
ISO 15962
ISO 15963
ISO 18000-4
Бесконтактные метки для логистики, идентификации товаров с увеличенной дальностью
Для СВЧ систем идентификации в Европейских странах выделен частотный диапазон 866-869 МГц. Радиус взаимодействия метки и считывателя в пределах 2 − 8 метров. Системы характеризуются высокой скорость передачи данных. Поэтому СВЧ системы идентификации наиболее подходят для транспортной и складской логистики. С другой стороны для работы метки требуется большая мощность приемопередающей базовой станции. В случае идентификации объектов из непрозрачных материалов для электромагнитных волн применяют особые конструкции меток.
В зависимости от частотного диапазона, системы радиочастотной идентификации используют разные способы взаимодействия метки и считывателя, методы модуляции и кодирования данных.
Кроме известных стандартов ISO, широкое распространение и популярность получили стандарты EPC Global. В стандартах EPC Global выделены следующие классы.
Класс 0. Группа пассивных меток для идентификации объекта. Эти метки содержат только, так называемый, «электронный код продукта» (Electronic Product Code, EPC) в неизменяемом виде и использующий проверку CRC для обнаружения ошибок.
Класс 1. Группа пассивных меток с функциональными возможностями. Эта большая группа меток содержит все метки, имеющие какие либо дополнительные функции, отличающие их от первой группы. Примером таких функции могут быть перезаписываемый EPC, шифрование данных и т.п.
Класс 2. Группа «полупассивных» меток. К этой группе были отнесены все метки, использующие дополнительно источник питания. При этом основным источником питания должна являться излучаемая считыватель энергия.
Класс 3. Группа активных меток. Эти метки содержат встроенный источник питания, полностью обеспечивающий метку необходимой энергией вне зависимости от считывателя.
Класс 4. Группа активных меток. Эти метки не только содержат встроенный источник питания, но и набор определенной логики, позволяющей метке обмениваться данными с такой же меткой или обычным считывателем.
Наиболее перспективными сегодня являются системы,использующие новейший СВЧ протокол Generation 2, предложенный организацией по стандартизации EPCglobal. Generation 2 представляет собой концепцию с улучшенными качествами и стандартами работы, такими как функционирование нескольких считывателей в непосредственной близости друг от друга, соответствие всем нормам мировых регулирующих органов, высокий уровень качества считываемости меток, высокая скорость считывания, возможность многоразовой записи информации на метки и повышенный уровень безопасности. Данный протокол полностью соответствует существующим требованиям.
1.5 Актуальность ПАВ-устройств. Выводы
Таким образом мы выяснили, что преимущества RFID систем делают возможным применение её в различных сферах торговли, производства, логистики и безопасности:
системы контроля и управления доступом;
управление производством и технологическими циклами;
беспроводные платежные системы;
учет и контроль грузовых перевозок;
автоматизация складирования;
электронная маркировка товаров в торговле;
электронная маркировка книг в библиотеках.
Для наглядного примера того, что РЧИД-метки на ПАВ способны составить конкуренцию чиповым меткам, произведем сравнение наиболее ярких представителей каждого класса, представив их характеристики в виде таблицы 1.3.
Таблица 1.3 – Сравнительная характеристика пассивных РЧИД- меток, работающих в диапазоне частот 850 – 960 МГц
|
Наименование |
ESCOR-SAW [10] |
RI -UHF – 00C02-03G2 [11] |
|
Производитель |
ООО «ОПФ ПИК» (Россия) |
T. Instruments (США) |
|
Вид |
Метка на ПАВ |
Метка на основе чипа |
|
Размеры |
200x300 |
95,25x38,1 |
|
Рабочая температура |
от -100 до 300 0С |
-40 …+65 0С |
|
Дальность считывания |
До 10 м |
До 7 м |
|
Емкость данных |
До 96 бит |
До 96 бит |
|
Срок использования |
Более 10 лет |
До 10 лет |
|
Радиационная стойкость |
До 5 Мрад |
Выход из строя |
Из всего вышеизложенного определим возможные сферы применения меток на ПАВ:
1) Системы управления и контроля для транспортных средств.
2) Учет и регистрация автомобильных, железнодорожных и морских контейнеров.
4) Электронный номер (паспорт) транспортного средства.
8) Бесконтактные датчики давления, температуры и т.п
Все вышеперечисленные сферы применения транспондеров на ПАВ по своей сути являются наиболее требовательными к условиям эксплуатации систем радиочастотной идентификации и, что не менее важно, к надежности изделия, чего не может обеспечить чиповая метка.
Таким образом, проектируемая метка должна обеспечить максимально возможную дальность считывания, оптимальную конструкции, большую емкость данных и, вместе с этим, низкую стоимость. Кроме того, необходимо предусмотреть такую конструкцию, которая бы имела незначительные потери сигнала при считывании, а так же возможность считывания в поле действия ридера нескольких меток подобного типа. Все это будет определяться технологией изготовления, точностью расчетов и правильным подбором материалов.
2. Основная часть
Выбор исходных материалов
Основные требования к материалам подложек устройств на ПАВ
В устройствах на ПАВ в качестве материала подложки, как правило, используются пьезоэлектрики. Это связано со способом возбуждения звуковых волн с помощью встречно-штыревых преобразователей [12].
Перечислим наиболее важные характеристики материалов для устройств на ПАВ:
Квадрат коэффициента электромеханической связи (КЭМС) – дает количественное описание пьезоэлектрического эффекта. Он определяет соотношение между электрической и механической энергиями в пьезоэлектрике.
Данный параметр определяют экспериментально путем изменения времени распространения ПАВ между входным и выходным ВШП до и после нанесения на свободную поверхность между преобразователями металлической пленки.
Такие наиболее важные характеристики устройств на ПАВ, как относительная ширина полосы пропускания и вносимые потери, могут быть представлены в виде явных функций КЭМС. При заданном уровне вносимых потерь материал с большим значением КЭМС позволяет реализовать более широкополосное устройство.
Температурный коэффициент задержки (ТКЗ) – относительное изменение времени задержки, соответствующее изменению температуры на один градус. Значение ТКЗ определяют экспериментально путем измерения температурной зависимости частоты автогенератора с линией задержки на ПАВ.
Обычно материалы с большим значением КЭМС имеют худшую температурную стабильность (т.е. большие значения ТКЗ). Большое значение КЭМС показывает, что механические свойства более чувствительны к изменениям температуры.
Очевидно, что при жестких требованиях к температурной стабильности устройств предпочтительнее использовать материалы с малым значением ТКЗ.
Скорость ПАВ. С этим параметром связаны такие технические характеристики устройств, как рабочие частоты и габаритные размеры. Скорость ПАВ зависит от плотности материала, его упругих и пьезоэлектрических свойств и от состояния поверхности. Для эффективного возбуждения акустической волны и ее отражения от отражательных структур пространственный шаг топологических элементов должен быть равен длине такой волны.
Следует отметить, что фазовые скорости ПАВ на свободной и металлизированной поверхности различны. Скорость на металлизированной поверхности меньше. Это вызвано, прежде всего, закорачиванием электрической составляющей поля и приводит к изменению характеристик акустической волны.
С точки зрения повышения рабочих частот наиболее предпочтительнее материалы с большим значением скорости. Линейные размеры устройств также связаны с длиной волны. Они на практике составляют величину порядка 100 длин волн. Следовательно для низкочастотных приборов на ПАВ (частоты менее 10-100 МГц) необходимо выбирать материалы с низкой скоростью распространения (1000-2000 м/с).
Уровень потерь энергии при распространении ПАВ (коэффициент затухания). Его определяют с помощью зависимости:
B>M>=α>M>f+β>M>f 2,(2.1)
где α>M>> >и β>M> – коэффициенты, характеризующие потери засчет воздушной нагрузки и вязкостных свойств материала, f – частота, ГГц.
Данная зависимость получена теоретически и подтверждена экспериментально для различных материалов и из срезов. Первое слагаемое вносит свой вклад лишь в том случае, если кристалл находится в воздухе или инертном газе и равно нулю в вакууме. Второе слагаемое обусловлено взаимодействием ПАВ с колебаниями кристаллической решетки.
При проектировании акустоэлектронных устройств, работающих на частотах менее 50 – 100 МГц потерями на распространение волн чаще всего пренебрегают. В то же время, на высоких частотах они вносят весомый вклад и обязательно должны быть учтены при выборе материала для АЭУ.
На рисунке 2.1 изображены зависимости величины вносимых потерь в зависимости от частоты работы устройства для некоторых материалов.

Рисунок 2.1 – Зависимости вносимых потерь от частоты при распространении ПАВ на поверхности монокристаллов ниобата лития, лангасита, ортофосфата галлия.
Затухание ПАВ также существенно зависит от состояния поверхности подложки Следовательно в процессе изготовления АЭУ подложки звукопроводов должны быть тщательно отшлифованы и очищены. Кроме того затухание ПАВ уменьшается и при охлаждении материала.
Параметры дифракции. Как и в оптических структурах, в приборах акустоэлектроники наблюдается явление дифракции звуковой волны (рисунок 2.2). Это приводит к расхождению пучка ПАВ и потере части энергии волны. Наибольшему влиянию дифракции подвержены устройства с аподизированными преобразователями (преобразователи с изменяющейся величиной перекрытия электродов).

Рисунок 2.2 – Дифракция пучка ПАВ
Так как монокристаллы анизотропны и их характеристики акустических волн зависят от выбранного направления распространения, то картина дифракции в них усложняется в сравнении с изотропными материалами. Скорость ПАВ при разных направлениях различна, что приводит к увеличению или уменьшению расходимости пучков. Последний эффект называется автоколлимацией, Она приводит к уменьшению дифракционных потерь и особо важна в линиях задержки с большим временем задержки и в устройствах с протяженными электродными структурами. Степень дифракции для каждого конкретного пьезоэлектрического материала фиксирована. В монокристаллах она оценивается параметром анизотропии γ. Величина и знак определяют степень дифракции поверхностных волн. В изотропной среде γ = 0; при γ > 0 дифракционные потери больше, чем в изотропной среде, при γ < 0 потери меньше, чем в изотропной среде. Если γ = –1, в анизотропной среде наблюдается автоколлимация, при которой расширение акустического пучка минимальное или отсутствует. Приведем значения параметров анизотропии и величины угла отклонения потока энергии для некоторых материалов.
Таблица 2.1 – Значения параметра анизотропии γ и величины угла отклонения потока энергии для некоторых материалов акустоэлектроники
|
Материал |
Химическая формула |
Ориентация пластины и направление распространения ПАВ |
Параметр анизотропии γ |
Угол отклонения потока энергии φ, 0 |
|
Кварц |
SiO>2> |
YXl/42045’ (00;132045’; 00) |
0,378 |
0 |
|
Ниобат лития |
LiNbO>3> |
YZ |
-1,08 |
0 |
|
41,50-YX |
-0,45 |
0 |
||
|
Танталат лития |
LiTaO>3> |
YZ |
-0,211 |
0 |
|
Германат висмута |
Bi>12>GeO>20> |
(001), [100] |
-0,304 |
0 |
|
Берлинит |
ALPO>4> |
(90;90;80,40) |
0,901 |
0 |
По мере удаления от излучателя изменяются и профили интенсивности ПАВ. Как и в классической оптике можно ввести безразмерный параметр Френеля.
,
где λ - длина волны; D – расстояние от преобразователя до точки наблюдения; H - апертура преобразователя
Значение F < 1 соответствует зоне Френеля (или ближней зоне). В этой зоне наблюдается четко выраженный акустический луч и его энергия сосредоточена в полосе, «освещаемой» апертурой преобразователя. Значение F > 1 соответствует зоне Фраунгофера (или дальней зоне), в которой акустический луч «разваливается». Очевидно, что для того чтобы вся акустическая энергия, излученная входным преобразователем, была принята выходным, преобразователи должны быть расположены в ближней зоне друг относительно друга.
Величина угла отклонения потока энергии
Если направление распространения ПАВ не совпадает с так называемым направлением чистой моды (ее угловое положение задается углом ψ>0>), то наблюдается отклонение потока энергии от направления распространения на угол φ (рисунок 2.3). Угол φ определяется соотношением:
φ =γ(ψ - ψ>0>)
где γ – параметр анизотропии; ψ – угол, определяющий направление распространение волны.
Желательно выбирать материалы с φ=0, но данное условие не всегда выполнимо. В таком случае управлять отклонением потока энергии можно засчет изменения положения элементов друг относительно друга.

Рисунок 2.3 – Схематическое представление профилей ПАВ при их распространении по монокристаллической подложке
Потери, вызванные отклонением потока энергии существенны и могут достигать 2-6 дБ.
В заключении сформулируем общие требования к идеальному материалу:
- Большой КЭМС;
- Низкая скорость ПАВ;
- Низкий уровень потерь;
- Наличие направлений с нулевым ТКЗ;
В дальнейшем при выборе материала звукопровода будем руководствоваться данными требованиями.
2.1.2 Выбор материала подложки (звукопровода)
В таблице 2.2 в качестве сравнительной характеристики приведены основные параметры материалов акустоэлектроники.
Таблица 2.2 – Основные параметры материалов подложек
|
Материал |
Химическая формула |
Ориентация пластины и направление распространения ПАВ |
Скорость ПАВ, м/с |
Квадрат КЭМС, к2, % |
ТКЗ 10-6/○С |
|
Кварц |
SiO>2> |
YXl/42○45′ (0○;132○45′; 0○) |
3158 |
0.11 |
0 |
|
37○ - Y |
5094 |
0.1 |
0 |
||
|
YX |
3159 |
0.19 |
-24 |
||
|
Ниобат лития |
LiNbO>3> |
YZ |
3488 |
4.5 |
94 |
|
128○ - YX |
3980 |
5.3 |
75 |
||
|
ZXl/41○30′ |
3999 |
5.54 |
72 |
||
|
ZXb/41○30′ |
3503 |
5.36 |
96 |
||
|
41,5○-YX |
4000 |
5.54 |
72 |
||
|
Танталат лития |
LiTaO>3> |
36○-YX |
4220 |
6.6 |
30 |
|
ZY |
3329 |
1.18 |
-52 |
||
|
ZYs/112○ |
3295 |
0.72 |
- |
||
|
YZ |
3230 |
0.66 |
35 |
||
|
YX |
3148 |
0.075 |
49 |
||
|
77.1○-YZ |
3254 |
0.72 |
35 |
||
|
Германат висмута |
Bi>12>GeO>20> |
(001), [100] |
1681 |
1.36 |
115 |
|
(111), [110] |
1708 |
1.69 |
115 |
||
|
Лангасит |
La>3>Ga>5>SiO>14> |
(0;140;24○) |
2736.7 |
0.37 |
-0.06 |
|
(90;40;-6○) |
2535 |
0.44 |
-19 |
||
|
(0;138,5;26.6○) |
2740 |
0.44 |
- |
||
|
Лангатат |
La>3>Ga>5>>.>>5>Ta>0.5>O>14> |
XZ |
2292 |
0.0589 |
-40.6 |
|
(0;2;90○) |
2210,6 |
0.423 |
64.5 |
||
|
Ланганит |
La>3>Ga>5>>.>>5>Nb>0.5>O>14> |
(30;90;90○) |
2376 |
0.172 |
-45.5 |
|
Берлинит |
ALPO>4> |
(0;80,4;0○) |
2751 |
0.63 |
0 |
|
(90;90;80,4○) |
2717 |
0.22 |
0 |
||
|
(90;90;168.7○) |
2926 |
0.49 |
0 |
||
|
Арсенид галлия |
GaAs |
(100), [110] |
<2841 |
<0.06 |
35 |
|
(110), [100] |
2822 |
0.016 |
|||
|
Тетраборат лития |
Li>2>B>4>O>7> |
45○-YZ |
3391 |
1.0 |
|
|
(90;90;90○) |
3510 |
1.2 |
9 |
||
|
Ортофосфат галлия |
GaPO>4> |
(0;110;0○) |
2330 |
0.5 |
0 |
|
(90;5;0○) |
2501 |
0.3 |
|||
|
(0;54;5;0○) |
2342 |
0.3 |
0 |
||
|
SNGS |
Sr>3>NbGa>3>Si>2>O>14> |
(0;0;90○) |
2835.8 |
0.628 |
-98.9 |
|
STGS |
Sr>3>TaGa>3>Si>2>O>14> |
(0;0;90○) |
2733.1 |
0.562 |
-73.1 |
|
CTGS |
Ca>3>TaGa>3>Si>2>O>14> |
(0;0;90○) |
2771.6 |
0.362 |
-37.1 |
|
CNGS |
Ca>3>NbGa>3>Si>2>O>14> |
(0;0;90○) |
2906.2 |
0.261 |
-52.0 |
В качестве материала подложки выберем монокристалл ниобата лития. Как видно из таблицы 2.2 данный материал обладает довольно большим коэффициентом электромеханической связи, что позволит реализовать широкополосное устройство. На рисунке 2.1 наглядно проиллюстрирован тот факт, что величина вносимых потерь на частотах до 1ГГц в данном материале не превышает 0,5 дБ/мкс. Следовательно проектируемое устройство будет работать с минимальными потерями. К тому же, ниобат лития обладает приемлемыми скоростями распространения ПАВ в диапазоне 3000-4000м/с. Значения скорости, необходимые для устройства, работающего по принципу линии задержки на частотах более 100МГц, укладываются в данный интервал. Ввиду того что пьезоэлектрические материалы анизотропны, то важен становится не только сам выбранный материал, но и его срез и направление распространения акустических волн. Наиболее подходящим срезом для выбранного монокристалла ниобата лития является срез YZ, так как он обладает в этом направлении нулевым углом отклонения потока энергии φ и параметр анизотропии γ близок к -1 (таблица 2.1). Это означает, что будет обеспечена высокая направленность пучка ПАВ.
2.1.3 Выбор материала для металлизации поверхности
Как и для материалов звукопроводов акустоэлектронных устройств, для проводящего покрытия также существуют определенные требования:
Минимальное электрическое сопротивление;
Высокая адгезия;
Однородность по структуре, составу, толщине;
Коррозионная стойкость;
Хорошая растворимость в травителе;
Технологичность;
Стабильность основных физико-химических свойств от партии к партии.
Дополнительными требованиями являются:
Малое различие акустических сопротивлений материала металлизации и звукопровода;
Низкая удельная плотность во избежание сильных отражений;
Слабые дисперсионные свойства.
В таблице 2.3 указаны акустические и дисперсионные свойства выбранного в качестве материала звукопровода ниобата лития
Таблица 2.3 – Акустические и дисперсионные свойства ниобата лития среза YZ и материалов металлизации
|
Материал |
Удельное электричес- кое сопротивление ×106 Ом·см |
Плотность ρ, г·см-3 |
Акустическое сопротивление Z, ×106, г·см-2с-1 |
Коэффициент дисперсии γ>д> |
|
Ниобат лития |
- |
4.7 |
16.4 |
+0.06 |
|
Алюминий |
2,7 |
2,7 |
7,15 |
|
|
Ниобат лития |
- |
4.7 |
16.4 |
-0,46 |
|
Серебро |
1,63 |
10,5 |
15,2 |
|
|
Ниобат лития |
- |
4.7 |
16.4 |
-1,05 |
|
Золото |
2,3 |
19,3 |
22,0 |
При изготовления устройств на ПАВ для металлизации широко используются алюминий, серебро, золото, иногда медь с защитой никелем. В таблице 4 приведены акустические и дисперсионные свойства ниобата лития в сочетании с различными типами металлического покрытия.
Для фильтров на ниобате лития отражение за счет несоответствия акустических сопротивлений материалов звукопровода и покрытия минимальны при использовании серебра, но при этом велики дисперсионные искажения и увеличивается составляющая коэффициента отражения от границ электродов из за роста нагружающей массы. Дешевизна алюминия и возможность получения низкого сопротивления пленочных проводников, делает данный наиболее пригодным для нашего устройства.
Расчет основных элементов метки
2.2.1 Выбор приемо-передающего ВШП
Основным конструктивным элементом любого акустоэлектронного устройства на ПАВ является преобразователь. Наиболее простым и эффективным способом приема и возбуждения ПАВ является использование ВШП. Существует множество различных конструкций таких преобразователей. Наиболее оптимальным решением является однонаправленный ВШП, так как он обеспечивает распространение пакета ПАВ лишь в одном направлении, и тем самым потери на преобразование электромагнитного сигнала в поверхностные акустические волны минимальны. Рассмотрим типовые конструкции однонаправленных ВШП.
На рисунке 2.4 изображен однонаправленный ВШП, одна из половин которого смещена на половину длины волны и служит отражателями для обратной ПАВ. Основным достоинством данного преобразователя является высокочастотность. Поскольку для повышения эффективности отражения требуется большое количество электродов, этот тип преобразователей является узкополосным с большим уровнем боковых лепестков.
Решить эти проблемы позволяет модифицированный однонаправленный ВШП (рисунок 2.5). Однако верхняя граничная частота такого преобразователя ниже в 2 раза.

Рисунок 2.5 – Модифицированный однонаправленный ВШП
Эффективность возбуждения ПАВ зависит от ширины электродов, поэтому, изменяя ширину электродов вдоль направления распространения звуковой волны (рисунок 2.6), можно равномерно взвесить преобразователь в соответствии с заданной импульсной характеристикой. Этот метод взвешивания может рассматриваться как широтно-импульсная модуляция сигнала. Основным недостатком этого метода взвешивания является чувствительность к технологическим погрешностям и требование к высокой разрешающей способности фотолитографии при изготовлении. Кроме того, диапазон взвешивания амплитуд парциальных волн очень мал и не превышает 2,5:1, что существенно ограничивает класс реализуемых частотных характеристик.

Рисунок 2.6 – Однонаправленный ВШП со взвешиванием ширины электродов
Данный преобразователь обеспечивает однородность звукового пучка по апертуре.
Предлагается использовать следующий однонаправленный преобразователь (рисунок 2.7). Он обладает преимуществом предыдущего, но вместе с этим устраняет существенный недостаток – высокие требования к разрешающей способности фотолитографии, а следовательно и невозможность изготовления высокочастотного устройства из за наличия межэлектродных зазоров равных /8. Это достигается тем, что в преобразователе, содержащем звукопровод, на рабочей поверхности которого расположены элементарные секции, содержащие противофазные электроды и отражающие электроды, ширины электродов первой фазы выбраны равными /4 и /2 соответственно и расположены с периодом 2, а между ними расположены электроды противоположной фазы и отражающие электроды шириной /4 с периодом 2 таким образом, что ближайшими электродами для них являются электроды первой фазы, все зазоры выполнены равными 3/16, - длина ПАВ на средней частоте преобразователя [13].

1 – Электроды первой фазы; 2 – электроды второй фазы; 3 – отражатель.
Рисунок 2.7 – Однонаправленный ВШП с внутренними отражателями.
Преобразователь содержит пьезоэлектрический электроды первой фазы 1 с ширинами электродов /4 и /2 соответственно с периодом 2, между ними расположены электроды противоположной фазы 2 и отражающие электроды 3 с ширинами /4 и периодом 2. Межэлектродные зазоры 5 выполнены равными 3/16.
При подаче электрического сигнала на противофазные электроды 1 и 2 в подложке возбуждаются ПАВ, которые распространяются в противоположные стороны от парциальных встречно-штыревых преобразователей (ВШП), образованных широким (/2) и узким (/4) электродами первой фазы 1 и электродом 2 противоположной фазы, находящимися между ними. ПАВ отражаются парциальными ВШП образованными узким и широким электродами первой фазы 1 и отражающим электродом 3, находящимся между ними. Расстояние между центрами отражающих парциальных ВШП, находящихся справа и слева от излучающего ВШП равны 7/8 и 9/8 соответственно. При отражении от ВШП с тремя штырями меняет ПАВ фазу на /2. Тогда фаза отраженной справа ПАВ равна 3, а слева - 4, т.е. отраженная слева ПАВ находится в противофазе с излученной ПАВ, а справа – в фазе. Так как отражательные парциальные ВШП расположены с периодом 2, то все отраженные ПАВ будут складываться в фазе и при некотором числе отражателей амплитуда ПАВ , находящихся в противофазе с излученными ПАВ станет близка к их суммарной амплитуде, что приведет к преимущественному излучению ПАВ влево, т.е. к однонаправленному режиму. Так как коэффициент отражения от отражательных парциальных ВШП с числом электродов равным трем (Nk2>эфф><<>0>C>T>, С>Т> – статическая емкость парциального ВШП, k2>эфф> –квадрат коэффициента электромеханическрой связи, >0>=2f>0>, f>0> – средняя частота преобразователя) равен 4k2>эфф>/, то число отражающих парциальных ВШП равно M/(4k2>эфф>).
Расчет основных параметров приемо-передающего ВШП
Для осуществления дальнейших расчетов необходимо задаться начальными параметрами и выбрать частоту акустического синхронизма ВШП.
Пусть минимальное расстояние между отражательными ВШП составляет 15мкм. Зная скорость распространения звука на подложке ниобата лития и квадрат коэффициента электромеханической связи, можно приближенно вычислить скорость распространения ПАВ на металлизированной поверхности:
k2=2ΔV/V=2(V-V>m>)/V,
где V- скорость ПАВ на свободной поверхности; V>m> –скорость ПАВ на металлизированной поверхности; k2 – квадрат коэффициента электромеханической связи.
Тогда согласно выражению (2.4):
V>m>=V - k2V/2=3488-0.045*3488/2=3409,52(м/с)
Зная скорость распространения звуковой волны и минимальное расстояние между отражателями можно вычислить время задержки импульса:
τ>з>=S/V>ПАВ>=15*10-6/3409,52=4,40(нс),
где V>ПАВ> – скорость звука на подложке с учетом металлизации (для ниобата лития V>ПАВ >=3409,52(м/с).
Частоту акустического синхронизма будем вычислять исходя из соотношения:
f>0> >>1/ (τ>з> +τ>и>)
где τ>и> – длительность импульса.
В свою очередь необходимо выполнение условия, при котором τ>з>>>τ>и>. Предположим, что достаточным будет следующее соотношение τ>и> =3τ>з>. Тогда:
τ>и>=3*4,40=13,20(нс).
Таким образом, можно вычислить частоту акустического синхронизма:
f>0> >>1/ 13,20*10-9=75,76(МГц).
Исходя из позиции различимости импульса, выберем частоту, в 12 раз превышающую полученную. Следовательно f>0>=909МГц.
Период ВШП будет равен:
>L>>ВШП>>=λ=>>V>>ПАВ>>/>>f>>0>>=3409.52/909∙10>6>=3/75(>>мкм)>>.>
Вычислим n число периодов N>2>, обеспечивающих эффективную работу преобразователя:
.
С учетом того, что электроды расположены через 2 периода ВШП, то
N>2>=8.
Число отражающих парциальных ВШП:
M=
=17.
Апертуру всех ВШП примем равной:
W>ВШП>=(10-200) λ =80λ=300(мкм).
Так как парциальные отражатели располагаются через две длины ПАВ, то полоса пропускания ВШП:
Δf= f>0>/2М=909 МГц/34=27(МГц).
Проводимость ВШП определяется формулой вида:
Y>ВШП>=Ga+j(Ba+C>T>)
где Ga – активная составляющая проводимости излучения ВШП;
Ba – реактивная составляющая проводимости излучения ВШП;
C>T> – статическая ёмкость ВШП;
=2f.
Причем значения Ba и Ga определятся по формулам [14]:
(2.7)
(2.8)
где
=5.568*10-13Ф;
;
С>2>=465 пФ/м (ёмкость пары электродов, находится по справочнику для ниобата лития)
На центральной частоте выполняется условие:

Величина Ba пренебрежимо мала по сравнению с емкостной составляющей. Тогда входная проводимость ВШП в комплексной форме будет иметь вид:
Y>ВШП>=Ga+jC>T>=2,915*10-3+j6,36*10-3.
Для последующих расчетов необходимо также вычислить входное сопротивление. В комплексном виде оно будет записываться как:
R=1/Y>ВШП>=59,5-j130.
Выбор и расчет отражателей
В качестве отражателей предлагается использовать двунаправленные ВШП, с периодами и апертурой, равными периоду и апертуре приемо-передающего ВШП (рисунок 2.8) вместо традиционных отражающих полосок (канавок). Данный выбор диктуется возможностью варьирования в широких пределах коэффициента отражения каждого отражатели и, кроме того, возможность реализации частотной избирательности метки в пределах полосы пропускания.

Рисунок 2.8 – Двунаправленные ВШП в составе отражателя
На начальном этапе расчетов вычислим максимальный коэффициент отражения от отражателя из двух ВШП.

где M – число периодов в обоих частях отражателя, k2- квадрат коэффициента электромеханической связи.
В то же время необходимо выполнение условия:

где N-число периодов в одном из ВШП отражателя.
Для выполнения данного условия возьмем 1 период ВШП. Коэффициент электромеханической связи для подложки ниобата лития со срезом в направлении Y, X постоянен и равен в относительных единицах 0,053. Тогда:

Условие выполняется.
Следовательно число периодов в обоих частях отражателя будет равно 2 и максимальный коэффициент отражения будет равен:

Для оптимальной кодировки данных и с учетом затуханий в металлической пленке ограничимся числом отражателей N=20.
Рассчитаем расстояния α>i> между парциальными ВШП и коэффициент отражения k>i>. Полученные данные занесем в таблицу 2.4.
,
,
i=0,1,2….N,
где N
– число отражателей,
-коэффициент
отражения от отражателя из двух ВШП, λ>0>
– период, а M
– число периодов в обоих частях
отражателя, k2-
квадрат коэффициента электромеханической
связи.
Отражатель
состоит из 2-х половинок, сдвинутых друг
относительно друга на расстояние α>i>.
В этом случае ПАВ, отраженные от каждой
половинки отражателя, приходят на
приемо-передающий ВШП со сдвигом фаз,
определяемым расстоянием между
одинаковыми частями отражателя и
суммарная амплитуда ПАВ
определяется выражением:

где
-
амплитуда ПАВ, падающей на отражатель,
-
коэффициент отражения от i-того
отражателя, f
- частота,
- длина ПАВ,
-
расстояние между половинками в i-том
отражателе.
Чтобы переотраженные от соседних отражателей ПАВ не искажали отраженную импульсную последовательность, отражатели выполняются с малым коэффициентом отражения (не более 0,1-0,15). В этом случае переотраженные ПАВ по амплитуде будут почти на порядок меньше, чем отраженные ПАВ, падающие на отражатели от приемо-передающего однонаправленного ВШП. Поэтому отражатели, выполненные в виде ВШП, должны содержать малое число электродов, чтобы коэффициент отражения от них не превышал вышеуказанной величины. Необходимо учитывать, что ПАВ, падающие на следующий отражатель, будут по амплитуде несколько меньше, чем ПАВ, падающие на предыдущий отражатель, так как при каждом отражении часть энергии ПАВ уходит в отраженный сигнал и амплитуда ПАВ по мере распространения в системе отражателей убывает. Следовательно, по мере удаления от приемо-передающего ВШП, амплитуды отраженных ПАВ убывают, а импульсы в отраженной последовательности имеют разную (убывающую) амплитуду. Чтобы этого не происходило, коэффициент отражения уменьшается по мере удаления от приемо-передающего ВШП. Это достигается тем, что отражательные ВШП выполнены из двух одинаковых частей, сдвинутых относительно друг друга на расстояния а>i>, которое зависит от номера отражателя, отсчитываемого от приемо-передающего ВШП
Зададим шаг изменения величины α>i> равным 1,6 мкм исходя из разрешающей способности обычной контактной фотолитографии, которая будет применяться в дальнейшем при кодировании данных непосредственно в процессе изготовления метки. Также подразумевается наличие всех отражателей на подложке, что соответствует двоичному коду: 11111111111111111111. Допустим, что мощность принимаемого меткой сигнала 100 мВт (максимально допустимая мощность передачи сигнала радиочастотного диапазона) без учета потерь на распространения электромагнитной волны в пространстве. При этом учтены все возможные потери, вносимые как самим приемо-передающим ВШП, так и антенной (п 2.3.4). Произведем расчет и занесем полученные значения в таблицу 2.4
Таблица 2.4 – Результаты расчета
|
Номер отражателя |
Значение α>i> , мкм |
Коэффициент отражения k>i> |
Суммарная амплитуда, мВт |
|
0 |
3,75 |
0,115 |
4,83 |
|
1 |
5,35 |
0,102 |
3,75 |
|
2 |
6,95 |
0,102 |
3,39 |
|
3 |
8,55 |
0,101 |
2,98 |
|
4 |
10,15 |
0,1 |
2,6 |
|
5 |
11,75 |
0,098 |
2,26 |
|
6 |
13,35 |
0,095 |
2 |
|
7 |
14,95 |
0,093 |
1,67 |
|
8 |
16,55 |
0,09 |
1,43 |
|
9 |
18,15 |
0,086 |
1,21 |
|
10 |
19,75 |
0,082 |
1,03 |
|
11 |
21,35 |
0,078 |
0,85 |
|
12 |
22,95 |
0,074 |
0,71 |
|
13 |
24,55 |
0,069 |
0,59 |
|
14 |
26,12 |
0,063 |
0,48 |
|
15 |
27,75 |
0,058 |
0,38 |
|
16 |
29,35 |
0,052 |
0,29 |
|
17 |
30,95 |
0,046 |
0,22 |
|
18 |
32,55 |
0,039 |
0,16 |
|
19 |
34,15 |
0,032 |
0,11 |
Из таблицы 2.4 видно, что коэффициент отражения, как и сам сигнал практически линейно уменьшается по мере распространения от приемо-передающего ВШП.
2.2.4 Конструкция метки
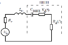
На рисунке 2.9 изображена конструкция предлагаемой метки на ПАВ.

Рисунок 2.9 – Конструкция РЧИД-метки на ПАВ
2.2.5 Кодирование данных
Определим минимальную длительность считывания импульса:
Τ>и. мин>=1/Δf=1/27*106=37 (нс).
Расстояние между отраженными импульсами должно быть равно удвоенной длительности считывающего импульса (74 нс), что позволяет легко различить отраженные импульсы на импульсном отклике от радиочастотной метки:
R=V>ПАВ>* 2Τ>и. мин> =3409.52*74*10-9=252,3(мкм)
Возьмем наиболее простой способ кодировки данный включением-выключением импульса. В этом случае наличие отражателя на заданном фиксированном промежутке будет восприниматься как 1, отсутствие как 0. Покажем также возможность одновременного опроса нескольких меток при передвижении массива отражателей на расстояние от 1 до 10 мм. Изобразим это в виде диаграммы, представленной на рисунке 2.10.

Рисунок 2.10 –временная диаграмма положения отражателей при перемещении массива относительно приемо-передающего ВШП
Таким образом, как видно из диаграммы, имеется возможность исключить наложения сигналов перемещением массива отражателей относительно приемо-передающего ВШП при одновременном опросе сразу нескольких меток.
2.2.6 Определение габаритных размеров проектируемой метки
Определяем длину звукопровода [15].
L>д> = L>вх> + L>отр> + L>1> + 2L>2>
где L>вх> – длина входного преобразователя; L>отр> – длина массива отражателей; L>1> = 1…10 мм – расстояние между приемо-передающим ВШП и первым отражателем массива; L>2> = 5…10 мм – расстояние между крайним электродом преобразователя и торцевой гранью звукопровода.
Длина входного преобразователя:
L>вх> = 17*18/16 λ +16*10/16λ=71,72+37,5=109,22(мкм).
Длина массива отаражателей:
L>отр>=Σa>i>+(20-1)R=5172,67(мкм).
Тогда:
L>д>>max>=109,22+5172,67+10000+5000=20282 мкм≈20,3(мм).
Ширина звукопровода, мм:
L>ш> = W>вх> + 2(L3 + L4)=0,3+2(5+0,00093)=10,3.
где L>3> = 5…10 мм – расстояние между общей шиной решетки преобразователя и продольной гранью звукопровода; L>4> = 2d – ширина общей шины решетки преобразователя.
Толщина звукопровода выбирается около 20λ для уменьшения влияния объемных волн. В нашем случае толщина звукопровода составляет 75 мкм.
Технологические этапы изготовления РЧИД-метки на ПАВ
2.3.1 Стадия предварительной обработки поверхности подложек
При
шлифовке рабочей поверхности звукопроводов
используется асимптотический метод,
т.е. последовательная обработка все
более мелкими корундовыми шлифпорошками.
Шлифовка начинается порошками №25 и №3,
а затем микропорошками М20, М10 и М5. Это
позволяет получить чистоту поверхности
около
10
и глубину нарушенного слоя монокристалла
5-7 мкм [16].
Обработка звукопроводов диаметром 76 мм производится свободным абразивом по групповому методу на шлифовальном станке планетарного типа. Во время процесса возможен также активный контроль толщины посредством измерения интенсивности пьезошумов.
Полировка рабочей поверхности звукопроводов из ниобата лития производится на полировальном станке типа В1М3.105.001 с использованием на начальном этапе алмазной пасты АСМ 715 или АСМ 5/3, на конечном этапе алмазной пастой АСМ 1/10.
Предварительная очистка подложек ниобата лития
Для получения хорошей адгезии и возпроизводимости электрофизических свойств наносимых на подложку электродов, поверхность звукопровода должна быть подвергнута тщательной очистке. Способ очистки во многом зависит от выбранного метода последующей металлизации.
Стадия предварительной очистки подложек ниобата лития состоит из следующих этапов [17].
Этап 1: промывка в трихлорэтилене (около 10 минут).
Этап 2: промывка в ацетоне (около 10 минут).
Этап 3: промывка в метаноле и воде.
Этап 4: погружение в смесь из трех частей воды, одной части концентрированной щелочи NH>4>OH и одной части 30 % - ной нестабильной перекиси водорода H>2>O>2> на 10 минут при температуре 75○С.
Этап 5: ультразвуковая отмывка в ванне с моющим средством при температуре 65○С (примерно в течение 10 минут).
Этап 6: отмывка от моющего средства водой с удельным сопротивлением 18 МОм (при температуре 65○С.
Этап 7: промывка в проточной воде, имеющей удельное сопротивление 18 МОм в течение 30-60 минут при температуре 65○С.
Этап 8: сушка и оценка угла смачиваемости образца.
Этап 9: повторная промывка в воде и просушивание в потоке сухого азота.
Этапы 1, 2 и 3 предназначены для удаления легкорастворимых загрязнений, а на этапе 4 – труднорастворимых. На этапе 5 используется 1%-ный раствор основного моющего средства технической чистоты. Моющее средство может содержать ионные примеси, так как их наличие не имеет значения для технологии устройств на ПАВ.
На этапе 8 оценивается степень очистки поверхности по характеру смачивания поверхности образцов водой. Угол между поверхностью капли воды и поверхностью образца в большей степени зависит от загрязненности поверхности. Для определения этого угла образец фторопластовым вакуумным пинцетом вынимается из ванны с чистой водой. Так как вода и подложка подогреты, вода быстро испаряется и стягивается по направлению от краев пластины к ее центру. Если поверхность образца свободна от загрязнений, то поверхность воды на границе раздела образует острый угол с поверхностью подложки, и в тонком граничном слое воды отчетливо видны интерференционные кольца. В противном случае поверхность воды образует с поверхностью образца тупой угол и интерференционные кольца не наблюдаются. Малые локальные загрязнения приводят к различным значениям угла на разных участках границы.
Окончательная очистка подложек от загрязнений
Для окончательной очистки поверхности используют раствор следующего состава: натрий углекислый – 6 г, тринатрий фосфат – 8 г, метасиликат натрия – 10 мл, смачиватель ОП-10 – 3 мл, дистиллированная вода до 1 л.
Подложки помещаются в стакан с моющим раствором и нагреваются до 60±5° С. После этого производится обработка пластин в ультразвуковой ванне в течение трех минут при той же температуре. Затем производится промывка в нагретой до 60° С деионизированной воде и вновь подложки подвергаются ультразвуковой трехминутной обработке, но уже в дистиллированной воде при температуре 50° С. Для улучшения качества очистки промывку в поде повторяют несколько раз. В завершении звукопроводы кипятят в ацетоне в течение 3 минут. Сушка осуществляется в парах ацетона на расстоянии 1,5 – 2 см над его поверхностью в течение 45±15 с.
Использование ультразвуковой обработки позволяет удалить с поверхности звукопроводов остатки масел и мастик после шлифовки и полировки.
При промывке подложек и химической обработке применяется современная установка химической очистки «Лада-М», использование которой позволяет значительно сократить время проведения стадий предварительной и окончательной очистки подложек. Она имеет в своем составе технологический модуль изменяемой конфигурации, который содержит ванны для химической очистки, стоп-ванну, ванны финишной промывки. Блок подачи химических реактивов обеспечивает автоматизированную дозированную подачу реактивы в ванны из блоков химической подготовки растворов. Возможна также групповая кассетная обработка подложек. Управление технологическим процессом и контроль задаваемых параметров осуществляется с помощью ЭВМ.
Формирование электродных структур
Технология изготовления акустоэлектронных устройств на ПАВ сводится к формированию заданной конфигурации металлических электродов и контактных шин. При этом к качеству структур предъявляются жесткие требования. Не допускаются обрывы электродов, наиболее опасные в области центрального лепестка встречно-штыревой структуры. Не допускаются замыкания электродов в зоне их взаимного перекрытия, вне этой зоны возможно наличие не более трех – пяти дефектов типа «островок», замыкающих три-пять электродов преобразователя.
Также не допускаются сквозные царапины или поры на электродах или контактных площадках, обнажающих подложку, а также несквозные царапины или поры, уменьшающие сечение электродов либо контактных площадок более чем на 50%. Не допустимо наличие инородных частиц, соединяющих любые два пленочных элемента структуры и неудаляющихся при помощи обдува очищенным газом, а также наличие между электродами отдельных металлизированных участков в виде точек, имеющих диаметр более 50% зазора между электродами.
Допуски на размеры контактных шин и площадок, а также на расстояние между отдельными преобразователями составляют 5-10 мкм, т. е. сравнимы с допусками на размеры элементов тонкопленочных ИМС. Несоосность расположения втречно-штыревых структур относительно базовой кромки звукопровода или относительно друг друга допускается в пределах ±(5-20)′.
Допуски на размеры электродов ВШП почти на порядок жестче допусков на не размеры элементов тонкопленочных ИМС. Для получения затухания боковых лепестков АЧХ метки до α>б>=(50-60) дБ заданную ширину электродов необходимо выдерживать с точностью не хуже ±(0,5-0,8) мкм, а длину электродов и их шаг – соответственно не хуже ±(0,5-1,2) и ±(0,2-0,5) мкм.
Для формирования встречно-штыревых структур, отвечающих перечисленным требованиям, можно использовать те же методы, что и для получения заданной конфигурации элементов ИМС по планарной технологии: фотолитографию (с зазором, контактную, проекционную); голографию; лучевую обработку (пучком ионов, лучом лазера, рентгеновским лучом, растровую и проекционную обработку электронным пучком) и т. д.
В настоящее время наиболее перспективным методом для изготовления элементов нанометрового размера является наноимпринтлитография (НИЛ) с пошаговой штамповкой в жидкий мономер с последующим его отверждением УФ-излучением [18]. Выбор данного процесса изготовления встречно-штыревых структур во многом объясняется минимальными размерами ширины электродов ВШП (λ/4≈937 нм), а также необходимость точного соблюдения межэлектродного расстояния (в приемо-передающем ВШП оно достигает до 3/16λ≈703нм). Кроме того, стоимость установки для НИЛ сравнима со стоимостью систем для контактной фотолитографии.
НИЛ-процесс проводится с использованием твердых (на основе пластин кварца) обычно одноуровневых наноштампов с площадью штамповки (10х10 мм, 15х15 мм, 26х32 мм и 26х33 мм), перемещаемых по поверхности пластин диаметром до 300 мм, на которых негативный по отношению к получаемому на рабочей пластине топологический рисунок с размерами элементов до 20 нм формируется на одном уровне по высоте в слоях кварца или пленках двуокиси кремния толщиной от 100 до 200 нм.
Общий вид наноштампа представлен на рисунке 2.11. Наноштампы обычно изготавливаются из кварцевой фотошаблонной заготовки размером 152х152х6,35 мм. По базовому варианту на нее осаждается слой хрома толщиной 15 нм, на который наносится пленка высокоразрешающего позитивного электронного резиста, например, ZEP 520A, толщиной 80-100 нм. Пленка электронорезиста экспонируется на самом высокоразрешающем оборудовании (например, Leica UHR) высокоэнергетическим (100 кэВ) электронным пучком диаметром несколько нанометров.

Рисунок 2.11 – Общий вид наноштампа
После жидкостного проявления и плазменной зачистки топологического рисунка и меток совмещения в электронорезисте проводится травление пленки хрома и удаление остатков электронорезистивной маски. Хром служит маской для реактивного ионного травления кварца в газоразрядной плазме на основе хладона-23 (CHF>3>) на глубину 100-200 нм. Затем слой хрома удаляется в жидкостном травителе с поверхности кварца, и на ней путем травления в растворе плавиковой кислоты через маску формируется пьедестал с заданной площадью и высотой 15 мкм. Площадь пьедестала определяет площадь штамповки. Из одной фотошаблонной заготовки с помощью резки и обработки можно получить 4 наноштампа размером 65х65 мм.
Наноштамп размером 26×32 мм содержит 3 вида меток. в каждом из которых по 20 отражателей, расположенных на различных расстояниях от приемо-передающего ВШП. Массивы из 20 отражателей не перекрываются, последний отражатель в предыдущей метке всегда ближе на одно временное положение, чем первый отражатель в последующей метке. Общее число временных положений, в которых могут находиться отражатели, равно 100.
Перед штамповкой поверхность наноштампов обрабатывается раствором или аэрозолью аморфных фторполимеров или в разряде фторуглеродов с целью создания на их поверхности сверхтонкой (мономолекулярной) пленки для лучшего отделения наноштампа от материала после штамповки.
На начальном этапе поверхность пластины, как гладкая, так и с ранее созданным топологическим рельефом, предварительно покрывается с помощью центрифуги органическим передаточным слоем, который одновременно выполняет адгезионную и планаризирующую функции. Толщина слоя варьируется в зависимости от высоты рельефа на пластине от 1 до 700 нм. В качестве передаточного слоя могут использоваться слои полиимида, органических фоторезистов и антиотражающих покрытий.
На область пластины, подвергаемую штамповке, с помощью системы подачи из микросопла системы НИЛ наносится слой кремнийсодержащего фотополимеризующего (под действием ультрафиолетового (УФ) излучения (с λ = 365 нм) жидкого мономера с низкой вязкостью (<5 сантипуаз). Этот слой слой также называется печатным или барьерным к травлению слоем, и его исходная толщина варьируется в зависимости от высоты рельефа наноштампа 75-270 нм.
Перед штамповкой через прозрачный наноштамп с помощью устройства совмещения системы и набора меток, расположенных на наноштампе и пластине, осуществляется совмещение их топологических рисунков. Системы НИЛ обеспечивают точность совмещения (отклонения) топологий на наноштампе и пластине от 1 мкм до 20 нм.
После нанесения печатного слоя производится процесс штамповки (впечатывание наноштампа в жидкий мономер), которая осуществляется при комнатной температуре и давлениях ниже 0,07 атмосфер. Затем проводится УФ-облучение жидкого мономера через кварцевый наноштамп с целью его отверждения. При этом объем мономера немного уменьшается, что позволяет легко извлечь наноштамп из затвердевшего печатного слоя.
Затем на поверхность этого полимерного слоя с топологическим рисунком с помощью центрифуги наносится слой кремнесодержащего полимера и проводится его изотропное травление (жидкостное химическое или плазмохимическое) до выхода на поверхность границы органического фотополимерного слоя. После этого проводится анизотропное травление в кислородсодержащей плазме фотополимерного и передаточного слоев до поверхности подложки или подлежащего функционального слоя, и формируется обращенная (негативная) топологии наноштампа маска (рис. 2в, четвертый этап).
Для изготовления топологического рельефа РЧИД-метки наиболее целесообразно применить взрывную обращенную НИЛ. По сравнению с прямой обращенная НИЛ позволяет получать более качественный топологический рисунок на непланарных поверхностях пластин в более толстых передаточных слоях.
В процессе взрывной обращенной НИЛ на сформированную маску наносится функциональный слой, который после удаления (взрыва) маски остается на немаскированных участках подложки (пластины) (рис. 2.12, шестой этап). Для лучшего удаления маски на поверхность пластины перед формированием передаточного слоя или вместо него наносится специальный легко удаляемый в растворах слой.

Рисунок 2.12 – процесс взрывной наноимпринтлитографии.
НИЛ может быть совмещена со стандартной оптической проекционной фотолитографией для получения топологии на слоях с самыми малыми размерами. Для этого наноштамп (набор наноштампов) совмещается с комплектом фотошаблонов по площади печатаемых на пластине кристаллов и меткам совмещения топологии. Данный способ применим при кодировании данных путем стравливания отдельных отражателей с помощью специального кодирующего фотошаблона.
В целях уменьшения акустических потерь в металлической пленке толщина напыления выбирается равной не более 1000 ангстрем (100 нм). Шины приемо-передающего ВШП создаются с использованием дополнительного фотошаблона с окнами для напыления металлической пленки толщиной 3000 ангстрем.
Напыление алюминиевой пленки производится в установке УВН-75П-1 с применением электронно-лучевого испарения из тигля, применение которого позволяет существенно улучшить адгезию к поверхности звукопровода и отказаться от адгезионного подслоя из ванадия.
Карта идентификации. Проверка работоспособности меток
Так как характеристики метки весьма чувствительны к различным загрязнениям поверхности подложки, особенно в СВЧ диапазоне, а алюминиевая пленка толщиной менее 1 мкм подвержена разрушению при взаимодействии с различными агрессивными веществами, содержащимися в атмосфере, метки необходимо помещать в герметичный корпус.
К контактным площадкам метки с помощью ультразвуковой сварки приваривается согласующая печатная катушка индуктивности в паре с печатной антенной. Эти элементы размещаются на отдельной печатной плате, размеры которой не должны превышать размеров обыкновенной пластиковой карты с магнитной полосой (т.е. 8.5×5.5 см).
Нижняя поверхность кристаллической подложки метки на ПАВ покрывается равномерным слоем клея типа RTV с серебряным заполнением толщиной приблизительно 1 мм и центрируется в небольшом углублении на печатной плате. После этого к подложке прикладывается малое распределенное давление до тех пор, пока между нижней поверхностью и поверхностью печатной платы не останется амортизационный слой клея толщиной 0,6 мм. Данный подход с одной стороны позволяет защитить кристалл от повреждений при ударных и вибрационных нагрузках, а с другой, снижает уровень электромагнитных наводок.
Печатная плата с прикрепленной к ней меткой запаивается в пластиковый корпус, также имеющий углубление, совпадающее с размерами метки. Глубина отверстия выбирается таким образом, чтобы имелся воздушный зазор, позволяющий свободно распространяться ПАВ по подложке метки. Рассмотрим каждый из этих элементов карты идентификации более подробно.
2.4.1 Антенна
В основе конструкций большинства антенн радиочастотных меток лежит полуволновый диполь [19]. На рисунке 2.13 приведены диаграммы направленности элементарного полуволнового диполя в вертикальной и азимутальной плоскостях. Азимутальная диаграмма направленности диполя представляет собой окружность, а вдоль оси диполя излучение отсутствует.

Рисунок 2.13 - Элементарный полуволновый диполь (а) и его диаграмма направленности в горизонтальной (б) и вертикальной (с) плоскостях
Также известно, что для элементарного диполя лишь одна компонента электрического поля отлична от нуля (или Е>θ>, или Еφ), то есть диполь возбуждает линейно поляризованную волну. Так, например, вертикально расположенный диполь возбуждает волну с вертикальной поляризацией, а горизонтально поляризованная волна возбуждается горизонтальным диполем. Такими же поляризационными свойствами обладают приведенные выше антенны. Таким образом, в соответствии с направленными и поляризационными свойствами дипольных антенн наилучшая связь между считывателем и меткой имеет место тогда, когда приемопередающая антенна считывателя и антенна метки находятся в параллельных плоскостях. В этом случае метка успешно идентифицируется считывателем. Если же антенны расположены под углом 90о одна относительно другой или ориентированы вдоль одной линии, то метка с данного направления идентифицирована не будет. Такая зависимость надежности считываемости идентификационных данных метки, использующую дипольную антенну, от ориентации ее по отношению к антенне считывателя является наиболее важным недостатком используемых радиочастотных меток.
В таблице 2.5 приведены ослабления мощности сигнала при использовании антенн считывающего модуля с линейной поляризацией. В большом потоке приема/выдачи товара в складской логистике, метки, в общем случае, могут быть ориентированы по отношению к антеннам считывателя случайным образом. В этом случае неизбежны ситуации, обусловленные такими положениями метки, при которых объекты (товары) не будут идентифицированы. Ошибки, возникающие в случае не идентификации объектов, могут привести к серьезным экономическим убыткам и проблемам безопасности.
Таблица 2.5 – Ослабление сигнала при различных ориентациях метки
-
Ориентация метки, º
Ослабление сигнал, дБ
0
0,0
15
0,3
30
1,25
45
3,01
60
6,02
75
11,74
90
∞
Проблемы идентификации меток, связанные с несовпадением плоскостей поляризации антенн метки и считывателя, решаются применением антенн считывающего модуля с круговой поляризацией.
Перейдем непосредственно к расчету антенны.
Входной импеданс метки в последовательной эквивалентной схеме> >(рисунок 2.15) будет иметь общий вид R>m>=Z>m>+jX>m>, Исходя из предварительных расчетов, произведенных в п. 2.2.2 входной импеданс имеет большую емкостную составляющую и сравнительно небольшую активную составляющую. Как известно, для максимальной передачи мощности от генератора в нагрузку их импедансы должны быть комплексно-сопряженными. Поэтому импеданс антенны, приведенный к зажимам метки, должен иметь достаточно большую индуктивную составляющую и небольшую активную составляющую, равную активной составляющей импеданса метки.

Рисунок 2.15 – Последовательная эквивалентная схема включения входного приемо-передающего ВШП и антенны.
Расчет согласующих элементов будет произведен из условия компенсации статической емкости входного преобразователя:
1/(2πfL)= 2πfC>ВШП>
L=1/((2πf)2* C>ВШП>)=27(нГн).
Найдем геометрическую длину вибратора на центральной частоте 909 МГц [20]. Данной частоте соответствует длина волны:

В полуволновом вибраторе можно пренебречь потерями, поэтому основную роль при конструировании данного типа антенн играет активная составляющая импеданса антенны. Оно зависит от соотношения λ/d, где d – диаметр провода. Зависимость входного сопротивления полуволнового вибратора от отношения λ/d приведена на рисунке 2.16.

Рисунок 2.16 - Зависимость входного сопротивления полуволнового вибратора от отношения λ/d
Как уже отмечалось ранее активные составляющие импеданса антенны и метки должны быть равны, а именно:
R>A>=R>M>=59.5 (Ом).
Тогда по графику:
λ/d=550,
где d=601,82 мкм – диаметр проволоки антенны.
По графику (рисунок 2.17) определим коэффициент укорочения антенны:
К=0,938.
Требуемая длина вибратора будет равна, м.:
L= λ/2*K=0.155235.

Рисунок 2.17 – Коэффициент укорочения полуволнового вибратора в зависимости от отношения λ/d
Однако применение антенны таких размеров нецелесообразно ввиду большой площади, занимаемой антенной. Поэтому преобразуем вибратор, изогнув его в виде меандра. Для этого возьмем типовую конструкцию, исследованную в [21]. Длина плеча такой антенны будет приближенно равна: l=0,0133L (2Lэ=0,7L). Из зависимости (рисунок 2.18) следует, что активное сопротивление при резонансе хорошо согласуется с входным активным сопротивлением приемо-передающего ВШП.

Рисунок 2.18 – Зависимость импеданса меандра от электрической и физической длины.
Меандр имеет угол половинной мощности излучения (в плоскости, перпендикулярной рисунку 2.19) около ±41° (у обычного полуволнового диполя - ±39°).

Рисунок 2.19 – Общий вид полуволнового вибратора в виде меандра.
Коэффициент усилении антенны по отношению к изотропному излучателю 2 дБ.
Порядок расчета печатных и проволочных антенн аналогичен. Ширине печатной дорожки печатной антенны соответствует диаметр провода проволочной антенны.
Печатная согласующая индуктивность
Произведем расчет печатной катушки квадратной формы (рисунок 2.20) [22]. Параметры катушки рассчитывают по номограмме, изображенной на рисунке 2.21.

Рисунок 2.20 – Печатная индуктивность

Рисунок 2.21 – номограмма для расчета катушек квадратной формы
На шкале значений А и А/α выбираем произвольные точки и проводим прямую линию их соединяющую. Через точку пересечения этой прямой с неоцифрованной вспомогательной шкалой и точку, соответствующую заранее вычисленной величине индуктивности (27 нГн), также проведем линию до пересечения со шкалой W. Полученные значения: А=2.28 см; количество витков W=2,7; α=0.27 см. Ширину печатного проводника вычисляем по формуле:
S≥(А- α)/4W=0.186(см).
В качестве примера приведем вариант построения карты идентификации на основе метки на ПАВ с использованием рассчитанных ранее элементов (рисунок 2.22).

1 – согласующая печатная индуктивность;
2 – контакт;
– РЧИД-метка на ПАВ;
– Печатная плата;
– Антенна;
– Крепежное отверстие.
Рисунок 2.22 – Идентификационная карта с использованием РЧИД-метки на ПАВ
2.4.3 Оценка вносимых устройством потерь в принимаемый/передаваемый сигнал
Потери, вносимые приемо-передающим ВШП, согласованным с антенной оцениваются выражением:

│А>ВШП >(ω)│≈5,8(дБ).
С учетом усиления антенны в 2дБ (п. 2.3.3):
А(ω)≈5,8-2=3,8(дБ).
Таким образом, мощность принимаемого сигнала уменьшается в 2,4 раза при преобразовании электромагнитного импульса в пучок ПАВ.
Затухания, вносимые в пучок ПАВ при распространении на свободной от электродов поверхности подложки на частоте 909МГц составляют не более 0.3 дБ/мкс. При заданном промежутке между импульсами в 74 нс и с учетом максимально возможного расстояния между приемо-передающим ВШП и первым отражателем в 10 мм (примерно 3 мкс), потери на распространение будут равны:
А>СВ. ПОВ>=2*0,3(0,074*19+3)=2.64(дБ).
Умножение на 2 означает, что ПАВ проходит как в прямом, так и в обратном направлении по поверхности подложки.
В свою очередь потеря мощности на отражение при прохождении через отражательный массив может быть определена с удовлетворительной точностью как:
А>ОТР>=10log(Pвшп /P>20>)=10log(42/0.11)=26(дБ).
Таким образом, результирующие потери будут равны:
А>РЕЗ>=2 А(ω)+А>СВ. ПОВ>+ А>ОТР>=7,6+2,64+26≈36(дБ).
Таким образом, приходящий от метки сигнал будет ослаблен на данную величину.
2.4.4 Проверка работоспособности меток
Работоспособность корпусированных меток можно легко проверить бесконтактным способом, причем возможен опрос нескольких устройств одновременно. На рисунке 2.23 показан тестовый стенд для измерения корпусированных меток. Прибор содержит измеритель АЧХ, показания которого выводятся на ЭВМ. В месте соединения кабелей подключена антенна – полуволновый вибратор.

Рисунок 2.23 – Тестовый стенд для измерения корпусированных меток
Подавая сигнал с линейно меняющейся во времени частотой с входа на выход можно наблюдать на экране ЭВМ АЧХ, снимаемой с антенны прибора. Электромагнитные волны, излучаемые этой антенной, поступают на ВШП метки и затем, проходя через систему отражателей, приходят обратно уже в виде временных откликов. Происходит интерференция сигнала от метки с сигналом, подающимся с выхода на вход измерителя АЧХ. Это приводит к тому, что суммарная АЧХ имеет изрезанную форму.
Получаемы импульсные отклики должны совпадать по времени со значениями, указанными на рисунке 2.10.
3. Организационно-экономическая часть
3.1 Оценка эффективности инновационного процесса
Для оценки эффективности инновационного процесса необходимо:
определить себестоимость одного из его этапов;
определить себестоимость всего инновационного проекта.
3.1.1 Определение себестоимости инновационного процесса
В себестоимость инновационного процесса включаются суммарные затраты по всем этапам выполнения, независимо от источника их финансирования. Определение затрат производится путем составления калькуляции плановой себестоимости, которая составляется по следующим статьям: материалы, оборудование, основная и дополнительная заработные платы, отчисления на социальное страхование, расходы на служебные командировки, затраты по работам, выполняемым сторонними организациями, прочие прямые расходы, накладные расходы.
В качестве базового этапа принимается этап НИР или ОКР. Рассчитав полную себестоимость этого этапа, рассчитывается себестоимость инновационного процесса в соответствии с заданным соотношением (таблица 3.1)
Таблица 3.1
|
№ |
Стадии инновационного процесса |
Затраты в % |
|
1 |
Поисковые исследования |
1 |
|
2 |
Исследования (разработка базового варианта) |
5-10 |
|
3 |
Прикладные разработки (НИР) |
10-20 |
|
4 |
Подготовка производства (ОКР и ТПП) |
40-60 |
|
5 |
Организация производства |
5-15 |
|
6 |
Маркетинг и организация сбыта |
10-25 |
|
7 |
Послереализационное обслуживание |
3-5 |
В качестве исходных данных используются состав и содержание работ по проведению НИР с соответствующими оценками длительности работ.
Количество рабочих дней в месяце принять равным 22 дням.
Стоимость оборудования и материалов задаются в вариантах.
Расчет затрат на НИР по статье «Материалы»
Затраты по этой статье определяются по действующим оптовым ценам с учетом транспортно-заготовительных расходов (7-10 % от стоимости материалов, покупных полуфабрикатов, комплектующих изделий). Результаты расчета свести в таблицу 3.2:
Таблица 3.2 - Результаты расчета
|
Материалы и другие материальные ресурсы |
Единица измерения |
Потребное количество |
Цена за единицу |
Сумма, тыс. руб. |
|
Сырье |
- |
- |
- |
- |
|
Основные материалы |
- |
- |
- |
- |
|
Вспомогательные материалы |
- |
- |
- |
31 |
|
Покупные полуфабрикаты |
- |
- |
- |
42 |
|
Комплектующие изделия |
- |
- |
- |
26 |
|
ИТОГО |
99 |
|||
|
Транспортно-заготовительные расходы |
6,93 |
|||
|
ВСЕГО |
- |
105,93 |
Расчет затрат на НИР по статье «Спецоборудование»
Определение затрат по этой статье производится по фактической стоимости приобретения, то есть по договорной цене с учетом транспортно-заготовительных расходов и затрат, связанных с установкой и монтажом специального оборудования (12-15 % от договорной цены).
Если предприятие берет оборудование в аренду, то затраты рассчитываются исходя из стоимости одного машино-часа эксплуатации оборудования. Результаты расчета свести в таблицу 3.3.
Таблица 3.3 - Результаты расчета
|
Спецоборудование |
Количество, шт. |
Цена за единицу, тыс. руб. |
Сумма, тыс. руб. |
|
Лабораторно-изобретательная установка |
|||
|
Линия химобработки «Лада М» |
1 шт. |
210,2 |
210,2 |
|
Установка совмещения и экспонирования ЭМ-5026М1 |
1 шт. |
850 |
850 |
|
Многоканальный лазерный генератор изображений на фотошаблонах ЭМ-5189 |
1 шт. |
4812 |
4812 |
|
Установка контроля топологии фотошаблонов ЭМ-6329 |
1 шт. |
1604 |
1604 |
|
Установка лазерного устранения дефектов ЭМ—5001Б |
1 шт. |
2566,4 |
2566,4 |
|
УВН-75П-1 |
1 шт. |
250 |
250 |
|
Установка резки ЭМ-2065 |
1 шт. |
50 |
50 |
|
Оснастка |
- |
620,556 |
620,556 |
|
ИТОГО |
10963,156 |
||
|
Транспортно-заготовительные расходы |
1644,4734 |
||
|
ИТОГО |
12607,6294 |
Расчет затрат на НИР по статье «Основная зарплата»
Размер основной зарплаты устанавливается исходя из численности разных категорий исполнителей, трудоемкости выполнения отдельных видов работ, месячного должностного оклада, количества рабочих дней в месяце. Исходными данными задаются этапы выполнения работ и их трудоемкость. Количество исполнителей следует выбрать в соответствии с условием временных ресурсов. Если работу выполняют несколько разных исполнителей, то трудоемкость выполнения работ они могут распределить между собой, причем в разных пропорциях. За счет параллельного выполнения работ длительность снижается, а суммарная трудоемкость остается прежней. Результаты расчета свести в таблицу 3.4:
Таблица 3.4 - Результаты расчета
|
№ |
Наименование этапов и работ |
Длительность работ, недели |
Разряд |
Кол-во |
Оклад, руб/ч |
Затраты, руб. |
|
1 |
Патентно-библиографический поиск |
10,56 |
5 разряд |
1 |
70,2 |
29652,5 |
|
2 |
Математическое обоснование |
14,08 |
5 разряд |
1 |
70,2 |
39536,6 |
|
3 |
Математическое моделирование |
14,43 |
5 разряд |
1 |
70,2 |
40519,4 |
|
4 |
Анализ результатов |
11,97 |
5 разряд |
1 |
70,2 |
33611,8 |
|
5 |
Оформление ПЗ |
7,04 |
5 разряд |
1 |
70,2 |
19768,3 |
|
6 |
Оформление графического материала |
8,10 |
5 разряд |
1 |
70,2 |
22744,8 |
|
7 |
Сдача работы |
4,22 |
5 разряд |
1 |
70,2 |
11849,8 |
|
ИТОГО: |
197683 |
Примечание: В рабочей недели 5 рабочих дней по 8 часов. Оклад смотреть в приложении В
Расчет затрат на НИР по статье «Дополнительная зарплата»
Размер дополнительной зарплаты определяется в процентах от основной зарплаты (10-12 %) Дополнительная зарплата – это выплаты за непроработанное время: оплата очередных и дополнительных отпусков, выплата вознаграждений за выслугу лет и т. д.
Таблица 3.4.1 - Расчет затрат на НИР
|
№ |
Наименование этапов и работ |
Дополнительная зарплата, руб. |
|
1 |
Патентно-библиографический поиск |
2965,25 |
|
2 |
Математическое обоснование |
3953,66 |
|
3 |
Математическое моделирование |
4051,94 |
|
4 |
Анализ результатов |
3361,18 |
|
5 |
Оформление ПЗ |
1976,83 |
|
6 |
Оформление графического материала |
2274,48 |
|
7 |
Сдача работы |
1184,98 |
|
Итого: |
19768,32 |
Расчет затрат на НИР по статье «Единый социальный налог»
Размер отчислений на соц. страхование определяется как 26 % от суммы основной и дополнительной зарплаты работников, выполняющих НИР.
Таблица 3.4.2 - Расчет затрат на НИР по статье
|
№ |
Наименование этапов и работ |
Единый социальный налог, руб. |
|
1 |
Патентно-библиографический поиск |
8480,60 |
|
2 |
Математическое обоснование |
11307,48 |
|
3 |
Математическое моделирование |
11588,56 |
|
4 |
Анализ результатов |
9612,96 |
|
5 |
Оформление ПЗ |
5653,74 |
|
6 |
Оформление графического материала |
6505,01 |
|
7 |
Сдача работы |
3389,03 |
|
Итого: |
56537,4 |
Расчет затрат на НИР по статье «Расходы на служебные командировки» Относятся расходы на все виды служебных командировок работников, непосредственно связанных с выполнением НИР (2-3 % от основной зарплаты работников). Расходы на служебные командировки сотрудников аппарата управления относятся к накладным расходам.
Таблица 3.4.3 - Расчет затрат на НИР
|
№ |
Наименование этапов и работ |
Расходы на командировки, руб. |
|
1 |
Патентно-библиографический поиск |
889,57 |
|
2 |
Математическое обоснование |
1186,1 |
|
3 |
Математическое моделирование |
1215,6 |
|
4 |
Анализ результатов |
1008,4 |
|
5 |
Оформление ПЗ |
593,05 |
|
6 |
Оформление графического материала |
682,34 |
|
7 |
Сдача работы |
355,49 |
|
Итого: |
5930,5 |
Расчет затрат на НИР по статье «Затраты по работам, выполняемым сторонними организациями»
Относятся затраты по оплате всех видов работ, выполняемых для конкретной НИР, сторонними организациями, подчиненными научному учреждению, опытными производствами, стоящими на самостоятельном балансе. Также учитывается оплата арендуемого машинного времени ЭВМ. Затраты по этой статье студент задает сам (срок выполнения работ и затраты по работам в соответствии с договорами)
Расчет: Организация стоящая на самостоятельном балансе для развития нашей организации тратит 5000 рублей на основные этапы технологических процессов.
Расчет затрат на НИР по статье «Прочие прямые расходы»
Относятся расходы на приобретение и подготовку материалов специальной научно-технической информации, за использование средств телефонной связи и другие расходы, необходимые для проведения конкретной НИР (1% от основной зарплаты).
Таблица 3.4.4 - Расчет затрат на НИР по статье
|
№ |
Наименование этапов и работ |
Прочие прямые расходы, руб. |
|
1 |
Патентно-библиографический поиск |
296,52 |
|
2 |
Математическое обоснование |
395,37 |
|
3 |
Математическое моделирование |
405,19 |
|
4 |
Анализ результатов |
336,12 |
|
5 |
Оформление ПЗ |
197,68 |
|
6 |
Оформление графического материала |
227,45 |
|
7 |
Сдача работы |
118,5 |
|
Итого: |
1976,83 |
Расчет затрат на НИР по статье «Накладные расходы»
В статью включаются расходы на управление и хозяйственное обслуживание, зарплата аппарата управления и общехозяйственных служб, затраты на содержание и текущий ремонт зданий, сооружений, оборудования, инвентаря, амортизационные отчисления, расходы по охране труда, научно-технической информации, изобретательству и т. д. (120-200 % от основной и дополнительной заработной платы).
Таблица 3.4.5 - Расчет затрат на НИР по статье
|
№ |
Наименование этапов и работ |
Накладные расходы, руб. |
|
1 |
Патентно-библиографический поиск |
65235,46 |
|
2 |
Математическое обоснование |
86980,61 |
|
3 |
Математическое моделирование |
89142,77 |
|
4 |
Анализ результатов |
73945,87 |
|
5 |
Оформление ПЗ |
43490,3 |
|
6 |
Оформление графического материала |
50038,56 |
|
7 |
Сдача работы |
26069,47 |
|
Итого: |
434903 |
Результаты расчетов статей затрат заносятся в таблицу 3.5.
Таблица 3.5
-
СТАТЬИ ЗАТРАТ
СУММА, руб
1. Материалы
105930
2. Спецоборудование
12607629
3. Основная заработная плата
197683
4. Дополнительная заработная плата
19768
5. Единый социальный налог
56537
6. Расходы на служебные командировки
5931
7. Затраты по работам, выполняемым сторонними организациями
5000
8. Прочие прямые расходы
1977
9. Накладные расходы
434903
ИТОГО
13435360
3.1.2 Определение себестоимости инновационного процесса
Расчет затрат на каждую стадию инновационного цикла производится исходя из числового соотношения между ними и известных затрат на НИР как на базовый этап. Результаты заносятся в форму 3.6. Рассчитывается полная плановая себестоимость инновационного процесса в целом.
Таблица 3.6 - Стадии инновационного процесса
|
Стадии инновационного процесса |
Затраты в % |
Затраты в руб. |
|
1. Поисковые исследования |
1 |
134354 |
|
2. Разработка базового варианта |
5-10 |
671768 |
|
3. Прикладные разработки (НИР) |
10-20 |
1343546 |
|
4. Подготовка производства |
40-60 |
5374144 |
|
5. Организация производства |
5-15 |
671768 |
|
6. Маркетинг и организация сбыта |
10-25 |
1343536 |
|
7. Послереализационное обслуживание |
3-5 |
403061 |
3.2 Организационно-плановые расчеты
3.2.1 Расчет календарно-плановых нормативов
Исходя из того, что основным календарным периодом планирования в серийном производстве является месяц, определяются месячные объемы выпуска меток (при дробном значении округляется до ближайшего целого числа):
метка.
где N>г> – годовая программа выпуска сенсорного экрана, шт.;
F>др> – действительный годовой рабочий фонд времени работы оборудования, ч,
–
действительный
месячный фонд времени работы оборудования.
Действительный годовой рабочий фонд времени работы оборудования определяется по формуле:
,(3.1)
где
=5%
– планируемые потери времени на ремонт
оборудования,
– возможный
к использованию фонд времени, определяемый
по формуле
,
(3.2)
где
=2
– число смен работы оборудования данной
группы;
– продолжительность
смены (8 ч);
– число
нерабочих дней в плановом периоде(110
дней);
– число
рабочих предпраздничных дней (не
учитывается);
– число
сокращенных часов в предпраздничные
дни (не учитывается).
Расчет величины партий запуска-выпуска
Размер партий экранов – основной календарно-плановый норматив в серийном производстве. Он определяет все остальные нормативы (периодичность запуска-выпуска, длительность цикла изготовления и т.п.) и влияет на технико-экономические показатели работы участка.
Минимальный размер партии (для каждой метки) определяется по наиболее загруженной группе оборудования или по самой трудоемкой операции, для которой справедливо соотношение t>пз>>i>/t>ш>>i>=max. В нашем случае наиболее трудоемкая операция напыления металлической пленки на пьезопластину и минимальный размер партии будет равен:
меток,
где t>пз> – норма подготовительно-заключительного времени на наиболее трудоемкую операцию;
t>ш> – штучное время на эту операцию;
а – коэффициент, учитывающий допустимые потери времени на переналадку (а=0,03–0,12).
Расчет периодичности (ритма запуска-выпуска) партии деталей
Периодичность (ритм запуска) характеризуется отрезком времени между двумя следующими друг за другом запусками партий деталей одного наименования:
,
где Т>n> =22 дней – продолжительность планово-отчетного периода (количество рабочих дней в плановом месяце);
n>min> – минимальный размер партии деталей, шт;
N>м> – программа выпуска деталей на данный планово-отчетный период.
Для упрощения планирования производства периодичность запуска-выпуска партий деталей унифицируется. Для пятидневной рабочей недели унифицированные значения R>у>: 1, 5, 10, 20, 40, 60 сут. При этом размер партии корректируется:
n>д>=R>у>N>сут>=5*8256=41280 меток.
Количество запусков партии меток в течение планово-отчетного периода определяется по формуле:

Расчет штучно-калькуляционного времени
По каждой операции определяется штучно-калькуляционное время (t>шк>) по формуле:

где t>ш>>i>> >– штучное время на i-ю операцию;
t>пз> – подготовительно-заключительное время на партию;
n>д> – величина партии деталей.
Химическая обработка: t=0,1+9/8256=0,101 мин;
Напыление металлической пленки: t=0,005+40/8256=0,025 мин;
Процесс литографии (формирование электродных структур и кодирование данных): t=0,1+20/8256=0,102 мин;
Измерение параметров электродных структур на пластине t=0,1 мин;
Резка пьезопластины: t=0,01+12/8256=0,011 мин;
Приварка антенны: t=0,06+6/8256=0,061 мин;
Корпусировка: t=0,01+7/8256=0,011 мин;
Измерение параметров готовой метки: t=0,1 мин.
Расчет потребности в оборудовании
Количество оборудования на i-ой операции определяется следующим образом:
,
,
,
,
,
,
,
.
где n – количество типоразмеров деталей;
– годовая
программа j-ой
детали;
–
трудоемкость
j-ой
детали на i-ой
операции;
–
коэффициент
выполнения норм,
.
– действительный
годовой рабочий фонд времени работы
оборудования
Расчетное
значение округляется до ближайшего
целого числа в большую сторону
(в меньшую сторону округление допускается
при превышении расчетного значения над
принятым не более 5-8 %)
Загрузка оборудования определяется по каждой операции:

Средний коэффициент загрузки оборудования по участку определяется по формуле
.(3.5)
Полученные данные заносим в таблицу 3.7.
Таблица 3.7 – Расчет количества оборудования
|
№ |
Наименование операции |
Трудоемкость, мин |
Оборудование |
Расчетное количество станков |
Принятое количество станков |
Коэффициент загрузки |
|
1 |
Химическая обработка |
0,101 |
Линия химобработки «Лада М» |
0,87 |
1 |
0,86 |
|
2 |
Напыление металлической пленки |
0,025 |
УВН-75П-1 |
0,22 |
1 |
0,22 |
|
3 |
Процесс литографии |
0,102 |
Комплекс субмикронной литографии |
0,88 |
1 |
0,88 |
|
№ |
Наименование операции |
Трудоемкость, мин |
Оборудование |
Расчетное количество станков |
Принятое количество станков |
Коэффициент загрузки |
|
4 |
Измерение параметров ВШП |
0,1 |
Зонд-А5 |
0,86 |
1 |
0,86 |
|
5 |
Резка пьезопластины |
0,011 |
Автомат дисковой резки ЭМ-2065 |
0,1 |
1 |
0,1 |
|
6 |
Корпусировка |
0,011 |
Автомат монтажа кристаллов в корпус ЭМ-4685 |
0,1 |
1 |
0,1 |
|
7 |
Приварка антенны |
0,061 |
Установка ультразвуковой сварки F&K Delvotec G5 |
0,52 |
1 |
0,52 |
|
8 |
Измерение параметров готовой метки |
0,1 |
Х1-43 |
0,86 |
1 |
0,86 |
|
Итого по участку |
8 |
Балансовая стоимость единицы оборудования:

где Ц – цена приобретения единицы оборудования;
– коэффициенты,
учитывающие затраты на транспортировку,
устройство фундамента и монтаж
соответственно. Укрупнено принимается
.
Таблица 3.8 – Полученные данные
-
Наименование оборудования
Балансовая стоимость, тыс. руб.
Мощность, кВт
Линия химобработки «Лада М»
210,2
10
Комплекс субмикронной литографии
1150
5
УВН-75П-1
250
65
Автомат дисковой резки пластин на кристаллы ЭМ-2065
50
25
Автомат монтажа кристаллов в корпус ЭМ-4685
300
1,8
Автоматическая установка ультразвуковой сварки F&K Delvotec G5
700
6
Х1-43
12
0,2
Зонд-А5
100
0,8
Расчет длительности производственного цикла
Длительность операционного цикла по каждой операции определяется

1.
=
41280*0,101=4169,3 мин (69,49 ч);
2.
=41280*0,025=1032
мин (17,2 ч);
3.
=
41280*0,102=4312,56 мин (71,88 ч)
4.
=41280*0,1=4128
мин (68,8 ч);
5.
=41280*0,011=454,08
мин (7,57 ч);
6.
=41280*0,011=454,08
мин (7,57 ч) ;
7.
=41280*0,061=2518,08
мин (41,97 ч);
8.
=
41280*0,1=4128 мин (68,8 ч);
Длительность технологического цикла при параллельном виде движения рассчитывается

где
p
– размер транспортной партии, шт.,
принимается кратной размеру партии
деталей
.
С учетом всех неизбежных перерывов производственный цикл при параллельном виде движения в календарных днях определяется:

где f – коэффициент перевода рабочего времени в календарное.
;
– среднее
время межоперационных перерывов,
принимается
мин;
– время протекания естественных
процессов, ч, принимается равным нулю.
3.3 Экономические расчеты
3.3.1 Определение стоимости основных фондов и их износа на полное восстановление
Общая стоимость оборудования определяется с помощью формулы
=1*210,2=210,2
т.руб (Линия химобработки
«Лада М»),
=1*1150=1150
т.руб (Модульно-кластерный комплекс
субмикронной литографии),
=1*50=50
т.руб (Автомат
дисковой резки пластин на кристаллы
ЭМ-2065),
=1*300=300
т.руб (Автомат
монтажа кристаллов в корпус ЭМ-4685),
=1*700=700
т.руб (Автоматическая
установка ультразвуковой сварки F&K
Delvotec G5),
=1*250=250
т.руб (УВН-75П-1),
=1*12=12
т.руб (Х1-43),
=1*10=100
т.руб (Зонд-А5),
где
– количество единиц оборудования на
i-ой
операции.
Стоимость подъемно-транспортного оборудования может быть принята в размере 5 % от стоимости производственного оборудования.
Производственная площадь, занимаемая участком рассчитывается по упрощенной формуле:
=8*12*1*1,1=105,6
м2
(площадь
занимаемая каждым из участков)
где
–
средняя площадь, занимаемая единицей
оборудования, м2,
для легких станков принимается равной
12 м2.К
легким относятся станки массой до 3 т.
– принятое
количество оборудования данной группы;
k = 1,11,2 – коэффициент, учитывающий проходы и проезды.
Доля административно-бытовых помещений укрупнено может быть принята 10-12 % от величины производственной площади:
=10,56
м2
Общая стоимость производственной площади:
>
>>(3.8)>
где
– стоимость 1 м2
площади, соответственно, производственной
и административно-бытовой.
>С>>пп>>=132 т.руб.>
Стоимость энергетического оборудования (доля стоимости цеховых распределительных устройств, энергетических установок сетей, приходящихся на участок) рассчитывается как:
=650*113,8=73970
руб,
где
– стоимость энергооборудования,
приходящаяся на 1 кВт установленной
мощности оборудования участка, руб.
– суммарная
мощность установленного оборудования
участка, кВт, определяется по паспортам
установленного оборудования.
=113,8
кВт,
где
– установленная мощность i-ой
единицы оборудования, кВт (исходные
данные).
Стоимость инструмента и оснастки, включаемых в основные фонды, принимается укрупнено 6 % от балансовой стоимости производственного оборудования.
Стоимость производственного и хозяйственного инвентаря может быть принята укрупнено в размере 2-3 % от совместной стоимости производственного оборудования и площадей.
Норма амортизационных отчислений определяется по нормативам для каждой группы основных производственных фондов (дополнительные данные).
Для участка, на котором производится несколько деталей (детали А, Б, В), рассчитывается общая годовая трудоемкость выпуска продукции:
Тг>л>=2000000*0,511 =1022000 мин,
где n – количество деталей, закрепленных за линией;
– полная
трудоемкость изготовления деталей (А,
Б, В), мин.;
– годовая
программа i-ой
детали (А, Б, В).
Определяется удельный коэффициент трудоемкости годовой программы в годовой трудоемкости участка:
=2000000*0,511
/1022000=1,
где
– полная трудоемкость изготовления
метки;
– годовая программа экрана;
– общая
годовая трудоемкость участка.
Балансовая стоимость оборудования по видам станков и расчет сумм годовой амортизации представлены в таблице 3.9.
Таблица 3.9 – Расчет амортизационных отчислений производственного оборудования
|
Оборудов-е |
Стоимость единицы оборудования |
Кол-во |
Суммарная балансовая стоимость, т.руб. |
Норма амортизации, % |
Сумма годовой амортизации, руб. |
|
Линия химобработки «Лада М» |
210,2 |
1 |
210,2 |
12 |
25224 |
|
Комплекс литографии |
1150 |
1 |
1150 |
138000 |
|
|
УВН-75П-1 |
250 |
1 |
250 |
30000 |
|
|
Автомат дисковой резки ЭМ-2065 |
50 |
1 |
50 |
6000 |
|
|
Автомат монтажа кристаллов в корпус ЭМ-4685 |
300 |
1 |
300 |
36000 |
|
|
Автоматическая установка ультразвуковой сварки F&K Delvotec G5 |
700 |
700 |
84000 |
||
|
Оборудов-е |
Стоимость единицы оборудования, т.руб. |
Кол-во |
Суммарная балансовая стоимость, т.руб. |
Норма амортизации, % |
Сумма годовой амортизации, руб. |
|
Х1-43 |
12 |
12 |
12 |
1440 |
|
|
Зонд-А5 |
100 |
100 |
12000 |
||
|
Итого |
2772,2 |
8 |
2772,2 |
332664 |
Расчет стоимости основных фондов сводится в таблицу 3.10.
Таблица 3.10 – Расчет стоимости основных фондов и сумм годовой амортизации производственного участка
|
Наименование групп основных фондов |
Балансовая стоимость, руб. |
Амортизация |
|
|
% |
руб. |
||
|
1. Производственная площадь |
132000 |
5 |
6600 |
|
2. Производственное оборудование |
2772200 |
12 |
332664 |
|
3. Подъемно-транспортное оборудование |
138610 |
16,67 |
23106,3 |
|
4. Энергетическое оборудование |
73970 |
20 |
14794 |
|
5. Инструменты и приспособления |
166332 |
33 |
54889,6 |
|
6.Производственный и хозяйственный инвентарь |
58084 |
50 |
29042 |
|
Итого |
3341196 |
- |
461096 |
3.3.2 Расчет затрат на материалы
Затраты на материалы за вычетом возвратных отходов в расчете на 1 экран определяются по формуле:
(3.9)
руб.,
где
– масса заготовки детали, кг.
– цена
за один килограмм ниобата лития (с учетом
транспортно-заготовительных расходов);
– масса
реализуемых отходов, кг;
– цена 1 кг
реализуемых отходов.
Затраты на материал на программу:
т.руб,
где
– программа выпуска деталей.
3.3.3 Расчет численности работающих по категориям и фонда заработной платы
Для участка численность основных рабочих определяется
,
,

,
,
,
где
– норма штучно-калькуляционного времени
i-ой детали, мин;
– годовая
программа i-ой детали;
– действительный годовой фонд рабочего
времени одного работника, укрупнено
может быть принят равным 1780 ч.
Явочная численность основных рабочих на участке определяется округлением расчетного значения до ближайшего целого числа, при этом должно выполняться условие

где
– сменность работы оборудования;
– количество
единиц установленного оборудования.

Списочная численность:
=16*1,09=17
где
– коэффициент, учитывающий невыходы
на работу по уважительной причине.
Кроме основных рабочих, производящих продукцию, долевое участие в работе участка принимают работники централизованных служб цеха, осуществляющие обеспечение процесса основного производства (вспомогательные рабочие, ИТР и служащие).
Численность вспомогательных рабочих (ремонтники, наладчики, контролеры) укрупнено может быть определена и размере 26-30 % от численности основных рабочих.
Численность инженерно-технических работников и служащих может быть определена в размере 8-12 % от численности всех рабочих (основных и вспомогательных).
Общая численность работающих:
=17+4+1=22.
Основная и дополнительная заработная плата рабочих на метку:
(3.11)
где n – количество операций;
– часовая
тарифная ставка разряда, руб./ч;
– время
проведения i-ой
опереции, мин.;
– коэффициент,
учитывающий дополнительную заработную
плату (оплата отпусков, доплаты к тарифу);
– коэффициент
многостаночного обслуживания.
Расчет затрат на заработную плату основных производственных рабочих на метку сводится в таблицу 3.11.
Таблица 3.11 – Расчет затрат на основную заработную плату
|
№ |
Операции |
Трудоемкость, мин |
Разряд |
Часовая тарифная ставка, руб./час |
Затраты на заработную плату, руб. |
|
1 |
Химическая обработка |
0,101 |
4 |
60,8 |
0,1105344 |
|
2 |
Напыление металлической пленки |
0,025 |
5 |
70,2 |
0,03159 |
|
3 |
Процесс фотолитографии (формирование электродных структур и кодирование) |
0,102 |
6 |
79,6 |
0,1461456 |
|
4 |
Измерение параметров ВШП |
0,1 |
5 |
70,2 |
0,12636 |
|
5 |
Резка пьезопластины |
0,011 |
5 |
70,2 |
0,0138996 |
|
6 |
Корпусировка |
0,011 |
5 |
70,2 |
0,0138996 |
|
7 |
Приварка антенны |
0,061 |
5 |
70,2 |
0,0770796 |
|
8 |
Измерение парам. готовой метки |
0,1 |
4 |
60,8 |
0,10944 |
|
Итого |
0,511 |
- |
0,6289488 |
Фонд заработной платы основных рабочих составляет
=1257898
руб.
Заработная плата вспомогательных рабочих
руб.,
где
– часовая ставка среднего разряда
вспомогательных рабочих;
– действительный
годовой фонд рабочего времени одного
рабочего.
Заработная плата вспомогательных рабочих на одну метку:
=492134,4*1/2000000=0,2460672
руб,
где
– удельный коэффициент трудоемкости
годовой программы изделия в годовой
трудоемкости участка.
Заработная плата ИТР и служащих
=11000*12*1=132
т.руб.,
где
– средняя месячная зарплата ИТР по
статистическим данным;
– количество
ИТР.
Заработная плата ИТР и служащих, приходящаяся на одну метку:
.
Единый социальный налог
,
(3.12)
где
– фонд заработной платы i-ой
категории работающих, ЕСН – единый
социальный налог (ставка).
Результаты расчетов представлены в таблице 3.12.
Таблица 3.12 – Расчет численности работающих и заработной платы
|
Наименование категории работников |
Количество человек |
На программу |
На метку |
||
|
Основная зарплата, руб. |
ЕСН, руб. |
Заработная плата, руб. |
ЕСН, руб. |
||
|
1.Основные рабочие |
17 |
1257898 |
327053,48 |
0,62895 |
0,1635267 |
|
2.Вспомогательные рабочие |
4 |
492134,4 |
127954,94 |
0,24607 |
0,0639775 |
|
3.ИТР и служащие |
1 |
132000 |
34320 |
0,066 |
0,01716 |
|
Итого |
22 |
1882032,4 |
489328,42 |
0,941016 |
0,2446642 |
Затраты на силовую электроэнергию, идущую на технологические цели рассчитываются как:
>(3.13>>)>
где
– суммарная мощность электродвигателей
на i-й
единице оборудования;
– коэффициент
использования э/двигателей по мощности
(
);
– средний
коэффициент загрузки э/двигателей по
времени (
);
–
коэффициент,
учитывающий потери электроэнергии в
сети завода (
);
– норма
машинного времени на операцию, мин;
– средний КПД электродвигателей i-го
вида оборудования (
);
– стоимость
1 кВт ч энергии, руб.
С>э>=2,9*(0,1*10+0,02*65+0,1*5+0,1*0,8+0,01*25+0,01*1,8+0,06*6+0,1*0,2)*0,75*0,7*1,1/60*0,8=0,12309 руб.;
Затраты на амортизацию определяются по формуле
=
332664/2000000=0,16633
руб.,
где
– амортизация производственного
оборудования (данные таблицы 10).
Расчет общепроизводственных расходов:
,
(3.14)
где
– расходы на содержание и эксплуатацию
оборудования, включающие затраты на
ремонт оборудования и на смазочно-обтирочные
материалы;
– затраты на эксплуатацию технологической
оснастки, включающие затраты на
эксплуатацию специальных приспособлений,
затраты на эксплуатацию режущего и
мерительного инструмента;
– затраты на содержание помещения с
учетом освещения, канализации, обеспечение
горячей и холодной водой принимаются
укрупнено из расчета 20 % от балансовой
стоимости производственных площадей.
– прочие расходы принимаются в размере
0,5 % от всей суммы общепроизводственных
расходов.
Расчет общепроизводственных расходов сводится в таблицу 3.13.
Таблица 3.13 – Расчет затрат на общепроизводственные расходы
|
Статья затрат |
На метку, руб. |
На программу, руб. |
|
Расходы на содержание и эксплуатацию оборудования, в том числе |
0,12487 |
249747 |
|
1) затраты на ремонт оборудования |
0,11352 |
227043 |
|
2) затраты на смазочно-обтирочные |
0,01135 |
22704 |
|
Затраты на оснастку, в том числе |
0,00821 |
16420 |
|
1) затраты на эксплуатацию приспособлений |
- |
- |
|
2) затраты на режущий инструмент |
0,00322 |
6440 |
|
3) затраты на мерительный инструмент |
0,00499 |
9980 |
|
Затраты на содержание помещений |
0,0132 |
26400 |
|
Зарплата ИТР и вспомогательных рабочих |
0,31207 |
624134 |
|
ЕСН ИТР и вспомогательных рабочих |
0,08114 |
162275 |
|
Прочие расходы |
0,0027 |
5395 |
|
Итого общепроизводственные расходы |
0,54219 |
1084372 |
Расходы на содержание и эксплуатацию оборудования:
=0,11352+0,01135=0,12487
руб.
Затраты на ремонт оборудования определяются как:
=2772200*0,063*1,3/2000000=0,11352
руб.
где
– балансовая стоимость оборудования,
относимая на метку, руб. (данные таблицы
10);
– норма
амортизационных отчислений на капитальный
и средний ремонты (норматив), %;
– коэффициент,
учитывающий затраты на малые ремонты
и осмотры;
– годовая
программа выпуска детали.
Затраты на смазочно-обтирочные материалы укрупнено могут быть приняты в размере 8-10 % от затрат на ремонт оборудования:
=0,1*0,11352=0,01135руб.
Затраты на эксплуатацию технологической оснастки
=0,00322+0,085534=0,013
руб.
Затраты на эксплуатацию специальных приспособлений (таковых нет)
=0;
где
– балансовая стоимость приспособления
i-го
вида;
– коэффициент,
учитывающий затраты на ремонт;
– выручка
от реализации приспособления i-й
операции после его выбытия из эксплуатации,
укрупнено
;
– срок
погашения стоимости приспособления,
годы, укрупнено
лет;
m
– количество видов приспособлений.
Затраты на эксплуатацию режущего инструмента
руб,
где n – количество типоразмеров, инструмента;
– балансовая
стоимость i-го
инструмента;
– цена
реализации списанного инструмента, 10
% от стоимости инструмента;
– затраты
на 1 переточку, руб.;
– число
переточек;
– период
стойкости инструмента между двумя
переточками;
– коэффициент
случайности убыли инструмента;
– машинное
время пользования i-м
инструментом, мин. может быть принято
укрупнено 70 % от
.
Затраты на мерительный инструмент:
=0,1*166332*0,6/2000000=0,00499
руб,
где
– сумма годовых затрат по эксплуатации
i-го
вида мерительного инструмента (10 %
от балансовой стоимости инструментов
и приспособлений – данные таблицы 10);
– коэффициент
занятости мерительного инструмента на
i-й
операции,
.
Затраты на содержание помещений с учетом
освещения, канализации, обеспечение
горячей и холодной водой принимаются
укрупнено из расчета 20 % от балансовой
стоимости производственных площадей.
=0,2*132000/2000000=0,0132
руб,
где
– балансовая стоимость производственной
площади (данные таблицы 3.10).
Таблица 3.14 – Калькуляция себестоимости деталей
|
Наименование статей затрат |
На одну метку, руб. |
На программу, руб. |
|
1. Материалы за вычетом отходов |
3,68 |
7360000 |
|
2. Основная заработная плата |
0,62895 |
1257898 |
|
3. ЕСН |
0,16353 |
327053,5 |
|
4.Электроэнергия на технологические цели |
0,12309 |
246180 |
|
5.Амортизация оборудования |
0,16633 |
332664 |
|
6.Общепроизводственные расходы |
0,54219 |
1084372 |
|
7.Общехозяйственные р-ды (72% к стр.2) |
0,45284 |
905686,6 |
|
8. Производственная себестоимость |
5,75693 |
11513854 |
|
9. Внепроизводственные р-ды (15 % к стр.8) |
0,86354 |
1727078 |
|
10. Полная себестоимость (стр.8+стр.9) |
6,62047 |
13240932 |
Цена метки рассчитывается как:
руб,
где
– полная себестоимость i-ой
детали;
– планируемая
прибыль (ориентировочно может быть
принята в размере 12-15 % от полной
себестоимости).
3.3.5 Расчет технико-экономических показателей
Годовой выпуск в стоимостном выражении
=8*2000000=16000000
руб.
Выпуск продукции в год:
а) на одного работающего
=16000000/22=727273
руб./чел.,
где
–
численность работающих на участке;
б) на одного производственного рабочего
=16000000/17=941176
руб./чел.,
где
– численность основных рабочих;
в) на единицу оборудования
=16000000/8=2000000
руб./шт.,
где
– установленное количество оборудования;
г) на 1 м2 производственной площади
=16000000/105,6=15151
руб./ м2,
где S – производственная площадь, м2.
Среднемесячная зарплата:
а) одного работающего
=(1882032,4+0,3*2000000)/(12*22)=9402
руб,
где
– общая годовая заработная плата
основных, вспомогательных рабочих и
ИТР по участку;
– списочная
численность работающих на участке;
П – общая прибыль по участку;
б) одного рабочего
=(1882032,4+0,3*2000000)/(12*17)=
12167 руб,
где
– годовая заработная плата основных
рабочих по участку;
– списочная
численность основных рабочих на участке.
Энерговооруженность труда
=113,8/17=6,7
кВтч/чел.,
где
–
суммарная мощность электродвигателей
оборудования.
Фондовооруженность
=(3341196+7360000)/17=629482
руб./чел.,
где
– балансовая стоимость производственных
фондов, руб.;
– стоимость
оборотных средств (материалы).
Фондоотдача
=16000000/(26123003)=1,5.
Рентабельность
=2000000/13240932*100%=15%.
Расчет вышеприведенных показателей приведен в таблице 3.15.
Таблица 3.15 – Технико-экономические показатели
|
Наименование показателей |
Ед. изм. |
Значение |
|
1. Годовой выпуск |
||
|
а) в натуральном выражении |
шт. |
2000000 |
|
б) в стоимостном |
руб. |
16000000 |
|
2. Производственная площадь |
м2 |
105,6 |
|
3. Количество оборудования |
ед. |
8 |
|
4. Установленная мощность |
кВт |
113,8 |
|
5. Численность работающих |
чел. |
22 |
|
в т.ч. основных рабочих |
чел. |
17 |
|
6. Трудоемкость детали |
||
|
а) на единицу |
час. |
0,00852 |
|
б) на программу |
час |
17033,3 |
|
7. Стоимость основных фондов |
руб. |
3341196 |
|
в т.ч. стоимость оборудования |
руб. |
2772200 |
|
8. Прибыль |
руб. |
2000000 |
|
9. Выпуск продукции в год на: |
||
|
а) на одного работающего |
руб./чел. |
727273 |
|
б) одного основного рабочего |
руб./чел. |
941176 |
|
в) на единицу оборудования |
руб./шт. |
2000000 |
|
г) на 1 кв.м производственной площади |
руб./м2 |
15151 |
|
10. Средняя заработная плата |
||
|
а) одного работающего |
руб./чел |
9402 |
|
б) одного основного рабочего |
руб./чел |
12167 |
|
10. Энерговооруженность труда |
кВтч/чел. |
6,7 |
|
11. Фондовооруженность труда |
руб./чел |
629482 |
|
12. Фондоотдача |
руб./руб. |
1,5 |
|
13. Рентабельность |
% |
15 |
3.4 Расчет коммерческой эффективности проекта
Коммерческая эффективность или финансовое обоснование проекта определяется соотношением финансовых затрат и результатов, обеспечивающих требуемую норму доходности.
При осуществлении любого проекта можно выделить три вида деятельности:
инвестиционная;
операционная;
финансовая.
В рамках
каждого вида деятельности происходит
приток
и отток
денежных средств. При этом в качестве
эффекта на t-ом шаге
выступает поток реальных денег, который
и определяется разностью между притоком
и оттоком денежных средств от инвестиционной
и операционной деятельности в каждом
периоде осуществления проекта
.(3.14)
Методика расчета основных составляющих потока реальных денег приведена в следующих разделах.
3.4.1 Расчет потока реальных денег от операционной (производственной) деятельности
Поток реальных денег от операционной деятельности включает в себя следующие виды доходов и затрат (таблица 3.16).
При этом к переменным затратам относятся: затраты на материалы, основную и дополнительную заработную плату с отчислениями на ЕСН основных производственных рабочих, затраты на электроэнергию и режущий инструмент. К постоянным расходам относятся: общепроизводственные расходы за минусом затрат на режущий инструмент; плюс общехозяйственные расходы.
Таблица 3.16 – Расчет эффекта от операционной деятельности
|
Показатели |
Год |
|||||
|
0-й |
1-й |
2-й |
3-й |
4-й |
5-й |
|
|
Объем продаж |
- |
- |
- |
- |
- |
|
|
Цена |
- |
- |
- |
- |
- |
|
|
Выручка (стр.1стр.2) |
- |
16000000 |
16000000 |
16000000 |
16000000 |
16000000 |
|
Внепроизводственные расходы |
- |
1727078 |
1727078 |
1727078 |
1727078 |
1727078 |
|
Переменные затраты |
- |
9197571,50 |
9197571,50 |
9197571,50 |
9197571,50 |
9197571,50 |
|
Постоянные затраты |
- |
1983618,25 |
1983618,25 |
1983618,25 |
1983618,25 |
1983618,25 |
|
Амортизация зданий, производственной площади |
- |
6600,00 |
6600,00 |
6600,00 |
6600,00 |
6600,00 |
|
Амортизация оборудования |
- |
332664 |
332664 |
332664 |
332664 |
332664 |
|
Проценты по кредитам (гр.3 табл.20) |
- |
812000 |
649600 |
487200 |
324800 |
162400 |
|
Прибыль до вычета налогов (стр.3-стр.4-стр.5-стр.6-стр7-стр.8-стр.9) |
- |
1940468,25 |
2102868,25 |
2265268,25 |
2427668,25 |
2590068,25 |
|
Налоги и сборы (24 % от стр.10) |
- |
465712,381 |
504688,381 |
543664,381 |
582640,381 |
621616,381 |
|
Проектируемый чистый доход (стр.10-стр.11)** |
- |
1474755,87 |
1598179,87 |
1721603,87 |
1845027,87 |
1968451,87 |
|
Амортизация (стр.7+стр.8) |
- |
339264,00 |
339264 |
339264 |
339264 |
339264,00 |
|
14. Эффект от операционной деятельности (чистый приток от операций) (стр.12+стр.13) |
- |
1814019,87 |
1937443,87 |
2060867,87 |
2184291,87 |
2307715,87 |
3.4.2 Расчет потока реальных денег от инвестиционной деятельности
Поток реальных денег от инвестиционной деятельности включает в себя следующие виды доходов и затрат, распределенных по периодам расчета (таблица 3.17).
Таблица 3.17 – Расчет эффекта от инвестиционной деятельности
|
Показатели |
Год |
|||
|
0-й |
1-й |
… |
5-й |
|
|
Здания, сооружения (табл.10 стр.1) |
132000,00 |
|||
|
Машины и оборудование, передаточные устройства (табл.10 стр.2,3,4) |
2984780,00 |
|||
|
Нематериальные активы (затраты на патентование и приобретение лицензий, результатов НИОКР, услуг «ноу-хау») (табл. 6, стр. 1-3) |
2149668 |
|||
|
Итого: вложения в основной капитал (стр.1+стр.2+стр.3) |
5266448,00 |
|||
|
Прирост оборотного капитала (см. подраздел 4.2.1) |
511111 |
257463 |
||
|
Итого инвестиций (стр.4+стр.5)кредит* |
5777559,00 |
257463 |
||
|
Эффект от инвестиционной деятельности (-стр.6) |
-5777559,00 |
-257463 |
3.4.3 Расчет необходимого прироста оборотного капитала
Необходимый прирост оборотного капитала на плановый период определяется как разность между общим нормативом оборотных средств и их величиной на начало прогнозного периода.
Норма оборотных средств – это количество дней, в течение которых оборотные средства отвлечены в материальные запасы.
Норматив оборотных средств в производственных запасах сырья и материалов рассчитывается по формуле
=(7360000/360)*25=511111
руб.,
где Q>р>>i> – расход материала i-го вида за планируемый период;
Ц>i> – цена материала i-го вида;
Д – количество дней в планируемом периоде;
Т>Н>>i>> >– норма запаса материала i-го вида.
Норматив оборотных средств в запасах готовой продукции на складах предприятия определяется по формуле
=(13240932/360)*7=257463
руб.,
где Т>хр> – длительность хранения готовой продукции.
По результатам расчетов заполняется таблица 3.18.
Таблица 3.18 – Расчет потребности в оборотных средствах
|
Показатели |
Величина показателя |
|
|
Сырье и материалы |
Готовая продукция |
|
|
1. Однодневный расход, руб. |
20444 |
36780 |
|
2. Норма запаса, дн. |
25 |
7 |
|
3. Потребность в оборотных средствах, руб. (стр.1 стр.2 стр.3) |
511111 |
257463 |
3.4.4 Расчет потока реальных денег от финансовой деятельности
Для реализации проекта достаточным считается такое количество собственного и привлеченного (заемного) капитала, при котором величина баланса денежных потоков во все периоды деятельности предприятия будет положительной. Наличие отрицательной величины в какой-либо из периодов времени означает, что предприятие не в состоянии покрывать свои расходы, то есть фактически является банкротом. Целью финансирования является обеспечение положительного ликвидного остатка денежных средств во все периоды времени от начала до конца реализации проекта.
По результатам анализа таблицы 17 и 18 определяется сумма средств, необходимых для финансирования проекта, и выявляются источники финансирования (таблица 3.19).
Таблица 3.19 – Источники финансирования
|
Основные виды источноков финанс-ния |
Год |
|||||
|
0 |
1 |
2 |
3 |
4 |
5 |
|
|
Нераспределенная прибыль |
1474755 |
1598179 |
1721603 |
1845027 |
1968451 |
|
|
Кредит |
5800000 |
|||||
|
ИТОГО |
5800000 |
1474755 |
1598179 |
1721603 |
1845027 |
1968451 |
Необходимо структуру источников финансирования показать на круговой диаграмме (рисунок 3.1).

Рисунок 3.1 – Структура источников финансирования
При ответе на вопрос об источниках финансирования необходимо учитывать, что речь идет о том, какую долю потребных средств можно и нужно получить в форме кредита, а какую лучше привлечь в виде акционерного капитала.
Рекомендуется инвестиции, необходимые в нулевом году, финансировать за счет кредита, а инвестиции, необходимые в первом году, – за счет нераспределенной прибыли.
Финансирование через кредиты предпочтительнее для проектов, связанных с расширением производства на уже действующих предприятиях.
Таблица 3.20 – План погашения кредита
|
Год |
Долг |
% |
Пог-е долга |
|
1 |
5800000,00 |
812000 |
1160000 |
|
2 |
4640000,00 |
649600 |
1160000 |
|
3 |
3480000,00 |
487200 |
1160000 |
|
4 |
2320000,00 |
324800 |
1160000 |
|
5 |
1160000,00 |
162400 |
1160000 |
Для проектов же, которые связаны с созданием нового предприятия или реализацией технического новшества, предпочтительным источником финансирования может служить акционерный капитал.
Целесообразность вложения средств и возможность получения инвесторами дохода определяется с помощью показателей срока окупаемости инвестиций и уровня рентабельности.
Поток реальных денег от текущей финансовой деятельности, не связанной с реализацией оцениваемого проекта включает в себя следующие виды доходов и затрат (таблица 3.21):
Таблица 3.21 – Поток реальных денег от финансовой деятельности
|
Показатели |
Год |
|||||
|
0 |
1 |
2 |
3 |
4 |
5 |
|
|
1. Прирост соб. кап-ла |
1474755,87 |
1598179,87 |
1721603,87 |
1845027,87 |
1968451,87 |
|
|
2. Кредиты получ-ные |
5800000 |
|||||
|
3. Погашение |
1160000 |
1160000 |
1160000 |
1160000 |
1160000 |
|
|
4. Выплата дивидендов |
||||||
|
Эффект от фин. деятельности |
5800000 |
314755,87 |
438179,87 |
561603,87 |
685027,87 |
808451,87 |
3.4.5 Расчет показателей коммерческой эффективности проекта
Расчеты необходимые для определения коммерческой эффективности инновационного проекта можно провести с помощью следующей таблицы 22, где коэффициент дисконтирования определяется по формуле:
,
где t – шаг расчета, равный году расчета;t=0.1.2.3.4.5
E>n> – принятая норма дисконта, которая определяется по формуле:
=0,17+0,0072=0,177,
где E>t> – средняя ставка по депозитам в t-ом году расчетного периода;9%
I>t> – прогнозируемый темп инфляции в t-ом году расчетного периода.8%
Полученное значение коэффициента дисконтирования берется с точностью до шестого знака.
Таблица 3.22 – Расчет показателей коммерческой эффективности проекта
|
Показатели |
Год |
|||||
|
0-й |
1-й |
2-й |
3-й |
4-й |
5-й |
|
|
Эффект от инв. деятельности (стр.6 табл.17) |
-5800000 |
-257463,00 |
||||
|
Эффект от оп. деятельности (стр.14) |
1814019,87 |
1937443,87 |
2060867,87 |
2184291,87 |
2307715,87 |
|
|
Поток реальных денег (стр.2+стр.1) |
-5800000 |
1556556,87 |
1937443,87 |
2060867,87 |
2184291,87 |
2307715,87 |
|
|
1 |
0,849473 |
0,721605 |
0,612984 |
0,520714 |
0,442332 |
|
Дисконтированный поток реальных денег (текущая стоимость) (стр.3 |
-5800000 |
1322253,54 |
1398069,055 |
1263279,32 |
1137390,65 |
1020777,45 |
|
Нарастающим итогом |
-5800000 |
-4477746,45 |
-3079677,4 |
-1816398,07 |
-679007,41 |
341770,039 |
Динамику потока реальных денег покажем на графике с выделением эффекта от инвестиционной, операционной и финансовой деятельности (рисунок 3.2).

Рисунок 3.2 – Динамика потока реальных денег
Сумма дисконтированных денежных потоков будет составлять остаток ликвидных средств в соответствующий период.
На основе данных таблицы 22 производится расчет основных показателей эффективности проекта по следующим формулам.
Чистый дисконтированный доход (ЧДД) вычисляется по формуле:
=341770,0385
руб.,
где Р>t> – результаты, достигаемые на шаге расчета t;
З>t> – затраты, осуществляемые на том же шаге;
Т – горизонт расчета (равный номеру шага расчета, на котором производится ликвидация объекта).
Индекс доходности (ИД) определяется:
=341770,0385/5996266,95+1=1,06,
где ДСИ – дисконтированная стоимость инвестиций (сумма дисконтированных капиталовложений).
Внутренняя норма доходности (ВНД) определяется по формуле:
=20%,
где Е>1> – меньшая из двух ставок, при которой ЧДД>0;
Е>2> – большая из двух ставок, при которой ЧДД<0.
Разница между ставками не должна превышать двух-трех процентных пункта.
Срок окупаемости рекомендуется определять с учетом фактора времени (с дисконтированием). Результаты расчета оформим в виде таблицы 3.23.
Таблица 3.23 – Расчет срока окупаемости проекта
|
Показатели |
Год |
|||||
|
0-й |
1-й |
2-й |
3-й |
4-й |
5-й |
|
|
1. Денежные поступления (стр.3 табл.22) |
-58000000 |
1556556 |
1937443 |
2060867 |
2184291 |
2307715 |
|
2. Коэффициент дисконтирования |
1 |
0,849473 |
0,721605 |
0,612984 |
0,520714 |
0,442332 |
|
3. Текущая стоимость денежных поступлений (стр.1стр.2) |
-5800000 |
1322253 |
1398069 |
1263279 |
1137390 |
1020777 |
|
4. Текущая стоимость денежных поступлений нарастающим итогом (последовательное сложение сумм стр.3) |
-5800000 |
-4477746 |
-3079677 |
-1816398 |
-679007 |
341770 |
|
5. ДСИ |
5996266 |
|||||
|
Срок окупаемости |
||||||
|
лет |
4,67 |
|||||
|
месяцев |
56 |
Период времени, необходимый для возмещения инвестиций, (срок окупаемости) представим на графике с помощью гистограммы (рисунок 3.3).
Все рассчитанные показатели эффективности сведем в итоговую таблицу 3.24.ї
Таблица 3.24 – Основные показатели эффективности инвестиционного проекта
-
Показатели
Значение показателя
ЧДД, руб.
341770
ВНД, %
20
ИД
1,06
Срок окупаемости, лет
4,67
Выводы. Рассмотренный проект в целом является эффективным, со сроком окупаемости, превышающим 4,67 лет.
4. Безопасность жизнедеятельности и охрана окружающей среды
В данной главе рассмотрены опасные и вредные факторы, а также основные принципы обеспечения безопасности труда при производстве пассивных радиочастотных идентификационных меток. Рассмотрен также вопрос обеспечения экологической безопасности предприятия и возможные меры по уменьшению влияния различных видов загрязнений на окружающую среду.
4.1 Вредные и опасные факторы в цехе изготовления радиочастотных идентификационных меток на ПАВ. Охрана труда
Все факторы принято разделять на физические, химические, психофизиологические. Рассмотрим каждую из этих групп подробней и определим, какие меры необходимо предпринять для уменьшения воздействия того или иного фактора, либо его устранения применительно к нашему производству.
Физические опасные и вредные факторы
Шум относится к вредному фактору производства. Шум возникает при механических колебаниях в твердых, жидких и газообразных средах. Шумом являются различные звуки, мешающие нормальной деятельности человека и вызывающие неприятные ощущения. Звук представляет собой колебательное движение упругой среды, воспринимаемое человеческим органом слуха. Повышение звукового давления негативно влияет на орган слуха. Шум в 20 – 30 ДБ практически безвреден для человека, что соответствует естественному звуковому фону. Допустимая граница шумового воздействия, безопасная для человека составляет 80 ДБ. Шум в 130 ДБ уже вызывает у человека болевое ощущение, а достигнув 150 ДБ становится для него непереносимым.
При производстве радиочастотных идентификационных меток источниками шума являются: механический вакуумный насос установки УВН-75-П1 на участке напыления электродных структур метки, блок вакуумной откачки автоматической установки плазмохимического травления алюминия "Плазма-150 ПМ", шум вентиляционной системы, шумы электронных узлов установок и агрегатов очистки воздуха. При этом у операторов при повышенном шумовом фоне могут наблюдаться следующие симптомы: повышения кровяного давления, учащение пульса и дыхания, снижения остроты слуха, ослабления внимания, некоторые нарушения координации движения, снижения работоспособности. Субъективно действия шума могут выражаться в виде головной боли, головокружения, общей слабости.
Интенсивный шум способствует снижению внимания и увеличению числа ошибок при выполнении технологических операций.
Основным способом предотвращения негативного шумового воздействия является покрытие механического вакуумного насоса установки УВН-75-П1 и блока вакуумной откачки установки «Плазма-150 ПМ» звукоизолирующими кожухами. Кожухи могут быть съемными и разборными, с открывающимися дверцами, а также иметь проемы для ввода коммуникаций. Стенки кожуха выполняются из листовых несгораемых или трудносгораемых материалов (стали, дюралюминия, пластмасс). Внутренняя поверхность кожуха обязательно должна облицовываться звукопоглощающими материалами толщиной 30 - 50 мм для повышения его эффективности. Стенки кожуха не должны соприкасаться с изолируемым агрегатом.
Определим звукоизолирующую способность кожуха механического вакуумного насоса установки УВН-75-П1 и блока вакуумной откачки установки «Плазма-150 ПМ» на частоте f = 4000Гц при следующих заданных параметрах:
– размеры кожуха l х b х h=1500х600х1000 мм;
– материал и толщина кожуха – алюминиевый сплав, δ = 1 мм;
– внутренняя поверхность кожуха облицована звукопоглощающим материалом марки БЗМ толщиной δ = 50 мм;
– кожух имеет 4 отверстия диаметром D = 100,100,200,200 мм;
– уровень шума в точке, отстоящей от его поверхности на расстоянии r = 0,5 м составляет на частоте 4000 Гц 70 дБ.
Двигатель насоса и блок вакуумной откачки установлены в помещении производственного участка размером 15х10х3,5м. Определим уровень шума в этом помещении на том же расстоянии r после покрытия стен помещения звукопоглощающим материалом – плитой «Силакпор» [24].
Для частоты f = 4000 Гц находим постоянную распространения γ>m> и волновое сопротивление ω:
γ>m> = 37,0 + j 78,0 = β>m> + j α>m>, (4.1)
ω = 1,94 – j 0,86= ω>г> + j ω>i>. (4.2)
Определяем акустический импеданс звукопоглощающего материала, закрепленного непосредственно на стенках кожуха:
Z>00
>=
ωth
γδ
= R>a>
+ jX>сл>
(4.3)
sh γ>m>δ= sh (β>m> + jα>m> )δ = sh β>m>δ cos α>m>δ + j ch β>m>δ sin α>m>δ =
= sh 1,85 cos 3,9 + j ch 1,85 sin 3,9 =
=3,101 · (-0,726) + j 3,259 · (-0,688) = -2,25 - j 2,24 = 3,17 ej44°78´.
При этом учитываем следующие соотношения:
a + bi = r · eiφ, (4.4)
r
=
,
(4.5)
cos φ = a/r. (4.6)
Рассчитываем:
β>m>δ = 37,0 · 0,05 = 1,85,
α>m>δ = 78,0 · 0,05 = 3,9,
chγ>m>δ = ch β>m>δ cos α>m>δ + jshβ>m>δ sin α>m>δ = ch 1,85 cos 3,9 + jsh1,85sin 3,9=
3,259 · (-0,726) + j 3,101 (-0,688)= -2,37-j 2,13 = 3,19ej42°01´.
Z>00 >= 2,12e- j23°78´×3,17 ej44°78´/3,19ej42°01´=2,11 ej21°01´=2,11 cos 21°01´ - j2,11 sin 21°01´ =2,11 · 0,93 + j2,11 · 0,36 = 1,96 + j 0,76 = R>a> + jX>сл> .
Определим коэффициент звукопоглощения α по:
.
Площадь всей внутренней поверхности кожуха:
S>кож> = 1,5 · 0,6 · 2 + 1,5 · 1 · 2 + 0,6 · 1 · 2 = 1,8+3+1,2=6 м2.
Площади отверстий:
S>01> = S>02> = π D2/4 = π · 0,12/4 = 0,0078 м2 .
S>03> = S>04> = π D2/4 = π · 0,22/4 = 0,0314 м2 .
Определим площадь поверхности кожуха, облицованного звукопоглощающим материалом:
S´>кож> = K · (S>кож> – S>01> – S>02>– S>03>– S>04>) = 1 · (6– 2·0,0078 – 2·0,0314) = 6-0,0156-0,0628=5,92 м2.
Звукоизолирующая способность кожуха для частоты звуковых колебаний f= 4000 Гц R>s>≈31 дБ.
Определяем средний коэффициент звукопоголощения внутри кожуха:
α>ср кож> = α S´>кож>/S>кож> = 0,84 · 5,92 / 6 = 0,83.
Рассчитаем величину, учитывающую влияние звукопоглощения внутри кожуха на его звукоизолирующую способность:
R>α>=10lg(1/ α>ср кож>)=0.81 дБ.
Определим поправку ∆R>0>, учитывающую влияние двух отверстий на звукоизолирующую способность кожуха:
∆R>0> = 10 lg (1 + φ>1> (S>01>/S>кож>) 100,1Rs + φ>2> (S>02>/S>кож>) 100,1Rs+ φ>3> (S>03>/S>кож>) 100,1Rs+φ>4> (S>04>/S>кож>) 100,1Rs) = 10 lg (1+ 10 (0,0078/6) 100,1 · 31 +10 (0,0078/6) 100,1·31+10 (0,0314/6) 100,1 · 31+10 (0,0314/6) 100,1 · 31)= 22,2 дБ.
Коэффициенты φ>1>, φ>2>, φ>3>, φ>4> выбираем равными 10.
Расчет звукоизолирующей способности кожуха на частоте f = 4000 Гц имеет вид:
R>кож> = R>s>> >- R>α>> >- ∆R>0> = 31 – 0,81 – 22,2 ≈ 8 дБ.
Определим уровень шума агрегата на частоте f = 4000 Гц и на расстоянии 0,5 м при помещении его в кожухе:
L>кож> = L – R >кож>= 70 – 8 = 62 дБ.
Звукопоглощение помещения до использования звукопоглощающих материалов:
А>1> = Σα>i> · S>i> = 2 · 0,09 · 15 · 10 +2 · 0,09 · 15 · 3,5 +2 · 0,09 · 10 · 3,5= =27+9,45+6,3= 42,75 сэбин.
Звукопоглощение помещения после внесения звукопоглотителя (плита «Силакпор»):
A>2 >= A>1> + Σα>i> · S>i> = 42,75+2·0.71·15·10+2·0.71·15·3.5+2·0.71·10·3.5= =42,75+213+74,55+49,7= 380 сэбин
Вычислим уменьшение уровня шума в помещении после его отделки звукопоглотителем:
∆L = 10 lg A>2>/A>1> = 10 lg 380/42,75 = 9,49 дБ.
Определеним шум агрегата после отделки помещения звукопоглотителем:
L>2> = L>1> - ∆L = 62 – 9,49 = 52,51 дБ.
Таким образом, при использовании защитного кожуха и обработки помещения звукопоглощающими материалами, уровень шума снизится практически на 10 дБ.
При производстве радиочастотных идентификационных меток используется современное оборудование («Плазма-150 ПМ»), либо модернизированное (УВН-75-П1), позволяющее оператору осуществлять дистанционный контроль при выполнении операций с помощью ЭВМ. Поэтому на пути следования шума возможно применение акустических экранов, отгораживающих источник шума от соседнего рабочего места. Экраны изготавливают из стальных или алюминиевых листов толщиной 1,5¸2 мм. Листы облицовывают звукопоглощающим материалом толщиной не менее 50 мм.
Акустическая обработка помещения – это облицовка стен и потолка звукопоглощающими материалами, а также размещение в помещении штучных поглотителей, представляющих собой свободно подвешиваемые объемные поглощающие тела различной формы.
Под звукопоглощением понимают свойство поверхностей уменьшать интенсивность отраженных ими волн за счет преобразования звуковой энергии в тепловую.
Для акустической обработки могут быть применены однородные пористые материалы, критерием выбора которых является соответствие максимума в частотной эффективности материала максимуму в спектре снижаемого шума в помещении.
Акустически обработанные поверхности помещения уменьшают интенсивность отраженных звуковых волн, что приводит к снижению шума в зоне отраженного звука; в зоне прямого звука эффект акустической обработки значительно ниже.
Звукопоглощающая облицовка размещается в верхних частях стен таким образом, чтобы акустически обработанная поверхность составляла не менее 60% от общей площади ограничивающих помещение поверхностей. При производстве радиочастотных идентификационных меток целесообразно рассмотреть применение звукопоглощающего подвесного потолка.
Если площадь поверхностей, на которых возможно размещение звукопоглощающей облицовки мала, или конструктивно невозможно выполнить облицовку на ограждающих поверхностях, то применяются штучные звукопоглотители. Такие поглотители могут применяться на пути распространения шума вентиляционной системы.
Вибрация
Вибрацией называют колебательное движение, вызванное работающими электродвигателями, двигателями мощных насосов и др. Вибрация возникает вследствие несовершенства их конструкции технических устройств, неправильной эксплуатации, внешних условий. Как правило, шум является следствием вибрации, и оба фактора приводят к снижению производительности труда, виброболезни, ухудшению самочувствия.
Вибрацию от двигателя насоса УВН-75-П1, автомата дисковой резки ЭМ-2065, а также блока вакуумной откачки установки «Плазма-150 ПМ», можно снизить путем его установки на основания из твёрдокаменных пород. Также необходимо использовать демпфирующие прослойки из резины.
Электромагнитные поля и излучение
Электромагнитное поле (ЭМП) радиочастот, характеризуется способностью нагревать материалы; распространяться в пространстве и отражаться от границы раздела двух сред; взаимодействовать с веществом. Источниками ЭМП радиочастотного диапазона являются: высокочастотные генераторы и преобразователи для получения высокого напряжения; контрольно-измерительная аппаратура; шкафы автоматизации и управляющие ЭВМ.
Источниками электромагнитных полей (ЭП) промышленной частоты являются: всё производственное оборудование, измерительные приборы, работающие от сети 50 Гц.
Оператор находится в зоне воздействия электромагнитных полей во время работы с оборудованием, а так же при его настройке и ремонте.
При оценке условий труда учитываются время воздействия ЭМП и характер облучения работающих.
При воздействии ЭМП на биологический объект происходит преобразование электромагнитной энергии внешнего поля в тепловую, что сопровождается повышением температуры тела или локальным избирательным нагревом тканей, органов, клеток, особенно с плохой терморегуляцией (хрусталик, стекловидное тело, семенники и др.). Тепловой эффект зависит от интенсивности облучения.
Действие ЭМП радиочастот на центральную нервную систему при плотности потока энергии (ППЭ) более 1 мВт/см2 свидетельствует о ее высокой чувствительности к электромагнитным излучениям. Однако наблюдаемые реакции отличаются большой вариабельностью и фазным характером, включая условнорефлекторные и поведенческие реакции.
Изменения в крови наблюдаются, как правило, при ППЭ выше 10 мВт/см3. При меньших уровнях воздействия наблюдаются фазовые изменения количества лейкоцитов, эритроцитов и гемоглобина (чаще лейкоцитоз, повышение эритроцитов и гемоглобина). При длительном воздействии ЭМП происходит физиологическая адаптация или ослабление иммунологических реакций.
Поражение глаз в виде помутнения хрусталика — катаракты является одним из наиболее характерных специфических последствий воздействия ЭМП в условиях производства. Помимо этого следует иметь в виду и возможность неблагоприятного воздействия ЭМП-облучения сетчатку и другие анатомические образования зрительного анализатора.
ЭМП радиочастот в диапазоне частот 60 кГц—300 МГц оценивается напряженностью электрической и магнитной составляющих поля; в диапазоне частот 300 МГц—300 ГГц поверхностной плотностью потока энергии (ППЭ) излучения и создаваемой им энергетической нагрузкой (ЭН).
Максимальное значение ППЭ не должно превышать 10 Вт/м2 (1000 мкВт/см2).
При длительном хроническом воздействии ЭП токов промышленной частоты возможны субъективные расстройства в виде жалоб невротического характера, проявляющиеся к концу рабочей смены.
Средства и методы защиты от ЭМП делятся на три группы: организационные, инженерно-технические и лечебно-профилактические.
Организационные мероприятия предусматривают предотвращение попадания людей в зоны с высокой напряженностью ЭМП или кратковременное пребывание в них.
Инженерно-техническая защита, сводятся к следующему: электрогерметизация элементов схем, блоков, узлов установки УВН-75-П1, так как они являются основными источниками ЭМП радиочастотного диапазона при производстве меток и требуют доработки; защита рабочего места от облучения путем экранирования отражающими или поглощающими обязательно заземленными экранами. Рабочее место оператора целесообразно удалить на безопасное расстояние от источника излучения путем модернизации установки и применения управляющей ЭВМ.
Лечебно-профилактические мероприятия должны быть направлены прежде всего на раннее выявление нарушений в состоянии здоровья работающих. Для этой цели предусмотрены предварительные и периодические медицинские осмотры лиц, работающих в условиях воздействия СВЧ — 1 раз в 12 месяцев, УВЧ и ВЧ-диапазона— 1 раз в 24 месяца.
Электробезопасность
При воздействии электрического тока на организм человека происходят нарушения основных физиологических функций организма – дыхания, работы сердца, обмена веществ. Электрические травмы – это местные поражения тканей организма, которые делятся на электрические ожоги, электрические знаки, металлизация кожи и механические повреждения. Чаще всего у человека, пострадавшего от электричества наблюдается одновременно несколько видов поражения.
По степени опасности поражения электрическим током помещение, где производятся радиочастотные идентификационные метки, относится к помещениям без повышенной опасности, которые характеризуются нормальной температурой и влажностью, отсутствием пыли, наличием нетокопроводящих полов.
Источники опасности возникают: при наличии электрического потенциала на корпусе не заземленного технологического оборудования; во время проведения процессов ремонта и наладки установок, когда сняты защитные крышки и кожухи.
Меры по защите от возможного поражения электрическим током:
1) изоляция проводов и изоляция корпуса оборудования;
2) информационные таблички (с предупреждением);
3) обеспечение недоступность токоведущих частей для случайного прикосновения;
4) заземление всего производственного оборудования;
5) возможность автоматического отключения повреждённых сетей при авариях.
6) при ремонте оборудования необходимо использовать ручной инструмент с диэлектрическими рукоятками для работ с U ≤ 1000 В, диэлектрические перчатки.
Пожаро- и взрывоопасность.
Согласно СНиП, производство радиочастотных идентификационных меток по степени взрывопожароопасности относится к категории «Б». Эта категория содержит в себе производства, в которых используются горючие жидкости (растворители, ацетон, смачиватель ОП 10, применяемые для очистки подложек; азотная кислота (операция травления), при контакте со многими горючими материалами вызывает их самовозгорание) с температурой вспышки выше 28 и до 61°С включительно.
Незащищенным источником нагрева легковоспламеняющихся веществ, применяющихся для очистки пластин ниобата лития от загрязнений, служит установка химической очистки «Лада-М», где происходит их нагрев до 160 0С. При неправильной эксплуатации данного оборудования или при неисправности узлов, либо повреждении токоведущих частей возможно возгорание.
Операция напыления алюминиевой пленки производится на УВН-75-П1 , для которой необходимо создание вакуума в рабочей камере. Данная технологическая операция требует создания инертной среды при помощи аргона и продувки камеры сухим водородом для предотвращения окисления алюминиевой пленки. Баллоны, содержащие водород и аргон находятся под давлением и взрывоопасны.
На установке вакуумного напыления и на автоматической установке плазмохимического травления алюминия "Плазма-150 ПМ" имеются криосорбционные ловушки, использующие жидкий азот. Во время повреждения шлангов для подачи вещества в установку, а также при разрушении сосуда Дьюара может происходить конденсация на охлажденных жидким азотом поверхностях кислорода и возгорание при контакте с горючими материалами. Для уменьшения вероятности таких аварий необходима надежная изоляция проводов электропитания установок для исключения их повреждения износо- и влагостойкими материалами. Перед началом эксплуатации установок УВН-75-П1, «Плазма-150 ПМ» необходима проверка на герметичность рабочей камеры. Баллоны с водородом и аргоном следует хранить вдали от возможных источников воспламенения и тепла в специальном шкафу и внимательно следить за их состоянием и давлением газа.
Также необходимо следить за состоянием труб и шлангов, соединяющих баллоны с установкой, и вовремя выявлять утечки. Перед проведением работ необходимо проверять внешним осмотром исправность сосудов Дьюара, подсоединительных шлангов, запорной арматуры. В производственном помещении обязательно должны быть средства пожаротушения, не вызывающие замыканий (химпенные ОХП-10 и углекислотные ручные ОУ-5, ОУ-8).
Нормирование микроклимата
Нормирование микроклимата в рабочих помещениях осуществляется в соответствии с санитарными правилами и нормами, изложенными в “СанПиН 2.2.4.548-96. Гигиенические требования к микроклимату производственных помещений”.
Факторы, нарушающие микроклимат: нагревающиеся поверхности работающего оборудования (ЭВМ и электронные системы управления, камера вакуумного напыления, рабочая камера установки плазмохимического травления, установка химобработки, шкаф для сушки подложек); нагрев растворителей, кислот и щелочей для ускорения химических реакций очистки подложек от загрязнений; испарение жидких веществ (вода для уборки и промывки изделий, очищающие растворы и жидкости); присутствие людей.
При температуре воздуха более 30 0С работоспособность человека начинает падать. Переносимость человеком температуры в значительной мере зависит от влажности и скорости окружающего воздуха.
Влажность воздуха оказывает большое влияние на терморегуляцию организма. Повышенная влажность (более 85%) затрудняет терморегуляцию, а низкая (ниже 20%) вызывает пересыхание слизистых оболочек. Движение воздуха в помещениях является важным фактором, влияющим на самочувствие человека. В жарком помещении движение воздуха способствует увеличению отдачи теплоты организмом и улучшает его состояние, но оказывает неблагоприятное воздействие при низкой температуре воздуха.
Оптимальные микроклиматические условия обеспечивают ощущение теплового комфорта в течение рабочей смены, не вызывают отклонений в состоянии здоровья, поддерживают высокий уровень работоспособности.
В производственных помещениях при производстве радиочастотных меток должны обеспечиваться оптимальные параметры микроклимата для категории работ «1а» и «1б» в соответствии с действующими санитарно-эпидемиологическими нормативами микроклимата. К этим категориям относятся работы с интенсивностью энергозатрат до 150 ккал/ч, производимые сидя, стоя или связанные с ходьбой и сопровождающиеся некоторым физическим напряжением. Оптимальные параметры микроклимата должны быть соблюдены в соответствии со значениями, указанными в таблице 4.1.
Таблица 4.1 - Оптимальные величины показателей микроклимата на рабочих метах производственных помещений
|
Период года |
Категория работ по уровню энергозатрат, Вт |
Температура воздуха, оС |
Температура поверхностей, оС |
Относительная влажность, % |
Скорость движения воздуха, м/с |
|
Холодный |
Iа (до 139) Iб (140-174) |
22-24 21-23 |
21-25 20-24 |
60-40 60-40 |
0,1 0,1 |
|
Теплый |
Ia (до 139) Iб (140-174) |
23-25 22-24 |
22-26 21-25 |
60-40 60-40 |
0,1 0,1 |
Принимаемые меры по нормированию микроклимата:
В холодный период года температура и влажность поддерживается регулируемой системой водяного отопления от городской ТЭЦ.
В теплое время года для нормирования температуры и влажности воздуха используется кондиционирование с равномерной подачей воздуха.
Использование искусственной местной и общей вентиляции. для поддержания нормальных, соответствующих нормам условий микроклимата, а так же для уменьшения концентрации вредных химических веществ в воздухе. Установки резки пластин ниобата лития, фотолитографии, химической обработки, имеют герметичные крышки, таким образом, источник производственных вредностей заключён внутри пространства. В них установлены собственные вытяжные воздухопроводы.
Обязательна спецодежда рабочих.
Химические вредные и опасные факторы производства.
Химические вещества, используемые на стадии предварительной очистки подложек ниобата лития:
Ацетон.
Легковоспламеняющая жидкость. Слаботоксичен. Ацетон обладает возбуждающим и наркотическим действием, поражает центральную нервную систему, способен накапливаться в организме, в связи с чем токсическое действие зависит не только от его концентрации, но и от времени воздействия на организм. Для человека ЛД>50> оценивается в 1.159 г/кг. ПДК 200 мг/м3.
Химические вещества, используемые на стадии окончательной очистки подложек ниобата лития.
Сода кальцинированная техническая (натрий углекислый, карбонат натрия)
Техническая кальцинированная сода пожаро- и взрывобезопасна, по степени воздействия на организм относится к веществам 3-го класса опасности [25].
Вдыхание пыли может вызвать раздражение дыхательных путей, конъюнктивит. При длительной работе с растворами возможны экземы; концентрированный раствор при попадании в глаза может вызвать ожег, невроз, а в последующем – помутнение роговицы. Едкий при увлажнении.
Тринатрийфосфат (трехзамещенный фосфорнокислый натрий)
Тринатрийфосфат пожаро- и взрывобезопасен, обладает щелочными свойствами, по степени воздействия на организм относится к веществам 2-го класса опасности. Плавится при температуре 70°С.
Пыль вызывает раздражение слизистых оболочек глаз и верхних дыхательных путей, а также изменение кожных покровов типа дерматитов и экзем.
Натрия метасиликат
Метасиликат натрия пожаро- и взрывобезопасен, по степени воздействия на организм относится к веществам 2-го класса опасности.
При попадании на влажную кожу, слизистые оболочки и особенно глаза вызывает химические ожоги. Вдыхание метасиликата натрия вызывает изменения в легких – силикоз. При пожаре возможны ожоги.
Смачиватель ОП-10
Смачиватель ОП-10 является пожароопасным, по степени воздействия на организм относится к веществам 3-го класса опасности. Воспламеняется от открытого пламени при нагревании
Опасен при проглатывании. Вызывают раздражение кожи и глаз. Имеют аллергенное действие. Попадание на кожу вызывает контактный дерматит. При попадании в глаза развивается конъюктивит.
Натрий едкий технический (сода каустическая, натрия гидрат окиси технический, гидрат окиси натрия, едкий натрий, гидроокись натрия, гидроксид натрия, натр едкий, натриевая щелочь) применяется на стадии очистки металлизированной подложки пьезоэлектрика от окислов.
Технический едкий натрий пожаро- и взрывобезопасен, по степени воздействия на организм относится к веществам 2-го класса опасности.
При попадании на кожу вызывает химические ожоги, а при длительном воздействии может вызвать язвы и экземы. Сильно действует на слизистые оболочки. Опасно попадание в глаза. Опасен при вдыхании, проглатывании, попаданию на кожу и слизистые оболочки. Вызывает кашель, стеснение в груди, насморк, слезотечие, долго не заживающие ожоги слизистой оболочки полости рта, пищевода, желудка и тяжелые ожоги слизистой глаз до потери зрения.
На стадии травления алюминиевой пленки применяются следующие химические вещества:
Ортофосфорная кислота термическая техническая.
Ортофосфорная кислота пожаро- и взрывобезопасная, негорючая жидкость относится к веществам умеренной куммулятивности. При контакте с кожей вызывает ожоги, воспалительные заболевания кожи, при вдыхании кашель, при попадании в глаза жжение. Класс опасности – 2.
Уксусная кислота ледяная.
Раздражает глаза и дыхательные пути, вызывает ожоги кожи.
Азотная киcлота.
Свойства: азотная кислота токсична, сильный окислитель. При контакте со многими горючими материалами вызывает их самовозгорание.
Также на участках резки, шлифовки и полировки пластин ниобата лития образуется мелкодисперсная пыль, а также смеси пыли с полирующими порошками, которые при попадании в органы дыхания человека также могут оказать негативное воздействие. Предупредительные меры: максимальная механизация и автоматизация производства радиочастотных идентификационных меток (использование современной установки химической очистки 'Лада-М' исключает непосредственный контакт оператора с химическими реактивами, их подача в рабочую зону и удаление из нее осуществляется автоматически). Так как камера установки не герметична целесообразно установить местную вытяжную вентиляцию для исключения распространения легколетучих соединений по всему помещению. Автоматическая установка плазмохимического травления алюминия "Плазма-150 ПМ" в своем составе также имеет вытяжную вентиляцию. Автомат дисковой резки ЭМ-2065 герметичен и оснащен собственной автоматической системой отмыва полученных после резки кристаллов в дистиллированной воде. Участки шлифовки и полировки пластин целесообразно оснастить местной вентиляцией.
Среди рабочих необходимо проводить частые медосмотры, они должны быть обеспечены чистыми столовыми и душевыми, необходима также выдача и регулярная очистка современной спецодежды;
Для своевременного оказания первой помощи при поражении химическими реактивами в процессе их транспортировки к месту проведения операции, а также при их загрузке-выгрузке, требуется наличие медпункта на предприятии.
Кроме того, необходимо обучение рабочего персонала правилам обращения с опасными и вредными химическими веществами, а также методам по предотвращению и устранению чрезвычайных ситуаций с использованием этих веществ.
Также обязательно наличие емкости с песком для нейтрализации кислот и щелочей, герметичных шкафов для хранения реактивов с вытяжкой, а также наличие средств пожаротушения.
Производственное освещение
Равномерное распределение яркости в поле зрения имеет важное значение для поддержания работоспособности человека. Если в поле зрения постоянно находятся поверхности, значительно отличающиеся по яркости (освещенности), то при переводе взгляда с ярко- на слабоосвещенную поверхность глаз вынужден переадаптироваться. Частая переадаптация ведет к развитию утомления зрения и затрудняет выполнение производственных операций.
Необходимые уровни освещенности нормируются в соответствии со СНиП 23-05-95. К гигиеническим требованиям, отражающим качество производственного освещения, относятся:
- равномерное распределение яркостей в поле зрения и ограничение теней;
- ограничение прямой и отраженной блесткости;
- ограничение или устранение колебаний светового потока.
В производственном помещении используется 3 вида освещения: естественное (источником его является солнце), искусственное (когда используются только искусственные источники света); совмещенное или смешанное (характеризуется одновременным сочетанием естественного и искусственного освещения).
Для работ в дневное время используется совмещенное естественное освещение: верхнее - через световые фонари в перекрытиях и боковое - через светопроемы (окна) окна.
При недостаточном естественном освещении следует применять комбинированное освещение - сочетание естественного и искусственного света. Искусственное освещение в системе комбинированного может функционировать постоянно (в зонах с недостаточным естественным освещением) или включаться с наступлением сумерек.
В качестве источников общего искусственного освещения следует применять преимущественно люминесцентные лампы типа ЛБ и компактные люминесцентные лампы (КЛЛ).. При этом светильники должны быть с зеркальными параболическими решетками, укомплектованными электронными пускорегулирующими аппаратами (ЭПРА). Допускается использование многоламповых светильников. Светильники должны быть снабжены рассеивателями и экранирующими решетками.
Вспомогательное и управляющее оборудование имеет большое количество индикаторов, кнопок и переключателей, требующих дополнительной подсветки. Такое оборудование необходимо разместить напротив оконных проемов. При недостаточном освещении наряду с общим освещением следует применять местное освещение, осуществляемое с помощью светильников местного освещения с применением ламп накаливания, в том числе галогенных.
Аварийное освещение устраивается в производственных помещениях и на открытой территории для временного продолжения работ в случае аварийного отключения рабочего освещения (общей сети). Оно должно обеспечивать не менее 5% освещенности от нормируемой при системе общего освещения.
Для предотвращения нарушений нормирования производственного освещения следует проводить чистку стёкол оконных рам и светильников не реже двух раз в год и проводить своевременную замену перегоревших ламп.
Рабочее место оператора ПЭВМ должно быть ориентировано боковой стороной к световым проемам. Освещение не должно создавать бликов на поверхности экрана и освещенность не должна быть более 300 лк.
Психофизиологические факторы
Вследствие напряженной деятельности операторов установок, при их большой ответственности и насыщенности техникой и людьми существует опасность возникновения нервных перегрузок, утомления, стрессов среди рабочего персонала.
Наиболее эффективные методы снижения утомляемости рабочих - это снижение рабочих часов (следствие-увеличение кадров), автоматизация наиболее трудоёмких процессов (при изготовлении радиочастотных идентификационных меток автоматизированы все процессы, за исключением транспортировочных и загрузочных операций), обеспечение успокаивающего досуга (соответствующий сервис, рабочие объединения, для нуждающихся - наличие психолога и невропатолога при предприятии).
4.2 Экологические аспекты БЖД
Виды отходов при производстве радиочастотных идентификационных меток на ПАВ: твердые, жидкие, газообразные [26].
Твердые отходы: материалы, образующиеся при резке, шлифовке, полировке пластин ниобата лития.
Утилизация: все бракованные и отработанные материалы тщательно собираются и упаковываются и затем отправляются на специализированные предприятия, или предприятие-поставщик подложек ниобата лития на переработку. Излишки алюминия или его россыпь могут быть повторно вовлечены в технологический процесс.
Жидкие отходы: отработанное масло (образующееся при чистке вакуумных насосов), использованная после промывки подложек вода, отработанные кислые и щелочные воды.
Утилизация: транспортировка веществ в специализированные организации по утилизации и переработке.
Газообразные вещества образуются при технологической операции напыления алюминиевой пленки в среде аргона и при пайке антенны устройства к корпусу. К этой же группе отходов можно отнести и технологическую пыль.
Основное направление защиты воздушного бассейна от загрязнений вредными веществами – создание новой безотходной технологии с замкнутыми циклами производства и комплексным использованием сырья. Наиболее целесообразны при очистке газов адсорбционные, абсорбционные и каталитические методы.
Очистка газов от взвешенных частиц, например, пыли осуществляется следующими методами:
- гравитационное оседание;
- центрифугирование;
- электростатическое оседание;
- инерционное соударение;
- прямой захват;
- диффузия.
Все процессы очистки осуществляются с помощью специальных фильтров, скрубберов и т.д. в составе вентиляционной системы.
В процессе деятельности предприятия образуются сточные воды, которые также могут оказать негативное влияние на экологическую обстановку. Одним из способов решения данной проблемы является создание и проектирования бессточных технологических схем:
1 Разработка научно обоснованных требований к качеству воды, используемой во всех технологических процессах и операциях. Нет необходимости в использовании воды питьевого качества.
2 Максимальное внедрение систем воздушного охлаждения вместо водного. Здесь большую роль сыграло бы внедрение агрегатов большой единичной мощности. При этом высокоэнергетическое тепло используется для технологических целей, а низкоэнергетическое – для обогрева. Так, например, в результате внедрения установок воздушного охлаждения на предприятиях нефтепереработки потребление воды в среднем сократилось на 110–160 млн м3/год (Омский нефтеперерабатывающий завод и др.).
3 Размещение на промышленных площадях комплекса производств (так называемых территориально-производственных комплексов – ТПК) должно обеспечить возможность многократного (каскадного) использования воды в технологических процессах и операциях.
4 Последовательное многократное использование воды в технологических операциях должно по возможности обеспечить получение небольшого объема максимально загрязненных сточных вод.
5 Использование воды для очистки газов от водорастворимых соединений целесообразно только тогда, когда из газов извлекают, а затем утилизируют ценные компоненты.
6 Применение воды для очистки газов от твердых частиц допустимо только в замкнутом цикле.
Очистка сточных вод:
1. Механическая очистка стоков: отстой сточных вод в специальных отстойниках, в которых происходит оседание взвешенных частиц на дно отстойников; сбор нефтепродуктов и других нерастворимых в воде жидкостей с поверхности стоков устройствами типа механических рук и, наконец, фильтрация вод через слой песка примерно 1,5-метровой толщины.
2. Химическая, или реагентная, очистка
а) Реакции нейтрализации.
б) Реакции окисления-восстановления.
3. Биохимическая очистка
а) Аэробная биохимическая очистка
б) Анаэробная биохимическая очистка.
4. Обеззараживание воды озонированием.
5. Специальные методы очистки воды применяют для обессоливания сточных вод.
а) Дистилляция (выпаривание)
б) Вымораживание.
в) Мембранный метод.
г) Ионный обмен.
6. Удаление остаточных органических веществ
После биохимической очистки могут остаться органические вещества, плохо усваиваемые микроорганизмами. Лучший способ их удаления – адсорбция активированным углем, который затем регенерируется при нагревании.
5. Обеспечение безопасности объекта ООО НПЦ «ЭЛИОН» в чрезвычайных ситуациях
Задача: Оценить устойчивость объекта в условиях проникающей радиации и радиационного загрязнения местности после ядерного взрыва.
Таблица 5.1 - Исходные данные
|
№ варианта |
Уровень радиации через 3 часа после взрыва (Р) |
Средняя скорость ветра, м/с |
Максималь-ная продол-жительность рабочей смены |
Допустимая доза облучения рабочих, Р |
Расстояние до эпицентра взрыва, км |
|
4 |
150 |
2 |
8 |
10 |
12 |
При оценке радиационной обстановки решаются следующие основные задачи:
Определение устойчивости объекта экономики от радиоактивного заражения местности.
Определение режимов радиационной защиты рабочих и служащих и производственной деятельности объекта экономики.
Определение возможных радиационных потерь (поражений) в зонах радиоактивного заражения.
5.1 Определение устойчивости объекта к радиоактивному заражению местности
Определение степени защищенности рабочих и служащих, коэффициента ослабления дозы радиации К>осл> каждого здания, сооружения и убежища, в которых будет работать или укрываться производственный персонал
Предприятие ООО НПЦ «ЭЛИОН» расположено в производственном и административном трехэтажном здании и согласно таблице 5.2 имеет коэффициент ослабления доз проникающей радиации K>осл> = 4.
Таблица 5.2 - Коэффициент ослабления доз радиации зданиями, сооружениями и транспортными средствами К>осл.>.
|
Здания, сооружения, транспортные средства |
От радиоактивного заражения |
От проникающей радиации |
||
|
Окна выходят на улицу шириной |
Окна выходят на открытую площадь протяженностью более 150 м |
|||
|
15…30 м |
30…60 м |
|||
|
Производственные одноэтажные здания (цехи) |
7 |
7 |
7 |
5 |
|
Производственные и административные трехэтажные здания 1-й этаж 2-й этаж 3-й этаж |
6 |
6 |
6 |
4 |
|
5 |
5 |
5 |
||
|
7,5 |
7,5 |
7,5 |
||
|
6 |
6 |
6 |
||
|
Перекрытые щели |
40…50 |
40…50 |
40…50 |
25…30 |
|
Здания, сооружения, транспортные средства |
От радиоактивного заражения |
От проникающей радиации |
||
|
Окна выходят на улицу шириной |
Окна выходят на открытую площадь протяженностью более 150 м |
|||
|
15…30 м |
30…60 м |
|||
|
Противорадиационные типовые укрытия |
150…500 |
150…500 |
150…500 |
80…300 |
|
Автомобили, автобусы, троллей- бусы, трамваи, грузовые вагоны |
2 |
2 |
2 |
1 |
|
Пассажирские вагоны |
3 |
3 |
3 |
1,2 |
|
Кабины бульдозеров, экскаваторов, бронетранспортеров |
4 |
4 |
4 |
2 |
Также на территории предприятия находится типовое противорадиационное укрытие с коэффициентом ослабления от проникающей радиации K>осл> = 80.
Определение доз облучения, которые может получить производственный персонал при воздействии радиоактивного заражения за время максимальной продолжительности рабочей смены
Ввиду близости физических процессов, протекающих при ядерных взрывах различной мощности и природы (деления или синтеза ядер), коэффициент скорости распада образовавшейся смеси радионуклидов при ядерных взрывах постоянен и равен n=1,2.
За опорный уровень радиации при ядерном взрыве примем уровень на 1 час после взрыва:
,3
Р/ч
Определим время начала работ в условиях заражения от момента взрыва:
t>н>>
= >
2,6ч=2ч
36 мин.,
где t>вып> – время выпадения радиоактивных веществ (в среднем составляет 1 час);
R – расстояние до взрыва;
V>с.в.>– средняя скорость ветра.
Учитывая максимальную продолжительность рабочей смены, которая составляет 8 часов, найдем время окончания работ:
t>к>=t>н>+t>р>=2,6+8=10,6 ч.
Расчитаем дозу излучени, получаемую рабочими в здании цеха в течении рабочей смены:
Д>зд.>
=
=
=
147 Р.
Д>уб.>
=
=
=
7 Р.
Определение допустимого времени начала работ (допустимого времени начала преодоления зон радиоактивного заражения)
При ядерном взрыве доза облучении, получаемая людьми за время из пребывания на загрязненной местности рассчитывается как:
Д =
(5.1)
Из этого выражения определим величину α:
α
=
-
в случае нахождения рабочих на территории
предприятия;
α
=
-
в случае нахождения рабочих в убежище;
α
=
-
при преодолении людьми зон радиоактивного
заражения.
По таблице 5.3 значений величины α определяем время начала работ при продолжительности в 8 ч.
Таблица 5.3 - Таблица значений величины «а» для n = 1,2
|
t>н> |
Т |
|
8 |
|
|
2 |
0,835 |
|
3 |
1,089 |
|
4 |
1,338 |
|
5 |
1,586 |
|
6 |
1,836 |
|
24 |
6,754 |
|
48 |
14,29 |
|
72 |
22,56 |
|
96 |
31,38 |
|
120 |
40,63 |
|
168 |
60,18 |
Для здания: допустимое время начала работ t>н> = 47,156 ч, допустимая продолжительность пребывания рабочих в цехе Т=8ч.
Для убежища: t>н> = 2,925 ч., Т=8ч.
На открытой местности: t>н> = 157,983 ч, Т=8ч.
Определение предела устойчивости цеха в условиях радиоактивного заражения
Предельное значение уровня радиации, Р/ч, на объекте, при котором еще возможна производственная деятельность в обычном режиме (двумя полными сменами, полный рабочий день и при этом персонал не получит дозу более установленной).


=38
Р/ч
Ввиду того, что Р>1 >>lim> < P>1> объект не устойчив к проникающей радиации.
Устанавливаем наличие на объекте материалов, приборов, аппаратуры, чувствительных к воздействию радиации, и степень их возможного повреждения при ожидаемой дозе излучения.
На предприятии имеется электронное оборудование, оптические приборы, фотоматериалы и др, которые подвержены влиянию проникающей радиации. Продолжительное и непрерывное воздействие радиации на электронную аппаратуру при радиоактивном заражении приводит к необратимому изменению электрических параметров элементов электронной техники и выходу ее из строя.
Оценка степени и возможности герметизации производственных помещений с целью исключения или уменьшения проникновения в них радиоактивной пыли
В цехе окна больших размеров, герметизация их слабая, поэтому при воздействии проникающей радиации может резко увеличиться содержание радиоактивной пыли в воздушной среде цеха. В связи с этим необходимо заложить кирпичной кладкой оконные проемы со стороны воздействия проникающей радиации. Система вентиляции цеха может быть приспособлена для работы в режиме очистки воздуха от радиоактивной пыли.
Таблица 5.4 - Результаты оценки устойчивости сборочного цеха предприятия ООО НПЦ «ЭЛИОН» к воздействию радиоактивного заражения
|
Элемент объекта |
Характеристика зданий и сооружений |
Коэффи-циент ос-лабления К>осл> |
Доза из-лучения за полную рабочую сменуР |
Материалы и аппаратура, чувствительные к радиации, и степень их повреждения |
Предел устойчивости в условиях радиоактивного заражения, Р/час. |
|
Здание сборочного цеха Убежище |
Производственное и административное трехэтажное здание, кирпичное в районе застройки Встроенное в здание цеха. Противорадиационное типовое укрытие |
4 80 |
147 Р 7 Р |
Есть Нет |
38 |
Анализ результатов оценки работы сборочного цеха в условиях радиоактивного заражения позволяет сделать следующие выводы:
Объект может оказаться в зоне опасного заражения с максимальным уровнем радиации 561 Р/ч на 1 час после аварии.
Сборочный цех неустойчив к воздействию радиоактивного заражения. Защитные свойства здания цеха не обеспечивают непрерывность работы в течение установленного времени рабочей смены (8 часов) в условиях ожидаемого максимального уровня радиации (рабочие получат дозу облучения около 147 Р, что значительно больше допустимой нормы). Предел устойчивости работы цеха в условиях радиоактивного заражения P>1>>lim>= 38 Р/ч.
Убежище цеха обеспечивает надежную защиту производственного персонала в условиях радиоактивного заражения. Доза облучения за 8 часов пребывания в нем составляет 7 Р. Данное значение меньше допустимой дозы однократного облучения в 10 Р.
Для повышения устойчивости работы сборочного цеха в условиях радиоактивного заражения необходимо провести следующие мероприятия:
- повысить степень герметизации помещений цеха, для чего: отремонтировать окна и двери для обеспечения их более плотного закрытия; пристроить к входным дверям тамбуры; изготовить шторы из прорезиненной ткани над входными дверями и назначить ответственных за закрытие их в случае чрезвычайной ситуации;
- подготовить систему вентиляции цеха к работе в режиме очистки воздуха от радиоактивной пыли, оборудовав ее сетчатым масляным противопыльным фильтром и переключателями рода работ;
- разработать режимы радиационной защиты людей и оборудования сборочного цеха в условиях радиационного заражения местности.
5.2 Расчет режимов работы объекта в условиях радиоактивного заражения
Данные: P>1> = 561 Р/ч; Д>уст> = 10Р; К>осл>=4; минимальная целесообразная продолжительность работы смены T>min> = 1 ч; максимальная продолжительность работы смены T>max>= 8 ч; максимальное число сокращенных смен, которое можно создать из числа рабочих одной полной смены N = 3 сокращенных смен; коэффициент n=1,2. Перерывы в производственном процессе возможны.
Устанавливаем продолжительность работы 1-й смены. Исходя из установленной минимально допустимой продолжительности работы смены принимаем T>1> = T>min> =1 ч.
Находим время начала работы 1-й смены от момента взрыва.
Определяем относительную величину b по формуле:
b
=
.
По таблице 5.5 значений относительной величины b по величине n = 1,2 и величине b= – 70,125 интерполируем:
для b= – 65,10 – t>н>/T=8, для b= – 83,94 – t>н>/T=1
0, то для b= – 70,125.
t>н>>1>/T>1>
= 8+
=8,53
t>н>>1 >= 8,53х1= 8,53час.
Таблица 5.5 - Значение относительной величины «b» в зависимости от «n» и отношения t>н>/T
|
n |
t>н>/T |
|
|
8,0 |
10,0 |
|
|
1,2 |
-65,10 |
-83,94 |
Определяем начало работы 2-й смены:
t>н>>2> = t>н>>1> + T>1> = 8,53 + 1 == 9,53 ч.
Определяем продолжительность работы 2-й смены и конец работы 2-й смены (начало работы 3-й смены). При t>н2>=9,53 часа находим:
(5.2)
t>к>>2>=
=>
>10,67 ч.
T>2>= t>к>>2>-t>н>>2>=10,67-9,53=1,14 час.
Определяем продолжительность работы 3-й смены и конец работы 3-й смены (начало работы 4 смены). При t>н3> =10,67ч находим:
t>к>>3>=
=11,98
час.
T>3>= t>к>>3>-t>н>>3>=11,98-10,67=1,31 час.
Определяем продолжительность работы 4-й смены и конец работы 4-й смены. При t>н4>=11,98 час. находим:
t>к>>4
>=
=
13,49 час.
T>4>= t>к>>4>-t>н>>4>= 13,49 – 11,98 = 1,51 час.
Определяем продолжительность работы 5-й смены и конец работы 5-й смены. При t>н>>5>=13,49час. находим:
t>к>>5>=
=
15,23 час.
T>5>= t>к>>5>-t>н>>5>= 15,23 – 13,49 = 1,74 час.
Определяем продолжительность работы 6-й смены и конец работы 6-й смены. При t>н>>6>=15,23час. находим:
t>к>>6>=
=
17,25 час.
T>6>= t>к>>6>-t>н>>6>= 17,25 – 15,23 = 2,02 час.
Определяем продолжительность работы 7-й смены и конец работы 7-й смены. При t>н>>7>=17,25час. находим:
t>к>>7>=
=
19,6 час.
T>7>= t>к7>-t>н>>7>= 19,6 – 17,25 = 2,35 час.
Определяем продолжительность работы 8-й смены и конец работы 8-й смены. При t>н>>4>=19,6час. находим:
t>к>>8>=
=
22,34 час.
T>8>= t>к>>8>-t>н>>8>= 22,34 – 19,6= 2,74 час.
Определяем продолжительность работы 9-й смены и конец работы 9-й смены. При t>н>>9>=22,34час. находим:
t>к>>9
>=
=
25,56 час.
T>9>= t>к>>9>-t>н>>9>=25,56– 22,34 = 3,22 час.
Определяем продолжительность работы 10-й смены и конец работы 10-й смены. При t>н>>10>=25,56час. находим:
t>к>>10>=
=
29,35 час.
T>10>= t>к>>10>-t>н>>10>=29,35– 25,56= 3,79 час.
Определяем продолжительность работы 11-й смены и конец работы 11-й смены. При t>н>>11>=29,35час. находим:
t>к>>11>=
=33,83
час.
T>11>= t>к>>11>-t>н>>11>=33,83– 29,35= 4,48 час.
Определяем продолжительность работы 12-й смены и конец работы 12-й смены. При t>н>>12>=33,83час. находим:
t>к>>12>=
=39,16
час.
T>12>= t>к>>12>-t>н>>12>=39,16– 33,83= 5,33 час.
Определяем продолжительность работы 13-й смены и конец работы 13-й смены. При t>н>>13>=39,16час. находим:
t>к>>13>=
=45,53час.
T>13>= t>к>>13>-t>н>>13>=45,53-39,16= 6,37 час.
Определяем продолжительность работы 14-й смены и конец работы 14-й смены. При t>н>>14>=45,53час. находим:
t>к>>14>=
=
53,19 час.
T>14>= t>к>>14>-t>н>>14>=53,19-45,53= 7,66 час.
Определяем продолжительность работы 15-й смены и конец работы 15-й смены. При t>н>>15>=53,19час. находим:
t>к>>15>=
=62,44
час.
T>14>= t>к>>15>-t>н>>15>=62,44-53,19= 9,25 час.
Так как 15-я смена может работать не более 8часов, (максимальная продолжительность рабочей смены) прекращаем расчеты на 14-й смене. За фактическую работу 15-й смены принимаем заданное время максимальной продолжительности работы, т. е. T= 8 часов.
Сравниваем число расчетных смен (N>р> =15 ) с числом сокращенных смен, которое можно создать из полной смены (N = 3). В нашем случае N>р> > N. Следовательно, фактическое число смен N>ф>=3. Расчетные данные (начало и продолжительность работы) берутся из последних трех смен. Причем расчетные данные 13-й смены являются данными для 1-й фактической смены, 14-й — для 2-й, 15-й — для 3-й смены.
Для графика режима работы цеха берем следующие данные:
t>н>>1>=39,16ч. t>н>>2>=45,53ч. t>н>>3>=53,19 ч.
T>1 >=6,37 ч T>2> =7,66 ч. T>3> =8 ч.
Определяем дозы облучения для каждой смены. Так как 1-я и 2-я смены работают полное расчетное время, то рабочие получат установленные дозы:
Д>1> = Д>2> = Д>уст>>.>= 10 Р.
3-я смена будет работать меньше расчетного времени, поэтому
Д>3>
=

=
= 8,7 Р.
Определяем время начала работы цеха в обычном режиме (тремя полными сменами):
t>0>=t>н>>1>+
T>i>=t>н>>1>+T>1>+T>2>
+ T>3>
= 39,16+6,37 +7,66 + 8 = 61,19 ч.
Таким образом, через 61,19 ч после аварии должна прибыть 2-я полная смена из загородной зоны. Уровень радиации на объекте к этому времени составит:
P>56,84>= P>1>t-n = 561*61,19-1,2 = 4 Р/ч.
Если принять, что в загородной зоне и на маршруте есть уровень радиации, то при следовании на автомашинах с К>осл> = 2 за время переезда 1 ч рабочие получат дозу:
Д>м>
=
=
=
2 Р.
Следовательно, за время проезда к месту работы смена получит дозу меньше установленной. Доза за время переезда в сумме с дозой излучения, полученной в загородной зоне, не должна превышать половины допустимой дозы однократного облучения.
Результаты расчета режима работы записываем в таблицу 5.6 режимов работы предприятия для уровня радиации Р>1>=561 Р/ч.
Таблица 5.6 - Режимы работы института при радиоактивном заражении местности для условий: Д>уст>= 10 Р; К>осл> = 4; t>p> >max>> >= 8 ч.; N = 3 смены (производственный процесс прерывать можно)
|
Условный номер режима |
Уровень радиации на 1 ч после аварии, P |
Начало работы предприятия после аварии, ч |
Содержимое режима работы |
Доза излучения за время работы, P |
Возможное начало работы в обычном режиме (тремя полными сменами) после аварии, ч |
|||
|
№ смены |
Начало работы смен после аварии, ч |
Окончание работы смен после аварии, ч |
Продолжительность работы смен, ч |
|||||
|
А-1 |
561 |
39,2 |
1 |
39,2 |
45,5 |
6,3 |
10 |
61,2 |
|
2 |
45,5 |
53,2 |
7,7 |
10 |
||||
|
3 |
53,2 |
61,2 |
8 |
8,7 |
5.3 Определение возможных радиационных потерь (поражений) в зонах радиоактивного заражения
Возможные радиационные потери рабочих и служащих, населения определяют по дозе излучений, которую они могут получить за определенное время и в определенных условиях пребывания на зараженной местности.
При повторном облучении людей необходимо учитывать остаточную дозу облучения Д>ост>>.>, т. е. часть дозы облучения, полученной ранее, но не восстановленной организмом к данному сроку. Организм человека способен восстанавливать до 90% радиационного поражения, причем процесс восстановления начинается через 4 суток от начала первого облучения. Значения остаточной дозы облучения зависят от времени, прошедшего после облучения:
Доза облучения, которую получат рабочие и служащие за установленное время работы в производственных зданиях Д>уст>>. >= 10 Р
Определяем остаточную дозу излучения. Остаточная доза излучения определяется в зависимости от времени после облучения, в нашем случае остаточная доза облучения будет равна Д>ост>>.>=0 Р
Находим суммарную дозу радиации
Д>сум.> = Д>ост.> + Д>уст> = 0 + 10 = 10 Р.
Возможные радиационные потери составляют 0% при суммарной дозе радиации в 10 Р.
Выводы. Выполнение работ в условиях радиоактивного заражения в ООО НПЦ «ЭЛИОН» будет безопасно для жизни людей, так как возможные потери составят 0% персонала.
Заключение
В основном части настоящего дипломного проекта был произведен выбор материала подложки метки на ПАВ, материала напыляемых электродных структур, вида приемо-передающего ВШП и ВШП отражательной системы. Определена конструкция устройства. Произведен расчет выбранных конструктивных элементов. Кроме того предложен технологический маршрут изготовления метки. Также рассмотрен возможный вариант корпусировки метки и вариант согласования метки с антенной. Таким образом спроектировано устройство, готовое к последующим измерительным испытаниям.
В разделе «Безопасность жизнедеятельности и охрана окружающей среды» рассмотрены опасные и вредные факторы при производстве РЧИД-меток на ПАВ и необходимые мероприятия по их устранению.
В следующем разделе была произведена оценка устойчивости работы предприятия ООО НПЦ «Элион» в в условиях проникающей радиации и радиационного загрязнения местности после ядерного взрыва, на котором будут производиться метки. Рассчитаны режимы работы персонала в данной чрезвычайной ситуации. Производство оснащено необходимыми средствами противорадиационной безопасности, убежищем. Таким образом обеспечиваются нулевые потери персонала во время ядерного взрыва.
В экономическом разделе произведена оценка эффективности производства предлагаемого устройства. Рассчитана себестоимость РЧИД-метки на ПАВ. Произведенный расчет коммерческой эффективности проекта подтверждает возможность внедрение разработки в крупносерийное производство.
В целом удалось решить задачи по проектированию конкурентоспособного устройства, имеющего низкую стоимость, малые габаритные размеры, хорошие эксплуатационные характеристики, такие как долговечность, приемлемые вносимые затухания в передаваемый сигнал.
Выбранная технология изготовления устройства позволит создавать в дальнейшем более высокочастотные и, следовательно, более быстродействующие метки, а так же повысить емкость хранимых меткой данных.
Список литературы
Справочник на ОнРу.ру - Штрихкоды, штрих код, расшифровка, сканер штрихкода, штрих коды стран. 2009. – URL: http://www.onru.ru (дата обращения: 10.05.09).
М. Гудин., В. Зайцев, Технология RFID: реалии и перспективы//Компоненты и технологии –2003. – №4.
Технологии радиочастотной идентификации (RFID). 2009. – URL: http://www.bitlite.ru (дата обращения: 25.01.09).
Что такое RFID? - Штрих Центр. – URL: http://shtrih-center.ru (дата обращения: 25.01.09).
Т. Шарфельд. Системы RFID низкой стоимости / Под ред. С. Корнеева. - Москва, - 2006 г.
О. Гуреева. JOMFUL – новая технология производства радиочастотных меток // Компоненты и технологии. – 2006. – №11.
О. Гуреева. Система радиочастотной идентификации на поверхностных акустических волнах // Компоненты и технологии. – 2006. - №6.
В. Ф. Катаев, А. В. Гусаков, В. А. Жуков. Устройство обнаружения (идентификации) объектов с помощью линии задержки на ПАВ//Новые методы теоретических и экспериментальных исследований материалов, приборов и технологий: сб. науч. тр./Волгодонский ин-т. ЮРГТУ. – Новочеркасск: ЮРГТУ, 2001. – С.56-58.
М. Федоров, Стандарты и тенденции развития RFID-технологий//Компоненты и технологии. – 2006. – № 1.
Документация СКУД ЭСКОР |ESCOR-SAW. 2009. – URL: http://www.sawpik.com (дата обращения: 10.05.09).
О. Гуреева. Новый протокол Gen 2 для систем радиочастотной идентификации // Компоненты и технологии. – 2006. – №1.
Материалы для акустоэлектронных устройств: учебное пособие / Балышева О.Л.; ГУАП. СПб., 2005. 50с.: ил.
Карапетьян Г.Я., Багдасарян С.А. «Однонаправленный преобразователь поверхностных акустических волн», Патент на изобретение 2195069, приоритет 08.04.2002 г. БИ №35, 2002.
Устройства интегральной электроники: Акустоэлектроника. Основы теории, расчета и проектирования: учеб. пособие / Дмитриев В.Ф.; ГУАП. – СПб., 2006. – 169 с.: ил.
Проектирование фильтров на поверхностно-акустических волнах: учебно-методическое пособие / Чернышова Т.И.; ТГТИ – Тамбов., 2006. – 48 с.: ил.
Орлов В.С., Бондаренко В.С. Фильтры на поверхностных акустических волнах. – М.: Радио и связь, 1984. – 272 с., ил.
Фильтры на поверхностных акустических волнах (расчет, технология и применение): Пер. с англ./Под ред. Г. Мэттьюза. – М.: Радио и связь, 1981. – 472 с., ил.
С. Бобков, Э. Врублевский, В. Киреев, В. Недзвецкий, А. Трепалин, И. Томпсон, Г. Дойл, Н. Хуснатдинов, Д. Лабрейк. Возможности и особенности наноимпринтлитографии для производства интегральных микросхем//Наноиндустрия. – 2007. – №3.
3D RFID Tag Invariant to its Orientation P. A. Turalchuk; D. V. Kholodnyak; I. B. Vendik; A. B. Mikhailov; S. Yu. Dudnikov Microwave and Telecommunication Technology, 2006. CriMiCO apos;06. 16th International Crimean Conference Volume 2, Issue , Sept. 2006 Page(s):613 - 615
Ротхаммель К. Антенны: Пер. с нем. – 3-е изд., доп. – М.: Энергия, 1979. – 320 с., ил. – (Массовая радиобиблиотека; Вып. 998).
Как укоротить диполь//Радио. – 1986. – №6. – С. 64.
Расчет и изготовление плоских катушек//Радио. – 1976. – №11. – С. 40-41.
Методические указания к выполнению индивидуальных домашних заданий по курсу «Организация и планирование производства» / Круглова Е.Ю., Плотникова Е.Н.; ВИ ЮРГТУ – Новочеркасск: ЮРГТУ (НПИ), 2008. – 31 с.
Методические указания к выполнению раздела «Безопасность жизнедеятельности» в дипломном проекте (для технических специальностей) / Ермолаева Н.В., Бубликова И.А., Салов Е.В.; ВИ ЮРГТУ – Новочеркасск: ЮРГТУ (НПИ), 2002. – 20 с.
Химпэк. О компании. 2009. – URL http://www.chempack.ru (дата обращения: 5.05.09).
Экология и безопасность жизнедеятельности: Учеб. пособие для вузов/ Д.А. Кривошеин, Л.А.Муравей, Н.Н. Роева и др.; Под ред. Л.А. Муравья. – М.: ЮНИТИ-ДАНА, 2000. - 447 с.
