Разработка арифметического устройства, выполняющее операцию сложения с накоплением суммы
Курсовая работа
по дисциплине
“Аналоговая и цифровая электроника”
на тему «Разработка арифметического устройства, выполняющее операцию сложения с накоплением суммы»
Содержание
Введение
Задание к курсовой работе
Разработка функциональной электрической схемы и алгоритма работы проектируемого устройства
Выбор серии ИМС
Пояснения к принципиальной электрической схеме
Временные диаграммы
Расчетная часть
Разработка печатной платы
Приложение 1. Схема электрическая функциональная
Приложение 2. Схема электрическая принциапальная
Приложение 3. Перечень элементов
Приложение 4. Схема монтажная
Приложение 5. Плата печатная
Введение
В данной курсовой работе по предмету “Аналоговая и цифровая электроника” представлена разработка цифрового устройства на базе интегральных микросхем малой и средней степени интеграции. Цель работы – изучение и закрепление на практике основ и навыков логического и схемотехнического проектирования цифровых схем.
Задание к курсовой работе
Номер зачетной книжки, остаток от деления его на 150 равен 40, это номер варианта. Он соответствует заданию 1 “Разработать арифметическое устройство, выполняющее операцию сложения с накоплением суммы. Числа в параллельном коде приходят на вход устройства и сопровождаются синхросигналом низкого уровня. Числа представлены в обратном коде с шириной числовых разрядов равной трем. Устройство начинает работу по команде “Старт” и заканчивает работу по команде “Стоп”. Для индикации кода суммы использовать светодиоды. Выходная разрядность суммы равна восьми (шесть числовых и два знаковых разряда). Устройство должно обеспечить индикацию переполнения, если оно имело место во время работы устройства.”
Из таблиц получаем дополнительные данные:
Значение тактовой частоты – 5 МГц
Потребляемый ток – не более 2000 мА
Потребляемая мощность – не более 10 Вт
Разработка функциональной электрической схемы и алгоритма работы проектируемого устройства
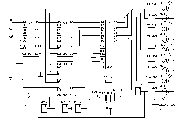
Сумматор с накоплением отличается от обычного, который реализует формулу S = A + B, тем, что, получая на входе лишь одно число, прибавляет его к текущему значению суммы. Иными словами, реализует зависимость S = S + A. Очевидно, что для хранения суммы требуется буферный регистр [См. /2/]. Исходя из этого, перечислим состав функциональных узлов устройства (он мало отличается от рекомендованного в задании): старт-стоповое устройство, сумматор, буферный регистр, формирователь сигналов сброса регистра, блок индикации и переполнения. Согласно заданию [См. /1/], числа на входе устройства представлены в дополнительном модифицированном коде, в котором легче всего производить суммирование и контроль переполнения, поэтому дополнительные блоки преобразования кода не нужны. Взаимодействие функциональных узлов устройства показано на функциональной электрической схеме [См. Приложение 1].
Опишем алгоритм работы проектируемого устройства. При включении питания происходит обнуление буферного регистра, которое производит старт-стоповое устройство, как в момент включения, так и впоследствии при подаче команды “Старт”. Устройство готово к работе.
Число с информационных входов попадает на преобразователь обратного кода в дополнительный. Если знаковый разряд числа равен 1, то число является отрицательным и оно преобразуется в доп. код (к числу в обратном коде прибавляется 1), если число положительное, то его не требуется преобразовывать и оно остается таким же.
В процессе работы число из обратного кода преобразуется в дополнительный модифицированный, так как в этом коде легче всего производить операцию сложения.
Далее, при поступлении синхросигнала, число с преобразователя поступает на сумматор и складывается со значением, хранящимся в буферном регистре, после чего результат записывается в него. При подаче команды “Стоп” происходит блокирование синхросигнала и устройство останавливается. Если в результате работы происходит переполнение, это приводит к остановке устройства с индикацией об ошибке.
Выбор серии ИМС
Правильный выбор серии ИМС позволяет получить наиболее простую схемную реализацию устройства, оптимальную стоимость и функционирование.
Для начала остановимся на ТТЛ сериях, которые более подходят для заданной тактовой частоты, в отличие от КМОП. Самой распространенной из ТТЛ является 155-я серия ИМС. Она предоставляет широкий функциональный ряд для разработчика. Попытаемся определить состав и количество ИМС данной серии для проектируемого устройства [См. /3/].
В серии нет восьмиразрядных сумматоров, поэтому будем использовать два четырехразрядных быстродействующих полных сумматора К155ИМ3, соединенных по схеме с последовательным переносом.
Для преобразования обратного кода числа в дополнительный будем использовать дополнительный сумматор, тоже на микросхеме К155ИМ3.
В качестве буферного регистра используем восьмиразрядный синхронный реверсивный регистр сдвига К155ИР13.
Блок переполнения выполним на ЛЭ, реализующем функцию “исключающее ИЛИ” и входящем в состав К155ЛП5.
Старт-стоповое устройство и формирователь сигнала сброса регистра синтезируем на ЛЭ “ИЛИ” и “И-НЕ” микросхем К155ЛЛ1 и К155ЛА3.
В таблице приведены основные параметры указанных ИМС, взятые из /1/ и /3/, позволяющие оценить и обосновать верный выбор серии.
|
ИМС |
Iпот, мА |
Tзд.р.ср., нс |
Fmax, МГц |
Kраз |
|
К155ИМ3 |
128 |
60 |
10 |
10 |
|
К155ИР13 |
116 |
35 |
25 |
10 |
|
К155ЛА3 |
12 |
22 |
10 |
10 |
|
К155ЛЛ1 |
16 |
22 |
10 |
10 |
|
К155ЛП5 |
50 |
23 |
10 |
10 |
Вычислим приблизительно потребляемый устройством ток:
I = 3*128 + 116 + 12 + 16 + 50 = 450 мА
Потребляемая устройством мощность приблизительно равна:
P = U*I = 5*0,450 = 2,25 Вт
Как видно, выбранная серия ИМС удовлетворяет условию задания.
Пояснения к принципиальной электрической схеме
[См. Приложение 2]
Запуск и остановка устройства осуществляется псредством входа START. Команде “Старт” соответствует низкий уровень, команде “Стоп” – высокий.
Светодиоду HL1 соответствует старший разряд выходной суммы, HL8 – младший. HL9 своим свечением сигнализирует о переполнении.
Временные диаграммы
Н
иже
приведены временные диаграммы, которые
помогают понять работу некоторых
участков схемы. Рабочая частота такова,
что временем задержки распространения
сигнала можно пренебречь.

Расчетная часть
В схеме присутствует одновибратор для формирования сигнала сброса регистра. Для обнуления последнего, неободимо на инверсный вход R подать напряжнение низкого уровня [См. /3/]. Расчитаем RC-цепочку формирователя для генерации импульса длительностью около 400 нс. Для используемой схемы это легко сделать при помощи формулы t>и> = -ln(U>пор> /(U>пит>)). Путем несложных преобразований и действий получаем значения R1 и C1, равные 1кОм и 1 нФ, соответственно, которые и обеспечивают выбранную длительность импульса.
В устройстве используется индикация на основе светодиодов АЛ307. Для их нормального функционирования необходимо обеспечить номинальные значения рабочего тока и напряжения. Для данного вида включения нужно последовательно светодиоду добавить сопротивление, значение которого определяется по следующей формуле: R = (U>пит>-U>д.пр.>)/I>д.пр.> При U>д.пр.> = 2В и I>д.пр.> = 15 мА, значения R3-R11 равны 200 Ом. Рассеиваемая на них мощность равна P = U>пит> * I>д.пр.> = 5*15*10-3 = 0,075 Вт, поэтому в схеме будем использовать резисторы МЛТ-0,125.
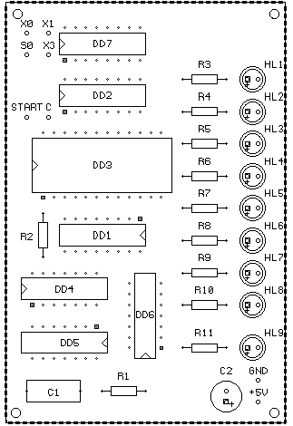
Разработка печатной платы
В процессе разработки печатной платы (ПП) использовалась система аватоматического проектирования радиоэлектронной аппаратуры P-CAD версии 4.5. Система предоставляет набор инструментальных средств, упрощающих создание УГО и конструктивов элементов, соответствующих требуемым ГОСТам; размещение компонентов на ПП и разводку многослойных ПП. Система позволяет использовать результаты своей работы в технологическом процессе производства ПП с применением фотоплоттеров и сверлильных станков.
Процесс разработки принципиальной электрической схемы и ПП выглядит следующим образом:
создание УГО компонентов схемы в метрической системе с соблюдением ГОСТов на размеры УГО и расположение надписей обозначений и значений;
создание електрической принципиальной схемы, обозначение элементов и цепей;
создание эскиза ПП, расположение на ней фиксированных элементов и цепей;
расстановка компонентов схемы на ПП в ручном или полуавтоматическом режиме;
разведение ПП в полуавтоматическом режиме с последующей ручной корректировкой (при необходимости);
подготовка реультатов работы для вывода на печать.
Список литературы
Андреев А.А., Ивон А.И., Можаровский Л.А., Рыбка Ю.М. Методические указания по выполнению курсовых проектов по дисциплине “Компьютерная электроника”. – Д.: ДДУ, 1997
Угрюмов Е.П. Проектирование элементов и узлов ЭВМ. – М.: Высшая школа, 1987
Богданович М.И. и др. Цифровые интегральные микросхемы. – Мн.: Беларусь, 1991
Приложение
1.
Схема
электрическая функциональная
Приложение 2.
Схема электрическая принципиальная


|
№ |
Обозначение на схеме |
Наименование |
Количество |
|
1 |
DD1, DD2, DD7 |
К155ИМ3 |
3 |
|
2 |
DD3 |
К155ИР13 |
1 |
|
3 |
DD4 |
К155ЛЛ1 |
1 |
|
3 |
DD5 |
К155ЛА3 |
1 |
|
4 |
DD6 |
К155ЛП5 |
1 |
|
5 |
C1 |
КТ 1000 пФ |
1 |
|
6 |
C2 |
К50-6 20мкФ 10В |
1 |
|
7 |
R1, R2 |
МЛТ-0,125 1 кОм |
2 |
|
8 |
R3 – R11 |
МЛТ-0б125 200 Ом |
9 |
|
9 |
HL1 – HL9 |
АЛ307 |
9 |
Приложение 3. Перечень элементов
Приложение 4. Печатная плата (общий вид)

Приложение 5.
Печатная плата (сторона компонентов)
Технологический процесс.
Плату печатную изготовлять комбинированным позитивным методом.
Печатная плата должна соответствовать ГОСТ 23751-86.
Плата 3 класса точности.
Шаг координатной сетки 2,5мм.
Покрытие - сплав Розе ТУ 6-09-4065-75.
Отверстия
|
|
||
|
Диаметр |
0,8 мм |
2,5 мм |
|
Кол-во |
59 |
4 |
|
Металлизация |
Да |
Нет |
Монтажная плата.
Установку
элементов производить в соответствии
с
ОСТ 4.010.030-81
Паять припоем ПОС61 ГОСТ 21931-76





УГО