Разработка детектора высокочастотного излучения
Содержание
Введение
1. Анализ технического задания
2. Структурная схема
3. Функциональная схема
3.1 Высокочастотный усилитель (ВУ)
3.2 Высокочастотный детектор
3.3 Компаратор
3.4 Низкочастотный генератор прямоугольных импульсов
3.5 Низкочастотный усилитель
4. Схема электрическая принципиальная
5. Выбор компонентов для разработки схемы
5.1 Выбор ИМС операционного усилителя
5.2 Выбор типа резисторов
5.3 Выбор транзисторов
6. Разработка конструкции
6.1 Выбор и обоснование типа ПП
6.2 Выбор и обоснование типа ПП [10]
6.3 Выбор и обоснование материала ПП [10]
6.4 Выбор и обоснование метода изготовления ПП
7.1 Конструкторско-технологический расчет печатной платы [4]
7.1.1 Определение минимальной ширины печатного проводника по постоянному току
7.1.2 Определение минимальной ширины печатного проводника исходя из допустимого падения напряжения на нём
7.1.3 Определение номинального значения монтажных отверстий
7.1.4 Определение диаметра контактной площадки
7.1.5 Определение ширины проводников
7.1.6 Определение минимального расстояния между элементами проводящего рисунка
7.2 Электрический расчет печатной платы
7.2.1 Расчёт предельного падения напряжения на проводниках
7.2.2 Расчёт мощности потерь
7.2.3 Расчёт паразитной поверхностной ёмкости между двумя проводниками
7.2.4 Расчёт индуктивности печатных проводников
7.3 Расчет на вибропрочность
7.4 Тепловой расчет ПП
7.5 Расчет показателей надежности
8. Инструкция по применению
Выводы
Литература
Условные обозначения
АК - аналоговый компаратор;
ВУ - высокочастотный усилитель;
ИМС - интегральная микросхема;
КП - контактная площадка;
МО - монтажное отверстие;
ОУ - операционный усилитель;
ПП - печатная плата;
ПУ - печатный узел;
ШП - шина питания;
ШЗ - шина земля;
Техническое задание
1. Наименование и область применения: Разрабатываемое устройство - детектор высокочастотного излучения. Устройство предназначено для оперативного обнаружения радиоизлучающих подслушивающих устройств промышленного шпионажа.
2. Основание для разработки: Условием разработки является здание на дипломный проект согласно приказу по НТУУ„КПІ"№ 35 от 28.03.2008 г.
3. Цель и назначение разработки:
3.1 Целью является создание детектора электромагнитного поля. Устройство предназначено для оперативного обнаружения радиоизлучающих подслушивающих устройств промышленного шпионажа.
3.2 Аналоги устройства:
Скоростной поисковый приемник СКОРПИОН v.3 [1].
Стрелочный индикатор поля СИРИУС [1].
Детектор поля D-006 [2].
3.3 Устройство изготавливается как макетный образец.
4. Источники разработки:
RU, Патент на изобретение № 2145153 "Способ защиты от несанкционированного прослушивания разговоров в помещении" [3];
RU, Патент на изобретение № 2150120 "Способ обнаружения и идентификации скрытых электронных установок и устройство для его осуществления" [3].
5. Технические требования:
5.1 Состав устройства и требования к конструктивному устройству:
5.1.1 Изделие имеет в своем составе следующие функциональные узлы:
5.1.1.1 Усилителя высокой частоты.
5.1.1.2 Детектора высокой частоты (Диода Шотки).
5.1.1.3 Компаратора.
5.1.1.4 Генератора прямоугольных импульсов.
5.1.1.5 Усилителя низкой частоты
5.1.2 Габаритные размеры устройства не более 150х50х40 мм.
Масса устройства не более 0.1 кг.
5.2 Показатели назначения:
Данное устройство должно выполнять следующие функции:
реакция на высокочастотные излучения в диапазоне
от 0,1 до 900 МГц.
регулировка чувствительности при обнаружении высокочастотных излучателей.
5.3 Требования к надежности:
5.3.1 Устройство по обеспечению надежности должно удовлетворять требованиям ОСТ4.205.029-83.
5.3.2 Средняя наработка на отказ, ч, не менее 100000.
5.3.3 Вероятность безотказной работы 0,9.
5.3.4 Среднее время восстановления, ч 1.
5.3.5 Устройство должно выдерживать воздействия внешних механических и климатических факторов в соответствии с ГОСТ 11478-88 для 1 группы аппаратуры.
5.4 Требования к технологичности и метрологическому обеспечению разработки, производства и эксплуатации:
5.4.1 Конструкция изделия должна обеспечивать возможность выполнения монтажных работ с соблюдением требований технических условий на установку и пайку комплектующих изделий.
5.4.2 Конструкция изделия в целом и отдельных сложных узлов должна обеспечивать сборку при изготовлении без создания и применения специального оборудования.
5.4.4 Конструкция устройства должна обеспечивать его сборку и монтаж при подготовке к эксплуатации без применения специального оборудования, приспособлений и инструмента.
5.5 Требования к уровню унификации и стандартизации:
5.5.1 В качестве комплектующих единиц и деталей (коммутационные, изделия электроники, крепежные, установочные) должны применяться серийно выпускаемые изделия.
5.5.2 Сборочные единицы типа монтажных плат, панелей, крепежных и установочных узлов должны быть унифицированными.
5.5.4 Коэффициент унификации стандартных и заимствованных деталей должен быть не менее 0,5.
5.6 Требования безопасности и требования по охране природы:
5.6.1 Конструкцией устройства должна быть обеспечена безопасность персонала при эксплуатации. Общие требования электрической и механической безопасности по ГОСТ 12.2.007.0-75 и ГОСТ 25861-83.
5.6.3 Конструкция устройства должна исключать возможность неправильного присоединения его сочленяемых токоведущих и составных частей.
5.6.4 В устройстве должна быть обеспечена защита от коротких замыканий.
5.7 Эстетические и эргономические требования:
5.7.1 Устройство по своим эргономическим показателям должен обеспечивать удобство эксплуатации.
5.7.2 Устройство должно соответствовать современным требованиям технической эстетики и быть конкурентоспособным по своему внешнему виду на внутреннем и внешнем рынке.
5.8 Требования к патентной чистоте:
5.8.1 Этапы проведения патентных исследований модуля должны соответствовать ДСТУ 3575-97.
5.8.2 По комплектующим элементам модуля требования к патентной чистоте не предъявляются.
5.9 Требования к составным частям устройства, сырью и исходным материалам:
5.9.1 Для изготовления устройства необходимо использовать материалы свободно доступные на украинском рынке.
5.9.2 В устройстве должны использоваться покупные изделия электронной техники, пригодные для автоматизированной сборки аппаратуры согласно ГОСТ 20.39.405-84.
5.10. Требования к условиям эксплуатации (использования), требования к техническому обслуживанию и ремонту:
5.10.1. Требования к условиям эксплуатации:
5.10.1.1 Климатическое исполнение - УХЛ 3.1, согласно ГОСТ 15150-69.
5.10.1.1.1 Температура воздуха от - 10 до +45°С;
5.10.1.1.2 Относительная влажность от 75% при 15°С
до 98% при 25°С;
5.10.1.1.3 Атмосферное давление, кПа (мм рт.ст.)
84,0.107,0 (630.800).
5.10.2. Требования к техническому обслуживанию и ремонту:
5.10.2.1 Все устанавливаемые на устройстве конструкции и отделочные материалы должны быть безвредны для здоровья лиц, имеющих к ним доступ, и иметь соответствующие санитарные сертификаты.
5.10.2.2 Устройство, его расположение и условия эксплуатации должны отвечать требованиям "Санитарных норм и правил".
5.11 Требования к маркировке и упаковке:
5.11.1 Маркировка устройства должна соответствовать требованиям ГОСТ 26828-86.
5.11.2 Маркировку выполняют любым способом. Способ и качество выполнения маркировки должно обеспечивать четкое и ясное изображение ее в течении срока службы блока.
5.12. Требования к транспортировке и хранению:
Требования к транспортировке и хранению в данной дипломной роботе не рассматриваются.
6. Экономические показатели:
Экономические показатели в данной дипломной роботе не рассматриваются.
7. Стадии и этапы разработки:
7.1 Стадии, этапы, сроки проведения работ по устройству, а также исполнители указаны в табл.1.
7.2 Все документы, разрабатываемые разработчиком, должны иметь визу представителей кафедры КЭВА, соответствующих характеру разрабатываемого документа. Технологический контроль и нормоконтроль документов осуществляют службы кафедры КЭВА.
7.3 Все разрабатываемые документы должны иметь децимальные нормы и коды кафедры КЭВА.
8. Порядок контроля и приемки:
8.1 Испытания должны проводиться по программе и методике испытаний.
8.2 Для приемки представляются следующие документы:
техническое задание;
комплект конструкторской документации;
8.4 Приемочные испытания проводит разработчик, заказчик, изготовитель.
Табл.1. Стадии, этапы, сроки проведения работ по устройству
|
№ п/п |
Наименование этапов |
Срок исполнения |
Ответственный исполнитель |
Примечания |
|
1. |
Разработка схемы электрической принципиальной (ДК43.418214.001Е3) и перечня элементов (№ перечня элементов). |
(20.03.2008) |
Тыщук А. Н |
|
|
2. |
Разработка конструктивов модуля. |
(15.04.2008) |
Тыщук А. Н |
|
|
3. |
Разработка конструкторской разводки (КР), печатной платы (ПП). |
(10.05.2008) |
Тыщук А. Н |
|
|
4. |
Разработка сборочного чертежа (СБ) и спецификации (СП). |
(02.06.2008) |
Тыщук А. Н |
|
|
5. |
Изготовления устройства |
(08.06.2008) |
Тыщук А. Н |
Введение
В повседневной жизни люди подвергаются множеству различных излучений. Зачастую более опасными являются источники слабого электромагнитного излучения, которое действует в течении длительного промежутка времени. К таким источникам относится в основном аудио-видео техника, бытовая техника. Наиболее существенное влияние на человека оказывают мобильные телефоны, СВЧ печи, компьютеры и телевизоры.
Человеческие органы нечувствительны к таким излучениям, единственный способ их обнаружить применение электронных приборов.
Существует несколько способов схемотехнического решения этой проблемы:
Работа прибора по принципу сканирования радио эфира;
Мониторинг помещений на предмет наличия новых включений;
Широкополосное детектирование электрического поля.
Лучшим решением станет прибор принцип действия, которого основан на широкополосном детектировании электрического поля. Этот принцип дает возможность обнаружения радиопередающих устройств с любыми видами модуляции. Важным фактором, определяющим конструктивно-технологические особенности прибора, является ее рабочий диапазон частот. В зависимости от диапазона частот устройства предъявляются различные требования к его конструктивному оформлению и технологии изготовления. С ростом частот повышаются требуемые точность изготовления, качество обработки деталей, чистота применяемых материалов и т.д. Целью работы является создание устройства работающего на основании принципа широкополосного детектирования электрического поля в диапазоне частот от 0,1 до 900 МГц, в диапазоне 5-300 МГц чувствительность прибора должна быть максимальной. Прибор должен обладать 2-х позиционной системой звуковой сигнализации.
1. Анализ технического задания
Разрабатываемое устройство - детектор высокочастотного излучения способен помочь человеку обнаружить негативное излучение.
Приборы, выполняющие данные функции, можно также применить при ремонте различных радиотехнических устройств, например, для контроля высокочастотного излучения радио и сотовых телефонов. С их помощью можно дистанционно контролировать излучение импульсных источников питания, а также строчных разверток телевизоров и мониторов, также можно определить местонахождения электронных "жучков" и других видов электромагнитного поля высокой частоты.
Рассмотрим несколько конкретных существующих устройств и проведем их сравнительную характеристику:
Скоростной поисковый приемник СКОРПИОН v.3; [1]
Стрелочный индикатор поля СИРИУС; [1]
Детектор поля D-006. [2]
Детальная характеристика каждого устройства приведена в таблице 1.1.
Таблица 1.1 Характеристики конкурирующих устройств. [1,2]
|
Параметры устройств |
Скоростной поисковый приемник СКОРПИОН v.3 |
Стрелочный индикатор поля СИРИУС |
Детектор поля D-006 |
Разрабатываемое устройство |
|
Внешний вид |
|
|
|
|
|
Нижний предел - диапазона частот, МГц. |
30 |
20 |
50 |
0,1 |
|
Верхний предел + диапазона частот, МГц. |
2000 |
2000 |
800 |
900 |
|
Потребляемый ток, мА. - |
200 |
40 |
30 |
30 |
|
Стоимость, грн. - |
5000 |
700 |
550 |
100 |
|
Питание, В. - |
12 |
9 |
9 |
9 |
Проведем сравнительный анализ устройств. Для этого воспользуемся методом выбора по матрице параметров [4].
Оценку устройств будем проводить по параметрам приведенным в таблице 1.1.
Составляем матрицу параметров:

Параметры в матрице X должны быть приведении к такому виду, чтобы большему значению параметра соответствовало лучшее качество устройства. Параметры, не удовлетворяющие такому условию (нижний предел диапазона частот, потребляемый ток, стоимость, питание) пересчитываются по такой формуле:
,
(1.1)
Пересчитав эти параметры, получаем матрицу Y:

После этого параметры матрицы Y нормируют по такой формуле:
,
(1.2)
В результате нормирования получим матрицу A:

Для обобщенного анализа системы параметров вводят оценочную функцию:
,
(1.3)
Где b>j>
- весовой коэффициент и
.
Причем, что все параметры равнозначны
поэтому b>j>
для всех параметров будет равным 0,2.
Определим оценочные функции используя формулу 1.3 и представим их в матричном виде):

По полученным значениям оценочной функции можно сказать, что разрабатываемое устройство лучше конкурентов так как ему соответствует минимальное значение оценочной функции.
2. Структурная схема
С
труктурная
схема (рис 2.1) состоит из трех блоков:
В первом блоке должен приниматься и усиливаться высокочастотный сигнал. Для приема высокочастотного сигнала целесообразно применить антенну, а для его усиления необходимо использовать высокочастотный усилитель.
Во втором должен находится высокочастотный детектор, который срабатывает при поступлении высокого уровня сигнала; компаратор, для сравнения двух сигналов, а также генератор низкочастотных импульсов для формирования звукового сигнала.
Третий блок предназначен для вывода сигнала, получаемого со второго блока на наушник.
3. Функциональная схема
На основании анализа структурной схемы устройства можно составить функциональную схему:
3.1 Высокочастотный усилитель (ВУ)
Задачей ВУ является усиление сигнала поступающего на антенну, в диапазоне от 1 до 1000МГц. Поскольку диапазон частот достаточно широк, будем использовать широкополосный усилитель. Существует несколько усилителей данного типа: однокаскадные, двухкаскадные и трехкаскадные. В нашем случае целесообразно использовать однокаскадный широкополосный усилитель. У него простая конструкция и самая маленькая элементная база, что в свою очередь увеличит надежность прибора.
3.2 Высокочастотный детектор
Высокочастотный детектор должен определять сигнал поступающий на него. Если уровень сигнала поступившего на детектор достаточно высок, то он должен пропустить его. Для решения этой задачи можно использовать обычный полупроводниковый диод, либо диод Шотки. Отличительная, особенность диода Шотки по сравнению с полупроводниковыми диодами других типов - низкий уровень ВЧ шумов, поэтому в схеме будем использовать диод Шотки.
3.3 Компаратор
Задачей компаратора является сравнение двух сигналов. В нашем случае для сравнения подадим на него сигнал с антенны и сигнал с генератора прямоугольных импульсов (пункт 3.4). Компараторы делятся на цифровые и аналоговые. В схеме используем аналоговый компаратор (АК), потому что в схеме реализованы только аналоговые сигналы. АК в свою очередь можно реализовать:
на интегральной микросхеме операционного усилителя;
на специализированной микросхеме аналогового компаратора.
Выбираем первый вариант. Используем в схеме компаратор на операционном усилителе, это самый дешевый и простой способ.
3.4 Низкочастотный генератор прямоугольных импульсов
Предназначен для создания звукового сигнала, который реагировал бы на высокочастотное усиление. Существует несколько вариантов схемного выполнения генератора прямоугольных импульсов:
на дискретных элементах;
на логических элементах;
на интегральной микросхеме операционного усилителя (ИМС ОУ);
Для генерации звука используем ИМС ОУ. Поскольку компаратор (пункт 3.3) тоже собран на ОУ то целесообразно для этих целей использовать одну микросхему.
3.5 Низкочастотный усилитель
Используется для усиления низкочастотных импульсов подаваемых на наушник или аудиоколонки. Используем самый простой однокаскадный усилитель. Это увеличит надежность схемы и уменьшит стоимость.
4. Схема электрическая принципиальная
На основании анализа функциональной схемы составляем схему электрическую принципиальную (ДК43.418214.001Е3).
Схема состоит из пяти функционально связанных узлов:
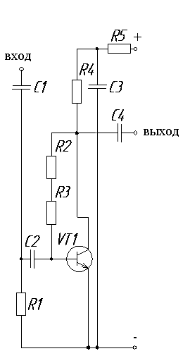
усилителя высоких частот (собранного на транзисторе VT1), рассчитанного на работу с источником сигнала до 50 Ом (рис 4.1).

Рис 4.1 Схема однокаскадного широкополосного усилителя [5]
детектора высоких частот или выпрямителя основаного на диоде Шотки VD1.
компаратора (на операционном усилители N1в составе микросхемы), перестраиваемого по частоте генератора прямоугольных импульсов низкой частоты (на операционном усилителе N3, N4, N5 в составе микросхемы DA1и транзисторе VT3).
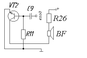
ключевого усилителя низкой частоты на транзисторе VT2 (рис.4.2).

Рис 4.2 Усилитель низкой частоты [5].
Сигнал снимается с антенны (WA), поступает на высокочастотный усилитель реализованный на транзисторе VT1. Если уровень сигнала высокий срабатывает детектор ВЧ излучений (открывается диод VD1) выполненный на диоде Шотки. Диод включает компаратор в микросхеме D1 которая отвечает за формирование НЧ импульсов останавливая при этом генератор НЧ импульсов.
Уровень сигнала, подаваемого на компаратор с детектора, регулируется подстроечным резистором R9, который позволяет принудительно снизить чувствительность устройства. Порог срабатывания компаратора изменяется переменным резистором R10, который устанавливает начальную частоту генерации генератора НЧ. Индикация работы устройства осуществляется светодиодом VD2.
К контактам X1 подключается телескопическая антенна, к контактам X2 и X5 - источник питания 9В, а к контактам X3 и X4 - наушники через соответствующий разъем. Наушники могут использоваться любые с сопротивлением более 30 Ом. При необходимости громкость можно изменить подбором резистора R26 (увеличение сопротивления приводит к уменьшению громкости).
5. Выбор компонентов для разработки схемы
Выбор компонентов является одной из самых важных процедур, так как именно от этого выбора будут зависеть многие параметры
сконструированного прибора. Элементную базу конструкции можно рассматривать с трех сторон:
со стороны разработчика (серия должна обеспечивать минимальную массу, объем, потребляемую мощность, максимальное быстродействие);
со стороны изготовителя (серия микросхем должна позволять автоматизацию сборки, сквозной контроль всех работоспособности всех уровней конструкции, допускать замену элементов на более новые, допускать усовершенствование конструкции несложным путем);
со стороны пользователя (простота обслуживания, ремонта, высокая надежность, качество, невысокая стоимость).
Оптимальным вариантом будет совместить эти стороны рассмотрения элементной базы таким образом, чтобы компоненты удовлетворяли, по возможности, всех сразу, то есть найти компромисс между разработчиком, изготовителем и пользователем изделия.
В качестве самого наглядного и эффективного метода выбора компонентов для построения схемы используют метод с использованием матрицы нормированных параметров. В ее основе лежит простая таблица наиболее важных и приоритетных параметров компонентов для конструируемого прибора.
5.1 Выбор ИМС операционного усилителя
Для начала выберем операционный усилитель, который подходят для конструкции разрабатываемого прибора. Это будут следующие ИМС:
К554СА1;
КМ597СА2;
LM324.
Оценку этих компонентов будем проводить по таким параметрам:
средний входной ток I>вх>;
выходной ток I>вых>;
коэффициент усиления К>v>;
напряжение питания U>пит>;
При помощи матрицы параметров выбираем какая микросхема больше подходит для разрабатываемого устройства.
Таблица 5.1.1 Параметры выбираемых микросхем [6-9]
|
параметры |
I>вх,> >мкА> |
I>вых,> >мА> |
К>v> |
U>пит,> >В> |
|
- |
+ |
+ |
- |
|
|
К554СА1 |
75 |
0.5 |
75∙103 |
9 |
|
КМ597СА2 |
10 |
5 |
150∙103 |
9 |
|
LM324 |
0.05 |
20 |
25∙106 |
9 |
|
b (коэфициент важности) |
0.25 |
0.25 |
0.25 |
0.25 |
Составляем матрицу параметров:
75 0.5 75∙103 9
Х = 10 5 150∙103 9
0.05 20 25∙106 9
Строим матрицу приведенных параметров, используя формулу (1.1):
0.013 0.5 75∙103 0.11
Y = 0.1 5 150∙103 0.11
20 20 25∙106 0.11
После этого параметры матрицы Y нормируют по формуле (1.2):
0.999 0.975 0.997 0
А = 0.995 0.75 0.994 0
0 0 0 0
По формуле (1,3) находим значения оценочной функции:
Q>К554СА1> = 0.742
Q> КМ597СА2>> >= 0.684
Q >LM>>324>> >= 0
По полученным значениям оценочной функции можно сказать, что операционный усилитель LM324 наилучший из всех рассматриваемых (ему соответствует минимальное значение оценочной функции). Его и будем применять в схеме.
5.2 Выбор типа резисторов
Таблица 5.2.1 Параметры выбираемых типов резисторов [7]
|
параметры |
Температурный коэффициент сопротивления, 1х10-6 1/°С |
Допускаемое отклонение сопротивления, % |
ЭДС шумов, мкВ/В |
|
- |
- |
- |
|
|
C5-37 |
200 |
5 |
0,2 |
|
С2-23 |
100 |
1 |
0,2 |
|
МЛТ |
1600 |
5 |
1,5 |
|
b (коэфициент важности) |
0.3 |
0.4 |
0.3 |
Составляем матрицу параметров:

Параметры в матрице X должны соответствовать такому виду, чтобы большему значению параметра соответствовало лучшее качество ИС. В данном случае все параметры пересчитываются формуле (1.1)
Пересчитав эти параметры, получаем такую матрицу Y:

После этого параметры матрицы Y нормируют по формуле (1.2)
В результате нормирования получим матрицу A (в ней есть обязательно хотя бы один нуль). Матрица А имеет такой вид:

Для обобщенного анализа системы параметров элементов вводят оценочную функцию (1,3). Весовые коэффициенты приведены в таблице 5.2.1.
Определим оценочные функции (приведем их в матричном виде):

По полученным значениям оценочной функции можно сказать, что резисторы типа С2-23 наилучшие среди рассматриваемых (резисторам этого типа соответствует минимальное значение оценочной функции).
5.3 Выбор транзисторов
В таблице 5.3.1 приведены несколько зарубежных транзисторов которые подходят для нашей схемы, а также их отечественные аналоги.
Таблица 5.3.1 Параметры выбираемых транзисторов [7]
|
параметры |
Р, мВТ |
U>кэ>, В |
I>к>, А |
|
+ |
+ |
+ |
|
|
BC548 |
500 |
30 |
0,1 |
|
КТ342В |
250 |
20 |
0,25 |
|
BC547 |
350 |
45 |
0,1 |
|
b (коэфициент важности) |
0.4 |
0.3 |
0.3 |
Составляем матрицу параметров:

Параметры в матрице X должны соответствовать такому виду, чтобы большему значению параметра соответствовало лучшее качество ИС. В данном случае ничего не пересчитываем.
Получаем такую матрицу Y:

После этого параметры матрицы Y нормируют по формуле (1.2)
В результате нормирования получим матрицу A (в ней есть обязательно хотя бы один нуль). Матрица А имеет такой вид:

Для обобщенного анализа системы параметров элементов вводят оценочную функцию (1,3). Весовые коэффициенты приведены в таблице 5.3.1.
Определим оценочные функции (приведем их в матричном виде):

По полученным значениям оценочной функции можно сказать, что транзистор BC548 наиболее подходящий для нашей схемы (этому транзистору соответствуем минимальное значение оценочной функции).
6. Разработка конструкции
6.1 Выбор и обоснование типа ПП
Существует 5 типов ПП:
1. Односторонние ПП (ОПП);
2. Двухсторонние ПП (ДПП);
3. Многослойные ПП (МПП);
4. Проводниковые ПП (ППП);
5. Гибкие ПП (ГПП).
ОПП просты в конструировании и экономичны в изготовлении. Они характеризуются: возможностью обеспечить повышенные требования к точности выполнения проводящего рисунка; установки навесных элементов на поверхность платы со стороны, противоположной пайке, без дополнительной изоляции; возможностью использования перемычек из проводникового материала. Обычно, ОПП применяют для монтажа бытовой ЭВА, в силовой электронике, в НЧ устройствах.
МПП состоят из чередующихся слоев изоляционного материала и проводящих рисунков, соединенных клеевыми прокладками в многослойную структуру путем прессования. Характеризуется повышенной плотностью монтажа; высокими коммутационными свойствами; устойчивостью к механическим и климатическим воздействиям, сложностью технологии и конструирования, а также относительно высокой стоимостью.
ППП представляют собой диэлектрическое основание, на котором выполняют печатный монтаж или его отдельные элементы (КП, ШП, ШЗ …). А необходимые электрические соединения проводят изолированным проводником. Трехслойная проводная плата эквивалентна 4 плотности монтажа 11 слойной МПП. Проводниковый монтаж позволяет получить минимальную длину связей, т.е. минимальные паразитные параметры. Так же позволяет вносить изменения в схему при незначительном изменении монтаже. Однако ППП имеют большие сложности с технологией и автоматизацией производства.
ГПП - свернутые в рулон платы, при раскрытии может занимать значительное место. Характеризуются: устойчивостью к ударам и вибрации, сложностью технологии, относительно большой стоимостью. ГПП широко применяются в системах перемещающихся объектов
Выбираем тип печатной платы ДПП. Т.к. применение ДПП позволит значительно облегчить трассировку, уменьшить габариты платы, уменьшить расход материала (в сравнении с ОПП), обеспечить надежность соединений (в сравнении в ППП).
6.2 Выбор и обоснование типа ПП [10]
Существует пять классов точности изготовления печатных плат (от 1 до 5). Первые два класса (1 и 2) характеризуются простотой исполнения, большими габаритами, низкой стоимостью, надежностью и т.д. Печатные платы остальных классов точности (3, 4 и 5) характеризуются высокой плотность монтажа, применением современного оборудования и высококачественных материалов, высокой ценой и трудоемкостью изготовления.
Выбираем 4-й класс точности, т.к. он является оптимальным по всем параметрам. Основные характеристики 4-го класса точности представлены в таблице 5.
Табл.5. Основные характеристики 4-го класса точности [10].
|
Класс плотности |
Плотность монтажа |
Мин. ширина проводников |
Мин. расстояние между проводниками |
Разрешающая способность |
Ширина пояска КП |
|
4 |
высокая |
0,15 мм |
0,15 мм |
3,3 |
0,05 мм |
6.3 Выбор и обоснование материала ПП [10]
Материал ПП должен соответствовать ряду требований:
высокие электроизоляционные свойства;
механическая прочность;
обрабатываемость;
стабильность параметров под воздействием агрессивной среды;
себестоимость.
Для изготовления ПП широкое распространение получили слоистые диэлектрики, состоящие из наполнителя и связующего вещества - гетинакс и стеклотекстолит.
Гетинакс - спрессованные слои электроизоляционной бумаги пропитанные фенольной смолой.
Стеклотекстолиты - прессование слои стеклотканей пропитанные эпоксидной смолой. Оба материала имеют малую водопроницаемость (0,2-0,8 % при Т = 260 ºС); большое поверхностное сопротивление (104 МОм); термостойкость материала в течении 1000 часов. Стеклотекстолит превосходит гетинакс по всем электромеханическим параметрам, но уступает по экономическим показателям. Согласно техническому заданию экономические показатели не учитываются и, следовательно, целесообразно применить стеклотекстолит.
Выбирем стеклотекстолит фольгированный марки СФ-2-35-1,5 ГОСТ 10316-78. Как видно из обозначения, толщина фольги - 35 мкм, толщина основания - 1,5 мм. Стеклотекстолит общего назначения. Сочетает в себе хорошие диэлектрические и адгезионные свойства. Применяется для изготовления одно - и двухсторонних печатных плат в относительно несложной радиоэлектронной аппаратуре.
6.4 Выбор и обоснование метода изготовления ПП
Печатная плата состоит из двух основных компонентов, это основа - изоляционный материал (несущая часть) и собственно печатный монтаж. Печатным монтажом называют систему плоских проводников, нанесенных на изоляционную основу, которые обеспечивают необходимое электрическое соединение всех элементов схемы. Как основной материал для печатных проводников употребится медь с содержимым примесей не выше 0,05%. Этот материал имеет высокую электрическую проводимость, относительно стойкий относительно коррозии, хотя и требует защитного покрытия. Механические свойства печатных проводников довольно высокие. Отсутствие пористости и посторонних включений исключает опасность обрыва цепи. Проводники печатных плат изготовляют из материала, который имеет хорошую адгезию к материалу основы печатной платы.
Изготовление печатной платы содержит в себе такие этапы:
механическая обработка печатной платы (резание заготовки, штампование, фрезирование, сверление);
нанесение печатных проводников (печатные проводники можно получать химическим (субтрактивным), электрохимическим (аддитивным) и комбинированным методами);
монтаж элементов (пайка);
заключительные операции (защитное покрытие, лакирование и т.д.).
Субтрактивный процесс - это получение проводниковых рисунков путем селективного пищеварения участков фольги из пробильных мест.
Аддитивный процесс - получение проводникового рисунка путем выборочного осаждения проводникового материала на нефольгированый материал основы.
Для двусторонних печатных плат на фольгированой основе наиболее технологическим есть комбинированный позитивный метод.
Этот метод заключается в получении проводников путем пищеварения фольгированного диэлектрика и металлизации отверстий электрохимическим способом.
При положительном процессе диэлектрик находится в больше благоприятных условиях, так как фольга предохраняет его от действия электролита. Однако в этом случае происходит пассивация поверхности металла внутри отверстий при пищеварении, которое утрудняет пайку, так как металл не смачивается припоем. Комбинированный способ особенно целесообразно применять при использовании как основы фольгированого стеклотекстолита для получения двусторонних печатных плат.
К преимуществам комбинированного метода можно отнести:
объединяет в себе преимущества химического (субтрактивного) и электрохимического (аддитивного) методов;
существенным образом повышается надежность паянных соединений за счет того, что припой при соответствующем выборе диаметра заполняет все отверстие, при этом достигается электрическая и механическая стабильность при малом диаметре контактной площадки;
прочность на разрыв припаянных выводов выше прочности самых выводов.
7. Расчеты конструкции
7.1 Конструкторско-технологический расчет печатной платы [4]
7.1.1 Определение минимальной ширины печатного проводника по постоянному току
Минимальная ширина печатного проводника по постоянному току равна:
(7.1.1.1)
j>доп> = 48 A/мм2 - допустимая плотность тока для печатных плат изготовленных комбинированным позитивным методом
t>п> - толщина проводника:
t =h>ф> + h>хм >+ h>гм> (7.1.1.2)
h>ф >= 0.035 мм
h>хм - >0,055 мм толщина химически осаждённой меди
h>гм - >0,0065 мм толщина гальванически осаждённой меди
Исходя из формулы (7.1.1.2):
t>п >= 0,035+0,055+0,0065=0,0965 мм.
I>max> - максимальный постоянный ток в проводнике определяем из анализа схемы:
В нашей схеме основными потребителями являются:
микросхема LM324, 3 мА., резисторы R1-R27, ≈20 мА.
=3
+ 20 = 23 мА.
=
=
0,005 мм.
Вычисленная ширина меньше минимальной ширины проводника 4-го класса точности (0,15 мм). Это означает, что можно сделать минимальную ширину проводника, которая будет соответствовать 4-му классу точности.
Для дальнейших расчетов примем минимальную ширину проводника такой, которая будет соответствовать 4-му классу точности, т.е.0,15 мм.
7.1.2 Определение минимальной ширины печатного проводника исходя из допустимого падения напряжения на нём
(7.1.2.1)
где - объемное удельное сопротивление фольги для данного метода изготовления проводника, = 0,0175 Ом × мм2/м;
l>пр - >самый длинный проводник, l>пр >= 0,1 м; t >п> = 0,0965 мм; I>max>> >= 23 мA;
U>доп> - допустимое напряжение определяем по формуле:
U>доп> = 5% Е>пит> (7.1.2.2)
U>доп> = 0,05·9В = 0,45 В;
мм.
Минимальная ширина проводника удовлетворяет требованиям 4-го класса точности.
7.1.3 Определение номинального значения монтажных отверстий
(7.1.3.1)
где d>вэ> - диаметр вывода элемента, d>вэ> = 0.5 мм.
∆d>мо> - нижнее предельное отклонение от номинального диаметра монтажного отверстия, ∆d>мо> =0,1 мм.
r - разница между минимальным диаметром отверстия и максимальным диаметром вывода, r = 0,2 мм.
d = 0,5+0,1+0,2= 0,8 мм.
7.1.4 Определение диаметра контактной площадки
Определим диаметр контактной площадки:
(7.1.4.1)
D>min>_>1> - минимальный эффективный диаметр контактной площадки.
0,03 - учитывает метод изготовления.
,
(7.1.4.2)
где d>max> - максимальный диаметр просверленного отверстия;
b>по> - ширина пояска вокруг контактной площадки. [b>по >= 0,05мм, для 4-го класса точности];
- погрешность расположения центра
отверстия относительно узла координатной
сетки. [
=0,07мм];
- погрешность расположения центра
контактной площадки относительно узла
координатной сетки. [
=0,05мм].
d>max>=
(7.1.4.3)
где d - номинальный диаметр монтажного отверстия;
- допуск на диаметр отверстия. [
=0,05мм]
d>max>=0,8 мм + 0,05 мм + 0,15 мм=1мм.
Тогда, исходя из формулы 7.1.4.2 получим:
D>min>_>1>=2 (0,05мм+0,5мм+0,07мм+0,05мм) =1,34≈1,3мм
Зная D>min>_>1, >воспользуемся формулой 7.1.4.1:
D>min>= 1,3+ 1,5∙0,035+0,03 = 1,38мм.
D>max>= D>min>+0,02 (7.1.4.4)
D>max>=1,4мм.
7.1.5 Определение ширины проводников
Минимальная ширина проводников:
(7.1.5.1)
где b>1min>=0,15 мм, для печатных плат 4 класса точности:
b>min>=0,2325 мм;
Максимальная ширина проводников:

b>max>=0,2345 мм;
Для удобства берём ширину b=0,25 мм.
7.1.6 Определение минимального расстояния между элементами проводящего рисунка
Минимальное расстояние между проводником и контактной площадкой:
(7.1.6.1.1)
где L>0> - расстояние между центрами рассматриваемых элементов (1,25мм).
>l> - допуск на расположение проводников, >l>=0,05 мм;
D>max>, δ>p>, b>max> - см. пункт 7.1.4 и 7.1.5.

S>1>>min> = 0,325 мм.
Минимальное расстояние между двумя проводниками:
(7.1.6.2.1)

S>1>>min> = 0,9 мм
Минимальное расстояние между двумя контактными площадками:
(7.1.6.3.1)
- расстояние между центрами соседних
контактных площадок (2,5мм).

S>1>>min> = 1 мм.
7.2 Электрический расчет печатной платы
7.2.1 Расчёт предельного падения напряжения на проводниках
(7.2.1.1)
где: - удельное объемное сопротивление, для комбинированного позитивного метода = 0,0175 Ом∙мм2/м;
l - максимальная длинна печатного проводника, l=0,1м.
t - толщина проводника, t=0,0965мм.
I>max>> - >максимальный постоянный ток, протекающий в проводниках. I>max>=23 мA
b - ширина проводника, b=0,25мм.
Тогда:

Рассчитанное падение напряжения не превышает 5% от напряжения питания.
7.2.2 Расчёт мощности потерь
(7.2.2.1)
где: f = 1 Гц, так как напряжение питания является постоянной величиной;
U - напряжение питания схемы.
tg = 0,002 - тангенс диэлектрических потерь для стеклотекстолита СФ-1-35
С - ёмкость ПП определяется по формуле:
(7.2.2.2)
где: >п> = 5,5 - диэлектрическая проницаемость стеклотекстолита;
S>м >= 150 мм2 - суммарная площадь печатных проводников;
H =1,5 мм - толщина платы;
>С=0,009∙5,5∙150/1,5=4,95 пФ.>
>Определим мощность потеть используя формулу 7.2.2.1:>
P>n>=23,144,95∙10-6920,002= 4,95 мкВт.
7.2.3 Расчёт паразитной поверхностной ёмкости между двумя проводниками
(7.2.3.1)
где: S = 1 мм - расстояние между двумя параллельными проводниками;
l>п >= 12 мм - длина взаимного перекрытия двух параллельных проводников;
h = 0,0965 мм - толщина печатного проводника;
>Л> = 4 - диэлектрическая проницаемость лака УР-231
= (>Л+>>п>) /2
>.>
7.2.4 Расчёт индуктивности печатных проводников
Определим паразитную индуктивность шины питание и шины земля:
(7.2.4.1)
где: l>n >= 100 мм - длина максимального участка шины земля;
l´>n >= 45 мм - длина максимального участка шины земля
h = 0,0965мм - толщина проводника шины питания;
b>n >= 0,5 мм - ширина проводника шины питания;
>L>>ШЗ>>
= 2>>>>126>>>>
(2,3>>>>lg>
>+
0,2235>
>+0,5)
>>>>10>-3>
= 1,4>>1>>мкГн>
>L>>ШП>>=
2>>>>126>>>>
(2,3>>>>lg>
>+
0,2235>
>+0,5)
>>>>10>-3>
= 1,>>21>>
>>мкГн>
Составленная схема печатных проводников удовлетворяет заданным условиям, так как полученные расчётные значения наиболее важных электрических параметров не превышает допустимых значений для данного типа печатной платы.
7.3 Расчет на вибропрочность
Определим вибропрочность нашей печатной платы из стеклотекстолита.
Параметры для расчета:
a/b/=60/35/1,5 мм
где a - длинна платы
b - ширина платы
- толщина платы.
Параметры стеклотекстолита:
Предел текучести: >т>=105 МПа
Модуль Юнга: Е=3,2*1010 Па
Коэффициент Пуассона: =0,22
Показатель затухания: =0,06
Удельный вес: =2050 кг/м3
Плотность: =2,05*104 Н/м3
Коэффициент запаса прочности: к=2
При установке наша плата будет закреплена согласно варианту “опирание по четырём сторонам”. Тогда , коэффициент учитывающий способ закрепления при расчете собственной резонансной частоты, будет равен:
(7.3.1)
Приступим к расчету:
1. Определим массу всех элементов (m>э>) и массу печатной платы (m>п>)

(7.3.2)
2. Определим коэффициент влияния (он учитывает массу ЭРЭ на печатной плате) пользуясь следующим выражением:
(7.3.3)
где m>Э> - суммарная масса всех ЭРЭ на печатной плате, m>Э>=12 г.
m>п> - масса платы, m>п>= 6,32г.
Рассчитаем К>В >по формуле (7.3.3):

3. Далее следует определить собственную частоту колебаний печатной платы:
(7.3.4)
(7.3.5)
где D - цилиндрическая жесткость, определяется по формуле:
Е - модуль Юнга (Е=3.02*1010 Па);
- коэффициент Пуассона (=0.22).
Подставим эти значения в формулу (7.3.5):
Н∙м;
Определим , считая, что плата опирается по четырем сторонам.
Воспользуемся формулой (7.3.1)
;
=*g, где g - ускорение свободного падения (g=9.81).
Теперь подставим все найденные значения в выражение (7.3.4) и найдем собственную частоту колебания печатной платы:
Гц.
Практика показала, что если f>c>>250 Гц, то конструкция абсолютно жесткая. Делаем вывод, что устройство не нуждается в дополнительных опорах, амортизаторах или других элементах, необходимых для уменьшения перегрузок при действии вибрации.
7.4 Тепловой расчет ПП
Компонентом с максимальной выделяющейся тепловой мощностью является транзистор VT2. На данном элементе происходит падение напряжения на 4,8В и согласно суммарному потреблению протекает ток около 12 мА.
Определим выделяемую мощность:
Вт (7.4.1)
Для расчёта зададимся температурой окружающей 50оС. По документации допустимой температурой транзистора является Т>доп.>=150оС, сопротивление кристалл/корпус R>пп./кор.>=25оС/Вт и сопротивление корпус/среда R>кор./ср.>=160оС/Вт. Если взять что максимальная расчётная мощность рассеивания 0,057 Вт, то расчётная температура кристалла:

Данная температура является допустимой для работы транзистора. Согласно документации производителя, при Т>окр.ср.>=50оС транзистор способен рассеять до 400 мВт. Приходим к выводу о нецелесообразности применения радиатора.
7.5 Расчет показателей надежности
Одна из важнейших задач конструирования - разработка РЭА, ЭВМ и систем, обладающих высокой экономической и технической эффективностью, которая в значительной степени определяется их надежностью.
Надежность - это свойство объекта сохранять во времени в установленных пределах значения всех параметров, характеризующих способность выполнять требуемые функции в заданных режимах и условиях применения, технического обслуживания, ремонтов, хранения и транспортирования (ГОСТ 27.002-83). Если ЭВА отвечает всем эксплуатационным требованиям, то она считается надежной. Выделяют два основных вида надежности: техническая - это надежность на соответствие ТУ и определяется в заводских условиях для всех изделий; эксплуатационная - надежность данного элемента в условиях эксплуатации с учетом режимов работы, местных условий и квалификации обслуживающего персонала. Основными свойствами этого типа надежности являются безотказность, ремонтопригодность и долговечность.
Основными показателями и характеристиками надежности являются:
P (t) - вероятность безотказной работы;
λ (t) - интенсивность отказов;
Т>ср. - >среднее время наработки до первого отказа;
Q (t) - вероятность отказа.
Целью расчета показателей надежности является определение численных значений основных показателей надежности по интенсивности отказов элементов. Исходная характеристика надежности для элементов конструкции является интенсивность отказов, которая является функцией режима работы элемента, температуры окружающей среды и внешних воздействий.
,
(7.5.1)
где λ>ОЭ> - интенсивность отказа элемента при оптимальных условиях;
К>Н> - коэффициент электрической нагрузки, равный отношению рабочей нагрузки к оптимальной:
;
(7.5.2)
α>t> - температурный коэффициент, показывающий во сколько раз отличается интенсивность отказа элемента при данном К>Н> от интенсивности отказа при номинальных условиях:
;
(7.5.3)
α>b> - коэф. учитывающий влияние внешних воздейств. на надежность элемента
Таблица 7.5.1 Интенсивность отказов элементов печатной платы [2].
|
Наименование элемента |
Тип элемента |
N |
λ>о.э>10-7, 1/ч |
К>н> |
a>t> |
a>b> |
N∙ λ>о.э>.∙10-7∙ К>н>∙ a>t>∙ a>b> |
|
Светодиоды |
АЛ307ГМ |
1 |
0,2 |
0,37 |
1,1 |
10 |
0,814 |
|
Диоды Шоттки |
КД521А |
1 |
0,3 |
0,3 |
1,1 |
10 |
0,99 |
|
Конденсаторы |
К10-7В |
8 |
0,3 |
0,7 |
0,4 |
10 |
6,72 |
|
Конденсаторы |
К 50-16 |
2 |
0,3 |
0,6 |
0,5 |
10 |
1,8 |
|
Резисторы |
С2-23 |
26 |
0,02 |
0,2 |
1,6 |
10 |
1,664 |
|
Резисторы |
PVM4 |
1 |
0,4 |
0,8 |
1,8 |
10 |
5,76 |
|
Резисторы |
RV091NP |
1 |
0,4 |
0,7 |
1,4 |
10 |
3,92 |
|
Транзисторы |
BC548, BFR91A |
3 |
0,88 |
0,6 |
1,2 |
10 |
19,008 |
|
Переключатели |
SS-8 |
1 |
0,5 |
1 |
1 |
10 |
5 |
|
Микросхема |
LM324 |
1 |
0,2 |
1 |
3 |
10 |
6 |
|
Печатная плата |
1 |
1 |
1 |
1 |
10 |
10 |
|
|
Пайка выводов |
188 |
0,005 |
1 |
1 |
10 |
9,4 |
В таблице 7.5.1 приведены справочные данные по интенсивности отказов для каждого элемента.
Обозначения в таблице:
N - количество элементов;
>о.э. - >интенсивность отказов элементов (1/ч);
К>н> - коэффициент нагрузки:
a>t> - температурный коэффициент;
a>b> - коэффициент воздействий внешней среды;
Из таблицы 7.5.1 определяем результирующую интенсивность отказов:
>р> = 71,076·10-7
Далее определим среднее время наработки до первого отказа
(7.5.4)
Затем определим вероятность безотказной работы в течении 1 года:
(7.5.5)
Тогда вероятность отказов Q (t) = 1-0,939 = 0,061
Построим график зависимости безотказной работы и отказа от времени:
|
t, час. |
10 |
102 |
103 |
104 |
105 |
106 |
|
P |
0,999924 |
0,99924 |
0,992421 |
0,926746 |
0,467311 |
0,000497 |

Рис.7.5.1 График зависимости вероятности безотказной работы и отказа от времени.
Таким образом, после определения основных показателей надёжности, можем утверждать, что данное устройство является достаточно надёжным.
8. Инструкция по применению
Перед первым включением прибора в исследуемом помещении необходимо повернуть движок подстроечного резистора R9 до упора по часовой стрелке. В этом случае весь сигнал с детектора попадает на компаратор, таким образом, обеспечивая режим максимальной чувствительности. После этого нужно подать напряжение питания переключателем К1. Затем, вращая переменный резистор R10, установить такой порог срабатывания компаратора, при котором генератор НЧ находится на границе возбуждения или происходит генерация самого низкочастотного тона. Последнюю операцию необходимо производить в точке пространства, где электромагнитное излучение заведомо отсутствует. Медленно обследуйте помещение. При приближении к источнику сигнала частота звукового тона будет уменьшатся, а при отдалении - соответственно увеличиваться. При высоком уровне электромагнитного поля в помещении, возможно, понадобится регулировка чувствительности детектора резистором R9. При регулировке изменяется частота звукового тона чем выше частота тем меньше чувствительность.
Выводы
В данном бакалаврском проекте был разработан детектор высокочастотного излучения.
При разработке поставленной цели был проведен детальный анализ существующих на данный момент способов решений данной задачи. После чего был проведен выбор и обоснование функциональных узлов. На основе их анализа было разработано устройство: детектор высокочастотного излучения.
Размеры разработанного устройства составляют 100х60х25 мм и соответствуют требованиям технического задания. Питание устройства осуществляется от батареи 9В. Потребляемый ток составляет 23 мА. Печатный узел устройства разработан с применением технологии поверхностного монтажа.
Конструкторско-технологический, электрический расчеты, расчет теплового режима, расчет на вибропрочность и расчет основных показателей надежности показали соответствие устройства требованиям, изложенным в техническом задании.
В бакалаврском проекте имеется графическая часть, включающая структурную, функциональную и электрическую принципиальную схему устройства, сборочный чертеж печатной платы, а так же чертежи разводки печатного узла, которые необходимы для изготовления устройства на производстве.
Разработанная конструкция может быть использована для защиты от несанкционированного вмешательства в личную жизнь - для поиска подслушивающих приборов (жучков, видеокамер), которые передают данные по радиоканалу.
Приведенные расчеты и графическая часть показывают, что задание бакалаврского проекта выполнено полностью.
Литература
www.granit33.ru
www.techportal.ru
www.nelk.ru
Конспект лекций по курсу "Физико-теоретические основы конструирования".
www.masterkit.ru.
Бобровский В.П. Костенко В.Н. Михайленко О.Н. Справочник по схемотехнике для радиолюбителя 2-е изд., доп и испр. - К.: Тэхника, 1989.480с.
Партала О.Н. Радиокомпоненты и материалы:
Справочник. - Киев, М.: Радiоаматор, КУбК-а, 1998. - 710с.
www.datasheetcatalog.com.
Конспект лекций по курсу "аналоговая и цифровая электроника"
Фролов В.А. Анализ и оптимизация в прикладных задачах конструирования РЭС: Учеб. пособие. - К.: Вища школа, 1991. - 310 с: ил.
www.niiemp.ru.
www.wealthmetal.com.
www.vishay.com.
www.jamicon.com.
www.murata.com.
www.elecomp.ru.
ГОСТ 10316-78 Гетинакс и стеклотекстолит фольгированные. Технические условия.
ГОСТ 11478-88 Аппаратура радиоэлектронная бытовая. Нормы и методы испытаний на воздействие внешних механических и климатических факторов.
ГОСТ 12.2.007.0-75 Изделия электротехнические. Общие требования безопасности.
ГОСТ 15150-69 Машины, приборы и другие технические изделия. Исполнения для различных климатических районов. Категории, условия эксплуатации, хранения и транспортирования в части воздействия климатических факторов внешней среды
ГОСТ 20.39.405-84 Изделия электронной техники и электротехнические для автоматизированной сборки аппаратуры
ГОСТ 23665-79 Платы печатные. Обработка контура. Требования к типовым технологическим процессам.
ГОСТ 23770-79 Платы печатные. Типовые технологические процессы химической и гальванической металлизации.
ГОСТ 25861-83 Машины вычислительные и системы обработки данных. Требования по электрической и механической безопасности и методы испытаний
ГОСТ 2.417-91. Платы печатные. Правила выполнения чертежей.
ГОСТ 2.701-84 - ЕСКД. Правила выполнения схем.
ГОСТ 2.702-75 - ЕСКД. Правила выполнения электрических схем.
ГОСТ 2.708-81 - ЕСКД. Правила оформления схем.
ГОСТ 2.709-89 - ЕСКД. Обозначения условные проводов и контактных соединений электрических элементов, оборудования и участков цепей в электрических схемах.
ГОСТ 2.730-73 - УГО. Приборы полупроводниковые.
ГОСТ 2.743-91 - УГО. Элементы цифровой техники.
ГОСТ 2.759-82 - УГО. Элементы аналоговой техники.
ГОСТ 2.710-81 - ЕСКД. Обозначения буквенно-цифровые в электрических схемах.


