Разработка кодирующего устройства для формирования сверточного кода
МИНИСТЕРСТВО ОБРАЗОВАНИЯ И НАУКИ
РОССИЙСКОЙ ФЕДЕРАЦИИ
ФЕДЕРАЛЬНОЕ АГЕНТСТВО ПО ОБРАЗОВАНИЮ
МОСКОВСКИЙ АВИАЦИОННЫЙ ИНСТИТУТ
ПРАКТИЧЕСКАЯ РАБОТА
по дисциплине: "Основы теории кодирования"
на тему: "Разработка кодирующего устройства для формирования сверточного кода"
Руководитель:
Зеленевский В.В.
Исполнитель: студент 931 учебной группы
Сумин А.А.
Серпухов – 2007 г.
Спецификация
Таблица 1
-
Позиционное обозначение
Наименование элемента
Количество
Примечание
Регистры К555
DD.1
К555ИР8
1
DD.5
К555ИР9
1
Сумматоры К555
DD.2
К555ЛП5
2
Триггеры К555
DD.3
К555ТВ15
1
Ключи К555
DD.4
К555ЛИ1
1
Содержание
Введение
Разработка структурной схемы системы передачи данных (СПИ), ее описание
Разработка кодирующего устройства для формирования сверточного кода
Разработка структурной схемы кодирующего устройства для формирования сверточного кода
Разработка функциональной электрической схемы кодирующего устройства для формирования сверточного кода
Оценка вероятности правильного приема сообщения, закодированного сверточным кодом
Заключение
Список использованной литературы
Введение
Сверточные (цепные, непрерывные, скользящие) коды являются частным случаем итеративных (рекуррентных) кодов, построенных по непрерывному аналитическому закону. Если эти рекуррентные соотношения линейные, то рекуррентный код – сверточный. Последовательность двоичных символов сообщения при сверточном кодировании на блоки не разбиваются, а формируются последовательно по мере поступления информационных символов сообщения по некоторым рекуррентным, обязательно известным на приемной стороне, соотношениям выбранных для данного типа кода. Сверточные коды бывают систематические (место информационных символов определено) и несистематические (сказать о месте информационных символов невозможно).
Для сверточного кода используется система порождающих многочленов (минимум два). Параметрами сверточного кода, которые влияют на достоверность приема сообщения, являются:
1) конструктивные параметры кодирующего устройства (k – количество разрядов регистра сдвига; R – скорость формирования сверточного кода, которая характеризует избыточность; система образующих полиномов);
2) длина кодовой комбинации,
;
3) свободное кодовое расстояние
(будет определяться для других сообщений),
-определяет
возможность корректировать ошибки.
Влияние любого входного
информационного символа будет
распространяться на
выходных кодовых символов (величина
-
длина кодового ограничения). Длина
кодового ограничения и конкретный вид
связи разрядов регистров сдвига с
сумматорами по mod2
определяют корректирующие свойства
сверточного кода, а величина, называемая
скоростью формирования кода, будет
характеризовать избыточность, которая
вводится при кодировании.
Сверточный код можно рассматривать
как обобщение блочного кода, понимая
при этом под значением
–
длину информационного сообщения и этой
длине информационного сообщения будет
соответствовать суммарная длина кодовой
комбинации, которая отправляется в
канал передачи данных -
,
(
).
Разработка структурной схемы системы передачи данных (СПИ), ее описание
В систему передачи информации входят следующие элементы (рис.1).

Рисунок 1
Кодирующее устройство (кодер) решает задачу введения некоторой избыточности в виде дополнительных символов, передаваемого сообщения статистического кода. Эта избыточность нужна для наделения кода свойством исправлять ошибки. Может использоваться любое представление корректирующего кода, либо двоичное, либо недвоичное (в нашем примере двоичное представление).
Модулятор осуществляет кодирование сигнала по определенному способу модуляции сигнала – амплитудное, частотное, фазовое телеграфирование (в нашем примере фазовое телеграфирование). Для каждого сигнала существуют свои зависимости. При постоянной величине отношения энергии сигнала к энергии шума (помех) вероятность ошибки в приеме бита информации наиболее низкая при использовании фазового телеграфирования.
Демодулятор осуществляет декодирование сигнала, тип которого определяется способом модуляции сигнала. Декодер выполняет функции: 1) обнаружение ошибок; 2) исправление обнаруженных ошибок; 3) дешифрование принятого статистического кода (выделение статистического кода). Возможно, декодер не выполнит своих функций и произойдет трансформация статистического кода в другое разрешенное сообщение, что является крайне опасным явлением. Различают последовательное декодирование сверточных кодов (применим для систематических кодов, особенно для (2,1), обладает пороговыми свойствами), а также декодирование по методу максимального правдоподобия, то есть оптимальным образом. Оптимальное декодирование предполагает, что декодер будет исправлять большее число ошибок, чем пороговое значение.
2. Разработка кодирующего устройства для формирования сверточного кода
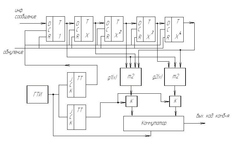
Разработка структурной схемы кодирующего устройства для формирования сверточного кода
Основой для построения структурной схемы кодирующего устройства для формирования сверточного кода является:
заданное число разрядов регистра сдвига, k=5;

система образующих полиномов:
скорость формирования сверочного кода,
,
где
-
число символов сообщения, которые
поступают на вход кодирующего устройства
для формирования определенного отрезка
кодовой комбинации
.
Число разрядов регистра либо задано, либо его определяют по старшей степени в системе образующих полиномов, степень X (в данном случае 4+1=5=k) будет образовать число разрядов. Сумматоров по mod2 ставится столько, сколько образующих полиномов в нашей системе. Связи сумматоров с триггерами регистра сдвига определяются соответствующими коэффициентами многочленов.

Рисунок 2 Структурная схема кодирующего устройства
Коммутатор "опрашивает" выходы сумматоров по mod2 по приходу каждого информационного символа и выдает последовательно символы в канал передачи данных, то есть по приходу одного символа сообщения в канал передачи данных поступает два символа кодовой последовательности.
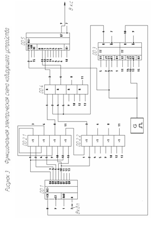
Разработка функциональной электрической схемы кодирующего устройства для формирования сверточного кода
На основе структурной схемы кодера построим функциональную электрическую схему кодирующего устройства (рис.3). При аппаратной реализации используем конструкции на интегральных цифровых микросхемах. Среди серий ИМС выбираем К555 (ТТЛШ – транзисторно-тразисторная логика с использованием диодов Шотки).
Микросхема К555ИР8 - 8-разрядный регистр с последовательной загрузкой и параллельной выгрузкой. Входы: 2 - информационный вход, 8 - тактовый вход, 9 - сброс. Выходы: 3, 4, 5, 6, 10, 11, 12, 13.
Микросхема К555ИР9 - 8-разрядный сдвиговый регистр с параллельной загрузкой и имеет два режима работы: параллельная загрузка и сдвиг. Входы: WR – вход выбора режима; SYN – тактовый вход; входы параллельной загрузки – 3, 4, 5, 6, 11, 12, 13, 14. Выход: 9 – Q7.
Микросхема К555ЛП5 – четыре двухвходовых логических элемента ИСКЛЮЧАЮЩЕЕ ИЛИ (сумматор по mod2).
Микросхема К555ТВ15 – два JK-триггера. Используется в качестве счетного Т-триггера, выполняющего функцию деления частоты на 2. Входы: 4, 12 – входы синхронизации; 1, 15 – входы установки нуля; 5, 11 – входы установки единицы; Выходы: 6, 10 – прямые выходы.
Микросхема К555ЛИ1 – 4 элемента 2И.

Примечание: на микросхемах К555ЛИ1, К555ЛП5 и К555ИР8 7-й выход - общий (земля), 14-й выход – напряжение питания; на микросхемах К555ТВ15, К555ИР9 8-й выход – общий, 16-й выход – напряжение питания;
Принцип работы кодера
Перед началом работы при подаче единичного потенциала на вход 9 регистра сдвига DD.1 содержимое ячеек памяти регистра обнуляется.
При подаче тактового импульса
генератора тактовых импульсов на
синхровход 12 JK-триггера
DD.4
(в данном случае работает как счетный
триггер) его прямой выход 10 установиться
в единичное состояние и с него высокий
потенциал поступает на синхровход 8
регистра сдвига DD.1.
Под действием тактовых импульсов на
информационный вход 2 регистра сдвига
DD.1
поступают информационные символы
сообщения. На первом такте в регистре
сдвига будет находиться 1-й разряд
информационного сообщения. Как только
пришло
(
=1
) символов сообщения с выходов 8 и 3
сумматоров по mod2
DD.2.1
и DD.2.2
на входы 1 и 4 ключа DD.4
поступает
(
=2)
сформированных символов.
Далее при подаче тактового импульса на синхровход 4 JK-триггера DD.4 его выход 6 установится в единичное состояние, тем самым на входы 2 и 5 ключа DD.5 подается единица, и информация с выходов 3 и 6 ключа DD.5 параллельно поступает на входы 1 и 0 регистра DD.5. Затем, по приходу очередного тактового импульса на синхровходы 4 и 12 JK-триггера DD.4 его прямые выходы 6 и 10 установятся в нулевое состояние, следовательно, по приходу низкого потенциала на синхровход 8 регистра сдвига DD.1, считывание информации с его выходов производиться не будет, а ключи DD.4 закроются. Так как частота прихода импульсов с генератора на регистр DD.5 в два раза выше, чем частота прихода импульсов на регистр DD.1, то сформированные символы кодовой последовательности, записанные в ячейки памяти регистра DD.5, будут последовательно выталкиваться в канал передачи данных.
Исходя из рассмотренного принципа
работы кодирующего устройства, можно
утверждать, что по приходу всего
дискретного сообщения
на выходе будет сформировано
символов кодовой последовательности.
В памяти регистра сдвига останутся
последние символы сообщения. Это
существенный недостаток, который влияет
на конечный результат кодирования,
поэтому на практике после окончания
сообщения, имеющего длину
,
на вход кодирующего устройства
дополнительно подается
нулей (4нуля) для того, чтобы выдвинуть
из регистра сдвига оставшуюся информацию.
Поэтому длина кодовой последовательности будет определяться:
;
Это говорит о том, что скорость кода в канале связи
,
что не очень хорошо, так как лишняя избыточность приводит к дополнительным затратам энергии на передачу. Однако если не производить указанное выталкивание символов из регистра сдвига, то не удастся достичь нужного кодового расстояния.
Оценка вероятности правильного приема сообщения, закодированного сверточным кодом
Для оценки вероятности доведения сообщения, закодированного сверточным кодом, используется формула:

Где


- итоговая длина кодовой комбинации,

- число ошибок, гарантированно
исправляемых кодом (
),
-
вероятность ошибки в приеме бита
информации при кодированной системе,
для сигнала F9:
;
;
;


;
Вероятность доведения сообщения при не кодированной системе:
;
;
Вероятность ошибки (трансформации) принятого сообщения:
;
Таким образом, вероятность доведения сообщения кодированной системы меньше чем вероятность доведения сообщения не кодированной системы:
.
Следовательно, код имеет отрицательную эффективность.
Заключение
В результате выполнения курсовой
работы была разработана функциональная
электрическая схема кодера для
формирования несистематического
сверточного кода и основаны принципы
построения схемы кодера. Определена
итоговая длина кодовой последовательности,
которая равна
символам и выявлено, что сверточный код
целесообразно использовать при передаче
длинных сообщений. При больших длинах
сообщения разница между скоростью кода
в канале связи и скоростью формирования
сверточного кода небольшая, а при
коротких эта разница может быть
существенна.
При оценке достоверности
принимаемой информации было определено,
что используемый сверточный код с
данными параметрами обладает отрицательной
эффективностью
,
следовательно, можно: изменить параметры
сверточного кода, например, взять
сверточный код (4,3) со скоростью
формирования
,
длиной регистра k=6,
минимальным кодовым расстоянием
,
а также увеличить энергию сигнала или
время доведения сообщения в
раз.
В этом случае
и
могут быть получены требуемые значения
.
Список использованной литературы
1. Зеленевский В. В. Каналы связи в автоматизированных системах управления. СВИ:2005
2. Кларк-мл., Кейн Дж. Кодирование с исправлением ошибок в системах цифровой связи. 1987
3. Мак-Вильямс Ф.Дж.Теория кодов, исправляющих ошибки. 1979
4. Якубовский С.В. Цифровые и аналоговые интегральные микросхемы. Справочник. 1989