Разработка микшерного пульта
Введение
Темой данного дипломного проекта есть разработка микшерного пульта. В связи с постоянным развитием культурной деятельности, увеличивается число концертов. В последнее время появилось очень много молодежных групп, играющих не электрогитарах. Появляется необходимость использовать микшерные пульты, главная задача которых, отрегулировать параметры звуковой обработки каждого инструмента, смешать все сигналы и подать их на выход. С выхода сигнал может идти на усилитель, наушники, или при звукозаписи, компьютер. Микшерный пульт необходимо сделать не сильно большой, с малой стоимостью, чтоб его могли себе позволить музыканты не высокого класса. Данный пульт можно использовать на репетиционных точках, можно обеспечивать сведение звука на небольших концертах. А также при студийной звукозаписи, пульт может помочь отрегулировать звук так как этого хочет музыкант. Так же в основном для записи в микшерном пульте можно сделать компрессор и шумоподавитель. Например, когда певец поет песню, невозможно, чтобы уровень сигнала был один и тот же. Музыкант при пении может двигаться относительно микрофона и сигнал будет не одинаковый по амплитуде. Иногда могут быть провалы, а иногда перегрузки. При сведении такой записи могут возникнуть трудности. Компрессор же выравнивает звук, он становится одной громкости, более четкий и наполненный. Единственный минус, что не передается динамика, и уже при сведении нужно будет делать голос в некоторых местах громче или тише. Эффект шумоподавителя заключается в том, что когда с инструментов звук не поступает, а остаются только небольшие шумы, то выход выключается. Когда сигнал появляется, который больше некоторого значения, выход включается и на фоне сигнала шум уже почти не слышен.
1. Технические требования
Анализ технического задания
7-ми входной стерео микшер, 3 стерео входа, 4 моно входа, 5-ти полосный эквалайзер по частотам 100 Гц, 400 Гц, 1 кГц, 4 кГц, 10 кГц, регулировка громкости и баланса каждого входа, Эффекты компрессора и шумоподавителя по выходу, напряжение питания 9…12 В.
Из-за того, что есть стерео входы, лучше применить стерео схемы эквалайзеров, и применить 2 таких для 4-х моно входов.
Так как устройство нужно спроектировать максимально меньшим, используем современную элементную базу. Можно использовать микросхему CXA 1352, в которой сделано стерео эквалайзер на 5 полос с регулировкой громкости и баланса. Так как в этой микросхеме регулирование ведется с помощью подачи напряжения от 0 до напряжения питания на выводы микросхемы. Поэтому сигнал не проходит через резисторы регулированию, а только через микросхему, и шумы наводок будут минимальными.
В этой микросхеме кроме активного эквалайзера на 5 полос регулировки от –14 дБ до 14 дБ, еще есть усилитель на 14 дБ, поэтому эту же схему можно использовать в качестве последнего каскада усиления для сложения сигналов.
Из-за использования этой микросхемы, вся схема микшерного пульта без эффектов и индикаторов состоит из 6-ти почти одинаковых схем.
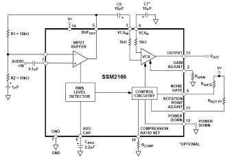
Для эффектов компрессора и шумоподавителя можно использовать микросхему SSM 2166, в которой есть эти эффекты и есть возможность настраивать их индивидуально для себя.
Так как эффекты необходимо применить к выходам, то таких схем нужно 2: на левый в правый каналы.
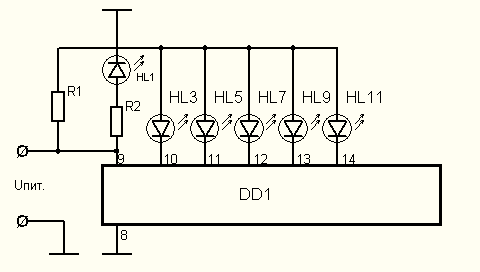
Для наблюдения за уровнем сигнала можно использовать схему стерео индикатора на микросхеме КА2281, к которой подключается 5 светодиодов на канал, и таким образом ведется наблюдение и регулирование сигнала, чтоб не допустить перегрузки
Микросхема CXA 1352 питается от напряжения 5…12В, SSM 2166 – 5…12В, КА 2281 – 9…12В. Поэтому для питания всей схемы в целом нужно напряжение 9…12 В. И можно будет использовать для питания любой покупной блок питания с таким напряжением.
Для максимальной минимизации, и сохранения ремонтопригодности, устройство делаем с 4-мя печатными платами: входы и выходы на 1352, 2 компрессора на 2166 и индикатор, в котором еще будет индикатор включения питания, еще для монтажа элементов индикации и кнопок включения входов используем еще одну печатную плату.
Технические требования к устройству
Электрические требования:
– Количество стерео входов 3
– Количество моно входов 4
– Количество полос эквалайзера 5
– Диапазон рабочих частот 20 Гц … 20 кГц
– Диапазон рабочего напряжения питания + 9 – 12 В
– Сопротивление нагрузки, не менее 20 Ом
– Чувствительность 200 мкВ
– Максимальный потребляемый ток, не более 1А
Технологические требования в устройству:
Класс аппаратуры наземная
Тип аппаратуры бытовая стационарная
Габаритные размеры не более 300х250х50
Масса не более 500 г.
Рабочее положение горизонтальное
Вид монтажа комбинированный
Средняя наработка на отказ не менее 10 тыс. часов
Коэффициент заполнения ПП не ниже 0,4
Коэффициент использования материалов, не менее 0,7
Коэффициент заполнения объема устройства, не менее 0,2
Коэффициент автоматизации, не менее 0,8
Программа выпуска 1 000 шт.
Технологическая себестоимость, не более 400 грн.
Трудоемкость не более
Место установки изделия закрытое отапливаемое помещение
Условия эксплуатации:
диапазон рабочих температур +5ºС… +35ºС
атмосферное давление 84…104,5 кПа
влажность воздуха при температуре 35ºС 85%
2. Разработка схемы
Обзор существующих аналогичных схем и конструкций
Приведу аналогичные схемы эквалайзера, компрессора и шумоподавителя. Схема еквалайзера представлена на рисунке 2.1.

Рисунок 2.1
Достоинством этой схемы есть то, что можно регулировать 8 полос, что обеспечивает более точную настройку звучания.
Но недостатком есть сложность схемы и большие размеры, как видим каждый фильтр сделан отдельным блоком, и звук проходить большую дистанцию, могут быть больше шумы.
В моей схеме возможно все фильтры сделать в микросхеме и звук при обработке не будет выходить за её границы, и шумы будут минимальны.
Схема компрессора представлена на рисунке 2.2

Рисунок 2.2
Достоинством схемы есть вытокая ремонтопригодность.
Недостатком схемы есть то, что компрессия включается из-за нагревания терморезистора, и перепады температуры будут сильно влиять на параметры компрессии. Еще во время эксплуатации параметры компрессии в этой схеме не регулируются.
Схема шумоподавителя представлена на рисунке 2.3.

Рисунок 2.3
Достоинством схемы, как и у компрессора есть большая ремонтопригодность.
Недостатком есть большая сложность и большие габариты.
Представлю аналогичное устройство, микшерный пульт, предназначенный для индивидуального использования (рис 2.4).
В этом микшерном пульте есть 4 стерео входа с регулировкой чувствительности, и 2 входа без регулировки чувствительности, разделенных на 2 разъема (правый и левый). На каждом входе есть 3-х полосный эквалайзер, регулировка громкости, баланса. На выход можно задействовать один из 16-ти эффектов. Присутствует эквалайзер выходного сигнала.
Недостатком есть малое количество полос эквалайзера и отсутствие эквализации по выходу.
Достоинством есть большое количество эффектов, которыми можно улучшить или приукрасить выходной сигнал.

Рисунок 2.4.
2.2 Разработка схемы
Проанализировав техническое задание и проанализировав параметры аналогичных устройств, я решил сделать устройство наиболее технолологичным, миниатюрным и удобным в использовании.
Было решено взять для основных блоков современные схемы на импортных микросхемах, а которых устроены большие схемы и они полностью заменяют вышеупомянутые аналоги.
Было решено использовать 3 основных блока, это эквалайзер с продусилителем, индикатор и компрессор. Эти схемы были найдены на официальном сайте импортных микросхем, где представлены полные заводские описания, и схемы подключения.
В моей схеме кроме найденных схем используются некоторые дополнения и изменения, которые были сделаны в период разработки, и способствуют лучшей работе схемы при данном использовании.
Обзор и описание схемы электрической структурной
Схема электрическая структурная показана на рисунке 2.5.
Микшерный пульт состоит из 3-х стерео входов и 4-х моно входов.
Схема регулировки эквалайзера, баланса и громкости выполнена для стерео сигнала и состоит из 2-х одинаковых блоков.
1-й вход – стерео его сигнал поступает сначала на регулировку чувствительности, затем на блок регулировки эквалайзера, громкости и баланса. В этом же блоке выполняется усиление сигнала.
Затем сигналы «левого» и «правого» смешиваются в общий соответственно. Левый смешивается в левый канал, который поступает на окончательный блок регулировки, правый – соответственно на правый.

Рисунок 2.5
Для уменьшения влияния на блоки других входов, смешение осуществляется с помощью резисторов.
2-й и 3-й входа такие же самые.
4-й и 5-й входа – моно, но так же как и предыдущие, подаются на один блок регулировки, но отличием является то, что отсутствует регулировка чувствительности, и смешение сигналов происходит обоих входов в оба канала – правого и левого. Осуществляется с помощью 4-х резисторов.
В этом блоке роль баланса является регулировка громкости одного входа, относительно другого (в центральном положении громкость 4-го и 5-го входов будет одинакова, в правом положении громкость 4-го будет уменьшатся, в левом, громкость 5-го). Регулировка громкости будет действовать на 2 входа одновременно. Регулировка эквалайзера осуществляется для 2-х входов одновременно.
Входа 6-й и 7-й осуществлены также как и 4-й и 5-й.
После смешения всех сигналов в 2 (правого и левого) они подаются со смесителя на в окончательный блок регулировок, где так же само можно отрегулировать окончательно совместно эквалайзер, громкость и баланс.
А также так как для смешения сигналов использовались резисторы, то сигнал уменьшился, и в этом блоке происходит усиление до нормального уровня.
После этого сигнал проходит на выход и уровень сигнала показывается на стерео индикаторе на 5 делений. Так же этот сигнал поступает на компрессор.
Компрессор сужает динамический диапазон сигнала, то есть усиливает слабые сигналы и ослабляет сильные. Это часто требуется на звукозаписи для получения качественного трека. При использовании такого эффекта не будет важно, чтобы например певец пел на одном расстоянии от микрофона, на громкости это почти не будет сказываться. Запись будет одного уровня.
Также этот блок осуществляет шумоподавление – он «отрезает» все сигналы, которое меньше определенного значения. Блок процессора выполнен на 2-х одинаковых схемах, для левого и правого канала.
У каждого компрессора регулируются 4 параметра:
– усиление, которое регулирует увеличение или уменьшения АЧХ по всему диапазону
– величина компрессии, регулируется угол компрессии относительно без компрессии (45 град).
– крутизна ограничения, регулируется угол ограничения. После определенного уровня сигнала, уровень дальше будет усиливаться намного меньше, что не повлечет на следующих каскадах перегрузку
– регулировка порога чувствительности, регулируется уровень сигнала, при котором выключается шумоподавление.
После компрессора сигнал проходит на выход «выход компрессора».
На входе каждого каскада регулировки эквалайзера, громкости и баланса стоит схема индикации перегрузки.
Так как на одну такую схему идет 2 канала, будь то правый и левый или отдельные входа, для экономии и практичности сделан один индикатор на 2 канала, они подключаются через диод. При превышении порогового значения на одном из 2-х входов, или на обоих, открывается транзистор, и загорается светодиод. Таких схем присутствует 6: для 1,2,3 стерео входов, для 4,5 и 6,7 моно сходов по одному, и для выходного каскада.
В схеме присутствуют 3 различных схемы:
– Регулировка эквалайзера, громкости и баланса, а также усиление на 14 дБ. На входе которой выполнен индикатор перегрузки. Таких схем 6.
– Компрессор и шумоподавитель. 2 схемы (правый и левый)
– Индикатор выходного сигнала.
2.4 Описание принципиальной схемы
Описание привожу поблочно.
Описание блока входов.

Рисунок 2.6
Блок (рис 2.6) осуществляет регулировку эквалайзера, громкости и баланса. А так же осуществляет усиление сигнала на 14 дБ. Так же присутствуют индикаторы перегрузки, включение входа и баланса.

Рисунок 2.7.
Блок осуществлен на микросхеме CXA 1352, которая осуществляет эквализацию и усиление стерео сигнала.
Структурная схема микросхемы представлена на рисунке 2.7. Изображен один канал.
Как видно, сигнал усиливается на 14 дБ и проходит через 5-ти полосный эквалайзер, где осуществляется регулировка + 10 дБ каждой полосы. После этого сигнал проходит через регулировку громкости и проходит на выход. Остальные входы (F OUT и L OUT) мы не используем. Из 1-го выхода выходит сигнал просто усиленный со входа на 29 дб, не проходя через эквалайзер и регулировку громкости. 2-й – выход не проходя через регулировку громкости, напрямую от эквалайзера.
Все регулировки осуществляются подачей напряжения от 0 до питающего на определенный выводы микросхемы. Тем самым регулировка производится непосредственно в самой микросхеме, что обеспечивает минимальные помехи и наводки на сигнал.
Входной сигнал проходит через разъем «стереоджек» и регулировку чувствительности, выполненной на сдвоенном переменном резисторе. Это необходимо для приема сигнала от мощных источников. Сигнал амплитудой выше 1,5 В будет проходить через микросхему с искажениями, сильно большая амплитуда может повредить микросхему. Поэтому резистором чувствительности достигается номинальное значение входного напряжения микросхемы.
Далее сигнал следует через разделительные конденсаторы для каждого канала. Они разделяют по переменному току, и служат для нормальной работы микросхемы без влияния на неё подключенных приборов.
Регулировка осуществляется подачей напряжения от 0 до питающего. Это осуществлено с помощью переменных резисторов, которые работают как делители напряжения. В левом положении на микросхему подается 0, в правом, напряжение питания.
Для осуществления выключения входа используется переключатель, включенный после резистора регулировки громкости. Во включенном состоянии на микросхему подается напряжение с резистора, и загорается светодиод, показывающий включение входа. При выключенном состоянии на вывод микросхемы регулировки громкости подается «0», и индикатор включения входа тухнет, тем самым имитируя нулевую громкость, т.е. на выходе микросхемы сигнал не будет присутствовать.
Еще присутствует индикатор баланса. На 2-х резисторах выполнен делитель напряжения, и параллельно включено 2 светодиода с разным включением, и соединяется с резистором регулировки баланса. При среднем положении между выводами светодиода разность потенциала равна нулю и ни один светодиод не светится, при движении вправо появляется положительное напряжение и постепенно загорается правый диод, при движении ручки влево, загорается левый светодиод.
Баланс работает таким образом, при среднем положении (½ от питающего напряжения) оба канала работают без изменений, при повышении напряжения уменьшается громкость левого канала, правый остается без изменений и наоборот
Регулировка эквалайзера осуществлена без индикаторов 5-ю переменными резисторами. Регулируются такие полосы: 100 Гц, 400 Гц, 1 кГц, 4 кГц, 10 кГц. Амплитудно-частотная характеристика представлена на рисунке 2.8.
После микросхемы сигнал следует через разделительные конденсаторы, которые также разделяют по постоянному току и обеспечивают нормальную работу микросхемы без влияний последующих устройств.

Рисунок 2.8
Индикаторы превышения сигнала построены на 2-х диодах, транзисторе и диоде. Сделан один для 2-х каналов. Через диоды сигнал проходит на базу транзистора и при достижении определенного уровня транзистор открывается и загорается светодиод, тем самым показывая превышения сигнала, и что для качественного звука необходимо уменьшить амплитуду сигнала. Диоды применяются для того, чтобы сигналы не смешивались.
Так как регулировка громкости осуществляется на 2 канала одновременно, нет смысла делать 2 индикатора для каждого канала.
Далее сигнал проходит через резисторы, где он ослабляется и дальше происходит смешивание.
Остальные элементы служат для нормальной работы микросхемы.
Вход 2 и 3 осуществлены по такой же схеме.
Вход 4 и 5 моно, и сделаны на одном блоке как предыдущие.
Отличие лишь во входной и выходной цепях, это показано на рисунке 2.9.
В отличие от блока входа 1,2,3, здесь на каждый канал проходит сигнал с отдельного моно разъема, и отсутствует регулировка чувствительности.
Далее все регулировки ведутся также, но баланс регулируется так: в среднем положении оба входа, и 4-й и 5-й работают одинаково, при правом положении регулятора баланса ослабляется 4-й вход, при левом, 5-й. Регулятор громкости действует для обоих входов.

Рисунок 2.9
В выходной цепи вместо 2-х резисторов применяются 4. При с каждого канала сигнал поступает в оба канала смешанного сигнала, что обеспечивает на выходе присутствие обеих входов в обоих каналах (правом и левом), что и является признаком моно входов.
6-й и 7-й моно входа осуществлены также соответственно.
Такое малое отличие схем стерео и моно входов обеспечивает высокую технологичность. Можно сделать 5 одинаковых блоков на одной плате. И разница между моно и стерео будут лишь в схеме подключения к ней.

Рисунок 2.10
Смешивание сигналов.
Смеситель выполнен на резисторах номиналом 15 кОм, что обеспечивает номинальное подавление сигнала для подальшего усиления в выходном блоке. Схема представлена на рисунке 1.10.
Входа 1,2,3 смешиваются просто через резисторы соответственно в левый и правый каналы.
Входа 4,5,6,7 моно, и особенностью смешивания является то, что они выполнены на 2-х стерео блоках, и каждый вход через резисторы смешивается в оба канала (правый и левый).
Смешанный сигнал поступает на выходной блок.
Выходной блок такой же как и входной, в нем также осуществляется регулировка эквалайзера, баланса и громкости. Отличием является то, что отсутствует включатель, так как нет надобности его использовать, чтобы отключить сигнал на выходе, можно просто отключить сеть всего устройства. Также на входе отсутствует регулировка чувствительности. Смешанный сигнал напрямую проходит через разделительные микросхемы в микросхему. На выходе блока разделительные резисторы отсутствуют.
Схема выходного блока изображена на рисунке 2.11.

Рисунок 2.11
После выходного блока сигнал поступает на индикатор сигнала, выход, и каскад эффектов. Структурная схема представлена на рис 2.12.
Для возможности подключения к выходу устройства нескольких устройств, есть один стерео вход, и 2 моно (левый и правый). Величина сигнала наблюдается на стерео индикаторе, каждый канал которого состоит из 6-ти светодиодов, 1-й горит всегда, и индицирует питание от сети.

Рисунок 2.12
Сигнал еще проходит в блок компрессора, который состоит из 2-х одинаковых схем и служит для обработки левого и правого каналов. После блоков компрессора сигнал поступает на выходы, которых тоже 3 (1 стерео и 2 моно), что позволяет подключить несколько устройств к выходу.
Блок индикации.
Служит для наблюдения за величиной выходного сигнала, чтобы не допустить превышения допустимого сигнала и не вывести из строя последующие чувствительные в перегрузкам устройства.
Схема индикатора представлена на рисунке 2.13.

Рисунок 2.13
С увеличением амплитуды сигнала загораются большее число светодиодов на шкале, первый горит постоянно. Шкала логарифмическая, что наиболее подходящая для слежения за звуковым сигналом. Последний светодиод загорается, когда амплитуда сигнала превышает нормальную.
Блок компрессора
Схема блока представлена на рисунке 2.14

Рисунок 2.14
Служит для улучшения звукового сигнала при звукозаписи для сужения динамического диапазона, ограничения и шумоподавления.
Имеются 4 регулировки для подбора максимально подходящих параметров работы, это: усиление, величина компрессии, крутизна ограничения, регулировка порога чувствительности.
Регулировкой усиления регулируется величина выходного сигнала.
Регулировкой компрессии регулируется отношение характеристики выхода ко входу, это можно наблюдать на рисунке 2.15

Рисунок 2.15
Этой регулировкой обеспечивается выравнивание амплитудной характеристики.
Регулировкой крутизны ограничения, регулируется угол ограничения сигнала после максимального участка компрессии.
Это делается для того, чтобы сигналы выше определенного уровня не перегружали последующие устройства, а сигнал как бы подавляется, этим самым сохраняя стабильную амплитуду не теряя качества сигнала. Регулировка ограничения показана на рис. 2.16.

Рисунок 2.16
Регулировкой порога чувствительности регулируется, насколько будут подавляться сигналы меньше порога подавления. Это необходимо для того, чтобы шумы, имеющие маленькую амплитуду, подавлялись. При звукозаписи это очень важно, в паузах, когда полезный сигнал отсутствует, присутствует шум, который записывается, и уменьшает качество записи. При использовании этого эффекта, когда сигнала нет, шум уменьшается, и его почти не слышно, когда же сигнал появляется, то микросхема снова «включается» и на фоне звука шум уже почти не ощущаем.
Структурная схема микросхемы эффектов показана на рис. 2.17.

Рисунок 2.17
Коэффициент усиления микросхемы равен отношению резистора R1 к R2. В моей схеме применяется коэффициент 1, так как на вход поступает сигнал, амплитуда которой подходит для последующих устройств, больше усиливать сигнал нет смысла.
Сигнал поступает на вход микросхемы через разделительный конденсатор. Проходит через операционный усилитель и через разделительный конденсатор вне микросхемы проходит на блок эффектов, который регулируется с помощью резисторов, подключенных в выводам микросхемы.
Такой эффект выравнивает сигнал по амплитуде, и на выходе получается качественный насыщенный сигнал одинаковой амплитуды, вне зависимости от амплитуды источника.
Выход с микросхемы поступает на выход устройства.
2.5 Выбор и обоснование элементной базы
Основными элементами есть 3 микросхемы: это 5-ти полосный стерео эквалайзер с усилением CXA1352, микросхема эффектов SSM 2166 и микросхема индикатора КА2281. Эти микросхемы импортные, и заменить на отечественные невозможно. В схеме подключения этих микросхем будем использовать резисторы типа С2–23, конденсаторы К50, и конденсаторы малой емкости К10.
Для индикации будем использовать светодиоды диаметром 3 мм.
Для регулирования параметров будем использовать миниатюрные переменные импортные резисторы для уменьшения габаритов и удобства регулирования
Для схем индикации превышения сигнала используем транзисторы типа КТ 361. Это маломощные транзисторы, идеально подходят для включения цепи со светодиодом, которая не потребляет много тока.
3. Разработка конструкции
3.1 Концепция построения конструкции
Конструкция микшерного пульта, проектируемого в данном дипломном проекте, представлена одной конструкторской единицей в форме параллелепипеда с наклонной передней панелью для лучшей видимости панели. Габаритные размеры 250х200х50.
Прибор представляет собой блок настольного типа. За основу построения взят функционально узловой метод компоновки.
Для сборки прибора используется как печатный так и навесной монтаж.
Монтаж элементов, что входят в состав функциональных узлов, выполнен печатным монтажом. Монтаж между узлами осуществляется навесным методом с помощью гибких проводов. Для облегчения процесса монтажа, большинство отверстий присоединения выведены по краям печатной платы, исключения составляют места, где было невозможно из-за миниатюризации делать отверстия по краям. Так как устройство работает в закрытом отапливаемом помещении, влагозащиты устройство не требует.
Корпус прибора состоит из двух основных частей, что значительно облегчает сборку, это основание и крышка (передняя панель), который изготовлены из полистирола. Корпус имеет горизонтальное рабочее положение. Почти все элементы крепятся к передней панели, исключение составляет только разъем и включатель питания, которые закрепляются на правой стенке основания.
Внутри корпуса находятся четыре печатных платы СТРП 720445.019 (А1), СТРП 720446.019 (А2), СТРП 720447.019 (А3) и СТРП 720448.019 (А4), которые выполнены из стеклотекстолита марки СФ-2Н-35–1,5 ГОСТ 10316.
Платы крепятся к передней панели винтами М №хб ГОСТ 17373.
Из-за миниатюризации устройства платы размещены не достаточно удобно для ремонта при замене вышедшего из строя элемента, то использование импортной элементной базы позволяет получить наиболее надежное устройство.
Включатель питания и разъем блока питания закрепляются на боковой стенке основания.
Для фиксации и амортизации прибора на рабочем месте использованы 4 резиновых амортизатора, которые крепятся к дну основания винтами М4х12 ГОСТ 17474–80.
Крышка крепится к основанию сверху винтами М3х8 ГОСТ 17473–80.
Из-за малого потребления тепловой режим внутри устройства будет нормальным и вентиляционные отверстия не нужны.
3.2 Обоснование выбора материалов и покрытий
3.2.1 Выбор материала изготовления корпуса
Корпус устройства изготовляется методом литья под давлением. Полистирол, из которого будет изготовляться корпус имеет следующие свойства, которые приведены в таблице 3.1.
Таблица 3.1
|
Материал |
Ударная вязкость в направлении экструзии при +20ºС |
Разрушающее напряжение при растяжении вдоль экструзии |
Относительное изменение длинны при разрыве |
Усадка в направлении экструзии |
|
полистирол |
40 кг*см/см2 |
Не менее 380 кг/см2 |
Не менее 10% |
Не более 18% |
Благодаря своим свойствам этот материал максимально подходит для изготовления корпуса. Устройство будет более прочным.
Надписи на передней панели выполняем эмалью ПФ-115 ГОСТ 6465–63 черного цвета. Основные характеристики которого приведены в табл. 3.2.
Таблица 3.2
|
Вид покрытия |
ГОСТ |
Условия эксплуатации |
Режим сушки |
Рабочая температура |
Материал, что покрывается |
|
|
t, ºc |
час. |
|||||
|
Эмаль ПФ-115 |
6465–63 |
А Н П |
25+10 100 |
48 24 |
-60…+70 |
полистирол |
3.2.2 Обоснование выбора материала для изготовления печатной платы
Основная часть элементов размещена на печатной плате, т. к. это приводит к:
– Увеличение плотности монтажа и возможность микро-миниатюризации изделий.
– Гарантированная стабильность электрических характеристик.
– Повышенная стойкость к климатическим и механическим воздействиям.
– Унификация и стандартизация конструктивных изделий.
– Возможность комплексной автоматизации монтажно-сборочных работ.
Используем односторонний фольгированный стеклотекстолит. Так как платы изготовляются сравнительно большого размера, выбираем толщину 1,5 мм.
Характеристики стеклотекстолита СТФ:
– Толщина фольги 18–35 мм.
– Толщина материала 0.1–3 мм.
– Диапазон рабочих температур –60 +150 с.
– Напряжение пробоя 30 Кв/мм.
Выбираем стеклотекстолит марки СФ – 50 – 1,5 ДСТ 10316 – 76, который производится на основе стеклоткани, пропитанной синтетическими смолами и обладает повышенной механической прочностью. Имеет высокие электроизоляционные свойства, а так же хорошо обрабатывается резанием и штамповкой.
Выбранный стеклотекстолит имеет следующие параметры, которые описаны в таблице 3.3.
Таблица 3.3
|
Материал |
Диэлектрическая проницаемость |
Тангенс угла диэлектрических потерь |
Электрическая проницаемость |
теплостойкость |
плотность |
|
стеклотекстолит |
7,3…8,0 |
0,01…0,1 |
10…12 |
130 |
1,6…1,8 |
Для защиты проводящего рисунка от окисления и улучшения процесса пайки, плату покрываем сплавом «Розе». Этот сплав имеет низкую температуру плавления, что позволяет избежать возможных отслоений токоведущих дорожек в процессе нанесения покрытия и пайке. Основные параметры сплава «Розе» приведены в таблице 3.4.
Таблица 3.4
|
Материал |
Химический состав |
Температура плавления, ºС |
||
|
Pl |
Sm |
Bi |
||
|
Сплав «Розе» |
25 |
25 |
50 |
94 |
3.2.3 Вспомогательные материалы
Вспомогательные материалы заносим в таблицу 2.5.
Выбор припоя зависит от соединительного рисунка, способа пайки, тепловых ограничений, размеров деталей.
Для пайки используется припой оловянно-свинцовый ПОС-61.
Химический состав припоя ПОС-61 приведен в таблице 2.6.
Основные параметры припоя ПОС-61 сведены в таблицу 2.7.
Таблица 3.5
|
Наименование материала |
Единица измерения |
Норма затрат на единицу измерения |
ГОСТ на материалы |
Примечание |
|
|
1 |
Припой ПОС-61 |
г. |
20 |
ГОСТ 21–931–86 |
|
|
2 |
Флюс ФКТ |
г. |
10 |
ТУ 81–05–51–76 |
|
|
3 |
Спирто-бензиновая смесь |
г. |
5 |
- |
|
|
4 |
Салфетка хлопчатобумажная |
см2 |
0,6 |
ГОСТ 31–470–632–76 |
|
|
5 |
Провод НВ-500В – 0,12 |
м. |
7,74 |
ГОСТ17515–72 |
Салидус – высочайшая температура, при которой сплав затвердевает.
Ликвидиус – минимальная температура, при которой сплав переходит в жидкое состояние.
Припой меньше подвергается коррозии, чем медные проводники на ПП
ПОС-61 наносится на проводники печатной платы, что обеспечивает хорошую защиту от коррозии и минимальное переходное сопротивление. Это обеспечивает хорошее качество пайки.
Таблица 3.6
|
Марка припоя |
Химический состав, % |
|
|
Олова |
Свинца |
|
|
ПОС-61 |
61 |
39 |
Таблица 3.7
|
Марка припоя |
Температура, ºС |
Удельное электрическое сопротивление. Р=10, Ом*м |
|
|
Салидус |
Ликвидиус |
||
|
ПОС-61 |
183 |
190 |
13,9 |
3.3 Проектирование печатных плат и расчет конструкции
3.3.1 Проектирование печатной платы эквалайзеров
В ходе разработки устройства была выбрана элементная база, на основе которой можно произвести ориентировочных расчет габаритных размеров печатной платы. Определим габаритные размеры элементов, размеры занесем в таблицу 3.8.
Таблица 3.8
|
Наименование элементов |
Кол-во |
размеры |
L>уст> |
S>i>>уст> |
SΣ> уст> |
||||
|
H |
L |
B(D) |
d>выв> |
d>отв> |
|||||
|
R1…R26 |
26 |
2,5 |
6 |
2,5 |
0,5 |
0,8 |
10 |
25 |
650 |
|
HL1…HL6 |
6 |
10 |
3 |
3 |
0,5 |
0,8 |
5 |
15 |
90 |
|
C1…С48 |
48 |
10 |
5 |
5 |
0,5 |
0,8 |
2,5 |
25 |
75 |
|
DA1…DA6 |
6 |
5 |
7,5 |
30 |
0,5 |
0,8 |
30 |
225 |
1350 |
|
VT1…VT6 |
6 |
5,3 |
6 |
3 |
0,7 |
0,8 |
5 |
15 |
90 |
|
VD1…VD12 |
12 |
2 |
5 |
2 |
0,5 |
0,8 |
10 |
20 |
240 |
Площадь, заполняемая элементами составляет 2495 мм2.
При коэффициенте заполнения печатной платы 0,4, площадь ПП будет равна 2495/0,4 = 6237 мм2.
Конструктивно длинна печатной платы зависит от расположения элементов управления на передней панели. И это является главной помехой для обеспечения большего коэффициента заполнения ПП. При разработке, эта длинна получилась 165 мм. Расчетная ширина платы 6237 / 165 = 40 мм. При проектировании печатной платы из-за связи компоновки ПП с компоновкой передней панели, размеры ее установились 165х70 мм.
Коэффициент заполнения печатной платы в таком случае: 2495 / (165х70) = 0,21
3.3.2 Проектирование печатной платы эффектов
Размеры элементов занесем в таблицу 2.9
Таблица 3.9
|
Наименование элементов |
Кол-во |
размеры |
L>уст> |
S>i>>уст> |
SΣ> уст> |
||||
|
H |
L |
B(D) |
d>выв> |
d>отв> |
|||||
|
R1…R14 |
14 |
2,5 |
6 |
2,5 |
0,5 |
0,8 |
10 |
25 |
350 |
|
Конденсаторы электролит. |
6 |
10 |
5 |
5 |
0,5 |
0,8 |
2,5 |
25 |
150 |
|
Конденсаторы керамич. |
4 |
10 |
5 |
3 |
0,5 |
0,8 |
5 |
15 |
60 |
|
DA1, DA2 |
2 |
5 |
17,5 |
7,5 |
0,5 |
0,8 |
15 |
131 |
262 |
Площадь, заполняемая элементами составляет 822 мм2.
При коэффициенте заполнения печатной платы 0,4, площадь ПП будет равна 822/0,4 = 2055 мм2.
В данной плате при разработке ширина составила 50 мм. Расчетная ширина платы 2055/ 50 = 41 мм. Данная плата конструктивно не нуждается в размерах намного меньше, чем 50х70. При проектировании печатной платы для наиболее удобного расположения элементов и отверстий выводов и отверстий крепления для лучшей ремонтопригодности и облегчения сборки, плата получилась с размерами 50х60.
Коэффициент заполнения печатной платы в таком случае: 822 / (50х60) = 0,27
3.3.3 Проектирование печатной платы индикатора
Данная плата полностью зависит от внешней компоновки, и её нужно сделать максимально меньшей. Для этого при проектировании было принято такое решение: будет осуществляться двухсторонний монтаж, светодиоды со стороны рисунка и этой стороной плата будет устанавливаться в переднюю панель таким образом, чтоб светодиоды стали в нужные отверстия; а остальные элементы устанавливаются стандартно, с другой стороны. Самым большим элементом на плате является микросхема, а при данной компоновке есть возможность наложить светодиоды на микросхему, при этом проводящий рисунок упроститься и габариты заметно уменьшатся. Эта плата выбирается 2-го класса точности для того, чтобы было возможно координатную сетку сделать с шагом 1,25 мм, и проводить проводники между двумя соседними отверстиями на расстоянии 2,5 мм.
Размеры данной печатной платы 30х60 мм.
3.3.4 Проектирование печатной платы регулировок
Данная плата используется исключительно для того, чтобы закрепить на передней панели включатели входов, индикаторы включения входов, и индикаторы баланса. В нее устанавливаются резисторы громкости и баланса. При разработке этой печатной платы было необходимо увеличить класс точности до 2-го для того, чтобы проводить рисунок по координатной сетке с шагом 1,25 мм
Так как плата полностью зависит от внешней компоновки, принимаем размеры 125х50.
3.3.5 Расчет проводящего рисунка
Расчет ширины дорожек.
Ширина дорожек зависит от максимального тока, проходящего в блоке.
Максимальная нагрузка в блоке 20 Ом (подключенные наушники). Максимальное выходное напряжение составляет 2 В. Ток проходящий в блоке будет равен:
I=U/R=2 / 20 = 0,1 А.
Если учитывать потребление светодиодов и потеря на тепло, можно принять ток, проходящий в блоке 0,2.
Толщину проводящего слоя принимаем 0,35 мкм.
Ширина дорожек считается по формуле I = а*b*с, где
а – 15 А/мм
b – толщина фольги печатной платы
с – ширина дорожек
с1 = I / (a*b) = 0,2 / (15 *0,035) = 0,38
Принимаем ширину дорожек 0,75 для первого класса точности и 0,45 для второго. Это обеспечивает запас по току и простоту изготовления.
Запас по току будет равен:
При первом классе К=с/с1 = 0,75 / 0,38 = 1,9
При втором классе К=с/с1 = 0,45 / 0,38 = 1,1
где с – принятая ширина дорожек
с1 – расчетная ширина дорожек.
При первом классе точности и шаге координатной сетке с шагом 2,5 мм, минимальное расстояние между дорожками будет равно 2,5 – 0,75 = 1,75 мм.
При втором классе точности и шаге координатной сетке с шагом 1,25 мм, минимальное расстояние между дорожками будет равно 1,25 – 0,45 = 0,8 мм
При таких параметрах при сборке нет потребности в монтажнике высокого разряда.
3.3.6 Расчет диаметра контактных площадок
Расчет диаметра контактных площадок проводим в соответствии с принятой шириной дорожек. Для установки элементов на плату используется два номинала отверстий. 1,5 мм – отверстия для установки переменных резисторов на плате А4 и 0,8 для остальных элементов.
Диаметр контактных площадок рассчитывается по формуле:
d >к.м.> = d >отв.> + (2*b)+c, где
d >к.м >– диаметр контактных площадок, мм
d >отв. >– диаметр отверстий, мм
b – минимальная радиальная толщина контактной площадки
Для плат 1-го класса точности b = 0,1 c = 0,4…0,6.
При диаметре отверстия 0,8 мм контактная площадка будет:
d >к.м.> = d >отв.> + (2*b)+c = 0,8 + (2*0,1)+0,5 = 1,5 мм
При диаметре отверстия 3 мм контактная площадка будет:
d >к.м.> = d >отв.> + (2*b)+c = 1,5 + (2*0,1)+0,5 = 2,2 мм
Этот номинал площадки будет использоваться только на одной регулировочной плате для крепления переменных резисторов.
Из-за того, что у меня в платах со вторым класом точности контактные площадки находятся на расстоянии минимум 2,5 мм, то так же принимаем диаметр контактных площадок 1,5 мм.
3.3.7 Расчет узкого места
Привожу расчет для плат первого класса точности.
Проведение проводников в узком месте предусматривают прокладку проводников между двумя контактными площадками или отверстиями.
Производим расчет на возможность проведения дорожки между выводами микросхемы.
Расчет ведем по формуле:
l ≥ ((d1+d2) / 2) + 2*δ + t + 2*b + k*n + c =
= 0,8 + 2*0,75 + 0,75 + 2*0,1 + 0,4 = 3,65
где d1, d2 – диаметр отверстий контактных площадок, мм
1 – расстояние между центрами двух соседних отверстий, мм
t – ширина проводников, которые будут проходить в узком месте, мм
n – количество проводников, которые проходят в узком месте
δ – расстояние от проводника до контактной площадки, или радиального пояска, мм
к – технологичный коэффициент
b – минимальный радиальный поясок контактной площадки, мм
По данным видно, что полученное значение больше чем расстояние между центрами двух соседних отверстий. Поэтому проведение дорожки между выводами микросхемы невозможно при первом классе точности печатной платы.
3.3.8 Расчет функционального узла
В этом разделе производится расчет цепи светодиодов на плате стерео индикатора (А3).

Рисунок 3.1
Исходные данные для расчета:
– ток потребления светодиодов 10 мА
напряжение питания светодиодов 1,5 мм
напряжение питания схемы 12 В
Для включении светодиода на выводах микросхемы 10…14 появляется логический «0», что соответствует замыканию на корпус.

Рисунок 3.2
Падение напряжения на светодиоде равно 1,5 В, тогда падение напряжение на резисторе должно быть 12 В – 1,5 В = 10,5 В.
Ток в цепи 10 мА, поэтому сопротивление резистора будет равно:
R=U/I = 10,5 / 10*10-3 = 1 кОм.
В цепи R1 подключено параллельно 5 диодов. Они будут включатся от 1-го до 5-ти одновременно, поэтому номинал резистора принимаем тоже 1 кОм, но когда будут гореть все светодиоды, то яркость свечения каждого будет немного меньше.
3.4 Компоновка прибора
3.4.1 Внутренняя компоновка прибора
Устройство состоит из основания и передней панели. Плата эквалайзеров устанавливается под регулировочными резисторами горизонтально, плата эффектов устанавливается горизонтально на переднюю панель элементами вверх, плата индикации устанавливается на переднюю панель светодиодами вверх так, чтобы они вошли в нужные отверстия на передней панели. Плата регулировок устанавливается вместе с резисторами на переднюю панель, и не закрепляется ничем, кроме резисторов. Остальные платы закрепляются винтами М3х6 ГОСТ 17473–80. Контакт между блоками осуществляется с помощью гибких проводников.
Внутренняя компоновка представлена на рисунке 3.1
3.4.2 Внешняя компоновка
Устройство представляет собой параллелепипед с наклонной верхней стороной, которая служит передней панелью. Это сделано для удобства регулирования и лучшей видимости надписей на панели.
Расстановка органов управления сделана так, как на большинстве микшерных пультов современного стандарта. Управление входом расположены горизонтально и управление другими входами расположены параллельно.
Расположение органов управления.
Первым снизу расположены регулировка громкости и включатель входа, выше расположена регулировка баланса, еще выше расположены 5 регулировок эквалайзера внизу низкие частоты, выше – высокие.
И во входах 1..3 еще выше есть регулировка чувствительности. Эта компоновка относится ко всем входам и выходу.
Регулировки эффектов расположены справа тоже в 2 столбика по 4. Справа правый канал, слева – левый.
Индикаторы сигнала расположены в правом верхнем углу для лучшей видимости, представляет собой 2 столбика из 6-ти светодиодов. Нижние показывают питание устройства, а 5 верхних – величину сигнала на выходе. Для лучшего восприятия верхний светодиод – красный, говорит о том, что сигнал опасно высокого уровня, и следует уменьшить громкость, второй снизу – желтый, граница нормального сигнала и высокого.
Крышка крепится к основанию 4-мя винтами. М3х6 ГОСТ 17437.
На основание снизу крепятся 4 резиновых ножки винтами М3х6 ГОСТ 17437 для лучшей устойчивости и амортизации.
Устройство мало и имеет небольшой вес, что очень удобно при использовании.
Внешняя компоновка приведена на рисунке 3.2. На рисунке 3.3 показана компоновка с боковой стороны, чтобы показать расположение плат относительно передней панели.
Устройство имеет вес примерно 400 г. что соответствует ТЗ и говорит о правильной компоновке.





3.5 Расчет надежности
Надежность – это свойство изделия выполнять свои функции при заданных условиях эксплуатации. Надежность изделия зависит от количества и качества элементов, которые входят в его состав, а так же качества изделия и соблюдения уровня эксплуатации.
Расчет надежности ведем упрощенно, определяя среднюю наработку на отказ и возможность безотказной работы на протяжении заданного интервала времени.
Необходимые данные по интенсивности отказов элементов схемы заносим в таблицу 3.10.
Таблица 3.10
|
Название элемента |
Обозначение |
Кол-во |
λ>0>> >*10-5 |
λ |
|
Керамический конденсатор |
C2, С6, С9, С13 (А2) |
4 |
0,15 |
0,6 |
|
Электролитические конденсаторы |
C1…C48 (А1) 8 шт. (А2) 4 шт. (А3) |
60 |
0,035 |
2,1 |
|
Микросхемы |
DA1…DA6 (A1) DA1, DA2 (A2) DA1 |
9 |
0,02 |
0,18 |
|
Потенциометры |
R1…R27, R47…R67 |
53 |
0,26 |
13,78 |
|
Резисторы 0,125 Вт |
R28…R46 R1…R26 (А1) R1…R14 (А2) R1…R6 (A3) |
64 |
0,016 |
1,024 |
|
Переключатель |
SA1 |
7 |
0,07 |
0,49 |
|
Транзисторы |
VT1…VT6 (А1) |
6 |
0,25 |
1,5 |
|
Диоды |
VD1…VD12 |
12 |
0,157 |
1,884 |
|
Светодиоды |
HL1…HL18 HL1…HL6 (A1) |
24 |
0,157 |
3,768 |
|
ПП |
4 |
0,7 |
2,8 |
Суммарная средняя интенсивность отказа λ = 28,125 * 10-6
Средняя наработка на отказ будет равна
1 / λ = 1 / 28,125 * 10-6 = 0,03 * 106 = 35 тыс. часов.
Определяем вероятность безотказной работы на участке времени, результаты заносим с таблицу 3.11. Считается по формуле Р(t) = e-λt.
Таблица 3.11
|
t, час |
|||||||||
|
5*10 |
102 |
5*102 |
103 |
5*103 |
104 |
5*104 |
105 |
5*105 |
|
|
Р(t) |
0,998 |
0,997 |
0,986 |
0,973 |
0,873 |
0,763 |
0,259 |
0,067 |
0 |
По данным таблицы строим график безотказности работы на отрезке времени, рисунок 3.4.
t, час
Р(t)
Рисунок 3.4
Так как для данного устройства полученная наработка на отказ подходит, и устройство надежно, то замена в элементной базе не нужна.
Устройство может работать беспрерывно почти 4 года. Но так как устройство предназначено для индивидуального использования или озвучке концертов, и устройство в основном будет включатся на 3–4 часа, и возможно не каждый день, то устройство сохраняет работоспособность 20–30 лет. Что подходит для данного типа устройства.
3.6 Технико-экономический анализ конструкции
3.6.1 показатели качества конструкции
Объем внутренних элементов прибора.
Включает в себя объем деталей, расположенных внутри корпуса и объема габаритных объемов печатных плат.
Внутри корпуса располагаются такие элементы:
– Переменные резисторы с внутренними габаритами 10х10х15, 41 шт. 12 шт. регулировок громкости и баланса не учитываются в связи с тем, что они находится в пределах печатной платы регулировок. Объем резисторов:
(10х10х15) х38 = 61,5 см2.
– Разъемы габаритами 20х20х25, 13 шт. Объем:
(20х20х15) х13 = 78 см2
В корпусе установлены такие печатные платы с габаритами:
– Плата эквалайзеров (А1) 165х70х12
– Плата эффектов (А2) 60х50х12
– Плата индикации (А3) 30х60х12
– Плата регулировок (А4) 165х45х12
Суммарный объем будет равен:
138,6 см2 + 36 см2 + 21,6 см2 + 89,1 см2 = 285,3 см2
Объем корпуса
Прибор представляет устройство нестандартной формы. Ширина и длинна прибора равны 21х25. Высота в передней части равна 20 мм, в задней 30. Так как высота изменяется линейно, то чтобы подсчитать объем, нужно взять среднее значение: 25 мм.
21х25х2,5 = 1312,5 см2.
Коэффициент заполнения объема
Β = v / v1 = 285,3 / 1312,5 = 0,21
где v – объем деталей в корпусе.
v1 – объем корпуса.
Коэффициент плотности прибора.
Kn = m/v1 = 400 / 1312.5 = 0,30 г./см2
где m – масса прибора
Коэффициенты заполнения печатных плат.
Коэффициенты заполнения основных печатных плат подсчитаны в пунктах 2.3.1 и 2.3.2.
Коэффициент заполнения платы эквалайзеров составляет 0,21.
Коэффициент заполнения платы эффектов составляет 0,27.
3.6.2 Показатели технологичности конструкции
Коэффициент использования типоразмеров отверстий на платах.
К>0>=К>т>/К>отв>
где К>т> – количество типоразмеров отверстий
K>отв> – общее количество отверстий
Используется 3 типа отверстий:
3,6 мм – для крепления печатных плат
2 мм – для установки переменных резисторов на плату регулировок.
0,8 мм – для установки остальных элементов.
Отверстий: (4+414)+(2+88)+(2+52)+90 = 652 отверстия.
К>0>=К>т>/К>отв >=3/652 = 0,004
Коэффициент автоматизации.
К>а.м.>= Н>а.м.>/Н>м>
Где Н>а.м.> – количество соединений, которые можно осуществить автоматизированным методом.
Нм – общее число монтажных соединений.
Автоматизировано можно осуществить соединения, которые находятся на платах. Это 652 (число отверстий) – 8 (число отверстий для установки плат) = 644 соединения. Соединения за платами – это соединения переменных резисторов 3*38 = 114, соединения разъемов 3х3 + 4х2 + 2х3 + 4х2 = =31, и соединения на выключатель питания и разъем питания 4 шт.
Итого общее количество монтажных соединений:
114 + 31 + 4 + 644 = 793.
К>а.м.>= Н>а.м.>/Н>м >= 644 / 793 = 0,81
Коэффициент прогрессивности формирования.
Кф = Дпр / Д = 10/10 = 1
где Дпр – количество деталей устройства, изготовленные прогрессивными методами (штамповка, прессование, литье, сварка, пайка)
Д – общее число деталей
Коэффициент использования типовых технологических процессов.
Ктп = Нтп / Нп = 11/11 = 1
где Нтп – количество типовых технологических процессов.
Нп – общее число технологических процессов.
4. Технологическое проектирование
4.1 Обоснование выбора типа технологического процесса
Технологические процесс выбираем исходя из структуры изделия, которая показана на рисунке 4.1.
Так, как программа выпуска 1000 штук, можно определить что производство должно быть серийным. Оно характеризуется ограниченной номенклатуры изделий партиями, которые повторяются через определенные промежутки времени на рабочих местах с широкой специализацией.
Обоснование выбора типа технологического процесса необходимо производить на основе структурной схемы сборки. Из рисунка видно, что устройство собирается по типовому технологическому процессу сборки веерного типа.
При разработке схемы технологического процесса нужно стремится к максимальной типизации. Выбираем типичный технологический процесс сборки и монтажа узла печатной платы.
4.2 Выбор оборудования
В соответствии с схемой технологического процесса, принимаем решение проводить сборку на поточной линии.
Принимаем, что для сборочных работ используем рабочих 3-го разряда.
Для монтажных операций – 4 разряд.
Трудоемкость операций сборки составляет 2,5 часа.
Трудоемкость операций монтажа составляет 2 часа.
Трудоемкость операций регулировки составляет 0,6 часа.