Разработка многофункциональных астрономических часов
СОДЕРЖАНИЕ
ПЕРЕЧЕНЬ УСЛОВНЫХ ОБОЗНАЧЕНИЙ, СИМВОЛОВ, ЕДИНИЦ, СОКРАЩЕНИЙ И ТЕРМИНОВ
ВВЕДЕНИЕ
РАЗДЕЛ 1 ТЕОРЕТИЧЕСКИЕ ОСНОВЫ РАЗРАБОТКИ
1.1 Разработка микропроцессорной системы на основе микроконтроллера
1.1.1 Основные этапы разработки
1.1.2 Разработка и отладка аппаратных средств
1.1.3 Разработка и отладка программного обеспечения
1.2 Астрономические часы
РАЗДЕЛ 2 РАЗРАБОТКА МНОГОФУНКЦИОНАЛЬНЫХ АСТРОНОМИЧЕСКИХ ЧАСОВ
2.1 Постановка задачи
2.2 Разработка структурной схемы устройства и функциональной спецификации
2.3 Аппаратные средства микроконтроллеров серии PIC16F877A
2.4 Разработка функциональной схемы устройства
2.5 Разработка алгоритма управления
2.6 Разработка программного обеспечения микроконтроллера
2.7 Выбор, описание и расчет элементной базы
2.8 Разработка схемы электрической принципиальной
РАЗДЕЛ 3 ЭКОНОМИЧЕСКАЯ ЧАСТЬ
РАЗДЕЛ 4 ОХРАНА ТРУДА
4.1 Требования к производственным помещениям
4.1.1 Окраска и коэффициенты отражения
4.1.2 Освещение
4.1.3 Параметры микроклимата
4.1.4 Шум и вибрация
4.1.5 Электромагнитное и ионизирующее излучения
4.2 Эргономические требования к рабочему месту
4.3 Режим труда
4.4 Расчет освещенности
4.5 Расчет вентиляции
4.6 Расчет уровня шума
ВЫВОДЫ
ПЕРЕЧЕНЬ ССЫЛОК
ПРИЛОЖЕНИЯ
ПЕРЕЧЕНЬ УСЛОВНЫХ ОБОЗНАЧЕНИЙ, СИМВОЛОВ, ЕДИНИЦ, СОКРАЩЕНИЙ И ТЕРМИНОВ
АЛУ – арифметическо-логическое устройство
АЦП – аналого-цифровой преобразователь
КМОП – комплементарная логика на транзисторах металл-оксид-полупроводник
МПС – микропроцессорная система
ЦПУ – центральное процессорное устройство
ШИМ – широтно импульсная модуляция
ВВЕДЕНИЕ
Как известно, при разработке большинства измерительных систем возникает задача преобразования аналоговых сигналов от различных датчиков в цифровую форму и их последующей обработки. В некоторых случаях вся обработка данных возлагается на компьютер. Однако, если потребность рынка в измерительной системе велика, то удобнее использовать системы со встроенным микроконтроллером. Контроллер берет на себя многие задачи, связанные как с оцифровкой, так и с последующей обработкой данных. При этом за счет серийного производства стоимость системы значительно снижается. В результате получается законченное устройство, решающее задачу эффективно и с минимальными затратами.
Однокристальные (однокорпусные) микроконтроллеры представляют собой приборы, конструктивно выполненные в виде БИС и включающие в себя следующие составные части: микропроцессор, память программ и память данных, а также программируемые интерфейсные схемы для связи с внешней средой.
Мировая промышленность выпускает огромную номенклатуру микроконтроллеров. По области применения их можно разделить на два класса: специализированные, предназначенные для применения в какой-либо одной конкретной области (контроллер для телевизора, контроллер для модема) и универсальные, которые не имеют конкретной специализации и могут применяться в самых различных областях микроэлектроники, с помощью которых можно создать как любое из перечисленных выше устройств, так и принципиально новое устройство.
Астрономические часы не отличаются ни по своему назначению, ни по устройству от обыкновенных часов. От них только требуется чрезвычайно правильный ход, для достижения которого астрономические часы снабжаются приспособлениями, слишком дорогими для применения их к обыкновенным часам.
Одно из главных приспособлений состоит в компенсации влияний температуры. Обыкновенные часы, карманные или стенные, спешат при понижении температуры и отстают при повышении её.
В электронных часах для повышения точности во-первых применяют стабильный источник питания, во-вторых – используют термостат для кварцевого резонатора.
Тема дипломной работы – «Разработка многофункциональных астрономических часов», которая и является предметом исследования.
Актуальность данной темы велика, т.к. всю жизнь человечество пыталось «идти в ногу со временем».
Цель работы – разработать особо точные электронные часы на базе микроконтроллера с разнообразными функциями.
За основу для разработки астрономических часов мы взяли микроконтроллер серии PIC16F877A.
РАЗДЕЛ 1. ТЕОРЕТИЧЕСКИЕ ОСНОВЫ РАЗРАБОТКИ
1.1 Разработка микропроцессорной системы на основе микроконтроллера
1.1.1 Основные этапы разработки
Микропроцессорная система (МПС) на основе микроконтроллера (МК) используются чаще всего в качестве встроенных систем для решения задач управления некоторым объектом. Важной особенностью данного применения является работа в реальном времени, т.е. обеспечение реакции на внешние события в течение определенного временного интервала. Такие устройства получили название контроллеров.
Перед разработчиком МПС стоит задача реализации полного цикла проектирования, начиная от разработки алгоритма функционирования и заканчивая комплексными испытаниями в составе изделия. Методология проектирования контроллеров может быть представлена так, как показано на рис. 1.1.
В техническом задании формулируются требования к контроллеру с точки зрения реализации определенной функции управления. Техническое задание включает в себя набор требований, который определяет, что пользователь хочет от контроллера и что разрабатываемый прибор должен делать. Техническое задание может иметь вид текстового описания.
На основании требований пользователя составляется функциональная спецификация, которая определяет функции, выполняемые контроллером для пользователя после завершения проектирования, уточняя тем самым, насколько устройство соответствует предъявляемым требованиям. Она включает в себя описания форматов данных, как на входе, так и на выходе, а также внешние условия, управляющие действиями контроллера.

Рисунок 1.1- Основные этапы разработки контроллера
Этап разработки алгоритма управления является наиболее ответственным, поскольку ошибки данного этапа обычно обнаруживаются только при испытаниях законченного изделия и приводят к необходимости дорогостоящей переработки всего устройства. Разработка алгоритма обычно сводится к выбору одного из нескольких возможных вариантов алгоритмов, отличающихся соотношением объема программного обеспечения и аппаратных средств.
При этом необходимо исходить из того, что максимальное использование аппаратных средств упрощает разработку и обеспечивает высокое быстродействие контроллера в целом, но сопровождается, как правило, увеличением стоимости и потребляемой мощности. При выборе типа МК учитываются следующие основные характеристики:
- разрядность;
- быстродействие;
- набор команд и способов адресации;
- требования к источнику питания и потребляемая мощность в различных режимах;
- объем ПЗУ программ и ОЗУ данных;
- возможности расширения памяти программ и данных;
- наличие и возможности периферийных устройств, включая средства поддержки работы в реальном времени (таймеры, процессоры событий и т.п.);
- возможность перепрограммирования в составе устройства;
- наличие и надежность средств защиты внутренней информации;
- возможность поставки в различных вариантах конструктивного исполнения;
- стоимость в различных вариантах исполнения;
- наличие полной документации;
- наличие и доступность эффективных средств программирования и отладки МК;
- количество и доступность каналов поставки, возможность замены изделиями других фирм.
Список этот не является исчерпывающим.
Номенклатура выпускаемых в настоящее время МК исчисляется тысячами типов изделий различных фирм. Современная стратегия модульного проектирования обеспечивает потребителя разнообразием моделей МК с одним и тем же процессорным ядром. Такое структурное разнообразие открывает перед разработчиком возможность выбора оптимального МК, не имеющего функциональной избыточности, что минимизирует стоимость комплектующих элементов.
1.1.2 Разработка и отладка аппаратных средств
После разработки структуры аппаратных и программных средств дальнейшая работа над контроллером может быть распараллелена. Разработка аппаратных средств включает в себя разработку общей принципиальной схемы, разводку топологии плат, монтаж макета и его автономную отладку. На этапе ввода принципиальной схемы и разработки топологии используются, как правило, распространенные системы проектирования типа "ACCEL EDA" или "OrCad".
1.1.3 Разработка и отладка программного обеспечения
Содержание этапов разработки программного обеспечения, его трансляции и отладки на моделях существенно зависит от используемых системных средств. В настоящее время ресурсы 8-разрядных МК достаточны для поддержки программирования на языках высокого уровня. Это позволяет использовать все преимущества структурного программирования, разрабатывать программное обеспечение с использованием раздельно транслируемых модулей. Одновременно продолжают широко использоваться языки низкого уровня типа ассемблера, особенно при необходимости обеспечения контролируемых интервалов времени. Задачи предварительной обработки данных часто требуют использования вычислений с плавающей точкой, трансцендентных функций.
В настоящее время самым мощным средством разработки программного обеспечения для МК являются интегрированные среды разработки, имеющие в своем составе менеджер проектов, текстовый редактор и симулятор, а также допускающие подключение компиляторов языков высокого уровня типа Паскаль или Си. При этом необходимо иметь в виду, что архитектура многих 8-разрядных МК вследствие малого количества ресурсов, страничного распределения памяти, неудобной индексной адресации и некоторых других архитектурных ограничений не обеспечивает компилятору возможности генерировать эффективный код.
1.2 Астрономические часы
Астрономические часы не отличаются ни по своему назначению, ни по устройству от обыкновенных часов. От них только требуется чрезвычайно правильный ход, для достижения которого астрономические часы снабжаются приспособлениями, слишком дорогими для применения их к обыкновенным часам.
Одно из главных приспособлений состоит в компенсации влияний температуры. Обыкновенные часы, карманные или стенные, спешат при понижении температуры и отстают при повышении её. В часах с маятником устраивается так называемый компенсационный маятник, в часах с пружиной или хронометрах так называемые chappement.
Иногда под названием астрономических часов понимают также сложные инструменты, которые, указывая час дня, кроме того, дают течение планет и луны, приливы и отливы, подвижные праздники, различные явления неба, в особенности затмения солнца и луны, високосные года и т. п., посредством особых механических приспособлений. Построение таких часов требует большого механического искусства и немало астрономических познаний; наиболее замечательные часы такого рода изготовил Дасиподий в XV-м веке для Страсбургского собора. Мастер Швильге в Страсбурге переделал их заново, и в этом новом виде они до сих пор находятся в соборе. Другие, несколько более простые часы подобного рода находятся в Майнце.
Однако практическая польза подобных сложных инструментов весьма ограничена и не окупает затраченного на изготовление их громадного труда: для астронома удобнее справиться относительно небесных явлений в эфемеридах.
Астрономические часы Федченко (АЧФ) - Высокоточные электронно-механические вычисления часы, завершившие эволюцию маятниковых приборов времени. Погрешность составляет 0,0002-0,0003 секунды в сутки, что на порядок ниже, чем у часов английского ученого В.Шорта, сделанных в 20-х г. 19 в., которыми долгое время оснащались обсерватории мира. Точность достигнута за счет подвеса маятника на специальном трехпружинном подвесе (изобретение Ф.М.Федченко), который обеспечивает изохронные (не зависящие от амплитуды) колебания маятника. Часы Федченко вплоть до 1970-80 гг. выполняли функции хранителей времени - работали в обсерваториях, на космодромах, аэропортах, телецентрах страны.
Была попытка разработать высокоточные электронные астрономические часы, но в связи с высокой стоимостью и рядом непотребных функций они не нашли широкого применения.
РАЗДЕЛ 2. РАЗРАБОТКА МНОГОФУНКЦИОНАЛЬНЫХ АСТРОНОМИЧЕСКИХ ЧАСОВ
2.1 Постановка задачи
Требуется разработать схему многофункциональны астрономических часов.
Разработка устройства велась с учётом следующих требований:
- простота схемы (минимальное количество компонентов);
- функциональная насыщенность, многообразие регулируемых параметров;
- устойчивость к изменениям напряжения и температуры, долговечность;
- отсутствие нагрева компонентов;
- низкое энергопотребление.
2.2 Разработка структурной схемы устройства и функциональной спецификации
Рассмотрим структуру разрабатываемого устройства (Рис. 2.1).
Функциональная спецификация:
Входы:
а. 16 кнопок управления и регулировки часами;
b. Источник бесперебойного стабильного электропитания часов.
МИКРО
КОНТРОЛЛЕР
ИСТОЧНИК
ПИТАНИЯ
Звуковой
излучатель


Кварцевый
резонатор
ЖК-
индикатор



Кнопки
управления
и
регулировки
Рисунок 2.1 – Структурная схема многофункциональных астрономических часов
Выходы:
а. Двухрядный шестнадцатиразрядный ЖК индикатор;
b. Звуковой излучатель.
Функции:
а. 16 таймеров;
b. Таймеры могут показывать Земное, Марсианское, Юпитерское, сидерическое время, Лунных фаз, времени перемещения большого красного пятна Юпитера и т.д. Одновременное отображение 24 часового и Юлианского времен на десятичном дисплее.
с. Выполнение функций будильника;
d. Осуществление бесперебойного электропитания для осуществления стабильности хода часов (должен иметь встроенный источник питания).
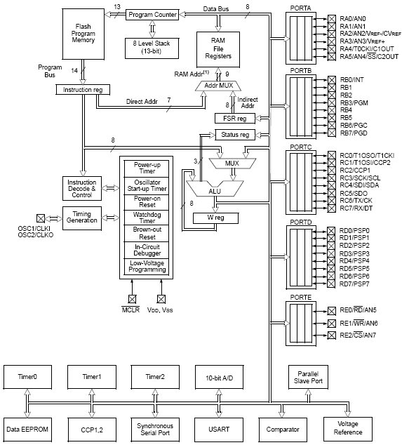
2.3 Аппаратные средства микроконтроллеров серии PIC16F877A
Общее описание:
PIC16F877A 8-разрядные КМОП микроконтроллеры с Flash памятью.
Основные характеристики:
Высокопроизводительный RISC-процессор:
Всего 35 простых для изучения инструкции
Все инструкции исполняются за один такт (200 нс), кроме инструкций перехода, выполняемых за два такта; минимальная длительность такта 200 нс
14 битовые команды
8 - битовые данные
Вход внешних прерываний
8-уровневый аппаратный стек
Прямой, косвенный и относительный режимы адресации для данных и инструкций
Периферия:
22 линий ввода/вывода с индивидуальным контролем направления
Сильноточные схемы портов ввода/вывода:
25 мА макс. вытек. ток
25 мА макс. втек. ток
Timer0: 8-разрядный таймер/счетчик
Timer1: 16-разрядный таймер/счетчик
Timer2: 8-разрядный таймер/счетчик
2 ШИМ модуля
Последовательные интерфейсы
3-проводный SPI
I2C Master и Slave режимы
USART (с поддержкой адреса)
5 каналов 10-битного АЦП
2 аналоговых компаратора
Интегрированный программируемый источник опорного напряжения
Особенности микроконтроллера:
Сброс при включении питания (POR)
Таймер включения питания (PWRT) и таймер запуска генератора (OST)
Сброс по снижению напряжения питания (BOR)
Сторожевой таймер (WDT) с собственным встроенным RC-генератором для повышения надежности работы
Режим экономии энергии (SLEEP)
Выбор источника тактового сигнала
Программирование на плате через последовательный порт (ICSPT) (с использованием двух выводов)
Отладка на плате через последовательный порт (ICD) (с использованием двух выводов)
Возможность самопрограммирования
Программируемая защита кода
1000 циклов записи/стирания FLASH памяти программы
100 000 циклов записи/стирания памяти данных ЭСППЗУ
Период хранения данных ЭСППЗУ > 40 лет
Технология КМОП:
Экономичная, высокоскоростная технология КМОП
Полностью статическая архитектура
Широкий рабочий диапазон напряжений питания - от 2,0В до 5,5В
Промышленный и расширенный температурный диапазоны
Низкое потребление энергии
Совместимость:
Полная совместимость по выводам с семействами микроконтроллеров (только 28-выводными): PIC16CXXX; PIC16FXXX

Рисунок 2.2 – Структурная схема микроконтроллера PIC16F877A

Рисунок 2.3 – Расположение выводов микроконтроллера PIC16F877A

Рисунок 2.4 – Общий вид микроконтроллера PIC16F877A
Основные технические характеристики микроконтроллера PIC16F877A приведены в Приложении А.
2.4 Разработка функциональной схемы устройства
После выбора микроконтроллера мы можем приступить к разработке функциональной схемы (Рис. 2.5).
+
12 В
С
Блок
питания
Усилитель

Кнопки
управления и
регулировки
ЖК
индикатор
Рисунок 2.5 – Функциональная схема многофункциональных астрономических часов
2.5 Разработка алгоритма управления
Основной алгоритм работы микроконтроллера представлен на рис. 2.6.

Рисунок 2.6 - Алгоритм работы многофункциональных астрономических часов
2.6 Разработка программного обеспечения микроконтроллера
Программа для микроконтроллера написана на языке ассемблера. Сделать ее можно более гибкой, даже ценой увеличения размера кода. Эту программу можно улучшать и улучшать, но, она работает и не слишком беспорядочна. Можно обновлять программу время от времени – удаляя ошибки и добавляя новые возможности.
Программа содержится в Приложении Б.
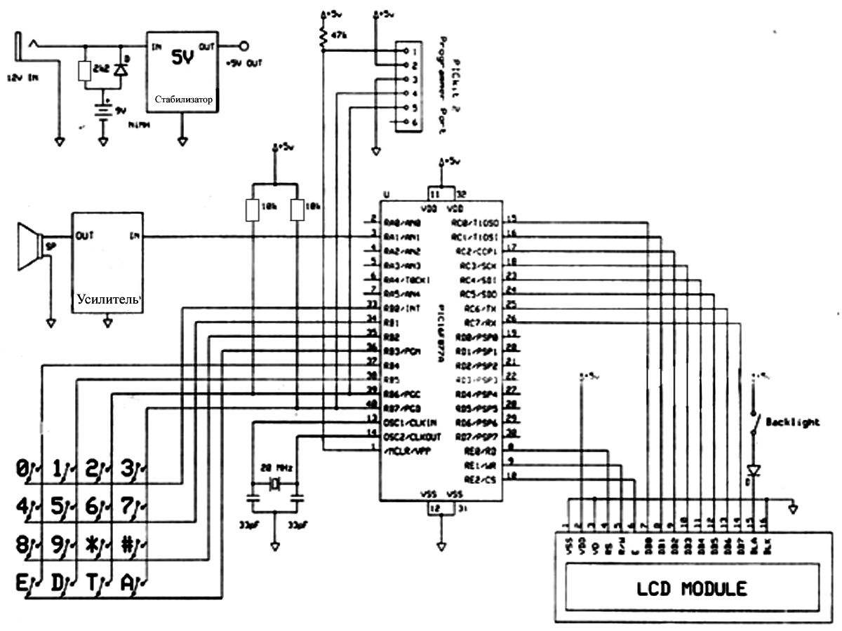
2.7 Выбор, описание и расчет элементной базы
Стабилизированный блок питания напряжением 5В состоит из стабилизатора напряжения и фильтрующих конденсаторов.
Блок усилителя динамика это усилитель основанный на микросхеме LM386. Динамик любой (например, модема).
Порт PIC программатора предназначенный для перепрограммирования микроконтроллера без разборки часов. Адаптер DB25 в 6 контактный разъем.
Клавиатура от микрокалькулятора или кнопочного телефона.
Использован 16-ти символьный 2-х строчный LCD модуль фирмы Techstar с подсветкой. Эти модули довольно таки стандартны, так что почти любой 16x2 LCD модуль будет работать.
Схема не содержит токовых элементов, кроме стабилизатора напряжения, поэтому поэлементный расчет элементов не производится.
Спецификация элементов устройства приведена в Приложении В.
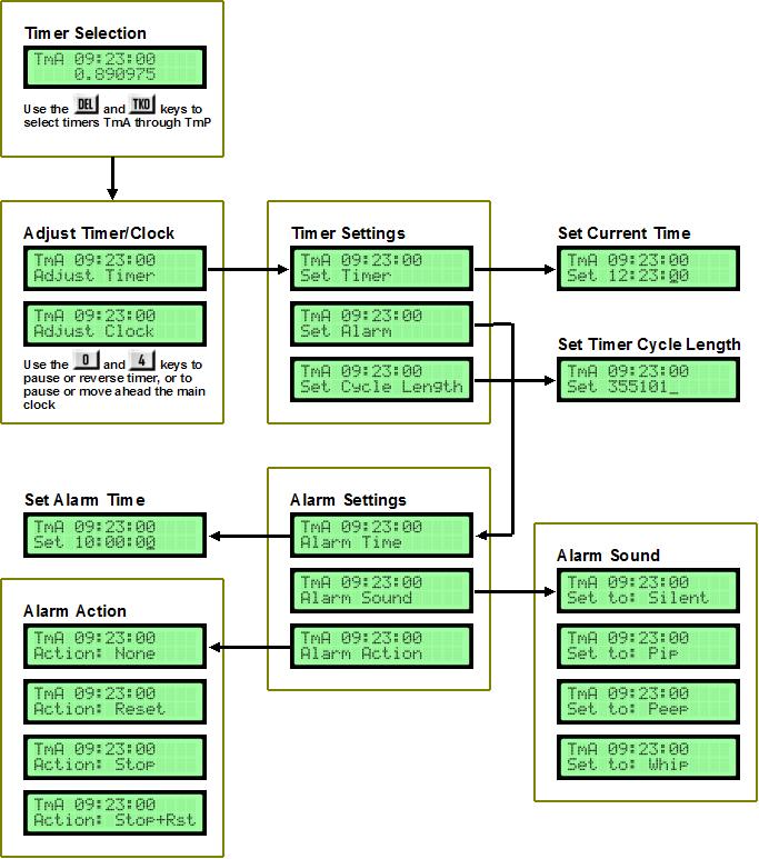
Следует немного разобраться, как управляются астрономические часы.
Дисплей часов это 2х16 LCD модуль. Первая строка всегда показывает текущий выбранный таймер. Вторая строка используется для показа либо юлианского времени, либо выбора текущего меню.

Рисунок 2.7 – Общий вид дисплея
Шестнадцать таймеров имеют имена TmA, TmB и т.д. вплоть до TmP. Здесь TmA это имя таймера, следующего за текущим временем. Вторая строка показывает то же самое время в юлианском формате (используется в астрономии и других науках). Клавиатура выглядит так (Рисунок 2.8).

Рисунок 2.8 – Клавиатура астрономических часов
Пользовательский интерфейс часов организован в виде различных меню. Нажатие кнопок [DEL] и [TKO] позволит просмотреть пункты меню. При нажатии на [ENT] будет выбран пункт (и произойдет связанное с пунктом действие – откроется другое меню, установка значения и т.д.). выход из меню делается нажатием кнопки [DEL]. Это вызовет открытие предыдущего меню. Ниже приведена диаграмма различных меню часов, с последующим детальным описанием каждого меню (Рисунок 2.9).

Рисунок 2.9 - Главное Меню – Выбор Таймера
Сразу после включения питания часов, мы попадем в меню «Выбор Таймера». В этом режиме можно просмотреть все 16 таймеров, от TmA до TmP (как и с любым меню, используйте кнопки [TKO] и [DEL] для выбора таймеров). Если вы не уверены, в каком меню вы находитесь, нажмите кнопку [ABT] несколько раз, это приведет вас в главное меню.
Установка времени [select timer, ENT]
Если вы хотите изменить что-нибудь в таймере – установить время, установить будильник и т.д., выберете данный таймер и нажмите кнопку [ENT]. Это приведет вас к следующему меню с двумя опциями (Рисунок 2.10).


Рисунок 2.10 - Меню с двумя опциями
Когда опция Adjust Timer видна, вы можете использовать кнопку [0] чтобы поставить таймер на паузу или перезапустить таймер и кнопку [4], для того, чтобы переключить направление таймера (вперед или назад). Это будет воздействовать только на текущий выбранный таймер.
Когда опция Adjust Clock видна, вы можете делать установки для часов, которые влияют на все таймеры. Нажмите кнопку [0] чтобы поставить на паузу или перезапустить часы. Нажатие кнопки [4] вызовет скачок часов вперед на 1 секунду. Таким образом вы можете задать правильное время не перезапуская каждый таймер отдельно.
Установки таймера [select timer, ENT]
Выберите таймер и нажмите кнопку [ENT] дважды (один раз чтобы получить Adjust меню и второй раз, чтобы выбрать опцию Adjust Timer). Появится меню со следующими опциями (Рисунок 2.11).



Рисунок 2.11 – Опции таймера
Если вы выберите опцию Set Timer и нажмете кнопку [ENT], вам будет показан экран, где вы можете ввести новое время. Введите время используя цифровой клавиши. Новое время будет установлено когда вы введете все шесть цифр (HH:MM:SS) или когда вы нажмете кнопку [ENT]. Нажатие кнопки [ABT] в любой момент отменит операцию и время не будет установлено.
Если вы выберите опцию Set Alarm, это позволит вам установить время будильника, звук и действие.
Чтобы настроить таймер на какой ни будь другой, отличный от стандартного земного (24 часа), временной цикл, выберите опцию Set Cycle Lengt. Более детальная информация и примеры длин циклов (например, как заставить таймер считать марсианское время), находятся в разделе How-To, пункт «Установка длинны цикла таймера». Подтвердите установку новой длинны цикла кнопкой [ENT] или отмените операцию нажав кнопку [ABT] в любой момент.
Каждый таймер имеет будильник, связанный с ним. Это меню позволяет вам выбрать между следующими опциями.
Чтобы установить время будильника выберите опцию Alarm Time и нажмите кнопку [ENT]. Как обычно, кнопка [ENT] подтверждает, а кнопка [ABT] отменяет операцию в любой момент.
2.8 Разработка схемы электрической принципиальной
Принципиальная схема многофункциональных астрономических часов в Accel EDA приведена на Рисунке 2.12.

Рисунок 2.12 - Принципиальная схема многофункциональных астрономических часов в Accel EDA
Принципиальная схема приведена в Приложении Д.
РАЗДЕЛ 3. ТЕХНИКО-ЭКОНОМИЧЕСКОЕ ОБОСНОВАНИЕ ОБЪЕКТА РАЗРАБОТКИ
В данном разделе проводится технико-экономический расчет стоимости астрономических часов.
Стоимость устройства будет состоять из стоимости разработки ПО для микроконтроллера, стоимости разработки конструкторской документации и сборки устройства.
3.1 Расчет расходов ПО для микроконтроллера, которое разрабатывается
Исходные данные для расчета стоимости разработки ПО, которое разрабатывается приведены в таблице 3.1.
Таблица 3.1 – Данные на 1.01.2010 г.
|
№п/п |
Статьи затрат |
Усл. обозн. |
Ед. изм. |
Значения |
|
|
Проектирование и разработка ПЗ |
|||||
|
1 |
Часовая тарифная ставка программиста |
Зпр |
грн. |
8,00 |
|
|
2 |
Коэффициент сложности программы |
с |
коэф. |
1,40 |
|
|
3 |
Коэффициент коррекции программы |
Р |
коэф. |
0,05 |
|
|
4 |
Коэффициент увеличения расходов труда |
Z |
коэф. |
1,3 |
|
|
5 |
Коэффициент квалификации программиста |
k |
коэф. |
1,0 |
|
|
6 |
Амортизационные отчисления |
Амт |
% |
10,0 |
|
|
7 |
Мощность компьютера, принтера |
WМ |
Квт/ч |
0,40 |
|
|
8 |
Стоимость ПЕОМ IBM Sempron LE1150(AM2)/1GB/TFT |
Втз |
грн. |
3200,00 |
|
|
9 |
Тариф на электроэнергию |
Це/е |
грн. |
0,56 |
|
|
10 |
Норма дополнительной зарплаты |
Нд |
% |
10,0 |
|
|
11 |
Отчисление на социальные расходы |
Нсоц |
% |
37,2 |
|
|
12 |
Транспортно-заготовительные расходы |
Нтр |
% |
4,0 |
|
|
Эксплуатация П0 |
|||||
|
13 |
Численность обслуживающего персонала |
Чо |
чел |
1 |
|
|
14 |
Часовая тарифная ставка обслуживающего персонала |
Зперс |
грн. |
6,00 |
|
|
15 |
Время обслуживания систем |
То |
час/г |
150 |
|
|
16 |
Стоимость ПЕОМ |
Втз |
грн. |
3200,00 |
|
|
17 |
Норма амортизационных отчислений на ПЕОМ |
На |
% |
10,0 |
|
|
18 |
Норма амортизационных отчислений на ПЗ |
НаП |
% |
10,0 |
|
|
19 |
Накладные расходы |
Рнак |
% |
25,0 |
|
|
20 |
Отчисление на содержание и ремонт ПЕОМ и ПО |
Нр |
% |
10,0 |
|
|
21 |
Стоимость работы одного часа ПЕОМ |
Вг |
грн. |
6,5 |
Первичными исходными данными для определения себестоимости ПО является количество исходных команд (операторов) конечного программного продукта. Условное количество операторов Q в программе задания может быть оценено по формуле:
,
(3.1)
где у – расчетное количество операторов в программе, что разрабатывается (единиц);
с – коэффициент сложности программы;
р – коэффициент коррекции программы в ходе ее разработки.
Рассчитанное количество операторов в разработанной программе – 500.
Коэффициент с – относительная сложность задания относительно отношения к типичной задаче, сложность которой принята более 1, лежит в границах от 1,25 до 2,0 и выбирается равным 1,30.
Коэффициент коррекции программы р – увеличение объема работ за счет внесения изменений в программу лежит в границах от 0,05 до 0,1 и выбирается равным 0,05.
Подставим выбранные значения в формулу (3.1) и определим величину Q:
Q = 200∙1,3 (1 + 0,05) = 273.
3.2 Расчет расходов на создание ПО
Расчет расходов на ПО проводится методом калькуляции расходов, в основу которого положена трудоемкость и заработная плата разработчиков. Трудоемкость разработки ПЗ рассчитывается по формуле:
>
>(3.2)
где То – расходы труда на описание задания;
Ти – расходы труда на изучение описания задания;
Та – расходы труда на разработку алгоритма решения задания;
Тп> >– расходы труда на составление программы по готовой блок-схеме;
Тотл – расходы труда на отладку программы на ЭВМ;
Тд> >– расходы труда на подготовку документации.
Составные расходы труда, в свою очередь, можно определить по числу операторов Q для ПО, что разрабатывается. При оценке составных расходов труда используются:
- коэффициенты квалификации разработчика алгоритмов и программ – к;
– увеличение расходов труда в результате недостаточного описания задания – Z.
Коэффициент квалификации разработчика характеризует меру подготовленности исполнителя к порученной ему работе (он задается в зависимости от стажа работы), к = 1,0.
Коэффициент увеличения расходов труда в результате недостаточного описания задания характеризует качество постановки задания, выданной для разработки программы, в связи с тем, что задание требовало уточнения и некоторой доработки. Этот коэффициент принимается равным 1,3.
Все исходные данные приведенные в таблице 3.1.
а) Трудоемкость разработки П0 составляет:
Расходы труда на подготовку описания задания Т>о> принимаются равными 5 чел/час, исходя из опыта работы.
Расходы труда на изучение описания задания Т>е >с учетом уточнения описания и квалификации программиста могут быть определены по формуле:
;
(3.3)
Т>и> = 273∙1,3/80∙1 = 5(чел/час)
Расходы труда на разработку алгоритма решения задачи рассчитываются по формуле:
;
(3.4)
Т>а>=273/25∙1 = 11 (чел/час)
Расходы труда на составление программы по готовой блок-схеме Тп рассчитываются по формуле:
;
(3.5)
(чел/час)
Расходы труда на отладку программы на ПЕОМ Тотл рассчитываются по формуле:
при автономной отладке одного задания:
;
(3.6)
(чел/час)
при комплексной отладке задания:
;
(3.7)
(чел/час)
Расходы труда на подготовку документации по заданию Тд определяются по формуле:
,
(3.8)
где Тдр – расходы труда на подготовку материалов в рукописи:
;
(3.9)
(чел/час)
Тдо – расходы труда на редактирование, печать и оформление документация:
.(3.10)
(чел/час)
Подставляя приобретенных значений в формулу (3.8), получим:
(чел/час)
Определим трудоемкость разработки ПО, подставив полученные значения составляющих в формулу (3.2):

Расчет трудоемкости и зарплаты приведен в таблице 3.2.
б) Расчет материальных расходов на разработку ПЗ
Материальные расходы М>з>, которые необходимы для создания ПО приведенные в таблице 3.3.
Таблица 3.2 – Трудоемкость и зарплата разработчиков ПО
|
Наименование этапов разработки |
Трудоемкость чел/часов |
Почасовая тарифная ставка программиста, грн. |
Сумма зарплаты, грн. |
|
Описание задания |
5 |
8,00 |
40,00 |
|
Изучение задания |
5 |
8,00 |
40,00 |
|
Составление алгоритма решения задачи |
11 |
8,00 |
88,00 |
|
Программирование |
12 |
8,00 |
96,00 |
|
Отладка программы |
83 |
8,00 |
664,00 |
|
Оформление документации |
25 |
8,00 |
200,00 |
|
ВСЕГО: |
141 |
8,00 |
1128,00 |
Таблица 3.3 – Расчет материальных расходов на разработку ПО
|
Материал |
Фактическое количество |
Цена за единицу, грн. |
Сумма, грн. |
|
1. DVD |
1 |
3,00 |
6,00 |
|
2. Бумага |
500 |
0,10 |
50,00 |
|
ВМЕСТЕ: |
56,00 |
||
|
ТЗР (4%) |
2,24 |
||
|
ВМЕСТЕ: |
57,24 |
в) Расходы на использование ЭВМ при разработке ПО
Расходы на использование ЭВМ при разработке ПО рассчитываются, исходя из расходов одного часа, по формуле:
,
(3.12)
где В>г> – стоимость работы одного часа ЭВМ, грн.;
Т>отл> – расходы труда на наладку программы на ЭВМ, чел./час.;
Т>д>> >– расходы труда на подготовку документации, чел./час.;
Т>п>> >– расходы труда на составление программы по готовой блок-схеме, чел./час.
(грн.)
г) Расчет технологической себестоимости создания программы
Расчет технологической себестоимости создания программы (ПО) проводится методом калькуляции расходов (таблица 3.4).
Таблица 3.4 – Калькуляция технологических расходов на создание ПО
|
Наименование |
Расходы, грн. |
|
|
1 |
Материальные расходы |
57,24 |
|
2 |
Основная зарплата |
1128,00 |
|
3 |
Дополнительная зарплата (15,0 %) |
169,20 |
|
4 |
Отчисление на социальные мероприятия (37,2 %) |
482,56 |
|
5 |
Накладные расходы (25,0 %) |
282,00 |
|
6 |
Расходы на использование ЭВМ составлении программного обеспечения ПО |
780,00 |
|
7 |
Себестоимость ПО микроконтроллера |
2899,00 |
В таблице 3.4 величина материальных расходов Мз рассчитана в таблице 3.3, основная зарплата С берется из таблицы 3.2, дополнительная зарплата составляет 15% от основной зарплаты, отчисление на социальные потребности – 37,2% от основной и дополнительной зарплат (вместе), накладные расходы – 25% от основной зарплаты. Себестоимость разработанной программы С>ПО> рассчитывается как сумма пунктов 1 – 6.
Стоимость ПО для микроконтроллера составляет 2899,00 грн. на единицу продукции. Если организовать массовый выпуск продукции эта стоимость разделится на количество выпущенных изделий.
3.2 Расчет стоимости разработки конструкторской документации и сборки устройства
а) Трудоемкость разработки КД изделия (Т) рассчитывается по формуле:
,
(3.13)
где Татз – расходы труда на анализ технического задания (ТЗ), чел./час;
Трес – расходы труда на разработку электрических схем, чел./час;
Трк – расходы труда на разработку конструкции, чел./час;
Трт – расходы труда на разработку технологии, чел./час;
Токд – расходы труда на оформление КД, чел./час;
Твидз – расходы труда на изготовление и испытание опытного образца.
Данные расчета заносятся в таблицу 3.5.
Таблица 3.5 - Расчет заработной платы на разработку КД изделия
|
Виды работ |
Условные обозначения |
Почасовая тарифная ставка - Сст>, >грн. |
Факт.расходы времени чел./час; |
Зарплата, грн. |
|
1. Анализ ТЗ |
Татз |
6,00 |
2 |
12,00 |
|
2. Разработка электрических схем |
Трес |
6,00 |
4 |
24,00 |
|
3. Разработка конструкции |
Трк |
6,00 |
4 |
24,00 |
|
4. Разработка технологии |
Трт |
6,00 |
2 |
12,00 |
|
5. Оформление КД |
Токд |
6,00 |
2 |
12,00 |
|
6. Изготовление и испытание опытного образца |
Твидз |
6,00 |
8 |
48,00 |
|
Всего: |
|
6,00 |
22 |
132,00 |
Заработная плата на разработку КД изделия С определяется по формуле:
,
(3.14)
где
- почасовая тарифная ставка
разработчика, грн.;
- трудоемкость разработки
КД изделия.
б) Расчет материальных расходов на разработку КД
Материальные расходы Мв, которые необходимы для разработки (создании) КД, приведены в таблице 3.6.
Таблица 3.6 - Расчет материальных расходов на разработку КД
|
Материал |
Обозначение пометь. |
Факт. кол. чество |
Цена за ед. грн. цу, грн. |
Сумма, грн. |
|
1. CD DVD |
1 |
2,00 |
2,00 |
|
|
2. Бумага |
500 |
0,07 |
35,00 |
|
|
ВСЕГО: |
|
37,00 |
||
|
ТЗР (4%) |
1,48 |
|||
|
Итого: |
Мв |
38,48 |
в) Расходы на использование ЭВМ при разработке КД
Расходы, на использование ЭВМ при разработке КД, рассчитываются исходя из расходов работы одного часа ЭВМ по формуле, грн.:
,
(3.15)
где Вг – стоимость работы одного часа ЭВМ, грн.
Трес – расходы труда на разработку электрических схем, чел./час;
Трк – расходы труда на разработку конструкции, чел./час;
Трт – расходы труда на разработку технологии, чел./час;
Токд – расходы труда на оформление КД, чел./час;
При этом, стоимость работы одного часа ЭВМ (других технических средств - ТС) Вг определяется по формуле, грн.:
,
(3.16)
где Т>е/е> – расходы на электроэнергию, грн.;
В>аморт> – величина 1-ого часа амортизации ЭВМ (ТС), грн.;
З>перс>> >– почасовая зарплата обслуживающего персонала, грн.;
Т>рем> – расходы на ремонт, покупку деталей, грн.;
Стоимость одного часа амортизации В>аморт> определяется по формуле, грн.:
при 40 часовой рабочей неделе:
,
(3.17)
где В>тз> - стоимость технических средств, грн.
Н>а> - норма годовой амортизации (%).
К>т >- количество недель на год (52 недели/год).
Г>т >- количество рабочих часов в неделю (40 час/неделя)
Почасовая оплата обслуживающего персонала З>перс> рассчитывается по формуле, грн.:
,
(3.18)
где О>кл> - месячный оклад обслуживающего персонала, грн.
К>рг> - количество рабочих часов в месяц (160 часов/месяц);
Н>рем>> >- расходы на оплату труда ремонта ЭВМ (6 % Окл).
Расходы на ремонт, покупку деталей для ЭВМ Трем определяются по формуле, грн.:
,
(3.19)
где В>тз> - стоимость технических средств, грн.
Н>рем> - процент расходов на ремонт, покупку деталей (%);
К>т >- количество недель на год (52 недели/год).
Г>т> - количество рабочих часов в неделю (36 168 час./неделя)
Расходы на использование электроэнергии ЭВМ и техническими средствами Т>е/е> определяются по формуле, грн.:
,
(3.20)
где В>е/е> – стоимость одного кВт/час электроэнергии, грн.;
W>пот> – мощность компьютера, принтера и сканера (за 1 час), (кВт/час.).
Таким образом, стоимость одного часа работы ЭВМ при разработке КД будет составлять (см. формулу 3.16), грн.:
.
Расходы на использование ЭВМ при разработке, грн. (см. формулу 3.15):

г) Расчет технологической себестоимости создания КД
Расчет технологической себестоимости создания КД изделия проводится методом калькуляции расходов (таблица 3.7).
Таблица 3.7 - Калькуляция технологических расходов на создание КД изделия
|
№ п/п |
Наименование статей |
Условны обозначения |
Расходы (грн.) |
|
1 |
2 |
3 |
4 |
|
1. |
Материальные расходы |
М>в> |
38,48 |
|
2. |
Основная зарплата |
З>о> |
132,00 |
|
3. |
Дополнительная зарплата |
З>д> |
19,80 |
|
4. |
Отчисление на социальные мероприятия |
37,2%(З>о>+З>д>) |
56,47 |
|
5. |
Общепроизводственные (накладные) расходы предприятия |
Н>накл> |
33,00 |
|
6. |
Расходы на использование ЭВМ при составлении программного обеспечения КД |
В>ЕОМ> |
18,60 |
|
7. |
Себестоимость КД изделия |
Скд> >= (16) |
298,35 |
В таблице 3.7 величина материальных расходов Мв рассчитана в таблице 3.6, основная зарплата С берется из таблицы 3.5, дополнительная зарплата 15 % от основной зарплаты, отчисление на социальные мероприятия –37,2% - от основной и дополнительной зарплаты (вместе). Общезаводские (накладные) расходы 25% от основной зарплаты. Себестоимость разработанной конструкторской документации Скд рассчитывается как сумма пунктов 1–6.
3.3 Расчет расходов на стадии производства изделия
Себестоимость изделия которое разрабатывается рассчитывается на основе норм материальных и трудовых расходов. Среди исходных данных, которые используются для расчета себестоимости изделия, выделяют нормы расходов сырья и основных материалов на одно изделие.
Таблица 3.8 -Расчет расходов на сырье и основные материалы на одно изделие
|
Материалы |
Норма расходов (единиц) |
Оптовая цена грн./ед. |
Фактические расходы (единиц) |
Сумма грн. |
|
1 |
2 |
3 |
4 |
5 |
|
Стеклотекстолит СФ-2-35 (лист 1,0 ГОСТ 10316 - 78), кг |
0,5 |
24,00 |
0,4 |
9,60 |
|
Припой ПОС - 61 (ГОСТ 21930 - 76), кг |
0,05 |
18.00 |
0,05 |
0,90 |
|
Всего: |
10,50 |
|||
|
Транспортно-заготовительные расходы (4%) |
0,42 |
|||
|
Итого: |
10,92 |
В ходе расчета себестоимости изделия, как исходные данные, используют спецификации материалов, покупных комплектующих изделии и полуфабрикатов, которые используются сборке одного изделия (Приложение Ж).
Расчет зарплаты основных производственных рабочих проводим на основе норм трудоемкости по видам работ и почасовым ставкам рабочих (таблица 3.9).
Таблица 3.9 - Расчет основной зарплаты
-
Наименование операции
Почасовая тарифная ставка, грн.
Норма времени
чел./час.
Сдельная зарплата, грн.
1
2
3
4
Заготовительная
5,67
0,5
2,84
Фрезерная
6,08
0,8
4,86
Слесарная
6,08
1,0
6,08
Гравировка
5,67
0,5
2,84
Фотохимпечать
5,67
1,2
6,80
Гальваническая
6,08
2,0
12,16
Маркировочная
5,67
0,1
0,57
Сборка
5,67
1,2
6,80
Монтаж
5,67
0,5
2,84
Настройка
6,08
0,7
4,26
Другие
-
-
-
Всего:
50,05
Калькуляция себестоимости и определения цены выполняется в таблице 3.10.
Таблица 3.10 - Калькуляция себестоимости и определения цены изделия
|
Наименование статей расходов |
Расходы грн. |
|
Прямые расходы |
|
|
Сырье и материалы |
10,92 |
|
Покупные комплектующие изделия |
69,54 |
|
Основная зарплата рабочих |
50,05 |
|
Дополнительная зарплата (15%) |
7,50 |
|
Отчисление на социальные мероприятия (37,2%) |
21,41 |
|
Накладные расходы (25% по данным предприятия) |
12,51 |
|
Производственная себестоимость |
298,35 |
|
Общая стоимость базового блока |
470,28 |
Общая стоимость изделия будет составлять:
С>общ.> = С >прог.> + С >баз. Бл.> (3.21)
где С >прог.> – себестоимость составления программы для микроконтроллера;
С >баз. Бл >– себестоимость подготовки КД и сборки устройства.
При единичном изготовлении
С>общ.> = 2899,00+ 470,28 = 3369,28 (грн.).
Если же поступит заказ на изготовление 1000 астрономических часов, себестоимость устройства будет:
С>общ.1000> = 2899,00/1000 + 298,35/1000 + 171,93 = 175,21 (грн.)
Вывод: чем больше производится устройств, тем меньше их стоимость (не учитывалась стоимость оптовой закупки комплектующих).
Данное устройство может быть предложено для повторения радиолюбителями, потому что оно не найдет массового применения, ввиду того, что промышленностью массово выпускаются электронные часы, которые намного дешевле астрономических часов и выполняют множество полезных «земных» функций.
РАЗДЕЛ 4 ОХРАНА ТРУДА
Научно-технический прогресс внес серьезные изменения в условия производственной деятельности работников умственного труда. Их труд стал более интенсивным, напряженным, требующим значительных затрат умственной, эмоциональной и физической энергии. Это потребовало комплексного решения проблем эргономики, гигиены и организации труда, регламентации режимов труда и отдыха.
В настоящее время компьютерная техника широко применяется во всех областях деятельности человека. При работе с компьютером человек подвергается воздействию ряда опасных и вредных производственных факторов: электромагнитных полей (диапазон радиочастот: ВЧ, УВЧ и СВЧ), инфракрасного и ионизирующего излучений, шума и вибрации, статического электричества и др..
Работа с компьютером характеризуется значительным умственным напряжением и нервно-эмоциональной нагрузкой операторов, высокой напряженностью зрительной работы и достаточно большой нагрузкой на мышцы рук при работе с клавиатурой ЭВМ. Большое значение имеет рациональная конструкция и расположение элементов рабочего места, что важно для поддержания оптимальной рабочей позы человека-оператора.
В процессе работы с компьютером необходимо соблюдать правильный режим труда и отдыха. В противном случае у персонала отмечаются значительное напряжение зрительного аппарата с появлением жалоб на неудовлетворенность работой, головные боли, раздражительность, нарушение сна, усталость и болезненные ощущения в глазах, в пояснице, в области шеи и руках.
4.1 Требования к производственным помещениям
4.1.1 Окраска и коэффициенты отражения
Окраска помещений и мебели должна способствовать созданию благоприятных условий для зрительного восприятия, хорошего настроения.
Источники света, такие как светильники и окна, которые дают отражение от поверхности экрана, значительно ухудшают точность знаков и влекут за собой помехи физиологического характера, которые могут выразиться в значительном напряжении, особенно при продолжительной работе. Отражение, включая отражения от вторичных источников света, должно быть сведено к минимуму.
Для защиты от избыточной яркости окон могут быть применены шторы и экраны.
В зависимости от ориентации окон рекомендуется следующая окраска стен и пола:
окна ориентированы на юг: - стены зеленовато-голубого или светло-голубого цвета; пол - зеленый;
окна ориентированы на север: - стены светло-оранжевого или оранжево-желтого цвета; пол - красновато-оранжевый;
окна ориентированы на восток: - стены желто-зеленого цвета; пол зеленый или красновато-оранжевый;
окна ориентированы на запад: - стены желто-зеленого или голубовато-зеленого цвета; пол зеленый или красновато-оранжевый.
В помещениях, где находится компьютер, необходимо обеспечить следующие величины коэффициента отражения: для потолка: 60-70%, для стен: 40-50%, для пола: около 30%. Для других поверхностей и рабочей мебели: 30-40%.
4.1.2 Освещение
Правильно спроектированное и выполненное производственное освещение улучшает условия зрительной работы, снижает утомляемость, способствует повышению производительности труда, благотворно влияет на производственную среду, оказывая положительное психологическое воздействие на работающего, повышает безопасность труда и снижает травматизм.
Недостаточность освещения приводит к напряжению зрения, ослабляет внимание, приводит к наступлению преждевременной утомленности. Чрезмерно яркое освещение вызывает ослепление, раздражение и резь в глазах.
Неправильное направление света на рабочем месте может создавать резкие тени, блики, дезориентировать работающего. Все эти причины могут привести к несчастному случаю или профзаболеваниям, поэтому столь важен правильный расчет освещенности.
Существует три вида освещения - естественное, искусственное и совмещенное (естественное и искусственное вместе).
Естественное освещение - освещение помещений дневным светом, проникающим через световые проемы в наружных ограждающих конструкциях помещений.
Естественное освещение характеризуется тем, что меняется в широких пределах в зависимости от времени дня, времени года, характера области и ряда других факторов.
Искусственное освещение применяется при работе в темное время суток и днем, когда не удается обеспечить нормированные значения коэффициента естественного освещения (пасмурная погода, короткий световой день).
Освещение, при котором недостаточное по нормам естественное освещение дополняется искусственным, называется совмещенным освещением.
Искусственное освещение подразделяется на рабочее, аварийное, эвакуационное, охранное. Рабочее освещение, в свою очередь, может быть общим или комбинированным. Общее - освещение, при котором светильники размещаются в верхней зоне помещения равномерно или применительно к расположению оборудования. Комбинированное - освещение, при котором к общему добавляется местное освещение.
Согласно СНиП II-4-79 в помещений вычислительных центров необходимо применить систему комбинированного освещения.
При выполнении работ категории высокой зрительной точности (наименьший размер объекта различения 0,3…0,5мм) величина коэффициента естественного освещения (КЕО) должна быть не ниже 1,5%, а при зрительной работе средней точности (наименьший размер объекта различения 0,5…1,0 мм) КЕО должен быть не ниже 1,0%. В качестве источников искусственного освещения обычно используются люминесцентные лампы типа ЛБ или ДРЛ, которые попарно объединяются в светильники, которые должны располагаться над рабочими поверхностями равномерно.
Требования к освещенности в помещениях, где установлены компьютеры, следующие: при выполнении зрительных работ высокой точности общая освещенность должна составлять 300лк, а комбинированная - 750лк; аналогичные требования при выполнении работ средней точности - 200 и 300лк соответственно.
Кроме того все поле зрения должно быть освещено достаточно равномерно – это основное гигиеническое требование. Иными словами, степень освещения помещения и яркость экрана компьютера должны быть примерно одинаковыми, т.к. яркий свет в районе периферийного зрения значительно увеличивает напряженность глаз и, как следствие, приводит к их быстрой утомляемости.
4.1.3 Параметры микроклимата
Параметры микроклимата могут меняться в широких пределах, в то время как необходимым условием жизнедеятельности человека является поддержание постоянства температуры тела благодаря терморегуляции, т.е. способности организма регулировать отдачу тепла в окружающую среду. Принцип нормирования микроклимата – создание оптимальных условий для теплообмена тела человека с окружающей средой.
Вычислительная техника является источником существенных тепловыделений, что может привести к повышению температуры и снижению относительной влажности в помещении. В помещениях, где установлены компьютеры, должны соблюдаться определенные параметры микроклимата. В санитарных нормах СН-245-71 установлены величины параметров микроклимата, создающие комфортные условия. Эти нормы устанавливаются в зависимости от времени года, характера трудового процесса и характера производственного помещения (см. табл. 4.1)
Объем помещений, в которых размещены работники вычислительных центров, не должен быть меньше 19,5м3/человека с учетом максимального числа одновременно работающих в смену. Нормы подачи свежего воздуха в помещения, где расположены компьютеры, приведены в табл. 4.2.
Для обеспечения комфортных условий используются как организационные методы (рациональная организация проведения работ в зависимости от времени года и суток, чередование труда и отдыха), так и технические средства (вентиляция, кондиционирование воздуха, отопительная система).
Таблица 4.1- Параметры микроклимата для помещений, где установлены компьютеры
|
Период года |
Параметр микроклимата |
Величина |
|
Холодный |
Температура воздуха в помещении |
22…24°С |
|
Относительная влажность |
40…60% |
|
|
Скорость движения воздуха |
до 0,1м/с |
|
|
Теплый |
Температура воздуха в помещении |
23…25°С |
|
Относительная влажность |
40…60% |
|
|
Скорость движения воздуха |
0,1…0,2м/с |
Таблица 4.2 - Нормы подачи свежего воздуха в помещения, где расположены компьютеры
|
Характеристика помещения |
Объемный расход подаваемого в помещение свежего воздуха, м3 /на одного человека в час |
|
Объем до 20м3 на человека |
Не менее 30 |
|
20…40м3 на человека |
Не менее 20 |
|
Более 40м3 на человека |
Естественная вентиляция |
4.1.4 Шум и вибрация
Шум ухудшает условия труда оказывая вредное действие на организм человека. Работающие в условиях длительного шумового воздействия испытывают раздражительность, головные боли, головокружение, снижение памяти, повышенную утомляемость, понижение аппетита, боли в ушах и т. д. Такие нарушения в работе ряда органов и систем организма человека могут вызвать негативные изменения в эмоциональном состоянии человека вплоть до стрессовых. Под воздействием шума снижается концентрация внимания, нарушаются физиологические функции, появляется усталость в связи с повышенными энергетическими затратами и нервно-психическим напряжением, ухудшается речевая коммутация. Все это снижает работоспособность человека и его производительность, качество и безопасность труда. Длительное воздействие интенсивного шума [выше 80 дБ(А)] на слух человека приводит к его частичной или полной потере.
В табл. 4.3 указаны предельные уровни звука в зависимости от категории тяжести и напряженности труда, являющиеся безопасными в отношении сохранения здоровья и работоспособности.
Таблица 4.3 - Предельные уровни звука, дБ, на рабочих местах
|
Категория напряженности труда |
Категория тяжести труда |
|||
|
Легкая |
Средняя |
Тяжелая |
Очень тяжелая |
|
|
I. Мало напряженный |
80 |
80 |
75 |
75 |
|
II. Умеренно напряженный |
70 |
70 |
65 |
65 |
|
III. Напряженный |
60 |
60 |
- |
- |
|
IV. Очень напряженный |
50 |
50 |
- |
- |
Уровень шума на рабочем месте математиков-программистов и операторов видеоматериалов не должен превышать 50дБА, а в залах обработки информации на вычислительных машинах - 65дБА. Для снижения уровня шума стены и потолок помещений, где установлены компьютеры, могут быть облицованы звукопоглощающими материалами. Уровень вибрации в помещениях вычислительных центров может быть снижен путем установки оборудования на специальные виброизоляторы.
4.1.5 Электромагнитное и ионизирующее излучения
Большинство ученых считают, что как кратковременное, так и длительное воздействие всех видов излучения от экрана монитора не опасно для здоровья персонала, обслуживающего компьютеры. Однако исчерпывающих данных относительно опасности воздействия излучения от мониторов на работающих с компьютерами не существует и исследования в этом направлении продолжаются.
Допустимые значения параметров неионизирующих электромагнитных излучений от монитора компьютера представлены в табл. 4.4.
Максимальный уровень рентгеновского излучения на рабочем месте оператора компьютера обычно не превышает 10мкбэр/ч, а интенсивность ультрафиолетового и инфракрасного излучений от экрана монитора лежит в пределах 10-100мВт/м2.
Таблица 4.4 - Допустимые значения параметров неионизирующих электромагнитных излучений (в соответствии с СанПиН 2.2.2.542-96)
|
Наименование параметра |
Допустимые значения |
|
Напряженность электрической составляющей электромагнитного поля на расстоянии 50см от поверхности видеомонитора |
10В/м |
|
Напряженность магнитной составляющей электромагнитного поля на расстоянии 50см от поверхности видеомонитора |
0,3А/м |
|
Напряженность электростатического поля не должна превышать: для взрослых пользователей для детей дошкольных учреждений и учащихся средних специальных и высших учебных заведений |
20кВ/м 15кВ/м |
Для снижения воздействия этих видов излучения рекомендуется применять мониторы с пониженным уровнем излучения (MPR-II, TCO-92, TCO-99), устанавливать защитные экраны, а также соблюдать регламентированные режимы труда и отдыха.
4.2 Эргономические требования к рабочему месту
Проектирование рабочих мест, снабженных видеотерминалами, относится к числу важных проблем эргономического проектирования в области вычислительной техники.
Рабочее место и взаимное расположение всех его элементов должно соответствовать антропометрическим, физическим и психологическим требованиям. Большое значение имеет также характер работы. В частности, при организации рабочего места программиста должны быть соблюдены следующие основные условия: оптимальное размещение оборудования, входящего в состав рабочего места и достаточное рабочее пространство, позволяющее осуществлять все необходимые движения и перемещения.
Эргономическими аспектами проектирования видеотерминальных рабочих мест, в частности, являются: высота рабочей поверхности, размеры пространства для ног, требования к расположению документов на рабочем месте (наличие и размеры подставки для документов, возможность различного размещения документов, расстояние от глаз пользователя до экрана, документа, клавиатуры и т.д.), характеристики рабочего кресла, требования к поверхности рабочего стола, регулируемость элементов рабочего места.
Главными элементами рабочего места программиста являются стол и кресло.
Основным рабочим положением является положение сидя.
Рабочая поза сидя вызывает минимальное утомление программиста.
Рациональная планировка рабочего места предусматривает четкий порядок и постоянство размещения предметов, средств труда и документации. То, что требуется для выполнения работ чаще, расположено в зоне легкой досягаемости рабочего пространства.
Моторное поле - пространство рабочего места, в котором могут осуществляться двигательные действия человека.
Максимальная зона досягаемости рук - это часть моторного поля рабочего места, ограниченного дугами, описываемыми максимально вытянутыми руками при движении их в плечевом суставе.
Оптимальная зона - часть моторного поля рабочего места, ограниченного дугами, описываемыми предплечьями при движении в локтевых суставах с опорой в точке локтя и с относительно неподвижным плечом.
На рис. 4.1 показан пример размещения основных и периферийных составляющих ПК на рабочем столе программиста.
Для комфортной работы стол должен удовлетворять следующим условиям :
- высота стола должна быть выбрана с учетом возможности сидеть свободно, в удобной позе, при необходимости опираясь на подлокотники;
- нижняя часть стола должна быть сконструирована так, чтобы программист мог удобно сидеть, не был вынужден поджимать ноги;
- поверхность стола должна обладать свойствами, исключающими появление бликов в поле зрения программиста;
- конструкция стола должна предусматривать наличие выдвижных ящиков (не менее 3 для хранения документации, листингов, канцелярских принадлежностей);
- высота рабочей поверхности рекомендуется в пределах 680-760мм;
- высота поверхности, на которую устанавливается клавиатура, должна быть около 650мм.
Большое значение придается характеристикам рабочего кресла. Так, рекомендуемая высота сиденья над уровнем пола находится в пределах 420-
550мм. Поверхность сиденья мягкая, передний край закругленный, а угол наклона спинки - регулируемый.
4
1
2
3


Рисунок 4.1- Размещения основных и периферийных составляющих ПК на рабочем столе программиста: 1 – сканер, 2 – монитор, 3 – принтер, 4 – поверхность рабочего стола, 5 – клавиатура, 6 – манипулятор типа «мышь».
Необходимо предусматривать при проектировании возможность различного размещения документов: сбоку от видеотерминала, между монитором и клавиатурой и т.п. Кроме того, в случаях, когда видеотерминал имеет низкое качество изображения, например заметны мелькания, расстояние от глаз до экрана делают больше (около 700мм), чем расстояние от глаза до документа (300-450мм). Вообще при высоком качестве изображения на видеотерминале расстояние от глаз пользователя до экрана, документа и клавиатуры может быть равным.
Положение экрана определяется:
- расстоянием считывания (0,6 - 0,7м);
- углом считывания, направлением взгляда на 20˚ ниже горизонтали к центру экрана, причем экран перпендикулярен этому направлению.
Должна также предусматриваться возможность регулирования экрана:
- по высоте +3 см;
- по наклону от -10˚ до +20˚ относительно вертикали;
- в левом и правом направлениях.
Большое значение также придается правильной рабочей позе пользователя.
При неудобной рабочей позе могут появиться боли в мышцах, суставах и сухожилиях. Требования к рабочей позе пользователя видеотерминала следующие:
- голова не должна быть наклонена более чем на 20˚,
- плечи должны быть расслаблены,
- локти - под углом 80˚-100˚,
- предплечья и кисти рук - в горизонтальном положении.
Причина неправильной позы пользователей обусловлена следующими факторами: нет хорошей подставки для документов, клавиатура находится слишком высоко, а документы - низко, некуда положить руки и кисти, недостаточно пространство для ног.
В целях преодоления указанных недостатков даются общие рекомендации: лучше передвижная клавиатура; должны быть предусмотрены специальные приспособления для регулирования высоты стола, клавиатуры и экрана, а также подставка для рук.
Существенное значение для производительной и качественной работы на компьютере имеют размеры знаков, плотность их размещения, контраст и соотношение яркостей символов и фона экрана. Если расстояние от глаз оператора до экрана дисплея составляет 60-80 см, то высота знака должна быть не менее 3мм, оптимальное соотношение ширины и высоты знака составляет
3:4, а расстояние между знаками – 15-20% их высоты. Соотношение яркости фона экрана и символов - от 1:2 до 1:15.
Во время пользования компьютером медики советуют устанавливать монитор на расстоянии 50-60 см от глаз. Специалисты также считают, что верхняя часть видеодисплея должна быть на уровне глаз или чуть ниже. Когда человек смотрит прямо перед собой, его глаза открываются шире, чем когда он смотрит вниз. За счет этого площадь обзора значительно увеличивается, вызывая обезвоживание глаз. К тому же если экран установлен высоко, а глаза широко открыты, нарушается функция моргания. Это значит, что глаза не закрываются полностью, не омываются слезной жидкостью, не получают достаточного увлажнения, что приводит к их быстрой утомляемости.
Создание благоприятных условий труда и правильное эстетическое оформление рабочих мест на производстве имеет большое значение, как для облегчения труда, так и для повышения его привлекательности, положительно влияющей на производительность труда.
4.3 Режим труда
Как уже было неоднократно отмечено, при работе с персональным компьютером очень важную роль играет соблюдение правильного режима труда и отдыха. В противном случае у персонала отмечаются значительное напряжение зрительного аппарата с появлением жалоб на неудовлетворенность работой, головные боли, раздражительность, нарушение сна, усталость и болезненные ощущения в глазах, в пояснице, в области шеи и руках.
В табл. 4.5 представлены сведения о регламентированных перерывах, которые необходимо делать при работе на компьютере, в зависимости от продолжительности рабочей смены, видов и категорий трудовой деятельности с ВДТ (видеодисплейный терминал) и ПЭВМ (в соответствии с САнНиП 2.2.2 542-96 «Гигиенические требования к видеодисплейным терминалам, персональным электронно-вычислительным машинам и организации работ»).
Таблица 4.5 - Время регламентированных перерывов при работе на компьютере
|
Категория работы с ВДТ или ПЭВМ |
Уровень нагрузки за рабочую смену при видах работы с ВДТ, количество знаков |
Суммарное время регламентированных перерывов, мин |
|
|
При 8-часовой смене |
При 12-часовой смене |
||
|
Группа А |
до 20000 |
30 |
70 |
|
Группа Б |
до 40000 |
50 |
90 |
|
Группа В |
до 60000 |
70 |
120 |
Примечание. Время перерывов дано при соблюдении указанных Санитарных правил и норм. При несоответствии фактических условий труда требованиям Санитарных правил и норм время регламентированных перерывов следует увеличить на 30%.
В соответствии со САнНиП 2.2.2 546-96 все виды трудовой деятельности, связанные с использованием компьютера, разделяются на три группы: группа А: работа по считыванию информации с экрана ВДТ или ПЭВМ с предварительным запросом; группа Б: работа по вводу информации; группа В: творческая работа в режиме диалога с ЭВМ.
Эффективность перерывов повышается при сочетании с производственной гимнастикой или организации специального помещения для отдыха персонала с удобной мягкой мебелью, аквариумом, зеленой зоной и т.п.
4.4 Расчет освещенности
Расчет освещенности рабочего места сводится к выбору системы освещения, определению необходимого числа светильников, их типа и размещения. Исходя из этого, рассчитаем параметры искусственного освещения.
Обычно искусственное освещение выполняется посредством электрических источников света двух видов: ламп накаливания и люминесцентных ламп. Будем использовать люминесцентные лампы, которые по сравнению с лампами накаливания имеют ряд существенных преимуществ:
- по спектральному составу света они близки к дневному, естественному свету;
- обладают более высоким КПД (в 1,5-2 раза выше, чем КПД ламп накаливания);
- обладают повышенной светоотдачей (в 3-4 раза выше, чем у ламп накаливания);
- более длительный срок службы.
Расчет освещения производится для комнаты площадью 15м2 , ширина которой - 5м, высота - 3 м. Воспользуемся методом светового потока.
Для определения количества светильников определим световой поток, падающий на поверхность по формуле:
F = E∙S∙Z∙К / n , (4.1)
Где F - рассчитываемый световой поток, Лм;
Е - нормированная минимальная освещенность, Лк (определяется по таблице). Работу программиста, в соответствии с этой таблицей, можно отнести к разряду точных работ, следовательно, минимальная освещенность будет Е = 300Лк;
S - площадь освещаемого помещения (в нашем случае S = 15м2);
Z - отношение средней освещенности к минимальной (обычно принимается равным 1,1-1,15 , пусть Z = 1,1);
К - коэффициент запаса, учитывающий уменьшение светового потока лампы в результате загрязнения светильников в процессе эксплуатации (его значение зависит от типа помещения и характера проводимых в нем работ и в нашем случае К = 1,5);
n - коэффициент использования, (выражается отношением светового потока, падающего на расчетную поверхность, к суммарному потоку всех ламп и исчисляется в долях единицы; зависит от характеристик светильника, размеров помещения, окраски стен и потолка, характеризуемых коэффициентами отражения от стен (РС) и потолка (РП)), значение коэффициентов РС и РП были указаны выше: РС=40%, РП=60%. Значение n определим по таблице коэффициентов использования различных светильников.
Для этого вычислим индекс помещения по формуле:
I = A∙B / h (A+B), (4.2)
где h - расчетная высота подвеса, h = 2,92 м;
A - ширина помещения, А = 3 м;
В - длина помещения, В = 5 м.
Подставив значения получим:
I= 0,642.
Зная индекс помещения I, по таблице 7 [23] находим n = 0,22.
Подставим все значения в формулу (4.1) для определения светового потока F, получаем F = 33750 Лм.
Для освещения выбираем люминесцентные лампы типа ЛБ40-1, световой поток которых F>л> = 4320 Лк.
Рассчитаем необходимое количество ламп по формуле:
N = F / F>л>, (4.3)
где N - определяемое число ламп;
F - световой поток, F = 33750 Лм;
F>л>- световой поток лампы, F>л> = 4320 Лм.
N = 8 ламп.
При выборе осветительных приборов используем светильники типа ОД. Каждый светильник комплектуется двумя лампами.
Значит требуется для помещения площадью S = 15 м2 четыре светильника типа ОД.
Расчет естественного освещения помещений
Организация правильного освещения рабочих мест, зон обработки и производственных помещений имеет большое санитарно-гигиеническое значение, способствует повышению продуктивности работы, снижения травматизма, улучшения качества продукции. И наоборот, недостаточное освещение усложняет исполнения технологического процесса и может быть причиной несчастного случая и заболевания органов зрения.
Освещение должно удовлетворять такие основные требования:
- быть равномерным и довольно сильным;
- не создавать различных теней на местах работы, контрастов между освещенным рабочем местом и окружающей обстановкой;
- не создавать ненужной яркости и блеска в поле взора работников;
- давать правильное направление светового потока;
Все производственные помещения необходимо иметь светлопрорезы, которые дают достаточное природное освещение. Без природного освещения могут быть конференц-залы заседаний, выставочные залы, раздевалки, санитарно-бытовые помещения, помещения ожидания медицинских учреждений, помещений личной гигиены, коридоры и проходы.
Коэфициент естественного освещения в соответствии с ДНБ В 25.28.2006, для нашого III пояса светового климата составляет 1,5.
Исходя из этого произведем расчет необходимой площади оконных проемов.
Расчет площади окон при боковом освещении определяется, по формуле:
S>о> = (L>n>*К>з.>*N>0>*S>n>*К>зд.>)/(100 *T>0>*r1) (4.4)
где:L>n> – нормированное значение КЕО
К>з> – коэффициент запаса (равен 1,2)
N>0> – световая характеристика окон
S>n> – площадь достаточного естественного освещения
К>зд.> – коэффициент, учитывающий затенение окон противостоящими зданиями
r1 – коэффициент, учитывающий повышение КЕО при боковом освещении
T>0> – общий коэффициент светопропускания, который рассчитывается по формуле:
T>0> = T>1> * T>2> * T>3> * T>4> * T>5, >(4.5)
где T>1> – коэффициент светопропускания материала;
T>2> – коэффициент, учитывающий потери света в переплетах светопроема;
T>3> – коэффициент, учитывающий потери света в несущих конструкциях;
T>4> – коэффициент, учитывающий потери света в солнцезащитный устройствах;
T>5> – коэффициент, учитывающий потери света в защитной сетке, устанавливаемой под фонарями, принимается равным 1;
Теперь следует рассчитать боковое освещение для зоны, примыкающей к наружной стене. По разряду зрительной работы нужно определить значение КЕО. КЕО = 1,5 нормированное значение КЕО с учетом светового климата необходимо вычислить по формуле:
L>n>=l*m*c, (4.6)
где l – значение КЕО (l=1.5);
m – коэффициент светового климата (m=1);
c – коэффициент солнечности климата (c=1)
L>n>=1,5
Теперь следует определить отношение длины помещения L>n> к глубине помещения B:
L>n>/B=3/5 =0,6;
Отношение глубины помещения В к высоте от уровня условной рабочей поверхности до верха окна h>1> (в данном случае h>1>=1,8) :
B/h>1>=5/1,8 = 2,77.
Световая характеристика световых проемов N>0>=9.
К>зд>=1
Значение T>0>=0,8*0,7*1*1*1=0,56.
L>n> для 4 разряда зрительных работ равен 1,5 при мытье окон два раза в год.
Определяем r1, r1=1,5.
К>з.>=1,2.
Теперь следует определить значение S>п>:
S>п>=L>n>*В=3*10=30 м2.
К>зд.>=1.
На данном этапе следует рассчитать необходимую площадь оконных проемов:
(L>n>* К>з.>*N>0>*S>n>*К>зд.>) / (100*T>0>*r1)
S>о> = (1,5*1,2*9*30*1)/(100*0,56*1,5)=486/84= 5,78 м2;
Принимаем количество окон 1 штука:
S>1>=5,78 м2 площадь одного окна
Высота одного окна составляет – 2,5 м, ширина 2,3 м.
4.5 Расчет вентиляции
В зависимости от способа перемещения воздуха вентиляция бывает естественная и принудительная.
Параметры воздуха, поступающего в приемные отверстия и проемы местных отсосов технологических и других устройств, которые расположены в рабочей зоне, следует принимать в соответствии с ГОСТ 12.1.005-76. При размерах помещения 3 на 5 метров и высоте 3 метра, его объем 45 куб.м. Следовательно, вентиляция должна обеспечивать расход воздуха в 90 куб.м/час. В летнее время следует предусмотреть установку кондиционера с целью избежания превышения температуры в помещении для устойчивой работы оборудования. Необходимо уделить должное внимание количеству пыли в воздухе, так как это непосредственно влияет на надежность и ресурс эксплуатации ЭВМ.
Мощность (точнее мощность охлаждения) кондиционера является главной его характеристикой, от неё зависит на какой объем помещения он рассчитан. Для ориентировочных расчетов берется 1 кВт на 10 м2 при высоте потолков 2,8 – 3 м (в соответствии со СНиП 2.04.05-86 "Отопление, вентиляция и кондиционирование").
Для расчета теплопритоков данного помещения использована упрощенная методика:
Q=S·h·q (4.8)
где:Q – Теплопритоки
S – Площадь помещения
h – Высота помещения
q – Коэффициент равный 30-40 вт/м3 (в данном случае 35 вт/м3)
Для помещения 15 м2 и высотой 3 м теплопритоки будут составлять:
Q=15·3·35=1575 вт
Кроме этого следует учитывать тепловыделение от оргтехники и людей, считается (в соответствии со СНиП 2.04.05-86 "Отопление, вентиляция и кондиционирование") что в спокойном состоянии человек выделяет 0,1 кВт тепла, компьютер или копировальный аппарат 0,3 кВт, прибавив эти значения к общим теплопритокам можно получить необходимую мощность охлаждения.
Q>доп>=(H·S>опер>)+(С·S>комп>)+(P·S>принт>) (4.9)
где:Q>доп> – Сумма дополнительных теплопритоков
C – Тепловыделение компьютера
H – Тепловыделение оператора
D – Тепловыделение принтера
S>комп> – Количество рабочих станций
S>принт> – Количество принтеров
S>опер> – Количество операторов
Дополнительные теплопритоки помещения составят:
Q>доп1>=(0,1·2)+(0,3·2)+(0,3·1)=1,1(кВт)
Итого сумма теплопритоков равна:
Q>общ1>=1575+1100=2675 (Вт)
В соответствии с данными расчетами необходимо выбрать целесообразную мощность и количество кондиционеров.
Для помещения, для которого ведется расчет, следует использовать кондиционеры с номинальной мощностью 3,0 кВт.
4.6 Расчет уровня шума
Одним из неблагоприятных факторов производственной среды в ИВЦ является высокий уровень шума, создаваемый печатными устройствами, оборудованием для кондиционирования воздуха, вентиляторами систем охлаждения в самих ЭВМ.
Для решения вопросов о необходимости и целесообразности снижения шума необходимо знать уровни шума на рабочем месте оператора.
Уровень шума, возникающий от нескольких некогерентных источников, работающих одновременно, подсчитывается на основании принципа энергетического суммирования излучений отдельных источников:
∑L = 10·lg (Li∙n), (4.10)
где Li – уровень звукового давления i-го источника шума;
n – количество источников шума.
Полученные результаты расчета сравнивается с допустимым значением уровня шума для данного рабочего места. Если результаты расчета выше допустимого значения уровня шума, то необходимы специальные меры по снижению шума. К ним относятся: облицовка стен и потолка зала звукопоглощающими материалами, снижение шума в источнике, правильная планировка оборудования и рациональная организация рабочего места оператора.
Уровни звукового давления источников шума, действующих на оператора на его рабочем месте представлены в табл. 4.6.
Таблица 4.6 - Уровни звукового давления различных источников
-
Источник шума
Уровень шума, дБ
Жесткий диск
40
Вентилятор
45
Монитор
17
Клавиатура
10
Принтер
45
Сканер
42
Обычно рабочее место оператора оснащено следующим оборудованием: винчестер в системном блоке, вентилятор(ы) систем охлаждения ПК, монитор, клавиатура, принтер и сканер.
Подставив значения уровня звукового давления для каждого вида оборудования в формулу (4.4) , получим:
∑L=10·lg(104+104,5+101,7+101+104,5+104,2)=49,5 дБ
Полученное значение не превышает допустимый уровень шума для рабочего места оператора, равный 65 дБ (ГОСТ 12.1.003-83). И если учесть, что вряд ли такие периферийные устройства как сканер и принтер будут использоваться одновременно, то эта цифра будет еще ниже. Кроме того при работе принтера непосредственное присутствие оператора необязательно, т.к. принтер снабжен механизмом автоподачи листов.
ВЫВОДЫ
В данном дипломном проекте рассмотрены вопросы проектирования многофункциональных астрономических часов, которые еще не выпускаются промышленностью.
В проекте рассмотрены теоретические вопросы создания устройств на микроконтроллера: этапы выполнения работ, разработка программного обеспечения, внедрения в производство.
В проекте осуществлена практическая разработка многофункциональных астрономических часов, которые показываю различное время (марсианское, юлианское, лунное и др.), произведен выбор микроконтроллера для осуществления всех поставленных задач, разработаны структурная и функциональные схемы, разработана принципиальная схема, которая отличается своеобразной новизной.
В экономической части проекта произведен расчет себестоимости многофункциональных астрономических часов. Часы широкого применения не найдут, но могут будут использованы, как сувенирные часы. Правда в этих часах можно использовать функцию «Земные часы», использовать функции «Таймер», который выполняет и обратный отсчет времени. Стоимость часов при массовом производстве уменьшиться, т.к. стоимость на разработку устройства и программного обеспечения распределится на количество изготовленных устройств.
В разделе охрана труда мы произвели расчет естественного и искусственного освещения, системы кондиционирования, уровня шума на рабочем месте инженера-программиста и сопоставили с нормативными значениями. В процессе разработки устройства были рассмотрены и изучены множество источников информации, информация сети Интернет, осуществлен поиск устройств-аналогов, использованы цены на комплектующие Интернет-магазинов.
ПЕРЕЧЕНЬ ССЫЛОК
1. "Dimmable Fluorescent Ballast" – User Guide, 10/07, Atmel Corporation, http://www.atmel.com/dyn/resources/prod_documents/doc7597.pdf
2. ГОСТ13109-97. Нормы качества электрической энергии в системах электроснабжения общего назначения.
3. G. Howell "Five questions about resistors" // EDN, 9/28/2006, http://www.edn.com/contents/images/6372835.pdf
4. П. Хоровиц, У. Хилл "Искусство схемотехники" – Изд. 6-е, М.: Мир, 2003.
5. C. Hillman "Common mistakes in electronic design" // EDN, 12/14/2007 http://www.edn.com/contents/images/6512156.pdf
6."Frequently asked questions about dimmers" // http://www .lutron.com/product_technical/faq.asp
7. Л. Н. Кечиев, Е. Д. Пожидаев "Защита электронных средств от воздействия статического электричества" – М.: ИД "Технологии", 2005.
8. Жидецкий В.Ц., Джигирей В.С., Мельников А.В. Основы охраны труда: Учебник – Львов, Афиша, 2008 – 351с.
9. Денисенко Г.Ф. Охрана труда: Учебн.пособие – М., Высшая школа, 1989 – 319с.
10. Самгин Э.Б. Освещение рабочих мест. – М.: МИРЭА, 1989. – 186с.
11. Справочная книга для проектирования электрического освещения. / Под ред. Г.Б. Кнорринга. – Л.: Энергия, 1976.
12. Борьба с шумом на производстве: Справочник / Е.Я. Юдин, Л.А. Борисов;
Под общ. ред. Е.Я. Юдина – М.: Машиностроение, 1985. – 400с., ил.
13. Зинченко В.П. Основы эргономики. – М.: МГУ, 1979. – 179с.
14.Методичні вказівки до виконання дипломної роботи для учнів спеціальності «Оператор комп’ютерного набору; оператор комп’ютерної верстки»/ Упоряд.: Д.О. Дяченко, К.О. Ізмалкова, О.Г. Меркулова. – Сєверодонецьк: СВПУ, 2007. – 40 с.
15. Н. Заец. Многофункциональные часы. — Схемотехника, 2006, № 2,с. 41,42.
16. Н. Заец. Термометр - часы с датчиками фирмы Dallas Semiconductor. — Схемотехника, 2005, № 5, с. 52 - 55.
17. Н. Заец. Радиолюбительские конструкции на Р1С-микроконтроллерах. Книга 3. — М.: СОЛОН-Пресс, 2005, с. 248.
18. Н. Заец. Отечественные жидкокристаллические индикаторы TIC9162 с драйверами по технологии COG. - Схемотехника, 2005, №9, с. 9-11.
19. Н. Заец. Таймеры десятичного счета. — Электрик, 2006, № 7-8, с. 36 -39.
20. Мощные полевые переключательные транзисторы фирмы International Rectifier. — Радио, 2001, № 5, с. 45.
21. А. Долгий. Разработка и отладка устройств на микроконтроллерах. — Радио, 2001 ,№ 5-12, 2002, № 1.
22. А. Долгий. Программаторы и программирование микроконтроллеров. — Радио, 2004, № 1-12.
23. Н. Заец. Универсальный таймер. — Схемотехника, 2003, № 1, с. 53.
24. Н. Заец. Электронные самоделки для быта, отдыха и здоровья.— М.: СОЛОН-Пресс, 2009, 423 с.
ПРИЛОЖЕНИЯ
Приложение А
Таблица А.1 – Основные параметры микроконтроллера PIC16F877A
-
Основные параметры
Ядро PIC16
F,МГц
от 0 до 20
Память: Flash,кБ
8
Память: RAM,кБ
0.365
Память: EEPROM,кБ
0.25
I/O (макс.),шт.
33
Таймеры: 8-бит,шт
2
Таймеры: 16-бит,шт
1
Таймеры: Каналов ШИМ,шт
2
Таймеры: RTC
Нет
Интерфейсы: UART,шт
1
Интерфейсы: SPI,шт
1
Интерфейсы: I2C,шт
1
Аналоговые входы: Разрядов АЦП,бит
10
Аналоговые входы: Каналов АЦП,шт
8
Аналоговые входы: Аналоговый компаратор,шт
2
VCC,В
от 2 до 5.5
ICC,мА
25
TA,°C
от -40 до 125
Корпус
PLCC-44 DIP-40 QFN-44 TQFP-44
Приложение Б
Программа для микроконтроллера многофункциональных астрономических часов
; ВЕРСИЯ 1.3
; V.1.1
; - Исправил сигнальную проблему установки
; V.1.2
; - Исправленный дефект с смятением иногда снова установка или остановка неправильного таймера
; - Приспособление за 1/4 второго утратят, когда таймер был reset смятением
; V.1.3
; - Некоторые таймеры блокировали, когда установка смятения были скорректированы
#include <p16F877A.inc>
__config _HS_OSC & _WDT_OFF & _LVP_OFF & _BODEN_ON & _PWRTE_ON ;& _CP_OFF
#include "LCD.h"
#include "KBD.h"
; Определения байта состояния
#define TMR_ON 7 ; 0 = от, 1 = на
#define TMR_DIR 6 ; 0 = inc, 1 = dec
#define TMR_ON_ALARM_RESET 4 ; 1 = на смятении, снова установленном таймере
#define TMR_ON_ALARM_STOP 3 ; 1 = на смятении, таймере остановки
; куски 0-1: сигнальный звук
; Корректировки Нормы
#define TMR_STD_LO 0xC5
#define TMR_STD_HI 0x66
#define TMR_XTR_LO 0x18
#define TMR_XTR_HI 0x80
#define PULSES_PER_TICK 0x20
#define F_TICK 0 ; флаг тикания
#define F_BTNDOWN 1 ; 1, если кнопка была вниз от предыдущей петли, 0 иначе
#define F_TMR_LABEL_DIRTY 2 ; набор, если этикетке таймера придется обновляться на показе
#define F_VAL_DISPLAY_DIRTY 3 ; набор, если этикетке значения придется обновляться на показе
#define F_CLOCK_STOPPED 4 ; набор, если главный отмечает время остановлен
#define F_CURSOR_DIRTY 5 ; набор, если местоположению курсора нужно обновляться или reset
#define F_VALUE_ENTERED 6 ; набор, если новое значение только введено
#define MSG_ID_Clear 0xFF
ТОЧНОСТЬ #define 7
#define KBD_SCAN_DELAY 3
#define D_SEL_TIMER 0x01 ; Место назначения - отобранный таймер
#define D_SEL_TIMER_LENGTH 0x02 ; Место назначения - отобранная длина таймера
#define D_SEL_TIMER_ALARM 0x03 ; Место назначения - отобранное сигнальное время таймера
#define D_SEL_TIMER_COPY 0x04 ; Место назначения - отобранный таймер; потребительная стоимость как таймер ID к значению таймера lookup
#define B_LED 0 ; RA0
#define B_SPK 1 ; RA1
#define SND_SILENT 0x00 ; не нет звука
#define SND_PIP 0x01 ; звук: "косточка"
#define SND_PEEP 0x02 ; звук: "чирикание"
#define SND_WHIP 0x03 ; звук: "кнут"
; макрокоманда math
Макрокоманда M_StorStatus, ГДЕ
movf STATUS,w
movwf , ГДЕ
endm
Макрокоманда M_RetrStatus, ГДЕ
movf WHERE,w
СТАТУС movwf
endm
; макрокоманда государственного аппарата
Макрокоманда IfJump BTN,ADDR
movlw BTN
sub>wf BTN_ID,w
btfsc STATUS,Z
goto ADDR
ENDM
; макрокоманда государственного аппарата
Макрокоманда AnyBtnJump ADDR
btfss BTN_ID,7
goto ADDR
ENDM
Макрокоманда IfState BTN,STATE
movlw BTN
sub>wf BTN_ID,w
btfss STATUS,Z
goto $+5
высокий ШТАТ movlw
movwf STATE_HI
низкий ШТАТ movlw
movwf STATE_LO
ENDM ; goto здесь
ШТАТ макрокоманды AnyBtnState
btfsc BTN_ID,7
goto $+5
высокий ШТАТ movlw
movwf STATE_HI
низкий ШТАТ movlw
movwf STATE_LO
ENDM ; goto здесь
ШТАТ макрокоманды GoToState
высокий ШТАТ movlw
movwf STATE_HI
низкий ШТАТ movlw
movwf STATE_LO
ENDM
Макрокоманда SetMsg NEW_MSG_ID
movlw NEW_MSG_ID
movwf MSG_ID
ENDM
cblock 0x20
; главные записи таймеров
LOOP_TIMER
ФЛАГИ
EE_ADDR
EE_DATA
CTR1
CTR2
TMP
TMP1
TMP2
TMP3
РЕДЖ
; отобранный таймер
SEL_TMR
SEL_TMR_SETTINGS
SEL_TMR_LEN:4
; сигнальные переменные
СМЯТЕНИЕ; 0, если смятение есть, сигнальный ID иначе
ALARM_TIMER; пересчитывает untill тиканий сигнальные переключатели от
; данные кнопочного пресса
BTN_ID
BTN_DOWN
; записи государственного аппарата
STATE_LO
STATE_HI
; записи показа
LCD_CURSOR_POSITION ; местоположение (куски 0-6) курсора и статус (кусок 7: 1=on; 0=off)
DISP:6
MSGL
MSGH
MSGDAT
MSG_ID; ID сообщения, которое должно показываться на втором ряду
MSG_ID_CURRENT; ID сообщения, в настоящий момент показанного на втором ряду
; записи math
REG_X:PRECISION
REG_Y:PRECISION
REG_Z:PRECISION
REG_COUNTER
REG_STATUS
REG_T1
REG_T2
REG_ROT_COUNTER
; записи ввода значения
VAL_STAT; статус - место назначения значения, которое введено (позже может использоваться, чтобы запомнить также формат в верхнем откусывании)
VAL_IND; индекс - индекс в настоящий момент введенного существования цифры
VAL_DIGIT; место, чтобы запомнить единую цифру, пока другие действия выполняются
VAL:6; значение непосредственно (может находиться в десятичном представлении или непосредственно в шестнадцатиричном)
endc
; прерывание отмечается в разделенном пространстве
cblock 0x78
INT_W
INT_STATUS
INT_PCLATH
INT_FSR
INT_PULSECTR
INT_TIMER
endc
cblock 0xA0
ТИМ:16*4
endc
cblock 0x120
LEN:16*4
endc
cblock 0x1A0
ALM:16*4
endc
cblock 0x1E0
TMR_SETTINGS:16*1
endc
org 0x00
Запуск goto
org 0x04
nop ; код прерывания следует - избегать потенциальных страниц проблем нумерации
Прерывание
movwf INT_W
swapf STATUS,W
СТАТУС clrf
movwf INT_STATUS
movf PCLATH,w
movwf INT_PCLATH
clrf PCLATH
movf FSR,w
movwf INT_FSR
;banksel T1CON; таймер остановки
bcf T1CON,TMR1ON
banksel TMR1H ; установленный TMR1 counter
decf INT_PULSECTR,f
btfss STATUS,Z
goto Interrupt_std_len
movlw TMR_XTR_LO
movwf TMR1L
movlw TMR_XTR_H
movwf TMR1H
movlw PULSES_PER_TICK
movwf INT_PULSECTR
incf INT_TIMER,f
goto Interrupt_continue
Interrupt_std_len
movlw TMR_STD_LO
movwf TMR1L
movlw TMR_STD_HI
movwf TMR1H
Interrupt_continue
banksel PIR1 ; очистите кусок избытка TMR1
bcf PIR1,TMR1IF
banksel PIE1 ; разрешите прерывание TMR1
bsf PIE1,TMR1IE
banksel T1CON ; стартовый таймер
bsf T1CON,TMR1ON
banksel PORTC
;movf INT_FSR,w
movwf FSR
movf INT_PCLATH,w
movwf PCLATH
swapf INT_STATUS,w
СТАТУС movwf
swapf INT_W,F
swapf INT_W,W
retfie
TMR_Init
banksel INTCON
bsf INTCON,PEIE
bsf INTCON,GIE
banksel T1CON
movlw b'00000000'
banksel PORTC
movlw PULSES_PER_TICK
movwf INT_PULSECTR
banksel PIR1 ; очистите кусок избытка TMR1
bcf PIR1,TMR1IF
banksel PIE1 ; разрешите прерывание TMR1
bsf PIE1,TMR1IE
banksel T1CON ; стартовый таймер
bsf T1CON,TMR1ON
banksel PORTC
возврат
SM_Init
movlw низкий S00_TimerSelectLoop
movwf STATE_LO
movlw высокий S00_TimerSelectLoop
movwf STATE_HI
возврат
Запуск
ФЛАГИ clrf
clrf INT_TIMER
clrf LOOP_TIMER
clrf LCD_CURSOR_POSITION
вызовите EEPROM_CheckInit
вызовите PORTS_Init
вызовите LCD_Init
вызовите SM_Init
вызовите ReadTimerDataFromEEPROM
clrf SEL_TMR
вызовите LCD_UpdateTimerLabel
вызовите TMR_Init
вызовите SPK_Whip
MainLoop
вызовите IfPlaySound
btfsc FLAGS,F_VALUE_ENTERED
вызовите ProcessEnteredValue
btfsc FLAGS,F_TMR_LABEL_DIRTY
вызовите LCD_UpdateTimerLabel
movf MSG_ID,w
sub>wf MSG_ID_CURRENT,w
btfss STATUS,Z
вызовите LCD_UpdateSecondRowMessage
btfsc FLAGS,F_VAL_DISPLAY_DIRTY
вызовите LCD_UpdateValDisplay
вызовите IfTick
вызовите KBD_Scan
movf STATE_HI,w
movwf PCLATH
movf STATE_LO,w
movwf PCL; идите к государственному аппарату
SM_Rtn; возвратная точка государственного аппарата
movlw высокий SM_Rtn
movwf PCLATH
movlw 0xFF
movwf BTN_ID
btfsc FLAGS,F_CURSOR_DIRTY
вызовите LCD_UpdateCursor
btfsc FLAGS,F_TICK
goto MainLoop_Tick
clrf TMP
MainLoop_Delay ; клавиатура debounce
decf TMP,f
nop
nop
btfss STATUS,Z
goto MainLoop_Delay
goto MainLoop
MainLoop_Tick
movf SEL_TMR,w
movwf CTR1
вызовите LoadSelTmrSettingsAndLen
вызовите MC_Normalize
вызовите MC_NormalizedTo86400
вызовите MC_86400toHMS
вызовите LCD_UpdateTimer
movf MSG_ID,w
sub>lw MSG_ID_Clear
btfss STATUS,Z
goto MainLoop
movf SEL_TMR,w
movwf CTR1
вызовите LoadSelTmrSettingsAndLen
вызовите MC_Normalize
вызовите MC_NormalizedToJulianNormalized
вызовите MC_NormalizedToDecimal
вызовите LCD_UpdateTimerDecimalPt
bcf FLAGS,F_TICK
goto MainLoop
ProcessEnteredValue
bcf FLAGS,F_VALUE_ENTERED
movf VAL_STAT,w
sub>lw D_SEL_TIMER_LENGTH
btfsc STATUS,Z
goto ProcessEnteredValue_STLEN
movf VAL_STAT,w
sub>lw D_SEL_TIMER
btfsc STATUS,Z
goto ProcessEnteredValue_ST
movf VAL_STAT,w
sub>lw D_SEL_TIMER_ALARM
btfsc STATUS,Z
goto ProcessEnteredValue_STALM
sub>lw D_SEL_TIMER_COPY
btfsc STATUS,Z
goto ProcessEnteredValue_COPY
возврат
ProcessEnteredValue_STALM
bsf STATUS,IRP; копируйте VAL в смятение
ProcessEnteredValue_ST
movf REG,w; копируйте VAL в таймер (или смятение, если STATUS,IRP является набором)
movwf FSR
movf VAL,w
movwf INDF
incf FSR,f
movf VAL+1,w
movwf INDF
incf FSR,f
movf VAL+2,w
movwf INDF
incf FSR,f
movf VAL+3,w
movwf INDF
bcf STATUS,IRP
возврат
ProcessEnteredValue_COPY
; НЕ ВЫПОЛНЯЮТ В ЭТОЙ ВЕРСИИ
; - получить таймер ID от данных часа
; - значение таймера груза
; - нормализировать значение
; - de-нормализировать отобранный ряд таймера значения
; - значение таймера копии к отобранному таймеру
возврат
ProcessEnteredValue_STLEN ; копируйте VAL в отобранную длину таймера
movf SEL_TMR,w
movwf CTR1
вызовите CalculateEEPROMAddressFromCTR1
incf EE_ADDR,f
вызовите CalculateFileAddressFromCTR1
clrf TMP
ProcessEnteredValue_STLEN_1
movf TMP,w
addlw VAL
movwf FSR
movf INDF,w
movwf VAL_DIGIT
bsf STATUS,IRP
movf REG,w
andlw 0x7F
addwf TMP,w
movwf FSR
movf VAL_DIGIT,w
movwf INDF
bcf STATUS,IRP
movwf EE_DATA
вызовите EEPROM_Write
incf EE_ADDR,f
incf TMP,f
movf TMP,w
sub>lw 0x04
btfss STATUS,Z
goto ProcessEnteredValue_STLEN_1
вызовите LoadSelTmrSettingsAndLen
возврат
PORTS_Init
banksel PORTA
clrf PORTA
clrf PORTB
clrf PORTC
clrf PORTD
clrf PORTE
banksel TRISA
movlw b'00000110'
movwf ADCON1
movlw b'11111100' ; RA0=LED, RA1=SPK
movwf TRISA
movlw b'11110000' ; KBD
movwf TRISB
bcf OPTION_REG,7; ; разрешите слабые натяжения PORTB
clrf TRISC ; LCD: DB0-DB7
movlw 0xFF
movwf TRISD ; не используют - все входы
movlw b'0000000' ; LCD: RE0=RS, RE1=R/W; RE2=E
movwf TRISE
movlw b'11000000' ; разрешите прерывания
movwf INTCON
banksel PORTA
возврат
CalculateEEPROMAddressFromCTR1
; Высчитайте адрес данных таймера в EEPROM
movf CTR1,w
movwf EE_ADDR
bcf STATUS,C
rlf EE_ADDR,f
rlf EE_ADDR,f
rlf EE_ADDR,f
addwf EE_ADDR,f
возврат
CalculateFileAddressFromCTR1
; Адрес offsett таймера в РЕДЖЕ
movf CTR1,w
РЕДЖ movwf
bcf STATUS,C
rlf REG,f
rlf REG,f
ТИМ movlw
addwf REG,f
возврат
ReadTimerDataFromEEPROM
clrf CTR1
ReadTimerDataFromEEPROM_loop
вызовите CalculateEEPROMAddressFromCTR1
вызовите CalculateFileAddressFromCTR1
; Установки таймера груза
movf CTR1,w
addlw низкий TMR_SETTINGS
movwf FSR
bsf STATUS,IRP
вызовите EEPROM_Read
movwf INDF
; Длины груза
incf EE_ADDR,f
movf REG,w
andlw 0x7F
movwf FSR
вызовите EEPROM_Read
movwf INDF
incf EE_ADDR,f
incf FSR,f
вызовите EEPROM_Read
movwf INDF
incf EE_ADDR,f
incf FSR,f
вызовите EEPROM_Read
movwf INDF
incf EE_ADDR,f
incf FSR,f
вызовите EEPROM_Read
movwf INDF
bcf STATUS,IRP
; Offsetts груза (начальные значения)
incf EE_ADDR,f
movf REG,w
movwf FSR
вызовите EEPROM_Read
movwf INDF
incf EE_ADDR,f
incf FSR,f
вызовите EEPROM_Read
movwf INDF
incf EE_ADDR,f
incf FSR,f
вызовите EEPROM_Read
movwf INDF
incf EE_ADDR,f
incf FSR,f
вызовите EEPROM_Read
movwf INDF
incf CTR1,f
movf CTR1,w
sub>lw 0x10
btfss STATUS,Z
goto ReadTimerDataFromEEPROM_loop
возврат
EEPROM_CheckInit
movlw 0xFE
movwf EE_ADDR
вызовите EEPROM_Read
movlw 0xA5
sub>wf EE_DATA,w
btfss STATUS,Z
goto InitEEPROM
incf EE_ADDR,f
вызовите EEPROM_Read
movlw 0x5A
sub>wf EE_DATA,w
btfsc STATUS,Z
возврат
InitEEPROM
clrf EE_ADDR
clrf CTR1
clrf CTR2
InitEEPROM_loop
movf CTR2,w
lcall LOOKUP_StdTmr
movwf EE_DATA
movlw высокий InitEEPROM_loop
movwf PCLATH
вызовите EEPROM_Write
incf EE_ADDR,f
incf CTR2,f
movf CTR2,w
sub>lw 0x09
btfss STATUS,Z
goto InitEEPROM_loop
clrf CTR2
incf CTR1,f
movf CTR1,w
sub>lw 0x10
btfss STATUS,Z
goto InitEEPROM_loop
movlw 0xFE
movwf EE_ADDR
movlw 0xA5
movwf EE_DATA
вызовите EEPROM_Write
incf EE_ADDR,f
movlw 0x5A
movwf EE_DATA
вызовите EEPROM_Write
возврат
EEPROM_Read
banksel EE_ADDR
movf EE_ADDR,w
banksel EEADR
movwf EEADR
banksel EECON1
bcf EECON1, EEPGD
bsf EECON1, RD
banksel EEDATA
movf EEDATA,w
banksel EE_DATA
movwf EE_DATA
возврат EEPROM_Write
banksel EE_ADDR
movf EE_ADDR,w
banksel EEADR
movwf EEADR
banksel EE_DATA
movf EE_DATA,w
banksel EEDATA
movwf EEDATA
banksel EECON1
bcf EECON1, EEPGD
bsf EECON1, WREN
bcf INTCON, GIE
movlw 0x55
movwf EECON2
movlw 0xAA
movwf EECON2
bsf EECON1, WR
bsf INTCON, GIE
EEPROM_Write_WaitForConfirmation
btfsc EECON1, WR
goto EEPROM_Write_WaitForConfirmation
bcf EECON1, WREN
banksel EE_ADDR
возврат
IfTick
movf INT_TIMER,w
btfss FLAGS,F_CLOCK_STOPPED
goto IfTick_Continue
movwf LOOP_TIMER
возврат
IfTick_Continue
sub>wf LOOP_TIMER,w
btfsc STATUS,Z
возврат
Тикание; вызванные 4 раза за вторые
incf LOOP_TIMER,f
movlw 0x01
xorwf PORTA,f
clrf CTR1
Tick_next_ctr
вызовите LoadSelTmrSettingsAndLen
btfss SEL_TMR_SETTINGS,TMR_ON
goto Tick_continue
btfss SEL_TMR_SETTINGS,TMR_DIR
goto Tick_increase
; Tick_decrease
вызовите DecTimer
goto Tick_checkAlarm
Tick_increase
вызовите IncTimer
Tick_checkAlarm
вызовите CheckTimerAlarm
Tick_continue
incf CTR1,f
movlw 0x10
sub>wf CTR1,w
btfss STATUS,Z
goto Tick_next_ctr
bsf FLAGS,F_TICK
возврат LoadSelTmrSettingsAndLen ; грузы выбрали установки таймера и длину к SEL_TMR_SETTINGS и SEL_TMR_LEN
; установки груза
movf CTR1,w
addlw низкий TMR_SETTINGS
movwf FSR
bsf STATUS,IRP
movf INDF,w
movwf SEL_TMR_SETTINGS
; длина груза
вызовите CalculateFileAddressFromCTR1
movf REG,w
andlw 0x7F
movwf FSR
movf INDF,w
movwf SEL_TMR_LEN
incf FSR,f
movf INDF,w
movwf SEL_TMR_LEN+1
incf FSR,f
movf INDF,w
movwf SEL_TMR_LEN+2
incf FSR,f
movf INDF,w
movwf SEL_TMR_LEN+3
bcf STATUS,IRP
возврат
IncTimer; приращение таймер; убедитесь, что LoadSelTmrLen вызван перед movf REG,w
movwf FSR
incf INDF,f
btfss STATUS,Z
goto IncTimer_check
incf FSR,f
incf INDF,f
btfss STATUS,Z
goto IncTimer_check
incf FSR,f
incf INDF,f
btfss STATUS,Z
goto IncTimer_check
incf FSR,f
incf INDF,f
IncTimer_check
movf REG,w
movwf FSR
movf INDF,w
sub>wf SEL_TMR_LEN,w
btfss STATUS,Z
возврат
incf FSR,f
movf INDF,w
sub>wf SEL_TMR_LEN+1,w
btfss STATUS,Z
возврат
incf FSR,f
movf INDF,w
sub>wf SEL_TMR_LEN+2,w
btfss STATUS,Z
возврат
incf FSR,f
movf INDF,w
sub>wf SEL_TMR_LEN+3,w
btfss STATUS,Z
возврат
clrf INDF
decf FSR,f
clrf INDF
decf FSR,f
clrf INDF
decf FSR,f
clrf INDF
возврат
DecTimer ; уменьшение таймер; убедитесь, что LoadSelTmrLen вызван перед
movf REG,w
movwf FSR
movf INDF,f
btfss STATUS,Z
goto DecTimer_continue
incf FSR,f
movf INDF,f
btfss STATUS,Z
goto DecTimer_continue
incf FSR,f
movf INDF,f
btfss STATUS,Z
goto DecTimer_continue
incf FSR,f
movf INDF,f
btfss STATUS,Z
goto DecTimer_continue
movf SEL_TMR_LEN+3,w
movwf INDF
decf FSR,f
movf SEL_TMR_LEN+2,w
movwf INDF
decf FSR,f
movf SEL_TMR_LEN+1,w
movwf INDF
decf FSR,f
movf SEL_TMR_LEN,w
movwf INDF
DecTimer_continue
movf REG,w
movwf FSR
decf INDF,f
movlw 0xFF
sub>wf INDF,w
btfss STATUS,Z
возврат
incf FSR,f
decf INDF,f
movlw 0xFF
sub>wf INDF,w
btfss STATUS,Z
возврат
incf FSR,f
decf INDF,f
movlw 0xFF
sub>wf INDF,w
btfss STATUS,Z
возврат
incf FSR,f
decf INDF,f
возврат
CheckTimerAlarm
movlw 0x04
movwf TMP
movf REG,w
movwf FSR
CheckTimerAlarm_0
bsf STATUS,IRP
movf INDF,w
bcf STATUS,IRP
sub>wf INDF,w
btfss STATUS,Z
возврат ; не нет смятения
incf FSR,f
decf TMP,f
btfss STATUS,Z
goto CheckTimerAlarm_0
movf SEL_TMR_SETTINGS,w
andlw 0x03
СМЯТЕНИЕ movwf
clrf ALARM_TIMER
btfss SEL_TMR_SETTINGS,TMR_ON_ALARM_STOP
goto CheckTimerAlarm_1
; Таймер остановки на смятении
;movlw 0x01<<TMR_ON
;lcall ToggleTimerSettings
movf CTR1,w
addlw низкий TMR_SETTINGS
movwf FSR
bsf STATUS,IRP
movlw 0x01<<TMR_ON
xorwf INDF,f
bcf STATUS,IRP
CheckTimerAlarm_1
btfss SEL_TMR_SETTINGS,TMR_ON_ALARM_RESET
возврат
; Снова установленный таймер на смятении
;movf SEL_TMR,w
;movwf CTR1
вызовите CalculateFileAddressFromCTR1
movf REG,w
movwf FSR
movlw 0x01
movwf INDF
incf FSR,f
clrf INDF
incf FSR,f
clrf INDF
incf FSR,f
clrf INDF
возврат
IfPlaySound
movlw SND_PIP
sub>wf ALARM,w
btfsc STATUS,Z
goto PlayPip
movlw SND_PEEP
sub>wf ALARM,w
btfsc STATUS,Z
goto PlayPeep
movlw SND_WHIP
sub>wf ALARM,w
btfsc STATUS,Z
goto PlayWhip
PlayContinue
СМЯТЕНИЕ clrf
возврат
PlayPip
lcall SPK_Pip
goto PlayContinue
PlayPeep
lcall SPK_Peep
goto PlayContinue
PlayWhip
lcall SPK_Whip
goto PlayContinue
ToggleTimerSettings ; коленчатый байт установок таймера
movwf TMP
movf SEL_TMR,w
addlw низкий TMR_SETTINGS
movwf FSR
bsf STATUS,IRP
movf TMP,w
xorwf INDF,f
bcf STATUS,IRP
возврат CopyDispToVal; копируйте в настоящий момент показанное значение таймера в VAL
movf DISP,w
movwf VAL
movf DISP+1,w
movwf VAL+1
movf DISP+2,w
movwf VAL+2
movf DISP+3,w
movwf VAL+3
movf DISP+4,w
movwf VAL+4
movf DISP+5,w
movwf VAL+5
возврат
M_CLR ; очистите запись
movwf FSR
ТОЧНОСТЬ movlw
movwf REG_COUNTER
M_CLR_loop
clrf INDF
incf FSR,f
decf REG_COUNTER,f
btfss STATUS,Z
goto M_CLR_loop
возврат
M_ROL ; вращайтесь запись влево
movwf FSR
M_StorStatus REG_STATUS
clrf REG_COUNTER
M_ROL_loop
M_RetrStatus REG_STATUS
rlf INDF,f
M_StorStatus REG_STATUS
incf FSR,f
incf REG_COUNTER,f
ТОЧНОСТЬ movlw
sub>wf REG_COUNTER,w
btfss STATUS,Z
goto M_ROL_loop
возврат
M_ROR ; вращается запись вправо
movwf FSR
ТОЧНОСТЬ-1 movlw
addwf FSR,f
M_StorStatus REG_STATUS
clrf REG_COUNTER
M_ROR_loop
M_RetrStatus REG_STATUS
rrf INDF,f
M_StorStatus REG_STATUS
decf FSR,f
incf REG_COUNTER,f
ТОЧНОСТЬ movlw
sub>wf REG_COUNTER,w
btfss STATUS,Z
goto M_ROR_loop
возврат
M_CMP ; Z <=> X СТАТУСА(C,Z)->
; Набор STATUS,C, если Z => X;
; Набор STATUS,Z, если Z == X
clrf REG_COUNTER
M_CMP_loop
movf REG_COUNTER,w
sub>lw REG_Z+PRECISION-1
movwf FSR
movf INDF,w
movwf REG_T1
movf REG_COUNTER,w
sub>lw REG_X+PRECISION-1
movwf FSR
movf INDF,w
sub>wf REG_T1,f
btfss STATUS,Z
возврат
incf REG_COUNTER,f
ТОЧНОСТЬ movlw
sub>wf REG_COUNTER,w
btfss STATUS,Z
goto M_CMP_loop
возврат
M_INC ; приращение запись
movwf FSR
ТОЧНОСТЬ movlw
movwf REG_COUNTER
M_INC_loop
incf INDF,f
btfss STATUS,Z
возврат
incf FSR,f
decf REG_COUNTER,f
btfss STATUS,Z
goto M_INC_loop
возврат
M_ADD ; Z + X -> Z
bcf STATUS,C
clrf REG_STATUS
clrf REG_COUNTER
M_ADD_loop
clrf REG_T1
btfsc REG_STATUS,C
incf REG_T1,f
clrf REG_STATUS
movlw REG_X
addwf REG_COUNTER,w
movwf FSR
movf INDF,w
addwf REG_T1,f
btfsc STATUS,C
bsf REG_STATUS,C
movlw REG_Z
addwf REG_COUNTER,w
movwf FSR
movf INDF,w
addwf REG_T1,f
btfsc STATUS,C
bsf REG_STATUS,C
movf REG_T1,w
movwf INDF
incf REG_COUNTER,f
ТОЧНОСТЬ movlw
sub>wf REG_COUNTER,w
btfss STATUS,Z
goto M_ADD_loop
возврат
M_sub> ; Z - X -> Z
clrf REG_COUNTER
bsf REG_STATUS,C
M_sub>_loop
bsf REG_T2,C
movlw REG_Z
addwf REG_COUNTER,w
movwf FSR
movf INDF,w
movwf REG_T1
movlw REG_X
addwf REG_COUNTER,w
movwf FSR
movf INDF,w
sub>wf REG_T1,f
btfss STATUS,C
bcf REG_T2,C
btfsc REG_STATUS,C
goto M_sub>_no_carry
movlw 0x01
sub>wf REG_T1,f
btfss STATUS,C
bcf REG_T2,C
M_sub>_no_carry
movlw REG_Z
addwf REG_COUNTER,w
movwf FSR
movf REG_T1,w
movwf INDF
bsf REG_STATUS,C
btfss REG_T2,C
bcf REG_STATUS,C
incf REG_COUNTER,f
ТОЧНОСТЬ movlw
sub>wf REG_COUNTER,w
btfss STATUS,Z
goto M_sub>_loop
btfss REG_STATUS,C
bcf STATUS,C
возврат
M_MUL ; X * Y -> Z
movlw REG_Z
вызовите M_CLR
movlw PRECISION*8+1
movwf REG_ROT_COUNTER
LCD_Init
вызовите LCD_Wait
вызовите LCD_Wait
вызовите LCD_Wait
вызовите LCD_Wait
вызовите LCD_Wait
вызовите LCD_Wait
movlw 0x00
movwf PORTE
movlw b'00110000'
movwf PORTC
вызовите LCD_PulseZ
вызовите LCD_Wait
вызовите LCD_Wait
вызовите LCD_Wait
вызовите LCD_Wait
вызовите LCD_Wait
movlw b'00111000'
movwf PORTC
вызовите LCD_PulseZ
вызовите LCD_Wait
вызовите LCD_Wait
вызовите LCD_Wait
вызовите LCD_Wait
вызовите LCD_Wait
movlw b'00111000'
movwf PORTC
вызовите LCD_PulseZ
вызовите LCD_Wait
вызовите LCD_Wait
вызовите LCD_Wait
вызовите LCD_Wait
вызовите LCD_Wait
movlw b'00111000'
movwf PORTC
вызовите LCD_PulseZ
movlw b'00001000'
movwf PORTC
вызовите LCD_PulseZ
movlw b'00000001'
movwf PORTC
вызовите LCD_PulseZ
movlw b'00000110'
movwf PORTC
вызовите LCD_PulseZ
movlw b'00001000'
movwf PORTC
вызовите LCD_PulseZ
movlw b'00000010'
movwf PORTC
вызовите LCD_PulseZ
;movlw b'10000000'
;movwf PORTC
;call LCD_PulseZ
;movlw b'00010100'
;movwf PORTC
;call LCD_PulseZ
;movlw b'10000000'
;movwf PORTC
;call LCD_PulseZ
bsf PORTE,0
movlw b'00001100'
вызовите LCD_SendCMD
movlw MSG_ID_Clear
movwf MSG_ID
movwf MSG_ID_CURRENT
возврат
LCD_SendDAT
movwf PORTC
bsf PORTE,0
вызовите LCD_PulseZ
возврат
LCD_SendCMD
movwf PORTC
bcf PORTE,0
вызовите LCD_PulseZ
bsf PORTE,0
возврат
MSG_NextChar_second
banksel EEDATA
movf EEDATA,w
banksel MSGDAT
movwf MSGDAT
bcf MSGDAT,7
incf MSGL,f
btfsc STATUS,Z
incf MSGH,f
bcf MSGH,7
movf MSGDAT,w
возврат
SPK_Delay
movlw 0x0F
movwf TMP
decf TMP,f
btfss STATUS,Z
goto $-2
возврат
SPK_Pip
movlw 0xFF
movwf TMP2
SPK_Pip_0
movlw 0x20
movwf TMP1
SPK_Pip_1
lcall SPK_Delay
decf TMP1,f
btfss STATUS,Z
goto SPK_Pip_1
movlw 0x01<<B_SPK
xorwf PORTA,f
decf TMP2,f
btfss STATUS,Z
goto SPK_Pip_
bcf PORTA,B_SPK
возврат
SPK_Peep
movlw 0x10
movwf TMP3
SPK_Peep_0
вызовите SPK_Pip
decf TMP3,f
btfss STATUS,Z
goto SPK_Peep_0
возврат
SPK_Whip
clrf TMP2
movlw 0xC0
SPK_Whip_0
movf TMP2,w
addlw 0x38
movwf TMP1
SPK_Whip_1
lcall SPK_Delay
decf TMP1,f
btfss STATUS,Z
goto SPK_Whip_1
movlw 0x01<<B_SPK
xorwf PORTA,f
decf TMP2,f
btfss STATUS,Z
goto SPK_Whip_0
возврат
org 0x1000
S00_TimerSelectLoop
clrf LCD_CURSOR_POSITION
SetMsg MSG_ID_Clear
IfJump VK_MENU_NEXT,S00_NextTmr
IfJump VK_MENU_PREV,S00_PrevTmr
IfState VK_MENU_ENTER,S10_AdjustTimer
lgoto SM_Rtn
S00_NextTmr
incf SEL_TMR,f
movlw 0x0F
andwf SEL_TMR,f
bsf FLAGS,F_TMR_LABEL_DIRTY
bsf FLAGS,F_TICK
lgoto SM_Rtn
S00_PrevTmr
decf SEL_TMR,f
movlw 0x0F
andwf SEL_TMR,f
bsf FLAGS,F_TMR_LABEL_DIRTY
bsf FLAGS,F_TICK
lgoto SM_Rtn
S10_AdjustTimer
clrf LCD_CURSOR_POSITION
SetMsg 0x00
IfState VK_MENU_EXIT,S00_TimerSelectLoop
IfState VK_MENU_NEXT,S20_AdjustClock
IfState VK_MENU_PREV,S20_AdjustClock
;IfState VK_MENU_PREV,S30_ThermometerSetup
IfState VK_MENU_ENTER,S11_SetTimer
IfJump VK_START_STOP,S10_StartStopTimer
IfJump VK_DIRECTION,S10_ToggleTimerDirection
lgoto SM_Rtn
S10_StartStopTimer
movlw 0x01<<TMR_ON
lcall ToggleTimerSettings
lgoto SM_Rtn
S10_ToggleTimerDirection
movlw 0x01<<TMR_DIR
lcall ToggleTimerSettings
lgoto SM_Rtn
S11_SetTimer
SetMsg 0x01 ; MSG_SetTimer
IfState VK_MENU_EXIT,S10_AdjustTimer
IfState VK_MENU_NEXT,S12_SetAlarm
IfState VK_MENU_PREV,S13_SetLength
IfState VK_MENU_ENTER,S15_SetTimerValue
lgoto SM_Rtn
S12_SetAlarm
SetMsg 0x07
IfState VK_MENU_EXIT,S10_AdjustTimer
IfState VK_MENU_NEXT,S13_SetLength
IfState VK_MENU_PREV,S11_SetTimer
IfState VK_MENU_ENTER,S21_SetAlarmTime
lgoto SM_Rtn
S13_SetLength
SetMsg 0x04 ; MSG_SetLength
IfState VK_MENU_EXIT,S10_AdjustTimer
IfState VK_MENU_NEXT,S11_SetTimer
IfState VK_MENU_PREV,S12_SetAlarm
IfState VK_MENU_ENTER,S16_SetLengthValue
lgoto SM_Rtn
S15_SetTimerValue
SetMsg 0x06 ; MSG_Set
movlw D_SEL_TIMER
movwf VAL_STAT
GoToState S_EnterValueHMS
lgoto SM_Rtn
S16_SetLengthValue
SetMsg 0x06 ; MSG_Set
movlw D_SEL_TIMER_LENGTH
movwf VAL_STAT
GoToState S_EnterLongValue
lgoto SM_Rtn
S20_AdjustClock
SetMsg 0x02
IfState VK_MENU_EXIT,S00_TimerSelectLoop
IfState VK_MENU_NEXT,S10_AdjustTimer
;IfState VK_MENU_NEXT,S30_ThermometerSetup
IfState VK_MENU_PREV,S10_AdjustTimer
IfJump VK_START_STOP,S20_StartStopClock
IfJump VK_SKIP_FORWARD,S20_StartStopClock
lgoto SM_Rtn
S20_StartStopClock
movlw 0x01<<F_CLOCK_STOPPED
xorwf FLAGS,f
lgoto SM_Rtn
S20_SkipForward
movlw (0x01<<F_CLOCK_STOPPED) % 0xFF
andwf FLAGS,f
incf INT_PULSECTR,f
incf INT_PULSECTR,f
incf INT_PULSECTR,f
incf INT_PULSECTR,f
lgoto SM_Rtn
;S30_ThermometerSetup
; SetMsg 0x03
; IfState VK_MENU_EXIT,S00_TimerSelectLoop
; IfState VK_MENU_NEXT,S10_AdjustTimer
; IfState VK_MENU_PREV,S20_AdjustClock
; lgoto SM_Rtn
S21_SetAlarmTime
SetMsg 0x08
IfState VK_MENU_EXIT,S12_SetAlarm
IfState VK_MENU_NEXT,S22_SetSound
IfState VK_MENU_PREV,S23_AlarmAction
IfState VK_MENU_ENTER,S21_EnterAlarmValue
lgoto SM_Rtn
S21_EnterAlarmValue
SetMsg 0x06 ; MSG_Set
movlw D_SEL_TIMER_ALARM
movwf VAL_STAT
movf SEL_TMR,w
movwf CTR1
lcall LoadSelTmrSettingsAndLen
movlw REG_Z
lcall M_CLR
movlw REG_X
lcall M_CLR
bsf STATUS,IRP ; TUK E PROBLEMAT!!!
lcall MC_Normalize_NO_CLR
bcf STATUS,IRP
lcall MC_NormalizedTo86400
lcall MC_86400toHMS
GoToState S_EnterValueHMS
lgoto SM_Rtn
S22_SetSound
SetMsg 0x09
IfState VK_MENU_EXIT,S12_SetAlarm
IfState VK_MENU_NEXT,S23_AlarmAction
IfState VK_MENU_PREV,S21_SetAlarmTime
IfState VK_MENU_ENTER,S40_SoundSelect
lgoto SM_Rtn
S23_AlarmAction
SetMsg 0x0A
IfState VK_MENU_EXIT,S12_SetAlarm
IfState VK_MENU_NEXT,S21_SetAlarmTime
IfState VK_MENU_PREV,S22_SetSound
IfState VK_MENU_ENTER,S51_SelectAction
lgoto SM_Rtn
S40_SoundSelect
movlw 0x03
andwf SEL_TMR_SETTINGS,w
movwf TMP
btfss STATUS,Z
goto S40_SoundSelect_0
; звук Безмолвен
GoToState S44_SoundSilent
lgoto SM_Rtn
S40_SoundSelect_0
movlw SND_PIP
sub>wf TMP,w
btfss STATUS,Z
goto S40_SoundSelect_1
; звук - это Косточка
GoToState S41_SoundPip
lgoto SM_Rtn
S40_SoundSelect_1
movlw SND_PEEP
sub>wf TMP,w
btfss STATUS,Z
goto S40_SoundSelect_2
; звук - это Чирикание
GoToState S42_SoundPeep
lgoto SM_Rtn
S40_SoundSelect_2
; звук - это Кнут
GoToState S43_SoundWhip
lgoto SM_Rtn
lgoto SM_Rtn
S41_SoundPip
SetMsg 0x0B
movlw SND_PIP
вызовите SetSound
IfState VK_MENU_ENTER,S22_SetSound
IfState VK_MENU_EXIT,S22_SetSound
IfState VK_MENU_NEXT,S42_SoundPeep
IfState VK_MENU_PREV,S44_SoundSilent
lgoto SM_Rtn
S42_SoundPeep
SetMsg 0x0C
movlw SND_PEEP
вызовите SetSound
IfState VK_MENU_ENTER,S22_SetSound
IfState VK_MENU_EXIT,S22_SetSound
IfState VK_MENU_NEXT,S43_SoundWhip
IfState VK_MENU_PREV,S41_SoundPip
lgoto SM_Rtn
S43_SoundWhip
SetMsg 0x0D
movlw SND_WHIP
вызовите SetSound
IfState VK_MENU_ENTER,S22_SetSound
IfState VK_MENU_EXIT,S22_SetSound
IfState VK_MENU_NEXT,S44_SoundSilent
IfState VK_MENU_PREV,S42_SoundPeep
lgoto SM_Rtn
S44_SoundSilent
SetMsg 0x0E
movlw SND_SILENT
вызовите SetSound
IfState VK_MENU_ENTER,S22_SetSound
IfState VK_MENU_EXIT,S22_SetSound
IfState VK_MENU_NEXT,S41_SoundPip
IfState VK_MENU_PREV,S43_SoundWhip
lgoto SM_Rtn
Action_SetAddress ; ПРЕДУПРЕЖДЕНИЕ: Это наборы STATUS,IRP! Очистите это после сделанного с INDF
movf SEL_TMR,w
addlw низкий TMR_SETTINGS
movwf FSR
bsf STATUS,IRP
bcf INDF,TMR_ON_ALARM_STOP
bcf INDF,TMR_ON_ALARM_RESET
возврат
S51_SelectAction
btfss SEL_TMR_SETTINGS,TMR_ON_ALARM_RESET
goto S51_SelectAction_ResetOff
S51_SelectAction_ResetOn
btfss SEL_TMR_SETTINGS,TMR_ON_ALARM_STOP
goto S51_SelectAction_GoToReset
S51_SelectAction_GoToBoth
GoToState S54_ActionBoth
lgoto SM_Rtn
S51_SelectAction_GoToReset
GoToState S52_ActionReset
lgoto SM_Rtn
S51_SelectAction_ResetOff
btfss SEL_TMR_SETTINGS,TMR_ON_ALARM_STOP
goto S51_SelectAction_GoToNone
S51_SelectAction_GoToStop
GoToState S53_ActionStop
lgoto SM_Rtn
S51_SelectAction_GoToNone
GoToState S51_ActionNone
lgoto SM_Rtn
S51_ActionNone
SetMsg 0x0F
movf SEL_TMR,w
вызовите Action_SetAddress
movf INDF,w
bcf STATUS,IRP
movwf SEL_TMR_SETTINGS
IfState VK_MENU_ENTER,S23_AlarmAction
IfState VK_MENU_EXIT,S23_AlarmAction
IfState VK_MENU_NEXT,S52_ActionReset
IfState VK_MENU_PREV,S54_ActionBoth
lgoto SM_Rtn
S52_ActionReset
SetMsg 0x10
вызовите Action_SetAddress
bsf INDF,TMR_ON_ALARM_RESET
movf INDF,w
bcf STATUS,IRP
movwf SEL_TMR_SETTINGS
IfState VK_MENU_ENTER,S23_AlarmAction
IfState VK_MENU_EXIT,S23_AlarmAction
IfState VK_MENU_NEXT,S53_ActionStop
IfState VK_MENU_PREV,S51_ActionNone
lgoto SM_Rtn
S53_ActionStop
SetMsg 0x11
вызовите Action_SetAddress
bsf INDF,TMR_ON_ALARM_STOP
movf INDF,w
bcf STATUS,IRP
movwf SEL_TMR_SETTINGS
IfState VK_MENU_ENTER,S23_AlarmAction
IfState VK_MENU_EXIT,S23_AlarmAction
IfState VK_MENU_NEXT,S54_ActionBoth
IfState VK_MENU_PREV,S52_ActionReset
lgoto SM_Rtn
S54_ActionBoth
SetMsg 0x12
вызовите Action_SetAddress
bsf INDF,TMR_ON_ALARM_STOP
bsf INDF,TMR_ON_ALARM_RESET
movf INDF,w
bcf STATUS,IRP
movwf SEL_TMR_SETTINGS
IfState VK_MENU_ENTER,S23_AlarmAction
IfState VK_MENU_EXIT,S23_AlarmAction
IfState VK_MENU_NEXT,S51_ActionNone
IfState VK_MENU_PREV,S53_ActionStop
lgoto SM_Rtn
SetSound
movwf TMP
movlw низкий TMR_SETTINGS
movwf FSR
movf SEL_TMR,w
addwf FSR,f
bsf STATUS,IRP
movlw 0xFC
andwf INDF,f
movf TMP,w
iorwf INDF,f
bcf STATUS,IRP
возврат
S_CopyFromTimer
movlw D_SEL_TIMER_COPY
movwf VAL_STAT
GoToState S_EnterLongValue
lgoto SM_Rtn
S_EnterLongValue ; введите длинное значение
movlw REG_Z
lcall M_CLR
lcall M_MOV_Z_TO_VAL
clrf VAL_IND
addlw 0x80 | 0x44
movwf LCD_CURSOR_POSITION
bsf FLAGS,F_CURSOR_DIRTY
bcf FLAGS,F_VAL_DISPLAY_DIRTY ; НЕ обновите показ VAL - это не используется здесь
GoToState S_EnterLongValue_Digit
lgoto SM_Rtn
S_EnterLongValue_Digit
pagesel $
IfState VK_MENU_EXIT,S_EnterLongValue_End
IfState VK_MENU_ENTER,S_EnterLongValue_Accept
pagesel $
btfsc BTN_ID,7
goto S_EnterLongValue_DigitRTN
movf BTN_ID,w
andlw 0x0F
lcall LOOKUP_DigitFromKeyID
movwf VAL_DIGIT
pagesel $
btfss VAL_DIGIT,7
goto S_EnterLongValue_Digit_1
lgoto SM_Rtn
S_EnterLongValue_Digit_1
movlw REG_Y
lcall M_CLR
movlw .10
movwf REG_Y
lcall M_MOV_VAL_TO_X
lcall M_MUL
movlw REG_X
lcall M_CLR
movf VAL_DIGIT,w
movwf REG_X
lcall M_ADD
lcall M_MOV_Z_TO_VAL
movf VAL_IND,w
addlw LCDCMD_SET_DD_RAM | 0x44
lcall LCD_SendCMD
movf VAL_DIGIT,w
addlw LCD_0
lcall LCD_SendDAT
incf VAL_IND,f
movf VAL_IND,w
addlw 0x80 | 0x44
movwf LCD_CURSOR_POSITION
bsf FLAGS,F_CURSOR_DIRTY
pagesel $
movf VAL_IND,w
sub>lw .10
btfsc STATUS,Z
decf VAL_IND,f
S_EnterLongValue_DigitRTN
lgoto SM_Rtn
S_EnterLongValue_Accept
bsf FLAGS,F_VALUE_ENTERED
S_EnterLongValue_End
clrf LCD_CURSOR_POSITION
bsf FLAGS,F_CURSOR_DIRTY
GoToState S13_SetLength
lgoto SM_Rtn
org 0x1800
da MSG_AdjustTimer ; 0x00
da MSG_SetTimer ; 0x01
da MSG_AdjustClock ; 0x02
da MSG_ThermometerSetup ; 0x03 - не используют в этой версии
da MSG_SetLength ; 0x04
da MSG_SetFormat ; 0x05
da MSG_Set ; 0x06
da MSG_SetAlarm ; 0x07
da MSG_SetAlarmTime ; 0x08
da MSG_SetSound ; 0x09
da MSG_AlarmAction ; 0x0A
da MSG_SoundPip ; 0x0B
da MSG_SoundPeep ; 0x0C
da MSG_SoundWhip ; 0x0D
da MSG_SoundSilent ; 0x0E
da MSG_ActionNone ; 0x0F
da MSG_ActionReset ; 0x10
da MSG_ActionStop ; 0x11
da MSG_ActionBoth ; 0x12
MSG_AdjustTimer
da "Приспособить Таймер",0
MSG_SetTimer
da "Установленный Таймер",0
MSG_AdjustClock
da "Приспособить Отмечает время",0
MSG_ThermometerSetup
"Терм da . Setup",0 ; не используют в этой версии
MSG_SetLength
da "Установленная Длина Цикла",0
MSG_SetFormat
da "Установленный Формат",0
MSG_Set
da "Set",0
MSG_SetAlarm
da "Установленное Смятение",0
MSG_SetAlarmTime
da "Сигнальное Время",0
MSG_SetSound
da "Сигнальный Звук",0
MSG_AlarmAction
da "Сигнальное Действие",0
MSG_SoundPip
da "Установил: Pip",0
MSG_SoundPeep
da "Установил: Peep",0
MSG_SoundWhip
da "Установил: Whip",0
MSG_SoundSilent
da "Установил: Silent",0
MSG_ActionNone
"Действие da : None",0
MSG_ActionReset
"Действие da : Reset",0
MSG_ActionStop
"Действие da : Stop",0
MSG_ActionBoth
"Действие da : Stop+Rst",0
org 0x1F80
LOOKUP_StdTmr
movwf TMP
movlw высоко $
movwf PCLATH
movf TMP,w
addwf PCL,f
; установки
retlw b'10000000'
; длина
retlw 0x00
retlw 0x46
retlw 0x05
retlw 0x00
; стартовый offsett
LOOKUP_DigitFromKeyID
movwf TMP
movlw высоко $
movwf PCLATH
LOOKUP_CursorPosHMS
movwf TMP
movlw высоко $
movwf PCLATH
movf TMP,w
addwf PCL,f
retlw 0xC4
retlw 0xC5
retlw 0xC7
retlw 0xC8
retlw 0xCA
retlw 0xCB
retlw 0xCC
КОНЕЦ
Приложение Д
Схема электрическая принципиальная многофункциональных астрономических часов

Приложение Ж
КАЛЬКУЛЯЦИЯ КОМПЛЕКТУЮЩИХ АСТРОНОМИЧЕСКИХ ЧАСОВ
