Разработка радиоприемника
Введение
Термин локация (и его всевозможные производные) произошел от латынского слова locatio – размещение, распределение и означает определение местоположения объекта по сигналам (звуковым, тепловым, оптическим, электромагнитным волнам и др.), излучаемым самим объектом (пассивная локация) иои отраженным от него сигналом, излучаемым самим устройством (активная локация).
Следует отметить, что свойствами локации (способностью определять положение количественного объекта по отношению к себе или свое положение в пространстве) обладают многие животные и человек – бинауральный эффект или т.н. биолокация.
В зависимости от применяемых методов и технических средств различают звуковую локацию (гидро, звуко, эхо), радиолокацию (электромагнитную) и, позднее появившиеся: оптическая (лазерная) локация, планетная (радиолокационная астрономия) и загоризонтная (ионосферная) радиолокации.
Первоначально, в годы 1 й мировой войны появились гидролокаторы (приборы, которые могут обнаруживать самолет по звуку двигателей) – т.н. звукоулавливатели.
Над созданием звукоулавливателей, которые вошли в состав приборов управления артилллерийским зенитным огнем (ПУАЗО), в СССР работали: Центральная радиолаборатория (ЦРЛ), Всесоюзный электротехнический институт (ВЭИ), Военная артиллерийская академия (ВАУ) им. Ф.Э. Дзержинского и Научно-исследовательская лаборатория артиллерийского приборостроения Главного артиллерийского управления (НИЛАП ГАУ). Образцы первых звукоулавливателей испытывались на подмосковном полигоне в 1929–1930 годах. В 1931 г. были созданы опытные образцы системы «Прожзвук» (крупногабаритный звукоулавливатель и полутораметровй электрический прожектор).
Предпосылками работ по созданию и дальнейшему развитию радиолокации послужили несколько исторических фактов:
– явление отражения радиоволн наблюдал еще Г. Герц в 1886–1889 годах, а в 1897 г. А.С. Попов (во время опытов по радиосвязи на Балтийском море) зарегистрировал влияние корабля, пересекающего трассу радиоволн, на силу сигнала (передатчик был установлен на верхнем мостике транспорта «Европа», а приемник – на крейсере «Африка»);
– в 1904 г. немецкий ученый-изобретатель Кристиан Хюльсмэйер (Christian Hulsmeyer) [1881–1957] в своей авторской заявке (патент N165546 от 30 апреля 1904 г.) четко сформулировал идею обнаружения корабля по отраженным от него радиоволнам и содержащей также подробное описание устройства для ее реализации. Позднее, в том же 1904 г., им был получен и второй патент (N169154) на усовершенствование своего устройства для радиолокации.
– в 1914 г. росиянин И.И. Ренгартен проводил работы по макетированию радиопеленгатора;
– в 1916 г. французами П. Ланжевеном и К. Шиловским был создан ультразвуковой гидролокатор;
– в сентябре 1922 г. два экспериментатора, служившие в ВМФ США, – Хойт Э. Тейлор и Лео К. Янг проводили опыты по радиосвязи на декаметровых волнах (3–30 МГц) через реку Потомак. В это время по реке прошел корабль, и связь прервалась – что натолкнуло их на мысль о применении радиоволн (метод интерференции незатухающих колебаний) для обнаружения движущихся объектов;
– в 1921 г. америкаец А.У. Хэлл изобрел магнетрон (промышленный его вариант был готов к 1928 г.) – что дало возможность последующего развития радиолокационных станций (РЛС) на СВЧ.
– в 1924 г. английский ученый Э. Эплтон провел на декаметровых волнах измерения высоты слоя Кеннелли-Хевисайда (слой «Е» ионосферы, от которого отражаются радиосигналы);
– в 1925 г. английские ученые Г. Брейт и М. Тьюков опубликовали результаты работ по определению высоты слоя Кеннелли-Хевисайда измерением времени запаздывания импульсного сигнала, отраженного от слоя, относительно сигнала, пришедшего вдоль поверхности Земли;
– в июне 1930 г. моряк ВМФ США Лоренс Э. Хайленд, проводя эксперименты по определению направления с помощью декаметровых волн, обнаружил, что когда над передающей антенной пролетает самолет, поле радиосигнала сильно искажается, и в результате чего, Хайленд предложил использовать декаметровые волны для предупреждения о приближении вражеских самолетов;
– в январе 1931 г. Авиационная радиолаборатория ВМС в Вашингтоне приступила к выполнению проекта, имевшего целью «обнаружение вражеских судов и самолетов с помощью радио»;
– в начале 1931 г. проводились (к сожалению неудачные) опыты по установлению связи между городами – английским Дувром и французским Кале при помощи волн длиною 18 см;
– в 1932–1933 годах английское морское ведомство стало применять приборы АСДИК, регистрирующие ультразвуки высокой частоты, создаваемые шумом винтов подводных лодок;
– в 1932 г. большой объем работ по изучению интерференции при отражении радиоволн от самолета выполнили американские инженеры Б. Тревор и П. Картер;
– в 1934 г. сотрудник Морской исследовательской лаборатории США Роберт Пейдж первым зарегистрировал (сфотографировал) отраженный от самолета сигнал на частоте 60 МГц.
– в 1935 г., независимо друг от друга, работы по импульсной радиолокации проводили: П.К. Ощепков (СССР) и Р. Ватсон-Ватт (Великобритания. Изготовленная им аппаратура получила отраженный сигнал от самолета на расстоянии 15 км).
– в 1935 г. радиолокация получила первое коммерческое применение: во Франции фирма «Societe Francaise Radioelectrique» установила на лайнере «Нормандия» т.н. «Детектор препятствий», а в 1936 г. в порту Гавра был установлен т.н. «Радиопрожектор» для обнаружения судов, входящих в гавань и покидающих ее;
– в 1936 г. американцами – Р. Колвеллом и А. Френдом были зафиксированы отражения радиоимпульсов от турбулентных и инверсионных слоев в тропосфере.
В 1936 г. макет американской РЛС, работавшиц на частоте 80 МГц, обнаружил самолет на расстоянии 65 км (в 1937 г. у немцев была достигнута дальность 35 км).
2 июля 1936 г. в США была изготовлена первая небольшая РЛС, работавшая на частоте 200 МГц, которая в апреле следующего года была установлена на борту эсминца «Лири». РЛС получили название РАДАР (сокращенное обозначение от «Radio Detection And Ranging», т.е. «Прибор для радиопеленгации и измерения»). Hа базе данной РЛС в 1938 г. была разработана модель XAF, прошедшая широкие бортовые испытания в 1939 г. (прототип модели 1940 г. – CXAM, которая была установлена на 19 военных кораблях).
Первые пять импульсных РЛС (работали на метровых волнах) для обнаружения самолетов были установлены на юго-западном побережье Великобритании в 1936 г.
Первые работы по радиолокационному обнаружению самолетов в СССР были начаты в 1933 г. по инициативе М.М. Лобанова. С 1934 г. данные работы возглавили Ю.К. Коровин, П.К. Ощепков (Ленинградский электрофизический институт) и Б.К. Шембель. Первая серийная РЛС (РУС-1) появилась в 1938 г. в КБ, которым руководил Д.С. Стогов. РУС-1 были применены во время финской военной кампании 1939–1940 гг.
В 1937 г. в Лениградском ФТИ под руководством Ю.Б. Кобзарева был разработан импульсный метод радиолокации.
В 1940 г. было начато серийное производство первой импульсной радиолокационной станции дальнего обнаружения самолетов РУС-2 («Редут»), разработкой которой с 1935 г. занимались П.А. Погорелко и Н.Я. Чернецов. Во время ВОВ было развернуто производство портативных РЛС «Пегматит».
4 июля 1943 г. вышло Постановление Государственного Комитета Обороны (ГКО) об учреждении при нем Совета по радиолокации. Практическое
руководство повседневной деятельностью Совета осуществлял Аксель Иванович Берг (впоследствии – академик), а отвественным секретарем Совета был Александр Александрович Турчанин.
В 1943 г. по инициативе Совета по радиолокации был создан Институт локационной техники, который возглавил П.З. Стась. Главным инженером стал профессор А.М. Кугушев.
В июне 1947 г. Совет по радиолокации был преобразован в Комитет по радиолокации при СHК СССР и его председателем стал М.З. Сабуров.
Загоризонтная радиолокация базируется на открытии в 1947 г. советским ученым H.И. Кабановым явления дальнего рассеянного отражения от Земли декаметровых волн (с их возвратом после отражения от ионосферы к источнику излучения).
Hеоценимый вклад в создание и разработку советской радиолокационной техники также внесли: В.Д. Калмыков, А.И. Шокин (в течении ряда лет был министром электронной промышленности СССР), А.Н. Щукин и мн. др.
После окончания Второй мировой войны начался этап активной разработки планетной радиолокации и первыми ее объектами стали Луна и метеоры. Первые эхо-сигналы от солнечной короны были получены в 1959 г. (США), а от Венеры – в 1961 г. (Великобритания, СССР и США). В СССР радиолокацию Венеры, Меркурия, Марса и Юпитера выполнил в 1961–1963 гг. коллектив ученых во главе с В.А. Котельниковым.
Большой вклад в развитие отечественной оптической локации внесли ученые: Н.Г. Басов, Ф.М. Прохоров, А.Л. Микаэлян и др.
1. Принцип действия детектора АМС
Амплитудным детектором (АД) называется устройство, предназначенное для получения на выходе напряжения, изменяющегося в соответствии с законом модуляции амплитуды входного гармонического сигнала. Процесс детектирования амплитудно-модулированных (АМ) сигналов вида
u>c> (t) u>a>(t) cos(ω>c>t)
Схема амплитудного диодного детектора изображена на рис. 1. На вход детектора поступает высокочастотный сигнал u>c>(t). Детектор представляет собой последовательное соединение диода VD и нагрузочной цепи (фильтра): конденсатора С>н> и резистора R>н>, включенных параллельно. С нагрузочной цепи снимается выходное колебание u>вых>(t).
Значение тока через диод i>g> для режима покоя (u>c>(t)=0) может быть найдено из уравнений:
(5)
где U>g> – напряжение на диоде VD (рис. 1).
Первое уравнение является уравнением вольтамперной характеристики (ВАХ) диода как безынерционного нелинейного элемента. Из-за нелинейного характера ВАХ, форма тока через диод i>g> при синусоидальной форме сигнала u>c>(t) не является синусоидальной.
В составе тока появляется постоянная составляющая, которая, протекая по резистору R>н>, создает падение напряжения U>=>, смещающая положение рабочей точки. При увеличении амплитуды входного напряжения смещение рабочей точки увеличивается, и ток через диод будет приближаться по форме к однополярным импульсам, открывающим диод при положительных значениях входного напряжения.

Н
g
а рисунке 2 приведены формы напряжений и токов на входе детектора для двух случаев, когда амплитуды входных сигналов удовлетворяют неравенству U>c>(1) <U>c>(2).Тогда постоянные составляющие напряжений U>=>(1)<U>=>(2) и I>=>(1)<I>=>(2).
На этом же рисунке условно изображена зависимость i>g>=f(t).
Вольтамперная характеристика диода в широком диапазоне токов достаточно точно аппроксимируется экспоненциальной зависимостью:
, (6)
где I>об> – абсолютное значение величины обратного тока диода, φ>> – температурный потенциал, равный при Т293˚ примерно 26 мВ.
Зависимость постоянной составляющей U>=> от амплитуды приложенного напряжения U>c> дается детекторной характеристикой (рис. 3).
Анализ выражения (6) позволяет сделать два основных вывода:
с увеличением R>н> возрастает крутизна детекторной характеристики,
с увеличением уровня сигнала снижается степень нелинейности детекторной характеристики, и наоборот, детектирование «слабых» сигналов сопровождается значительными нелинейными искажениями закона модуляции.
В этой связи различают два режима работы диодного амплитудного детектора:
детектирование «слабых» сигналов,
детектирование «сильных» сигналов.
В режиме «слабых» сигналов, нетрудно показать, что детекторная характеристика имеет квадратичный вид, т.е.
, (10)
и, соответственно, коэффициент нелинейных искажений в этом случае при x(t) = 0 равен:
. (11)
Например, допустимое значение k>н> в системах радиовещания не превышает нескольких процентов (k>н> 5%), что налагает ограничения на допустимый коэффициент глубины амплитудной модуляции в передатчике. Дополнительным недостатком работы на квадратичном участке детекторной характеристики является малый коэффициент передачи, затрудняющий работу последующих усилительных каскадов.
В режиме
«сильных» сигналов вольтамперная
характеристика диода аппроксимируется
линейной зависимостью i>g>=f(u>g>)
(5). В этом случае появляется заметное
напряжение смещения на анод диода из-за
значительной величины U>=>,
т.е. диод работает в режиме отсечки, и
ток проходит через него только в течение
тех интервалов времени, когда
.
На рис. 4 показан угол отсечки θ тока диода. На интервале времени, соответствующем углу 2θ, происходит быстрый заряд конденсатора C>н> (рис. 1) через открытый диод. В течение времени, когда диод закрыт, конденсатор C>н> разряжается через резистор R>н>.
Т.о., несмотря на наличие угла отсечки, диодный детектор и в режиме «сильных» сигналов является линейным детектором и при малых значениях угла не создает нелинейных искажений модулирующего сигнала x(t).
Нелинейные искажения при детектировании «сильных» сигналов определяются:
нелинейностью начального участка вольтамперной характеристики диода. При этом, чтобы гарантировать работу вне существенно нелинейного участка, например, в области 0≤U>c>≤U>c>(1) на рис. 2, необходимо выбирать значение U>c>> >исходя из неравенства:
; (16)
различием сопротивлений детектора по постоянному и переменному токам.
При использовании усилителя с входным сопротивлением
R>УНЧ> (5 – 10) R>н>
и выборе величины емкости разделительного конденсатора C>p>, обеспечивающей его малое сопротивление по переменному току по сравнению с R>УНЧ>> из условия:>
, (17)
где Ω>min> – минимальная частота модулирующего сигнала,
этим видом нелинейных искажений можно пренебречь;
нелинейностью процесса заряда и разряда конденсатора C>н>.
При этом возникает фазовый сдвиг между напряжениями U>=> и u>a>(t). В моменты времени, когда u>a>(t) U>=>, конденсатор C>н> будет разряжаться через резистор R>н> по экспоненциальному закону. Анализ показывает, что малый уровень нелинейных искажений этого вида обеспечивается при условии:
, (18)
где Ω>max> – максимальная частота модулирующего сигнала.
Кроме рассмотренных выше нелинейных искажений в режиме детектирования «сильных» сигналов возникают частотные искажения, обусловленные присутствием в выходном напряжении гармоник высокочастотного колебания. С целью уменьшения уровня колебания высокой частоты на выходе амплитудного детектора величина емкости конденсатора C>н> выбирается из условия:
, (19)
а коэффициент фильтрации в этом случае определяется выражением:
k>ф> ω>c>C>н>r>g>, (20)
где r>g> – сопротивление диода в открытом состоянии.
2. Виды схем амплитудных детекторов
2.1 Амплитудный детектор на диоде
Классическая схема «последовательного» детектора дана на рисунке (собственно, это однополупериодный выпрямитель). Если представить ламповый диод как идеальный вентиль, то такая модель («линейного» детектирования) сразу же дает для постоянной составляющей выходного напряжения:
,
где u>BX> – амплитуда напряжения несущей на входе детектора. Амплитуда низкочастотного напряжения на выходе:
u>ВЫХ> = mU>H> (m – коэффициент модуляции АМ сигнала).
При полярности включения диода как на схеме – выпрямленное напряжение будет положительным.
2.2 Параллельный детектор
Присоединим «нижний» вывод резистора нагрузки к ВЧ входу, как на рис. слева. Ни для постоянной составляющей тока, ни для модулирующего колебания – в схеме, по сути дела, ничего не изменилось. Перевернув теперь схему (справа), получим известный по книгам параллельный детектор.
В новой схеме резистор R дополнительно подгружает ВЧ вход. Соответственно снижается входное сопротивление для резонансных цепей:

Отличием этой конфигурации является также присутствие на ее выходе, помимо низкочастотного напряжения, еще и полного входного сигнала. Поэтому в практических схемах предусматривается дополнительная фильтрующая ячейка R>Ф>С>Ф> для снятия нежелательной ВЧ составляющей.
К параллельному детектору обращаются нередко. Во-первых, если схема диктует необходимость непременно емкостной связи с источником сигнала. Во-вторых, это естественное решение для комбинированных ламп (таких как 6Г2), а также прямонакальных, то есть тех, где катод диода вынужденно заземлен.
Впрочем, в этих последних случаях вполне возможно и последовательное детектирование – если только контур может быть отвязан от «земли» (см. последний рис.).
При указанной полярности включения диода выпрямленное напряжение – минусовое.
2.3 Сеточный детектор
Эта схема типична для простых малоламповых приемников. Она эквивалентна сочетанию обычного детектора и усилительного каскада; только роль анода диода играет управляющая сетка. По понятным причинам ВЧ фильтрацию приходится осуществлять уже в анодной цепи.
В книгах мы читаем, что сеточный детектор обладает повышенной чувствительностью; это действительно так. Дело в том, что отказ от регулятора громкости вслед за детектором – позволяет увеличить сопротивление нагрузки (R). Тем самым и сохранить высокую добротность контура, и снизить до минимума ток через «диод». Правда, это оборачивается и негативной стороной: возможностью перегрузки каскада сильными сигналами, размах которых превысит раствор характеристики лампы. В предельном случае выделенная НЧ огибающая (на отрицательной «подставке») вообще выносится в область отсечки характеристики, а слушатель раритетного приемника недоумевает: почему при точной настройке на очень мощную станцию передача пропадает?
2.4 Катодный детектор
Если сеточный детектор по принципу работы – диодный, то катодный и анодный детекторы действуют иначе.
Взглянем на эту схему как на катодный повторитель с емкостной нагрузкой. В отличие от линейного случая, ток покоя в детекторе всегда должен быть выбран «неправильно», чтобы не позволять емкости разряжаться в промежутке между двумя положительными полуволнами колебаний несущей:
I << i'.
Здесь i' – снова амплитуда тока несущей частоты f в катоде, как если бы не было отсечки колебаний, I – ток покоя лампы.
Будем считать, что фильтрующий конденсатор C>H> имеет достаточно большую емкость, чтобы выполнялось:

Практически это достижимо, если несущая и модулирующая частоты различаются на порядки. Такой режим катодного детектора наиболее выгоден в отношении чувствительности.
В данном случае повторитель нагружен (для несущей частоты) на сопротивление, значительно меньшее его выходного сопротивления, равного 1/S. Следовательно, гипотетическую величину i', соответствующую линейному режиму работы, записать просто:
i' = Su>BX>
как в любом каскаде, где катодный резистор заблокирован конденсатором большой емкости.
Получаем знакомое уже условие эффективного детектирования, противоположное условию работы без отсечки:
Su>BX> >> I, т.е. u>BX> >> I/S
Рассмотрим каскад с триодом 6Н1П, пусть анодный ток равен 1 мА, при этом крутизна 2 мА/В. Тогда порог детектирования получается 0,5 В. Чувствительность будет повышаться с уменьшением тока покоя: при снижении тока в 8 раз она повышается вчетверо (почему – надеюсь, пояснять не надо). В практических схемах номинал катодного резистора выбирают поэтому от 50 до 200 кОм.
Катодный детектор легко рассчитать с позиции отсутствия искажений, вызванных как активной, так и реактивной внешней нагрузкой, при безусловном сохранении начальной добротности контура. Однако никаких других особенных достоинств у него нет (зато имеются недостатки), поэтому заметного распространения он не нашел.
2.5 Анодный детектор
Рассмотренные выше схемы детектирования имеют общую особенность: напряжение на открытом нелинейном элементе представляет собой только разность между огибающей АМ колебания и величиной выходного напряжения (тот же «сигнал ошибки», аналогично усилительным схемам с обратной связью). Потому детекторы обеспечивают малые искажения, причем форма характеристики нелинейного элемента совершенно не важна! Условие «линейности» детектирования сформулировано выше. Если оно не соблюдается (сигнал слабый), детектор превращается в нелинейный («квадратичный»).
В литературе можно встретить утверждение: любой детектор является линейным для «сильных» сигналов. Причина, якобы, в том, что для таких сигналов характеристика детектирующего элемента аппроксимируется кусочно-линейной, состоящей из двух прямых.
Это неверно. Ни при каких условиях полиномиальная характеристика не эквивалентна составленной из двух прямых. Применявшийся изредка в старой аппаратуре анодный детектор, в частности, осуществляет нелинейное преобразование сигнала в соответствии с формой характеристики лампы, при этом отсутствует отрицательная обратная связь. Ни при каких самых «сильных» сигналах здесь не обеспечивается линейная демодуляция. Не буду даже приводить эту мерзкую схему; впрочем, она отличается от сеточного детектора лишь подачей на лампу смещения, почти запирающего ее (для выполнения навязшего в зубах условия детектирования).
3. Современная элементная база детекторов
Одна из важнейших задач современной науки и техники – регистрация и формирование видеоизображения объектов с помощью различного вида излучений – от видимого света до частиц высоких энергий. Детекторы излучения применяются во многих сферах человеческой деятельности: физике элементарных частиц и астрофизике, ядерной физике и технике, таможенном контроле, медицине и биологии, лазерной физике и технике, технике оптической связи. Весьма актуальны датчики, используемые в медицине для получения высококачественных рентгеновских изображений. В современных рентгеновских диагностических установках, как правило, до сих пор изображение органов человека переносится на рентгеновскую фотопленку с высокой разрешающей способностью, обеспечивающей и передачу плотности тканей (в соответствии с уровнем шкалы серого цвета). Поэтому сегодня основное направление развития рентгеновской диагностической техники – разработка воспроизводящих рентгеновское изображение плоских твердотельных экранов, способных заменить рентгеновскую фотопленку и позволяющих в режиме реального времени обрабатывать полученное изображение на компьютере, хранить и пересылать его по компьютерным сетям. Твердотельные датчики рентгеновского и радиационного изображения разрабатывают все ведущие в области микроэлектроники и нанотехнологии фирмы мира. Немалые успехи достигнуты и российскими учеными.
Исследования зарубежных и российских специалистов последних лет показали, что для применения в рентгенотехнике наиболее перспективны твердотельные экраны, построенные на основе полупроводниковых детекторов, содержащих принимающую излучение пиксельную матрицу, и периферийных устройств. При этом в детекторах могут применяться матрицы «прямого» или «непрямого» преобразования рентгеновского излучения. В первом случае детектор содержит рентгеновский фоторезистор, например на основе аморфного селена или кадмий-ртути-теллура, который непосредственно преобразует фотоны рентгеновского излучения в электрический сигнал.
Последние достижения в области микроэлектроники позволили изготавливать на стеклянной подложке размером 50х50 см многослойные матрицы детекторов, содержащие аморфные тонкопленочные транзисторы. Поскольку под действием электрического поля возбужденный в селеновом слое заряд направленно движется к коллектору транзистора, формирующего пиксель, координатное разрешение такого детектора высокое.
Слой аморфного селена может быть нанесен достаточно простым и дешевым методом испарения.
В детекторы (панели) «непрямого» преобразования входят сцинтилляторы, преобразующие рентгеновское излучение в оптическое, которое возбуждает в пиксельной матрице на основе аморфных кремниевых фотодиодов, МОП-транзисторов или ПЗС носители заряда (электроны и дырки). Генерированный заряд накапливается в конденсаторах и затем с помощью транзисторной матрицы последовательно передается на выход детектора для преобразования в цифровой сигнал. Сцинтиллятор детектора может быть выполнен на так называемом структурированном или аморфном материале. В неструктурированном сцинтилляторе свет попадает и в соседний пиксель, что приводит к ухудшению разрешения. Для решения этой проблемы используют структурированный материал на основе цезия (или иодида цезия – CsI), состоящий из трубок шириной ~5–10 мкм, препятствующих боковому распространению света.
Однако рентгеновские панели с тонкопленочными пиксельными матрицами на аморфном кремнии имеют серьезные недостатки. Это – относительно высокий уровень шумов, создаваемых токами утечки транзисторов и диодов на аморфном кремнии, а главное необходимость подключения к каждой строке и столбцу матрицы внешних электронных схем (зарядовых усилителей, мультиплексоров и драйверов), что ограничивает возможности повышения координатного разрешения и удешевления панели. Из-за этих недостатков тонкопленочные экраны, по-видимому, не могут удовлетворять требованиям, предъявляемым к экранам нового поколения.
Ведущими российскими исследовательскими группами НТЦ «Курчатовский институт», Физического института им. Лебедева (ФИАН), Института ядерных исследований (ИЯИ) проведены поисковые работы по созданию элементной базы координатных детекторов нового поколения – так называемых функционально-интегрированных структур [1–12].
Рассмотрим возможную реализацию твердотельных рентгеновских экранов на основе мозаики координатных детекторов, представляющих собой специализированные кремниевые микросхемы, способные непосредственно (или косвенно, с помощью дополнительных полупроводниковых материалов) регистрировать радиационное излучение. Такой подход позволяет достичь экстремально высоких характеристик рентгеновских экранов. Однако, к сожалению, предлагаемое техническое решение имеет существенный недостаток, заключающийся в образовании в рентгеновской панели большого формата так называемой «мертвый зоны», что приводит к появлению на одиночном рентгеновском снимке решетки.
По мере совершенствования технологии изготовления кремниевых чипов размер «мертвой зоны» может быть сведен к минимуму и практически мало влиять на качество изображения. Более того, появление «мертвой зоны» можно легко исключить путем проведения повторного снимка при механическом смещении панели под углом 45 градусов на 1/2 длины пикселя и соответствующей компьютерной обработки полученных снимков. К сожалению, такая процедура приводит к увеличению дозы облучения объекта в два раза. Правда, во многих случаях это допустимо.
Существуют три основных варианта построения мозаичных рентгеновских экранов на основе кремниевых специализированных микросхем координатных детекторов, а именно квантового, аналогового и цифрового. Квантовый детектор [10] создан в результате попытки реализовать теоретически идеальный способ регистрации радиационного (рентгеновского) излучения, о котором с теоретически максимальной точностью известно «все»: энергия, координаты и время прихода. Квантовый детектор представляет собой прямоугольную матрицу функционально-интегрированных биполярных транзисторных структур с двумя эмиттерами. При попадании в транзисторную структуру детектора радиационной частицы-кванта возбуждается, преимущественно в области пространственного заряда, ток ионизации, амплитуда и время нарастания которого регистрируются в цепи питания общего коллектора биполярных транзисторов, образующих пиксели матрицы. Координаты пикселя определяются по появлению электрических сигналов в соответствующих адресных линиях Xi и Yi.
Скорость поступления рентгеновских квантов составляет ~500 квантов/с на пиксель размером 140х140 мкм, т.е. скорость поступления квантов на адресную линию Pх» 2·106 квантов/с [2]. Это на два порядка ниже быстродействия детектора tм, которое определяется двумя параметрами: временем сбора и усиления ионизационного заряда в пикселе tсб» 5 нс и временем распространения сигнала в адресных линиях tр» 5 нс (при длине адресной линии l ~ 1 см), т.е.:
Отсюда следует, что матрица площадью 1 см2 способна регистрировать и определять все параметры каждого кванта рентгеновского излучения, применяемого в медицинской технике. Однако с увеличением площади матрицы до S = 10х10 см возникает проблема, связанная с быстродействием, поскольку в этом случае tм @ 1/Px. Очевидно, площадь матрицы S @ 10х10 см следует считать предельной. Таким образом, экран большего формата, например 43х43 см, может иметь только мозаичную конструкцию.
Как уже отмечалось, матрица способна воспринимать рентгеновское излучение как с помощью нанесенных на ее поверхность сцинтиллятора или фотопроводника, так и непосредственно, т.е. с использованием в качестве элемента, регистрирующего рентгеновское излучение, области пространственного заряда коллектора (или комбинацию этих способов). Рентгеновские кванты с энергией E = 60 кэВ эффективно поглощаются кремнием только на глубине более 100 мкм, поэтому, очевидно, интерес представляет возможность изготовления матрицы, состоящей из функционально-интегрированных структур на основе менее технологически отработанных в сравнении с кремнием полупроводниковых соединений, например арсенида галлия.
Следует отметить, что поскольку матрица имеет большое число адресных выводов X, Y (как и традиционные «аморфные» матрицы), с помощью периферийных устройств детектора необходимо обеспечить быстрое цифровое кодирование адресов Xi, Yi строк и столбцов матрицы. Это позволит резко сократить число выводов микросхемы детектора, которые связывают компоненты панели с внешними устройствами – аналого-цифровым преобразователем и компьютером. К сожалению, реализация в микросхеме детектора цифровых кодирующих устройств усложняет технологию его изготовления. Особенность детектора этого типа – отсутствие «памяти» у матрицы, в результате чего он передает внешним устройствам чрезмерно большой объем информации, в том числе и не нужную для формирования рентгеновского видеоизображения «избыточную информацию» о времени прихода каждого кванта. Это усложняет работу внешних устройств. Однако возможность регистрации таким детектором энергии отдельных квантов может оказаться весьма полезной для реализации «суперэкранов» с трехмерным голографическим изображением объекта, требующих использования монохроматического рентгеновского излучения.
Достоинство квантового детектора – возможность получения рентгеновских или иных радиационных изображений объекта теоретически максимально высокого качества. Недостатки – необходимость применения быстродействующих внешних устройств и компьютера, а также ограничение размеров элемента мозаики – не более 10х10 см.
В детекторах аналогового типа используется матрица, элементы которой способны «запоминать» суммарный заряд, возбужденный потоком рентгеновских квантов. Аналоговые детекторы, реализованные на монокристаллическом кремнии, как и квантовый детектор, регистрируют излучение с помощью люминофора экрана или непосредственно в области пространственного заряда транзистора.
На рис. 6 соответственно показаны электрическая схема и структура пикселя аналогового детектора. Достоинство таких детекторов, по сравнению с предыдущими, – отсутствие жестких требований к быстродействию внешних устройств; возможность приема излучения высокой интенсивности, когда временное отделение одного кванта от другого невозможно, что обычно имеет место при приеме излучения в оптическом диапазоне частот. Недостатки – меньшая контрастность (динамический диапазон) из-за потерь, связанных с самопроизвольной релаксацией информационного заряда в пикселях матрицы и неточностью преобразования аналоговых сигналов в цифровые; технологические проблемы, аналогичные квантовому детектору.
Работа цифрового детектора мозаичного экрана основана на цифровом отсчете (запоминании) числа квантов, поступивших в каждый элемент матрицы, и запоминании аналогового сигнала, пропорционального выделенной ими энергии. Трехмерная конструкция детекторов этого типа состоит из двух изолированных и механически соединенных с помощью индиевых столбцов пиксельных матриц. При этом первая матрица только принимает излучение, а вторая обрабатывает сигнал пикселя. Обе матрицы изготавливаются с помощью независимых технологических процессов, что позволяет наилучшим образом оптимизировать качество их исполнения. Очевидно, мозаичный экран, построенный на цифровых детекторах, позволяет получить теоретически максимально высокое качество изображения объекта в рентгеновском спектре излучений.
Следует отметить, что возможна и другая, более простая, реализация детектора, например когда принимающая излучение матрица представляет собой сборку из аморфных диодов и сцинтилляторов или матрицу прямого действия на p-i-n диодах и резисторах. Такой детектор не требует размещения по периферии кристалла специальных выводов для подключения управляющих устройств. Однако при использовании такой приемной матрицы нельзя получить теоретически предельное качество изображения.
В целом достоинства экрана на цифровом детекторе заключаются в наилучшем, по сравнению с экранами других типов, отношении сигнал/шум, в высокой контрастности, большом динамическом диапазоне, координатной точности и т.п. Его недостатки – высокая стоимость и сложность изготовления.
Из рассмотренного следует, что для создания высококачественных рентгеновских экранов нового поколения наиболее перспективны мозаичные панели на детекторах с пиксельными матрицами на основе функционально-интегрированных структур. Каждое из приведенных здесь технических решений представляется весьма перспективным для создания таких мозаичных рентгеновских экранов, хотя сейчас сложно определить какое из них окажется наиболее конкурентоспособным и рентабельным в будущем. Возможно, наиболее перспективны панели, построенные на основе «квантовых» детекторов, поскольку они дают полную информацию о рентгеновском излучении, проходящем через исследуемый объект. В любом случае необходимо проведение исследовательских работ по анализу эффективности предложенных технических решений.
Следует отметить, что в отечественной промышленности сегодня сложно использовать традиционные технические решения, поскольку в стране отсутствует технология формирования высококачественных аморфных полупроводниковых слоев, требуемых для рентгеновских экранов.
4. Предварительный расчет приемника
Распределение между трактами приёмника частотных и нелинейных искажений. Частотные искажения создаются всеми каскадами приёмника. Общую величину частотных искажений высокочастотной части приёмника определяют из выражения.
М>вч> = М>прес> + М>фси> + М>упч> [дБ], (3)
где М>вч> – общая величина частотных искажений высокочастотной части;
М>прес >– частотные искажения преселектора;
М>фси >– частотные искажения фильтра сосредоточенной селекции;
М>упч> – частотные искажения усилителем промежуточной частоты.
Принимаем значения Мвх.ц = 5, Мфси = 4, Мупч = 3.
М>вч> = 3 + 4 + 3 = 12 дБ
Общая величина частотных искажений приёмника (без искажений, вносимых громкоговорителем)
М>общ> = М>вч> + М>унч>, (4)
где М>унч> – частотные искажения в УНЧ, величина которых 2 – 3 дБ.
Принимаем значение М>унч> = 2 дБ.
М>общ> = 12 + 2 = 14 дБ.
Должно выполняться условие
М>общ> = М,
где М – заданные частотные искажения на весь приёмник.
14 дБ = 14 дБ
Причиной нелинейных искажений является нелинейность характеристик усилительных приборов и диодов. Наибольшие нелинейные искажения создаются в детекторе и УНЧ. Общую величину нелинейных искажений детектора и УНЧ определяют из выражения
К>г.общ> = К>гд> + К>гунч>, (5)
где К>гд> – нелинейные искажения в детекторе К>гд>= 1 – 2%;
К>гунч> – нелинейные искажения в усилителе низкой частоты
Принимаем следующие значения:
К>гд> = 1%, К>гунч> = 5%.
К>г.общ> = 1% + 5% = 6%.
По результатам расчётов должно выполняться условие
К>г.общ> ≤ К>г>,
где – К>г> – заданные нелинейные искажения на весь приёмник.
6% = 6%.
Определение эквивалентной добротности контуров преселектора и вывод о необходимости применения УРЧ.
В зависимости от заданной величины ослабления зеркального канала определяется минимаотная необходимая добротность контура преселектора. Сначала выбирают минимальное количество контуров и определяют минимальную эквивалентную добротность контура, обеспечивающую заданное ослабление зеркального канала.
,
(6)
где Se>зк> – заданное ослабление сигнала зеркального канала в относительных единицах;
n>c> – минимальное количество контуров;
f>cmax> – максимальная частота сигнала, заданного рабочего диапазона частот, кГц;
f>зк> – частота зеркального канала, кГц;
f>зк>= f>cmax> + 2f>пр >(7)
Принимаем следующие значения n>c> = 1, f>cmax> = 0,285 МГц, Se>зк> = 18
f>зк> = 0,285106 + 2 (465103) = 0,378 МГц.
Q>эк.зк>=18/(0,378106)2/(0,285106)2-1=39,4 дБ
Далее выбирают конструктивную добротность контуров преселектора Q>кон>.
Принимаем для диапазона гектометровых волн Q>кон>.=100
Должно выполняться условие
Q>эк.зк> < (0,5 – 0,7) Q>кон>, (8)
где Q>эк.зк> – эквивалентная добротность контура преселектора, дБ;
Q>кон >– конструктивная добротность контура преселектора, дБ;
Q>эк.зк> < 0,6100
39,4< 60
Условие выполняется, следовательно УРЧ в приёмнике не применяется.
Расчёт полосы частот входного сигнала П и максимальной добротности контура входной цепи Q>экп>, при которой частотные искажения в заданной полосе не превышают допустимых, полученных при распределении их между каскадами.
П = 2 (F>м>>max> + ∆f>сопр> + ∆f>г>), (9)
где ∆f>сопр> – допустимая неточность сопряжения настроек контуров, которую для декаметрового диапазона выбирают 10 – 15 кГц, километрового и гектометрового 3 – 5 кГц;
∆f>г> – возможное отклонение частоты гетеродина, равное
∆f>г> =(0,5 – 1)10-3 f>с>>max>.
∆f>г> = 0,710-30,285106 = 0,2103 Гц
Принимаем ∆f>сопр>=4 кГц
П = 2 (3,5103 + 4103 + 0,2103) = 15,4103 Гц
Значение Q>экп> определяем по формуле
,
(10)
где М – частотные искажения преселектора;
П – полоса частот, кГц;
f>с>>min>> >– минимальная частота сигнала, МГц;
При отсутствии в прёимнике УРЧ
М = М>прес>/2,
Так как УРЧ в приёмнике не применяется, то
М = 5/2 = 2,5
Q>экп>=0,2851062,52-1/15,4103=42,4 дБ
Должно выполняться условие
Q>экп> >Q>экзк >(11)
42,4 > 39,4
Условие выполняется.
Если условие выполняется, то принимаем рассчитанная Q>экп.>
Затем выбирают блок конденсаторов переменной ёмкости, двух- или трёхсекционный, в зависимости от количества контуров, настраиваемых на частоту принимаемого сигнала.
Для расчёта числа поддиапазонов определяют коэффициент диапазона К>д>, который может обеспечить выбранный конденсатор переменной ёмкости, и требуемый коэффициент диапазона по частоте К>д.с>:
,
(12)
где С>сх> – принимается диапазонах гектометровых волн 25 – 30 пФ.
Для расчёта принимаем следующие значения С>сх> = 25 пФ, C>к>>min> = 12 пФ, C>к>>max>> >= 495 пФ.
________________
К>д>=495+25/12+25=3,7
Затем определяем значение К>д.с> по формуле:
К>д.с> = f '>cmax>/f '>cmin>, (13)
f '>cmax> = 1,02 f>cmax>, (14)
f '>cmin> = f '>cmin>/1,02, (15)
f '>cmax> = 1,020,285106=0,2907 МГц
f '>cmin> =0,285106/1,02=0,279 МГц
К>д.с> = 0,2907 / 0,279 =1,04
Если К>д> ≥ К>д.с>, то в приёмнике применяется 1 диапазон. Если К>д> ≤ К>д.с>, то заданный диапазон частот входного сигнала следует разбить на поддиапазоны.
К>д> К>д.с>,
3,7 > 1,04.
Условие выполняется, следовательно, в приёмнике достаточно иметь один диапазон.
Выбор схемы детектора и типа диода. Выбираем последовательную схему диодного детектора.
Так как по заданным техническим условиям проектируемый приёмник можно отнести ко второму классу, то в соответствии принимаем значения
U>вх>>d> = 0,3 В, K>d> = 0,4.
Напряжение на выходе детектора рассчитываем по формуле:
U>вых>>d> = K>d>mU>вх>>d>k, (16)
где k = 0,5 – 0,6 – коэффициент, учитывающий потери части выходного напряжения детектора на резисторе,
m = 0,3 – коэффициент модуляции.
Задаёмся следующими коэффициентами k = 0,5, m = 0,3.
U>вых>>d> = 0,30,40,50,3 = 0,018 В
Выбираем точечный диод типа Д9Б.
Определение необходимого коэффициента усиления от входа до детектора. Для преобразования частоты выбираем транзистор КТ357А для которого f>т>=80 МГц, Е>кмах >=10В. Проверяем выполнения условий.
f>мах>=0,1 f>т>=0,180=8 МГц
U>к >=12В>Е>и>=9В
где f>мах> – максимальная частота заданного рабочего диапозона частот;
f>т> – предельная частота усиления тока для схемы с общим эммитером при котором h>21э>=1
U>к >- предельно допустимое напряжение на коллекторе транзистора
Условие выполняется, следовательно, транзистор выбран правильно. Из справочника для транзистора КТ357А выписываем основные параметры:
I>к >=10мА, U>к>=6В, h>21э>=120, С>12>=4пФ, S =│Y>21э>│ = 26 мА/В.
Определяем входное сопротивление транзистора в режиме преобразования
Rвх = 1/0,8g>11э> (17)
Rвх=1/0,5310-3= 1,8 кОм
Определяем характеристическое сопротивление контура на частоте f '>cmax>
ρ>max> = 159/f>cmax> [МГц] (C>к>>min> + C>сх>) [пФ], (18)
ρ>max> = 159/0,285(12 + 25) = 15,14 кОм
Определим эквивалентное и конструктивное затухание контура:
d>эп> = 1/Q>эп>; (19)
d>кон> = 1/Q>кон>; (20)
d>эп> = 1/11,3=0,088;
d>кон> = 1/100=0,01.
Определяем коэффициент включения контура m>1> по формуле
,
(21)
где R>вх> – входное сопротивление транзистора 1 каскада радиоприемника;
>max> – характеристическое сопротивление контура;
d>эп> и d>кон> – затухание контура.
________________________
m>1>=(0,088–0,01)1,8 /15,14=0,096
Напряжение сигнала на входе первого каскада радиоприёмника можно определяется по формуле:
U>вх> = Eh>д>Q>эк.п>m>1>, В, (22)
где E – напряжённость электрического поля в точке приёма В/м, равная 100мкВ;
h>д >– действующая высота магнитной антенны, равная 0,02 – 0,04 м;
Q>эк.п> – максимальная добротность контура входной цепи, дБ;>_>
Принимаем действующую высоту антенны h>д> = 0,03 м
U>вх> = 120∙10-60,030,09642,4 =0,14 мВ.
Необходимый коэффициент усиления при приёме сигнала на магнитную антенну определяется по формуле
К>н> = (U>вх>>d>/ U>вх>)106, (23)
К>н> = (0,3/0,14∙10-6)106=2142
Необходимый коэффициент усиления К>н>' берут с запасом из-за разброса параметров транзистора, неточной настройки контуров и т.д.:
К>н>' = (1,4 – 2) К>н>., (24)
где К>н> – необходимый коэффициент усиления;
К>н>' – необходимый коэффициент усиления с запасом.
К>н>' = 22142=4284
Определение числа каскадов УПЧ. Для определения числа каскадов УПЧ необходимо знать коэффициенты передачи входной цепи и преобразователя частоты.
Принимаем коэффициент передачи входной цепи приёмника – 2
Коэффициент усиления ПЧ, нагруженного на фильтр сосредоточенной избирательности, рассчитывают оп формуле:
К>пч> = m>1>m>2>K>ф>Y>21пч>R, (25)
где m>1> – коэффициент включения нагрузки в коллекторную цепь смесителя m>1>= (0,6 – 0,8); принимаем m>1>=0,7
m>2 >– коэффициент включения нагрузки в цепь базы первого УПЧ
m>2>= (0,1 – 0,2); принимаем m>2>=0,15
Y>21пч >– крутизна характеристики транзистора в режиме преобразования, мА/В;
Y>21пч> = 0,5Y>21э>, (26)
где R = (10 – 15)103 Ом – характеристическое сопротивление контуров фильтра сосредоточенной селекции; принимаем R=12кОм
K>ф >= 0,2 – 0,25 – коэффициент передачи ФСИ; принимаем K>ф >= 0,25
Y>21пч> = 0,526 = 13 мА/В;
Приняв следующие значения m>1 >= 0,7; m>2 >= 0,15; K>ф >= 0,25; R = 12кОм определяем коэффициент усиления ПЧ
К>пч> = 0,70,150,250,01312103 = 4,095
Для определения коэффициента усиления каскада УПЧ рассчитывают устойчивый коэффициент усиления по формуле
,
(27)
где Ск – проходная ёмкость транзистора, принимаем 4 пФ;
f>пр> – промежуточная частота, равная 465кГц;
Y>21Э> – крутизна характеристики транзистора, мА/В
В каскаде УПЧ применяем транзистор КТ 357А
Рассчитываем устойчивый коэффициент усиления УПЧ
К>упчуст>=6,32610-3/465103410-12=23,54
Необходимое количество каскадов УПЧ определяется по формуле
N>упч> =(lg К>н>' – lg К>пч>)/lg К>упчуст>, (28)
N>упч> =(lg 4284 – (lg 4,095+lg 3+lg2) /lg 23,54 =1,63
Таким образом, для обеспечения заданной чувствительности приёмника должно быть 2 каскада УПЧ.
Избирательность по соседнему каналу Se, создаваемую входной цепью приёмника определяем по формуле:
,
дБ, (29)
где N – число каскадов УРЧ;
∆f – стандартная расстройка, равная 9 кГц для километрового; гектометрового и декаметрового диапазонов;
f>cmax> – максимальная частота сигнала, МГц;
Q>эк.> – ранее выбранная добротность контуров входной цепи и УРЧ
____________________________
Se=(0+1) 20lg1+291031,17/0,285106=1,7 дБ
Избирательность по соседнему каналу Se>фси>, которую должен обеспечить ФСИ определяется по формуле
Se>фси> = Se – (Se' + Se>упчобщ>), дБ (30)
где Se – заданная избирательность по соседнему каналу, [дБ]
Se>фси> = 45 – (0,17 + 6) = 38,83 дБ
Выбираем тип пьезокерамического фильтра, у которого избирательность по соседнему каналу не менее полученного выше значения и полоса пропускания
П>фси> = П/α, (31)
где α = 0,8 – 0,9 – коэффициент расширения полосы.
П>фси> = 15,4/0,8 = 19,25кГц
В качестве нагрузки преобразователя частоты используется ФСИ, состоящий из пьезокерамических-звеньев, то необходимо определить количество звеньев (n>фси>), при котором будут обеспечиваться частотная избирательность Se>фси> и полоса пропускания П>фси>. Для определения количества звеньев фильтра рассчитывают необходимую эквивалентную добротность контуров ФСИ:
Q>эк.фси> = (2√2)465/ П>фси>, (32)
Q>эк.фси> = (2√2)465/12,5 =68,32
Должно выполняться условие
Q>эк.фси> (0,6 – 0,8) Q>конфси>. (33)
где Q>конфси> = 200 – максимальная добротность контуров ФСИ
68,32 0,8200
68,32 < 160
Относительную расстройку α>е> и обобщённое затухание β>е> находим по формулам:
α>е> = 2∆f/П>фси>; (34)
β>е> = 2fпр/(Q>эк.фси>П>фси>). (35)
α>е> = 29/19,25 = 0,93;
β>е> = 2465/(68,3219,25) = 0,7
По семейству обобщённых резонансных характеристик для полученных значений α>е> и β>е> определим избирательность по соседнему каналу на одно звено фильтра: Se>1> = 6,5 дБ.
Определяем количество звеньев ФСИ по формуле:
n>фси> = Se>фси>/ Se>1>, (36)
n>фси> = 38,83/6,5 =4,18
Применяем 5 звеньев ФСИ
В результате предварительного расчета ВЧ – трака приемника получилось:
5 звеньев фильтра сосредоточенной избирательности, каскад усилителя радиочастоты по расчету отсутствует, в качестве регулируемых каскадов используем первый и последний каскады УПЧ, т.е. один апериодический, другой резонансный.
n>н> = Д – В, (37)
где Д – заданное изменение сигнала на входе приёмника, дБ;
В-заданное изменение сигнала на выходе приёмника, дБ.
Согласно ГОСТ 5651–76, для стационарных радиовещательных приёмников 2 го класса Д = 30 дБ, В = 10 дБ.
Рассчитываем необходимые пределы изменения коэффициента усиления регулируемых каскадов
n>н> = 30 – 10 = 20 дБ.
Считая, что регулируемые каскады идентичны, определяют необходимое количество регулируемых каскадов:
N>ару> = n>н>/20lgn. (38)
Задаёмся изменением коэффициента усиления одного регулируемого каскада n = 10 и определяем количество регулируемых каскадов
N>ару> = 20/20lg10 = 1.
В результате предварительного расчета приемника получилось:
5 звеньев фильтра сосредоточенной избирательности, каскад усилителя радиочастоты по расчету отсутствует, в качестве регулируемого каскада используем УПЧ, каскад будет резонансный.
Выбор и обоснование структурной схемы усилителя низкой частоты.
Схему выходного каскада выбираю из следующих данных:
Так как выходная мощность 0,25 Вт, берем схему класса А-В на мощном транзисторе. Выбираем транзистор из справочника КТ 818Б.
Определим максимальную мощность рассеивания на коллекторе транзистора одного плеча усиления.
Рк = 0,6Рвых/тр (39)
Рк = 0,60,25/0,70,8 = 0,26 Вт
где тр коэффициент трансформации равное (0,70,8);
коэффициент использования напряжения источника питания равное (0,80,9).
Выбираем тр = 0,7; = 0,8
Рвых. = Рвых./2 (40)
Рвых. = 0,25/2 =0,125 Вт
Определяем коэффициент усиления мощности УНЧ.
Крунч = Рвых / Рвх (41)
Крунч = 0,125/1010-6= 12500
где Рвх = мощность сигнала низкой частоты потребляемой входной цепью УНЧ.
Для промышленных приемников не превышает 1020 мВ. При входном сопротивлении транзисторного каскада порядка 500 Ом.
Выбираем Рвх = 1мкВт.
Рассчитать коэффициент усиления мощности и число каскадов предварительного усиления.
Крпред = Крунч / Крвых (42)
Крпред = 125103/100 = 125
Определяем число каскадов
n = Крпред / Кр (43)
n = 150/100 = 1,25
Таким образом, выбираем два каскада усилителя низкой частоты.
5. Электрический расчет амплитудного детектора
Искажения в детекторе.
Не всегда осознают, что низкочастотный ток, проходящий через резистор нагрузки, протекает также и через нелинейный элемент – диод! Это может явиться причиной искажений продетектированного сигнала.
Как и для любой схемы, где есть элемент с односторонней проводимостью, нежелательное закрывание диода на пиках огибающей будет возникать, если нарушается известное условие: I > i, где I – постоянная составляющая тока через диод, а i – амплитуда низкочастотного тока.
В детекторе на диоде оба эти тока создаются только входным высокочастотным сигналом. Посмотрите на схему наверху. Пусть на нагрузке детектора R1 имеется постоянная составляющая продетектированного напряжения U>H> и переменная mU>H>, тогда очевидно:

Если регулятор громкости R1 выведен до предела (движок – в крайнем нижнем по схеме положении), то:

Условие отсутствия искажений I > i выполняется автоматически: ведь всегда m < 1.
Если теперь движок потенциометра перемещен в положение, соответствующее максимуму громкости, то нагрузка детектора для напряжения низкой частоты будет состоять уже из параллельно соединенных R1 и R2, и:

Получается, что при m > R2/(R1 + R2) (в рассматриваемой схеме – при m > 0,5) нарушается условие неискаженного детектирования.
Чтобы уравнять в этом случае нагрузки для постоянного и переменного напряжений, можно увеличить R2: так при R2 = 1 МОм искажения будут отсутствовать даже при 80-процентной модуляции.
Другой способ пояснен на нижней схеме: сопротивления нагрузки детектора для постоянного и переменного напряжений различаются здесь (когда регулятор установлен на максимум) всего на 16%, т.е. до m < 0,84 искажения отсутствуют. Правда, и выходной сигнал снижен вдвое, но с этим можно примириться.
Полоса модулирующих частот.
Дополнительные искажения в детекторе могут возникать для наивысших частот модулирующего напряжения, когда заметная доля тока выделенного сигнала будет протекать через емкость нагрузки C>H>. Амплитуда общего тока составит, с учетом этой емкости:

Оказывается, при m, близком к единице, условие I > i опять нарушается – с ростом частоты F. В то же время слишком уменьшить C>H> нельзя (во всяком случае, она должна быть на порядок больше емкости диода).
Путаница с «входным сопротивлением».
Для схемы «последовательного» детектора в книгах обычно дается формула: R>BX> = 0,5 R.
С входным сопротивлением нелинейных схем дело обстоит непросто. При гармоническом напряжении входной ток детектора является резко несинусоидальным. В этих условиях, если уж вести речь о входном сопротивлении, следует прежде ясно оговорить, какой смысл будет придаваться этому понятию.
Допустим, источник сигнала имеет внутреннее сопротивление R>И>. Следует ожидать, что выпрямленное напряжение U>H> будет (даже при «идеальном» диоде) теперь заметно меньше амплитуды ЭДС сигнала e>BX>, и тем меньше, чем больше R>И>. Этот факт можно приписать влиянию «входного сопротивления» детектора R>BX>, снижающему напряжение пропорционально R>BX> /(R>И> + R>BX>).
Даже не решая сложное уравнение, можно будет сделать вывод: искомая величина входного сопротивления не является постоянной; с увеличением R>И> эффект детектирования снижается медленнее, чем можно было бы ожидать. Заметим, однако, что здесь R>BX> получается принципиально во много раз меньше, чем 0,5 R (особенно при малых сопротивлениях источника сигнала).
В итоге, при низкоомном источнике расчет «входного сопротивления» детектора вообще теряет смысл, так как в большинстве случаев оказывается верным простое соотношение:
U>H> = (0,8…0,9) u>BX>.
Другое дело, если детектор подключен к колебательному контуру, как чаще всего и бывает в ламповых схемах. Главное, что при этом интересует – снижение добротности, связанное с отбором энергии. Здесь потребуется по-иному определить входное сопротивление детектора:
,
где Р – мощность, отбираемая детектором из контура. Из условия баланса мощностей, учитывая, что:
P = U2>H>/R,
и принимая U>H> = u>BX>, получаем знакомое:
R>BX> = 0,5 R.
Чувствительность детектора.
Для того, чтобы существовал эффект детектирования, требуется выполнение условия, противоположного условию отсутствия отсечки (для линейных схем):
I << i'
Здесь:
I – постоянная составляющая тока через диод (примерно равная u>BX>/R);
i' – переменная составляющая, условно принимая диод линейным (равна u>BX>/R>i>, R>i> – дифференциальное сопротивление диода при токе I). Вводя крутизну характеристики диода S = 1/R>i>, получаем условие линейного детектирования:
Su>BX> >> I
Располагая характеристикой диода, мы смогли бы теперь получить какие-то количественные оценки.
В связи со специфической характеристикой лампового диода (полином степени 3/2), его чувствительность в принципе растет со снижением уровня детектируемых сигналов (S уменьшается намного медленнее, чем I). Однако этот ток никак не может быть сделан меньше начального тока диода, составляющего несколько микроампер.
Понятно, что увеличение нагрузки детектора R повышает чувствительность, так как снижается ток диода.
Уровень пульсаций.
В промежутке между соседними пиками напряжения конденсатор разряжается на нагрузку. Считая процесс разряда линейным, а его длительность равной половине периода частоты сети (это для двухполупериодного выпрямителя, а для однополупериодного – целому периоду), получаем спад напряжения на емкости:
,
где,
например, для частоты сети 50 Гц
.
Принятые допущения приведут к тому, что размах пульсаций по приведенной формуле получится слегка завышенным, но это обеспечит полезный запас расчета.
6. Обоснование выбора схемы приёмника
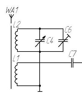
По результатам предварительного расчёта была составлена электрическая принципиальная схема приёмника ДВ диапазона. В этой схеме входная цепь с внутренней магнитной антенной содержит один диапазон километровых волн.

Рисунок 11 Входная цепь с внутренней магнитной антенной
Настройка на заданные частоты осуществляется двухсекционным блоком конденсаторов переменной ёмкости с воздушным диэлектриком. Связь контура входной цепи с антенной индуктивная. Связь входной цепи с преобразователем частоты емкостная. Выбрал именно эту схему, потому что плюсом этой входной цепи с внутренней магнитной антенной является высокая чувствительность.
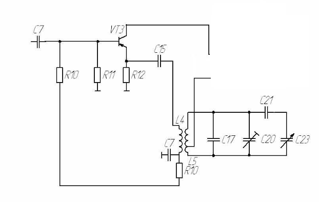
Преобразователь частоты
Преобразователь частоты выполнен на транзисторе VT1 типа КТ357А по схеме с совмещённым гетеродином.
Выбрал такое схемное решение т. к. он работает в диапазоне километровых волн более устойчиво, содержит меньше деталей и более прост в налаживании, так как при обеспечении режима самовозбуждения автоматически устанавливается в режим, близкий к оптимальному для преобразования частоты.

Рисунок 12 Преобразователь частоты с совмещенным гетеродином
Усилитель промежуточной частоты
В данном приёмнике используются два каскада УПЧ. Рисунок 7 Первый каскад УПЧ выполнен по апериодической схеме на транзисторе КТ357А, работающий как простой усилительный каскад не имеющий частотной избирательности.

Рисунок 13 Двухкаскадный усилитель промежуточной частоты
Связь первого каскада УПЧ со вторым – емкостная. Второй каскад резонансный, выполнен на транзисторе КТ357А. Связь последнего каскада УПЧ с детектором индуктивная, обеспечивающая согласование между ними. Такое схемное решение обеспечивает равномерное и стабильное усиление частоты.
Фильтр сосредоточенной избирательности
Нагрузкой УПЧ является пятизвенный фильтр сосредоточенной избирательности (ФСИ). Связь транзисторов УПЧ с ФСИ индуктивная.
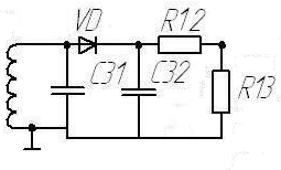
Детектор
Диодный детектор на точечном диоде VD1 типа Д9Б выполнен по последовательной схеме с разделенной нагрузкой. Связь детектора с УПЧ индуктивная. Так как в приёмнике АМ для простоты схемы выбираем диодный детектор.

Рисунок 14 Детектор
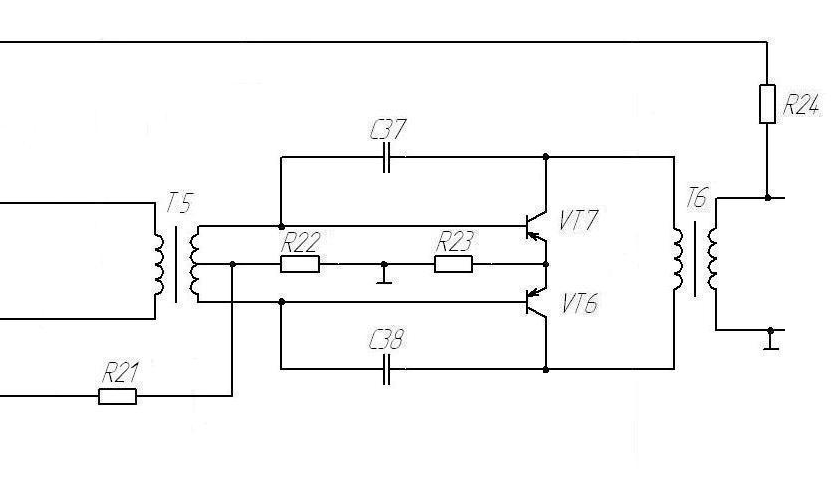
Усилитель низкой частоты

Рисунок 15 Усилитель низкой частоты
Каскад УНЧ выполнен по схеме с трансформаторным выходом. УНЧ представляет собой предоконечный каскад на VT4 (работает в режиме класса В) и оконечный однотактный – на VT5 (работает в режиме класса АВ).
Связь между каскадами емкостная. Выбор такого вида связи заключается в том, что она создаёт меньшие частотные и нелинейные искажения, а так же имеет меньший вес и габариты конструкции в отличие от трансформаторной связи.

Рисунок 16 Оконечный УНЧ
Заключение
В ходе курсового проектирования были проанализированы исходные данные на основании которых был проведен предварительный расчет приемника, составлены структурные и принципиальные схемы приемника по расчету. Приведено обоснование выбор принципиальных схем. Была рассмотрена сущность транзисторного приема и её современные схемотехнические решения.
Так же был произведен электрический расчет преобразователя частоты. По предварительному расчету приёмника была составлена структурная схема, а также электрическая принципиальная. В этой схеме входная цепь с внутренней магнитной антенной содержит один диапазон километровый волн.
Настройка на заданные частоты осуществляется двухсекционным блоком конденсаторов переменной ёмкости с воздушным диэлектриком. Связь входной цепи с преобразователем частоты емкостная. Выбрал эту схему, потому что плюсом этой входной цепи с внутренней магнитной антенной является высокая чувствительность.
Преобразователь частоты выполнен на транзисторе VT1 типа КТ357А по схеме с совмещённым гетеродином. Выбрал так как содержит меньше деталей и более прост в налаживании.
В данном приёмнике используются два каскада УПЧ. Первый каскад УПЧ выполнен по апериодической схеме на транзисторе типа КТ357А, работающий как простой усилительный каскад не имеющий частотной избирательности. Связь первого каскада УПЧ со вторым – емкостная. Второй каскад выполнен на транзисторе КТ315А. Связь последнего каскада УПЧ с детектором индуктивная, обеспечивающая согласование между ними. Такое схемное решение обеспечивает равномерное и стабильное усиление частоты. Нагрузкой УПЧ является пятизвенный фильтр сосредоточенной избирательности (ФСИ). Связь транзисторов УПЧ с ФСИ индуктивная.
Диодный детектор на точечном диоде VD1 типа Д9Б выполнен по последовательной схеме. Связь детектора с УПЧ индуктивная. Так как в приёмнике АМ для простоты схемы выбираем диодный детектор.
Каскад УНЧ выполнен по схеме с трансформаторным выходом. УНЧ представляет собой предоконечный каскад на VT5 (работает в режиме класса В) и оконечный однотактный – на VT6 (работает в режиме класса АВ). Связь между каскадами емкостная. Выбор заключается в том, что она создаёт меньшие частотные и нелинейные искажения, а так же имеет меньший вес и габариты конструкции.
Список использованной литературы
1 Ю.А. Буланов, С.Н. Усов «Усилители и радиоприемные устройства». М. Высшая школа.
2 Г.В. Куликов «Бытовая аудиоаппаратура». М. 2006, ДМК-пресс
3 В.Ф. Баркан, В.К. Жданов. «Радиоприемные устройства». Москва. «Совецкое Радио» 1978 г.
4 Бобров Н.В., Максимов Г.В., Мичурин В.И., Николаев Д.П. «Расчёт радиоприемников». Москва 1971 г.
5 И.Ф. Белов. Справочник по переносным и автомобильным радиоприемникам и магнитолам. М. Радио и связь, 2000 г.
6 Ю.А. Буланов, С.Н. Усов. Усилители и радиоприемные устройства. Москва. Высшая школа, 2005 г.
7 О.В. Головин. Радиоприемные устройства. Москва. Горячая линия – Телеком, 2002 г.
8 В.Д. Екимов, К.М. Павлов. Проектирование радиоприемных устройств. Москва. «Связь», 1970 г.
9 А.П. Жуковский. Радиоприемные устройства. Москва. «Высшая школа» 2002 г.
10 В. Иоффе, М. Лизунков. Бытовые акустические системы. М. Радио и связь, 2002 г.
11 Г.В. Куликов. Бытовая аудиоаппаратура. Москва. ДМК – пресс, 2006 г.
12 А.Л. Кульский КВ-приемник мирового уровня. М. наука и техника, 2000 г.
13 Е.М. Купряков Сто лет радио. Москва. «Высшая школа 2001 г.
14 Р.М. Малинин. Справочник радиолюбителя-конструктора. Москва. Массовая радиобиблиотека, 2004 г.
15 А.А. Петров Звуковая схемотехника для радиолюбителей. Наука и техника, Санкт-Петербург 2003 г.