Разработка системы управления электроприводом
Введение
Электроприводы играют в настоящее время важную роль при решении задач автоматизации во всех отраслях народного хозяйства. Их технические параметры существенно влияют на качество и надёжность автоматизированных технологических процессов.
Развитие силовой электроники и микроэлектроники оказало плодотворное влияние на разработки в области электропривода и автоматики. Современный автоматизированный электропривод включает в себя системы управления и регулирования с высоким уровнем организации и одновременно сам является подсистемой в иерархической структуре автоматизации.
Возросшие требования к скорости и точности, выполняемых электроприводом движений, необходимость обеспечить взаимную связь одновременных движений нескольких рабочих органов машины или ряда агрегатов технологической цепи при оптимальных показателях и заданных ограничениях существенно усложнили функции управления электроприводом.
1. Определение структуры и параметров объекта управления
В состав объекта управления входят широтно-импульсные преобразователи и двигатель постоянного тока 4ПФ112L – 3,55кВт – 425 мин –1 с параметрами:
номинальная
мощность
кВт,
номинальный
ток якоря
А,
КПД
,
номинальная
частота вращения
мин –1,
напряжение
в якорной цепи
В,
напряжение
в обмотке возбуждения
В,
момент
инерции на валу двигателя
кгм2,
номинальный
момент
Нм,
номинальный
ток возбуждения
А.
Двигатель типа 4ПФ предназначен для
привода механизма главного движения
станков с ЧПУ, гибких производственных
систем и роботизированных производственных
комплексов. Двигатель поставляется со
встроенными тахогенераторами типа
ТП80-20-0,2 и датчиками тепловой защиты –
терморезистором типа СТ 14-1Б. Двигатель
выдерживает нагрузку по току при
номинальной частоте вращения
в течении
и
в течении
;
при максимальной частоте вращения –
в течении
.
[2]
Суммарный момент инерции, приведённый к валу двигателя:
кгм2
Сопротивление якорной обмотки:
[4]
тогда
Ом
Постоянная двигателя
Вс

где
Вс/Вб
тогда
Вб
Номинальная угловая скорость вращения:
с –1
Максимальная скорость вращения:
с–1
Индуктивность рассеяния якорной цепи двигателя вычислим по приближённой формуле Уманского-Линвилля: [1]
Гн =
мГн [1]
Учитывая индуктивность трансформатора и сглаживающих дросселей, полная индуктивность
Гн
Электромагнитная постоянная времени:
с
Максимальный момент при максимальной скорости и номинальном потоке:
Нм
Определим во сколько раз можно уменьшить
поток, чтобы момент развиваемый двигателем
не снизился меньше чем
Нм

С учётом запаса зададимся максимальным снижением потока в 2 раза, тогда:
Нм
Тогда максимально возможная скорость:
с–1
Принимаем
с-1
Найдём количество витков в обмотке возбуждения:

Сопротивление цепи возбуждения:
Ом
2. Расчёт параметров элементов структурной схемы
В качестве исходной структурной схемы выберем двухконтурную систему ЭП (рис.1).
Будем настраивать на технический оптимум контур тока и скорости
Контур тока.

Ом
следовательно, требуется ПИ-регулятор тока.
Контур скорости.


Контур тока возбуждения.

Ом
следовательно, требуется ПИ-регулятор тока возбуждения.




Uвых
Uвх
10
8
1,25
Рис.2. Характеристика задающего звена.
На вход звена, изображённого на рис. 2 приходит сигнал рассогласования (Uze-Eя).
При
,
(Uze-Eя)>0 и на выходе нелинейного элемента
идёт задание на номинальный ток
возбуждения. При
,
(Uze-Eя)<0 и Uztv уменьшается
в зависимости от Eя. Так
как ток возбуждения уменьшается, то и
магнитный поток обмотки возбуждения
уменьшается, а следовательно скорость
увеличивается.
Выбор элементов контура тока якоря.
В качестве датчика тока якоря выбираем
ДТХ–50. На вход этого датчика можно
подавать
.
При этом он выдаёт на выходе
.
Так как
и является максимальным значением, то
при
мы имеем
.
Тогда
.
Изобразим ПИ–РТЯ.

Рис.9. Принципиальная схема ПИ–РТЯ.
В качестве ОУ выбираем прецизионный ОУ типа КР140УД17А [3].
Он имеет следующие параметры:

В начальное значение времени необходимо обнулить интеграторы. Для этого будим использовать аналоговый ключ типа КР590КН2, который содержит в себе два ключа. Пусть
,
тогда

Используя [3] выбираем резисторы, конденсатор и стабилитрон, а также пользуясь стандартным рядом Е96.

Выбор элементов контура скорости.
Двигатель 4ПФ112L поставляется со встроенным тахогенератором типа ТП80-20-0.2.
Его параметры:
Крутизна выходной характеристики
.
Номинальная скорость вращения
.
Максимальная скорость вращения
.
В нашем случае при
напряжение на выходе тахогенератора:
.

Изобразим принципиальную схему П-РС.




























VD1
R7
R2
R3
С1
+Uус
+Uyтя




R1
BR




-

+
Рис.10. Принципиальная схема П–РС
Нам нужно получить
.
Для этого мы поменяем полярность
тахогенератора и поставим делитель
напряжения на резисторах


П–РС реализуем на ОУ типа КР140УД17А.
Пусть
,
тогда

Выбор элементов ПИ-РТВ.
Изобразим ПИ-РТВ.

Рис.11. Принципиальная схема ПИ–РТВ.
В качестве датчика тока возбуждения выбираем датчик тока ДТХ–25, принцип действия которого основан на эффекте Холла.
При
(номинальные значения).

У нас
.
При этом мы должны получить
.
.
Для ПИ-РТВ используем ОУ типа КР140УД17А.
Выбираем
.

Выбираем:

3. Выбор элементов задатчика тока возбуждения
Контур регулирования потока состоит из датчика ЭДС на сопротивлениях R18,R19,L1M1 гальванически развязывающего операционного усилителя DA1 типа ISO16p.
Сопротивление цепочки R18,R19,L1M1
выбираются исходя из того чтобы на вход
микросхемы DA1 подавалось
напряжение 200 мВ при максимальной
скорости вращения двигателя
.
Учитывая, что на выходе DA1
максимальное напряжение составляет
В
коэффициент усиления выбираем 8,тогда

Примем Uze=10В и реализуем вычитатель на ОУ КР140УД17А. Он вырабатывает на выходе сигнал рассогласования (Uze-Eя).
При R1=R3 и
R2=R4 нам требуется
.
Тогда
Это значение мы имеем при максимальном
рассогласовании.
Задаёмся
,
тогда

Выбираем:

Изобразим принципиальную схему задатчика тока возбуждения.

Рис.12. Принципиальная схема задатчика тока возбуждения.
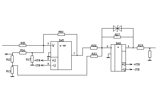
Итак, данный сигнал рассогласования теперь поступает на вход нелинейного элемента, который имеет характеристику рис.2, т.к. сигнал Uze поступает на вход ПИ–РТВ в инвертном виде. Эта характеристика показана на рис.2.
Для синтеза такой характеристики используем ограничитель на ОУ типа КР140УД8А.
Допустим, что ветвь, связывающая Uсм
со входом ОУ через R23
отсутствует, а к ОУ присоединены:
стабилитрон КС150А с
и резисторы R22 и R27.
Выбираем:

Тогда DA8 будет работать, как ограничитель, если поставить на выходе DA8 делитель R29,R30 т.к. стабилитронов на 1В нет.
Выбираем:

Выбираем:

4. Разработка конструкции блока управления
При разработке конструкции блока управления необходимо учитывать ряд факторов, влияющих на конструктивное исполнение блока. Будем считать, что плата модуля управления входит в общий блок системы управления, т.е. является отдельным её модулем. Модуль управления вставляется в общий блок по направляющим, позволяющим точно совместить разъём с ответной частью. Для удобства монтажа на передней панели предусмотрена ручка.
Блок управления сконструирован на печатной плате из текстолита фольгированного марки СФ1 ГОСТ10316-78.
Размеры печатной платы выбраны исходя
из размещения на ней всех элементов.
Сначала были расположены все элементы
с соответствующими им размерами. И,
исходя из того, какую площадь они
занимают, были выбраны размеры платы
из ряда стандартных размеров. Площадь
платы составляет
.
Размеры элементов были выбраны в соответствии со стандартными размерами [5].
Ниже приведены эти элементы и их размеры [5].
Резистор.
В схеме присутствуют два вида резисторов С2–23 с разной номинальной мощностью.
|
Тип резистора |
Номинальная мощность |
Размеры, мм |
||
|
D |
L |
L1 |
||
|
С2–23 |
0.125 |
2 |
6 |
20 |
|
1 |
6.6 |
13 |
25 |

Конденсаторы.
В схеме присутствуют три вида конденсаторов К73–9, К73–17 и К10–17.
|
Тип конденсатора |
Размеры, мм |
||||
|
L |
B |
H |
l |
A |
|
|
К73–9 |
20 |
8 |
11 |
25 |
12.5 |
|
К73–17 |
18 |
8.5 |
19 |
25 |
15 |
|
К10–17 |
6.8 |
4.6 |
5.5 |
20 |
2.5 |

Микросхемы.
В схеме присутствуют три вида микросхем: операционные усилители (КР140УД17А и КР140УД8А), а так же логический ключ (КР590КН2).
|
Тип |
Корпус |
Размеры, мм |
|||||
|
n |
D |
E |
l |
A |
e |
||
|
КР140УД17А |
2101.8-2 |
8 |
12 |
7.5 |
7,5 |
5 |
2.5 |
|
КР140УД8А |
201.8-1 |
8 |
12 |
7.5 |
5 |
5 |
2.5 |
|
КР590КН2 |
238.16-8 |
16 |
20 |
7.5 |
5 |
5 |
2.5 |

Для уменьшения токов утечки по поверхностям платы её необходимо покрыть с двух сторон лаком, например типа К-47.
Напряжение питания схем, сигналы с датчиков, выходные сигналы регуляторов подаются и снимаются со схемы посредством разъёма типа СНО51–30/59*9Р–2.
Список литературы
В.И. Ключев Учебное пособие по курсу теория автоматизированного электропривода М. 1978.
И.П. Копылов Справочник по электрическим машинам М. 1988.
М.Ю. Масколенков, Е.А. Соболев Справочник разработчика и конструктора РЭА. Элементная база. М. 1996.
В.А. Елисеев, А.В. Шинянский Справочник по автоматизированному электроприводу М.1983.
А.И. Горобец, А.И. Степаненко, В.М. Коронкевич. Справочник по конструированию радиоэлектронной аппаратуры. Печатные узлы. Киев 1985.