Разработка устройства лазерного дистанционного управления
Курсовой проект
Разработка устройства лазерного дистанционного управления
по дисциплине
«Оптоэлектронные и квантовые приборы и устройства»
Чита 2009
Содержание
Введение
Техническое задание на курсовой проект
Описание и принцип работы схемы
Графические материалы
Справочные данные элементов
4.1 Фотодиод ФД256
4.2 Светодиод АЛ307ГМ
4.3 КП501А
4.4 IRF840
4.5 Цифровая микросхема К561ТМ2
4.6 К561
4.7 Корпус прямоугольный пластмассовый типа DIP14
4.8 Корпус прямоугольный пластмассовый типа SOIC-14
Расчеты
Заключение
Список литературы
Введение
Источник света в лазерной указке — полупроводниковый лазер — формирует узкий, почти не расходящийся луч. Диаметр создаваемого указкой яркого светового пятна даже на расстоянии в несколько десятков метров не превышает нескольких сантиметров. Это дает возможность дистанционно управлять несколькими приборами независимо, не применяя для этого никакого кодирования сигналов, а просто наводя луч указки на нужный фотоприемник. Сделать это с помощью обычных ИК излучающих диодов или ламп накаливания практически невозможно.
1. Техническое задание на курсовой проект
Разработать устройство, срабатывающее при освещении фотоприемника-светодиода лазерной указкой с расстояния до 3 м. (Лазерное дистанционное управление).
Параметры данного устройства:
Напряжение 12В.
Необходимо рассчитать:
- Фототок фотодиода ФД256,
- Световой поток фотодиода ФД256,
- Световой поток светодиода АЛ307ГМ,
- Телесный угол светодиода АЛ307ГМ,
- Полный световой поток светодиода АЛ307ГМ,
- Яркость светодиода АЛ307ГМ,
- Светимость светодиода АЛ307ГМ,
- Потребляемую мощность одного светодиода АЛ307ГМ,
- Рассчитать транзисторы,
- Рассчитать делители напряжения.
2. Описание и принцип работы схемы
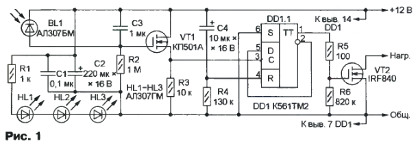
Схема приемника подаваемых лазерной указкой сигналов показана на рис. 1.
В качестве фотодиода BL1 применен обыкновенной светодиод АЛЗО7БМ, обладающий достаточной чувствительностью к лазерному излучению.
На транзисторе VTI собран истоковый повторитель.
Конденсатор С3 защищает от помех.
Счетный триггер DD1.1 изменяет свое состояние при каждом положительном перепаде уровня напряжения на входе С.
Когда уровень на прямом выходе триггера высокий, поступающее с него напряжение открывает полевой транзистор VT2, управляющий нагрузкой, включенной в цепь стока транзистора. Цепь С4R4 служит для установки триггера при включении питания в состояние с низким уровнем на прямом выходе. Это гарантирует, что после неожиданного перерыва в подаче питания транзистор VT2 будет закрыт, а нагрузка не включится "сама собой".
На рис. 2 изображена односторонний печатная плата устройства, которую можно изготовить из фольгированного стеклотекстолита толщиной 1.5...2 мм.
Размеры печатной платы: 30*45 мм.
Напряжение 12 В подают от любого стабилизированного сетевого источника, гальванической или аккумуляторной батареи. Ток, потребляемый собственно прибором, очень невелик. Полевой транзистор VT2 указанного на схеме типа позволяет управлять нагрузкой, потребляющей ток до 8 А при напряжении до 500 В. Естественно для такой нагрузки потребуется отдельный источник питаний. Если это сеть переменного тока, то участок сток—исток полевого транзистора включают в разрыв цепи нагрузки через диодный выпрямительный мост на соответствующее напряжение и ток, обеспечивающий нужную полярность коммутируемого транзистором напряжения: плюс — на стоке, минус — на истоке, при токе нагрузки более 1.5А транзистор VT2 следует снабдить теплоотводом. Если достаточно управлять нагрузкой небольшой мощности, то и транзистор VT2 монет быть менее мощным.
Светодиоды HL1— НL3 нужны для удобства "прицеливания" в темном помещении. Их располагают в вершинах небольшого равностороннего треугольника вокруг фотоприемника BL1. Чтобы включить нагрузку, достаточно "чиркнуть " по фотоприемнику лучом указки. Такая же повторная операция отключит нагрузку.
Устройство уверенно
срабатывает при освещении
фотоприемника-светодиода лазерной
указкой с расстояния до 3м, не реагируя
на обычное дневное
освещение и на сравнительно слабое ИК
излучение стандартного ПДУ (если конечно,
не подносить пульт вплотную к
фотоприемнику). Если такой дальности
действия недостаточно, можно заменить
светодиод более чувствительным
"настоящим”
фотодиодом,
например,
ФД25Б. Дальность возрастет как минимум
до 5м.
3. Графические материалы
Принципиальная схема устройства

Рис. 1. Принципиальная схема
Рисунок печатной платы

Рис. 2. Печатная плата устройства
Размещение элементов на печатной плате

Рис. 3. Размещение элементов на печатной плате
4. Справочные данные элементов
4.1 Фотодиод ФД256
Фотодиодом называют полупроводниковый диод, в котором под действием падающего на него светового потока образуются подвижные носители зарядов, создающие дополнительный ток (фототок) через обратно смещенный р-п переход.
Полупроводниковый фотодиод – это полупроводниковый диод, обратный ток которого зависит от освещенности.
Величина, на которую возрастает обратный ток, называется фототоком.
Свойства фотодиода можно охарактеризовать следующими характеристиками.
а) вольт-амперная характеристика фотодиода представляет собой зависимость светового тока при неизменном световом потоке и темнового тока I>темн >от напряжения.
б) световая характеристика фотодиода, то есть зависимость фототока от освещенности, соответствует прямой пропорциональности фототока от освещенности. Это обусловлено тем, что толщина базы фотодиода значительно меньше диффузионной длины неосновных носителей заряда. То есть практически все неосновные носители заряда, возникшие в базе, принимают участие в образовании фототока.
г) спектральная характеристика фотодиода – это зависимость фототока от длины волны падающего света на фотодиод. Она определяется со стороны больших длин волн шириной запрещенной зоны, при малых длинах волн большим показателем поглощения и увеличения влияния поверхностной рекомбинации носителей заряда с уменьшением длины волны квантов света. То есть коротковолновая граница чувствительности зависит от толщины базы и от скорости поверхностной рекомбинации. Положение максимума в спектральной характеристике фотодиода сильно зависит от степени роста коэффициента поглощения.
д) постоянная времени – это время, в течение которого фототок фотодиода изменяется после освещения или после затемнения фотодиода в е раз (63%) по отношению к установившемуся значению.
е) темновое сопротивление – сопротивление фотодиода в отсутствие освещения.
ж) интегральная чувствительность
K = I>ф>/Е,
Где I>ф> – фототок,
– освещенность.
Основные параметры:
Iтемн - Темновой ток
Sинт - Интегральная токовая чувствительность
Uном - Номинальное рабочее напряжение
|
Наименование |
Iтемн., мкА |
Sинт., мкА/лк |
Uном., В |
|
ФД256 |
0,005 |
0,6 |
10 |

Важная особенность фотодиодов – высокое быстродействие. Они могут работать на частотах до нескольких миллионов герц. Фотодиоды обычно изготовляют из германия или кремния.
Фотодиод является потенциально широкополосным приемником. Этим и обуславливается его повсеместное применение.
4.2 Светодиод АЛ307ГМ
Светодиоды, или светоизлучающие диоды (СИД, в английском варианте LED — light emitting diode)— полупроводниковый прибор, излучающий некогерентный свет при пропускании через него электрического тока. Работа основана на физическом явлении возникновения светового излучения при прохождении электрического тока через p-n-переход. Цвет свечения (длина волны максимума спектра излучения) определяется типом используемых полупроводниковых материалов, образующих p-n-переход.
Диоды светоизлучающие, с рассеянным излучением, эпитаксиальные. Изготовляются на основе соединений галлий-алюминий-мышьяк и фосфида галлия.
А- арсенид галлия,
Л – индикатор,
307 – номер разработки,
Масса диода не более 0,35 г.
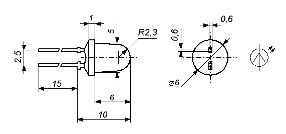
Выпускаются в пластмассовом корпусе с гибкими выводами.
Корпус диодов АЛ307хМ:

Рис. 4. Корпус диодов АЛ307хМ
Электрические и световые параметры
Цвет свечения:
АЛ307ГМ. . . . . . . . зеленый
Сила света, не менее:
АЛ307ГМ. . . . . . . . 1,5 мкд
Длина волны излучения в максимуме спектральной плотности:
АЛ307ГМ . . . . . . . . 0,566 мкм
Постоянное прямое напряжение, не более:
АЛ307ГМ. . . . . . . . 2,8 В
Предельные эксплуатационные данные
Постоянное обратное напряжение
АЛ307ГМ. . . . . . . . 2 В
Постоянный прямой ток:
АЛ307ГМ . . . . . . . . 22 мА
Температура окружающей среды
АЛ307ГМ. . . . . . . . -60 ... +70 °С
4.3 КП501А
ZVN2120 высоковольтный полевой МОП-транзистор, используемый в качестве ключа для аналоговых средств связи.
|
Структура: |
N-FET |
|
Максимальное напряжение сток-исток Uси,В: |
240 |
|
Максимальный ток сток-исток при 25 С Iси макс.,А: |
- |
|
Максимальное напряжение затвор-исток Uзи макс.,В: |
1 |
|
Сопротивление канала в открытом состоянии Rси вкл.,мОм: |
- |
|
Максимальная рассеиваемая мощность Pси макс.,Вт: |
0.5 |
|
Крутизна характеристики S,мА/В: |
100 |
|
Корпус: |
TO-92 |
|
Производитель: |
Россия |


Рис. Выходная характеристика

4.4 IRF840
|
Структура: |
N-канал |
|
Максимальное напряжение сток-исток Uси,В: |
500 |
|
Максимальный ток сток-исток при 25 С Iси макс..А: |
8 |
|
Сопротивление канала в открытом состоянии Rси вкл.,мОм: |
850 |
|
Особенности: |
- |
|
Корпус: |
TO220AB |
|
Крутизна характеристики S,мА/В: |
4900 |
|
Максимальное напряжение затвор-исток Uзи макс.,В: |
4 |
|
Максимальная рассеиваемая мощность Pси макс..Вт: |
125 |



4.5 Цифровая микросхема К561ТМ2
Из многочисленных серий цифровых микросхем на полевых транзисторах наибольшее распространение получили серии микросхем КНОП. Сокращение КПОП – это начальные буквы четырех слов из полного определения: комплементарные полевые транзисторы со структурой металл – окисел – полупроводник. Слово комплементарный переводится как взаимно дополняющий. Так называют пару транзисторов, сходных по абсолютным значениям параметров, но с полупроводниковыми структурами, взаимно отображенными как бы в виде негатива и позитива. В биполярной схемотехнике - это транзисторы n-p-n и p-n-p, в полевой p-канальные и n-канальные.
Микросхема К561ТМ2 используется для измерительных устройств, систем связи, вычислительной техники, других устройств обработки цифровой информации.
Микросхема К561ТМ2 содержит два D-триггера, два входа асинхронного управления: R и S(рис. )
Триггер переключается по положительному перепаду на тактовом входе С, при этом логический уровень, присутствующий на входе D, передается на вход Q.
Входы сброса R и установки S триггера независимы от тактового входа С и имеют высокие активные уровни.

Uи.п. – напряжение питания,
Q,
– окончательные выходные уровни (Q=B
или H
=H
илиB)
после прихода тактового импульса
(перепада),
С – вход тактовых импульсов,
R - асинхронный сброс данных триггера,
D – вход данных триггера,
S – установка триггера.
Рис. . Цоколевка
4.6 К561
|
Uп, В |
U |
U |
Uп max, B |
tзд, мс |
Рпотр, мВт |
|
+3-+15 |
Uп |
0.01 |
2.5 |
160 |
10 |
Uп – напряжение питания,
U
вых
– выходное напряжение логической 1,
U
вых
- выходное напряжение логического 0,
Uп max – наибольшее значение напряжения на входе МС, при котором не происходит изменение уровня выходного напряжения,
tзд- интервал времени между фронтом входного и выходного импульсов,
Рпотр – потребляемая мощность,
Подробное описание марки:
|
Корпус |
201.14-1 |
|
ЗНАЧЕНИЯ ОСНОВНЫХ ПАРАМЕТРОВ приведены в НКУ при Uпит. |
10В |
|
Максимальное выходное напряжение низкого уровня, В, не более |
1.0 |
|
Максимальное выходное напряжение высокого уровня, В, не менее |
9.0 |
|
Входной ток низкого и высокого уровня, мкА, не более |
0.3 |
|
Выходной ток низкого уровня, мА, не менее |
0.9 |
|
Выходной ток высокого уровня, мА, не менее |
0.6 |
|
Ток потребления, мкА, не более |
20.0 |
|
Задержка сигнала при выключении, нс, не более |
150.0 |
|
Задержка сигнала при включении, нс, не более |
150.0 |
|
Входная ёмкость, пФ, не более |
10.0 |
Электрические параметры микросхемы:
|
U0>вых>, В, не более |
0.05 |
|
U1>вых>, В, не менее |
9.95 |
|
Входной ток, мкА |
±0.1 |
|
Ток потребления (макс) в состоянии покоя, мкА |
0.01 |
|
Выходной ток, мА |
0.9 |
Предельно допустимые электрические режимы эксплуатации:
|
Напряжение источника питания |
3...18 |
В |
|
Входное напряжение |
2.5...18.5 |
В |
|
Мощность рассеяния на один корпус |
700 |
мВт |
|
Рабочая температура окружающей среды |
-40...+85 |
°С |
Временные и частотные пареметры при U>n>=10В:
|
Время задержки фронта импульса |
80 |
нс |
|
Длительность фронта импульса |
50 |
нс |
|
Минимальная длительность тактового импульса |
40 |
нс |
|
Минимальный фронт тактового импульса, макс |
10 |
нс |
|
Минимальное время установки |
15 |
нс |
|
Максимальная тактовая частота |
12.5 |
МГц |
|
Uи.п. |
I |
I |
U |
U |
I |
I |
I |
I |
|
+3…+15 |
-0.05 |
1 |
2.9 |
7.2 |
6 |
6 |
0.6 |
0.25 |

Зарубежный аналог К561ТМ2 – CD4013
К- для аппаратуры широкого применения,
5- группа по технологическому признаку (полупроводниковые),
61 – номер разработки в серии
ТМ2- функциональная подгруппа (два D – триггера).
Тип логики: КМОП-логика
Вывод 7 - общий; вывод 14 - +U>и.п.>
4.7 Корпус прямоугольный пластмассовый типа DIP14

4.8 Корпус прямоугольный пластмассовый типа SOIC-14

5. Расчеты
Фототок рассчитывается как:
I>ф =К*Е,>
Рассчитаем фототок в трех случаях:
при дневном освещении (Е1=300 лк) ,
при ночном освещении (Е2=0.25 лк),
при освещении фотодиода лазерной указкой (Е3=7000 лк).
Iф1=К*Е1=0.6 мкА/лк*300 лк=180 мкА,
Iф2=К*Е2=0.6 мкА/лк*0.25 лк=0.15 мкА,
Iф3=К*Е3=0.6 мкА/лк*7000 лк=4200 мкА.
Рассчитаем световой поток:
Ф=Е*S,
Где Е – освещенность,
S – площадь поверхности на которую падает световой поток.
S=
=4*3,14*(2*10
)
=50.24*10
м
,
Ф1=Е1*S=300
лк
*50.24*10
м
=15.072
млм,
Ф2=Е2*S=0.25
лк *50.24*10
м
=12.56
мклм,
Ф3=Е3*S=7000
лк *50.24*10
м
=351.68
млм.
Рассчитаем мощность:
Р=U*Iф,
P1= U*Iф1=10В*180 мкА=1.8 мВт,
P2= U*Iф2=10В*0.15 мкА =1.5 мкВт,
P3= U*Iф3=10В*4200 мкА =42 мВт.
Фотодиод BL1 и резистор R2 представляют собой делитель напряжения.
Напряжение Uпит=12В.
Необходимо рассчитать напряжение на R2.
Сначала рассчитаем сопротивление фотодиода (в трех случаях):
R ф1=Uфотодиода/I ф1=10 В/180 мкА=55.55 кОм,
R ф2=Uфотодиода/I ф2=10 В/0.15 мкА=66.66 МОм,
R ф3=Uфотодиода/I ф3=10 В/4200 мкА=2.3 кОм.
Ток через сопротивления Rф и R2, будет равен:
I=Uпит/(R ф+R2),
R2=1 МОм
I Rф1 и R2=12 В/(55.55 кОм +1МОм)=11.3 мкА,
I Rф2 и R2=12 В/(66.66 МОм +1МОм)=0.2 мкА,
I Rф3 и R2=12 В/(2.3 кОм +1МОм)=11.972 мкА.
Напряжение на сопротивлении R2 будет равно:
U21=I Rф1 и R2*R2=11.3 мкА*1МОм=11.3 В,
U22=I Rф2 и R2*R2=0.2 мкА *1МОм=0.2 В,
U23=I Rф3 и R2*R2=11.972 мкА *1МОм=11.972 В.
По выходной характеристике полевого транзистора КП501А рассчитаем значения напряжений при которых он открыт или закрыт.
В ключевых схемах ПТ управляется двумя уровнями Uзи: при одном он закрыт, а при другом открыт. В открытом состоянии рабочая точка обычно находится на крутом участке ВАХ для заданного Uзи.
На стокзатворной (входной) характеристике выбираем линейный участок и рабочую точку.

Рис. Входная характеричтика
Согласно характеристике:
Uзи min=3В,
Uзи max=4В.
Теперь на стоковой (выходной) характеристике отметим:
Напряжение питания Uпит.=12 В,
Uпит/Rн=12В/100 Ом=0.12 А.

Рис. .Выходная характеристика
Согласно характеристике:
При Uси=6 В транзистор открыт,
При Uси=10 В транзистор закрыт.
Uси от 0 В до 6 В – напряжение насыщения транзистора.
Uси от 10 В до 12 В – приращение напряжения транзистора.
Так как светодиод является полупроводниковым прибором, и пропускает электрический ток только в одном направлении, то при включении в цепь необходимо соблюдать полярность. Светодиод имеет два вывода, один из которых катод ("минус"), а другой - анод ("плюс").

Зависимости тока от напряжения при прямом (синяя кривая) и обратном (красная кривая) включениях показаны на следующем рисунке. Не трудно определить, что каждому значению напряжения соответствует своя величина тока, протекающего через диод. Чем выше напряжение, тем выше значение тока (и тем выше яркость). Для каждого светодиода существуют допустимые значения напряжения питания Umax и Umaxобр (соответственно для прямого и обратного включений). При подаче напряжений свыше этих значений наступает электрический пробой, в результате которого светодиод выходит из строя. Существует и минимальное значение напряжения питания Umin, при котором наблюдается свечение светодиода. Диапазон питающих напряжений между Umin и Umax называется "рабочей" зоной, так как именно здесь обеспечивается работа светодиода.

Светодиоды относятся к такому типу электронных компонентов которому, для долгой и стабильной работы, важно не только правильное напряжение, но и оптимальная сила тока - так что всегда, при подключении светодиода, нужно их подключать через соответствующий резистор.
Светодиод будет светить только при прямом включении.
При обратном включении светодиод светить не будет. Более того, возможен выход из строя светодиода при малых допустимых значениях обратного напряжения.
Рассчитаем ток в цепи со светодиодами:
I=(Uпит-(Uпрямое напряжение светодиода*3))/R,
I=(12 В-2.8В*3)/100 Ом=0.036 А=36 мА
C помощью резистора R1 можно регулировать яркость светодиодом, а также данный резистор используется для надежности.
Рассчитаем мощность одного светодиода:
P=U*I=2.8*0.022=0.0616 Вт=61.6 мВт.
Рассчитаем телесный угол:
Ω=2π (1 — cos(θ/2)),
Ω=2π (1 — cos(10/2))= 2*3.14 (1 — cos(10/2))=0.0238 ср
Где θ – угол раскрыва диаграммы направленности излучения.
Рассчитаем световой поток:
Ф= I>v> × Ω,
Ф=1500 мккд*0.0238=34.5 мклм
Где I>v> — сила света светодиода.
Рассчитаем полный световой поток:
Ф0=4*
*
I>v,>
Ф0=4*3.14*1500 мккд=18.8 млм
Рассчитаем яркость:
В
=I/S*cos
,
Пусть cos
=1,
тогда
В
=1500
мккд/4*3.14*(3*10
)
=13.3
кд/м
Цепь R5-R6 представляет собой делитель напряжения.
Напряжение на ножке №1 микросхемы
К561ТМ2 U
вых=7.2
В.
Ток через сопротивления R5 и R6, будет равен:
I=U/(R5+R6)
R5=100 Ом
R6=820 кОм
I=7.2/(100+820000)=8.779 мкА
I=8.779 мкА
Напряжение на сопротивлении R6 будет равно:
U6=I*R6
U6=8.779 мкА * 820 кОм=7.1 В
В ключевых схемах ПТ управляется двумя уровнями Uзи: при одном он закрыт, а при другом открыт. В открытом состоянии рабочая точка обычно находится на крутом участке ВАХ для заданного Uзи.
Т.к. напряжение на R5 составляет 0.1 В, заменим резистор R5 на резистор с большим сопротивлением так, чтобы на резисторе R6 было напряжение 4 В.
I=U/R6=7,2 В/820 кОм=4.8 мкА,
R5=U/I-R6=7,2В/4.8 мкА-820 кОм=656 кОм.
Рассчитаем мощность транзистора:
Р=U*I=4 В*4.8 мкА=19.2 мкВт.
Заключение
В данной работе представлены справочные материалы по:
- ФД256 (фотодиод),
- АЛ307ГМ (светодиод),
-К501А (полевой транзистор),
-IRF840 (полевой транзистор),
-К561ТМ2 (цифровая микросхема).
В данной работе были рассчитаны:
- Фототок фотодиода ФД256,
- Световой поток фотодиода ФД256,
- Световой поток светодиода АЛ307ГМ,
- Телесный угол светодиода АЛ307ГМ,
- Полный световой поток светодиода АЛ307ГМ,
- Яркость светодиода АЛ307ГМ,
- Светимость светодиода АЛ307ГМ,
- Потребляемую мощность одного светодиода АЛ307ГМ,
- Рассчитать транзисторы,
- Рассчитать делители напряжения.
Список литературы
Журнал Радио №8 2006, стр. 55
Масленников М.Ю., Соболев Е.А., Соколов Г.В., Справочник разработчика и конструктора РЭА. Элементная база. Книга 1.
Шило В.Л. Популярные цифровые микросхемы, М.,Изд. “Радио и связь”,1987
Першин В.Т. Основы радиоэлектроники и схемотехники: учебное пособие для студентов вузов/ В.Т. Першин.– Ростов н/Д: Феникс, 2006.– 544
Гребнев А.К. и др. Оптоэлектронные элементы и устройства/ А.К. Гребнев, В.Н. Гридин, В.П. Дмитриев; Под. ред. Ю.В. Гуляева.– М.: Радио и связь, 1998. – 336 с.: ил.
Пасынков В.В., Чиркин Л.К. Полупроводниковые приборы: Учебник для вузов. 7-е изд., испр.– Спб.: Лань, 2003. – 480 с.: ил.
Мусаев Э.С. Оптоэлектронные устройства на полупроводниковых излучателях. – М.: Радио и связь, 2004. –208 с.: ил.
