Расчет кардиографа
Реферат
Страниц 22, рисунков 12.
Объект проекта - электрокардиограф,
В курсовом проекте был рассмотрен расчет АЦП, ФНЧ и ФВЧ, операционного усилителя и синтез логического узла. Были определены следующие параметры: число разрядов АЦП, общий объем памяти по всем отведениям, число корпусов.
ЦИФРОВОЙ КАРДИОМЕТР, ВХОДНОЙ УСИЛИТЕЛЬ, ФИЛЬТР НИЖНИХ ЧАСТОТ, ФИЛЬТР ВЕРХНИХ ЧАСТОТ, ЛОГИЧЕСКИЙ УЗЕЛ, СХЕМА ЦИФРОВЫХ КОДОВ.
Содержание
Введение
1. Назначение и структура кардиографа
1.1 Принцип работы кардиографа
1.2 Общая структурная схема кардиографа
2. Расчёт блоков кардиографа
2.1 Схема выбора цифровых кодов элементов ЭКГ (ВЦК)
2.2 Расчёт фильтров НЧ И ВЧ
2.2.1 Рассчитаем фильтр низких частот Баттерворта третьего порядка с данными параметрами:
2.2.2 Рассчитаем фильтр верхних частот Баттерворта третьего порядка с данными параметрами:
2.3 Входной усилитель (на операционном усилителе)
2.4 Расчет АЦП
2.4.1 Находим необходимое число разрядов кода n>m> из условий заданной точности
2.4.2 Разработка общих параметров многоканального цифрового кардиографа
2.4.3 Расчет количества ИМС ОЗУ
2.5 Синтез логического устройства и его реализация
Выводы
Список литературы
Введение
Современные достижения физики, микроэлектроники и вычислительной техники произвели подлинную техническую революцию в методах исследования и построения медицинской аппаратуры для диагностики и терапии. Развитие оптических квантовых генераторов, интегральной схемотехники, средств хранения, отображения и обработки информации с использованием микропроцессорной техники, разработка новых сенсорных элементов и новых технологий определило существенный скачек по внедрению в медицинскую практику значительного числа новых электронных приборов и методов обработки информации.
Методами регистрации электрических сигналов исследуется сопротивление кожных покровов, полное сопротивление тканей, показатели дыхания, артериальное давление, пульсации вен, насыщение крови кислородом, состояние мозга, механические процессы в организме и другие явления.
Разработка ультразвуковых (УЗ), инфракрасных (ИК) приборов, а также приборов сверхвысокочастотных (СВЧ) и крайне высокочастотных (КВЧ) диапазонов расширила терапевтические и диагностические возможности медицинской аппаратуры. Тенденции развития современных медицинских аппаратов отражается в разработке и использовании многоканальных комбинированных приборов с автоматической цифровой обработкой и документированием информации на компьютерах.
Развитие научного и медицинского приборостроения позволяет значительно расширить возможности врачей путем измерения физических полей и излучений человеческого организма. Вот некоторые величины таких полей:
Оптическое излучение 10-12 Вт/см2
Акустическое излучение 10-11 Вт/см2∙МГц
Индукция магнитного поля 10-12 Тл
Инфракрасное излучение 10-3 Вт/см2
СВЧ излучение 10-11 Вт/см2∙ГГц
Напряжение электрического поля 10-5 Вт/см2
Среди большого числа разных приборов получения диагностической информации значительную часть занимают приборы, которые используют биоэлектрические сигналы. Эти сигналы имеют величину и обычно сопровождаются шумами наведением. Для управления приборами обработки информации эти сигналы необходимо усилить до значения нескольких вольт.
Усилители биоэлектрических сигналов применяются при исследовании биоэлектрической активности с последующим графическим отображением исследуемых колебаний или регистрацией их на магнитных носителях с целью последующей машинной обработки и анализа накопленной информации.
Электрические потенциалы возникают не только в нервных тканях и скелетных мышцах, но и во многих других органах и тканях: головном мозге, сетчатке глаза, костном мозге, железах внутренней и внешней секреции (потовых, слюнных, желудочно-кишечных).
1. Назначение и структура кардиографа
1.1 Принцип работы кардиографа
Электрокардиография (ЭКГ) - метод исследования электрической активности сердца. Электрические процессы сердца охватывают диапазон 0,15…300 Гц при уровне сигналов, отводимых с поверхности кожных покровов, 0,3…3 мВ.
Среди многочисленных инструментальных методов исследования состояния пациентов ведущее место справедливо принадлежит электрокардиографии.
Современные приборы ЭКГ непрерывно совершенствуются, используя успехи развития цифровой техники и разработки новых ИМС, запоминающих устройств (ЗУ) и микропроцессорных систем (МПС).
В клинической практике наиболее широко используют 12 отведении ЭКГ, запись которых обязательна при обследовании больного. Это 3 стандартных отведения, 3 усиленных однополюсных отведения от конечностей и 6 грудных отведений.
Для формирования трех усилительных однополюсных отведений, в качестве отрицательного электрода применяют объединенный электрод Гольдберга, который образуется при соединении двух конечностей через дополнительное сопротивление.
На рис.1.1 показан треугольник Эйнтховена и расположение трех осей усиленных однополюсных отведений от конечностей.



Рисунок 1.1 - треугольник Эйнтховена и расположение трех осей усиленных однополюсных отведений от конечностей
При грудных отведениях регистрируют разность потенциалов между положительным электродом, установленным на поверхности грудной клетки и отрицательным объединенным электродом Вильсона. Этот электрод образуется при соединении через дополнительные сопротивления трех конечностей (правой руки, левой руки и левой ноги), объединенный потенциал, которых близок к 0 (около 0,2 мВ).
Потенциалы грудных отведений обозначаются заглавными буквами V1…V6. Для расширения диагностических возможностей ЭКГ применяют 3 дополнительных грудных отведения V7, V8, V9 с установкой электродов на спинной левой поверхности грудной клетки. Анализ формы и амплитуды зубцов кардиограммы в различных отведениях позволяет проводить диагностику с учетом результирующего вектора желудочковой деполяризации сердца. Такую процедуру, несомненно, легче поводить по записанной на бумажную ленту многоканального ЭКГ. Любая ЭКГ состоит из зубцов, сегментов и интервалов, отражающих сложный процесс регистрации волны возбуждения по сердцу.
На кардиограмме выделяются зубцы P, Q, R, S и Т, которые могут изменятся в различных отведениях. Соотношение амплитуд зубцов позволяет определить положение вектора электрической оси сердца и величину угла α.
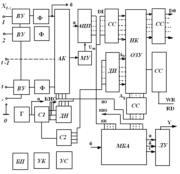
1.2 Общая структурная схема кардиографа
Многоканальный цифровой кардиометр (рис.1.2) предназначен для снятия ЭКГ одновременно по нескольким отведением, преобразования этих сигналов в цифровую форму и записи в ОЗУ для дальнейшего документирования и анализа. Особенностью МЦК является автоматическое измерение основных параметров ЭКГ и логическая обработка результатов измерений. МЦК может, выполнятся как отдельный переносной прибор, так и в виде входного блока стационарного кардиографа.

Рисунок 1.2 - Структурная схема кардиометра
Обозначение блоков кардиометра:
ВУ - входной усилитель;
КНО - код номера отведения;
Ф - фильтр нижних частот;
КИ - код информации;
НО - номер отведения;
АК - аналоговый коммутатор;
МУ - масштабный усилитель;
АЦП - аналогово-цифровой преобразователь;
Г - генератор;
С1 - счетчик-делитель отведения;
С2 - счетчик временных интервалов;
СС - схема согласования;
ДН - дешифратор номера отведения;
ДИ - дешифратор номеров интервалов;
НК - накопитель ОЗУ;
МБА - многоканальный блок анализа;
УК - узел калибровки;
УС - узел сигнализации;
ЛУ - логический узел;
БП - блок питания.
Положительные электроды отведений подключаются на l входов Х>1>>l>>,> сигналы которых усиливаются ВУ и через фильтр подаются на аналоговый коммутатор АК. В качестве фильтра нижних частот можно применять фильтр Баттерворта или другой тип такого звена. Коммутатор на АК подключает каждое из отведений с частотой f>k> = 100 Гц к АЦП, входные коды которого записываются в ОЗУ. Синхронное управление МЦК выполняется схемой синхронизации (СХС), состоящей из генератора Г задающей частоты f>зд>, счетчиков делителя С1, С2, дешифратора номеров ДН отведений и дешифратора ДН номеров временных интервалов ЭКГ. Если выбрать соотношение:
(1.1)
то при коэффициенте счета к>сч> = l на выходах дешифратора ДН будут появляться импульсы с частотой 100 Гц, которые будут переключать сигналы l отведений. Эти же импульсы управляются адресами цифровых слов отведений для записи в ОЗУ.
Счетчик С2 управляет адресом ячеек ОЗУ по временным интервалам. Он изменяет адрес строки НК после записи строки цифровых слов и всех l отведений.
2. Расчёт блоков кардиографа
2.1 Схема выбора цифровых кодов элементов ЭКГ (ВЦК)
В процессе получения ЭКГ при цифровом преобразовании сигналов от нескольких отведений возникает необходимость выделить цифровые коды, соответствующие любому отведению и необходимому элементу кардиосигнала. Такую задачу решает схема, показанная на рис.2.1

Рисунок 2.1 - Структурная схема кардиометра
Схема позволяет переключателем S1 задать необходимый элемент ЭКГ и переключателем S2 задать номер необходимого отведения. При этом на выходах логических схем совпадений DD3 - DD4 будут появляться с частотой 100 Гц параллельные цифровые коды заданного элемента ЭКГ.
На схеме DD1 выполнен шифратор номера кода отведения, подаваемая на схему сравнения кодов DD2. На другие входы этой схемы поступает непрерывно изменяющийся код номера отведений КНО. При совпадении этих кодов на входе DD2 появляются импульсы, отпирающие клапаны DD3, на которые подается параллельный входной код DI (date input) с входа АЦП. Для выбора необходимого элемента ЭКГ применена вторая группа логических схем DD4. на нее подаются импульсы необходимого элемента через переключатель S1.
Таким образом, на входе схемы появляется параллельный цифровой код D0 (date output) выбранного участка ЭКГ по заданному номеру ответвления.
Таблица 2.1
|
Схема |
Используемая микросхема |
Функциональное назначение |
|
DD1 |
К555ИВ3 |
Приоритетный шифратор 10-4. |
|
DD2 |
564ИП2 |
Четырехразрядный компаратор. |
|
DD3 |
КР530ЛИ1 |
Четыре логических элемента 2И |
|
DD4 |
КР530ЛИ1 |
Четыре логических элемента 2И. |



Рисунок 2.2 - Микросхемы К555ИВ3, 564ИП2, КР530ЛИ1
Основные электрические параметры микросхем:
К555ИВ3
U0>вых >≤ 0,5 В,
U1>вых> ≥ 2,7 В,
I0>вх>> >≤ - 0,4 мА,
I 1>вх>> >≤ 0,02 мА,
I0>пот>> >≤ 20 мА,
I1>пот>> >≤ 17 мА,
t1,0>здр> ≤ 29 нс,
t0,1>здр> ≤ 36 нс.
564ИП2
U0>вых >≤ 0,5 В,
U1>вых> ≥ 2,7 В,
I0>вх >≤ - 2 мА,
I 1>вх >≤ 0,05 мА,
I0>пот >≤ 32 мА,
I1>пот >≤ 57мА,
t1,0>здр> ≤ 5 нс,
t0,1>здр> ≤ 4,5 нс.
КР530ЛИ1
U0>вых >≤ 0,5 В,
U1>вых> ≥ 2,5 В,
I0>вх >≤ - 2 мА,
I 1>вх >≤ 0,05 мА,
I0>пот>> >≤ 32 мА,
I′>пот>> >≤ 57мА,
t1,0>здр> ≤ 7,5 нс,
t0,1>здр> ≤ 7 нс.
2.2 Расчёт фильтров НЧ И ВЧ
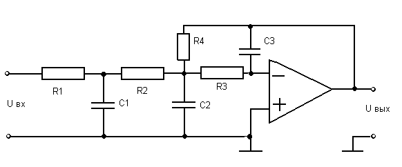
2.2.1 Рассчитаем фильтр низких частот Баттерворта третьего порядка с данными параметрами
R1 = R2 = R3 = R = 11 (кОм); R4 = 22 (кОм); fв = 200 (Гц)

Рисунок 2.3 - Фильтр нижних частот Баттерворта третьего порядка

Рисунок 2.4 - АЧХ фильтра нижних частот
Вычислим ёмкость:
;
;




2.2.2 Рассчитаем фильтр верхних частот Баттерворта третьего порядка с данными параметрами:
C1 = С2 = С3 = 11000
(пФ); С4 =
= 5500 (пФ);


Рисунок 2.5 - Фильтр верхних частот Баттерворта третьего порядка

Рисунок 2.5 - АЧХ фильтра верхних частот
Формулы для реактивных элементов:
;
;




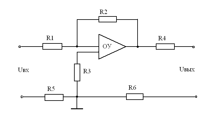
2.3 Входной усилитель (на операционном усилителе)
Предварительный входной усилитель с использованием ОУ:
U>ВХ> = 2 мВ,
R>ВЫХ >= 1 кОм,
R>ВХ >= 500 кОм,
U>ПИТ> =
В,
U>ВЫХ> = 1 В
Предварительный
усилитель с заданными входными и
выходными параметрами можно спроектировать,
исходя из справочных данных, на микросхеме
широкого применения К140УД1А с дополнительной
стабилизацией напряжения питания до
>
>,
и используя схему инвертирующего
усилителя.
Принципиальная электрическая схема приведена на рис.2.1

Рисунок 2.6 - Принципиальная электрическая схема каскада усиления на ОУ
Входное сопротивление инвертирующего усилителя на ОУ всегда выше внутреннего сопротивления ОУ и реально равно:

где
>
>- внутреннее сопротивление микросхемы,
- коэффициент передачи обратной связи
(
),
>
>- коэффициент усиления микросхемы
без обратной связи.
Для микросхемы К140УД1А (из справочника):
;

Отсюда,
усилительного каскада равно:

Для получения
заданного входного сопротивления (500
КОм), вход усилителя нужно зашунтировать
сопротивлением R3 (подключить параллельно
входу). Тогда
будет равно:

Выбирая R2 = 1100 КОм (1.1 МОм)

Выходное сопротивление реального усилительного каскада всегда меньше выходного сопротивления микросхемы:

где
- сопротивление выхода микросхемы (
>
>= 700 Ом),
- коэффициент передачи обратной связи
(
),
- коэффициент усиления микросхемы без
обратной связи.

Для получения заданного выходного сопротивления усилителя (1000 Ом), выходное сопротивление микросхемы должно быть равно:

Для получения такого выходного сопротивления микросхемы в выходную цепь микросхемы последовательно включаем резистор R4:


Резистор R4 также будет являться защитой выхода микросхемы от короткого замыкания.
Сопротивление нагрузки проектируемого усилителя по заданию составляет 500 Ом. При выходном сигнале 1 В, ток в нагрузке будет равен:


Для микросхемы К140УД1А максимальный выходной ток по справочнику составляет 3 мА, что в полтора раза превышает расчетный.
Микросхема
К140УД1А питается от двухполярного
стабилизированного источника питания
напряжением
.
Так как по заданию напряжение источника
питания
,>
>то для питания усилителя целесообразно
применить параметрические стабилизаторы
R6V1 и R7V2. Стабилитроны V1> >и V2 с
напряжением стабилизации 12 >
>13
В и током стабилизации 10 >
>20
мА. Для этого подойдут стабилитроны
КС212, КС213 или КС512, КС513.
Балластные резисторы R6 и R5 при падении напряжения на них:

обеспечивают ток порядка 15 мА (0.015 А) и имеют сопротивление равное:


2.4 Расчет АЦП
Исходные данные:
Относительная погрешность измерения γ = 2%
Верхняя частота полосы пропускания ОУ f>в> = 300;
Ожидаемое максимальное напряжение U>m >= 2 В;
Среднее напряжение помех σ>п> = 35 μВ
Напряжение сигнала на входе ОУ U>1>=3 мВ
Число отведений l = 4
Рассчитаем число разрядов АЦП
2.4.1 Находим необходимое число разрядов кода n>m> из условий заданной точности

выбираем первое большее число разрядов n>m> = 6
1) Для проверки выбора по помехам и шумам уровень собственных шумов на входе ОУ определяем по формуле:
для расчета принимаем


Уровень шума резисторов на входе:
для расчета принимаем плотность шумов для металлопленочных резисторов группы


Вычислим среднее значение помех на входе канала по формуле:

2) Определяем коэффициент усиления канала:

Определяем число разрядов АЦП с учетом помех:

принимаем n>ш> = 3. Т. к. помехи и шумы велики, то необходимо принять специальные меры по снижению их влияния.
Поэтому произведем пересчет числа разрядов с учетом коэффициента подавления помех по формуле:

Принимаем количество разрядов n>ш> = 6.
По условию точности нужно 8 разрядов. К1107 ПВ2 с 8-разрядным выходным кодом, T>прб >= 100 нс, Р>пот> = 2,5 Вт
2.4.2 Разработка общих параметров многоканального цифрового кардиографа
1) Определим число дискретных выборок m за одну секунду при цифровом преобразовании сигнала кардиограммы по одному отведению:

целесообразно выбрать так, чтобы было
удобно отсчитывать текущее время, т.е.
кратное 50 Гц.

2) Определяем число точек К>т> цифрового преобразователя приходящихся на один короткий зубец ЭКГ с длительностью τ = 0,05 сек.:

3) Определяем величину временного интервала Т>п> на ЭКГ между выполняемыми преобразованиями на одном отведении согласно формуле:

4) Находим частоту fп задающего генератора при числе отведений l = 2:

при этом период сигнала задающего генератора Т>г> снижается с ростом числа отведений l и составляет:

5) Оценим время τ>пр>, необходимое для выполнения цифрового преобразования в одной точке ЭКГ:

где: τ>ацп> =100 нс - время преобразования схемой АЦП;
τ>озу> =300 нс - время обращения к ОЗУ;
τ>лс>=
с - время преобразования логическими
схемами;

где:
- число ИМС логики;
- время задержки сигнала на одной схеме.
6) Максимальное
число выборок Nв цифрового преобразования
за одну секунду или максимальная частота
преобразования составляет:

7) Максимальная частота преобразования по одному отведению при l = 2:

Эта частота достаточно велика и превышает выбранную в требуемую частоту преобразования.
2.4.3 Расчет количества ИМС ОЗУ
Число разрядов кода = 6;
Частота преобразования по одному отведению f>п> = 450 Гц
Определяем время Т>ан> записи:

Определяем количество N1 цифровых n-разрядных слов, которые нужно записать в ОЗУ по одному отведению, или число строк:

Для записи ЭКГ нескольких пациентов К>п >= 4:

При этом по
одному отведению потребуется организация
памяти типа
с общим объемом Ф>1>:

Выбираем ИМС памяти типа К537 РУ8А с организацией Ф>1>=2Кх8
Определяем общий объем памяти по всем отведениям:

6) Определяем число корпусов:

2.5 Синтез логического устройства и его реализация

где:

Заданная функция

Составляем карту Карно из трех переменных:
|
c |
|
|
|
ab |
||
|
āb |
1 |
1 |
|
a |
1 |
|
|
|
Рисунок 2.7 - Карта Карно.
После упрощения функции получаем

Для проведения проверки и построения структурной схемы логического устройства прибегнем к помощи программы Electronics Workbench, а точнее устройства Logic Converter, внешний вид которого показан на рис.2.8

Рисунок 2.8 - Внешний вид Logic Converter
1) Проводим проверку упрощения функции сделанную с помощью карт Карно, для этого в Logic Converter вводим исходную функцию для составления таблицы истинности (рис.2.9):

Рисунок 2.9 - Построение таблицы истинности в Logic Converter
2) Производим упрощение логической функции с помощью Logic Converter (рис.2.10):

Рисунок 2.10 - Упрощение логической функции в Logic Converter
После
нажатия кнопки
Logic
Converter
строит схему на разнотипных элементах
(рис.2.11)

Рисунок 2.11 - Структурная схема логического узла
По условию задания, к курсовому проекту заданы ИМС серии ТТЛ типа КМ 555. Выберем ИМС типа КМ555ЛИ1, содержащую четыре элемента 2И, и КМ555ЛН2, содержащую шесть элементов НЕ, и КМ555ЛЛ1, содержащую четыре элемента 2ИЛИ, рис 2.12:

Рисунок 2.12 - Схема подключения выбранных ИМС
Теперь не сложно получить принципиальную электрическую схему логического узла изображённого на рис.2.11 (рис.2.13):

Рисунок 2.13 - Принципиальная схема узла
Как видим, остались не использованными несколько элементов логических ИМС, которые могут потребоваться при дальнейшем развитии полной схемы.
Выводы
Цифровая обработка сигналов (ЦОС) является базовым принципом для разработки функциональной структуры современных многоканальных электрокардиографов. Качество ЦОС в значительной мере определяется качеством аналого-цифрового преобразования (АЦП), которое, в свою очередь, в значительной мере зависит от качества выделения электрокардиографического сигнала.
Источником возбуждения усилителя электрокардиосигнала (УсЭКС) является биологический объект - человек, который может быть представлен эквивалентным уравнением электрическим генератором. А, как известно, свойства любого электрического генератора определяются характером изменения ЭДС во времени и внутренним сопротивлением.
Электрокардиосигнал является частью ЭДС сердца, измеряемой на поверхности тела при помощи электродов, расположенных определенным образом. Закон изменения ЭКС во времени может считаться квазипериодическим с периодом кардиокомплексов 0,1 - 3 с. Минимальное значение соответствует фибрилляции желудочков, а максимальное - блокадам сердца. Форма эквивалентного кардиокомплекса близка к треугольной с амплитудой, лежащей в диапазоне 0 - 5 мВ. Полоса принимаемых кардиокомплексом частот охватывает диапазон от 0,05 до 800 Гц.
В ходе расчета функциональных узлов кардиографа было установлено число разрядов АЦП = 6
Коэффициент усиления канала = 667
Время выполнения цифрового преобразования в одной точке = 0,9 ∙ 10-6 сек.
Общий объем памяти по всем отведением = 64.8 Кбит
Список литературы
Е.Я. Швец, Н.Г. Сидоренко. Методические указания к выполнению курсового проекта "Расчет функциональных узлов электрокардиографов" по дисциплине Цифровая схемотехника. - З. 2002 г.
В.В. Мурашко, А.В. Скрутинский. Электрокардиография - М. 1987 г.
Цифровые и аналоговые интегральные микросхемы. Справочник. М. 1990 г.
Ю.С. Забродин. Промышленная электроника - М. 1982 г.
Клиническая электрокардиография. 2001 г.


