Расчет каскадов ЧМ передатчика
Курсовой проект
по дисциплине
«Устройства генерирования и передачи сигналов»
по теме:
«Расчет каскадов ЧМ передатчика»
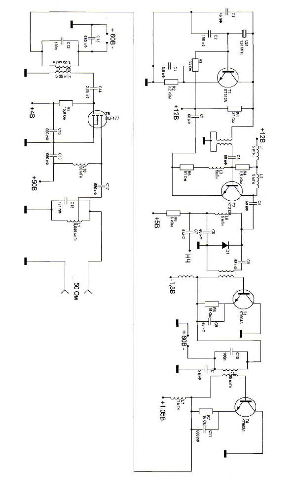
Составление блок-схемы передатчика
Составление блок-схемы передатчика начинается с выходного каскада начинается с выходного каскада. Данные, определяющие его мощность, содержатся в задании. Также задается колебательная мощность в антенне в режиме несущей частоты. В данном передатчике необходимо применить умножитель частоты, в качестве которого может работать предоконечный или дополнительный предварительный каскад, включаемый между возбудителем и предоконечным каскадом. Вид блок-схемы передатчика с частотной модуляцией представлен на рисунке:

Техническое задание:
Требуется произвести расчет передатчика, работающего на 120 МГц.
Вид модуляции – частотная (ЧМ)
Максимальная девиация частоты – 100 кГц
Вид передаваемых сообщений – аудиосигналы
Мощность передатчика – 100 Вт
1. Расчет выходного каскада
Для работы в выходном каскаде выберем транзистор
Приведем его характеристики.
Тип – кремниевый n канальный высокочастотный МОП – транзистор вертикальной структуры, выполненный по технологии с двойной диффузией, рекомендован производителем для применения в промышленных устройствах в КВ\УКВ диапазоне.
Достоинства:
– высокий коэффициент усиления по мощности (19 дБ на 108 МГц)
– низкие интермодуляционные искажения
– высокая температурная стабильность
– устойчивость при работе на согласованную нагрузку.
Технические характеристики:
Пробойное напряжение
сток-исток
> 110 В
Ток утечки сток-исток
(при
=
50 В,
=0)
< 2,5 мА
Ток утечки затвор-исток
(при
=
20 В) < 1 мкА
Крутизна линии
граничного режима
4,5 – 6,2 См
Напряжение отсеки
определим по проходной характеристике
транзистора

Крутизна передаточной характеристики S = 5 См
Коэффициенты Берга,
соответствующие выбранному углу отсечки
,

Расчетные данные
50
В
Ток стока
20
А
110 В
(данная величина рекомендована
для УКВ-диапазона)
130 Вт
Коэффициент использования стокового напряжения

Амплитуда стокового напряжения:

Амплитуда первой гармоники стокового тока:

Амплитуда импульсов стокового тока:

Постоянная составляющая стокового тока:

Эквивалентное сопротивление нагрузки:

7. Напряжение возбуждения:

Напряжение смещения
для угла отсечки =
будет равно напряжению отсечки по
паспорту транзистора, т.е. 3 В, тогда
амплитуда напряжения на затворе будет
равна 5,85 В.
Посчитаем входную мощность ГВВ:

Коэффициент усиления по мощности:


Таким образом, схема генератора с внешним возбуждением будет выглядеть так:
Выходное сопротивление транзистора:

Для согласования с
пятидесятиомной нагрузкой нужна схема
с неполным включением индуктивности,
при этом, емкость конденсатора в
колебательном контуре рекомендуется
брать
,
а индуктивность катушки

2. Расчет модулятора
В проектируемом передатчике частотная модуляция будет получена из фазовой методом расстройки колебательного контура:
Схема модулятора выглядит следующим образом:

Выберем диод Д902. При напряжении смещения 5 В, его характеристика имеет достаточно большую крутизну и линейность. По графику для Д902 определяем
S=2 пФ/В.
Амплитуда возбуждения
звуковой частоты – 1 В, значит максимальное
изменение емкости составит 2 пФ. Начальная
емкость
при отсутствии сигнала ЗЧ составит
8 пФ.
В результате подбора параметров получены следующие величины:
Частота возбуждения:
,
т.е.
рад/с
Коэффициент умножения – 10
Индуктивность:

Максимальное
отклонение частоты от
:
рад/с
Зададим добротностью колебательного контура, равной 20.
Величина фазовой модуляции:
рад
Девиация частоты при частоте модулирующего сигнала 15 кГц:
рад/с
Индекс модуляции, получаемый в фазовом модуляторе: M=0,307. При умножении частоты в 10 раз, индекс модуляции получится равным 3,07.
Выберем транзистор КТ312А. Он обладает следующими параметрами:

Расчет коллекторной цепи
Выбираем напряжение
на коллекторе
,
зададим угол отсечки
и определим коэффициенты разложения
(
,
).
Коэффициент использования коллекторного напряжения:

Амплитуда напряжения на коллекторе:

Амплитуда первой гармоники коллекторного тока:

Амплитуда импульсов коллекторного тока:

Выполним проверку
условия
– условие выполняется.
Постоянная составляющая постоянного тока:

Эквивалентное сопротивление нагрузки, обеспечивающее рассчитываемый режим:

Мощность, потребляемая от источника питания:

Мощность, рассеиваемая на коллекторе:

При этом, мощность, рассеиваемая на коллекторе, меньше предельно допустимой.
КПД коллекторной цепи:

Расчет базовой цепи
1. Находим предельную частоту транзистора, при которой коэффициент передачи по току в схеме с общим эмиттером равен 1:

2. Рассчитываем время дрейфа транзистора:

3. Определим угол дрейфа на высшей частоте:

Т.к. угол дрейфа
меньше
,
то считаем, что
и
.
4. Амплитуда переменного напряжения на переходе эмиттер-база:

5. Модуль коэффициента передачи напряжения со входа на переход эмиттер-база:

6. Амплитуда напряжения возбуждения, требуемая от источника возбуждения:

7. Входное сопротивление:

8. Мощность возбуждения:

9. Первая гармоника тока базы:

Реальная величина тока базы:

Напряжение смещения, обеспечивающее заданный угол отсечки базового тока:

Максимальное значение положительного импульса тока базы:

Постоянная составляющая положительных импульсов тока базы:

Мощность рассеяния в цепи базы:

Рассчитаем
сопротивления делителя напряжения
цепи смещения
и
.
Значения индуктивностей (кроме
колебательного контура) должны быть
такими, чтобы не предоставлять
значительного сопротивления постоянному
току, в то же время, блокируя переменную
составляющую на частоте 10 МГц:

3. Расчет возбудителя

Схема возбудителя с кварцевой стабилизацией.
Выбираем транзистор КТ312А.
Приведем параметры, применяемые при расчете:

Определим коэффициент обратной связи:
(
– динамическое сопротивление кварца,
– коэффициент регенерации,
– нормированное управляющее сопротивление)
,
где
– фаза крутизны
,
– обобщенная расстройка –

– затухание кварца.
Для заданной частоты
– 10,1 МГц –
=10
пФ,
=
80 Ом



Рассчитаем емкость
,
включенную между базой и эмиттером:

Тогда, емкость
,
включенная между эмиттером и коллектором,
будет равна:

Вычисляем функцию угла отсечки:

– характеристическое сопротивление
кварца (
=0,025
Гн)
– добротность кварца





По таблицам значений
Берга, это значение соответствует
.
Расчет коллекторной цепи возбудителя
Выбираем напряжение
на коллекторе
.
В генераторе необходимо развить мощность, требующуюся для возбуждения следующего каскада с учетом потерь в согласующей цепи:

Коэффициент использования коллекторного напряжения:

Амплитуда напряжения на коллекторе:

Амплитуда первой гармоники коллекторного тока:

Амплитуда импульсов коллекторного тока:

.
Постоянная составляющая постоянного тока:

Эквивалентное сопротивление нагрузки, обеспечивающее рассчитываемый режим:

Мощность, потребляемая от источника питания:

Мощность, рассеиваемая на коллекторе:

При этом, мощность, рассеиваемая на коллекторе, меньше предельно допустимой.
КПД коллекторной цепи:

Расчет базовой цепи возбудителя
1. Находим предельную частоту транзистора, при которой коэффициент передачи по току в схеме с общим эмиттером равен 1:

2. Рассчитываем время дрейфа транзистора:

3. Определим угол дрейфа на высшей частоте:

Т.к. угол дрейфа
меньше
,
то считаем, что
и
.
4. Амплитуда переменного напряжения на переходе эмиттер-база:

5. Модуль коэффициента передачи напряжения с входа на переход эмиттер-база:

6. Амплитуда напряжения возбуждения:

7. Входное сопротивление:

8. Мощность возбуждения:

9. Первая гармоника тока базы:

Напряжение смещения, обеспечивающее заданный угол отсечки базового тока:

12. Сопротивление в цепи базового смещения, обеспечивающее заданное напряжение смещения R = 4590 Ом.
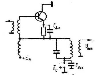
4. Расчет умножителя частоты
Для умножения частоты
в 10 раз нужно выбрать угол отсечки
.
При таком малом угле отсечки резко увеличивается ток возбуждения, падает КПД и выходная мощность, поэтому, чтобы получить необходимую для следующего каскада мощность приходится применять мощный транзистор КТ904А
Схема умножителя:

В расчете требуются
10-е коэффициенты Берга:
и
.
Умножитель должен на 10-й гармонике развивать мощность 0,06 Вт.
Расчет коллекторной цепи
Напряжение питания:
.
1. Коэффициент использования коллекторного напряжения:

2. Коэффициент использования коллекторного напряжения на 10 й гармонике:

3. Амплитуда напряжения на коллекторе:

4. Амплитуда первой гармоники коллекторного тока:

5. Амплитуда десятой гармоники коллекторного тока:

6. Амплитуда импульсов коллекторного тока:

7. Постоянная составляющая постоянного тока:

8. Эквивалентное сопротивление нагрузки коллекторного контура на 10-й гармонике:

Расчет базовой цепи
1. Находим предельную частоту транзистора, при которой коэффициент передачи по току в схеме с общим эмиттером равен 1:

2. Рассчитываем время дрейфа транзистора:

3. Определим угол дрейфа на высшей частоте:

Т.к. угол дрейфа
меньше
,
то считаем, что
и
.
4. Амплитуда переменного напряжения на переходе эмиттер-база:

5. Модуль коэффициента передачи напряжения со входа на переход эмиттер-база:

по графику определяем
.
6. Амплитуда напряжения возбуждения, требуемая от источника возбуждения:

7. Входное сопротивление:

8. Мощность возбуждения:

9. Первая гармоника тока базы:

10. Реальная величина тока базы:

11. Напряжение смещения, обеспечивающее заданный угол отсечки базового тока:

Колебательный контур, на который нагружен транзистор, должен при частоте 100 МГц иметь эквивалентное сопротивление 1650 Ом:

Рассчитаем емкость и индуктивность:


Индуктивность на
входе:

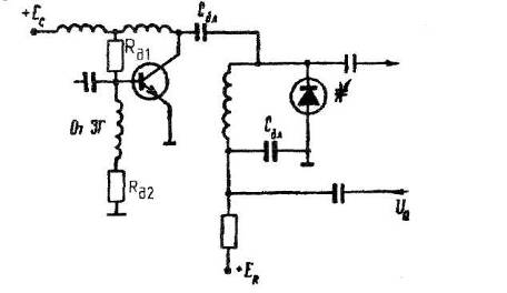
5. Расчет предоконечного каскада

Схема предоконечного каскада
В первой части расчета
мощность возбуждения выходного каскада
получилась равной 2,11 Вт. С учетом потерь
в согласующей цепи. Зададим мощность
предоконечного каскада:
.
Исходя из требований
по мощности и частоте, выберем транзистор
КТ903А. Угол отсечки примем равным
.
Расчет коллекторной цепи
Выбираем напряжение
питания
.
1. Коэффициент использования коллекторного напряжения:

2. Амплитуда напряжения на коллекторе:

3. Амплитуда первой гармоники коллекторного тока:

4. Амплитуда импульсов коллекторного тока:

5. Постоянная составляющая постоянного тока:

6. Эквивалентное сопротивление нагрузки, обеспечивающее рассчитываемый режим:

7. Мощность, потребляемая от источника питания:

8. Мощность, рассеиваемая на коллекторе:

При этом, мощность, рассеиваемая на коллекторе, меньше предельно допустимой.
9. КПД коллекторной цепи:

Расчет базовой цепи
1. Находим предельную частоту транзистора, при которой коэффициент передачи по току в схеме с общим эмиттером равен 1:

2. Рассчитываем время дрейфа транзистора:

3. Определим угол дрейфа на наивысшей частоте:

4. Нижний угол отсечки положительных импульсов эмиттерного тока:

Коэффициенты
и
,
соответствующие углу отсечки
:
и
.
5. Модуль коэффициента передачи по току на рабочей частоте:

где

6. Амплитуда первой гармоники тока эмиттера:

7. Амплитуда положительного импульса эмиттерного тока:

8. Постоянная составляющая тока эмиттера:

9. Амплитуда переменного напряжения на переходе эмиттер-база:

10. Модуль коэффициента передачи напряжения с входа на переход эмиттер-база:

по графику определяем
.
11. Амплитуда сигнала возбуждения, требуемая от предыдущего каскада:

12. Входное сопротивление:

13. Мощность, требуемая от предыдущего каскада:

14. Первая гармоника тока базы:

Напряжение смещения:

Индуктивность на входе:

17. Емкость и индуктивность на выходе колебательного контура:
и

Расчет коэффициентов трансформации согласующих трансформаторов
Согласование возбудителя и модулятора.

Согласование модулятора и умножителя частоты.

Согласование умножителя частоты и предусилителя.


Список использованной литературы
«Радиопередающие устройства» – под ред. В.В. Шахгильдяна, РиС, 1996 г.
«Проектирование и техническая эксплуатация радиопередающих устройств» – Сиверс Г.А., РиС, 1989 г.
«Проектирование радиопередающих устройств» – под ред. В.В. Шахгильдяна, РиС, 1998 г.