Расчет линии связи для системы телевидения
Содержание
1. Введение
1.1. Общее описание системы спутникового телевизионного вещания
1.2. Краткое описание параметров системы связи
1.3.Краткое описание технических средств, используемых в данной системе связи
1.4. Состав земных и космических станций
2. Принципы построения систем спутникового цифрового ТВ вещания
2.1. Методы формирования и передачи сигналов телевидения и звукового вещания
2.2. Система DVB/MPEG-2
3. Качественные показатели каналов спутниковых линий
4. Спутниковые приемники
5. Расчет линии связи
5.1.Общие сведения
5.2. Расчет цифровой линии связи
Список используемой литературы
Приложение
1. Введение
Идея использования космического пространства давно волновала лучшие умы человечества. Пока не могли вывести на околоземную орбиту летательный аппарат с отражателем на борту, космическая связь оставалась мечтой. Правда, было предложение использовать в качестве отражателя Луну, но этот проект имел ряд недостатков, и главным из них был слишком малый уровень отраженных сигналов.
Сейчас трудно восстановить, кому первому принадлежит идея спутниковой связи. Считается, что использование геостационарного спутника для целей радиовещания было предложено американцем А. Кларком в 1945 г. Первый спутник связи с пассивным отражателем Score был запущен в 1958 г. в США. Связь через активные спутниковые ретрансляторы осуществилась позже: с 1962 г. Через спутник Telsar и с 1963 г. через первый геостационарный спутник Syncom. Первый спутник связи Early Bird международной системы Intelsat был выведен на орбиту 6 апреля 1965 г., а 23 апреля 1965 г. был запущен советский спутник связи “Молния-1” для ретрансляции информации. Началось практическое освоение космического пространства для передачи информации на большие расстояния.
Преимущества спутниковой связи были сразу же по достоинству оценены. Линия связи через спутниковый ретранслятор обладает большой пропускной способностью, перекрывает огромные расстояния, вследствие низкого уровня помех может передавать информацию с высокой надежностью. Эти достоинства делают спутниковую связь уникальным и эффективным средством передачи информации.
Спутниковая система состоит из множества наземных станций и ретранслятора, находящегося на спутнике. При движении спутника относительно Земли наземные станции должны следить за его движением, пока он не скроется за горизонтом. При этом связь нарушается или же на небосклоне появляется другой спутник, принимающий эстафету у предыдущего.
Особый интерес представляет геостационарная орбита - круговая орбита, находящаяся в экваториальной плоскости и удаленная от поверхности Земли на расстояние около 36 тыс. км. В случае, когда направление движения спутника на этой орбите совпадает с направлением вращения Земли, спутник оказывается неподвижным относительно наземного наблюдателя. Такой спутник называют геостационарным. Геостационарная орбита уникальна, другой такой орбиты не существует.
Преимущества связи через геостационарный спутник прежде всего состоят в том, что передача и прием сигналов возможны при неподвижных антеннах наземных станций, а высота геостационарной орбиты такова, что спутник “видит” почти третью часть поверхности земного шара.
В то же время вследствие большой высоты орбиты на спутнике необходимо иметь антенны с большим усилением для компенсации потерь на распространение радиоволн. Кроме того, требуется удерживать спутник точно на орбите, для чего на спутнике необходимо иметь корректирующие двигатели и соответствующие системы управления, работающие по командам с Земли. Периодически включаемые реактивные двигатели компенсируют отклонения стационарного спутника от занимаемой позиции. Обычно запаса топлива хватает на 5 - 7 лет, что и определяет срок функционирования спутника.
Особую важность для потребителей представляет использование спутниковых систем для передачи данных, связи между компьютерами, связи между банками и учреждениями, сбора данных, распределения телевизионных программ. В качестве ориентира скажем, что диалог терминалов создает пиковый трафик 2400 бит/с, передача математических программ 50 кбит/с, передача массивов данных 1 Мбит/с.
1.1 Общее описание системы спутникового телевизионного вещания
Термин «спутниковое вещание» требует некоторого уточнения. В действующем Регламенте радиосвязи к радиовещательной спутниковой службе отнесены ССС, рассчитанные на подачу вещательных программ на индивидуальные и коллективные приемные установки для непосредственного приема населением (непосредственное телевизионное вещание), в то время как в системах фиксированной спутниковой службы (ФСС) допускается использование сигнала только тем органом для которого это сигнал предназначен.
Последующая практика показала, что технически стирается существовавшая ранее четкая грань между спутниками радиовещательной и фиксированной спутниковых служб, поскольку прием сигналов со спутников ФСС среднего уровня мощности (Astra, Eutelsat II, Telecom II) возможен на сравнительно недорогую приемную установку и вполне доступен индивидуальному пользователю. В этих условиях на смену понятию «непосредственное телевизионное вещание», связанному с радиовещательной спутниковой службой, приходит более широкое понятие «непосредственный прием», не связанное с конкретными службами и диапазонами частот (в англоязычной литературе ному термину соответствует DTH: direct-to-home). Легальность индивидуального приема (без последующего распределения) программ с любых спутников установлена Брюссельской конвенцией 1974 г. и закреплена в законодательстве большинства развитых стран. Концепция DTH предполагает не только техническую возможность приема сигнала на антенну небольшого диаметра, но и соответствующий подбор пакета программ по интересам средней семьи (фильмы, спорт, детская программа, передачи для женщин, новости), а также организацию подписки на пакет (программы передаются, как правило, в закодированном виде).
В отечественной практике, где до 1989 г. понятие индивидуальною приема со спутников отсутствовало, для обозначения любого процесса циркулярной передачи программ от передающих станции к приемным через ИСЗ использовался термин «спутниковое вещание».
Кратко рассмотрим некоторые спутниковые системы непосредственного телевизионного вещания диапазона 12 ГГц и системы типа DTH диапазона 11 Гц. Достаточно трудно выделить их из общего перечня систем спутниковой связи, так как более 60 % трафика спутниковых систем в мире составляет передача телевидения, в отдельных системах эта доля достигает 90 %. Выбраны те системы, подсистемы и конкретные ИСЗ, вся пропускная способность которых отдана под передачу телевидения и звукового вещания.
Несомненные преимущества спутникового вещания обусловили его широкое развитие во многих странах мира. В зависимости от размеров зоны обслуживания, содержания и источников формирования передаваемой программы принято различать национальные (действующие в пределах одной страны) и региональные (действующие в пределах группы соседних стран) системы спутникового вещания.
В национальной системе передаются, как правило, общедоступные ТВ программы некоммерческого характера на языках данной страны, рассчитанные на прием большей частью ее населения. Именно для таких систем в первую очередь предназначен диапазон 12 ГГц, хотя сегодня многие страны используют для национального ТВ вещания и диапазоны ФСС. Согласно решению Международного союза электросвязи (ITU), земной шар делится на три района. Для России, Европы, стран СНГ, Африки и Среднего Востока это район №1. Которому соответствуют частоты фиксированной спутниковой службы: 10,70 – 11,70 ГГц
12,50 – 12,75 ГГц
17,70 – 21,20 ГГц
Служба непосредственного ТВ вещания:
11,70 – 12,20 ГГц
Служба спутникового вещания:
21,40 – 22,00 ГГц.
Региональные системы действуют в основном в рамках ФСС, допускающей подачу сигналов за пределы национальной территории. Программы носят преимущественно коммерческий характер, иногда передаются в закодированном виде, зачастую снабжены многоязычным звуковым сопровождением и формируются в расчете на определенные категории телезрителей по культурным запросам, профессиональным интересам и другим признакам.
Наиболее популярной в Европе региональной спутниковой системой передачи телевидения является, безусловно, Astra, включающая на сегодняшний день четыре спутника с индексами А, В, С, D, работающие в одной точке 19,2° в.д. в смежных участках полосы частот 10,7... 11,7 ГГц. Владельцем спутников является консорциум частных и государственных банков ряда европейских стран с участием правительства Люксембурга. Сигналы с ИСЗ ASTRA принимают более 90 % приемных установок в Европе.
Спутники содержат по 16 одновременно работающих стволов, распределенных в четыре группы по 4 ствола. Каждая группа соединена со своим облучателем, формирующим слегка отличную диаграмму направленности. Зоны обслуживания охватывают почти всю Западную и Центральную и восточную Европу, обеспечивая в центральной части зоны ЭИИМ (англ. EIRP – эффективная изотропно - излучаемая мощность – параметр, объединяющий мощность передатчика (или транспондера) и коэффициент усиления передающей антенны) 51...52 дБВт, что достаточно для приема на антенну диаметром 60...80 см.
В ноябре 1995 г. запущен пятый ИСЗ из этой серии ASTRA-1E с 18 стволами в диапазоне 11,7. .12,1 ГГц, предназначенный для цифровых передач. Стволы с горизонтальной поляризацией на этом ИСЗ по примеру Eutelsat II имеют зону обслуживания, расширенную на восток до Москвы.
Технические данные спутников ASTRA приведены в табл. 1.1
Таблица 1.1. Технические данные спутников ASTRA.
|
Страна, организация |
Люксембург |
||
|
Параметры систем спутникового вещания. ИСЗ |
ASTRA 1A, B |
ASTRA 1C, D |
ASTRA 1E |
|
Позиция на ГО |
19,20 з.д. |
19,20 з.д. |
19,20 з.д. |
|
Год запуска |
1988, 1991 |
1993, 1994 |
1995 |
|
Расчетный срок существования, лет |
12 |
14 |
14 |
|
Масса ИСЗ, кг |
1820 |
2500 |
--- |
|
Мощность источников питания, Вт |
2309 |
3300 |
--- |
|
Диапазон, ГГц |
14/11 |
14/11 |
14/12 |
|
Число стволов на ИСЗ |
16 |
18 |
18 |
|
Зона обслуживания |
4 х узкий луч, Европа |
4 х узкий луч, Европа |
4 х узкий луч, Европа |
|
Мощность на ствол, Вт |
45/60 |
63 |
85 |
|
ЭИИМ, дБВт |
50 |
50 |
50 |
|
Полоса частот ствола, МГц |
26 |
26 |
33 |
|
Добротность ИСЗ, дБ/К |
--- |
--- |
--- |
|
Пропускная способность, каналы |
16 ТВ |
18 ТВ |
18 ТВ |
Идея размещения в одной точке орбиты нескольких ИСЗ смежных диапазонов для организации ТВ вещания оказалась весьма плодотворной. По этому пути пошла организация Eutelsat, запустив в точку 13° в.д. в дополнение к работающему там с 1990 г. Eutelsat II F1 новый спутник Eutelsat II F6 (коммерческое название Hot Bird), стволы которого размещены в полосе частот 11,2... 11,53 ГГц, не используемой Eutelsat II F1. Все стволы на обоих ИСЗ предназначены для передачи телевидения, так что на одну антенну, ориентированную в точку 13° в.д., можно будет принять до 40 ТВ программ. Отличительной особенностью Eutelsat II F6 является специально разработанная передающая бортовая антенна широкого луча, обеспечивающая еще более широкую зону обслуживания на востоке с более равномерным распределением поля, чем у других спутников семейства Eutelsat.
Принято решение о запуске в 1996 г. и начале 1997 г. в эту же точку еще двух ИСЗ Hot Bird 2 и Hot Bird 3 с 20 стволами мощностью 110 Вт на каждом, предназначенных преимущественно для ТВ передачи в цифровой форме с компрессией. Спутники имеют лучи с европейским покрытием (от Лондона до Москвы) и ЭИИМ не менее 51 дБВт и более узкие лучи, охватывающие Центральную Европу с ЭИИМ 54 дБВт.
Принятие в 1977 г. Плана ВАКР-77 стимулировало создание в Европе национальных систем с мощными спутниками, работающими в диапазоне 12 ГГц. Примечательным в этом плане оказался 1989 г., когда была завершена работа над четырьмя такими системами.
Совместный проект TDF (Франция)-TVSat (ФРГ) разрабатывался с 1980 г. при полной поддержке правительств обеих стран. Параметры спутников полностью соответствуют Плану ВАКР-77. Спутники TDF и TVSat практически одинаковы и различаются в основном передающими антеннами. Каждый рассчитан на передачу ТВ-программ в пяти каналах, выделенных стране Планом ВАКР-77. После многочисленных задержек были запущены два спутника TDF (в 1988 и 1990 гг.) и один TVSat (в 1989 г.).
С 1980 г. в Швеции разрабатывался проект многоцелевого ИСЗ Tele-Х, предназначенного для ТВ вещания и связи. Через три рабочих ствола Tele-Х с большой выходной мощностью в каналах 26, 32, 40 планировалось передавать программы коммерческого телевидения в стандарте D-MAC. Однако как коммерческое предприятие Tele-Х успеха не имел и долгое время бездействовал. Лишь в 1991 г. началось использование его стволов для передачи шведских и норвежских программ.
Четвертой системой диапазона 12 ГГц, введенной в строй в 1989 г., явилась частная британская система BSB спутники которой Marco Polo 1 и 2 были выведены в точку 31° з.д в 1990 гг.
1.2 Краткое описание параметров системы связи
В данном пункте вводятся основные понятия цифрового ТВ вещания (DVB – Digital Video Broadcasting), которое более подробно освещено в основной части курсового проекта.
В ближайшее время ожидается быстрый переход к цифровому ТВ вещанию (DVB) с использованием международных стандартов сжатия данных и цифровой (фазовой) модуляции сжатых сигналов MPEG-2 (ISO/IEO 13818) (MPEG – Moving Picture Expert Group. Специальная группа экспертов по вопросам кинотехники; алгоритм и группа стандартов сжатия видео изображений и звука). Эти стандарты приняты в Европе и многих других странах для передачи цифрового ТВ сигнала через спутники и кабельные системы. Поскольку применение данных стандартов обеспечивает экономное использование полосы частот и высокую помехоустойчивость, существуют планы по их распространению на наземное ТВ вещание.
Первое поколение бытовых приемных устройств DVB представляет собой настольные модели совмещенных приемников/декодеров (IRD). Приемники имеют стандартные разъемы ВЧ и SCART для подсоединения к антенне, кабелю и ТВ/ВМ (TV/VCR). В моделях высокого класса устанавливается разъем для подключения персонального компьютера, так что их можно использовать для мультимедийных средств и подключения к Internet. Спутниковые каналы идеально подходят для доставки страниц Всемирной паутины, поскольку они обеспечивают широкую полосу пропускания.
Скорость передачи данных, применяемая для ТВ вещания, может быть выбрана в зависимости от требований, предъявляемых ТВ вещателями к качеству сигнала. Видеосигналы VHS хорошего качества могут быть получены при скорости передачи данных 2 Мбит/с. Стандартное качество сигналов PAL/SECAM/NTSC получается при скорости передачи данных в диапазоне 4-6 Мбит/с. Студийное качество сигналов D2-MAC и PAL+ может быть получено на скорости в 8 Мбит/с. Для передачи сигналов телевидения высокой четкости (HDTV) понадобилась бы максимальная скорость передачи данных в 15 Мбит/с.
Для кодирования звука применяется алгоритм второго уровня MPEG 11 (ISО/IЕО 13818-2), который основывается на системе поддиапазонного кодирования MUSICAM. Для обеспечения качества звука, примерно соответствующего качеству CD, необходима скорость передачи данных порядка 192 Кбит/с.
Стандарт MPEG-2 позволяет объединить потоки многих видеосигналов, звуковых сигналов и сигналов передачи данных в единый транспортный поток для передачи через спутниковый канал связи. Данный метод уплотнения позволяет передавать таким образом много различных программ через один поток 38.01 SM бит/с на одном транспондере спутника связи. Примерный состав транспортного потока, который используется в Европе, приведен в табл. 1.2.
Таблица 1.2. Состав транспортного потока

Основным методом модуляции, принятым для передачи по спутниковым каналам, является метод QPSK (квадратурная фазовая манипуляция), а для передачи по кабельным сетям 64-QAM (квадратурная амплитудная модуляция).
1.3 Краткое описание технических средств, используемых в данной системе связи
Важнейшие показатели земных станций (ЗС).
Большинство ЗС ФСС работает в диапазонах 4 или 11 ГГц на прием и 6 или 14 ГГц на передачу.
Добротность станции на прием G/T — отношение усиления антенны (в децибелах на частоте приема) к суммарной шумовой температуре станции (в децибелах относительно 1 К); достигает 42 дБ/К для самых больших применяемых на практике антенн (диаметром 32 м) и составляет 20…31,7 дБ/К для ЗС большинства национальных и региональных систем.
Эквивалентная изотропно излучаемая мощность (ЭИИМ) — произведение мощности передатчика на усиление антенны (в полосе передачи) относительно изотропной антенны; обычно находится в пределах 50.. .95 дБВт. Для упрощенного расчета помех, создаваемых другим сетям связи, часто указывают максимальную спектральную плотность излучаемой ЗС ЭИИМ (Вт/Гц), хотя точный расчет перекрестных помех требует знания структуры применяемых в системе сигналов (вида и параметров модуляции и т.п.).
Микроволны и место приема сигналов.
Передача сигналов от спутника на Землю осуществляется посредством микроволнового электромагнитного излучения, которое по частоте намного выше, чем сигналы обычного телевещания в диапазонах MB/ДМВ (VHF/UHF). Несмотря на волнообразную природу микроволны подвергаются сильному ослаблению из-за водяных испарений и других препятствий на линии прямой видимости антенны. Мощность передаваемого микроволнового сигнала ко времени достижения им Земли становится чрезвычайно слабой. Если не использовать специальное оборудование и не принимать соответствующие меры предосторожности при его установке, сигнал может быть подавлен окружающими его шумами. На месте приема телевизионной приемной системы (TVRO) устанавливается антенна, которая собирает и концентрирует сигнал в фокусе, где находится прецизионно установленный облучатель. Он направляет микроволны на электронный компонент, называемый малошумящим блоком (LNВ). Этот блок усиливает и преобразует сигнал вниз на частоту, которая более удобна для передачи далее по кабелю на приемник (ресивер), расположенный внутри жилого помещения.
Между облучателем и LNB может быть расположен поляризатор, назначение которого будет объяснено чуть позже. Комплект, состоящий из облучателя, поляризатора и LNВ, часто называют головкой облучателя. Типичная конфигурация линии связи вниз от спутника средней мощности до внутреннего помещения изображена на рис. 1.3.1.

Рис. 1.3.1. Типичная конфигурация линии связи вниз.
Антенна, или тарелка, собирает чрезвычайно слабый микроволновый сигнал и осуществляет его фокусировку. Поверхность антенны должна иметь высокую отражающую способность по отношению к микроволнам. Антенна имеет форму параболоида, который обладает уникальным свойством переносить все излучение, падающее параллельно его оси, в фокус (см. рис. 1.3.1). Существует два основных типа антенн - параболическая (прямофокусная) и офсетная (антенна со смещенным фокусом). В прямофокусной антенне датчик головки облучателя устанавливается в центре оси параболоида. При конфигурации со смещенным фокусом (см. рис. 1.3.1) головка облучателя устанавливается в фокальной точке параболоида значительно большего размера, а рассматриваемая тарелка представляет собой часть этого параболоида. Антенны обычно изготавливаются из стали, алюминия или оптоволоконного стекла с впрессованной отражающей фольгой.
Диаметр антенны оказывает решающее влияние на размеры и стоимость ЗС; он определяет добротность и ЭИИМ станции, а также ее пространственную избирательность; если в системе используется разделение сигналов по поляризации, необходимо знать кросс - поляризационные характеристики антенны и указывать, с какой поляризацией станция работает на передачу и на прием. На ЗС телефонного обмена применяют антенны диаметром от 1,5.. .2,5 м до 12 м, иногда до 32 м, на ЗС приема циркулярной информации - от 0,45 до 2,5. ..4м.
Антенна характеризуется также показателями опорно-поворотного устройства и всей системы наведения антенны на ИСЗ; различают антенны полноповоротные, способные направляться в любую точку небосвода, и неполноповоротные, имеющие ограниченную область оперативного наведения на источник сигнала; системы наведения антенн характеризуются также возможной скоростью и ускорением углового перемещения. В последние годы все чаще применяют неполноповоротные, медленно движущиеся и неподвижные антенны, пригодные для работы только с геостационарными ИСЗ.
Основные показатели космических станций (КС).
В основном космическая станция характеризуется теми же показателями, что и ЗС: рабочим диапазоном частот, добротностью, ЭИИМ каждого передатчика, поляризацией излучаемых и принимаемых сигналов. Однако значения ряда параметров существенно отличны от указанных для ЗС. Например, добротность приемного тракта КС обычно составляет -10 ... + 6 дБ/К (что вызвано не только меньшими размерами антенны, но и применением более простого и обладающего большей шумовой температурой входного малошумящего усилителя), ЭИИМ, как правило, не превышает 23.. .45 дБВт, достигая 52... 58 дБВт на спутниках непосредственного телевизионного вещания.
Важной характеристикой бортового ретранслятора космической станции является число стволов.
Стволом ретранслятора или ЗС, или стволом спутниковой связи, будем называть приемопередающий тракт, в котором радиосигналы проходят через общие усилительные элементы (общий передатчик) в некоторой выделенной стволу общей полосе частот. Весь диапазон частот, в котором работает спутник связи, принято делить на некоторые полосы (шириной 27. ..36, 72... 120 МГц), в которых усиление сигналов осуществляется отдельным трактом - стволом. Несколько стволов могут иметь общие элементы - антенну, волноводный тракт, малошумящий входной усилитель. С другой стороны, на ЗС полоса одного ствола может разделяться фильтрами для выделения и последующего детектирования сигналов от различных земных станций, проходящих через общий ствол ИСЗ (при частотном многостанционном доступе).
Вместо термина «ствол» часто применяется английский термин «транспондер».
Число стволов, одновременно действующих на ИСЗ, может составлять 6-12, достигая 27- 48 на наиболее мощных ИСЗ. Сигналы этих стволов разделяются по частоте, пространству, поляризации, числом стволов, их полосой пропускания и ЭИИМ определяется в основном важнейший суммарный показатель ИСЗ - его пропускная способность, т.е. число телефонных и телевизионных каналов, либо в более общем виде число двоичных единиц в секунду, которое можно передать через данный ИСЗ. Разумеется, о пропускной способности ИСЗ можно говорить лишь условно, поскольку она зависит от добротности применяемых в системе земных станций, а также от вида применяемых радиосигналов; пропускная способность, по существу, - характеристика системы, а не ИСЗ. Тем не менее в литературе часто используется понятие пропускной способности (емкости) ИСЗ.
Отметим, что пропускная способность ствола ИСЗ зависит в некоторой степени не только от основных показателей - полосы пропускания и ЭИИМ, но и от других параметров, определяющих искажения передаваемых сигналов: неравномерности амплитудной характеристики, коэффициента АМ-ФМ преобразования, неравномерности ГВЗ в полосе ВЧ ствола и др. Эти параметры влияют на взаимные помехи между сигналами различных ЗС, на достоверность приема сигналов и тем самым на энергетические потери, обусловленные прохождением сигналов через неидеальный тракт бортового ретранслятора ИСЗ.
В зависимости от ширины диаграммы направленности бортовых антенн ИСЗ (или его отдельный ствол, если на борту несколько антенн и они различны) характеризуется зоной покрытия - частью поверхности земного шара, в пределах которой обеспечивается уровень сигналов от ИСЗ, необходимый для их приема с заданным качеством на ЗС определенной добротности, а также гарантируется способность принять на входе ИСЗ сигналы от ЗС, обладающих определенной ЭИИМ. Очевидно, что зона покрытия ИСЗ характеризует систему спутниковой связи, а не только собственно ИСЗ.
Зона покрытия определяется шириной диаграммы направленности антенны ИСЗ и рассчитывается как пересечение поверхности Земли конусом луча антенны. Форма этого сечения зависит от точки размещения ИСЗ, «точки прицеливания» — точки пересечения оси главного лепестка антенны ИСЗ с земной поверхностью, а также от нестабильности положения ИСЗ и ориентации его антенн. В связи с нестабильностью вводится понятие гарантированной зоны обслуживания, в которой обеспечивается сохранение указанных ранее условий приема и передачи при любых сочетаниях отклонений ИСЗ и антенны ИСЗ от среднего положения.
Точка размещения ИСЗ на орбите, точка прицеливания его антенны, нестабильности этих параметров существенны не только для расчета зон обслуживания, но и для расчета взаимных помех между ССС. Для упрощенного расчета взаимных помех часто также указывается максимальная спектральная плотность излучаемого ИСЗ потока мощности (Вт/м2Гц).
Наконец, важнейшим показателем ИСЗ, определяющим не только надежность и бесперебойность связи, но прежде всего экономические характеристики всей системы связи, является срок службы ИСЗ — время наработки до отказа спутника целиком либо допустимого числа стволов космической станции, определяемое с высокой вероятностью — обычно 0,9 и более. В современных ИСЗ достигнут срок службы 10... 12 лет и более благодаря высокой надежности элементов, гибкой и разветвленной схеме резервирования.
Основные показатели систем спутниковой связи.
Зона обслуживания системы — это совокупность (объединение) зон обслуживания отдельных ИСЗ, входящих в систему (рис. 1.3.2.). Слово «объединение» (а не «сумма») употреблено потому, что зоны отдельных ИСЗ обычно перекрываются между собой (что неизбежно при достижении сплошного покрытия и полезно для организации связи между земными станциями, расположенными в различных зонах), и поэтому общая зона оказывается по площади меньше суммы площадей отдельных зон.

Рис.1.3.2. К определению зоны обслуживания системы спутниковой связи с несколькими ИСЗ.
Пропускная способность системы есть объединение пропускных способностей входящих в систему ИСЗ. В данном случае слову «объединение» (а не «сумма») придается тот же смысл. Пропускная способность системы оказывается меньше суммы пропускных способностей отдельных ИСЗ, поскольку для связи между собой станций, работающих через разные ИСЗ, часть каналов транслируется двумя КС последовательно — с помощью двухскачковых линий (Земля-ИСЗ-Земля-ИСЗ-Земля) или прямых межспутниковых соединений (Земля-ИСЗ-ИСЗ-Земля).
Если в ССС используется только один ИСЗ, зона обслуживания и пропускная способность системы и ИСЗ совпадают.
Пропускная способность системы зависит в некоторой степени от воздействия помех, создаваемых другими ССС; роль этих помех возрастает по мере увеличения числа спутников на орбите.
Далее, система спутниковой связи характеризуется числом и размещением ЗС, числом ИСЗ и типом их орбиты, точкой размещения на геостационарной орбите. Характеристикой системы являются также число стволов на ИСЗ, их полоса пропускания, полосы частот стволов на участках Земля-спутник и спутник-Земля.
Одной из важнейших характеристик системы является метод многостанционного доступа — метод совмещения сигналов, излучаемых различными ЗС, для их прохождения через общий ствол бортового ретранслятора космической станции. Многостанционный доступ (МД) применяют потому, что обычно оказывается неэкономичным создавать число стволов на ИСЗ, равное числу ЗС в системе. Применяют МД с разделением сигналов по частоте, форме и времени. Всякий способ МД приводит к потере пропускной способности ствола до 3... 6 дБ, хотя в наиболее совершенных системах (с временным разделением - МДВР) эти потери могут не превышать 0,5...2 дБ.
На энергетические характеристики системы связи, необходимую полосу частот, ее электромагнитную совместимость с другими системами существенно влияют применяемый метод модуляции; наиболее распространены частотная модуляция (ЧМ) при передаче сообщений в аналоговой форме и фазовая модуляция (ФМ) при передаче сообщений в дискретной форме. Из параметров модуляции важнейшее значение при ЧМ имеет девиация частоты, при ФМ - число фаз несущей (кратность модуляции), а при передаче программ телевидения — также способ передачи звукового сопровождения (временное или частотное совмещение с видеосигналом, частота поднесущей и т.п.). Метод модуляции и параметры модулированного сигнала должны быть согласованы с полосой пропускания и энергетикой стволов системы связи.
Другой важнейшей характеристикой системы является качество организуемых в ней каналов передачи сообщений — телевизионных, телефонных и др. Обычно ССС используется для создания международных либо междугородных каналов связи большой протяженности, и качество этих каналов соответствует требованиям, сформулированным в рекомендациях Международного союза электросвязи (МСЭ) или во внутригосударственных нормативных документах. Однако в некоторых системах спутниковой связи исходя из их специфического назначения или из экономических соображений достигаются более высокие либо допускаются более низкие показатели качества. Так, в системах телевизионного вещания с приемом сигналов простыми коллективными и особенно индивидуальными установками часто допускается пониженное отношение сигнал-шум; это, в частности, рекомендовано планом систем спутникового вещания, принятым Всемирной административной конференцией по радио в 1977 г.; аналогичное решение принято в советской системе «Экран». Причиной снижения отношения сигнал-шум является не только желание уменьшить стоимость приемной станции, но и возможность сохранить при этом достаточно высокое качество приема у абонента. Действительно, приемная станция такой системы приближена к абоненту, спутниковая линия заменяет не только междугородную наземную линию, но и часть распределительной сети, упрощается либо вовсе исключается наземный телевизионный передающий центр.
В некоторых ССС, построенных на основе частотного многостанционного доступа и передачи каждого канала на отдельной несущей, применяют шумоподавители (компандеры), действие которых основано на особенностях восприятия шумов при звуковом сигнале. Компандеры позволяют уменьшить заметность шумов на 10. ..20 дБ и соответственно выиграть в энергетике линий связи и пропускной способности системы связи, но делают каналы не универсальными, поскольку указанный выигрыш не реализуется при передаче по каналам тональной частоты телеграфных сообщений, данных и др. С другой стороны, именно в спутниковых системах возможна и осуществляется передача телевизионных сигналов повышенного качества и высокой четкости.
1.4 Состав земных и космических станций
В этом пункте кратко опишем структурные схемы станций.
Рассмотрим простейшую земную станцию, предназначенную для приема однонаправленной информации — одноствольную приемную ЗС. Сигналы, излучаемые ИСЗ, принимаются (рис. 1.4.1,а) антенной 1 ЗС, перехватывающей электромагнитное излучение и преобразующей его в электрическое напряжение. Далее принятый сигнал усиливается малошумящим входным устройством 2, содержащим малошумящий усилитель, смеситель, предварительный усилитель промежуточной частоты. Необходимые для преобразования частоты колебания формируются гетеродинным трактом 3. Основное усиление сигнала осуществляется в усилителе промежуточной частоты УПЧ 4, в состав которого входит фильтр (или фильтры), формирующий полосу пропускания, оптимальную для приема сигнала (полоса либо близка к полосе ствола, если принимаемый сигнал занимает весь ствол, как при приеме программ телевидения, многоканальных телефонных сообщений с временным многостанционным доступом и т.п., либо составляет лишь часть полосы ствола, например при приеме телефонных сигналов в системе с частотным многостанционным доступом). За усилителем следуют демодулятор 5, выделяющий передаваемое сообщение, и оконечное каналоформирующее оборудование 6. Например, при приеме программ телевидения в устройстве 6 могут осуществляться регенерация синхросмеси, выделение канала звукового сопровождения, рассекречивание сигналов и т.п. Принятая информация поступает по наземной соединительной линии 7 к потребителю программ (или на телевизор, если это станция индивидуального приема). В современных приемных устройствах часто применяют двукратное преобразование частоты.

Рис. 1.4.1. Упрощенные структурные схемы одноствольной приемной (а) и многоствольной приемопередающей (б) ЗС, а также бортового ретранслятора КС (в).
Комплекс 8 служит для наведения антенн на ИСЗ; в него входят привод, перемещающий антенну, и аппаратура наведения, управляющая его движением. В простых приемных станциях антенна обычно неподвижна (имеется лишь механизм неоперативной первоначальной ориентации) или имеет механизм установки в несколько фиксированных положений (позиционер).
Более сложные земные станции, предназначенные для дуплексной связи и работающие в нескольких стволах ИСЗ, строятся по более общей схеме (рис. 1.4.1,б), где 1 — антенна с комплексом наведения, используемая обычно одновременно для приема и передачи; 2 — фильтр разделения приема и передачи; 3 — малошумящий усилитель; 4 — устройство сложения (фильтр сложения) сигналов передатчиков различных стволов; 5 — устройство разделения (фильтр разделения) принимаемых сигналов различных стволов; 6 — передающее устройство ствола; 7— приемное устройство ствола; 8 — каналообразующая аппаратура ствола; 9 — аппаратура соединительной линии. На схеме не показаны резервные комплекты и переключатели на резервные комплекты, обычно имеющиеся на ЗС.
Рассмотрим основные элементы радиотехнического комплекса космической станции, входящего в систему спутниковой связи. Этот комплекс состоит из двух основных частей — антенн и бортового ретранслятора.
На борту современных связных ИСЗ обычно устанавливают несколько приемных и передающих антенн. Это объясняется необходимостью сформировать различные зоны обслуживания с целью привести в соответствие излучение антенн с размещением земных станций на поверхности Земли, чтобы не рассеивать энергию бесполезно на те районы, где она используется. Высокая направленность приемных и передающих антенн ИСЗ способствует также уменьшению взаимных помех с другими системами связи - спутниковыми и наземными, повышает эффективность использования геостационарной орбиты.
Сигнал, принятый антенной КС, поступает на входное малошумящее устройство 1 (рис. 1.4.1,в), в качестве которого на ИСЗ применяют смесители, усилители на малошумящих ЛБВ или транзисторах. Принятый сигнал усиливается на частоте приема, промежуточной частоте и частоте передачи. В современных ИСЗ часто осуществляется не двух-, а однократное преобразование частоты, непосредственно с входной в выходную, при этом усилитель ПЧ отсутствует.
В схеме могут применяться устройства разделения, коммутации, объединения сигналов (коммутатор на рис. 1.4.1,в), цель которых - подать сигналы, адресованные тем или иным ЗС, на передающие антенны с соответствующей зоной обслуживания. Перспективны системы с быстродействующей переориентацией узкого луча антенны (с коммутацией луча), что позволяет осуществлять связь со многими ЗС через остронаправленные антенны, не увеличивая числа антенн на борту ИСЗ, многократно использовать полосу частот.
На рис. 1.4.1,е не показаны резервные элементы и устройства переключения на резерв; эти схемы обычно достаточно сложны, поскольку степень резервирования различна для разных элементов тракта в зависимости от их надежности, важности для жизнеспособности ИСЗ, срока службы.
В некоторых случаях на космической станции выполняется более сложная обработка сигналов, например преобразование вида модуляции, регенерация сигналов, передаваемых в дискретной форме.
2. Принципы построения систем спутникового цифрового ТВ вещания
2.1 Методы формирования и передачи сигналов телевидения и звукового вещания
Стандарты сигналов спутникового ТВ вещания.
Стандартом ТВ сигнала называют совокупность определяющих его основных характеристик, таких как способ разложения изображения, число строк и кадров, длительность и форма синхронизирующих и гасящих импульсов, полярность сигнала, разнос между несущими частотами изображения и звукового сопровождения и метод модуляции последней, параметры предыскажающей цепи звукового сигнала и др. Для цветного телевидения добавляется метод передачи сигналов цветности совместно с сигналом яркости. В спутниковом вещании традиционно используются стандарты формирования ТВ сигнала, сложившиеся в наземном телевизионном вещании. Для черно-белого телевидения существует 10 стандартов, которые принято обозначать латинскими буквами В, D, G, Н, I, К, Kl, L, М, N.
По способу передачи сигналов цветности различают три системы цветного телевидения: SECAM, NTSC и PAL. Каждая из трех систем может применяться с любым из 10 стандартов черно-белого ТВ вещания, давая 30 возможных комбинаций. На практике применяются девять разновидностей PAL, шесть - SECAM и один стандарт из группы NTSC.
Системы SECAM, NTSC и PAL были разработаны для наземных ТВ сетей, использующих амплитудную модуляцию (AM) нecущей изображения, и не очень пригодны для спутниковых канатов где основной является частотная модуляция (ЧМ). При прохождении ЧМ сигнала через тракты с неравномерной амплитудной и нелинейной фазовой характеристикой возникают перекрестные искажения сигналов яркости и цветности, ухудшающие качество изображения. К тому же из-за треугольного спектра демодулированного шума при ЧМ сигналы цветности оказываются в области повышенной спектральной плотности мощности шума, что снижает помехоустойчивость приема этих сигналов
Во многих странах проводились поиски новых методов формирования ТВ сигнала, свободных от указанных недостатков Наилучших результатов ожидали от цифровых методов передачи. Однако для передачи цветного ТВ изображения с высоким качеством скорость цифрового потока должна составлять более 200 Мбит/с, что значительно превышает пропускную способность типового ствола спутникового ретранслятора с полосой пропускания 27.. .36 МГц. В качестве компромисса для первого поколения европейских систем непосредственного телевизионного вещания был разработан и принят комбинированный цифроаналоговый стандарт с поочередной передачей на периоде активной части строки сжатых во времени аналоговых сигналов яркости и цветности, получивший название MAC (Multiplexing Analogue Components — уплотнение аналоговых компонент). Сигналы звукового сопровождения, синхронизации, служебная и дополнительная информация передаются в цифровой форме. В зависимости от выбранного способа передачи звука и данных различают стандарты В-МАС, С-МАС, D- и D2-MAC. Подробнее об этом будет рассказано ниже.
В конце 80-х гг. был создан алгоритм цифрового сжатия, позволявший передать высококачественное изображение со скоростью 7...9 Мбит/с, изображение вещательного качества — со скоростью 3,5...5,5 Мбит/с и кинофильм (совокупность неподвижных изображений) со скоростью не более 1,5 Мбит/с. На основе этого алгоритма Международная организация стандартизации приняла два стандарта обработки ТВ изображения: MPEG1 для телевидения с невысокой разрешающей способностью и прогрессивной разверткой (компакт-диски, компьютерные игры, мультимедиа) и MPEG2 для вещательного телевидения с чересстрочной разверткой. Дальнейшим развитием MPEG2 стал европейский стандарт цифрового ТВ вещания (DVB), содержащий нормы на параметры модуляции, кодирования и передачи по каналам связи.
Передача ТВ сигналов в цифровой форме со сжатием
Создание эффективного алгоритма цифровой обработки ТВ сигнала стало возможным на основе достижений теории зрения и техники сверхбольших интегральных схем (СБИС). Алгоритм, положенный в основу стандартов MPEG, включает определенный базовый набор последовательных процедур, показанный на упрощенной структурной схеме цифрового кодера (рис. 2.1.).

Рис. 8.2. Упрощенная структурная схема цифрового кодера
В качестве исходного используется компонентный ТВ сигнал RGB, затем он матрицируется в сигнал YUV; дискретизация, как и в цифровом стандарте «4:2:2», осуществляется с тактовыми частотами 13,5 МГц для сигнала яркости и 6,75 МГц для цветоразностных сигналов. На этапе предварительной обработки удаляется информация, затрудняющая кодирование, но несущественная с точки зрения качества изображения. Обычно используется комбинация пространственной и временной нелинейной фильтрации.
Основная компрессия достигается благодаря устранению избыточности ТВ сигнала. Различают три вида избыточности — временную (два последовательных кадра изображения мало отличаются один от другого), пространственную (значительную часть изображения составляют однотонные одинаково окрашенные участки) и амплитудную (чувствительность глаза неодинакова к светлым и темным элементам изображения).
Временная избыточность устраняется передачей вместо кадра изображения его отличий от предыдущего кадра. Простое вычитание кадров было значительно усовершенствовано, когда заметили, что большая часть изменений, появляющаяся на изображении, может быть интерпретирована как смещение малых областей изображения. Разбив изображение на небольшие блоки (16 х 16 элементов) и определив их расположение в предыдущем кадре, можно для каждого блока найти набор параметров, показывающий направление и значение его смещения. Этот набор называют вектором движения, а всю операцию — предсказанием с компенсацией движения. По каналу связи передаются только вектор движения и относительно небольшая разность между текущим и предсказанным блоком. На этом этапе устраняется пространственная избыточность — разностный сигнал подвергается преобразованию из пространственной в частотную область, осуществляемому с помощью двумерного дискретно-косинусного преобразования (ДКП). ДКП преобразует блок изображения из фиксированного числа элементов в равное число коэффициентов. Это дает два преимущества. Во-первых, в частотной области энергия сигнала концентрируется в относительно узкой полосе частот (обычно на НЧ) и для передачи несущественных коэффициентов достаточно небольшого числа битов. Во-вторых, разложение в частотной области максимально отражает физиологические особенности зрения.
Следующий этап обработки заключается в адаптивном квантовании полученных коэффициентов. Набор коэффициентов каждого блока рассматривается как вектор, и процедура квантования производится над набором в целом (векторное квантование). Оценка показывает, что описанная процедура сжатия близка к теоретическому пределу сжатия информации по Шеннону.
Амплитудная избыточность исходного сигнала устраняется на этапе кодирования сообщения перед подачей его в канал связи. Не все значения вектора движения и коэффициентов блока равновероятны, поэтому применяется статистическое кодирование с переменной длиной кодового слова. Наиболее короткие слова присваиваются событиям с наибольшей вероятностью. Дополнительная компрессия достигается кодированием в виде самостоятельного символа групп нулей.
Отличительной чертой стандартов MPEG1 и MPEG2 является их гибкость. Они могут работать с параметрами разложения изображения 525 строк при 30 кадрах в секунду и 625 строк при 25 кадрах в секунду, пригодны для форматов изображения 4:3, 16 9 и др , допускают усовершенствование кодера без изменений в уже установленных декодерах.
Для спутникового телевидения более перспективным, безусловно является MPEG2, рассчитанный на обработку входного сигнала с чересстрочной разверткой и различными скоростями цифрового потока (4...10 Мбит/с и более), каждой из которых соответствует определенная разрешающая способность. По этому параметру в стандарте определены четыре уровня: низкий (на уровне бытового видеомагнитофона), основной (студийное качество), телевидение повышенной четкости с 1440 элементами на строку и полное ТВЧ с 1920 элементами. По сложности используемого алгоритма обработки стандарт содержит четыре профиля:
простой - согласно вышеописанному алгоритму; основной - с добавлением двунаправленного предсказания;
улучшенный основной - с улучшением либо отношения сигнал-шум, либо пространственного разрешения;
перспективный - с возможностью одновременной обработки цветоразностных сигналов.
На рис. 2.2. показаны соответствующие этим градациям максимальные значения разрешающей способности и скорости цифрового потока.

Рис. 2.2. Уровни и профили стандарта MPEG2: ТВЧ - телевидение высокой четкости; х - сочетание не используется.
Используемые алгоритмы позволяют гибко варьировать параметры сигнала в пределах одной градации шкалы рис. 2.2. В качестве примера на рис. 2.3 приведена зависимость качества изображения от, скорости цифрового потока (информационной) в режиме «основной уровень - основной профиль», наиболее употребительном сегодня в спутниковом телевидении.
Можно рассчитать, что в спутниковом канале с пропускной способностью 20...25 Мбит/с можно передать четыре-пять программ хорошего качества, соответствующего магистральным каналам подачи программ, пли 10...12 программ с качеством, соответствующим видеомагнитофону стандарта VHS.

Рис. 2.3. Зависимость качества изображения с цифровой компрессией от скорости цифрового потока.
Составной частью в стандарты MPEG1 и MPEG2 входят алгоритмы передачи звуковых сигналов с цифровой компрессией, позволяющие уменьшить скорость цифрового потока в шесть-восемь раз без субъективного ухудшения качества звучания. Один из широко используемых методов получил название MUSICAM.
Исходным сигналом является ИКМ последовательность, полученная стробированием исходного звукового сигнала с тактовой частотой 48 кГц и преобразованием в цифровую форму с точностью 16 бит/отсчет. Признано, что такой цифровой сигнал соответствует качеству звучания компакт-диска (CD-quality). Для эффективного использования спектра необходимо снизить максимальную скорость цифрового потока. Новая техника кодирования использует свойства человеческого восприятия звука, связанные со спектральным и временным маскированием. Шумы квантования динамически приспосабливаются к порогу маскирования, и в канале передаются только те детали звучания, которые могут быть восприняты слушателем. Эта идея реализуется в кодере. Здесь с помощью блока фильтров происходит разделение сигнала на 32 парциальных сигнала, которые квантуются в соответствии с управляющими сигналами психо - акустической модели человеческого слуха, использующей оценку порога маскирования для формирования этих управляющих сигналов. На выходе кодера из парциальных отсчетов формируется набор кодовых слов, объединяемый далее в кадр заданной длительности. Выходная скорость кодера в зависимости от требований качества и числа программ в канале может составлять 32, 48, 56, 64, 80, 96, 112, 128, 160 или 192 кбит/с на монопрограмму. Скорость 32 кбит/с соответствует обычному речевому каналу, 48 кбит/с — наземному AM вещанию. При скорости 256 кбит/с на стереопару не только обеспечивается качество компакт-диска, но и имеется значительный запас на последующую обработку.
Системная часть стандарта MPEG2 описывает объединение в единый цифровой поток отдельных потоков изображения, звука, синхронизации, данных одной или нескольких программ. Для передачи в среде с помехами формируется «транспортный» поток, включающий средства для предотвращения ошибок и обнаружения утерянных пакетов. Он содержит пакеты фиксированной длины (188 байт), содержащие стартовый байт, префикс (3 байта) и область полезных данных.
Перед подачей в канал связи сигнал подвергается дополнительному помехоустойчивому кодированию и поступает на модулятор. Эти операции не входят в стандарт MPEG и в разных спутниковых системах могут выполняться различными способами, что лишает эти системы аппаратурной совместимости. Европейским странам удалось решить эту проблему, разработав на базе MPEG2 стандарт многопрограммного цифрового ТВ вещания DVB, нормирующий все операции на передающей стороне вплоть до подачи сигнала на вход СВЧ передатчика.
В стандарте DVB применяется каскадное помехоустойчивое кодирование. Внешний код — укороченный код Рида-Соломона (204, 188) с t = 8, обеспечивающий «безошибочный» прием (вероятность ошибки на выходе менее 10 - 10 ) при вероятности ошибки на входе менее 10 - 3. Внутренний код — сверточный с относительной скоростью 1/2, 2/3, 3/4, 5/6 или 7/8 и длиной кодового ограничения К - 1, декодирование осуществляется по алгоритму Витерби с мягким решением. Вид модуляции — четырехпозиционная ФМ.
На приемной стороне декодер осуществляет все вышеописанные операции в обратном порядке, восстанавливая на выходе изображение, весьма близкое к исходному.
Основной областью использования цифрового телевидения стали системы непосредственного ТВ вещания в диапазоне 12 ГГц. В США уже функционирует первая такая система DirecTV/USSB, предоставляющая абонентам возможность приема более чем 170 ТВ программ. Производится внедрение методов цифровой обработки в европейских спутниковых системах.
Телевидение высокой четкости
Под телевидением высокой четкости (ТВЧ) понимают передачу изображения с числом строк, приблизительно вдвое превышающим показатель у существующих стандартов, и форматом кадра (отношение ширины кадра к его высоте) 16:9. Объем информации, содержащийся в каждом кадре ТВЧ изображения, возрастает в пять-шесть раз по сравнению с обычным телевидением. На ТВЧ изображении отсутствуют дефекты, свойственные принятым сегодня стандартам ТВ вещания, — недостаточная разрешающая способность, заметность поднесущей, перекрестные искажения сигналов яркости и цветности, мерцание изображения из-за недостаточно высокой частоты кадров, дрожание строк и т.д. ТВЧ обеспечивает существенное повышение качества ТВ изображения, приближая его восприятие к зрительному восприятию естественных, натуральных сцен и сюжетов. Такое радикальное улучшение качества изображения не может быть достигнуто ни модификацией существующих стандартных систем цветного ТВ, ни ТВ системами повышенного качества.
В США, Японии, европейских странах в последние пять-семь лет ведутся многочисленные разработки новых ТВ стандартов с улучшенным качеством изображения. Разработаны совместимые системы телевидения повышенного качества (ТВПК), в которых устранены наиболее характерные искажения ТВ сигнала, несколько увеличена разрешающая способность, введен формат изображения 16:9 (стандарты MAC, PAL-плюс). Эти системы нельзя отнести к ТВЧ, так как параметры разложения изображения не изменяются.
Среди систем ТВЧ с временным разделением наиболее известна и одно время даже претендовала на роль мирового стандарта японская система MUSE (Multiple sub>-Nyquist Sampling Encoding -кодирование с многократной субдискретизацией), предназначенная для передачи сигналов ТВЧ по спутниковому каналу с полосой 27 (24) МГц. Передача сигналов изображения в спутниковом канале осуществляется с помощью ЧМ, сигнала звукового сопровождения — методом четырехпозиционной ФМ. Основные характеристики сигнала MUSE:
Развертка...............................……… Чересстрочная с перемежением 2:1
Число строк исходного изображения .................... 1125
Частота полей, Гц .........................………............... 60
Формат изображения ..................…….................... 16:9
Разрешающая способность, пиксел:
--в канале яркости ........................…............ 1496
--в канале цветности ..................................... 374
Частота дискретизации, МГц …............................ 48,6
Полоса частот видеосигнала
по уровню — 3 дБ, МГц. ................……................8,1
Метод модуляции несущей ......…......................... ЧМ
Девиация частоты, МГц. ........……....................... 10,2
Полоса частот радиоканала, МГц ......................... 24
Необходимое отношение несущая - шум
на приеме. дБ .....................................…………...... 17
Число звуковых каналов ................………………. 2/4
Цифровая фазовая модуляция или фазовая манипуляция
Чтобы передавать данные с высокой скоростью, требуемой для цифрового спутникового ТВ, необходимо либо уменьшить число циклов на положение передаваемого сигнала, либо увеличить частоту передачи сигнала. Ясно, что увеличивать частоту передачи сигнала неразумно, поскольку существует ограничение ширины полосы пропускания канала. Существует также ограничение числа циклов, поскольку обычные демодуляторы, такие, как демодуляторы с фазовой автоподстройкой частоты, обладают ограниченной переходной характеристикой, и процесс захвата новой частоты может занять у них несколько циклов. В связи с тем, что каждую цифру необходимо передать не более, чем за один цикл, для захвата частоты просто недостаточно времени, поэтому следует признать, что применение FSK для спутникового ТВ было бы нецелесообразным, так как потребовало бы слишком широкой полосы частот. В этом случае нужно использовать цифровую систему передачи, которая позволяет увеличить скорость передачи данных без необходимости увеличения полосы частот. Сам модулирующий сигнал перед передачей можно сжать при помощи различных методов, но остается проблема, связанная с применением более эффективного метода модуляции, чем FSK (частотно фазовая манипуляция ). Таким методом может служить одночастотный вариант модуляции - цифровая фазовая модуляция, которую также называют фазовой манипуляцией (PSK). При данном методе изменяется фаза несущей, а не ее частота.
Фазовая модуляция (ФМ) имеет близкое отношение к частотной и хорошо подходит для многопозиционной цифровой передачи сигнала. Как и при ЧМ, анализ спектра является достаточно сложным и оба спектра оказываются похожими. Основной процесс фазовой манипуляции показан на рис. 2.4,а. Фаза несущей изменяется по цифровому сигналу сообщения. В данном примере сигнал двоичного 0 передается в качестве сигнала о сдвиге фазы несущей на 0°, а сигнал двоичной 1 представляет сдвиг фазы на 180°. Сдвиг фазы несущей на 180° можно осуществить путем ее умножения на -1 (инверсии). Поэтому если в сигнале сообщения для изменения бинарных положений 1 и 0 в положения -1 и +1 используется преобразование с отрицательной логикой, то двухфазовая PSK может осуществляться при помощи простого умножителя, как это показано на рис. 2.5,а. Изменение фазы, происходящее под воздействием сигнала сообщения, называется девиацией фазы, и ее величина может меняться при изменении чувствительности (крутизны характеристики) модулятора. В принципе,
ЧМ может выполняться путем интегрирования сигнала сообщения и подачи его на фазовый модулятор. И наоборот, фазовая модуляция может осуществляться путем дифференцирования сигнала сообщения и подачи его на частотный модулятор. Этим и объясняется сходство.

Рис 2.4. Фазовая манипуляция PSK (a), относительная фазовая манипуляция DPSK (б).
Процесс демодуляции в приемнике, показанный на рис. 2.5.б, можно выполнить, используя детектор произведения (перемножающий демодулятор), который эффективно перемножает принятый PSK сигнал с местной генерируемой опорной несущей, восстанавливая таким образом оригинальный сигнал сообщения.

Рис. 2.5. Модуляция методом PSK (a), демодуляция методом PSK (б).
Относительная фазовая манипуляция
При демодуляции трудно точно генерировать сигнал опорной несущей, о которой говорилось в предыдущем примере с использованием метода PSK. поскольку фазовые соотношения на любой частоте из-за понижающего преобразования могут медленно меняться при прохождении сигнала по линии связи. Решение данной проблемы состоит в использовании относительной фазовой манипуляции (DPSK), где изменения фазы происходят по отношению к фазе предыдущего положения передаваемого сигнала. Принцип действия DPSK для сравнения с методом обычной PSK показан на рис 2.4.б. Частота опорной несущей во время демодуляции восстанавливается только из предыдущего принятого положения сигнала, что в значительной степени устраняет воздействие непредсказуемых (случайных) изменений фазы на линии связи. Система работает следующим образом. Фазой опорной несущей для сигнала В является фаза сигнала А. Фаза опорной несущей для сигнала С - это фаза несущей В, и т. д. В действительности, значений фазовых сдвигов на 0° следует избегать, так как приемник всегда принимает сдвиги фазы на скорости передачи данных. Например, +90° и +270° для 0 и 1 могут быть использованы вместо 0° и 180°; таким образом исключаются длинные периоды немодулированной несущей, которые могут привести к значительной концентрации энергии в определенных участках спектра, в результате чего возникает интерференция.
Квадратурная фазовая манипуляция
Квадратурная фазовая манипуляция (QPSK или 4-PSK) представляет собой дальнейшее развитие метода PSK, в котором для заданной частоты несущей скорость передачи данных эффективно удваивается без увеличения скорости передачи сигнала. Недостатком данного метода является падение отношения S/N при демодуляции. При QPSK каждая позиция сигнала кодируется дибитом. Обычно используются четыре позиции (положения) сдвига фазы на 90°: +45°, +135°, +225° и +315°. Не забудьте, что положение фазы 0° редко используют на практике, чтобы исключить длинные периоды немодулированной несущей. Переход от двухпозиционной системы передачи сигнала к четырехпозиционной означает, что скорость передачи данных, измеряемая в битах в секунду, больше, чем скорость передачи сигнала в бодах. Фазовые соотношения в системе QPSK, где четыре дибита кодируются четырьмя значениями сдвига фазы, приведены в табл. 2.2. Основной принцип возможной реализации QPSK-модуляции сигнала показан на рис. 2.6. Две несущие одной и той же частоты, сдвиг фаз между которыми составляет 90°, поступают на пару умножителей. На каждый умножитель с одинаковой скоростью подаются цифровые входные сигналы +1 (сигнал двоичного 0) или -1 (сигнал двоичной 1), использующие, как и в предыдущих примерах, отрицательную логику. Выходные сигналы умножителей представляют собой такой же кодированный сигнал, как и в описанном ранее простом случае. То есть двоичная единица представлена сдвигом фазы на 180°, а двоичный нуль — сдвигом фазы на 0°. Основное отличие от обычной PSK состоит в том, каким образом эти выходные сигналы комбинируются сумматором. Сумматор создает окончательный выходной сигнал, соответствующий четырем возможным комбинациям сигнала сообщения, как это показано в табл. 2.2. Фазовая диаграмма (см. рис. 2.7.) представляет в фазовой форме положения табл. 2.3. и четко демонстрирует, как четыре значения сдвига фазы, или кодовых вектора, на +45°, +135°, +225° и +315° представляют дибит, получаемый от сложения двух выходных модулированных сигналов.

Рис. 2.6. Реализация метода QPSK модуляции.
Обратный процесс демодуляции приведен на рис. 2.8. Приходящие сигналы подключаются параллельно к двум перемножающим демодуляторам и генератору опорной несущей. Опорная несущая восстанавливается из принятого сигнала со скоростью передачи данных таким же образом, как это ранее было описано для метода DPSK. Эта несущая поступает непосредственно на один фазовый детектор и через схему сдвига фазы на 90° на другой фазовый детектор. Дибит восстанавливается путем проверки размера выходного сигнала с каждого перемножающего демодулятора со скоростью передачи данных, представленной в табл. 2.3. Преимущество метода QPSK заключается в возможности работы при мощности транспондера, близкой к насыщению (максимальное значение мощности), поэтому данный метод обладает высокой эффективностью использования энергии. Кроме того, он хорошо подходит для двойной поляризации, поскольку имеет очень низкую чувствительность к интерференции от других цифровых систем.

Рис.2.7. Фазовая диаграмма QPSK модуляции.
Таблица 2.2. Изменения фазы, производимые положениями передаваемого сигнала в QPSK.

Таблица 2.2. Таблица выходных сигналов демодулятора.


Рис. 2.8. Демодуляция сигнала QPSK.
2.2 Система DVB/MPEG-2
Международные стандарты для цифрового ТВ вещания были приняты в 1994 году. Это стандарты ISO/IEO 13818-1 (MPEG-2 Systems), 150/IEC 13818-2 (MPEG-2 Video) и ISO/IEO 13818-3 (MPEG-2 Audio).
Стандарт MPEG-2 определяет форматы кодирования для всех способов передачи цифровых сигналов ТВ вещания, позволяющих получить ТВ изображения высокого качества при скорости передачи данных от 4 до 9 Мбит/с. Он также эффективен при передаче данных с более высокой скоростью, которая требуется для HDTV (системы телевидения высокой четкости).
Сегодняшняя система аналогового ТВ использует чересстрочную развертку и содержит как поля, так и кадры. При кодировании сокращением избыточности блоки формируются либо на основе полей, либо на основе кадров, как было описано ранее, в зависимости от содержания изображения или от интенсивности перемещений в кадре. В вопросах внедрения систем, соответствующих требованиям стандарта MPEG-2, производители декодеров имеют достаточную свободу действий в пределах технических характеристик системы. Некоторые варианты реализации системы могут работать лучше, чем другие.
Существуют определенные положения концепции DVB (цифрового ТВ вещания), которые являются общими для всех составляющих ее систем. Они заключаются в следующем:
-- системы формируются из пакетов фиксированной длины, позволяющих гибко сочетать MPEG-2 видео, звук и данные;
-- все системы используют единый стандарт уплотнения транспортного потока MPEG-2;
-- все системы используют систему служебной информации (SI), обеспечивающую параметры программирования;
-- все системы используют общий внешний код (188, 204) Рида-Соломона с предварительной коррекцией ошибок;
-- метод модуляции и системы дополнительного канального кодирования выбираются в соответствии с требованиями службы провайдера;
-- во всех системах применяется общий метод скремблирования и система условного доступа.
Система DVB-S
Система цифрового ТВ вещания DVB-S (Digital Video Broadcasting -Satellite) предназначена для спутниковых каналов связи при ширине полосы пропускания транспондеров от 26 до 72 МГц, которая используется на подавляющем большинстве существующих ТВ спутников, таких как группы спутников Astra и Hotbird.
DVB-S представляет собой систему с одной несущей; ее удобнее описывать, используя аналогию с луковицей. Сердцевина «луковицы» - это материал программы (основная полезная нагрузка), а внешние слои надстраиваются сверху, чтобы защитить программу от ошибок во время передачи. Официальное название такой многослойной системы - «MPEG System Layer».
Полезная нагрузка может состоять из многих каналов, уплотненных с разделением во времени, располагающихся на одной несущей в режиме МСРС («много каналов на одну несущую»), или из одного канала при совместном использовании транспондера спутника в режиме SCPC («один канал на одну несущую»). Режим МСРС обеспечивает максимальное использование транспондера и позволяет оператору осуществлять передачу на полной мощности. Режим SCPC позволяет различным передающим станциям получить доступ к общему или поделенному транспондеру. Чтобы уменьшить интермодуляционную интерференцию между несущими при использовании одного транспондера, для режима SCPC применяется метод модуляции OQPSK (квадратурной фазовой манипуляции со сдвигом).
Видео-, аудио- и другие данные организуются в пакеты фиксированной длины (контейнеры) по 188 бит, включая 4-битовый заголовок. Затем предпринимаются следующие шаги:
1. В заголовок каждого восьмого пакета добавляется свой инвертированный байт синхронизации.
2. Содержимое пакета рандомизируется (перемешивается) заранее определенным образом.
3. Для пакетных данных применяется эффективный широкосистемный внешний код, заключающий в себе код (188, 204) Рида-Соломона с предварительной коррекцией ошибок и дополненный фиксированным 16-байтовым вспомогательным заголовком в виде (204 - 188) х 100/188 = 8, 51%.
4. Для содержимого пакета применяется сверточное чередование.
5. Добавляется второй (внутренний) код. Этот сверточный код может иметь размер вспомогательного заголовка, который регулируется в соответствии с требованиями вещателя.
6. Сигнал модулирует несущую спутникового вещания при помощи метода QPSK. Потоки многих каналов могут быть уплотнены с временным разделением (ТDМ) в единый MPEG-2 транспортный поток.
Система автоматически адаптируется к изменениям характеристик канала. В пределах параметров линии связи вещатель может варьировать двумя переменными: общим размером структуры сигнала и внутренним кодом, исправляющим ошибки. Приемник путем быстрого подбора будет автоматически настраиваться на передаваемые параметры. Например, вещатель может выбрать в качестве внутреннего кода сверточный код с коэффициентом 3/4.
Система DVB-SI
Стандарт MPEG-2 включает в себя программную специальную информацию (PSI), помогающую декодеру захватывать и декодировать структуру пакета. Эти данные передаются для автоматической конфигурации декодера вместе с видео и звуком и позволяют восстанавливать передаваемую видеоинформацию.
Стандарт MPEG-2 позволяет использовать вторую, но уже открытую систему служебной информации (SI). Данные о конфигурации декодера доступны в PSI, но система DVB-SI содержит дополнительную информацию, которая требуется для автоматической настройки приемника. Это необходимо из-за очень большого числа каналов, которые будут доступны в будущем. Понятно, что пользователю потребуется помощь в настройке. Дальнейшим применением для системы DVB-SI является развитие электронных программных путеводителей (EPG).
DVB-SI состоит из четырех главных таблиц и некоторого числа дополнительных:
-- NIT (Network Information Table) - таблица сетевой информации, в которой сгруппированы службы от конкретного вещателя. Здесь содержится вся информация по настройке для совмещенных приемников/декодеров (IRD). Она также используется для смены сигнала в информации о настройке;
-- SDT (Service Description Table) - таблица описания службы. Содержит список названий и систематизированных параметров, соответствующих конкретной службе;
-- EIT (Event Information Table) - таблица, использующаяся для передачи информации о технических параметрах уплотнения MPEG-2, например FEC и применяемый метод модуляции;
-- ТDТ (Time Date Table) - таблица, содержащая информацию о текущем значении времени и дате для обновления часов в IRD;
-- ВАТ (Bouquet Association Table) - дополнительная таблица соответствия, предоставляющая информацию о группах служб, связанных с конкретной службой провайдера (например, многоканальный пакет Sky). Конкретная служба может принадлежать более чем одному пакету программ;
-- RST (Run Status Table) - дополнительная таблица рабочего (текущего) состояния, обеспечивает подробную информацию о текущей программе или службе, а возможно также и информацию о других службах;
-- ST (Stuffing Table) - дополнительная таблица, которая используется для замены, аннулирования или модификации других таблиц SI.
Стандарт MPEG-2 Audio
Для кодирования звука используется спецификация 2 уровня MPEG (MUSICAM). MUSICAM (Masking pattern adapted Universal sub>-band Integrated Coding And Multiplexing) - универсальная интегрированная система поддиапазонного кодирования и мультиплексирования с маскированием, адаптированная к структуре сигнала. Система обеспечивает передачу звука CD качества на довольно низкой скорости, является очень гибкой в возможностях передачи моно-, стерео-, объемного звука или звука на нескольких языках. При использовании этого цифрового метода сжатия информации одна звуковая составляющая доминирует над другими составляющими, имеющими близкий, но более низкий уровень фоновых звуков или шумов, которые не будут слышны даже при воспроизведении с высоким качеством. Таким образом, избыточная информация не подвергается кодированию.
Стандарт MPEG-2 Video
В настоящее время стандарт MPEG-2 Video состоит из четырех исходных форматов:
-- Low level (низкий уровень). Это обычный формат качества VHS (или несколько лучше) со скоростью передачи информации примерно от 2 до 4 Мбит/с;
-- Main level (главный уровень). Формат студийного качества ITU-R ВТ601 со скоростью передачи информации около 9 Мбит/с;
-- High-1440 level (высокий 1440 уровень). Это формат высокой четкости, использующий 1440 отсчетов на строку;
-- High level (высокий уровень). Это формат высокой четкости, использующий 1920 отсчетов на строку.
Стандарт MPEG-2 Video также содержит гибкую систему методов сжатия данных, которая разделяется на профили. Каждый профиль определяет различный набор методов сжатия, возрастающих по сложности и стоимости реализации, и обладает полной обратной совместимостью с профилями, которые предшествуют ему по списку (например, декодер главного профиля будет также декодировать изображения простого профиля). Данные профили в общих чертах описаны ниже:
-- простой профиль. Использует минимум способов сжатия и применяется в самых недорогих моделях приемников;
-- главный профиль. Включает все способы простого профиля и дополнительно содержит предсказание по двум направлениям. Это обеспечивает лучшее качество изображения, чем при использовании простого профиля при одной и той же скорости передачи информации. Декодер главного профиля будет декодировать изображения простого профиля, однако он намного дороже. Строка последовательных цветоразностных сигналов может быть позже добавлена к этому профилю;
профиль, масштабируемый по отношению S/N. Обеспечивает дополнительные способы по улучшению отношения S/N, в настоящее время не поддерживается в системе DVB из-за возрастающей сложности декодера;
пространственно масштабируемый профиль. Проблемы его использования подобны описанным в предыдущем пункте; в настоящее время не поддерживается в системе DVB по тем же причинам;
высокий профиль. С его помощью можно кодировать строку одновременных цветоразностных сигналов. Он также предназначен для наиболее престижных систем, использующих очень высокую скорость передачи данных.
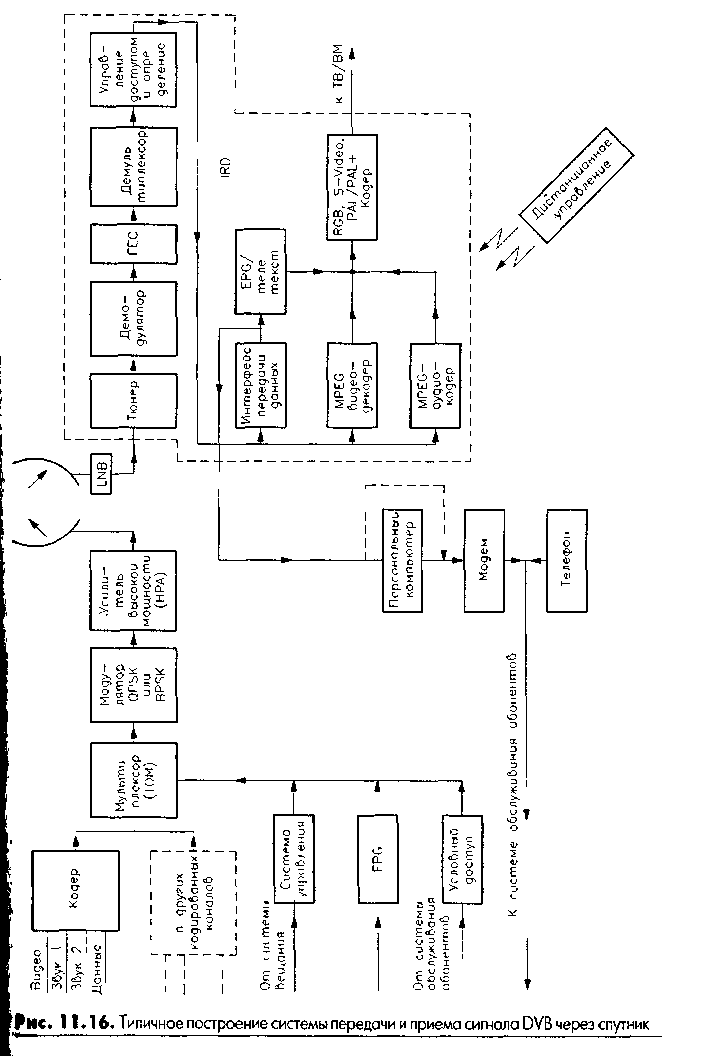
Первое поколение европейских моделей совмещенных приемников/декодеров IRD будет удовлетворять требованиям главного уровня, главного профиля вещания студийного качества с числом строк 625 и форматами изображения 4: 3, 16: 9 или 20: 9. Вещатели могут выбирать меняющуюся или постоянную скорость передачи данных, учитывая, что более высокие скорости передачи данных позволяют воспроизводить изображения с меньшими ошибками кодирования. Сегодняшнее качество изображений PAL и SECAM может быть получено при скорости передачи данных около 5-6 Мбит/с. Система MPEG особенно подходит для фильмов с частотой 24/25 кадров в секунду, поскольку их легче кодировать, чем видеофильмы, и они хорошо смотрятся даже при низкой скорости передачи данных. Типичная структурная схема полной системы передачи и приема сигнала DVB приведена на рис. 2.2.1
Система DirecTV
Система DirecTV, работающая в США и Европе, была создана в 1994 году и явилась первой системой непосредственного вещания сжатого цифрового ТВ сигнала. Система, использующая все 32 (или больше) лицензионные частоты спутника DBS, находящегося в позиции 1010 W, была предназначена для распределения 150 каналов потребителям, имеющим небольшие антенны диаметром 45 см и соответствующие модели IRD. Частоты вещания на линии связи вверх находятся в диапазоне 17, 3-17. 8 ГГц, а на линии связи вниз - 12, 2-12, 7 ГГц. Каждый транспондер способен обеспечить передачу четырех эфирных ТВ каналов или восьми каналов, передающих ТВ фильмы.

Рис. 2.2.1. Типичное построение системы передачи и приема сигнала DVB через спутник.
Каждый спутник имеет следующие технические характеристики:
Азимутальное расположение 101° западной долготы
Число транспондеров на борту 16
Мощность каждого транспондера 120 Вт
Ширина полосы каждого транспондера 24 МГц
Поляризация круговая
Зона обслуживания вся территория США и Европа.
Сжатая видеоинформация от любого источника уплотняется с временным разделением (TDM) в единый последовательный поток данных, что позволяет изменять число битов в секунду, выделенных для каждого источника, в соответствии с содержанием или форматом канала. До компрессии скорость передачи сигнала составляет 270 Мбит/с, а после MPEG-сжатия снижается до 3, 75-7, 5 Мбит/с, что соответствует коэффициенту сжатия в пределах от 36: 1 до 70: 1. Уплотнение с временным разделением обеспечивает скорость передачи, приближающуюся к 30 Мбит/с, что эквивалентно передаче от 4 до 8 ТВ каналов (в зависимости от содержания).
Достоверность сигнала DBS поддерживается мощной системой коррекции ошибок, базирующейся на сочетании сверточных кодов с кодом Рида-Соломона. Таким образом, сигнал DBS полностью защищен во время прохождения к декодирующей аппаратуре клиента, фактически гарантируется, что доступность сигнала составляет 99, 7% для среднего года. Канальное кодирование, которое имеет много особенностей, достаточно сложно с математической точки зрения. Но, поскольку все подробности реализации скрываются внутри микросхем, его детальное описание не входит в задачу данной книги. Поток данных модулирует несущую методом QPSK.
3. Качественные показатели каналов спутниковых линий
Качественные показатели каналов телевидения
Каналы и тракты спутниковых линий, входящие во взаимоувязанную сеть связи (ВСС) страны, нормируются на основе действующих в России единых для наземных и спутниковых систем связи и вещания норм и стандартов на каналы, групповые и цифровые тракты, а с учетом вхождения их в международные сети связи — также в соответствии с документами международных организаций МККР (теперь Сектор радиосвязи МСЭ-Р) и МККТТ (теперь Сектор стандартизации МСЭ-Т), входящих в МСЭ.
Классификация спутниковых ТВ каналов
В спутниковых системах передачи организуются три типа ТВ каналов: магистральные каналы, распределительные для подачи ТВ программ в зоновые и местные ТВ сети и каналы для подачи (вещания) программ на установки индивидуального пользования.
Спутниковые магистральные ТВ каналы, организуемые на базе приемных станций «Орбита» и «Москва», по назначению и качественным показателям соответствуют магистральным ТВ каналам радиорелейных и кабельных линий, и обе линии вверх и вниз в них работают в диапазонах фиксированной спутниковой службы. Для организации телевизионных репортажей с мест актуальных событий широко применяются спутниковые транспортируемые видеорепортаж-ные станции. Эти каналы изображения телевидения и звукового сопровождения телевидения должны отвечать требованиям на магистральный канал.
Спутниковые системы распределительные или подачи (вещания) программ на индивидуальные приемные установки системы, как правило, организуются в диапазоне ФСС на линии вверх — с помощью так называемых фидерных линий и в диапазоне вещательных служб — на линии вниз.
Под ТВ каналом подразумевается совокупность двух каналов — изображения и звукового сопровождения.
Спутниковые распределительные ТВ каналы с приемными установками I класса, например типа «Экран-ПП», должны быть эквивалентны по качественным показателям каналу наземной линии, состоящему из магистрального и внутризонового каналов.
Спутниковые распределительные ТВ каналы с приемными установками II класса для коллективного приема, например, типов «Экран-ПА», «Экран-КР», «Экран-КР10», предназначены для распределения программ центрального телевидения в населенные пункты с числом жителей 2.. .3 тыс. чел. (в местные сети распределения ТВ) с помощью маломощных (1; 10 Вт) ТВ ретрансляторов или сетей кабельного телевидения. К ним относятся и установки коллективного приема ТВ систем вещательного телевидения на базе отечественных спутников «Галс» или предназначенные для приема зарубежных программ, на базе спутников Astra, которые могут работать в разных диапазонах частот. Так, как известно, система «Экран» работает в диапазоне 700 МГц, а приемные установки новых разработок рассчитаны на прием программ в диапазонах фиксированной и вещательной служб в диапазонах 11 и 12 ГГц.
Спутниковые каналы для приема телевидения на установки индивидуального приема фактически состоят из канала подачи программ на линии вверх и канала вещания ТВ.
Гипотетические эталонные цепи

Рис.3.1.1. Гипотетическая эталонная цепь канала изображения спутниковой линии.
Для удобства нормирования и сравнения на общей основе каналов с различными структурами и длинами вводят гипотетические эталонные цепи (ГЭЦ); ГЭЦ магистрального канала изображения дана на рис. 3.1.1., содержит лишь одну линию Земля – спутник - Земля, причем она может содержать линию спутник - спутник. На земной передающей станции имеется модулятор для переноса модулирующего спектра основной полосы на ВЧ несущую, а на земной приемной станции — демодулятор для переноса сигнала с ВЧ несущей на модулирующие частоты. Обычно при нормировании активные соединительные линии между земными станциями ЗС и коммутирующими центрами в ГЭЦ не включаются. С учетом средней длины спутниковых ТВ каналов и их функций принято, что спутниковый магистральный канал изображения по показателю отношение сигнал - взвешенный шум эквивалентен магистральному каналу наземной линии, состоящему из двух каналов длиной по 2500 км. По остальным показателям спутниковый канал изображения эквивалентен наземному магистральному каналу длиной 2500 км. В ГЭЦ канала

Рис. 3.1.2. Уровни в полном цветовом сигнале: L — номинальный размах сигнала яркости от уровня гашения до уровня белого, 700 мВ; S — номинальная амплитуда строчного синхронизирующего импульса, 300 мВ; М — номинальный размах черно-белого сигнала от уровня синхронизирующих импульсов до уровня белого, 1 В; D — мгновенное значение сигнала яркости по отношению к уровню черного; F — мгновенное значение амплитуды цветового сигнала; G — пиковая амплитуда сигнала цветности; Н — размах полного цветового телевизионного сигнала от уровня синхронизирующего импульса до уровня установившегося максимального значения цветовой поднесущей на уровне белого, 1107 мВ; Н' — мгновенное значение размаха полного цветового ТВ сигнала; J — защитный интервал — разность между уровнем черного и уровнем гашения (установочная — O...SO мВ); К — размах цветовой поднесущей — 214 мВ в красных строках и 167 мВ в синих строках.
II класса дополнительно к элементам магистрального канала включают модулятор для получения стандартного ОБП-АМ вещательного сигнала на частоте стандартного наземного вещания в соответствии с ГОСТ 7845-92 и контрольный телевизионный демодулятор в соответствии с ГОСТ 20532-83, выделяющий ТВ модулирующий сигнал.
Уровни ТВ сигнала
Каналы изображения спутниковых линий предназначены для передачи сигналов черно-белого и цветного изображений, удовлетворяющих требованиям ГОСТ 7845-92. В России используется система цветного телевидения СЕКАМ, в которой информация о цветности передается методом ЧМ на поднесущих. Уровни полного цветового сигнала этой системы приведены на рис. 3.2.
Отношение сигнал-шум
Отношение сигнал-шум в канале изображения является важным показателем для энергетического расчета ТВ систем и планирования сетей вещания. В каналах изображения нормируются отношение сигнал - взвешенный шум, равное (в децибелах) отношению амплитуды от пика до пика сигнала изображения (параметр L на рис. 3.1.2) к эффективному значению шума, измеренному взвешивающим фильтром с полосой от 10 кГц до верхней частоты сигнала 6 МГц. Амплитудно-частотная характеристика взвешивающего фильтра позволяет учесть свойства зрения при восприятии флуктуационных помех в различных участках спектра. Используемый в настоящее время на новых спутниковых линиях подачи ТВ взвешивающий фильтр с т = 245 нс (рис. 3.1.3) в соответствии с Рек. МККР 567 позволяет захватить и область частот, в которой находятся поднесущие, содержащие информацию о цвете. Шумы измеряются прибором для измерения эффективных значений, их уровень определяется по формуле

где U>эф> >ш> — эффективное значение взвешенного шума, U>c> >разм> — размах видеосигнала между уровнями черного и белого (параметр L).
Нормированное отношение сигнал-шум должно выполняться в течение 99 % времени любого месяца. Допускается ухудшение нормированного отношения на 8 дБ в течение 0,1 % времени любого месяца. Нормирование в малом проценте времени особенно актуально для систем, работающих в диапазонах выше 10 ГГц.
В Рек. МККР 567-3 предлагается, чтобы полоса, в которой измеряется взвешенный шум, была равна 5 МГц. Но в нашей стране принято измерять шум в полосе 6 МГц, поскольку сигнал системы СЕКАМ занимает эту полосу. Полоса измерения формируется фильтром подавления НЧ помех (от сети питания и микрофонного шума) (АЧХ 1, рис. 3.1.4), взвешивающим фильтром с постоянной времени т = 245 нc (АЧХ 1, рис. 3.1.3). Во внедренных ранее системах применяется фильтр с постоянной времени t = 330 нс (АЧХ 2, рис. 3.1.3) и фильтром нижних частот, ограничивающим полосу измерения помех (АЧХ для f>в> = 6 МГц, рис. 3.1.5).
Измерения с унифицированным для разных ТВ стандартов взвешивающим фильтром по Рек. МККР 567-3 с постоянной времени т = 245 нc для измерения флуктуационных помех в каналах черно-белого и цветного телевидения позволяют нормировать единое отношение сигнал - взвешенный шум при измерении в одинаковых условиях для разных ТВ стандартов. При этом шум для всех стандартов должен измеряться в полосе 5 МГц, формируемой фильтром нижних частот ФНЧ (АЧХ на рис. 3.1.6), схема которого аналогична схеме ФНЧ с полосой 6 МГц, но номиналы элементов другие. Низкочастотные помехи также подавляются специальным фильтром.

В табл. 3.1 приводятся нормы на отношение сигнал - взвешенный шум, получаемые при измерениях взвешивающим фильтром с т = 245 и 330 нc в полосе 6 МГц.
В системах передачи ТВ сигнала с частотной и амплитудной модуляцией для повышения помехоустойчивости сигналов применяют линейные частотные предыскажения видеосигнала на передающей стороне и частотное восстановление — на приемной (Рек. МСЭ-Р 405, рис. 3.1.7).
Коэффициенты пересчета влияния контуров восстановления предыскаженного сигнала и взвешивающей цепи отдельно и вместе на значение защищенности от белого шума и шума с треугольной формой спектра приведены также в табл. 3.1. Треугольную форму имеет спектр шума на выходе спутникового канала, в котором сигнал ТВ передается ТВ методом ЧМ. На участке ретрансляции сигнала для потребителей применяется ОБП-АМ, спектр шума на выходе демодулятора AM сигнала равномерный.
Из табл.
3.1 следует, что
при треугольной форме спектра шума
совместное действие цепей восстановления
и взвешивания унифицированной цепью с
= 245 нс при передаче и измерении сигнала
в полосе 6 МГц дает выигрыш 14,3 дБ и при
белом шуме 1,7 дБ, при
= 330 нс при
передаче и измерениях в той же полосе
— соответственно 18,1 и 1,9 дБ. Эти выигрыши
и учитываются при расчетах энергетики
ЧМ и ОБП-ТВ систем.
Исходя из
технических, организационных и
экономических соображений и в соответствии
с установленной эквивалентной длиной
канала ГЭЦ в спутниковых каналах
нормируются следующие отношения сигнал
- взвешенный шум (с учетом контуров
восстановления и унифицированного
взвешивающего фильтра) на краю зоны
обслуживания: в магистральных каналах
— 50 дБ, в каналах распределения ТВ с
приемными установками I
и II
класса при эфирном вещании — 46 дБ и в
каналах распределения ТВ с приемными
установками II
класса при подаче на кабельные системы
и приеме на индивидуальные установки
— 42 дБ. При использовании взвешивающего
фильтра с постоянной времени
= 330 нc значения отношения сигнал-шум
увеличиваются примерно на 4 дБ.
Низкочастотная периодическая помеха (фон) измеряется при включении на выходе канала фильтра для выделения низкочастотных помех. Отношение размаха сигнала от уровня гашения до уровня белого к размаху фоновой помехи составляет 35. . .40 дБ (табл. 3.2).
Допустимые линейные и нелинейные искажения сигнала в магистральном канале нормируются в основном в соответствии с ГОСТ 19463-89. Спутниковые магистральные каналы изображения для распределения программ ТВ нормируются в соответствии с Правилами технической эксплуатации средств вещательного телевидения. Спутниковые магистральные каналы с установками коллективного и индивидуального приема систем непосредственного приема программ телевидения нормируются в соответствии с ГОСТ Р 50788-95.
В настоящее время в международных и национальных организациях интенсивно исследуются и активно разрабатываются стандарты цифрового стандартного, повышенного и высокой четкости качества телевидения с устранением избыточности ТВ сигналов и с соответствующим уменьшением скорости передачи, а также соответствующие методы передачи в ВЧ трактах, в частности спутниковых, формируются требования на канал изображения по аналоговым выходам. Проводятся большие исследования субъективного качества цифрового ТВ.
Разрабатывается семейство стандартов сжатия цифрового ТВ сигнала типа MPEG — Moving Pictures Experts Group.


Стандарт MPEG-1, регламентирующий способ передачи цифрового ТВ сигнала на скоростях до 1,5 Мбит/с, в наибольшей степени подходит для электронной фотографии, видеоконференцсвязи, для мультимедиа, Т.е. для тех применений, где требуется передача неподвижных изображений с малой разрешающей способностью. Стандарт MPEG-2 оптимален для видеосистем с более высокоскоростными потоками. Первоначально предусматривалась скорость передачи от 4 до 15 Мбит/с, но для обработки видеопрограмм в студиях могут использоваться и скорости до 100 Мбит/с. В этих стандартах в едином информационном потоке передаются видеосигналы, звуковые сигналы и данные. Гибкость алгоритмов, используемых обеими системами MPEG, позволяет в будущем наращивать структуры оборудования для расширения функциональных возможностей только путем усовершенствования блока кодера. Все остальные функциональные элементы систем остаются прежними, и даже не требуется вносить изменений декодер на приемной стороне.
Существует до одиннадцати стандартов MPEG-2. Качество передачи в этих стандартах в основном оценивается субъективно: сложность субъективных испытаний состоит в отсутствии согласованных испытательных последовательностей изображений. Что касается нормирования каналов изображения, то в МСЭ-Р и МСЭ-Т согласовано мнение, что канал, составленный из аналоговых и цифровых секций, как и составленный только из аналоговых секций, должен отвечать рекомендациям на параметры и методы измерений Рек. МККР 567, в которую будут добавлены параметры и методы измерений для цифрового кодирования.
В связи с отсутствием согласованных решений по стандарту цифрового ТВ на международном и отечественном уровне требования к каналам изображения, организуемым цифровыми методами, постепенно пополняются и вносятся в Рек. МСЭ-Р 658. Заранее можно предположить, что в целом субъективное качество такого канала должно быть не хуже обеспечиваемого аналоговым каналом, отвечающим нормам Рек. МККР 567.
Универсальные блоки LNB
Теперь, когда цифровое ТВ вещание (DVB) становится общепринятым, существуют модифицированные разработки LNB, которые подходят для приема как аналоговых сигналов Кu-диапазона, так и цифровых сигналов во всем диапазоне частот 10,7-12,75 ГГц. Такие устройства стали называть универсальными LNB, и они хорошо приспособлены для приема сигналов со спутников Astra и Eutelsat.
Универсальные LNB охватывают (перекрывают) весь диапазон 10,7 - 12,75 ГГц и осуществляют понижающее преобразование сигнала при помощи местного генератора (гетеродина), который переключается в двух отдельных диапазонах ПЧ. Полученный сигнал затем может быть обработан приемником, находящимся внутри помещения, или совмещенным приемником/декодером (RD). Гетеродин частотой 9,75 ГГц переключается на выбранную спутниковую ПЧ нижней полосы (950-1950 МГц), а гетеродин частотой 10,6 ГГц используется для выбора спутниковой ПЧ верхней полосы (1100-2150 МГц) в распределительном устройстве.
Так как напряжение переключения 13/17 В уже используется для управления направлением поляризации, для управления частотой гетеродина во внутреннем приемнике применяется устройство дополнительного переключения. В недорогих блоках, распространяющихся на внутреннем рынке, применяется схемное решение, при котором по умолчанию включается гетеродин частотой 9,75 ГГц, а для включения по требованию гетеродина частотой 10,6 ГГц используется тоновый сигнал 22 кГц. Внутренний приемник вырабатывает все управляющие сигналы, необходимые как для поляризатора, так и для выбора полосы LNB, и посылает их вверх по коаксиальному кабелю к распределительному устройству, так что никаких дополнительных проводов не требуется. Имеются также варианты со сдвоенными выходами для питания двух отдельных приемников и двух полностью независимых переключаемых блоков LNB в одном и том же корпусе. Для таких недорогих блоков LNB номинальные значения коэффициента теплового шума в настоящее время составляют около 1,2 дБ.
Для приема сигналов всех расположенных рядом спутников SES системы Astra и Eutelsat Hotbird, находящихся соответственно в позициях 19,3°Е и 13°Е, необходим универсальный блок LNB, который покрывает все диапазоны FSS (10,7-11,7 ГГц), DBS (11,7-12,5 ГГц) и Telecom (12,5-12,75 ГГц). Спутники системы Astra имеют транспондеры с полосой пропускания 27 ГГц, а спутники Eutelsat Hotbird -транспондеры с полосой пропускания 33 ГГц. Распределение диапазонов и ввод в действие соответствующих станций спутников связи приведены в табл. 3.2.
Таблица 3.2. Ввод в действие станций спутников SES Astra и Eutelsat Hotbird

На свободном рынке и у кабельных операторов используются широкополосные двухвыходные устройства повышенного качества, в которых LNB обеспечивает два отдельных выхода для верхней (HI) и нижней (LO) полосы частот. Эти приборы обладают низким уровнем фазового шума, поэтому вполне подходят для приема сигналов нового цифрового ТВ стандарта. Для приема сигналов с двумя направлениями поляризации необходимо подключение ОМТ (разделитель поляризации - ортомод). Примером такого прибора является модель WDLNB 1000E производства фирмы Swedish Microwave которая обладает следующими основными параметрами:
-- Частота входного сигнала 10,7-12,5 ГГц
-- Коэффициент шума 0,8 дБ (номинальное значение), 1,0 дБ (максимальное значение)
-- Частота выходного сигнала 950-1950 МГц (нижняя полоса), 1100-2150 МГц (верхняя полоса)
-- Коэффициент усиления 52 дБ (±4 дБ)
-- Частота гетеродина 9,75 ГГц (нижняя полоса), 10,6 ГГц (верхняя полоса)
-- Фазовый шум гетеродина не более -75 дБ/Гц @ 10 кГц
-- КСВ на выходе (SWR) не более 2
-- Избирательность по зеркальному каналу не менее 40 дБ
-- Уровень сигнала гетеродина на выходе в полосе 1700 МГц не более -30 дБмВт
-- Источник питания постоянного тока 12-20 В при токе потребления (через любой соединитель) не более 300 мА
4. Спутниковые приемники
После понижающего преобразования в конверторе сигналы поступают на вход спутникового приемника (ресивера), где происходит выбор сигнала конкретного канала для просмотра. Кроме того, принятый сигнал необходимо преобразовать в форму, пригодную для подачи на вход обычного ТВ приемника и/или стереоаппаратуры. Приемники могут быть отдельными устройствами или входить в состав обычного телевизора в качестве дополнительного блока и содержать как минимум следующие схемные блоки:
о блок питания;
о блок спутникового тюнера/демодулятора;
о каскады обработки видеосигналов;
о каскады обработки звуковых сигналов;
о модулятор ВЧ диапазона ДМВ (UHF).
Используемые термины и сокращения
АПЧ (автоматическая подстройка частоты) - это метод, посредством которого частота настройки приемника автоматически удерживается в оптимальной точке. Это уменьшает возможность ухода настройки под воздействием изменений температуры и влажности.
АРУ (автоматическая регулировка усиления) - это метод автоматического поддержания уровня напряжения сильных сигналов по отношению к слабым. Таким образом цепи обработки сигналов защищаются от эффектов перегрузки и поддерживается постоянный уровень выходного сигнала.
ВЧ (высокая частота, или радиочастота) - высокая частота несущей, промодулированная частотой сигнала.
Гетеродин (местный задающий генератор) — название синусоидального генератора (генератора синусоидального сигнала), который используется вместе с каскадом смесителя.
Девиация - мера того, насколько несущая частота отклоняется от своего номинального (центрального) значения модулирующим сигналом.
Коррекция предыскажений - процедура, обратная внесению предыскажений, методу, который применяется для подъема уровня (усиления) высоких частот перед передачей сигнала. Поскольку плотность шумов возрастает с частотой, последующая коррекция внесенных предыскажений (восстановление уровня) уменьшает уровень сигнала до номинальной величины и, следовательно, ослабляет высокочастотную составляющую шумов, приобретенную сигналом во время передачи.
MAC (уплотнение аналоговых составляющих) - ТВ система, применяющаяся для уменьшения эффекта перекрестной модуляции и совместимая с будущими ТВ разработками высокой четкости.
Основная полоса частот - термин, используемый для описания необработанных или исходных частот видеосигнала (до коррекции предыскажений и фиксации уровня) вместе с поднесущими частотами звука.
Полоса частот - общая ширина диапазона частот, занимаемая конкретным сигналом.
ПЧ (промежуточная частота) - термин, используемый для описания частоты сигналов на выходе понижающего преобразователя частоты (конвертора) или схемы смесителя (схемы изменения частоты).
Смеситель - схема, функцией которой является генерирование суммы и разности частот поступающего ВЧ сигнала и гетеродина.
ЧМ демодулятор - схема, с помощью которой происходит воссоздание исходного сигнала из ЧМ сигнала несущей. Данная схема иногда упоминается как дискриминатор.
РС
- сокращение, применяемое
для обозначения микропроцессора или
предварительно запрограммированной
интегральной схемы микроЭВМ
(микроконтроллера), которые часто
используются в системах управления и
в системах настройки с синтезаторами
частоты.
Тюнер/демодулятор
Спутниковый тюнер/демодулятор обычно изготавливается в виде единого блока или контейнера. Группа конвертированных с понижением частот (каналов) поступает от LNB через коаксиальный кабель на вход блока тюнера/демодулятора.
Внутри корпуса тюнера чаще всего размещаются следующие схемные блоки:
о инжектор напряжения питания постоянного тока для LNB;
о изолятор по постоянному току входа тюнера от источника напряжения питания LNB;
о ВЧ каскад, управляемый схемой АРУ, и фильтр;
о каскад второго понижающего преобразователя частоты (вторая ПЧ);
о ЧМ демодулятор;
о каскад АРУ;
о каскад АПЧ.
Типичная структурная схема модуля спутникового тюнера/демодулятора приведена на рис. 4.1.

Инжектор напряжения питания LNB
Напряжение постоянного тока, необходимое для питания блока LNB, составляет 15-24 В. Это напряжение, поступающее от источника питания приемника, вводится на вход кабеля для подачи на LNB. Вход ВЧ каскада приемника должен быть защищен от этого напряжения, поэтому в состав блока включается схема изоляции по постоянному току. Изоляция может осуществляться путем установки на входе конденсаторов или трансформаторов. В некоторых спутниковых приемных системах также применяется метод переключения поляризатора V/H при помощи изменения уровня напряжения. Это достигается за счет передачи вверх по кабелю напряжения постоянного тока. Например, напряжение 13 В может использоваться для переключения поляризатора на прием сигналов с вертикальной поляризацией, а напряжение 17 В - для переключения поляризатора на прием сигналов с горизонтальной поляризацией.
ВЧ каскад, управляемый схемой АРУ
Группа приходящих каналов поступает на вход ВЧ каскада. В этом каскаде часто происходит некоторая предварительная настройка выбранного канала и усиление сигнала по ВЧ. Усиление управляется напряжением, поступающим с выхода каскада второй ПЧ, поскольку сильные сигналы требуют меньшего усиления, чем слабые. Как правило, процесс настройки управляется микросхемой микроЭВМ или процессором настройки, вследствие чего управляющее напряжение заставляет изменяться напряжение смещения, которое прикладывается к варикапам (переменным конденсаторам) диодных схем. Однако основная настройка и фильтрация сигнала происходит в каскадах второго преобразователя частоты и ВЧ усилителя.
Каскады гетеродина и смесителя
Выходной сигнал гетеродина и приходящий ВЧ сигнал поступают на каскад смесителя, где генерируются как суммарные, так и разностные сигналы требуемого канала. Поскольку далее используется только разностный сигнал, полоса частот суммарного сигнала отфильтровывается каскадом ВЧ усилителя. Частота гетеродина меняется под воздействием управляющего напряжения, которое создается микро-ЭВМ или процессором настройки. Какой бы канал не был выбран, смешивание двух частот переносит поступающий сигнал в фиксированную полосу частот, центр которой располагается около номинальной частоты 460 МГц, хотя данное значение не является стандартизированным и может меняться в зависимости от конкретной модели приемника. Выходной сигнал смесителя называется сигналом второго преобразования частоты (второй ПЧ).
Усилитель второй ПЧ и фильтр
Назначением усилителя второй ПЧ (ПЧ2) является формирование сигнала в соответствии с требуемой характеристикой полосы пропускания и обеспечение основного усиления сигнала. Через каскад фильтра ПЧ могут пройти только частоты диапазона выбранного канала.
Ширина характеристики полосового фильтра ПЧ может меняться между 16 и 36 МГц, но обычно она составляет около 27 МГц. Например, спутниковые приемники системы Astra имеют характеристику, приведенную на рис. 4. 2. Приемники, предназначенные для работы со спутниками серии Eutelsat II, требуют более широкой характеристики фильтра ПЧ, составляющей 36 МГц. В принципе, каскад усилителя ПЧ можно рассматривать как полосовой фильтр канала с усилением. В некоторых моделях приемников высокого класса можно изменять ширину полосы пропускания усилителей ПЧ, чтобы обеспечить прием сигнала от большого количества различных спутников. Данная возможность имеет еще одно преимущество - уменьшение шумовой составляющей сигналов в условиях плохого приема путем ограничения полосы пропускания сигнала до величины, меньшей номинальной. Однако это достигается за счет потери качества изображения. В большинстве моделей усилитель сигнала ПЧ2 также управляется схемой АРУ. Таким образом автоматически поднимается уровень слабых сигналов по отношению к сильным. Выход каскада второй ПЧ используется как вход каскада детектора АРУ, выход которого, в свою очередь, используется для управления усилением каскадов ВЧ и ПЧ.

ЧМ демодулятор
Назначением ЧМ демодулятора является воссоздание исходной полосы частот видеосигнала и сопровождающих его звуковых поднесущих из полосы частот выбранного канала и удаление сигнала несущей. Выходной сигнал ЧМ демодулятора называется сигналом основной полосы.
Автоматическая подстройка частоты
Выходной сигнал с ЧМ демодулятора поступает на детектор автоматической подстройки частоты (АПЧ). Назначением данной схемы является формирование сигнала ошибки соответствующей полярности с целью получения требуемых значений корректирующих напряжений для подстройки входных каскадов схемы настройки частоты. Иногда управление осуществляется непосредственно процессором настройки или микроЭВМ. Отсутствие данной функции может привести к уходу настройки под воздействием температуры или влажности.
Приемники системы DVB
Структурная схема типичного спутникового приемника системы DVB/ MPEG-2 приведена на рис. 4. 22. Первое поколение приемников DVB представляет собой настольные модели совмещенных приемников/декодеров (IRD). Приемники имеют стандартные разъемы ВЧ и SCART плюс разъем (интерфейс) персонального компьютера для подключения к службам Internet через спутниковый канал связи. Каналы данных используются для получения технических параметров передачи и информации EPG (электронного путеводителя по программам). Приемник имеет слот (гнездо) для вставки смарт-карты. Система MPEG-2 является цифровым стандартом уплотнения звуковых и видеосигналов, который основывается на принципе дискретного косинусного преобразования с максимальной скоростью передачи данных 15 Мбит/с.

В состав принимаемых технических параметров входят частота вещания, параметры модуляции и описание услуг, предоставляемых при передаче объединенных сигналов различных служб. Настройка приемников производится автоматически при помощи встроенного программного обеспечения, что позволяет менять параметры вещания или даже переорганизовывать транспондеры спутника без перенастройки.
EPG включает следующую информацию:
о данные о распределительной сети, например Astra, Eutelsat;
о название каналов, например Bravo, Sky One, UK Gold;
о название программы, например Fashion News, Fawlty Towers;
о содержание программы, например фильм, новости, шоу;
о данные о службе провайдера, например Sky Television;
о программный пакет, например многоканальный пакет Sky;
о время, например 05: 00 - 06: 00;
о описание, например название фильма, состав актеров и т. п.;
о подробности будущей программы.
5. Расчет линии связи
5.1 Общие сведения
Строго говоря, для определения размера приемной антенны следует проанализировать всю линию связи, включая и линию связи вверх (от наземного передатчика до спутника связи), и линию связи вниз (от спутника до наземной приемной станции). Тем не менее применение в ТВ вещании методов управления мощностью на линии связи вверх и другие определенные традиционные допущения позволяют отдельно рассчитать линию связи вниз. На практике для определения параметров оборудования, устанавливаемого на месте приема сигналов (TVRO), вполне достаточно упрощенного метода расчета, представленного в настоящей главе.
Основная цель расчета линии связи - определение или проверка того, насколько данное оборудование подходит для обеспечения устойчивого приема сигналов от выбранного спутника в заданном месте расположения приемной системы. В настоящее время для ТВ вещания наиболее часто используются S-, С-, Ku- и Ка - диапазоны частот. Диапазоны различных микроволновых сигналов и приблизительные значения частот диапазонов приведены в табл. 5. 1.
Таблица 5. 1. Диапазоны микроволновых сигналов

Конечно, можно вместо проведения собственных расчетов полагаться либо на общий расчет линии связи, который предоставляют операторы спутниковой связи, либо сосредоточиться на готовых комплектах приемных систем, предназначенных для работы с общедоступными спутниками. Такой подход не является ошибочным, но он сильно ограничивает вас по многим направлениям. Например, общий расчет линии связи всегда является компромиссным и диктует определенный общепринятый стандарт качества сигнала и его доступности, что может не соответствовать требованиям потребителей. Например, клиент может быть иностранцем, проживающим в вашей стране, и хочет принимать сигналы вещания своей собственной страны. Какой диаметр антенны необходим в этом случае? Таким образом, существует множество причин, по которым расчет линии связи может понадобиться.
Чтобы убедиться, что условия устойчивого приема сигнала обеспечиваются для каждого канала связи, вычисления необходимо выполнить для группы транспондеров. Это особенно важно, когда приемная система собирается из комплектующих частей от разных производителей, поскольку в одном случае на практике может быть получен неудовлетворительный результат, а в другом - чрезмерное усложнение конструкции может привести к неоправданному увеличению стоимости оборудования, а приемная система будет выглядеть неэстетично.
Результатом расчета линии связи является вычисленное значение отношения S/N, величина которого сравнивается с соответствующими значениями по пятибалльной шкале градаций качества принимаемого изображения согласно рекомендациям Международного консультативного комитета по радиовещанию МККР (см. табл. 5. 2). Данные оценки, которые получены в результате многочисленных субъективных тестов, наиболее часто применяются в качестве критерия общей эффективности работы приемных систем. Принятым стандартом для бытовых приемных систем является оценка «4», что соответствует взвешенному значению отношения S/N выше 42, 3 дБ.
Таблица 5. 2. Пятибалльная шкала градаций качества принимаемого изображения в соответствии с рекомендациями МККР

В настоящей главе содержатся выражения, необходимые для детального анализа любого участка линии связи вниз.
Подробный расчет линии связи
Прием сигналов в S- и С- диапазонах относительно не зависит от таких факторов, как затухание в условиях дождя и поглощение сигнала в атмосфере, но при приеме сигналов в Кu- и Ка- диапазонах частот подобные потери необходимо принимать во внимание. Для выполнения подробного расчета линии связи существуют многочисленные стандартные и альтернативные формулы, позволяющие проводить вычисления с различной степенью точности. Приведенный здесь метод расчета является достаточно полным и учитывает затухание сигнала в атмосферных осадках, возрастание шумов в осадках, потери рассогласования, переходные (волноводные) затухания, а также номинальную добротность G/T и используемую добротность G/T, где G/T — это отношение полного коэффициента усиления антенны к общей шумовой температуре системы.
Факторы, влияющие на прием сигнала со спутника
Работа спутниковых приемных ТВ систем зависит от ряда физических параметров, перечень которых приводится ниже.
1. Эффективная изотропно - излучаемая мощность - ЭИИМ.
2. Диаметр действующей антенны.
3. Коэффициент шума малошумящего блока или шумовая температура.
4. Переходные затухания в волноводах и поляризаторах.
5. Потери из-за неточного наведения (нацеливания) антенны:
- начальная ошибка наведения;
- устойчивость антенны под воздействием ветра или других условий окружающей среды;
- точность удержания станции спутника на орбите.
6. Потери поляризации.
7. Старение транспондера
8. Затухание в условиях дождя для заданной вероятности получения (доступности) сигнала (номинальное значение 99, 5% для среднего года).
9. Возрастание шумов в осадках при приеме сигнала в Кu- и Ка - диапазонах (дождь, снег или град).
10. Поглощение сигнала в атмосфере кислородом и парами воды (в зависимости от влажности).
11. Изменения температуры.
12. Параметры приемника (порог демодулятора).
13. Характеристики модуляции сигнала.
14. Рассеивание сигналов из-за затенения антенны деревьями, зданиями, стаями птиц и летательными аппаратами (самолетами).
15. Потери на расходимость луча при прохождении через атмосферу.
Временные воздействия, такие как затенение пролетающими стаями птиц, по большей части непредсказуемы, и при вычислениях их можно не принимать в расчет. Другие факторы могут иметь значительное долговременное воздействие, хотя при приеме в S- и С- диапазонах факторами 8, 9 и 10 можно пренебречь.
Расположение места приема по отношению к позиции спутника
Каждый геостационарный спутник занимает определенную (уникальную) позицию или участок орбиты, находящейся на высоте 35 784 км прямо над экватором. Фактическое положение спутника определяется долготой подспутниковой точки (точки, расположенной прямо под спутником на экваторе). Для захвата сигнала со спутника в пределах предполагаемой зоны обслуживания антенну необходимо точно установить как по азимуту, так и по углу места.
Угол места
Угол места EL (угол возвышения) представляет собой угол направленного вверх наклона антенного зеркала (рефлектора) относительно земной поверхности. Его можно вычислить следующим образом выражение (1):
где А - широта места нахождения земной станции (положительная для северного полушария, отрицательная для южного полушария);
В - восточная долгота земной станции минус восточная долгота спутника;
m = 6, 61 - отношение радиуса геостационарной орбиты к радиусу экватора Земли.
Для низких углов места, значения которых составляют менее 30°, геометрический угол места может быть слегка модифицирован при помощи выражения (2) для учета средней величины рефракции (преломления) в атмосфере. При этом верно рассчитанное истинное значение угла места всегда должно быть больше, чем геометрический угол.
(2)
где EL - результат вычислений, выполненных по выражению (1). В атласах приводятся значения широты и долготы, выраженные в градусах и минутах. Чтобы их можно было использовать при вычислениях.
Азимут
Истинный азимут AZ (поворот рефлектора антенны) представляет собой угол направления, указывающего на выбранный спутник, который отсчитывается от истинного севера. Магнитный азимут измеряется в градусах от 0 до 360°. Север, восток, юг и запад имеют азимуты
указанные значения необходимо перевести в градусы (с десятичными долями). Для этого следует разделить число минут на 60, а полученный результат умножить на 100 и прибавить к целой части числа градусов. Например, нужно преобразовать 53°15'N в градусы:
53 + [(15/60) х 100] = 53, 25°N.
Значения западной долготы необходимо преобразовать в соответствующие значения восточной долготы и отсчитывать от 0°Е (меридиан по Гринвичу) через 180°Е к 360°Е, которое снова будет являться тем же самым значением 0°Е. Таким образом, для значений долготы, расположенной западнее меридиана по Гринвичу, вычитание значения западной долготы (°W) из 360° дает эквивалентное (соответствующее) значение восточной долготы. Например, значение 3°W будет эквивалентно следующему:
360° - (3°W) = 357°Е.
Стоит иметь в виду, что на широтах выше 810 невозможно наблюдать любой участок геостационарной орбиты спутников. Точно так же и разность значений долготы между земной станцией и желаемым спутником не может превышать данную величину. 0°, 90°, 180° и 360° соответственно. Геостационарная орбита спутников отслеживается магнитными азимутами между 90° и 270° в северном полушарии или от 270° до 90° в южном полушарии. Истинный азимут рассчитывается из следующего выражения:
(3)
В расчетах для южного полушария цифра 180 из формулы исключается.
Магнитный азимут
Если истинное значение угла азимута вычислено, то магнитный азимут можно легко рассчитать путем обычного сложения или вычитания магнитного склонения в соответствии с местом приема сигнала. Для всех регионов Европы величина западного магнитного склонения добавляется к величине истинного азимута. Величина магнитного склонения будет меняться в зависимости от места расположения земной станции, и ее можно узнать из местных топографических карт. В некоторых случаях вместо применения компаса для установки азимута можно использовать положение Солнца в различное время дня, но на практике это возможно только в том случае, когда предусматривается одна крупная установка. При установке большого количества приемных систем применение данного метода не всегда удобно.
Протяженность линии связи вниз
Длина пути прохождения сигнала, иногда называемая наклонной дальностью, - это расстояние между земной станцией и рассматриваемым спутником. Чем дальше от экватора находится земная станция, тем длиннее будет путь прохождения сигнала. Для вычисления длины пути D используется следующее выражение:
(4)
Длина волны
Во многих выражениях для упрощения вычислений вместо частоты чаще используется величина длины волны.
Преобразование частоты в длину волны осуществляется следующим образом:
(5)
где с - скорость света (2, 998 х 108 м/с); f - частота, Гц.
Потери при прохождении сигнала в свободном пространстве
Потери при прохождении сигнала в свободном пространстве L>FS>, или потери на трассе распространения, выражают ослабление микроволновых сигналов по мере их продвижения к Земле и происходят из-за расходимости луча. В качестве аналогии можно представить падение с расстоянием интенсивности луча фары автомобиля. Потери на трассе распространения возрастают с увеличением частоты и становятся тем больше, чем ниже угол возвышения антенны (угол места). Подходящим выражением для вычисления величины потерь является следующее:

Коэффициент усиления антенны
Коэффициент усиления антенны (G>a>) возрастает с увеличением действующего размера антенны, который учитывает ее эффективность (р) и выражается следующей формулой:
(7)
где d - диаметр антенны, м;
р - процент
эффективности антенны (обычно 60-80%);
- длина волны, м.
Примечание Эффективность антенны чаще приводится как нормированное значение меньше 1 (то есть 0, 67 или 0, 8), а не выражается в процентном отношении. В таких случаях из формулы следует удалить цифру 100, стоящую в знаменателе, и подставить значение нормированного коэффициента для р.
Общая шумовая температура приемной системы
Для наземной приемной станции общая шумовая температура приемной системы T>SYS> складывается из шумовой температуры всех входящих в приемную систему составных частей и включает шумы, внесенные блоком LNB, компонентами волновода, и эквивалентные, или приведенные, шумы антенны.
Главные
составляющие, воздействующие на шумовую
температуру приемной системы, показаны
на рис. 5. 1. Плоскость PQ
указывает точку, по отношению к которой
приводятся общие шумы приемной системы.
Обычно считается, что это точка,
расположенная сразу перед входом блока
LNB или точка соединительного фланца
между компонентами волновода и блока
LNB. Эквивалентная шумовая температура
антенны Т>А>
получается из всех внесенных шумов,
попадающих на антенну, но уменьшенных
частичной
проницаемостью (
)
облучателя.

Эффективная изотропно - излучаемая мощность
Изотропный излучатель определяется как излучающий равномерно по всем направлениям. Это невозможно получить в реальности, но легко представить наглядно. Используя отражатель, изотропный излучатель может концентрировать всю свою энергию в виде узкого луча, который кажется некоторому отдаленному наблюдателю, находящемуся на другом конце луча, изотропным источником со значительно большей выходной мощностью. Таким образом, понятие эффективной изотропно -излучаемой мощности (ЭИИМ) используется в качестве меры напряженности (силы) сигнала, который передается спутником на Землю. ЭИИМ измеряется в децибелах относительно одного ватта (дБВт) и достигает наивысшего значения в центре луча. Данная величина уменьшается логарифмически по мере удаления от центра луча. Значение ЭИИМ для любого спутника можно получить из соответствующих карт зоны обслуживания, где указаны контуры с равными значениями ЭИИМ. Современные спутники могут в определенной степени формировать контуры ЭИИМ, чтобы соответствовать желаемой зоне обслуживания. Применяемые для этого методы в данном случае не представляют интереса. Номинальное значение ЭИИМ для спутников средней мощности системы полу-СНВ, таких как системы Astra, составляет 52 дБВт. Спутники высокой мощности системы СНВ (DBS) имеют значения ЭИИМ, превышающие 60 дБВт.
Отношение несущая/шум
Для диапазонов частот Кu и Ка отношение несущая/шум (C/N) на входе приемной системы определяется следующим выражением:
(8)
где EIRP - эффективная изотропно - излучаемая мощность со спутника в направлении места расположения приемной системы, дБВт;
L>FS> - потери при распространении сигнала в свободном пространстве на участке от Земли до спутника связи, дБ;
С/Т>usable> - минимально пониженная величина коэффициента добротности приемной системы, дБ/К;
k - постоянная Больцмана (1,38 х 1СГ23 Дж/К);
В - полоса пропускания приемника до детектирования промежуточной частоты ПЧ, Гц;
A>atm> - ослабление сигнала за счет поглощения в атмосфере, дБ;
А>га>>in> - затухание сигнала в осадках для заданного процентного отношения времени, дБ.
Примечание При работе на частотах ниже 8 ГГц значениями А>аtm >и А>rain> можно пренебречь.
При вычислениях для условий ясного неба параметр А>rain >исключается, a G/T>usab>>!>>e> заменяется на номинальный коэффициент добротности G/T>пом>.
5.2 Расчет цифровой линии связи
Данный раздел содержит информацию по распространению вычислений от ЧМ модуляции несущей до цифровой или фазовой модуляции. Теория информации классически делится на две отдельно определяемые области:
о кодирование источника информации; о кодирование канала связи.
Сигналы телевизионного изображения дискретизируются с частотой, как минимум вдвое превышающей верхнюю (граничную) частоту видеосигнала, и преобразуются в цифровой поток битов, называемый источником информации. Выход источника информации является входом источника кодирующего устройства. Функция последнего состоит в уменьшении среднего числа битов информации в секунду, которые необходимо передать пользователю через канал связи. Кодирование источника - другая тематическая область - включает в себя изучение методов сжатия информации, например методов, использующихся в стандарте MPEG-2. Нет необходимости затрагивать эту тему, так как интерес в данном случае представляет только конечный поток переданной информации для расчета линии связи. В таких случаях следует пренебречь подробностями кодирования и ссылаться на общий выход источника информации и кодирующего устройства как на источник информации.
Переданный сигнал, несущий полезную информацию, может быть неверно воспринят приемным устройством из-за искажений сигнала, возникающих при передаче по зашумленному каналу связи. Поэтому выход источника информации подсоединяется к кодеру канала связи, где в сигнал вводится избыточность (вставляются дополнительные биты информации). Это делается для того, чтобы уменьшить вероятность появления ошибочных битов. Такая практика называется предварительной коррекцией ошибок (FEC) и является единственным методом обеспечения коррекции ошибок без запроса повторной передачи информации. Вероятность появления ошибочных битов равна частоте ошибочных битов (ВЕR) декодера приемного устройства. Казалось бы, нет необходимости изучать методы цифрового сжатия только для того, чтобы еще раз прибавить дополнительные биты информации перед передачей по каналу связи. Однако для этого есть веские причины.
Пропускная способность канала связи согласно теореме Шеннона
Предварительная коррекция ошибок достигается введением избыточности в систему кодирования канала связи. Дополнительные биты добавляются предсказанным и предопределенным образом, чтобы декодер мог правильно интерпретировать передаваемые биты. Детали составления действительных (реальных) кодов слишком сложны, и в данном контексте их изучение не представляется необходимым.
В конце 1940-х годов американский инженер Клод И. Шеннон предложил научное обоснование теории информации. По существу, он показал, что пропускная способность (С) канала связи - это число битов информации в секунду, которое теоретически можно передать по каналу связи с условно низкой частотой появления ошибочных битов. Пропускная способность является функцией ширины полосы пропускания канала связи и отношения S/N.
В цифровых системах параметром, эквивалентным отношению S/N, является отношение E>b>/N>0>, которое определяется как отношение количества энергии в бите информации к спектральной плотности шумов. Для данной цифровой модуляции и метода кодирования существует определенное значение отношения E>b>/N>0>, которое соответствует заданной величине ВЕR, ожидаемой на выходе декодера. Экспериментально показано, что величина ВЕR лучше, чем 10 - 10, примерно соответствует оценке «5» по градации качества приема сигнала.
Предположим, что мощность на выходе кодера источника информации меньше, чем пропускная способность канала связи. Тогда можно уменьшить величину ВЕR до любого желаемого уровня, используя FEC, не увеличивая мощность передатчика выше значения, для которого была рассчитана пропускная способность. Другими словами, существует верхний предел скорости безошибочной связи, который может быть достигнут при передаче по любому заданному каналу связи. Однако здесь существует компромисс. Сложность систем кодирования канала связи стремительно растет при приближении к пропускной способности, и ширина полосы пропускания также возрастает. График, демонстрирующий зависимость пропускной способности канала связи по отношению к E>b>/N>0> и ширине полосы пропускания, приведен на рис. 5.2.1.
Эффективность кодирования
Шеннон не определил коды, которые позволили бы работать со скоростью, близкой к пропускной способности канала связи. Огромная работа была проведена с тех пор в попытке достижения этого теоретического предела. Из этого следует, что использование FEC выражается в коэффициенте эффективности кодирования (или коэффициенте эффективности декодирования) при демодуляции передаваемого сигнала. Коэффициент эффективности кодирования определяется как разность между величиной E>b>/N>0>, требуемой для достижения определенного значения ВЕR без применения кодирования, и величиной E>b>/N>0>, требуемой для достижения того же самого значения ВЕR с применением кодирования. Очевидно, что чем эффективнее кодирование, тем выше будет коэффициент его эффективности при демодуляции, но тем выше будет и сложность кодирования, и его стоимость.

Примечания к рисунку:
1. R - скорость передачи информации, бит/с, W - передаваемая полоса частот, Гц.
2. График показывает границу пропускной способности для безошибочной связи.
3. Рабочая область для безошибочной связи лежит выше кривой.
4. Для E>b>/N>0>
-1, 6 дБ требуется бесконечная полоса
частот.
5. Рабочее ограничение мощности лежит слева от оси е>b>/n>0> (R < W).
6. Область ограничения полосы пропускания лежит справа от оси E>b> /N>0> (R > W).
Рис. 5.2.1. Граница пропускной способности канала связи по Шеннону
Постоянный внешний код, применяющийся в стандарте DBV - это код (188, 204) Рида-Соломона, связанный с внутренним непрерывным (сверточным) кодом, который был выбран для удовлетворения требований вещателей. В комплексе такое кодирование канала связи может дать коэффициент эффективности кодирования свыше 7 дБ. Не следует путать кодирование канала связи с кодированием источника информации (цифровым сжатием).
Предварительная коррекция ошибок
В системах спутниковой связи для модуляции цифровых несущих в подавляющем большинстве случаев используют либо QPSK, OQPSK (сдвиг QPSK), либо BPSK модуляцию с применением FEC. Обычно применяется QPSK с когерентной демодуляцией вместе с внутренним кодом частотой 0, 5 или 0, 75, и когерентно - демодулированная BPSK с внутренним кодом частотой 0, 5.
Потери при работе декодера
Демодулятор приемника является причиной определенного количества потерь в общем канале связи из-за нелинейности фильтров и т. д. Эти потери обычно малы по сравнению с коэффициентом эффективности декодирования, но все же составляют значительную величину и должны быть учтены при расчете линии связи. Порядок этих величин обычно составляет от 1 до 1, 5 дБ.
Цифровая модуляция
Цифровая модуляция, также называемая фазовой модуляцией, во многих отношениях очень похожа на ЧМ. Как и в случае с ЧМ, анализ спектра является достаточно сложным, а оба спектра оказались бы похожими. Наиболее подходящими методами цифровой модуляции для передачи сигналов цифрового ТВ через спутник связи являются BPSK (двоичная фазовая манипуляция), QPSK (квадратурная фазовая манипуляция), 8-PSK и, возможно, 16-QAM (квадратурная амплитудная модуляция). Из этих четырех методов наиболее часто используется QPSK. Он имеет преимущество, поскольку может работать при мощности транспондера, близкой к насыщению, то есть с эффективной отдачей энергии. В табл. 5. 2 приведены теоретические значения E>b>/N>0>, требуемые для достижения величины ВЕR, равной 10 - 10, без кодирования канала связи для различных методов модуляции. Метод 64-QAM часто выбирается для системы кабельного распределения каналов, потому что он обладает высокой эффективностью использования полосы пропускания при постоянно доступной ширине полосы пропускания 6-8 МГц.
Таблица 5. 2. Сравнение методов цифровой модуляции для BER, равной 10 - '°

Модификации для системы DVB
В системе DVB (стандарт вещания цифрового телевидения) применяется фазовая модуляция, которая по своим свойствам близка к ЧМ. Поэтому параметры, которые относятся к аналоговым ЧМ сигналам, действительны и для расчетов линии связи цифровых систем за одним исключением. Точно так же, как отношение S/N служит показателем качества принимаемого сигнала в аналоговых ЧМ системах, отношение е>b> /n>0>, при котором достигается определенная величина ВЕR, является эквивалентом отношения S/N для цифровых систем. Соотношение между C/N и е>b> /n>0> , выраженное в дБ, определяется следующей формулой:
(9)
где E>b>/N>0>, дБ - отношение количества энергии в бите (Е>ь>), Дж, к плотности потока мощности шумов, N>0>, Вт/Гц;
R - скорость передачи информации, бит/с;
В - передаваемая полоса частот, Гц;
C/N - отношение несущая/шум в полосе частот В, дБ.
Характерной чертой практических цифровых систем является следующее: для данного отношения скорости передачи бита информации к полосе пропускания канала существует отношение сигнал/шум (E>b>/N>0>), выше которого возможен прием сигнала без ошибок и ниже которого прием невозможен. В отличие от аналоговых сигналов, которые постепенно ухудшаются под воздействием шумов, цифровые системы относительно неподвержены влиянию шумов вплоть до того момента, когда система коррекции ошибок уже не может действовать эффективно. В результате происходит резкое ухудшение или «крушение» системы. Это свойство цифровых систем устраняет необходимость градаций качества принимаемого изображения. Качество изображения относительно не пострадает, если суммарный ухудшенный уровень отношения E>b>/N>0> выше, чем некоторый требуемый уровень, соответствующий приемлемой «внутренней» вероятности появления ошибочных битов (Р>е>) или определенной величине ВЕR. ВЕR - это отношение числа битов информации, принятых ошибочно, к общему числу битов, переданных в секунду. Взаимоотношение между Р>е> и е>b> /n>0> зависит от конкретных особенностей выбранного метода цифровой модуляции, поэтому операторы спутниковой связи обычно определяют (оговаривают) минимальный требуемый уровень отношения е>b> /n>0>. Значения, составляющие около 8 дБ, являются типичными для большинства телепрограмм DVB.
Список литературы
Банкет В.Д., Дорофеев В.М. Цифровые методы в спутниковой связи. – М.: Радио и связь, 2008.- 240с.
ГОСТ 19463 – 89. Магистральные каналы изображения радиорелейных и спутниковых систем передачи. Основные параметры и методы измерений.
ГОСТ Р 50788 – 95. Установки непосредственного приема спутникового телевизионного вещания. Классификация. Основные параметры. Технические требования. Методы измерений.
Кантор Л.Я., Микашин В.П.. Спутниковое вещание. – М.: Радио и связь, 2001. – 252с.
МСЭ. Рекомендации МККР, 1992 г. Серия RBT. Вещательная служба (телевидение). МККР. Международный консультативный комитет по радио. – Женева, 2002. – 220с.
МСЭ. МККТТ. Синяя книга. Т. III – 4. Общие аспекты цифровых систем передачи; Оконечное оборудование. Рекомендации G. 700 - G. 795. – 615с.
Регламент радиосвязи. Т 1. – М.: Радио и связь 2005. – 509с.
Стивенсон Д. Спутниковое ТВ. Практическое руководство: Пер. с англ.-М.: ДМК Пресс, 2001. – 496 с.
Спутниковая связь и вещание: Справочник. – 3-е изд., С74 перераб. И доп. / В.А. Бартенев и др; Под ред. Л.Я. Кантора.-М.: Радио и связь, 2007. – 528с.:ил.
Приложение
Получение последних данных о спутниках и уровнях ЭИИМ в их зовах обслуживания может оказаться проблематичным. Расчет линии связи тоже занимает много времени, особенно если необходимо учитывать затухание сигнала в дожде и его поглощение в атмосфере при прохождении через определенный участок пространства на пути к Земле. Подобные вычисления можно производить намного быстрее, используя специальные постоянно обновляемые пакеты компьютерных программ.
При выполнении упрощенного «каркасного» метода расчета линии связи, который выполняется с большими допущениями для условий приема сигнала при ясном небе, можно воспользоваться программным обеспечением “SMWLink 2.0.”.
Программа Satmaster Pro для Windows
Программа Satmaster Pro, предназначена для вещателей, тех, кто работает с системами SNG (Satellite News Gathering, спутниковая система сбора новостей, применяется видео- и тележурналистике), компаний, занимающихся установкой таковых антенн, и отдельных трейдеров, занятых в отрасли спутникового ТВ. С помощью этой программы производится расчет параметров по нацеливанию антенны и анализ линии связи, прогнозируются нарушения радиосвязи из-за воздействия солнечного излучения. При расчете линии связи можно моделировать затухание сигнала в дожде и прогнозировать поглощение сигнала в атмосфере даже для низких углов места. В возможности данной программы входит также вычисление полного (суммарного) магнитного склонения, хранение данных о координатах расположения десятков тысяч городов и деловых центров, что позволяет спроектировать и установить спутниковую систему в любом месте земного шара. Программа Satmaster Pro объединяет все необходимые исходные данные, средства проектирования и анализа системы в одном программном пакете. Она предоставляет следующие возможности:
вычисление углов обзора и значений устанавливаемых углов полярной подвески, включая магнитный азимут и дополнительное расположение двух облучателей. Редактируемая база данных по 25 000 городам и деловым центрам, расположенная в двухстах отдельных файлах, объединяющих данные по странам. Расчет установки двух облучателей;
выполнение краткой формы расчета аналоговой и цифровой линии связи вниз для ТВ вещания. Оптимизация минимального размера антенной тарелки для любого выбранного заданного значения C/N, C/N>0>, S/N, оценки по шкале МККР, или е>b> /n>0 >включая уровень несущей на выходе блока LNB для систем распределения сигналов ПЧ;
калькулятор расчета цифровой линии связи для режимов SCPC/ МСРС. Вычисляет минимальный уровень мощности, требуемый для линии связи вверх, ширину полосы пропускания транспондера и коэффициент использования мощности на одну несущую с учетом интерференции. При этом можно задавать скорость передачи информации от 56 Кбит/с до значительно превышающих 40 Мбит/с. Кроме того, задается применение распространенных методов модуляции при любой скорости FEC-кодирования;
отображение карт зон обслуживания, дождевых климатических поясов, плотности водяных паров и температуры земной поверхности;
прогнозирование нарушений радиосвязи под воздействием солнечного излучения, представление ежегодных данных по датам и времени перерывов для любого глобального сочетания спутника/земной станции. Определение направления север/юг с позиции Солнца для установки полярных подвесок;
вычерчивание графиков и большой выбор для генерирования (создания) различных таблиц;
контекстно-зависимая помощь (справка) во всех полях ввода данных и большой ассоциированный справочный файл;
генерирование графиков и таблиц, включая цифровую модуляцию, затухание сигнала в дожде и поглощение в атмосфере;
выполнение вычислений и преобразований, подключение редактируемой программы проверки более сложных математических выражений;