Расчет многочастотного усилителя низкой частоты
Тема работы
Расчет многочастотного усилителя низкой частоты
СОДЕРЖАНИЕ
Введение
Общие положения
Расчет выходного каскада
Выбор структурной схемы усилителя
Расчет предоконечного каскада
Расчет входного каскада
Расчет основных параметров усилителя
Заключение
Список использованных источников
ВВЕДЕНИЕ
Целью курсовой работы является углубление и закрепление знаний, полученных в ходе изучения первой части курса "Аналоговая и цифровая электроника", и приобретение навыков расчета электронных устройств. Выполнение курсовой работы предусматривает выбор структурной схемы, обоснование и расчет параметров и характеристик электронного устройства – многокаскадного усилителя низкой частоты, изложение методики и результатов расчета в пояснительной записке и выполнение графической части.
Исходные данные: f>н>=20Гц; f>в>=20кГц; М>н.з>=М> в.з>=1/0,707; Р>вых>=1,5Вт; К>р>=48дБ; R>н>=14Ом; К> u>=43дБ.
ОБЩИЕ ПОЛОЖЕНИЯ
Многокаскадные усилители используют для получения нужных коэффициентов усиления в том случае, если одного усилительного каскада оказывается недостаточно.
Многокаскадный усилитель получают путем последовательного соединения отдельных каскадов. В этом случае выходной сигнал первого каскада является входным сигналом второго каскада и т. д. входное и выходное сопротивления всего усилителя определяются соответственно входным и выходным каскадами.
Коэффициент усиления многокаскадного усилителя равен произведению коэффициентов усиления каскадов:
(2.1)

где 1, 2, ..., N – номера каскадов.
Учитывая соотношение
,
справедливое для коэффициентов,
исчисляемых в о. е., получим соотношения
для коэффициентов, исчисляемых в дБ:
,
(2.2)
откуда получим
,
(2.3)
где
–
коэффициент усиления по току (о. е.).
Подставляя исходные данные в выражение (2.3), получим:
.
Связь каскадов в многокаскадном усилителе может осуществляться с помощью конденсаторов, трансформаторов или непосредственно. В нашем УНЧ в качестве элемента связи будем использовать конденсатор.
Сначала производят расчет
оконечного выходного каскада, который
обеспечивает получение требуемой
мощности сигнала на нагрузке. В результате
расчета определяют коэффициент усиления
оконечного каскада, определяют параметры
его входного сигнала, являющиеся
исходными для расчета предоконечного
каскада, и т. д. вплоть до входного
каскада. В данной работе для упрощения
расчет проведем для средней частоты
(
),
что позволит пренебречь влиянием
сопротивлений конденсаторов и не
учитывать зависимость параметров
транзисторов от частоты.
Наличие в схеме конденсаторов приводит к тому, что по мере снижения частоты уменьшается проводимость межкаскадных конденсаторов связи, при этом увеличивается падение напряжения на них и соответственно уменьшается напряжение сигнала. Это проявляется снижением коэффициента усиления в области низких частот.
Уменьшение модуля коэффициента
усиления в области низких частот
учитывается коэффициентом частотных
искажений
:
,
(2.4)
где
,
–
соответственно коэффициенты усиления
напряжения на средней и низкой частотах.
В многокаскадном усилителе общий коэффициент частотных искажений:
.
(2.5)
Коэффициент частотных искажений для одного каскада:
,
(2.6)
где 1, 2, ..., J – номера конденсаторов в рассматриваемом каскаде.
Коэффициент частотных искажений, обусловленный влиянием одного конденсатора, рассчитывают по формуле
,
(2.7)
где
–
низкая частота полосы пропускания;
–
постоянная времени, определяемая как
произведение
,
где
–
емкость конденсатора;
–
определяется в зависимости от схемы:
–
для входного каскада,
где
–
внутреннее сопротивление источника
входного сигнала,
–
для промежуточных каскадов,
где
,
–
соответственно входное сопротивление
последующего каскада и выходное
сопротивление предыдущего каскада.
Таким образом задача обеспечения
полосы пропускания в области низких
частот сводится к выбору таких значений
емкостей в усилителе, чтобы общий
коэффициент частотных искажений не
превысил заданное значение
.
Из-за наличия конденсаторов в схемах каскадов в многокаскадном усилителе будут появляться фазо-частотные искажения. С понижением частоты входного сигнала появляется фазовый сдвиг, обусловленный отставанием по фазе напряжения от тока в цепях с конденсаторами. Угол фазового сдвига равен сумме углов фазовых сдвигов, создаваемых всеми конденсаторами в схеме:
.
(2.8)
Фазовый сдвиг, создаваемый действием одного конденсатора определяется по выражению
.
(2.9)
РАСЧЕТ ВЫХОДНОГО КАСКАДА
Будем использовать выходной
бестрансформаторный каскад (приложение
А, ЭП). Он представляет собой соединение
двух эмитерных повторителей, работающих
на общую нагрузку
.
Каскад используется в режимах нагрузки
АВ и В. Режим по постоянному току
обеспечивается делителем, состоящим
из последовательно соединенных резисторов
,
и диодами
и
.
Схема предусматривает использование
двух транзисторов разной проводимости
с близкими по значению параметрами
(комплиментарная пара транзисторов).
Методика расчета выходного каскада
основана на использовании графоаналитических
способов расчета параметров по входным
и выходным характеристикам транзисторов.
Амплитуду напряжения на нагрузке определяем по заданным параметрам нагрузки:
;
(3.1)
.
Ориентировочное напряжение питания оконечного каскада определяем по условию:
.
(3.2)
где
–
начальное напряжение между коллектором
и эмиттером транзистора – это напряжение,
при котором на выходных характеристиках
транзистора наблюдается заметное
увеличение угла наклона. Примем
,
тогда
.
Принимаем
,
т. к. при напряжении питания 20
значение напряжения
,
уточненное по выходной характеристике,
окажется больше
.
Рассчитываем допустимую мощность рассеивания на коллекторе транзистора:
;
(3.3)
.
Максимальную амплитуду входного тока определяем из соотношения:
,
(3.4)
где
–
амплитуда тока в сопротивлении нагрузки.
Максимально допустимая амплитуда напряжения между коллектором и эмиттером транзистора должна быть не менее половины напряжения питания:
.
(3.5)

Имея значения
,
,
,
по справочнику [3] подбираем комплиментарную
пару транзисторов КТ814А и КТ815А (рис.
1,2), имеющих следующие параметры:
Статический коэффициент передачи тока в схеме с общим эмиттером при Т=298 К не менее 40, при Т=233 К – не менее 30;
Граничная частота коэффициента передачи тока в схеме с общим эмиттером не менее 3 МГц;
Постоянное напряжение коллектор – эмиттер 25 В;
Постоянный ток коллектора 1.5 А;
Постоянная рассеиваемая мощность коллектора без теплоотвода 1 Вт.
Для дальнейших расчетов строим семейство выходных и входную характеристику транзистора. На графике выходных характеристик строим нагрузочную линию согласно уравнению баланса напряжений:
,
(3.6)
где
– ток коллектора транзистора;
–
напряжение на коллекторе.
Уравнение баланса напряжений справедливо для цепи транзистора, если пренебречь сопротивлением разделительного конденсатора С6.
Далее на оси коллекторного тока
откладываем значение
и находим точку пересечения линии
нагрузки с горизонтальной линией,
проведенной на уровне
(точка а). Через эту точку проходит
выходная характеристика с максимальным
током базы, обеспечивающим достижение
амплитуды тока нагрузки
.
По положению точки а уточняем
значение
(
)
и проверяем выполнение условия
(именно невыполнение этого условия при
заставило нас принять напряжение питания
равным
).
По точкам пересечения нагрузочной
линии с выходными характеристиками
определяем значения тока базы
и тока коллектора, соответствующие этим
точкам (точки а, b, c, d, e). Используя
входную характеристику выбранного
транзистора, по значениям тока базы
определяем соответствующие значения
входного напряжения
.
Полученные данные заносим в таблицу 1.
По полученным данным строим сквозную характеристику транзистора
.
Таблица 1

Выходной каскад должен работать
в режиме АВ или В для получения высокого
коэффициента полезного действия. Это
значит, что исходную рабочую точку надо
выбирать при минимальном токе покоя
коллектора и минимальном токе базы. На
входной характеристике исходная рабочая
точка характеризуется параметрами
,
.
По построенной сквозной характеристике,
откладывая значение
,
определяем
,
а по нему (по входной характеристике) –
значение тока базы
,
соответствующее амплитуде тока в
нагрузке.
Определяем усредненное значение крутизны сквозной характеристики
;
(3.7)
.
Поскольку в схеме эмиттерного повторителя существует внутренняя обратная связь, определим ее глубину
;
(3.8)
.
Входная проводимость транзистора
;
(3.9)
.
Тогда входное сопротивление каскада с учетом отрицательной обратной связи определяем по выражению:
,
(3.10)
где
–
эквивалентное сопротивление делителя,
составленного из резисторов R9 и R10.
Примем ток делителя
.
По принятому току делителя из
справочника [4] выбираем диод КД104А (при
он создает падение напряжения 0,9В).
Два таких диода обеспечат падение
напряжения
.
Находим сопротивления резисторов
делителя по условию:
;
(3.11)
.
Принимая в соответствии с рядом
номинальных значений R9=R10=510Ом,
выбираем по [5] металлодиэлектрический
резистор С2-33 с номинальной мощностью
Вт.
Проверим выбранный резистор по допустимой
мощности рассеяния:
,
(3.12)
Где
по второму закону Кирхгофа.
.
Найдем эквивалентное сопротивление делителя
.
Тогда входное сопротивление каскада по формуле (3.10)
.
Определяем емкости входного и выходного разделительных конденсаторов:
,
(3.13)
;
(3.14)

Принимая согласно ряду номинальных
значений С6=2200 мкФ и С4=100мкФ, выбираем
оксидно-электролитические конденсаторы:
К50-24 и К50-31 соответственно. Учитывая,
что номинальное напряжение конденсаторов
должно быть выбрано из соотношения
,
принимаем его равным 25 В.
Коэффициент усиления по напряжению
.
Амплитуда напряжения входного сигнала

Амплитуда входного тока
.
Коэффициент усиления по току
.
Коэффициент усиления по мощности
.
Определим нелинейные искажения входного каскада.
Коэффициент нелинейных искажений по третьей гармонике с учетом отрицательной обратной связи
,
(3.15)
где
и
– токи коллектора, определенные по
графику сквозной характеристики для
двух значений соответственно
и
=0,768В.
.
Коэффициент нелинейных искажений по 2-й гармонике
,
(3.16)
где
– коэффициент асимметрии плеч схемы
выходного каскада, обусловленный
неидентичностью параметров подобранных
транзисторов.
.
Общий коэффициент нелинейных искажений определяется по формуле
;
(3.17)
.
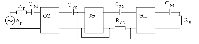
4. ВЫБОР СТРУКТУРНОЙ СХЕМЫ
Можно оценить требующееся число каскадов предварительного усиления, которые должны обеспечить коэффициент усиления по напряжению:
.
Коэффициент усиления, требуемый от одного каскада
.
Таким образом, предварительный усилитель будет содержать 2 каскада, построенные по схеме с общим эмиттером. Предоконечный каскад охватим отрицательной обратной связью по току для уменьшения коэффициента усиления по току. Структурная схема усилителя представлена на рис.3.

Рис 3. Структурная схема усилителя.
5. РАСЧЕТ ПРЕДОКОНЕЧНОГО КАСКАДА
Схема каскада представлена в приложении А (ОЭ2). Параметры нагрузки (входные параметры выходного каскада и напряжение питания), необходимые для расчета уже известны.
Выбираем тип транзистора с учетом заданного частотного диапазона работы каскада, а также параметров по току, напряжению и мощности. Максимально допустимый ток коллектора транзистора должен быть больше наибольшего мгновенного значения тока коллектора в режиме работы класса А:
,
(5.1)
где амплитуда тока в нагрузке
.
Ориентировочно можно выбрать низкочастотный транзистор, имеющий параметры:
,
.
По справочнику [3] выбираем транзистор КТ503А (рис. 4), имеющий следующие параметры:
Статический коэффициент передачи тока в схеме с общим эмиттером 40 – 120.
Граничная частота коэффициента передачи тока в схеме с общим эмиттером не менее 5 МГц;
Постоянное напряжение коллектор – эмиттер 40 В;
Постоянный ток коллектора 0,5 А;
Постоянная рассеиваемая мощность
коллектора без теплоотвода при
температуре Т=233
298
К – 0,35 Вт.

Выберем исходный режим транзистора каскада, для которого
,
(5.2)
,
(5.3)
.
(5.4)
где
–
напряжение коллектор – эмиттер,
соответствующее режиму покоя.
,
,
.
Сопротивление резисторов R7, R8 рассчитываем по падению напряжений на них:
;
;
(5.5)
;
.
Примем R7=150 Ом и R8=56 Ом. По [5] выбираем металлодиэлектрические резисторы С2-33 с номинальной мощностью 1 Вт и 0,5 Вт соответственно. Для проверки резисторов по допустимой мощности рассеяния предположим, что все напряжение, создаваемое источником питания, падает на этих резисторах. Рассеиваемую мощность определим по формуле
;
(5.6)
(Вт).

Сопротивление резистора R6 делителя находим из выражения:
,
(5.7)
где
для
кремниевых транзисторов,
–
ток делителя.
.
Сопротивление резистора R5 делителя находим следующим образом
;
(5.8)
.
Выбираем по [5] резисторы С2-33 R5=750 Ом, номинальная мощность 0,25 Вт и R6=270 Ом, номинальная мощность 0,125 Вт. Выполним проверку для резистора R5 по формулам, подобным (5.6):
;
.
Для определения коэффициента усиления каскада по току определим эквивалентное сопротивление цепи коллектора по переменному току
,
(5.9)
.
Определяем коэффициент усиления по току
,
(5.10)
.
Тогда амплитуда входного тока
,
(5.11)
.
Входное сопротивление каскада ОЭ определяется с учетом сопротивлений делителя, параметров транзистора и сопротивления цепи эмиттера:
,
(5.12)
где
–
усредненное значение крутизны сквозной
характеристики;
–
тепловой потенциал.
Тогда входное сопротивление
.
Коэффициент усиления по напряжению
,
(5.12)
где
в данном случае – выходное сопротивление
входного каскада, определенное ниже
(см. стр. 15).
.
Амплитуда входного напряжения
,
(5.13)
.
Емкость конденсатора С2 определяем по формуле (3.14)
.
Емкость конденсатора С5, шунтирующего резистор термостабилизации R8 по переменному сигналу, выбираем с учетом того, что его сопротивление должно быть значительно меньше сопротивления R8. Таким образом, по справочнику [6] выбираем алюминиевые оксидно-электролитические конденсаторы К50-29 с емкостями С2=100мкФ и С5=470мкФ и номинальным напряжением 25В.
Для уменьшения коэффициента усиления по току охватим каскада отрицательной обратной связью по току (рис. 5).

Каскад, построенный по схеме с
общим, эмиттером поворачивает фазу
усиливаемого сигнала на
.
С понижением частоты входного сигнала
появляется дополнительный фазовый
сдвиг, обусловленный наличием конденсаторов
С4, С5. Но вносимые ими фазовые сдвиги
настолько малы ввиду больших емкостей
(точно они определены в п.8:
и
соответственно), что ими можно пренебречь
и считать, что подаваемое на вход
напряжение обратной связи находится в
противофазе к входному.
Определим глубину обратной связи из выражения
.
Ток в цепи обратной связи прямопропорционален падению напряжения на резисторе R>ос>, которое равно падению напряжения на параллельно включенных сопротивлении ОС и входном сопротивлении каскада:

Тогда глубина обратной связи
,
(5.14)
Выберем резистор ОС R11=R>ос>=3000 Ом С3-33 (лакопленочный композиционный) номинальной мощностью 0,025 Вт
(
).
Тогда
.
Теперь можем найти коэффициент усиления по току каскада с обратной связью
,
(5.15)
.
Тогда максимум входного тока
.
Введение обратной связи изменяет параметры каскада, в частности входное сопротивление:
(5.16)
но ввиду большого сопротивления резистора обратной связи, она практически не влияет на входное сопротивление:
,
а, следовательно, и на коэффициент усиления по напряжению
.
Выходное сопротивление:
;
(5.17)
.
Коэффициент усиления по мощности
.
6. РАСЧЕТ ВХОДНОГО КАСКАДА
Входной каскад будем строить по схеме с общим эмиттером. Расчет производим по схеме, описанной в предыдущем пункте.
Выберем транзистор согласно формулам

По справочнику [3] выбираем транзистор П701А (рис. 6), имеющий следующие параметры:
Статический коэффициент передачи тока в схеме с общим эмиттером 15 – 60.
Постоянное напряжение коллектор – эмиттер 60 В;
Постоянный ток коллектора 0,5 А;
Постоянная рассеиваемая мощность
коллектора без теплоотвода при
температуре Т
338
К – 1 Вт.
Температура окружающей среды от 213 до 398 К.
Определяем режим покоя транзистора по формулам (5.2) и (5.3):

.
Сопротивления резисторов R3, R4 определяем по формулам, аналогичным (5.5):


Выбираем по [5] резисторы С2-33 с номиналами R3=150 Ом и R4=51 Ом и номинальной мощностью 1 Вт и 0,5 Вт соответственно.
Проведем проверку по допустимой мощности рассеяния :
;
.
Определяем ток делителя
.
Сопротивление резистора делителя R2 по (5.7):
.
Выбираем резистор С2-33 110 Ом
0,25
Вт.
По формуле (5.8) находим R1:
.
Выбираем резистор С2-33 330 Ом
0,5 Вт.
Проверим резистор R1 и R2 по допустимой мощности рассеяния по формуле, подобной (5.6):
,
.
Определим эквивалентное сопротивление цепи коллектора по переменному току по формуле, подобной (5.9):
.
Подставляя данные в формулу (5.10), получим коэффициент усиления по току
.
Амплитуда входного тока
.
Находим усредненное значение крутизны сквозной характеристики
.
Тогда по формуле, подобной (5.12), найдем входное сопротивление каскада и всего усилителя
.
Коэффициент усиления по напряжению определим по формуле (5.12)

Амплитуду входного напряжения – по формуле (5.13)
.
Рассчитаем емкость входного разделительного конденсатора С1 по формуле (3.14):

По [6] выбираем конденсатор К50-31
220 мкФ
25
В.
Конденсатор С3 выбираем большой
емкости исходя из того, что он должен
шунтировать резистор термостабилизации
по переменной составляющей: К50-24 470мкФ
25
В.
7. РАСЧЕТ ОБЩИХ ПАРАМЕТРОВ УСИЛИТЕЛЯ
Определим основные параметры нашего усилителя в соответствии с формулами (2.1):
коэффициент усиления по напряжению
;
коэффициент усиления по току
;
коэффициент усиления по мощности
.
Определим отклонение полученных параметров усилителя от заданных
;
.
Найдем коэффициент частотных искажений по формулам (2.5) и (2.6). Для этого найдем по (2.7) коэффициенты частотных искажений, обусловленные влиянием отдельных конденсаторов:
;
;
;
;
;
;
Тогда общий коэффициент частотных искажений
.
Полученный коэффициент
удовлетворяет условию
.
Фазовые сдвиги, создаваемый действием каждого конденсатора определим по формуле (2.9):
;
;
;
;
;
;
Тогда фазовый сдвиг выходного напряжения усилителя относительно входного
.
8. ЗАКЛЮЧЕНИЕ
Роль электроники в современной науке и технике трудно переоценить. Она справедливо считается катализатором научно технического прогресса. Без электроники немыслимы ни успехи в освоении космоса и океанских глубин, ни развитие атомной энергетики и вычислительной технике, ни автоматизация производства, ни радиовещание и телевидение, ни изучение живых организмов. Электронные устройства широко применяются также в сельском хозяйстве для автоматизации и связи. Микроэлектроника как очередной исторически обусловленный этап развития электроники и одно из ее основных направлений обеспечивает принципиально новые пути решения назревших задач во всех перечисленных областях.
9. СПИСОК ИСПОЛЬЗОВАННЫХ ИСТОЧНИКОВ
Рабочий А.А., Методические указания к курсовой работе "Расчет многокаскадного усилителя низкой частоты" – Орел, 1998 –28 с.
Гусев В.Г., Гусев Ю.М. "Электроника" – М.: Высшая школа, 1991 – 621с.
Полупроводниковые приборы: Транзисторы. Справочник /Под общ. ред. Н.Н. Горюнова – М.: Энергоатомиздат, 1985 –904 с.
Полупроводниковые приборы: Диоды, тиристоры, оптоэлектронные приборы. Справочник /Под общ. ред. Н.Н. Горюнова – М.: Энергоатомиздат, 1985 –744 с.
Резисторы: Справочник: /Под ред. Четверткова И.И. – М.: Радио и связь, 1991 –527 с.
Справочник по электролитическим конденсаторам /Под ред. Четверткова И.И. – М.: Радио и связь, 1983 –575 с.