Расчет оконечного каскада передатчика
Федеральное агентство по образованию
Государственное образовательное учреждение высшего профессионального образования
Новгородский государственный университет имени Ярослава Мудрого
Кафедра “Радиосистем”
Расчетная работа по учебной дисциплине
“Формирование и генерирование сигналов”
Проверил:
_______________Голик Ф. В.
“_____”______________2005г.
Выполнил:
Студент гр. 2012
____________Швейкин Е.Ю.
“_____”______________2005г.
1 Исходные данные
В задании нам заданы такие основные параметры расчета предварительного и оконечного каскадов передатчика на биполярных транзисторах:
диапазон рабочих частот от 9 до 15 МГц ;
мощность излучаемого сигнала – 10 Вт;
режим работы усилительного каскада - класса А.
3 Предварительный расчёт
При проектировании усилителя его необходимо рассчитывать на максимальную мощность, но необходимо также учесть потери в выходной колебательной системе, а также и потери в антенно-фидерном устройстве. Таким образом, для вычисления мощности, которую необходимо обеспечить на выходе оконечного каскада, необходимо знать КПД выходной колебательной системы и антенно-фидерного устройства, которые мы положим равными 0.9. Таким образом, полная мощность, которая должна быть обеспечена, на выходе оконечного каскада вычисляется по формулам:
Pок1 = Pmax + Pmax*(1 – КПДвкс) = 12.5 Вт(1);
4 Расчёт оконечного каскада
Исходные данные для расчёта ОК:
fв = 15 МГц (верхняя граничная частота);
fн = 9 МГц (нижняя граничная частота);
Мощность – 10 Вт
Режим класса А.
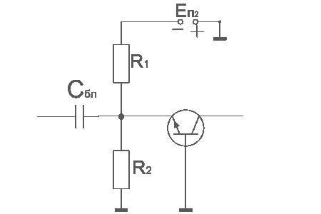
Схема оконечного каскада представлена на рисунке 1

Рисунок 1 -Схема оконечного каскада.
По верхней граничной частоте и номинальной мощности подбираем подходящий транзистор, нам подходит транзистор 2Т903А.
Параметры транзистора 2Т903А:
r>нас >= 1Ом – сопротивление насыщения;
r>б >= 2Ом – сопротивление материала базы;
r>э >= 0 Ом – сопротивление в цепи эмиттера;
R>уэ >= 100 Ом – сопротивление утечки эмиттерного перехода;
Е>отс >= 0.7 В – напряжение отсечки;
h21>оэ >= 15коэффициент усиления по току;
f>T>> >= 130 МГц – граничная частота усиления по току;
С>к >= 50 пФ – барьерная емкость коллекторного перехода;
С>ка >=10 пФ – барьерная емкость активной части коллекторного перехода;
С>э >= 350 пФ – барьерная емкость эмиттерного перехода;
L>э >= 0.1 нГн – индуктивность эмиттера;
L>б >= 20 нГн – индуктивность базы;
U>кдоп >= 55 В – предельное напряжение на коллекторе;
Е>бэдоп >= 4 В – обратное постоянное напряжение на эмиттерном переходе;
I>к0доп >= 3 А – постоянная составляющая;
I>кдоп >= 8 А – допустимый ток коллектора.
Результат расчёта входной (базовой) цепи:

Результаты расчёта коллекторной цепи:

5 Расчёт предоконечного каскада
Исходные данные для расчёта ПОК:
fв = 15 МГц (верхняя граничная частота усилителя);
fн =9 МГц (нижняя граничная частота усилителя);
По верхней граничной частоте и номинальной мощности подбираем подходящий транзистор, нам подходит транзистор 2Т921А.

Рисунок 2 -Схема предоконечного каскада.
Параметры транзистора 2Т921А:

Результат расчёта входной (базовой) цепи:

Результаты расчёта коллекторной цепи:

6 Расчёт цепи межкаскадного соединения
В качестве цепи межкаскадного соединения, между оконечным и предоконечным каскадами, возьмём ФНЧ - трансформатор. Схема трансформатора приведена на рис.3.
Исходные данные для расчёта МКС:
fв =15 МГц (верхняя граничная частота усилителя);
fн =9 МГц (нижняя граничная частота усилителя);
Rг =48 Ом (выходное сопротивление предыдущего каскада);
Rн =18 Ом (входное сопротивление последующего каскада);
а = 0.043 (допустимая неравномерность коэффициента передачи по мощности).
После выполнения расчётов получились следующие номиналы элементов:
|
Емкости |
Индуктивности |
|
1.37E-9 |
7.90E-7 |
|
2.50E-9 |
4.33E-7 |
Схема цепи межкаскадного соединения приведена на рис.3.

Рис.3. Схема цепи межкаскадного соединения.
7 Расчёт выходной колебательной системы
Исходные данные для расчёта ВКС:
fв =15 МГц (верхняя граничная частота усилителя);
fн =9 МГц (нижняя граничная частота усилителя);
Rн = 50 Ом (сопротивление нагрузки);
Rвх =10.6Ом (сопротивление предыдущего каскада);
Pвх =12.5 Вт (мощность на входе ВКС);
Pдоп =0.012 Вт (допустимая мощность высших гармоник);
КБВн = 0.9 (допустимое значение коэффициента бегущей волны нагрузки);
КБВвх = 0.7 (допустимое значение коэффициента бегущей волны на входе ВКС);
При проектировании выходных колебательных систем, устанавливаемых после оконечного каскада усилителя, на первом плане стоит обеспечение заданной фильтрации высших гармоник. Заданную фильтрацию гармоник, в первую очередь наиболее интенсивной – второй и третьей. Выходная колебательная система должна обеспечить в рабочем диапазоне частот усилителя при заданном уровне колебательной мощности и высоком КПД.
Для выбора типа выходной колебательной системы необходимо вычислить коэффициент перекрытия рабочего диапазона, который вычисляется по формуле:
так как полученный коэффициент перекрытия по частоте Kf =1.67, то для фильтрации высших гармоник ВКС можно выполнить в видеодного широкодиапазонного не перестраиваемого фильтра.
При расчёте получим, что для реализации фильтра с заданными параметрами потребуется один шестизвенный фильтр.
Номинальные значения элементов фильтра равны:
|
Емкости |
Индуктивности |
|
|
|
Схема фильтра приведена на рисунке 3.

Рисунок 3-Схема выходной колебательной системы.
6 Заключение
Разработанный мною усилитель соответствует параметрам моего варианта:
обеспечивает на выходе ВКС требуемую мощность (10Вт);
работает в заданном диапазоне частот (от 9 до 15 МГц)
7 Список использованной литературы
Шумилин М. С. Проектирование транзисторных каскадов передатчиков; - Москва: Радио и связь, 1987;
Шахгильдян В. В. Проектирование радиопередающих устройств, - Москва: Радио и связь, 1993;
Благовещенский М.В. Радиопередающие устройства., М.: "Радио и связь", 1982.

