Расчет параметров и режимов работы транзисторных каскадов усилителя низкой частоты
ИСХОДНЫЕ ДАННЫЕ ДЛЯ РАСЧЁТА
В задаче № 1:
тип структуры транзистора n-p-n;
напряжение источника питания Е>п>=6 В;
амплитуда тока нагрузки I>нм>=7,5 мА;
сопротивление нагрузки R>н>> >=400 Ом;
максимальное напряжение нагрузки U>н.м.>=3 В;
нижняя частота входного сигнала F>н>= 140 Гц;
коэффициент частоты искажений М>н>=1,2;
диапазон рабочих температур + (2527)°С;
В задаче № 2:
параметры элементов схемы и транзистора R>1>= 500 кОм, R>2>=57 кОм, R>с>=3,7 кОм, R>и>=1,2 кОм, R>н>=10 кОм, R>г>=10 кОм, g>11>=0,2∙10-6 (1/Ом), g>12>=0,1∙10-6 (1/Ом), g>21>=4,7∙10-3 (1/Ом)>, >g>22>=35∙10-6 (1/Ом).
Содержание пояснительной записки - в соответствии с методическими указаниями к РГР.
СОДЕРЖАНИЕ
РАСЧЕТНО-ГРАФИЧЕСКАЯ ЧАСТЬ
1. Расчёт параметров усилителя низкой частоты на биполярном транзисторе
1.1 Схема транзисторного усилителя низкой частоты
1.2 Выбор биполярного транзистора
1.3 Выбор положения рабочей точки
1.4 Расчет параметров элементов схемы
1.5 Расчет параметров усилительного каскада на биполярном транзисторе
2. АНАЛИТИЧЕСКИЙ РАСЧЁТ ПАРАМЕТРОВ УСИЛИТЕЛЬНОГО КАСКАДА НА ПОЛЕВОМ ТРАНЗИСТОРЕ
Список литературы
РАСЧЕТНО-ГРАФИЧЕСКАЯ ЧАСТЬ
1. РАСЧЁТ ПАРАМЕТРОВ УСИЛИТЕЛЯ НИЗКОЙ ЧАСТОТЫ НА БИПОЛЯРНОМ ТРАНЗИСТОРЕ
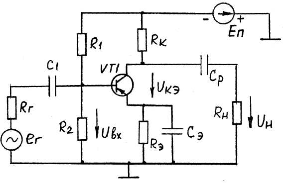
1.1 Схема транзисторного усилителя низкой частоты
Упрощенная схема каскада, выполненного на биполярном транзисторе типа р-n-р, включенного по схеме ОЭ, приведена на рисунке 1. На схеме обозначены: R>1>, R>2> - резисторы входного делителя, обеспечивающего нужное смещение на базе транзистора, R>к>, R>э> - соответственно коллекторный и эмиттерный ограничивающие резисторы, R>н> - сопротивление нагрузки. В простейшем случае резисторы R>2> и R>э> могут отсутствовать (R>2>= ∞, R>э>=0), R>г> - внутреннее сопротивление источника сигнала (генератора). С>вх>, С>р> - разделительные конденсаторы. Резистор R>э> и конденсатор С>э> образуют цепь отрицательной обратной связи по току эмиттера. Полагаем, что на вход (на базу транзистора) относительно общей точки подаётся синусоидальный входной сигнал с такой амплитудой, чтобы каскад работал в квазилинейном режиме и на нагрузке выделялся усиленный синусоидальный сигнал. Это обеспечивается соответствующим выбором положения рабочей точки на характеристиках транзистора.

Рисунок 1 - Схема каскада усилителя низкой частоты на биполярном транзисторе
1.2 Выбор биполярного транзистора
В исходных данных указаны ток и мощность нагрузки, по которым следует определить конкретный тип и марку транзистора из следующих соображений:
а) Допустимое напряжение между коллектором и эмиттером выбирается на (10-30)% больше напряжения источника питания


где U>кэ доп >- допустимое напряжение по условиям пробоя р-n-перехода.
б) Максимальный (допустимый) ток коллектора должен быть в (1,52) раза больше тока нагрузки
I>к.доп.> 2I>нм>
где
мА - амплитуда тока нагрузки;
I>к.доп.> - допустимое (по условиям нагрева) значение тока коллектора.
В общем случае нужно учитывать значение температуры окружающей среды, в зависимости от которой значение допустимого тока изменяется. В данном расчете предполагается «нормальная» температура окружающей среды + (2527)°С.
Вышеперечисленным требованиям удовлетворяет транзистор МП25А. Он имеет следующие параметры:
Uкэм =
40В, Iкм=80мА, Pкм=0,2Вт,
(В
расчётах
),
,
,
.
Его входные и выходные характеристики изображены на рисунке 3.
1.3 Выбор положения рабочей точки
Расчет параметров графоаналитическим способом основан на использовании нелинейных статических характеристик. В первую очередь на семействе выходных характеристик изобразим кривую ограничения режима работы транзистора по мощности Р>кт>. Она строится согласно уравнению Р>к>>m>= U>кэ>I>к>. Задаваясь значениями U>кэ>, находим I>к> по заданному (паспортному) значению Р>к>.
Таблица 1
|
Uкэ, В |
4 |
8 |
10 |
16 |
20 |
|
Iк,мА |
50 |
25 |
20 |
12,5 |
10 |
Далее на семействе выходных характеристик (рисунок 3) проводим нагрузочную линию, используя уравнение для коллекторной цепи

Полагая U>кэ> = 0 В, получим

где R>общ> = R>к> + R>э> - суммарное сопротивление в выходной цепи транзистора.
Полагая I>к> = 0, имеем U>кэ> = E>п>=6 В.
Так как R>общ> пока неизвестно, используем две точки (рисунок 3) : точку А с координатой (Е>п>, 0) и выбранную по некоторым соображениям точку Р.
Положение точки Р нужно выбрать из следующих соображений:
а) точке Р соответствует значение
тока I>кр>
1,2I>им>
13,4мА и значение напряжения>
>U>
кэр>
(U>вых.>+U>ост>)=3+1=4
В,
где I>кр> - постоянная составляющая тока коллектора;
I>им >- амплитуда переменной составляющей тока коллектора (тока нагрузки);
U>кэр> - постоянная составляющая напряжения коллектор-эмиттер.
U>ост> маломощных транзисторов принимается ориентировочно равным 1В.
б) точка Р должка располагаться в области значений токов и напряжений, не попадающих в верхнюю область, ограниченную кривой Р>км> (рисунок 3).
Определив координаты точки Р проводим на семействах выходных характеристик нагрузочную прямую APD (рисунок 3) и определяем значение тока базы I>бр>, соответствующее выбранному значению тока коллектора I>кр>: I>бр> =0,6 мА. По значению тока базы I>бр> определяем положение точки P>1> на входной характеристике (рисунок 4).
Определяем значения токов I>км> и I>к.>>min>> >:
I>км> = I>кр>+ I>им>=15+7,5=22,5 мА,
I>к.>>min> =I>кр> -I>им>=15-7,5=7,5 мА,
где I>нм> - амплитуда переменной (синусоидальной) составляющей тока нагрузки.
Откладывая по оси токов значения I>км>, I>к.>>min> находим на нагрузочной линии точки В и С, которым соответствуют значения токов базы I>бм>=0,9 мА, I>б.>>min>=0,3 мА и значения напряжений U>кэм>=5,2 В, U>кэ.>>min>=3,4 В. Амплитуду синусоидальной составляющей напряжения коллектор-эмиттер находим из соотношения:

1.4 Расчет параметров элементов схемы
1. Определяем значения сопротивлений R>к> и R>э>.
кОм,
где I>КЗ> - ток, определяемый по точке пересечения прямой АР с осью токов (точка D на рисунке 3).
Принимая R>э>=(0,l0,15)R>к>, находим
Ом,
R>э>=R>общ>-R>к>=15,7Ом.
2. Находим сопротивления резисторов R>l>, R>2>. С целью уменьшения влияния делителя напряжения R>l> R>2> на входной сигнал обычно выбирают

где R>вх>- входное сопротивление по переменному току
Ом.
Значения U>вхм> и I>вхм> определяются по входной характеристике (рисунок 4):
Значение сопротивления резистора R>1> можно определить из соотношения
кОм,
полученного из уравнения
напряжений для контура цепи: общая точка
– R>э>
-эмиттерный переход – R>2>
- общая точка в предположении, что U>эб>
<<E>п>,
а> >
.
Из последнего соотношения можно находим
значение сопротивления резистора R>2>=127
Ом.
3. Определяем емкость конденсаторов С>р >и С>э>:
мкФ,
мкФ,
где: f>H> - нижняя частота полосы пропускания, Гц;
М>н> - коэффициент частотных искажений а области низких частот (принимаем М>н>=1,2 для упрощения).
1.5 Расчет параметров усилительного каскада на биполярном транзисторе
Используя графики входной и выходных характеристик, можно найти параметры усилительного каскада:
а) Коэффициент усиления по напряжению
раз;
K>U>,дб=20lgK>U>=48,7
дБ.
б) Коэффициент усиления по току
раз;
K>i>,дб=20lgK>i>=18,41дБ.
в) Коэффициент полезного действия (КПД):

где: Р>н> - мощность нагрузки максимальная (выходная);
Р>р> - мощность источника, затраченная на обеспечение режима работы Мощность переменного тока нагрузки
P>н>=0,5U>нм>I>нм>=0,5∙3∙0,0015=172,5 мВт.
Мощность, затрачиваемая источником питания на обеспечение режима работы определяется по координатам точки Р (см. рисунок 3)
P>р>=U>кэр>I>кр>=4,2∙0,015=63 мВт.
г) Мощность генератора входного синусоидального сигнала
P>вх>=0,5I>бм>U>бэм>=0,5∙0,0009∙0,18=81 мкВт.
д) Коэффициент усиления по мощности
K>р>,дб=10lgK>р>=33,282
дБ.
2. АНАЛИТИЧЕСКИЙ РАСЧЁТ ПАРАМЕТРОВ УСИЛИТЕЛЬНОГО КАСКАДА НА ПОЛЕВОМ ТРАНЗИСТОРЕ
Схема усилительного каскада на полевом транзисторе с управляющими p-n-переходом и каналом р-типа показана на рисунке 5. Транзистор включён по схеме с общим истоком.

Рисунок 5 - Схема усилительного каскада на полевом транзисторе.
В расчёте используем упрощённую схему замещения транзистора, показанную на рисунке 5, где обозначены:
g>11> - входная проводимость, См;
g>12>U>2> - входной ток, обусловленный влиянием выходной цепи на входную;
g>12> - проводимость передачи напряжения;
g>21 >>>U>1> -выходной ток, обусловленный проводимостью передачи тока g>21>;
g>22> - выходная проводимость транзистора, См.
Схема замещения усилительного каскада показана на рисунке 6. В целях упрощения в схеме отсутствует проводимость g>11> и источник g>12>U>2> ввиду их незначительной величины. Сопротивления резисторов R>з1> и R>и1> определяется из соотношений:
кОм,
кОм.
где: R>з1> - эквивалентное сопротивление цепи затвора;
R>н1> - эквивалентное сопротивление выходной цепи.
Коэффициент усиления по напряжению определяется по выражению

Коэффициент усиления по току

Коэффициент усиления по мощности
К>р>=К>U>
К>i>=
∙
=687.791
раз.
Входное сопротивление каскада
R>вх>=R>з1>=
кОм.
Выходное сопротивление каскада
Ом,
где: U>xx> - напряжение на выходе при разрыве цепи нагрузки (холостой ход);
I>кз> - ток на выходе при коротком замыкании выводов нагрузки.

Рисунок 6 – Упрощённая схема замещения усилительного каскада на полевом транзисторе
СПИСОК ЛИТЕРАТУРЫ
Полупроводниковые приборы: транзисторы. Справочник / Под общей редакцией Горюнова Н.Н. - М.: Энергоатомиздат, 1985. - 904 с.
Жеребцов И.П. Основы электроники. - Л.: Энергоатомиздат, 1989.- 352 с.
Опадчий Ю.Ф., Грудкин, О.П., Гуров А.И. Аналоговая и цифровая электроника. - М.: Горячая линия - Телеком, 2002, - 768 с.
1