Расчет усилителей на биполярных транзисторах
Федеральное агентство связи
ГОУ ВПО
«Сибирский государственный
университет
телекоммуникаций и
информатики»
Уральский технический институт связи и информатики (филиал)
Курсовая работа по дисциплине «Основы схемотехники»
РАСЧЁТ УСИЛИТЕЛЕЙ НА БИПОЛЯРНЫХ ТРАНЗИСТОРАХ
СОДЕРЖАНИЕ
Введение
Расчет усилительного каскада
1. Исходные данные к курсовой работе
2. Характеристики используемого транзистора
3. Схема цепи питания и стабилизации режима работы транзистора
4. Построение нагрузочной прямой по постоянному току
5. Определение малосигнальных параметров транзистора в рабочей точке
6. Определение величин эквивалентной схемы транзистора
7. Определение граничной и предельных частот биполярного транзистора
8. Определение сопротивления нагрузки транзистора по переменному току
9. Построение сквозной характеристики
10. Определение динамических параметров усилительного каскада
Заключение
Список литературы
Приложение 1. Схема электрическая принципиальная проектируемого усилительного каскада
Приложение 2. Перечень элементов
Введение
Цель данной курсовой работы состоит в закреплении знаний, полученных при изучении дисциплины «Основы схемотехники», в получении опыта разработки и расчета основных характеристик усилительных каскадов, а также в активизации самостоятельной учебной работы, в развитии умений выполнять информационный поиск, пользоваться справочной литературой, определять параметры и эквивалентные схемы биполярных и полевых транзисторов, получать разностороннее представление о конкретных электронных элементах.
В ходе выполнения курсовой работы для заданного типа транзистора определяются паспортные параметры и статические характеристики, в соответствии со схемой включения и величинами элементов схемы усилительного каскада выбирается положение режима покоя, для которого рассчитываются величины элементов эквивалентных схем транзистора и мало сигнальные параметры транзистора, графоаналитическим методом определяются параметры усилительного каскада.
Расчет усилительного каскада
1. Исходные данные к курсовой работе
|
1. Тип активного элемента |
Биполярный транзистор |
|
2. Схема включения активного элемента |
С общим эмиттером |
|
3. Используемый активный элемент |
КТ208К |
|
4. Напряжение источника питания, E>п> |
30 В |
|
5. Номинал резистора в цепи, R>к> |
2,2 кОм |
|
6. Номинал резистора в выходной цепи, R>н> |
3,0 кОм |
В соответствии с заданными исходными данными выбираем схему включения с общим эмиттером и с эмиттерной стабилизацией.
2. Характеристики используемого транзистора
Проектируемое устройство основано на биполярном транзисторе КТ208К. Транзистор КТ208К – кремниевый эпитаксиально-планарный p-n-p типа, используемый в усилительных схемах.
Электрические параметры
|
Наименование |
Обозначение |
Значения |
|
|
min |
max |
||
|
1.1. Обратный ток эмиттера (при Uэ= Uэб max), мкА |
I> эбо> |
1 |
|
|
1.2. Обратный ток коллектора (при U>К>= Uкб max) , мкА |
I> кбо> |
1 |
|
|
1.3. Коэффициент обратной связи по напряжению в режиме малого сигнала |
h>21б> |
||
|
1.4. Статический коэффициент передачи тока в схеме с ОЭ (при U>К>= 1 I>к=30 м>>A>>, >f>=0,27к Гц >) при Т>с>=+125 0С при Т>с>=-60 0С |
h>21э> |
80 80 40 |
240 480 240 |
|
1.5. Коэффициент шума, дБ (при U>К>= 3 I>к=0,2 м>>A>>, >f>=1к Гц >) |
К>ш> |
4 |
|
|
1.6. Входное сопротивление в режиме малого сигнала в схеме с ОЭ при I>э=5 м>>A> (при U>К>= 5>, >f>=0,27к Гц >) |
h>11э> |
130 |
2500 |
|
1.7. Емкость коллекторного перехода, пФ (при U>К>= 10 f>=500к Гц >) 1.8 Емкость эмитерного перехода, пФ (при f>=500к Гц >) 1.9 Напряжение насыщения коллектор – эмиттер, В (при I>к=300 м>>A>>, >I>б=60 мA >) 1.10 Напряжение насыщения база – эмиттер, В (при I>к=300 м>>A>>, >I>б=60 мA >) 1.11 Граничная частота коэффициента передачи тока в схеме с ОЭ, МГц (при U>К>= 5 Iк>=10, >>мА>> >) 1.12. Выходная проводимость в режиме малого сигнала, при х.х в схеме с ОЭ при I>э=1 м>>A> (при U>К>= 5>, >f>=0,27к Гц >) |
С>К> С>Э> U>КЭ >нас U>БЭ >нас F>гр> h>22>>э> |
5 0,15 |
50 100 0,4 1,5 0,55 |
2.) Максимально допустимые параметры. Гарантируются при температуре окружающей среды Т>с>=-60…+125 0С
|
2.1. I>к >>max> – постоянный ток коллектора, мА |
0,3 |
|
2.2. I>к и >>max> – импульсный ток коллектора, мА при t>и> 100 мкс и Q10 |
0,5 |
|
2.3. U>к б>>max> – постоянное напряжение коллектор-база, В |
0,1 |
|
2.4. U>кэ >>max>> >– постоянное напряжение коллектор-эмиттер (при Rб2 кОм), В |
45 |
|
2.5. U>эб >>max> – постоянное напряжение эмиттер-база, В |
45 |
|
2.6. P>к >>max>> >– постоянная рассеиваемая мощность, мВт |
200 |
|
2.7.Т> п мах> - Температура перехода, 0С |
150 |
|
2.8. Допустимая температура окружающей среды, 0С |
-60…+125 |
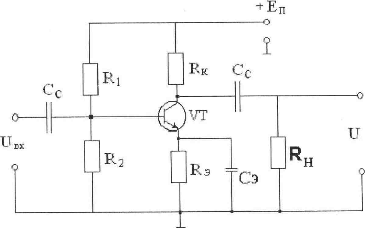
3. Схема цепи питания и стабилизации режима работы транзистора

Рис. 1
Назначение элементов схемы:
R>э> - задаёт обратную связь;
Rн – сопротивление нагрузки ;
С>с> - разделительный конденсатор, задерживает постоянную составляющую входного сигнала (это может привести к искажению начального тока смещения);
В нашей схеме используется отрицательная обратная связь по постоянному току. Величина резистора R>э>, задающего обратную связь, определяется из условия R>э>=[(0,10,3)Е>п>]/I>э>. Затем выбираем ток делителя I>д >протекающий через R>2, >из условия
I>д> =[(310)I>б >и определим величины резисторов R>1, >R>2, >по следующим соотношениям:




4. Построение нагрузочной прямой по постоянному току
Выходные характеристики используемого транзистора:

∆I>Б>=0,01 мА
Рис. 2
Уравнение нагрузочной прямой при выборе схемы с включения биполярного транзистора

Нагрузочную прямую строим по двум точкам:
при I>к>=0 и U>кэ>=E>п> = 30 В

Выбираем
из ряда номинальных значений
=430
Ом
при
U>кэ>=0
и

Рабочая точка (т.О) выбирается посередине участка нагрузочной прямой в точке пересечения ее с выходной характеристикой (рис.2, прямая АВ).
Входные характеристики используемого транзистора:

Рис. 3
Параметры режима покоя: U>кэ0 >= 16 В, I>к0>= 5,5 мА, I>б0>=0,03 мА, U>бэ0>= 0,63 В.
Стабилизация тока осуществляется за счет последовательной отрицательной обратной связи, которая вводится с помощью резистора R>э>. Нежелательная обратная связь по переменному току может быть устранена путем шунтирования резистора R>э> конденсатором большой емкости.
Ток делителя I>д>, протекающий через R>2> выберем из условия I>д>=(3÷10)I>б0>, возьмем I>д>=10I>б0>=0,3 мА
Определим величины резисторов R>1> и R>2>:




Разделительный конденсатор С>с> принимаем емкостью 100 мкФ.
Исходя из имеющихся стандартных номиналов резисторов, величину R>к> =2,2 кОм, R>1>=82 кОм, R>2>=10 кОм.
5. Определение малосигнальных параметров транзистора в рабочей точке
1.) Входное сопротивление, измеряемое при коротком замыкании на выходе транзистора, Используя выходные характеристики транзистора (Рис. 4)



Рис. 4
2.) Коэффициент передачи по току, измеряемый при коротком замыкании на выходе транзистора, используем входные характеристики транзистора (Рис.5)



Рис. 5
3.) Выходная проводимость, измеряемая при холостом ходе на входе транзистора, используем входные характеристики транзистора (Рис. 6)



Рис. 6
4.) Коэффициент обратной связи, измеряемый при холостом ходе на входе транзистора:
Для
всех типов биполярных транзисторов и
рабочих точек принято
(I>б >, I>к> ,U>бэ >, U>кэ> – приращения, взятые симметрично относительно рабочей точки О).
6. Определение величин эквивалентной схемы транзистора
Физическая малосигнальная высокочастотная эквивалентная схема биполярного транзистора (схема Джиколетто) представлена на рис. 3.
SU>ВХ>
Рис. 7
Барьерная ёмкость коллекторного перехода;


Выходное сопротивление транзистора;

Сопротивление коллекторного перехода;

Сопротивление эмиттерного перехода для эмиттерного тока;

Сопротивление эмиттерного перехода для базового тока;

Распределение сопротивления базы;
Берем
= 100 Ом
Диффузионная ёмкость эмиттерного перехода;
7
нФ
Собственная постоянная времени транзистора;

Крутизна транзистора;
мА/В
7. Определение граничной и предельных частот биполярного транзистора
1. Граничная частота усиления транзистора в схеме с ОЭ:


2. Предельная частота в схеме с ОЭ:

3. Предельная частота транзистора по крутизне:

4. Максимальная частота генерации:
8. Определение сопротивления нагрузки транзистора по переменному
току
Сопротивление нагрузки по переменному току для биполярного транзистора рассчитывается по формуле:


Для построения нагрузочной прямой по переменному току воспользуемся двумя точками:
1.)
;

2.)
- точка покоя (т.О)
Нагрузочная прямая по переменному току приведена на рисунке 8 (прямая CD).
∆IБ=0,01 мА
Рис.8
9. Построение сквозной характеристики
Для построения сквозной характеристики воспользуемся нагрузочной прямой по переменному току и выходными характеристиками приведенными на рисунке 8. По точкам пересечения нагрузочной прямой по переменному току с выходными характеристиками строим сквозную характеристику I>к>(U>бэ>). Точки для построения проходной характеристики (зависимости I>к >от U>бэ>) представлены в таблице 1, а график зависимости на рисунке 9.
Таблица 1
|
I>к>, мА |
0,2 |
1,6 |
3,6 |
5,5 |
6,6 |
8,5 |
10,2 |
11,8 |
13,3 |
|
U>бэ>, В |
0,5 |
0,59 |
0,61 |
0,63 |
0,64 |
0,65 |
0,66 |
0,67 |
0,68 |
|
I>б>, мА |
0 |
0,01 |
0,02 |
0,03 |
0,04 |
0,05 |
0,06 |
0,07 |
0,08 |
10. Определение динамических параметров усилительного каскада
Динамические параметры усилительного каскада определяются для двух величин амплитуды входного сигнала U>вх>: U>вхн> и U>вхн>/2.
B: I>б>>=0,01 >U>бэ>>=0,59 >I>к=1,5>
D: I>б>>=0.0125 >U>бэ>>=0,612 >I>к=3,8>
A: I>б>>=0,03 >U>бэ>>=0,632 >I>к=6,9>
E: I>б>>=0,06 >U>бэ>>=0,654 >I>к=9,9>
C: I>б=0,08 >U>бэ=0,675 >I>к=13,2>
1) Коэффициент усиления по напряжению, К>u>> >(отношение установившегося значения напряжения сигнала на выходе усилителя к напряжению сигнала на его входе) определим по формуле
,
где
значение
берем
на выходной характеристике вблизи
рабочей точки;
для U>вхн>:
,
где
значение
с учетом обеих полуволн входного сигнала
берем равным 2U>вхн>;
K>u><0,
так как фаза равна π.
1.2.) для U>вхн>/2:
,
где
значение
с учетом обеих полуволн входного сигнала
берем равным U>вхн>;
K>u><0,
так как фаза равна π.
2.) Коэффициент усиления по току К>i> (отношение установившегося значения тока сигнала в нагрузку к току сигнала на входе) определим по формуле
,
где
значение
,
берем
на выходных характеристиках вблизи
рабочей точки (точки E
и F
на графике);
2.1) для U>вхн>:
;
где
значение
с учетом обеих полуволн входного сигнала
берем равным 2U>вхн>;
2.2.) для U>вхн>/2:
;
где
значение
с учетом обеих полуволн входного сигнала
берем равным U>вхн>;
3.) Коэффициент усиления по мощности определим по формуле

3.1) для U>вхн>:

3.2) для U>вхн>/2:

K>p><0, так как фаза равна π.
4.) Коэффициент нелинейных искажений (коэффициент гармоник).
Нелинейные искажения - это изменения формы колебания, обусловленные кривизной характеристик транзисторов, диодов, магнитопроводов, полупроводниковых конденсаторов, микросхем и др. элементов. Параметры нелинейных элементов зависят от воздействующего на них тока или напряжения. Отличительным признаком нелинейных искажений является то, что им подвержено даже гармоническое колебание. На этом основана их простейшая количественная оценка с помощью коэффициента гармоник. Если на вход усилителя подать чисто гармоническое напряжение, то на выходе получим не только его первую гармонику, но и высшие.
Коэффициентом гармоник называется отношение эффективного (действующего), значения суммы высших гармоник выходного напряжения к эффективному значению первой его гармоники, вычисляется по формуле.

где
- действующие напряжения отдельных
гармоник выходного напряжения.
Этот коэффициент можно определить по сквозной характеристике (метод Клина), который позволяет учесть влияние второй и третьей гармоники выходного сигнала по формуле:
,
где
-
коэффициенты второй и третьей гармоники,
определяются графически.
Для этого на сквозной характеристике, рис. 5, отмечают пять точек, соответствующих: точке покоя, наибольшей амплитуде входного сигнала, половине наибольшей амплитуды сигнала (с учетом обеих полуволн). Значения переменных а, в и с определяются графически по рис 5.
a = 13 – 7=6
b=7 – 1,5=5,5
с = 9,9 – 3,8=6,1





Заключение
В ходе выполнения курсовой работы были изучены характеристики и параметры биполярного транзистора, схема включения транзистора в качестве активного элемента усилителя, схема замещения транзистора и ее параметры. Рассчитаны динамические параметры каскада для двух значений амплитуды входного сигнала. Выяснено, что коэффициенты гармоник и степень нелинейных искажений существенно зависят от амплитуды входного сигнала (при уменьшении амплитуды искажения уменьшаются).
Список литературы
Елфимов В.И., Устыленко Н.С. Электронные твердотельные приборы и микроэлектроника. Методические указания к выполнению курсовой работы. Екатеринбург: УрКСИ, 1998.
Транзисторы для аппаратуры широкого применения. Справочник. / Под ред. Б. Л. Перельмана. М.: Радио и связь, 1982.
Цыкина А.В. Электронные усилители. Учеб. пособие для техникумов связи, 2-е изд., доп. и перераб. М.: Радио и связь, 1982.




R3
+ Еп
_


R1
C2






C1




VT




Uвх
R2
R4
C3
R5
Uвых
