Расчет устройства для измерения параметров реле
Введение
Принцип работы и основные технические характеристики электромеханических измерительных приборов во многом зависят от вида преобразователя, обеспечивающего преобразование энергии электрического измерительного сигнала в механическую энергию перемещения подвижной части измерительных приборов.
Общим для всех электромеханических измерительных приборов является то, что они состоят из неподвижной и подвижной частей и ряда общих деталей и узлов. Подвижная часть в большинстве преобразователей может совершать угловое перемещение вокруг неподвижной оси. Механический момент, возникающий в результате воздействия на преобразователь измерительного сигнала и обусловливающий поворот его подвижной части в соответствии со значением измеряемой величины, называется вращающим моментом MВР. Этот момент должен однозначно зависеть от преобразуемой величины X и в общем случае от угла поворота подвижной части измерительного прибора:
MВР = f(X, ). (1)
В зависимости от варианта преобразования различают приборы:
1) магнитоэлектрические;
2) электромагнитные
3) электростатические приборы;
3) электродинамические;
4) индукционно-измерительные.
Магнитоэлектрические преобразователи выделяются среди других групп электромеханических преобразователей широтой и разнообразием применения, высокими метрологическими характеристиками, а также многотипностью. Отечественной промышленностью серийно выпускаются магнитоэлектрические преобразователи вплоть до класса точности 0,05 и с минимальным током полного отклонения до 0,1 мкА.
Электростатические приборы обладают целым рядом отличительных особенностей, обусловливающих их значительные преимущества по сравнению с приборами других систем. Это, прежде всего, малое собственное потребление мощности от источника измеряемого напряжения, сравнительно высокая точность, возможность использования их в широком диапазоне частот (от 20 Гц до 35 МГц), незначительная зависимость показаний от частоты и формы кривой измеряемых напряжений, возможность использования для непосредственного измерения (без применения измерительных трансформаторов напряжения) высоких напряжений (до 300 кВ), независимость показаний от внешних магнитных полей и др. К основным недостаткам этих приборов относятся: сильная зависимость показаний от внешних электрических полей, малое значение вращающего момента и низкая чувствительность, неравномерная шкала и др.
Электростатические приборы наиболее широко используются в электроизмерительной технике в виде различных вольтметров. Кроме того, для измерения напряжения и других функционально связанных с ним величин (мощность, сопротивление и т.п.) используются так называемые электрометры электростатической системы.
Для измерения низких напряжений (от десятков до сотен вольт) используются преимущественно вольтметры, созданные на базе ИП с изменяющейся активной площадью пластин. При этом для обеспечения достаточной чувствительности расстояние между подвижными и неподвижными пластинами делается очень малым (десятые доли миллиметра) и при случайных ударах, толчках, вибрации и т.д. возникает опасность короткого замыкания пластин, а значит и источника измеряемого напряжения. Для предохранения преобразователя от выхода из строя вследствие протекания через него больших токов при коротком замыкании внутрь низковольтных вольтметров встраивается защитный резистор, ограничивающий эти токи.
Данный прибор будет использоваться в лаборатории электронной техники при проведении лабораторных работ.
1 Анализ технического задания
1.1 Анализ технического задания
На сегодняшнее время электромагнитные реле являются основными элементами в устройствах автоматики и телемеханики на транспорте. Несмотря на интенсивное развитие и широкое внедрение современных интегральных микросхем, микропроцессорной и вычислительной техники в устройства автоматики, электромагнитные реле продолжают оставаться главными и наиболее массовыми элементами систем регулирования движением на перегонах и станциях. В экономически развитых странах не только продолжают эксплуатироваться устройства автоматики, содержащие десятки миллионов электромагнитных реле, но и ведутся разработки новых типов реле. Такое широкое применение электромагнитных реле в устройствах автоматики на транспорте обусловлено их следующими преимуществами по сравнению с полупроводниковыми приборами:
- высокая надежность работы в сложных климатических условиях;
- полный электрический разрыв коммутируемых цепей при разомкнутых контактах, и малое, стабильное переходное сопротивление при замкнутых контактах;
- отсутствие гальванической связи между управляющими и выходными цепями, а также возможность одновременно коммутировать несколько независимых электрических цепей с различными напряжениями и токами;
- простота эксплуатации, не требующая для обслуживания высококвалифицированного персонала и применения сложных и дорогостоящих измерительных приборов;
- высокая помехозащищенность от атмосферных разрядов, тяговых токов, воздействия радиации, резких колебаний питающих напряжений.
Электромагнитные реле, эксплуатирующиеся в устройствах автоматики, должны удовлетворять большому количеству различных эксплуатационно-технических требований (ЭТТ), которые часто являются противоречивыми и полностью не могут быть удовлетворены в одной универсальной конструкции.
Все параметры электромагнитных реле можно разделить на три типа : электрические, временные и механические.
К электрическим параметрам электромагнитного реле относятся: напряжение (ток) срабатывания реле; напряжение (ток) отпускания реле; рабочее напряжение (ток) реле; напряжение (ток) перегрузки реле; сопротивление обмотки реле; переходное сопротивление замкнутых контактов; коэффициент запаса; коэффициент возврата (коэффициент безопасности).
К временным параметрам электромагнитного реле относятся: время срабатывания реле; время отпускания реле.
К механическим параметрам любых электромагнитных реле относятся: высота антимагнитного штифта; ход якоря; межконтактный зазор; контактное давление; неодновременность замыкания или размыкания контактов; совместный ход контактов.
Кроме перечисленных параметров, работу электромагнитного реле характеризуют механическая и тяговая характеристики. Механическая характеристика реле – это зависимость механических усилий, преодолеваемых якорем при его движении, от хода якоря. Тяговая характеристика - это зависимость электромагнитной силы притяжения создаваемой электромагнитом реле, от величины воздушного зазора между якорем и сердечником при постоянной магнитодвижущей силе.
Анализ развития схемотехники современных устройств автоматики и за рубежом показывает, что электромагнитные реле будут применяться еще достаточно длительный период времени.
Это, прежде всего, связано с тем что, схемотехника устройств автоматики весьма консервативна, так как от ее работы зависит безопасность перевозочного процесса. Поэтому внедрение любого нового устройства или модернизация старого оборудования требуют тщательных испытаний на безопасность, как в лабораторных, так и эксплуатационных условиях. К тому же до сих пор не разработано полупроводниковых элементов, являющихся по надежности равноценной заменой электромагнитных реле первого класса надежности, обеспечивающих безопасность движения поездов.
Существует большое количество разновидностей и типов реле, но все они имеют две основные части:
1) воспринимающую часть, которая реагирует на изменение определенного вида физической энергии;
2) исполнительную часть, которая непосредственно производит скачкообразное изменение тока в выходной цепи.
В технике используется большое количество разновидностей и типов реле, отличающихся конструкцией, принципом работы и т.п. Поэтому в основу классификации реле можно брать различные признаки. По виду физической природы энергии, на которую реагирует воспринимающая часть, все реле можно разбить на следующие классы: электрические, механические, тепловые, оптические, пневматические, акустические, жидкостные и газовые.
Электрические реле – это реле, воспринимающая часть которых реагирует на один из видов электрической энергии. Электрические реле, по принципу устройства воспринимающей части, делятся на: нейтральные; электромагнитные реле; поляризованные электромагнитные реле; магнитоэлектрические реле; электродинамические реле; индукционные реле; полупроводниковые реле. Нейтральным электромагнитным реле называют реле, действие которого основано на взаимодействии магнитного поля, создаваемого электромагнитом, и якоря, выполненного из ферромагнитного материала.
Действие нейтрального электромагнитного реле зависит только от значения тока, протекающего в обмотке электромагнитного реле, и не зависит от направления этого тока.
Электромагнитные реле, эксплуатирующиеся в устройствах автоматики, должны удовлетворять большому количеству различных эксплуатационно-технических требований (ЭТТ), которые часто являются противоречивыми и полностью не могут быть удовлетворены в одной универсальной конструкции.
Все параметры электромагнитных реле можно разделить на три типа : электрические, временные и механические.
К электрическим параметрам электромагнитного реле относятся: напряжение (ток) срабатывания реле; напряжение (ток) отпускания реле; рабочее напряжение (ток) реле; напряжение (ток) перегрузки реле; сопротивление обмотки реле; переходное сопротивление замкнутых контактов; коэффициент запаса; коэффициент возврата (коэффициент безопасности).
К временным параметрам электромагнитного реле относятся: время срабатывания реле; время отпускания реле; время перелета якоря из одного положения в другое.
К механическим параметрам любых электромагнитных реле относятся: высота антимагнитного штифта; ход якоря; межконтактный зазор; контактное давление; неодновременность замыкания или размыкания контактов; совместный ход контактов.
Кроме перечисленных параметров, работу электромагнитного реле характеризуют механическая и тяговая характеристики. Механическая характеристика реле – это зависимость механических усилий, преодолеваемых якорем при его движении, от хода якоря. сердечником при постоянной магнитодвижущей силе.
1.2 Разработка структурной схемы

Рисунок 1- Структурная схема
Трансформатор представляет собой сердечник из тонких стальных изолированных одна от другой пластин, на котором помещаются две, а иногда и больше обмоток из изолированного провода. Обмотка, к которой присоединяется источник электрической энергии переменного тока, называется первичной обмоткой, остальные обмотки – вторичными.
Если во вторичной обмотке трансформатора намотано в три раза больше витков, чем в первичной, то магнитное поле, созданное в сердечнике первичной обмоткой, пересекая витки вторичной обмотки, создаст в ней в три раза больше напряжение.
Применив трансформатор с обратным соотношением витков, можно так же легко и просто получить пониженное напряжение.
С допустимой для практики точностью можно считать, что отношение числа витков первичной обмотки к вторичной равно отношению приложенного напряжения к выходному.
Это отношение, называемое коэффициентом трансформации, обычно сокращают на меньшее из чисел, и тогда коэффициент трансформации получают в виде отношения единицы к некоторому числу (1:4; 1:50) или, наоборот, некоторого числа к единице (4:1; 50:1).
В радиоаппаратуре трансформаторы используются в первую очередь в питающих устройствах, позволяющих питать приемники от осветительной сети переменного тока.
Такие трансформаторы называются силовыми. Кроме того, трансформаторы используются для понижения и повышения напряжения различной частоты в усилителях и радиоприемниках.
Для низких (звуковых) частот эти трансформаторы изготовляются с сердечниками из листовой стали. Для токов сравнительно высокой частоты трансформаторы, как и катушки индуктивности, делаются или совсем без стальных сердечников или с сердечниками из магнетита, альсифера, карбонильного железа и других специальных металлов.
Иногда для экономии провода и стали применяют трансформаторы, в которых одна обмотка является частью другой, то есть гальванической развязки между входной и выходной цепью нет. Такие трансформаторы, называют автотрансформаторами, они могут повышать напряжение, для чего обмотка, включаемая в сеть, должна составлять часть обмотки, дающей выходное напряжение, и понижать его, для чего обмотка, с которой снимается напряжение, должна составлять часть сетевой обмотки.
Применение автотрансформаторов в радиоприемниках связано с некоторыми неудобствами, поэтому в любительских и улучшенных промышленных радиоприёмниках автотрансформаторы широкого распространения не получили. В основном они нашли применение в дешевых массовых промышленных приемниках, а также в качестве устройств для поддержания необходимого напряжения при питании радиоприемников от осветительной сети, напряжение которой подвержено колебаниям.
В данном устройстве представлен трансформатор переменного тока 220/25В.
Выпрямитель электрического тока — преобразователь электрической энергии; механическое, электровакуумное, полупроводниковое или другое устройство, предназначенное для преобразования переменного входного электрического тока в постоянный выходной электрический ток.
Двухполупериодный выпрямитель может строиться по мостовой или полумостовой схеме (когда, например, в случае выпрямления однофазного тока, используется специальный трансформатор с выводом от средней точки вторичной обмотки и вдвое меньшим количеством выпрямляющих ток элементов). Такая схема ныне применяется редко, так как более металлоёмка и имеет большее эквивалентное активное внутреннее сопротивление, то есть большие потери на нагрев обмоток трансформатора. При построении двухполупериодного выпрямителя со сглаживающим конденсатором следует всегда помнить, что переменное напряжение всегда измеряется в «действующем» значении, которое в 1,41 раза меньше его максимальной амплитуды, а выпрямленное напряжение на конденсаторе, в отсутствии нагрузки, будет всегда равно амплитудному. Это означает, что, например, при измеренном напряжении однофазного переменного тока 12 вольт до мостового однофазного выпрямителя со сглаживающим конденсатором, на конденсаторе, (в отсутствии нагрузки), будет напряжение до 17 вольт.
Под нагрузкой выпрямленное напряжение будет ниже, (но не ниже величины действующего напряжения переменного тока, если внутреннее сопротивление трансформатора — источника переменного тока — принять равным нулю) и зависеть от ёмкости сглаживающего конденсатора.
Соответственно, выбор величины переменного напряжения вторичной обмотки трансформатора, должен строиться исходя из максимальной допустимой величины подаваемого напряжения, а ёмкость сглаживающего конденсатора — должна быть достаточно большой, чтобы напряжение под нагрузкой не снизилось меньше минимально допустимого.
На практике также учитывается неизбежное падение напряжения под нагрузкой — на сопротивлении проводов, обмотке трансформатора, диодах выпрямительного моста, а также возможное отклонение от номинального величины питающего трансформатор напряжения электрической сети.
Электролитические конденсаторы применяются для сглаживания пульсаций, накопления энергии или фильтрации пульсирующего напряжения. Переменное напряжение вызывает потери мощности и нагрев конденсатора. Перегрев конденсатора, в свою очередь, является основным фактором, определяющим его срок службы. Срок службы имеет экспоненциальную зависимость от температуры. В конденсаторах с жидким электролитом перегрев приводит к усиленному испарению электролита, соответственно, увеличивается вероятность скорейшего выхода из строя.
Электролитические и оксидно-полупроводниковые конденсаторы. Такие конденсаторы отличаются от всех прочих типов, прежде всего своей огромной удельной ёмкостью. В качестве диэлектрика используется оксидный слой на металлическом аноде. Вторая обкладка (катод) — это или электролит (в электролитических конденсаторах), или слой полупроводника (в оксидно-полупроводниковых), нанесённый непосредственно на оксидный слой. Анод изготовляется, в зависимости от типа конденсатора, из алюминиевой, ниобиевой или танталовой фольги или спечённого порошка.
Если соединить транзисторы, то полученная схема будет работать как один транзистор, причем его коэффициент β будет равен произведению коэффициентов β составляющих транзисторов. Этот прием полезен для схем, работающих с большими токами (например, для стабилизаторов напряжения или выходных каскадов усилителей мощности) или для входных каскадов усилителей, если необходимо обеспечить большой входной импеданс.
В таком соединении транзисторов падение напряжения между базой и эмиттером в два раза больше обычного, а напряжение насыщения равно по крайней мере падению напряжения на диоде (так как потенциал эмиттера транзистора VТ1 должен превышать потенциал эмиттера транзистора VТ2, на величину падения напряжения на диоде).
Кроме того, соединенные таким образом транзисторы ведут себя как один транзистор с достаточно малым быстродействием, так как транзистор VT1 не может быстро выключить транзистор VТ2. С учетом этого свойства обычно между базой и эмиттером транзистора VТ2 включают резистор. Резистор предотвращает смешение транзистора VТ2 в область проводимости за счет токов утечки транзисторов VТ1 и VТ2.
Сопротивление резистора выбирают так, чтобы токи утечки (измеряемые в наноамперах для малосигнальных транзисторов и в сотнях микроампер для мощных транзисторов) создавали на нем падение напряжения, не превышающее падения напряжения на диоде, и вместе с тем чтобы через него протекал ток малый по сравнению с базовым током транзистора VТ2.
2 Разработка схемы электрической принципиальной
2.1 Разработка схемы электрической принципиальной
В качестве источников питания в ряде случаев применяют простейшие выпрямители, состоящие из силового трансформатора и блока вентилей, собранного по определенной схеме выпрямления. Высокие технико-экономические показатели, простота конструкции, почти полное отсутствие обслуживания и эксплуатационная надежность обеспечивают широкое распространение подобных выпрямителей.
Нестабилизированные выпрямители могут использоваться как источники питания цепей управления, как стартерные выпрямители, а также для питания цеховых сетей постоянного тока.
Мощность выпрямителей без стабилизации выходного напряжения лежит в пределах от единиц до нескольких сотен киловатт, а выходное напряжение соответствует обычно стандартному ряду напряжений источников постоянного тока. Многие выпрямители имеют подрегулировку выходного напряжения, производимую с помощью ответвлений на обмотках силового трансформатора. Неглубокая (в пределах ±10%) подрегулировка выходного напряжения обеспечивается переключением ответвлений, размещенных на первичной обмотке трансформатора, более глубокое ступенчатое регулирование — ответвлениями вторичной обмотки. Такое регулирование либо приводит к обесточиванию нагрузки на время переключения, либо требует установки сложных контакторных схем.
Внешняя характеристика выпрямителя определяется активными и индуктивными сопротивлениями питающиеся от обмоток силового трансформатора и прямым падением напряжения на вентилях. Несовпадение внешних характеристик однотипных выпрямителей затрудняет их параллельную работу. Четкая параллельная работа может быть достигнута только в стабилизированных выпрямителях.
Однако в частных случаях возможно включение двух нестабилизированных выпрямителей в параллель после выравнивания выходного напряжения в области номинального тока подбором сопротивления подводящего кабеля.
Последовательное соединение выпрямителей не вызывает затруднений.
Выпрямители с нестабилизированным выходным напряжением имеют небольшой коэффициент пульсаций. Однако следует помнить, что величина его при питании выпрямителя от источника соизмеримой мощности может превысить расчетное значение и составлять, к примеру, 10% для трехфазной мостовой схемы выпрямления. Такое увеличение пульсаций вызвано искажением формы кривой питающего напряжения и его несимметрией.
Многие потребители энергии постоянного тока нуждаются в стабилизированных по напряжению источниках питания.
Например, для обеспечения нормального режима работы электронных ламп различные радиотехнические устройства должны получать питание от стабилизаторов напряжения.
Применение силовых выпрямителей со стабилизацией выходного напряжения в ряде случаев позволяет объединить питание приводов с питанием электронной аппаратуры-управления и контроля, что значительно упрощает схему энергоснабжения. Стабилизированные по напряжению выпрямители используются как источники опорного напряжения в системах автоматического управления и как источники питания, обеспечивающие заданное протекание технологического процесса. Поскольку в настоящее время промышленность выпускает выпрямители с дроссельным и тиристорным регулированием, ниже будут описаны как дроссельные, так и тиристорные выпрямители со стабилизацией выходного напряжения.
Важным параметром выпрямителей со стабилизацией выходного напряжения является наклон внешней характеристики при разомкнутой системе автоматического регулирования. Он определяет максимальный угол регулирования выпрямителя и энергетические показатели агрегата.
У выпрямителей с дроссельным регулированием коэффициент наклона лежит, в пределах 1,35—1,2. Большее значение коэффициента соответствует меньшим выходным напряжениям. С ростом мощности агрегатов коэффициент, наклона несколько уменьшается.
Стабилизация напряжения в агрегатах, регулируемых дросселями насыщения или тиристорами, начинается с некоторой минимальной нагрузки I>d>>min>. В случае дроссельного регулирования минимальный ток нагрузки не превышает 5% I>d>>min> . Эта величина является гарантийной, практически же минимальный ток часто составляет 2—3% I>d>>min> . В агрегатах на тиристорах величина минимального тока меньше, чем в агрегатах дроссельных насыщений, и составляет не более 1—2% от I>d>>min> . На холостом ходу выходное напряжение выпрямителя с дросселями насыщения при номинальном, напряжении питающей сети превысит на 25—30% стабилизирующее. Этот скачок может быть устранен подключением балластной нагрузки мощностью I>d>>min> * U>d>>min>. С помощью специальной схемы, можно обеспечить подключение балласта только при уменьшении тока нагрузки ниже I>d>>min>> >.
В силовых агрегатах на тиристорах выходное напряжение при токах, лежащих в интервале от пуля до I>d>>min>, не определенно и зависит от характеристик .вентилей и сопротивления нагрузки. Этот недостаток устраняется включением балластной нагрузки, однако мощность ее значительно меньше, чем в случае дроссельного регулирования. Бели потребитель размещен вдали от силового агрегата, то стабилизация напряжения на выходе агрегата не будет обеспечивать стабилизацию напряжении непосредственно на нагрузке, так как падение напряжения в кабеле пропорционально току нагрузки. Агрегаты позволяют подключением измерительного, моста системы автоматического регулирования на зажимы нагрузки поддерживать стабильное напряжение непосредственно на нагрузке.

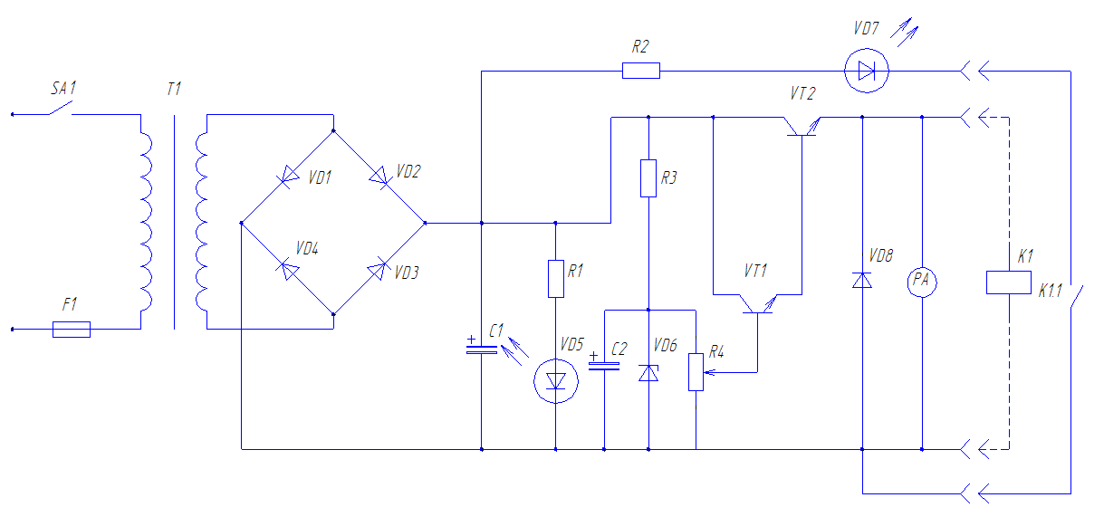
Рисунок 2 – Схема электрическая принципиальная
Согласно всему выше изложенному выбираем выпрямительный мост представленный на принципиальной схеме.
2.2 Принцип работы устройства
При включении тумблера SA1 через предохранитель F1 на первичную обмотку трансформатора Т1 подается переменное напряжении 220 В. С выхода трансформатора поступает переменное напряжение 25В, которое выпрямляется диодным мостом КЦ405 и фильтруется электролитическим конденсатором. После этого включается светодиод АЛ307Б, который сигнализирует о наличии напряжения на выходе трансформатора. Далее стабилизированное напряжение, через подстроечный резистор поступает на базу составного транзистора, которое контролируется миллиамперметром mА. Диод на выходе устройства включен для защиты от бросков напряжения обратной полярности, которая возникает при подключении обмотки (катушки) реле.
3 Расчет и выбор элементной базы
3.1 Расчет и выбор элементной базы
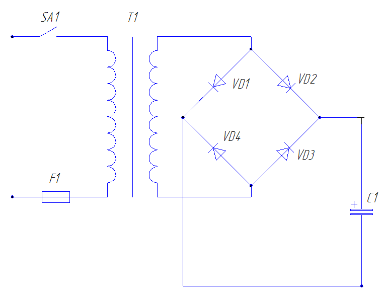
1 Расчет мостового выпрямителя с фильтром

Рисунок 3 - Мостовой выпрямитель с фильтром
Исходными данными для расчета выпрямителя являются:
Uно – среднее значение выпрямленного напряжения;
Iо – среднее значение выпрямленного тока;
U1 – напряжение сети;
Кп.вых – коэффициент пульсаций выпрямленного напряжения;
В приводимых ниже расчетах напряжение выражается в вольтах, ток – в миллиамперах, сопротивление – в Омах, емкость – в микрофарадах, коэффициент пульсаций в процентах.
Дано: Uно = 25 В; Iо = 0,1А; U1 = 220 В; Кп.вых = 2 %.
1.1 Для выбора типа диодов, определяют обратное напряжение на вентиле
Uобр =1,5·Uо = 1,5 · 1,2 · 25 = 45 В,
где Uо = 1,2 · Uно – напряжение на входе сглаживающего фильтра должно быть больше напряжения на нагрузке, т.к. учитывает потери напряжения на фильтре.
Средний ток через вентиль
I>а ср> = 0,5·I>о> = 0,5 · 0,1 = 0,05 А.
Выбираем диоды
КЦ405 с I>ср> = 3 А; U>обр.М> = 50 В
Выбор диода производим по этим двум параметрам I>а.ср> и U>обр>. Из справочника выписываем максимальное обратное напряжение, средний ток и внутреннее сопротивление вентиля R>i>. Если величины R>i> в справочнике нет, то его легко рассчитать. При падении напряжения на кремниевом диоде U>Д> = 0,7 В величина
R>i> = U>Д >/ I>а ср> = 0,7 / 1 = 0,7 Ом
1.2 Расчет трансформатора при U>о> = 1,2 · U>но> = 1,2 · 25 = 30 В:
Определяют сопротивление трансформатор
2527
Ом.
Напряжение на вторичной обмотке трансформатора
25,3В.
Токи обмоток
0,2
A,
0,03 A.
Вычисляем габаритную мощность трансформатора, которая для двухполупериодной схемы определяется выражением
8,6
В∙А.
Далее находим произведение площади сечения сердечника трансформатора Qc на площадь окна сердечника Q>0>, которое в зависимости от марки провода обмотки равно, см4:
Q>С> Q>0 >= 1,6·Pг для провода марки ПЭЛ
Q>С> Q>0 >= 1,6 · Pг = 1,6 · 8,6 = 13,76 см4
Из таблицы 1, в которой приведены основные данные типовых Ш-образных пластин, по значению Q>С >Q>0> выбирают тип пластины и выписывают все ее параметры.
Таблица1 - Данные типовых Ш-образных пластин
|
Тип пластины |
Размеры |
Пределы Q>c>>,>Q>0>,см4 |
|||
|
ширина среднего стержня а, см |
ширина окна b, см |
высота окна h, см |
площадь окна Q>0 >= b h, см2 |
||
|
Ш-10 Ш-10 Ш-10 Ш-12 УШ-12 Ш-12 Ш-14 Ш-14 Ш-15 Ш-16 УШ-16 Ш-18 Ш-19 Ш-20 Ш-20 УШ-22 Ш-25 Ш-25 Ш-28 УШ-30 Ш-32 УШ-35 УШ-40 |
1,0 1,0 1,0 1,2 1,2 1,2 1,4 1,4 1,5 1,6 1,6 1,8 1,9 2,0 2,0 2,2 2,5 2,5 2,8 3,0 3,2 3,5 4,0 |
0,5 0,65 1,2 0,6 0,8 1,6 0,7 0,9 1,35 0,8 1,0 0,9 1,2 1,0 1,7 1,4 2,5 3,15 1,4 1,9 3,6 2,2 2,6 |
1,5 1,8 3,6 1,8 2,2 4,8 2,1 2,5 2,7 2,4 2,8 2,7 3,35 3,0 4,7 3,9 6,0 5,8 4,2 5,3 7,2 6,15 7,2 |
0,75 1,17 4,32 1,08 1,76 7,68 1,47 2,25 3,65 1,92 2,8 2,43 4,02 3,0 7,99 5,46 15 18,3 5,88 10,1 25,9 13,5 18,7 |
0,75-1,5 1,17-2,34 4,32-8,64 1,56-3,12 2,53-5,06 11,1-22,2 2,88-5,76 4,41-8,82 8,21-16,4 4,91-9,82 7,17-14,3 7,87-15,7 14,5-29 12-24 32-64 26,4-52,8 93,7-80,7 114-228 46,5-93 91-182 265-530 165-330 300-600 |
Выбираем пластины
Ш-19 с а = 1,9 см; b = 1,2 см; h = 3,35 см; Q>0 >= b h = 4,02 см2.
При этом получают
Q>С> = (Q>С> Q>0>) / Q>0> = 13,76 / 4,02 = 3,4см2.
Необходимая толщина пакета пластин
c = Q>С> / a =3,4 / 1,9 = 1,77 см.
Определяем число витков w и толщину провода d первичной и вторичной обмоток трансформатора при плотности тока в обмотках j = 3 А/мм2:
d = 1,13 (I/j)1/2 = 1,13(I/3)1/2 = 0,65·I1/2,
w>1> = 48 U>1>/ Q>С> = 48 · 220 / 3,4 = 3105 вит.
d>1> =0,65·I>1>1/2 = 0,65 · 0,03½ = 0,12 мм,
w>2> = 54 U>2>/ Q>С> = 54 · 25,3 / 3,4 = 401 вит.,
d>2> =0,65·I>2>1/2 = 0,65· 0,21/2 = 0,29 мм.
1.3 Расчет фильтра. Емкость конденсатора на входе фильтра
С>о> =30·I>о >/ U>o> = 30 · 0,1/ 30 = 100мкФ
Выбираем электролитические конденсаторы по величине емкости и номинальному напряжению, причем
U>с> ≥ 1,2 U>o> B.
Коэффициент пульсаций выпрямленного напряжения на выходе фильтра
К>п>>.>>вх> =300·I>о>> >/ (U>o>· C>o>) = 300 · 0,01/(30 · 100) = 0,3 %.
Необходимый коэффициент сглаживания фильтра
q = К>п.вх> / К>п.вых> = 0,3 / 2 = 0,15.
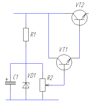
2 Расчет компенсационного стабилизатора постоянного напряжения

Рисунок 4 – Стабилизатор напряжения
Схема рис. 4 содержит три основных элемента: регулирующий элемент на транзисторах VТ1 и VТ2, усилительный элемент и источник опорного напряжения. Регулирующим элементом является транзистор VТ1, а транзистор VТ2 является согласующим элементом между большим выходным сопротивлением усилителя постоянного тока и малым входным сопротивлением регулирующего транзистора VТ1.
Достоинством транзисторных стабилизаторов является возможность получения большого тока нагрузки и регулировки выходного напряжения, а также малое выходное сопротивление. Выходное напряжение регулируется путем изменения сопротивления резистора R>2>.
Исходными данными для расчета стабилизатора являются:
U>вых> - выходное напряжение, В;
ΔU>вых> - пределы регулирования выходного напряжения, В;
I>н> - ток нагрузки, А;
ΔU>вх>/U>вх> - допустимое относительное изменение входного напряжения;
К>ст> - коэффициент стабилизации.
Расчет.
Дано: U>вых> = 8 В; ΔU>вых> = 5 В; I>н> = 4 А; ΔU>вх>/U>вх> = 0,4
2.1 Выбор типа регулирующего транзистора и его режима
Минимальное входное напряжение
U>вх.мин> = U>вых> + ΔU>вых> + U>КЭмин> = 8 + 5 + 2 = 15 В
где U>КЭмин> - минимальное напряжение между эмиттером и коллектором транзистора VТ1, при котором его работа не заходит в область насыщения. Для мощных транзисторов, которые используются в качестве регулирующих элементов, эта величина равна (1 ÷ 3) В.
С учетом допустимых изменений входного напряжения определяют его номинальное U>вх> и максимальное U>вх.макс> значения.
U>вх> = U>вх.мин >/(1 - ΔU>вх >/ U>вх>) = 15 / (1 – 0,4) = 25 В,
U>вх.макс> = U>вх >(1 + ΔU>вх >/ U>вх>) = 25(1 + 0,4) = 35 В.
Находим максимальное напряжение U>КЭ1макс> и максимальную мощность, рассеиваемую на регулирующем транзисторе:
U>КЭ1макс> = >Uвх.макс> - U>вых> = 35 – 8 = 27 В;
P>К1макс> =U>КЭ1макс> *I>н> = 27 · 4 = 108 Вт.
По этим двум величинам из справочника выбирают подходящий транзистор, для которого выписывают
P>Кмакс>, I>Кмакс>, h>21>, U>КЭмакс>.
Выбираем транзистор n-p-n КТ805Б с P>Кмакс >= 100 Вт; I>Кмакс> = 20 А; U>КЭмакс> = 60 В; h>21 >= 20
2.2 Выбор типа согласующего транзистора и его режима
Коллекторный ток транзистора VT2
I>К2 >≈ I>Э2> = I>Б1> + I>R>>2> = I>н>/h>21> + I>R>>2> = 4000/20 + 2 = 202 мА = 0,2 А
где I>R>>2> - дополнительный ток, протекающий через резистор R>2>. Для маломощных транзисторов, используемых в качестве согласующего элемента, дополнительный ток выбирают в пределах 1…2 мА.
Определяют максимальные значения напряжения U>КЭ2> и мощности P>К2> согласующего транзистора:
U>КЭ2макс> ≈ U>КЭ1макс> = 27 В;
P>К2> = I>К2>U>КЭ2макс> = 0,2 · 27 = 5,45 Вт.
Согласующий транзистор выбираем по двум параметрам U>КЭ2макс> и P>К2>, при этом должно соблюдаться неравенство I>Кмакс> > I>К2>.
Выбираем в качестве VT2 транзистор n-p-n КТ312Б c P>Кмакс> = 10 Вт; I>Кмакс> = 1,5 А; U>КЭмакс> = 80 В; h>21> = 30.
Сопротивление резистора
R>2> = U>вых>/I>R>>4> = 8 / 2 = 4 Ом.
U>оп> = U>вых> - U>КЭ2> = 8 – 2,4 = 5,6 В.
Исходя из полученного опорного напряжения, по справочнику подбираем один или несколько стабилитронов, как правило, малой мощности, обеспечивающих заданное опорное напряжение. Для выбранного стабилитрона выписываем напряжение стабилизации, максимальный и минимальный токи стабилизации.
Выбираем стабилитрон
Д814Д с I>ст. мах >= 55 мА, и U>СТ> = 5,6 В.
R>2> = U>КЭ1 >/ (I>К2> + I>Б2>) = 22 / (1,2 + 6,7) = 4,7 кОм.
Емкость конденсатора С>1>, включение которого приводит к незначительному уменьшению пульсации выходного напряжения и заметному уменьшению выходного сопротивления стабилизатора переменному току, выбирают в пределах 100 ÷ 200 мкФ.
3.2 Схемотехническое моделирование в среде Electronics Workbench
Система схемотехнического моделирования Electronics Workbench предназначена для моделирования и анализа электрических схем.
Программа Electronics Workbench позволяет моделировать аналоговые, цифровые и цифро-аналоговые схемы большой сложности. Имеющиеся в программе библиотеки включают в себя большой набор широко распространенных электронных компонентов. Electronics Workbench может проводить анализ схем на постоянном (DC) и переменном (AC) токах. При анализе на постоянном токе определяется рабочая точка схемы в установившемся режиме работы.

Рисунок 5 – Принципиальная схема устройства в среде Electronics Workbench
4 Расчет и проектирование печатной платы
Печатные платы - это элементы конструкции, которые состоят из плоских проводников в виде участков металлизированного покрытия, размещенных на диэлектрическом основании и обеспечивающих соединение элементов электрической цепи. Они получили широкое распространение в производстве модулей, ячеек и блоков РЭА благодаря следующим преимуществам по сравнению с традиционным объемным монтажом проводниками и кабелями:
-повышение плотности размещения компонентов и плотности монтажных соединений, возможность существенного уменьшения габаритов и веса изделий;
-получение печатных проводников, экранирующих поверхностей и электро- и радиодеталей (ЭРЭ) в одном технологическом цикле;
-гарантированная стабильность и повторяемость электрических характеристик (проводимости, паразитных емкости и индуктивности);
-повышение быстродействия и помехозащищенности схем;
-повышенная стойкость и климатическим и механическим воздействиям;
-унификация и стандартизация конструктивных и технологических решений;
-увеличение надежности узлов, блоков и устройства в целом;
-улучшение технологичности за счет комплексной автоматизации монтажно-сборочных и контрольно-регулировочных работ;
-снижение трудоемкости, материалоемкости и себестоимости.
К недостаткам следует отнести сложность внесения изменений в конструкцию и ограниченную ремонтопригодность.
Элементами ПП являются диэлектрическое основание, металлическое покрытие в виде рисунка печатных проводников и контактных площадок, монтажные и фиксирующие отверстия.
Общие требования к ПП.
Диэлектрическое основание ПП должно быть однородным по цвету, монолитным по структуре и не иметь внутренних пузырей и раковин, посторонних включений, сколов, трещин и расслоений. Допускаются одиночные вкрапления металла, царапины, следы от удаления одиночных невытравленных участков, проявление структуры материала, которые не ухудшают электрических параметров ПП и не уменьшают минимально допустимых расстояний между элементами проводящего рисунка.
Проводящий рисунок ПП должен быть четким, с ровными краями, без вздутий, отслоений, разрывов, следов инструмента и остатков технологических материалов. Допускаются: отдельные местные протравы не более 5 точек на 1 дм2 ПП при условии, что оставшаяся ширина проводника соответствует минимально, допустимой по чертежу; риски глубиной не более 25 мкм и длиной до 6 мм; остатки металлизации на участках ПП, не уменьшающие допустимых расстояний между элементами.
По виду материала основы ПП разделяют на:
-изготовленные на основе органического диэлектрика (текстолит, гетинакс, стеклотекстолит);
-изготовленные на основе керамических материалов;
-изготовленные на основе металлов.
По виду соединений между слоями различают ПП с металлизированными отверстиями, с пистонами, изготовленные послойным наращиванием, с открытыми контактными площадками.
По способу изготовления ПП разделяют на платы, изготовленные химическим травлением, электрохимическим осаждением, комбинированным способом.
По способу нанесения проводников ПП делят на платы, полученные обработкой фольгированных диэлектриков, нанесением тонких токопроводящих слоев. Последний способ хорошо отработан на технологии гибридных схем.
Задачи конструирования печатных плат.
В РЭА печатные платы применяют практически на всех уровнях конструктивной иерархии: на нулевом - в качестве основания гибридных схем и микросборок, на первом и последующих - в качестве основания, механически и электрически объединяющего все элементы, входящие в электрическую принципиальную схему РЭА и ее узлов. При разработке конструкции печатных плат решаются следующие взаимосвязанные между собой задачи:
1) схемотехнические - трассировка печатных проводников, минимизация слоев и т.д.;
2) радиотехнические - расчет паразитных наводок, параметров линий связи и пр.;
3) теплотехнические - температурный режим работы ПП, теплоотводы;
4) конструктивные - размещение элементов на ПП, контактирование и пр.;
5) технологические - выбор метода изготовления, защита и пр.
Основные правила конструирования печатных плат.
1.Максимальный размер стороны ПП не должен превышать 500 мм. Это ограничение определяется требованиями прочности и плотности монтажа.
2. Соотношения размеров сторон ПП для упрощения компоновки блоков и унификации размеров ПП рекомендуются следующие: 1:1, 2:1, 3:1, 4:1, 3:2, 5:2 и т.д.
3. Выбор материала ПП, способа ее изготовления, класса плотности монтажа должны осуществляться на стадии эскизного проектирования, так как эти характеристики определяют многие электрические параметры устройства..
4. При разбиении схемы на слои следует стремиться к минимизации числа слоев. Это диктуется экономическими соображениями.
5. По краям платы следует предусматривать технологическую зону шириной 1,5-2,0 мм. Размещение установочных и других отверстий, а также печатных проводников в этой зоне не допускается.
6. Все отверстия должны располагаться в узлах координатной сетки. В крайнем случае, хотя бы первый вывод микросхемы должен располагаться в узле координатной сетки.
7. На печатной плате должен быть предусмотрен ориентирующий паз (или срезанный левый угол) или технологические базовые отверстия, необходимые для правильной ориентации платы.
8. Печатные проводники следует выполнять минимально короткими.
9. Прокладка рядом проводников входных и выходных цепей нежелательно во избежание паразитных наводок.
10. Проводники наиболее высокочастотных цепей прокладываются в первую очередь и имеют благодаря этому наиболее возможно короткую длину.
11. Заземляющие проводники следует изготовлять максимально широкими.
Конструктивные особенности ПП. Ширину печатных проводников рассчитывают и выбирают в зависимости от допустимой токовой нагрузки, свойств токопроводящего материала, температуры окружающей среды при эксплуатации. Края проводников должны быть ровными, проводники без вздутий, отслоений, разрывов, протравов, пор, крупнозернистости и трещин, так как эти дефекты влияют на сопротивление проводников, плотность тока, волновое сопротивление и скорость распространения сигналов.
Расстояние между элементами проводящего рисунка, расположенными на наружных или в соседних слоях ПП, зависит от допустимого рабочего напряжения, свойств диэлектрика, условий эксплуатации и связано с помехоустойчивостью, искажением сигналов и короткими замыканиями.
Координатная сетка чертежа ПП необходима для координации элементов печатного рисунка. В узлах пересечений сетки располагаются монтажные и переходные отверстия. Основным шагом координатной сетки принят размер 0,5 мм в обоих направлениях. Если этот шаг не удовлетворяет требованиям конкретной конструкции, можно применять шаг, равный 0,05 мм.
При использовании микросхем и элементов с шагом выводов 0,625 мм допускается применение шага координатной сетки 0,625 мм. При использовании микросхем зарубежного производства с расстояниями между выводами по дюймовой системе допускается использование шага координатной сетки, кратного 2,54 мм.
Диаметры монтажных и переходных отверстий (металлизированных и неметаллизированных) должны выбираться из ряда 0,4; 0,5; 0,6; 0,7; 0,8; 0,9; 1,0; 1,1; 1,2; 1,3; 1,4; 1,5; 1,6; 1,7; 1,8; 2,0; 2,1; 2,2; 2,3; 2,4;2,5; 2,6; 2,7; 2,8; 3,0. Монтажные отверстия предназначены для установки микросхем и ЭРЭ, а переходные отверстия для электрической связи между слоями или сторонами ПП.
Размеры ПП, если они специально не оговорены в ТЗ, определяются с учетом количества устанавливаемых элементов, их установочных площадей, шага установки, зон установки разъема и пр. Соотношение линейных размеров сторон ПП должно составлять не более 3:1.
Размеры печатных плат. В общем случае типоразмеры ПП выбираются исходя из требований двух направлений - функционального и технологического.
Требования функционального направления в конструктивном плане выражаются плотностью компоновки, зависящей от размеров и количества корпусов микросхем и вида монтажа активных и пассивных связей электрической схемы. Требования технологического направления определяют ограничения типоразмеров с точки зрения технологических возможностей и эффективности производства заготовок, разрешающей способности фотолитографии, механической прочности, возможностей систем автоматизированного проектирования.
Расчет электрических параметров ПП. Печатные проводники проходят на достаточно близком расстоянии друг от друга и имеют относительно малые линейные размеры сечения.
С увеличением быстродействия РЭА все большее значение приобретают вопросы учета параметров проводников и высокочастотных связей между ними.
Сопротивление проводника определяется выражением
R=l/(bd), (1)
где: - удельное объемное электрическое сопротивление проводника; l длина проводника; b - ширина проводника; d - толщина проводника.
R = 10-6 *0.2/0.002*10-5 = 10-5Ом
Величина различается для проводников, изготовленных различными методами. Так, для медных проводников, полученных электрохимическим осаждением, равно 0,02-0,03 мкОм/м, а для медных проводников, полученных методом химического травления равно примерно 0,0175 мкОм/м.
Постоянный ток в проводниках. Величина тока в печатных проводниках определяется, в первую очередь, ограничением на максимально допустимую плотность тока для конкретного материала . Для медных проводников, полученных электрохимическим осаждением равна около 20 А/мм2, и около 30 А/мм2 для проводников, полученных методом химического травления фольги. Исходя из этого, допустимый ток в печатных проводниках определяется как
I = 10-3 bd, (2)
I = 7*0.025*0.002*10-5 = 0.063А.
а ширина должна отвечать следующему условию:
b 103 I/(d). (3)
b 103*0.063/0.025*10-5 = 0.0003м.
Падение напряжения на печатных проводниках определяется как:
U = [l/(bd)]. (4)
U = 10-6[l/(0.002*10-5)] = 0.04B.
Переменный ток в печатных проводниках. В отличие от постоянного тока распределение переменного тока в печатных проводниках происходит неравномерно. Это обусловлено наличием поверхностного эффекта, возникающего при протекании по проводнику высокочастотного переменного тока.
При этом внутри проводника образуется магнитное поле, приводящее к возникновению индукционного тока, взаимодействующего с основным. Вследствие этого происходит перераспределение тока по сечению проводника, и в результате его плотность в периферийных областях сечения возрастает, а ближе к центру уменьшается. На высоких частотах ток во внутренних слоях проводника уменьшается практически до нуля.
Емкости. Емкость (пф) между двумя параллельными печатными проводниками одинаковой ширины b (мм), расположенными на одной стороне платы определяется как
C = 0.12 l/{lg[2a/(b+d)]}, (5)
C = 0,12*1*0,02/{0,02*10[2*0,03/(0,002+10-5)]} = 0,000652Ф.
где: l - длина участка, на котором проводники параллельны, мм; - диэлектрическая проницаемость среды; a - расстояние между параллельными проводниками.
Емкость (пф) между двумя параллельными проводниками шириной b (мм), расположенными по обе стороны печатной платы с толщиной диэлектрика а (мм) определяется как
C = 0,008842 l b/a [1+a/(b) (1+lg(2b/a))] (6)
C = 0,008842 1* 0,02 *0,002/0,03 [1+0,03/(*0,02) (1+lg(20,02/0,03))] = 0,0005484Ф
Приведенные выражения позволяют произвести оценку емкости (пф) печатных проводников с точностью (20-30)%.
На высоких частотах возникает необходимость оценивать индуктивность и взаимную индуктивность печатных проводников.
Рассчитаем суммарную площадь резисторов:
S>Rn>=1,5∙ n ∙ L ∙ D, (7)
где S>Rn> – суммарная площадь резистора, мм2;
n – количество резисторов, шт;
L – длина резистора, мм;
D – ширина резистора, мм;
1,5 – коэффициент запаса.
S>R1,R2> =1,5 ∙ 2 ∙ 9 ∙ 3 = 81 (мм2);
S>R3>,>R4>=1,5 ∙ 2 ∙ 7 ∙ 2 = 42 (мм2);
S>R>>общ>= S>R1,R2> + S>R3>,>R4> =81+42= 123 (мм2).
Рассчитаем суммарную площадь конденсаторов:
S>Сn>=1,5∙n∙L ∙ D (8)
где S>Сn> – суммарная площадь конденсатора, мм2;
n – количество конденсаторов, шт;
L – длина конденсатора, мм;
D – ширина конденсатора, мм;
1,5 – коэффициент запаса.
S>С1> = 1,5 ∙ 1 ∙12 ∙ 5 = 90 (мм2);
S>С2> = 1,5 ∙ 1 ∙18 ∙ 9 = 243 (мм2);
S>Собщ> = S>С1> + S>С2> =90+243= 333 (мм2).
Рассчитаем суммарную площадь стабилитронов:
S>VDn>=1,5 ∙ n∙L∙D, мм2 (9)
где S>VDn> – суммарная площадь стабилитрона, мм2;
n – количество стабилитронов, шт;
L – длина стабилитрона, мм;
D – ширина стабилитрона, мм;
1,5 – коэффициент запаса.
S>VD>>6 >= 1,5 ∙ 1 ∙ 3 ∙ 1 = 4,5 (мм2)
Рассчитаем суммарную площадь диодов :
S>VDn>=1,5 ∙ n∙L∙D, мм2 (10)
где S>VDn> – суммарная площадь диода, мм2;
n – количество диодов, шт;
L – длина диода, мм;
D – ширина диода, мм;
1,5 – коэффициент запаса.
S>VD>>1->>VD>>4 >= 1,5 ∙ 4 ∙ 3 ∙ 2 = 36 (мм2)
S>VD>>8 >= 1,5 ∙ 1 ∙ 17 ∙ 5 = 127 (мм2)
S>VD>>общ >= S>VD>>1->>VD>>4 >+ S>VD>>8 >= 36+127= 163 (мм2)
Рассчитаем суммарную площадь микросхемы :
S>D>>А>>n>=1,5 ∙ n∙L∙D, мм2 (11)
где S>D>>А>>n> – суммарная площадь микросхемы, мм2;
n – количество микросхем, шт;
L – длина микросхемы, мм;
D – ширина микросхемы, мм;
1,5 – коэффициент запаса.
S>D>>А1 >= 1,5 ∙ 1 ∙ 8 ∙ 8 = 96 (мм2)
Рассчитаем суммарную площадь транзисторов :
S>VTn>=1,5 ∙ n∙L∙D, мм2 (12)
где S>VTn> – суммарная площадь транзисторов, мм2;
n – количество транзисторов, шт;
L – длина транзистора, мм;
D – ширина транзистора, мм;
1,5 – коэффициент запаса.
S>VT>>1 >= 1,5 ∙ 1 ∙ 5 ∙ 5 = 37 (мм2)
S>VT>>2 >= 1,5 ∙ 1 ∙ 7 ∙ 6 = 63 (мм2)
S>VT>>общ >= S>VT>>1>+ S>VT>>2 >= 37+63= 100 (мм2)
Далее рассчитаем суммарную площадь всех радиоэлементов:
S>>=S>R>>общ>+S>Собщ>+ S>VD>>6>+S>VD>>общ>+S>D>>А1>+ S>VT>>общ >, (13)
где S>> - суммарная площадь всех радиоэлементов, мм2.
S>>= 123+333+4,5+163+96+100 = 819,5 (мм2).
Определим ориентировочную площадь печатной платы:
S>пп>=1,5∙(S>>+S>пров>), (14)
где S>пп> – ориентировочная площадь печатной платы, мм2;
S>пров> – площадь печатных проводников, мм2;
1,5 – коэффициент запаса.
S>пров >= S>>= 819,5 (мм2);
S>пп >= 1,5 ∙ (819,5 +819,5) = 2458,5 (мм2).
Если принять ширину В = 60 мм, то исходя из полной площади платы ее длина:
L = S>пп> / B, мм (15)
L = 2458,5 / 60 = 40,9 (мм).
Принимаем L = 41 (мм).
Исходя из рассчитанной площади печатной платы, выбираем ее размер 60х41 мм. Для печатных проводников допускается плотность тока до 20 А/мм2. При расчёте печатных плат также необходимо знать минимальную ширину печатного проводника, которая выбирается исходя из значений токов, протекающих по этому проводнику. Формула для расчёта ширины печатных проводников, исходя из максимального значения плотности тока:
J = I/(k · S), (16)
где J – плотность тока, А/мм2;
k – коэффициент запаса, k = 0,2;
I – ток в печатном проводнике, А;
S – площадь сечения печатного проводника, мм2.
Преобразуя формулу, получим:
J = I / (k · а · h), А/мм2 (17)
где а – ширина печатного проводника, мм;
h – толщина печатного проводника, мм.
Выразим из этой формулы ширину печатного проводника
a ≥ I / (k ∙ J ∙ h), мм (18)
Зная, что максимальный ток, который может протекать в схеме равен 0,4 А и, подставив значение h = 0,1 мм (толщина медного токопроводящего покрытия фольгированного стеклотекстолита), получим:
a ≥ 0,4 / (0,2 ∙ 20 ∙ 0,1) = 1 (мм).
Принимаем ширину печатных проводников на всей печатной плате исходя из максимального тока в схеме a = 1,3 мм.
Заключение
В ходе выполнения дипломного проекта был рассчитан и изготовлен прибор для измерения параметров реле. В состав структурной схемы был включен трансформатор, преобразующий напряжение сети в 25В; выпрямительный мост, сглаживающий фильтр, стабилизатор напряжения, блок индикации. Согласно данной структурной схемы бала разработана принципиальная схема. Был произведен расчет и выбор элементной базы, расчет и проектирование печатной платы, произведено схемотехническое моделирование в среде в среде Electronics Workbench. В экономической части дипломного проекта была рассчитана прибыль от производства прибора, его стоимость и рентабельность.
Список литературы
1. Волынский Б.А., Зейн Е.Н., Шатерников В.Е. Электротехника. Волынский Б.А. - М.: Энергоатомиздат, 1987.- 526 с.
2. Морозов А.Г. Электротехника, электроника и импульсная техника. Морозов А.Г.- М.: Высш. шк. 1987. - 448 с.
3. Опадчий Ю.Ф. Аналоговая и цифровая электроника / Ю.Ф. Опадчий, О.П. Глудкин, А.И. Гуров; под ред. О.П. Глудкина. - М.: Горячая Линия – Телеком, 2000. 768 с.: ил.
4. Першин В. Расчет сетевого трансформатора источника питания. // Радио.- 2004.- № 4.- С. 54 — 56;- № 5.- С. 55.
5. Герасимов В. Г. Электротехнический справочник. Т. 1. Герасимов В. Г. - М.: Энергия, 1980.
6. Г.З. Суша. Экономика предприятия.: Учеб. пособие. – Г.З. Суша. М.: Новое знание. – 2003. – 384с.
7. Экономика предприятия .: Учеб. пособие / Под ред. О.И. Волкова.- Мн.: Выш. шк. - 2003. – 634с.