Расчет характеристик и переходных процессов в электрических цепях
МИНИСТЕРСТВО ВЫСШЕГО ОБРАЗОВАНИЯ И НАУКИ УКРАИНЫ
ХТУРЭ
Кафедра ОРТ
РАСЧЕТНО – ПОЯСНИТЕЛЬНАЯ ЗАПИСКА
К КУРСОВОЙ РАБОТЕ
по курсу "Основы теории цепей"
Тема: Расчет характеристик и переходных процессов в электрических цепях
Выполнил:
студент группы ВEЗ-09-3
Моисеев В.П.
Проверил:
Долбин А.А.
Харьков 2009
СОДЕРЖАНИЕ
Задание
Введение
Определение характеристического сопротивления Z(w)
Определение классическим
методом переходной характеристики
и построение ее графика
Нахождение импульсной
характеристики цепи
с использованием ее связи с
,
построение графика

Определение комплексного
коэффициента передачи цепи
,
построение графиков АЧХ и ФЧХ
Нахождение передаточной
функции цепи
и установление ее связей с
и

Расчет отклика цепи на произвольное, построение графика отклика
Заключение
Список использованных источников
Приложение А
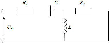
ЗАДАНИЕ
Схема и параметры цепи:

R>1> =2 Ом; R>2> = 800 Ом;
L = 2,3 мкГн;
C = 338 пФ.
Параметры воздействия в виде импульса, показанного на рисунке ниже:
U>1 >= -16B; U>2 >=48B.
t>1 >= 14мкс; t>2 >= 28мкс.
Временная диаграмма
импульсного воздействия
:

ВВЕДЕНИЕ
Основная цель данной работы – закрепление и углубление знаний по разделам курса и формирование практических навыков применения методов анализа теории цепей, имеющих большое значение для изучения последующих дисциплин и для специальности радиоинженера в целом. Значение комплексного коэффициента передачи цепи, временных характеристик линейных цепей и методов анализа переходных процессов в линейных цепях, необходимо для изучения основных методов расчета радиотехнических устройств (спектрального, временного и операторного). Овладение этими методами позволяет выбирать в каждом конкретном случае наиболее рациональный, вытекающий из принципа работы устройства метод, а решение одной и той же задачи различными методами предохраняет от ошибок.
1. ОПРЕДЕЛЕНИЕ ХАРАКТЕРИСТИЧЕСКОГО СОПРОТИВЛЕНИЯ Z(w)
Для определения характеристического сопротивления нужно составить уравнение:

Приобразуем его:
,

.
Найдём модуль характеристического сопротивления Z(w):
.

Подставив числовые значения, получим:
График зависимости модуля характеристического сопротивления от частоты показан на рисунке 1.1. Результаты расчетов представлены в дополнении А.

Рисунок 1.1 – График зависимости модуля характеристического сопротивления от частоты
Рассмотрим поближе тот промежуток зависимости модуля характеристического сопротивления от частоты, где он приближается к минимуму (рисунок 1.2).

Рисунок 1.2 – График зависимости модуля характеристического сопротивления от частоты (точка минимума)
Как видно из результатов расчетов, представленных в дополнении А, минимальное значение модуля характеристического сопротивления находится на частоте 3,58 107рад/с.

Найдём фазочастотную характеристику. Она равняется arctg от соотношения нериальной части к реальной характеристического сопротивления:
Подставив числовые значения, получим:

График ФЧХ представлен на рисунке 1.3.

Рисунок 1.3 – График фазо - частотной характеристики
2. ОПРЕДЕЛЕНИЕ КЛАССИЧЕСКИМ
МЕТОДОМ ПЕРЕХОДНОЙ ХАРАКТЕРИСТИКИ
,
ПОСТРОЕНИЕ ГРАФИКА

Поскольку схема содержит два накопительных элемента (C и L) в различных ветвях, данная цепь является цепью второго порядка. В ней возможны либо апериодический, либо колебательный режим. Для выяснения этого составим характеристическое уравнение и определим его корни.
Для определения корней
характеристического уравнения можно
воспользоваться следующей методикой
– записать входное сопротивление в
операторной форме
и приравнять его к нулю. В данной задаче
получаем:
(1.1)
откуда, находим корни этого уравнения.
Поскольку они комплексные, то:
(1.2)


Цепь имеет колебательный характер, поэтому свободную составляющую решения можно определять в виде затухающего колебания:
,
(1.3)
где
и
- постоянные интегрирования.
В данном случае
,
так как ток в принужденном режиме через
ёмкость С не пойдёт.
Итак,

Чтобы определить постоянные
интегрирования нужно составить два
уравнения для начальных значений
и
.
Начальное значение
,
т.к. по закону коммутации ток в начальный
момент времени через индуктивность L
равен току до включения.
Для нахождения произвольной
переходной характеристики продифференцируем
по времени по времени
.
Из курса ОРЭ известно, что напряжение на ёмкости равно:
,
откуда
,
,
,
.

Учтя всё это можно составить систему уравнений:


Решение системы уравнений и подстановка данных приводит к значению:
Переходная характеристика после подстановки значений имеет вид:

или

Её график изображен на рисунке 2.3. Расчетные данные находятся в приложении А.

Рисунок 2.3 – График
зависимости переходной характеристики

3. НАХОЖДЕНИЕ ИМПУЛЬСНОЙ
ХАРАКТЕРИСТИКИ ЦЕПИ
С ИСПОЛЬЗОВАНИЕМ ЕЕ СВЯЗИ С
,
ПОСТРОЕНИЕ ГРАФИКА

Импульсная характеристика
вычисляется с помощью зависимости от
по формуле:
(3.1)
(3.2)
В импульсной характеристике
отсутствует дельта функция, поскольку
.
>После подстановки значений:>

>получим>

График импульсной функции изображен на рисунке 3.1. Расчетные данные находятся в приложении А.

Рис.3.1 – График зависимости
импульсной функции

4. ОПРЕДЕЛЕНИЕ КОМПЛЕКСНОГО
КОЭФФИЦИЕНТА ПЕРЕДАЧИ ЦЕПИ
,
ПОСТРОЕНИЕ ГРАФИКОВ АЧХ И ФЧХ
Комплексный коэффициент передачи может быть представлен в показательной форме записи:
,
(4.1)
где
- модуль комплексного коэффициента
передачи;
- аргумент комплексного
коэффициента передачи.
Модель комплексного коэффициента передачи представляет собой АЧХ цепи, а аргумент - ФЧХ цепи. Его можно найти из соотношения:

Напряжение на резисторе R2 равно напряжению на индуктивности L.
Выходя из этого, можно записать:

Комплексный коэффициент передачи при этом:

Выделим мнимую часть числа и найдём модуль (АЧХ):

Подставим значения в выведенные формулы и получим:

Аргумент
комплексного коэффициента передачи
(аргумент - ФЧХ цепи):

Графики АЧХ , ФЧХ представлены на рисунках 4.1и 4.2 соответственно

Рисунок 4.1 -АЧХ

Рисунок 4.2 – ФЧХ
5. НАХОЖДЕНИЕПЕРЕДАТОЧНОЙ
ФУНКЦИИ
И УСТАНОВЛЕНИЕ ЕЕ СВЯЗИ С
И

Формально выражения для
комплексного коэффициента передачи
и передаточной функцией
отличаются только переменной
для
и
для
.

Произведём замену:

Подставив значение

получим:

Умножим и поделим, прибавим и отнимем комплексно сопряженные числа:

Сведём по формуле квадратов:

Подставив числовые значения и сделав еще некоторые преобразования получим:

Зная, что

запишем импульсную характеристику:

Зная, что

получим переходную характеристику:

Полученные выражения для
и
совпадают
с определенными в п.2 и п.3.
6. РАСЧЕТ ОТКЛИКА ЦЕПИ НА ПРОИЗВОЛЬНОЕ, ПОСТРОЕНИЕ ГРАФИКА ОТКЛИКА
Опишем входной сигнал (напряжение) с помощью простой функции:

Учитывая то, что вид реакции цепи - i>L> запишем на каждом временном интервале функцию тока через напряжение:

ЗАКЛЮЧЕНИЕ
В ходе выполнения курсовой работы были
изучены классический и операторный
методы нахождения временных характеристик.
Классический метод оказался более
прост, так как требовал меньше
математических выкладок, для определения
и
.
Временные характеристики, найденные
этими двумя методами совпали. Был
применен комплексный метод для нахождения
частотных характеристик цепи.
Также были приобретены практические навыки применения интегралов наложения для расчета переходных процессов и прохождения простейших сигналов через цепи.
СПИСОК ИСПОЛЬЗОВАННЫХ ИСТОЧНИКОВ
Основы теории цепей: Методические указания к курсовой работе для студентов – заочников специальности 23.01 "Радиотехника"/ Сост. Коваль Ю.А., Праги О.В. – Харьков: ХИРЭ, 1991. – 63 с.
Зернов Н.В., Карпов В.Г. "Теория электрических цепей". Издание 2-е, перераб. и доп., Л.,"Энергия",1987.
Приложение А
Результаты расчетов частотных характеристик
