Расчет элементов и узлов аппаратуры связи (работа 1)
Министерство РФ по связи и информатизации
УрТИСИ СибГУТИ
(уральский филиал)
Курсовая работа
"Расчет элементов и узлов аппаратуры связи"
Выполнил: Плишкин М.Ю
Группа МЕ-72
Проверил: Зраенко С.М.
г. Екатеринбург
2010г
Оглавление
Введение
Техническое задание на устройство
Расчет автогенератора
Расчет спектра сигнала на выходе нелинейного преобразователя
5. Расчет развязывающего устройства
6. Расчет электрических фильтров
7. Расчет выходного усилителя
8. Заключение
9. Литература
1. Введение
Цель работы: в процессе данной работы необходимо спроектировать широко распространенное в аппаратуре связи устройство, вырабатывающее так называемую "сетку частот", то есть несколько гармонических колебаний. Подобное устройство содержит автогенератор, вырабатывающий исходное (задающее) колебание; нелинейный преобразователь, искажающий форму сигнала; набор активных фильтров, выделяющих требуемые гармоники, и масштабирующие усилители предназначенные для согласования входных и выходных сопротивлений устройств, а так же для поддержания необходимого уровня формируемого сигнала. В качестве задающего автогенератора в работе используются схемы на биполярных транзисторах с пассивной лестничной RC-цепью обратной связи. При расчете автогенератора необходимо рассчитать: значения всех элементов схемы, амплитуду стационарного колебания на выходе генератора.
Нелинейный преобразователь строится на основе биполярных, полевых транзисторов или полупроводниковых диодах. Анализ схемы нелинейного преобразователя включает в себя аппроксимацию ВАХ нелинейного элемента и расчет спектрального состава выходного тока и напряжения.
В качестве активных фильтров используются активные полосовые RC-фильтры на основе операционных усилителях с полиномиальной аппроксимацией частотной характеристики полиномами Чебышева. Развязывающие (усилительные) устройства представляют собой масштабирующие усилители на интегральных микросхемах.
2. Техническое задание на устройство
Технические требования к устройству.
-
Заданные параметры
Обозначения
Требования к автогенератору
Тип автогенератора
Схема 1
Тип транзистора
КТ301
Частота генерации
f>Г>=3*10^5 Гц
Напряжение питания
U>пит авт>=18 В
Сопротивление коллекторной цепи
R>к>=3 кОм
Требования к нелинейному элементу
Тип нелинейного преобразователя
Схема 3
Тип нелинейного элемента
2Д104А
Напряжение смещения
U>0>=-3 В
Напряжение питания
U>пит>=-0.5 В
Напряжение на входе
U>m>= 1.3 В
Требования к электрическим фильтрам
Напряжение питания
U>пит Ф>=10 В
Набор выделяемых частот
1 гармоника
Выходное напряжение
U>m вых>=8 В
Ослабление полезных гармоник (неравномерность ослабления в полосе пропускания)
ΔА=0,5 дБ
Степень подавления мешающих гармоник (ослабления в полосе пропускания)
А>min>=36 дБ
Требования к развязывающим и усилительным устройствам
Напряжение питания
U>пит ус>=10 В
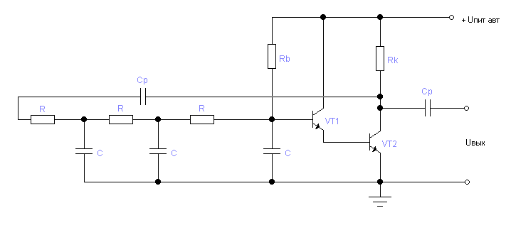
3. Расчет автогенератора
Рассчитаем RC-автогенератор на биполярных транзисторах 2Т658А, схема 1.
Частота генерации f>Г>=20 кГц
Напряжение питания U>пит авт>=30 В
Сопротивление нагрузки в коллекторной цепи R>к>=1,5 кОм

Схема 1
В стационарном режиме работы
автогенератора на частоте генерации
должны выполняться условия баланса
амплитуд и баланса фаз:
где
- модули передаточных функций
;
- аргументы этих передаточных
функций.
Для данной схемы

Отсюда видно, что
,
следовательно, для выполнения условия
баланса фаз необходимо, чтобы цепь
обратной связи вносила сдвиг фаз, равный
.
Получаем выражение для частоты генерации

и коэффициент передачи цепи обратной связи на частоте генерации

Входное сопротивление R>н> составного транзистора

где
- коэффициент усиления транзистора по
току (для VT1);
- входное сопротивление
транзистора VT2
Для определения
нужно выбрать рабочую точку транзистора.
Для этого вначале строим проходную характеристику транзистора I>к>=F(U>бэ>) зависимость действующего значения тока в выходной цепи от входного напряжения U>бэ>.
Исходными данными для построения проходной характеристики являются:
– входная характеристика транзистора I>б>=F(U>бэ>) (Рис. 1)
– выходная характеристика транзистора I>к>=F(U>кэ>) (Рис. 2)
На семействе выходных характеристик транзистора Кт301 (Рис. 1) проводим нагрузочную прямую через точки с координатами (0, U>пит> )и (U>пит >/ R>к>, 0)
По точкам пересечения нагрузочной прямой с выходными характеристиками строим промежуточную характеристику I>к>=F(I>б>) (рис 3)

Рис 1

Рис 2
∆I>б> = 25 мкА
-
I>б. >mА
0
0,025
0,05
0,075
0,1
0,125
I>к.>mА
0,1
1,1
2,05
3
3,9
4,2

Рис 3
Используя полученную зависимость (Рис. 3) и входную характеристику I>б>=F(U>бэ>) (Рис. 1), определяем требуемую зависимость I>к>=F(U>бэ>) (Рис. 4)
-
U>бэ,> В
0.3
0.4
0.5
0.55
0.61
0,63
I>б. >mА
0
0,025
0,05
0,075
0,1
0,125
I>к.> mА
0,1
1,1
2,05
3
3,9
4,2

Рис 4
По проходной характеристике определяют положение рабочей точки. Зададимся значением U>бэ0 >= 0,5В - это середина линейного участка проходной ВАХ
Тогда по входной ВАХ транзистора определяют в рабочей точке
=
Коэффициент усиления транзистора по току


Зная
,
можно рассчитать сопротивление
составного транзистора:

Из ряда номинальных
значений резистор

Из условия
выберем значение
.
Определим
амплитуду стационарного колебания на
выходе генератора. Для этого построим
колебательную характеристику
.
Значение средней крутизны для разных значений U>бэ> определим по методу 3-х ординат по формуле:

-
U>1(бэ).> В
0,05
0,1
0,15
0,2
I>к мАx.> мА
3
3,8
4,2
4,2
I>к мин. >мА
1,5
1,1
0,6
0
S>ср. >мА/В
15
13,5
12
10,5
По этой таблице построим колебательную характеристику Рис. 5.
Для определения по
колебательной характеристике стационарного
действующего значения U>бэ>
необходимо рассчитать значение средней
крутизны в стационарном режиме
.
Известно, что
.
Но из баланса амплитуд
.

Рис 5
Тогда

Определим
значение
для рассчитанных значений R>н>
и R

Для этого значения
средняя стационарная крутизна
располагается ниже колебательной
характеристики, и поэтому в схеме будет
происходить генерация колебаний.
Используем колебательную
характеристику и ее значение средней
крутизны в стационарном режиме, найдем
действующее значение напряжения
.
Оно равно
.
Тогда напряжение на выходе генератора
в стационарном режиме найдем из
соотношения:

Определим значение емкости
в цепи обратной связи. Из выражения для
частоты
найдем

Емкость C>Р>
разделительного конденсатора выберем
из условия
.
Возьмем С>Р>=0,1
нФ
Определим значение сопротивления R>б>, задающего рабочую точку U>бэ0>, I>бэ0>. Рассчитаем по формуле :

Выберем резистор с номиналом R>б>=5,6 кОм.
-
R
кОм
R>к> кОм
R>б>
кОм
C
пФ
C >р>
нФ
30
1,5
5,6
47
0,1
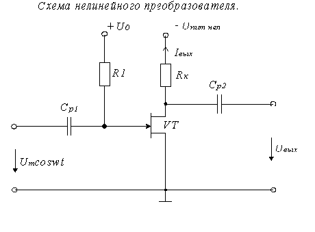
4. Расчет спектра сигнала выходе нелинейного преобразователя
Требуется рассчитать спектр тока и напряжения на выходе нелинейного преобразователя
Схема нелинейного преобразователя (схема 2)
Тип нелинейного элемента КП303Е
Напряжение на входе U>m>=3 В
Напряжение смещения U>0>=-3 В
Схема 2
5. Расчет развязывающего устройства
Амплитуда напряжения на выходе автогенератора больше амплитуды напряжения, которое следует подать на вход нелинейного преобразователя, следовательно, его необходимо ослабить. Для этого используем схему 3, которую подключим между генератором и нелинейным преобразователем.

Схема 3
Передаточная функция этой схемы :

Так как
U>m вх>=3 В, а U>m вых ген>=2,32 В,
тогда

Зададим R>1>=30
кОм, получим

-
R1
R2
30 кОм
39 кОм
Продолжим расчет нелинейного преобразователя.
Используя проходную ВАХ транзистора, графически определим вид тока на выходе нелинейного преобразователя
Для расчета тока и напряжения на выходе нелинейного преобразователя необходимо сделать аппроксимацию ВАХ. Амплитуда выходного сигнала достаточно велика, поэтому выберем кусочно-линейную аппроксимацию

По ВАХ определяем U>отс>=-2,7 В
Для расчета крутизны S
выбираем любую точку на прямой,
аппроксимирующей ВАХ,
;
,тогда:

Рассчитаем угол отсечки

Вычислим функции Берга
;
;
;
Постоянные составляющие и амплитуды гармоник спектра тока I>ВЫХ> рассчитаем по формуле
,
где к=0,1,2,3, …
Ограничимся третьей гармоникой
;
;
;

Напряжение на выходе нелинейного преобразователя считаем по формуле
;

Амплитуды гармоник выходного напряжения
U>m0>=0,806В; U>m1>=1,531 В; U>m2>=0,736; В U>m3>=0,907 В
Спектры амплитуд тока и напряжения на (Рис 6) (Рис 7)

Рис 6

Рис 7
6. Расчет полосового фильтра
Рассчитать полосовой
фильтр для выделения первой гармоники
при частоте генерируемых колебаний
f>Г>=50 кГц.
Неравномерность ослабления в ПЭН:
,
минимально допустимое ослабление в
ПЕН:А>min>=40
дБ.
Частота первой гармоники равна 50 кГц, тогда, f>0>=50 кГц.
Характеристика ослабления фильтра должна обладать геометрической симметрией относительно выделяемой гармоники (Рис 8)

Рис 8
По заданным данным ΔА и А>min> определим вспомогательную функцию D (Рис 9)

Рис 9
Затем, задавшись приемлемым значением порядка фильтра-прототипа n=3, для полученного значения D=50(рис.13) определим нормированную частоту, соответствующую границе ПЭН НЧ-прототипа: Ω>3>=> >4,5
Находим граничные частоты ПЭП и ПЭН.

Так как
,
то задавшись f>3>=55
кГц, т.е.

Найдем
.
Учитывая соотношение
,
определим

Решим совместно систему

Получаем:

Отсюда получаем граничные частоты:

Полюса передаточной функции НЧ-прототипа:
S>1>=-494171
Для отыскания полюсов передаточной функции ПФ, используем соотношение:

где
;
.
-
Номер
полюса
Полюса Н(р) полосового фильтра


1,2
3,4
5.6
0.4851
0.3184
0.3615
13,7575
11,8987
13,1648
Запишем передаточную функцию ПФ в виде произведения трех сомножителей второго порядка

где

Коэффициенты при р в
знаменателях сомножителей
,
а свободные члены
.
-
Номер
Сомножителя
Значения коэффициентов



1
2
3
0,7645
0,7645
0,7645
0.9702
0,6368
0,7230
1,895
1,4168
1,7341
Тогда передаточная функция искомого ПФ запишется:

Для реализации полученной передаточной функции выберем тип звеньев, для чего вначале найдем добротности полюсов соответствующих сомножителей, пользуясь соотношением

В результате получим:
Q>1>=7,5, Q>2>=6,2,Q>3>=7,2.
Выберем для обоих звеньев схему 4. Для поиска элементов звена, соответствующего первому сомножителю H(p), составим систему уравнений:

Зададимся С>1>=4 нФ, С>2>=5 нФ,
Решая систему относительно элементов R>1>, R>2>, R>3>, получаем:
R>1>=10,92 кОм, R>2>=56 Ом, R>3>=46,4 кОм

Схема 4
-
Элементы 1-го звена
R1 кОм
R2 Ом
R3 кОм
C>1> нФ
C>2> нФ
11
56
47
3,9
5,1
Поступая аналогичным образом находим элементы второго звена.
-
Элементы 2-го звена
R1 кОм
R2 Ом
R3 кОм
C>1> нФ
C>2> нФ
11
51
68
3,9
5,1
Поступая аналогичным образом находим элементы третьего звена.
-
Элементы 3-го звена
R1 кОм
R2 Ом
R3 кОм
C>1> нФ
C>2> нФ
11
47
62
3,9
5,1
Для расчета АЧХ и ослабления фильтра в выражении H(p) сделаем замену p=jω тогда |H(jω)| запишется:

Ослабление фильтра связано с АЧХ выражением

Найдем частоты ПЭП, при которых А и АЧХпринимают максимальные и минимальные значения.
Ω>1 >>min>= 0, Ω>1 мА>>x>=0,5 , Ω>2 мА>>x>=1, Ω>2 >>min>=0,866
Для нахождения соответствующих частот ПФ используем соотношение


-











261700
301500
305500
308970
314000
318400
325300
327100
376800

41,67
48
48,65
49,2
50
50,7
51,8
52,08
55

0,23
0,49
1,14
0,76
0,76
0,92
1,26
1,27
0,52

0,64
1,77
0,82
1,12
1,12
0,84
0,71
0,71
0,33

0,12
0,18
0,21
0,26
0,35
0,41
0,49
0,53
0,12

12,5
1,12
-1,88
2,24
-2,37
5,21
-2,05
-2,32
6,52

13,15
-4,37
-1,86
1,53
1,06
-2,64
3,63
4,13
7,32

14,55
4,47
3,74
-3,25
1,32
-1,85
-1,57
-1,11
2,21

0,14
0,88
0,98
0,88
1
0,88
0,98
0,91
0,15

40
0,51
0
0,5
0
0,51
0
0,52
40
График АЧХ (Рис 10), зависимость ослабления от частоты полосового фильтра (Рис 11)

Рис 10

Рис 11
7. Расчет выходного усилителя
Напряжение устройства выделения первой гармоники U>вых треб>= 5 В, амплитуда напряжения первой гармоники U>m1>=1,531 В, напряжение на выходе фильтра будет:
1,531∙1=1,531
В
требуемый коэффициент усиления
3,3
Возьмем схему 5

Схема 5
Зададим R>1>=30
к Ом, тогда
98
кОм
-
R1
R2
30 к Ом
100 кОм
8. Заключение
В данной курсовой работе было рассчитано устройства применяемое в системах связи. Я научил пользоваться справочниками, а также искать подходящие каскады для построения устройств в радиоаппаратуре, и системах связи. Рассчитывать параметры этих устройств, и элементов входящих в их состав.
9. Литература
В.П. Бакалов, А.А. Игнатов, Б.И. Крук. Основы теории электрических цепей и электроники: Учебник для высших учебных заведений. - М.: Радио и связь, 1989 - 525 с.
С.И. Баскаков. Радиотехнические цепи и сигналы: М.: Высшая школа, 1988 - 448 с.
Б.И. Крук, О.Б. Журавлёва, М.И. Сметанина. Методические указания к курсовой работе. СибГАТИ. – Новосибирск 1997
