Расчёт импульсного усилителя (работа 1)
Министерство общего и профессионального образования РФ
Пензенский Государственный Университет
Кафедра ИБСТ
ПОЯСНИТЕЛЬНАЯ ЗАПИСКА
к курсовому работе по теме
«Расчёт импульсного усилителя»
Дисциплина: Электроника и схемотехника
Группа 02-ПК1
Разработал студент
Евстигнеев С.А.
Проект принят с оценкой
Руководитель проекта
Богданов В.В.
ПЕНЗА 2008
Реферат
Пояснительная записка содержит 20 страниц, 2 таблицы, 3 источника, 2 приложения.
Импульсный усилитель, транзистор, каскад, рабочая точка, резистор.
Объектом исследования является импульсный усилитель.
Целью работы является расчет импульсного усилителя с коэффициентом усиления К=250 при входном напряжении U>вх>=20 мВ и выходном напряжении U>вых>=5 В, напряжении питания Е>к >=10 В, сопротивлением нагрузки R>н>=2 кОм, длительности импульса t>u>> >= 20 мкс, длительностью фронта импульса t>ф> = 2 мкс, ёмкостью нагрузки C>н> = 100 пФ, положительной полярностью входных импульсов, спадом импульса = 0.1.
Содержание
Введение
1. Расчёт импульсного усилителя
1.1 Выбор схемы усилителя
1.2 Выбор транзистора
1.3 Расчет оконечного каскада
1.3.1 Рабочая точка оконечного каскада
1.3.2 Расчет сопротивлений оконечного каскада
1.4 Расчет первого каскада усилителя
1.4.1 Рабочая точка первого каскада
1.5 Расчет ёмкостей усилителя
1.6 Расчет рассеивающих мощностей резисторов
Заключение
Приложения
Введение
В настоящее время нет ни одной области науки и техники, где не применялась бы электроника. А основой электроники на сегодняшний день является усилительный каскад, основанный на применении транзистора. Они могут быть успешно использованы не только в классе устройств, для которых они разработаны, но и во многих других устройствах.
В электронных устройствах транзисторы могут включаться по схеме с общей базой (ОБ), с общим эмиттером (ОЭ) и общим коллектором (ОК). Наилучшими усилительными свойствами (усиление тока, напряжения и мощности) обладает транзистор в схеме с ОЭ. В схеме с ОБ усиление мощности сравнительно меньше, чем в схеме с ОЭ. Кроме того, в схеме с ОБ транзистор имеет сравнительно малое входное и большое выходное сопротивление, что затрудняет согласование каскадов.
В схеме с ОК транзистор тоже обеспечивает меньшее усиление мощности. Однако в схеме с ОК транзистор имеет сравнительно большое входное и небольшое выходное сопротивления, и поэтому схема с ОК часто применяется в качестве согласующего каскада между источником сигнала с высокоомным выходным сопротивлением и низкоомной нагрузкой. Наиболее же часто в электронных устройствах применяется включение транзистора по схеме с ОЭ.
При разработке, изготовлении и эксплуатации полупроводниковых приборов следует принимать во внимание их специфические особенности. Высокая надежность радиоэлектронной аппаратуры может быть обеспечена только при учете таких факторов, как разброс параметров транзисторов, их температурная нестабильность и зависимость параметров от режима работы, а также изменение параметров транзисторов в процессе эксплуатации.
Под воздействием различных факторов окружающей среды некоторые параметры, характеристики и свойства транзисторов могут изменяться. Для герметичной защиты транзисторных структур от внешних воздействий служат корпуса приборов.
Все большее распространение получают так называемые бескорпусные транзисторы, предназначенные для использования в микросхемах и микросборках. Кристаллы таких транзисторов защищены специальным покрытием, но оно не дает дополнительной защиты от воздействия окружающей среды.
При конструировании устройств необходимо стремиться обеспечить их работоспособность в возможно более широких интервалах изменений важнейших параметров транзисторов. Разброс параметров и их изменение во времени при конструировании могут быть учтены расчетными методами или экспериментально - методом граничных испытаний.
1. Расчёт импульсного усилителя
1.1 Выбор схемы усилителя
Импульсный усилитель напряжения является предварительным усилителем сигнала, обеспечивающим нормальную работу УМ. Для расчета импульсного усилителя необходимо иметь следующие исходные данные:
напряжение питания E>k>=8 (В);
входное напряжение U>вх>=50 (мВ);
выходное напряжение U>вых>=4 (В);
сопротивление нагрузки R>н>=3 (кОм);
длительность импульса t>и>=50 (мкс);
длительность фронта импульса t>ф >=2 (мкс);
емкостное сопротивление нагрузки С>н>=4 (пФ);
полярность импульса: отрицательный.
Общий требуемый коэффициент усиления:
K= - = - = 80;
Данный усилитель должен содержать 2 каскада. Коэффициент усиления на каждом каскаде
К1=10 и К2=8
Коэффициент усиления каскада характеризует статический коэффициент передачи тока h>21Э>, который также характеризует усилительные свойства транзистора. Численное значение этого параметра показывает, во сколько раз ток коллектора больше вызвавшего его тока базы. Чем больше коэффициент h>21Э>, тем большее усиление сигнала может обеспечить данный транзистор. При измерении этого параметра транзистор включают по схеме с ОЭ. Определяем требуемый коэффициент передачи базового тока транзистора в схеме с общим эмиттером:
(1)
где k>з >- коэффициент запаса равный: 1,3, R>вх. э >=h>11э>=1000 Ом.
1.2 Выбор транзистора
Рассчитываем общий коэффициент усиления:
(2)
Для выбора транзистора также необходимо рассчитать его предельную частоту:
(3)
где t`>ф> - длительность фронта импульса, приходящаяся на один каскад, рассчитываемая по формуле:

Исходя из этих параметров и учитывая, что на практике транзистор необходимо выбирать с большей предельной частотой, так как с повышением частоты входного сигнала коэффициент h>21э> транзистора уменьшается, из справочника был выбран транзистор КТ315А, обладающий следующими характеристиками:
h>21Эмин>=20;
f>h>>21этреб> = 2∙107 (Гц);
Р>Кмакс>=150 (мВт) при t=200 C;
t>макс>=1000 С;
I>Кпост>=100 (мА);
является транзистором n-p-n типа;
1.3 Расчет оконечного каскада
1.3.1 Рабочая точка оконечного каскада
Первым шагом в выборе режима работы транзистора по постоянному току является определение рабочей точки. Определение рабочей точки для первого каскада было произведено графоаналитическим методом.

Рис.1
Данный метод заключается в построении на графике выходной характеристики транзистора рабочей прямой. Рабочая прямая проходит через точки U>кэ>=E>к> и I>к>=E>к>÷R>н> и пересекает графики выходных характеристик (токи базы). Для достижения наибольшей амплитуды при расчёте импульсного усилителя рабочая точка была выбрана ближе к наименьшему напряжению т.к у оконечного каскада импульс будет отрицательный. По графику выходных характеристик (рис.1) были найдены значения I>Кпост>=4,5 мА, U>КЭпост>=0,5 В, а также I>Бпост>. =0,1мА.
Для нахождения напряжения база-эмиттер U>БЭпост> на графике входных характеристик было отложено значение I>Бпост> (см. рис 2).

Для рабочей точки оконечного каскада были рассчитаны следующие значения:
U>КЭпост>=0,5 (В);
I>Кпост>=4,5 (мА);
I>Бпост>=0,1 (мА);
U>БЭпост>=0,4 (В);
1.3.2 Расчет сопротивлений оконечного каскада
Входное сопротивление транзистора определяется по формуле (4):
(4)
Формула (4) в последствии понадобится для вычисления коэффициента усиления каскада без отрицательной обратной связи (ООС).
Определяем максимальную мощность:

Для того чтобы транзистор удовлетворял условиям проекта должно выполняться соотношение (5):
(5)
где
(6)
Соотношение (5) выполняется, так как 0,0225<0,075, поэтому данный транзистор удовлетворяет условиям проекта. Общее сопротивление коллекторной цепи по постоянному току для оконечного каскада рассчитывается по формуле (7):
(7)
Для расчёта усилителя по переменному току необходимо первоначально по формулам (8) и (9) вычислить значения коэффициента усиления каскада без отрицательной обратной связи и требуемого коэффициента усиления соответственно.
(8)

где R>вхЭ> рассчитывается по формуле (4).
(9)
Глубина обратной связи каскада рассчитывается по формуле (10).
(10)
где k>ос> = k>треб >= 10.
По формуле (11), рассчитываем сопротивление, обеспечивающее отрицательную обратную связь:
(11)
где определяется формулой (10).
Коллекторное сопротивление R>к> рассчитывается по формуле (14).
(14)
где (R>К>+R>Э>) определяется формулой (7).
Разделительное сопротивление R>2> вычисляется по формуле (15).
(15)
где R>Э> и I>Дел> определяются формулами (13) и (16) соответственно.
(16)
Разделительное сопротивление R>1> вычисляется по формуле:

Входное сопротивление рассчитывается по формуле:

1.4 Расчет первого каскада усилителя
1.4.1 Рабочая точка первого каскада

Поскольку на первый каскад подается положительный импульс, рабочая точка выбирается на оси тока базы, причем так, чтобы рабочая прямая пересекалась с этой осью в точке, проекция которой на ось U>кэ> будет иметь наибольшее напряжение. По рабочей точке первого каскада были найдены следующие значения:
U>кэпост> = 7 (В)
I>кпост> = 1 (мА)
I>бпост >= 0,05 (мА)
U>бэп >= 0,35 (В)
Для расчёта усилителя по переменному току необходимо первоначально по формулам (8) и (9) вычислить значения коэффициента усиления каскада без отрицательной обратной связи и требуемого коэффициента усиления соответственно.

где R>вхЭ> рассчитывается по формуле (4).

Глубина обратной связи каскада рассчитывается по формуле (10).

где k>ос> = k>треб >= 25.
Глубину обратной связи также можно вычислить по формуле (11).

Из формулы (12) легко получить формулу для расчета сопротивления, обеспечивающего отрицательную обратную связь (12).

где определяется формулой (10).
Коллекторное сопротивление R>к> рассчитывается по формуле (14).

где (R>К>+R>Э>) определяется формулой (7).
Разделительное сопротивление R>2> вычисляется по формуле (15).

где R>Э> и I>Дел> определяются формулами (13) и (16) соответственно.

Разделительное сопротивление R>1> вычисляется по формуле:

Входное сопротивление R>вх1> усилителя находят по формуле:

1.5 Расчет ёмкостей усилителя
Для определения ёмкостей конденсаторов, обеспечивающих допустимый спад импульса необходимо рассчитать соотношение перераспределения искажений по емкостям:

где δ - относительный спад вершины равный 0,01, δВ - равный 0,05
Разделительные емкости рассчитываются по формуле:

Для расчета емкостей эмиттерной цепи необходимо рассчитать относительный спад, приходящуюся на емкость конденсатора в цепи автоматического смещения:


г
де


1.6 Расчет рассеивающих мощностей резисторов
Рассеивающие мощности резисторов, приведенные в таб.1, вычисляется по формуле:

Таблица 1.
|
Элемент |
Мощность |
Элемент |
Мощность |
|
R1 |
0,016 Вт |
R5 |
0,00012 Вт |
|
R2 |
0,125 Вт |
R6 |
0,02 Вт |
|
R3 |
0,04 Вт |
R7 |
0,002 Вт |
|
R4 |
0,003 Вт |
R8 |
0,000054 Вт |
Заключение
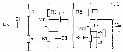
В процессе проведенной работы по начальным параметрам была рассчитана схема двухкаскадного импульсного усилителя. Усилитель построен по схеме с общим эмиттером на транзисторах КТ315А (кремниевый n-p-n типа) и обеспечивает коэффициент усиления по напряжению К=250. Схема содержит резисторы МЛТ ОЖО.467.104ТУ: R1=820 (Ом), R2=6,8 (кОм), R3=2 (кОм), R4=160 (Ом), R5=120 (Ом), R6=20 (кОм), R7=2 (кОм), R8=56 (Ом), конденсаторы ТКЕ ОЖО.461.093ТУ С1=С2=С4=0,12 (мкФ), С3=1 (мкФ).
Таким образом, задание на курсовую работу выполнено в полном объёме.
Список использованных источников
В.В. Богданов. Расчет усилительных схем на дискретных элементах: Методические указания. - Пенза, 1991. -18 с.
Н.И. Чистяков. Справочник радиолюбителя - конструктора. - Москва, 1983. - 560 с.
Горюнов Н.Н., Клейман А.Ю., Комков Н.Н. Справочник по полупроводниковым диодам, транзисторам и интегральным схемам. - Москва, 1976. -744 с.
Приложения
Приложение А
Принципиальная СХЕМА ИУ

Приложение Б
ПЕРЕЧЕНЬ ЭЛЕМЕНТОВ

Таблица 2.
|
Элемент |
Основные параметры |
Кол-во |
Примечание |
|
МЛТ ОЖО.467.104ТУ |
|||
|
R1 |
МЛТ 820 Ом 0,125 Вт ±2% |
1 |
|
|
R2 |
МЛТ 6,8 кОм 0,125 Вт ±2% |
1 |
|
|
R3 |
МЛТ 2 кОм 0,125 Вт ±2% |
1 |
|
|
R4 |
МЛТ 160 Ом 0,125 Вт ±2% |
1 |
|
|
R5 |
МЛТ 120 Ом 0,125 Вт ±2% |
1 |
|
|
R6 |
МЛТ 20 кОм 0,125 Вт ±2% |
1 |
|
|
R7 |
МЛТ 2 кОм 0,125 Вт ±2% |
1 |
|
|
R8 |
МЛТ 56 Ом 0,125 Вт ±2% |
1 |
|
|
ОЖО.461.093ТУ |
|||
|
С1 |
ТКЕ 0,12 мкФ 10 В ±20% |
1 |
|
|
С2 |
ТКЕ 0,12 мкФ 10 В ±20% |
1 |
|
|
С3 |
ТКЕ 1 мкФ 10 В ±20% |
1 |
|
|
С4 |
ТКЕ 0,12 мкФ 10 В ±20% |
1 |
|
|
С5 |
ТКЕ 1 мкФ 10 В ±20% |
1 |