Реконструкция учрежденческой автоматической телефонной станции на ст. Петропавловск
Аннотация
В настоящем проекте рассматривается вопросы реконструкции УАТС на железнодорожной станции Петропавловск. Проведены аналитические исследования по существующим проблемам, разработаны пути их решения. Приведены краткие характеристики систем коммутации, выбрана оптимальная система «МиниКом DX-500».
В технической части проекта приведена характеристика и архитектурные особенности «МиниКом DX-500», а в рабочей документации рассчитаны основные параметры проектирования УАТС.
В дипломном проекте уделены внимания вопросам ОТ и ТБ, а также охране окружающей среды. В конце проекта приведено технико-экономическое обоснование проекта.
Введение
Многие годы телефонная связь развивалась быстрыми темпами, превосходящими все другие виды связи. В настоящее время сети телефонной связи насчитывают во всем мире более одного миллиарда абонентов. В последние годы с сетями телефонной связи может конкурировать только глобальная компьютерная сеть Интернет.
В настоящее время системы телефонной коммутации на железнодорожном транспорте применяются преимущественно на сетях общетехнологической связи. В последние годы цифровые системы коммутации стали внедряться на сетях оперативно-технологической связи (ОТС).
Сети общетехнологической телефонной связи (ОбТС) предназначены для предоставления услуг по передаче речевой информации между работниками различных подразделений железнодорожного транспорта в пределах всей сети железных дорог страны. Кроме того, пользователем сетей ОбТС дается возможность получения услуг факсимильной связи и передачи данных. На цифровой сети ОбТС абоненты могут пользоваться видеосвязью, а также дополнительными услугами и видами связи.
В основе построения сетей ОбТС заложены системы распределения информации, функции которых выполняют коммутационные станции. Среди коммутационных станций наибольшее применение нашли автоматические телефонные станций (АТС), работающие в режиме коммутации каналов. В последнее время находят применение системы с коммутацией пакетов: маршрутизаторы и коммутаторы, используемые на сетях передачи данных. Особенности организации технологических процессов на железных дорогах привели к тому, что лишь небольшая доля информации распределяется вручную. Для этого используются либо ручные междугородные коммутаторы, либо специализированные пульты операторов связи, включенные в цифровые АТС.
До конца 90-х годов ХХ – го столетия сеть ОбТС была полностью аналоговой. На такой сети использовались электромеханические (декадно-шаговые, координатные, релейные), квазиэлектронные АТС, а также небольшое количество аналоговых электронных АТС. С конца 90-х годов начался переход к цифровой сети ОбТС, которая характеризуется применением цифровых коммутационных станций, связанных между собой цифровыми соединительными линиями, и позволяющая организовать цифровой абонентской доступ на основе стандарта ISDN. Цифровые соединительные линии образуются при помощи цифровых систем передачи, работающих по волоконно-оптическим или металлическим кабелям.
Для сети ОбТС на железнодорожном транспорте характерны следующие особенности. Во-первых, на сети преимущественно используются АТС малой емкости: доля станций малой емкости (до 200 номеров) составляет около 75%. Во-вторых, емкость телефонных станций изменяется в широких пределах: начиная от нескольких десятков и до 4000….6000 номеров. Наибольшая емкость более 10 000 номеров. В-третьих, в подавляющем большинстве случаев на сети ОбТС применяются учрежденческо-производственные АТС (УПАТС), позволяющие экономично строить телефонные станции относительно небольшой емкости. Коммутационные станции сетей общего пользования, характеризующиеся относительно большой емкостью – от 1000 номеров и выше, находят редкое применение.
В настоящем отчете рассматривается реконструкция УАТС станции Петропавловск на базе оборудования «МиниКом DX-500ЖТ». Данная система обеспечивает в будущем создать цифровую сеть вдоль железнодорожного полотна. Цифровая сеть ОбТС не имеет недостатков аналоговых и характеризуется высоким качеством связи, высокой пропускной способностью на всех уровнях сети связи, использованием стандартных систем сигнализации по общему каналу, а также предоставлением абонентам множества дополнительных услуг и видов связи.
1. Аналитические исследования проблем по теме проекта и разработки по их технической реализации
Краткий обзор существующих проблем и направления развития отрасли связи на железнодорожном транспорте
Основными средствами связи на железных дорогах были проводная телеграфная и телефонная связь, а также радиосвязь. В последнее время в связи внедрением информационных технологии бурно развивается и передача данных. Резкое увеличение потоков информации, вызванное внедрением автоматизированных систем оперативного управления работой железных дорог, требует автоматизации и дальнейшего развития всех видов внутридорожной информационной связи, модернизации устройств и расширения сети связи.
Для оперативного руководства технологическим процессом работы железнодорожного транспорта настоящее время эксплуатируются разновидные оборудования связи (аналоговые и цифровые) такие, как аппаратура АТС, системы избирательной связи, аппаратура связи совещаний, аппаратура станционной связи дежурного промежуточной станции, аппаратура коммутатора технологической связи, аппаратура поездной радиосвязи на базе радиостанций, аппаратура стационарные и переносные радиостанции и другие.
Все выше перечисленные системы оборудования связи, морально и физически устаревшие, в настоящее время промышленностью не выпускаются и имеют низкую ремонтопригодность [14].
Сети оперативно-технологической связи (ОТС), поездной радиосвязи и другие построены на групповых каналах (один для всех оперативных работников) с использованием физических проводов подверженных влиянию атмосферных и индустриальных помех. Кроме того, сети ОТС смонтированы на релейном коммутационном оборудовании с низкой надежностью, требуют больших затрат труда на их содержание и по своим функциональным возможностям не удовлетворят требованиям, возникающим при структурной перестройки управления.
Основной недостаток существующей ОТС - неэффективное использование каналов связи (для каждого вида ОТС свой канал связи), а также аппаратуры связи.
Применение для каждого вида ОТС отдельных устройств, их наращивание по мере появления новых видов связи привели к сосредоточению на рабочих местах большого количества разнотипных пультов и переговорных приборов, сложности в эксплуатации. По этим причинам сети ОТС обладают низким качеством связи и надежности.
Из-за недостаточного количества каналов и их низкого качества в вторичные сети телефонной и телеграфной связи, передачи данных, факсимильных сообщений и ОТС не позволяют уже в настоящее время эффективно решать задачи управления железнодорожным транспортом.
Из существующих АТС на железнодорожном транспорте АТСК (АТСКУ) (как ДШ системы) эксплуатируются более 20 лет, что составляет предельный срок службы механических АТС. Это оборудование физически изношено, давно снято с производства, неремонтопригодное [14].
В целом автоматически коммутируемая телефонная сеть (АКТС) на железнодорожном транспорте, обладает низкой пропускной способностью и малой надежностью.
Сети телефонной и телеграфной связи, построенные на морально и физически устаревшем оборудовании, не отвечают современным требованиям и не обеспечивают качественной связи; доля отказов по вызовам на порядок выше установленных норм, а достоверность на три порядка ниже нормы.
1.2 Краткая характеристика телефонной сети
В данном районе (ст. Петропавловск), где предстоит реализовать проект предоставляющий услуги телекоммуникаций корпоративным клиентам, представлена ведомственной АТС Южно-Уральской железнодорожной дороги (данный участок ж/д относиться к Россию) станцией типа АТСКУ.
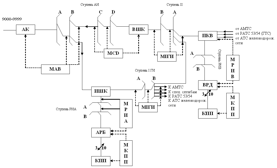
Рассматриваемая в проекте на ст. Петропавловск станция (УАТС) типа АТСКУ эксплуатируется с 1980 года. Монтируемая емкость составляет 1000 номеров. Существующая емкость – 990 номеров, что составляет 99 % . В последнее время на рассматриваемой АТС доля станционных повреждении резко увеличена, доля отказов превышает нормы. Нет возможности замены приборов, так как настоящее время коммутационные приборы для электромеханических станции промышленностью не выпускаются. Оборудование УАТС исчерпало все свои ресурсы, морально и физически устарело. [14].
На рисунке 1.1 показана функциональная схема УАТС ст. Петропавловск типа АТСКУ. УАТС на ст. Петропавловск в основном обслуживает корпоративных клиентов (абонентов). Данная станция выполняет функцию оконечной и транзитно-узловой, т. е. к ней подключены (ОС) оконечные станции (рисунок 1 Приложения А).
Структура организации магистральной сети с оборудованиями на этой части железных дорог показана на таблице 1.1.
Таблица 1.1 - Структура организации магистральной сети
|
Наименование участка |
Тип системы передачи |
Количество оборудовании |
Примечание |
|
1 |
2 |
3 |
4 |
|
Петропавловск - Кокшетау - Астана (казахстанский сегмент) |
STM-4 (STM-1) |
1+1 |
с учетом транзита |
|
Петропавловск - российский сегмент |
STM-4 (STM-1) |
1+1 |
с учетом транзита |

Рисунок 1.1 - Функциональная схема АТСК-У с двумя ступенями ГИ
Из таблицы видно, что транспортная сеть магистрального участка создана на базе мультиплексоров STM-4 (STM-1) с применением магистрального оптического кабеля.
Абоненты УАТС для выхода в ГТС набирает индекс выхода. Местная связь абонентов УАТС осуществляется через опорную РАТС-53/54 («Казахтелекома»). Межстанционная связь с РАТС- 53/54 организована с помощью 2-х оборудования ИКМ-30 (60 каналов).
1.3 Обзор характеристик систем коммутации и выбор оптимальной системы
В настоящее время, как на сетях общего пользования и ведомственно-корпоративных сетях связи внедряются современные технологии (станции, системы передачи, линии связи и т.д.). Особенно на местных ведомственных сетях внедряются цифровые АТС, которые имеют следующие преимущества по сравнению с аналоговыми:
- уменьшение габаритных размеров и повышение надежности оборудования за счет использования элементной базы высокого уровня интеграции;
- повышение качества передачи и коммутации; увеличение числа вспомогательных и дополнительных служб;
- возможность создания на базе цифровых АТС и цифровых систем коммутации интегральных сетей связи, позволяющих внедрение различных видов и служб электросвязи на единой методологической и технической основе;
- уменьшение объема работ при монтаже и настройке электронного оборудования в объектах связи;
- сокращение обслуживающего персонала за счет полной автоматизации контроля функционирования оборудования и создания необслуживаемых станций;
- значительное уменьшение металлоемкости конструкции станций; сокращение площадей, необходимых для установки цифрового коммутационного оборудования и т.д.
Ниже в таблице 1.2 даны основные характеристики цифровых систем коммутации, которые широко применяются и на сетях общего пользования, а также корпоративных (ведомственных) сетях.
Сравнивая общие технические характеристики различных систем, а также архитектуру распространенных систем выбираем оптимальную. Критериями в данном случае является доступная цена, пригодность в учрежденческих сетях (в российском сегменте применяются основном МиниКом DX-500ЖТ), возможность создания мультисервисной сети, обеспечение современных услуг связи и т.д. Для настоящего дипломного проекта самой экономичной и оптимальной является МиниКом DX-500ЖТ фирмы «Информтехника и Связь».
Станция МиниКом DX-500ЖТ представляет собой цифровую учрежденческую коммутационную станцию с функциями ISDN, разработанную и производимую российской компанией «Информтехника и связь». В условиях сети связи железных дорог станция может быть использована в пределах абонентской емкости от 30 до 2500 номеров для узловых и до 4096 номеров для оконечных станций. Станция предназначена для применения как на сетях ОбТС, так и на сетях ОТС железнодорожного транспорта.
Компания «Информтехника и Связь» предлагает оборудование, разработанное на основе самых современных телекоммуникационных технологий и одновременно учитывающее специфические требования системы связи железных дорог. На сетях ОТС используется модификация станции МиниКом DX-500ЖТ [6].
Что касается диапазона применений, то изначально станция «МиниКом DX-500ЖТ» разрабатывалась для работы на сетях связи различных ведомств. Она может быть применена: для стыковки ведомственной сети с сетями связи других ведомств; для выхода на сети общего пользования; для работы в цифровых сетях с интеграцией служб (ISDN); в подсистемах операторов ручного обслуживания; в диспетчерских центрах; в информационных центрах и центрах обслуживания пассажиров; как система связи совещаний; для создания системы микросотовой связи стандарта DECT; для сопряжения с транковыми и спутниковыми системами связи; для мультиплексирования и передачи до 4-х (до 8-ми) цифровых потоков Е1 по одному (по двум) оптическим волокнам и полупостоянной коммутации отдельных ОЦК и обеспечения передачи данных.
Архитектура системы «МиниКом DX-500ЖТ» позволяет использовать ее в цифровых сетях общетехнологической и оперативно-технологической связи, в системе связи совещаний железных дорог России, стран СНГ и Балтии в том числе в нашей Республике. Станция может функционировать как в цифровом, так и в аналоговом окружении, что делает ее применение наиболее эффективным при эволюционном развитии сетей связи железнодорожного транспорта - от полностью аналоговых до полностью цифровых. Станция может выполнять функции узла автоматической коммутации (УАК) с любыми видами сигнализации по каждой СЛ [7].
Благодаря своей гибкой структуре станция «МиниКом DX-500ЖТ» может быть применена в качестве местной, отделенческой, дорожной и магистральной. При этом в сетях ОТС и ОбТС она способна функционировать как оконечная, транзитная или транзитно-оконечная станция. В иерархическом ряду «МиниКом DX-500ЖТ» рассматривается как распорядительная, исполнительно-распорядительная и исполнительная станция проводной связи и поездной радиосвязи, являющаяся одновременно коммутатором станционной оперативно-технологической проводной связи и парковой связи. На базе «МиниКом DX-500ЖТ» возможна организация диспетчерской связи новой вертикали управления перевозками с использованием коммутируемых, групповых и прямых каналов.
Таблица 1.2 - Основные характеристики цифровых систем коммутации
|
Наименование системы, производитель |
SI-2000 |
БЭТО-01 Концерн БЭТО |
МиниКом-ЖТ Информтехника и Связь |
Квант-Е Сокол МЦТК |
Омега Раскат |
АТСЦ-90 ЛОНИИС |
АЛС АЛС и ТЕК |
|
Область применения |
ТфОП, УАТС и др. сетях |
ТфОП, УАТС и др. сетях |
ТфОП, УАТС и др. сетях |
ТфОП, УАТС и др. сетях |
ТфОП, УАТС и др. сетях |
ТфОП, УАТС и др. сетях |
ТфОП, УАТС и др. сетях |
|
Абонентская емкость, ном. |
40000 |
80000 |
4096 |
100000 |
20000 |
90000 |
200000 |
|
Производительность, выз. в ЧНН |
200000 |
400000 |
3000 |
1400000 |
2500000 |
550000 |
3000000 |
|
Удельная нагрузка на АЛ, эрл |
0,13 |
0,1 |
0.8 |
0,25 |
0,2 |
0,08 – 0,25 |
0,25 |
|
Потр. мощн. на АЛ, Вт |
0,7 |
0,7 |
1,2 |
0,7 |
0,24 – 0,65 |
0,25 |
|
|
ОКС-7 (MTP, ISUP) ЦСИО |
+ |
+ |
+ |
+ |
+ |
+ |
+ |
|
Интерфейс V5 |
+ |
- |
+ |
- |
- |
+ |
- |
|
Интеллектуальная сеть INAP |
- |
- |
+ |
- |
- |
+ |
- |
|
WLL |
- |
- |
+ |
- |
- |
+ |
- |
|
IPOP |
- |
- |
+ |
- |
- |
+ |
- |
|
SHDSL |
- |
- |
+ |
- |
- |
+ |
- |
|
СОРМ ПУ СОРМ |
+ - |
+ - |
+ + |
+ - |
- - |
+ + |
+ - |
|
Ориентировочная стоимость 1 порта, у.е. |
70-85 |
50-65 |
от 45 |
от 65 |
от 70 |
от 45 |
от 45 |
1.4 Будущее железнодорожного транспорта - информатизация отрасли
Железнодорожный транспорт - сложное, динамичное хозяйство, подразделения которого территориально разобщены. В обеспечении их слаженной работы как единого механизма решающая роль принадлежит информационной системе, дающей достоверную и своевременную информацию для выработки оптимальных оперативных и стратегических решений по управлению отраслью.
Информационные коммуникационные технологии (ИТК) базируются на трех основных составляющих: программном обеспечении, вычислительной инфраструктуре и сетях передачи данных.
В советский период железные дороги всех республик были объединены в едином информационном пространстве. Разработка и внедрение новых программных комплексов осуществлялись централизованно, и до настоящего времени некоторые технологические процессы по-прежнему увязаны с ГВЦ МПС России, что при обработке данных требует дополнительных затрат средств и времени [14].
Информационному обеспечению железных дорог в условиях СССР всегда уделялось первостепенное внимание. Важным этапом на этом пути стало создание автоматизированной системы управления железнодорожным транспортом (АСУЖТ). Главное ее назначение -совершенствование управления отраслью и прежде всего эксплуатационной деятельностью, оптимизация планирования, оперативного руководства работой производственных звеньев, улучшение использования основных фондов, материальных и трудовых ресурсов.
Однако создаваемая постепенно на основе отдельных локальных систем АСУЖТ не была сформирована окончательно как комплексная автоматизированная система. Тем не менее созданные в ее рамках отдельные программные комплексы используются и в настоящее время.
На большинстве участковых станций, осуществляющих сортировку вагонов, также функционируют информационные системы, на низовых рабочих местах применяются программные комплексы - Автоматизированное рабочее место (АРМ) товарного кассира, оператора технической конторы и др. Однако в связи с низкой технической оснащенностью и недостаточной квалификацией кадров эти программы используются не в полной мере [14].
В стадии разработки и внедрения находятся автоматизированные подсистемы: АСУ КП - управление контейнерными пунктами; АСУ SAP-функциональная подсистема экономического управления, включая бухучет, материально-техническое обеспечение и управление финансовой деятельностью; АСЭДВ - автоматическая электронная обработка ведомости.
Эксплуатируемые в настоящее время автоматизированные системы обеспечивают оперативное управление отдельными сферами эксплуатационной деятельности железнодорожного транспорта на основе информации, поступающей с АРМ, где на низовом уровне фиксируются все первичные события, связанные с организацией и осуществлением грузовых и пассажирских перевозок. Они функционируют автономно, часто с дублированием идентичных баз данных. Интеграция их в единую систему представляет определенную сложность.
При этом необходимо отметить, что используемое на железнодорожном транспорте в настоящее время программное обеспечение разрабатывалось в основном в 70-80-х годах прошлого столетия и во многом не соответствует современным требованиям.
Кроме того, крайне недостаточно автоматизированы такие важнейшие направления деятельности, как финансы, экономика бухгалтерский учет, материально-техническое снабжение и др. [14].
Характеризуя современное состояние информатизации железнодорожного транспорта, следует отметить один очень важный момент. Как известно, ключевым элементом информационных систем является база данных, позволяющая контролировать соответствующие производственные процессы для своевременного принятия необходимых оперативных и стратегических решений. Эти решения могут носить организационный и управленческий характер и приниматься на всех уровнях руководства отраслью. Выполненные перевозки - конечный итог деятельности железнодорожного транспорта. Объем и качество их характеризуют эффективность работы всей отрасли. Поэтому в информационном комплексе мониторинг железнодорожных перевозок имеет основополагающее значение. Он должен обеспечиваться на всех уровнях управления, включая и правительственный, что особенно важно для принятия общегосударственных решений по комплексному развитию всей транспортной отрасли, таких, как формирование международных транспортных коридоров, обеспечение их конкурентоспособности, улучшение использования транзитно-транспортного потенциала и др.
Существующая вычислительная информационная инфраструктура казахстанских железных дорог представлена тремя региональными вычислительными центрами (РИВЦ) в Астане, Алматы и Актобе, осуществляющими сбор и обработку информации по своим регионам с последующим централизованным ее обобщением в Главном вычислительном центре (ГВЦ). [14].
Основным препятствием для широкого применения на железных дорогах Казахстана прогрессивных информационных технологий на современном этапе является ограниченность телекоммуникационных ресурсов.
С каждым годом в нашей Республике растет объем грузовых и пассажирских перевозок на железнодорожном транспорте. Интенсификация работы железнодорожного транспорта требует совершенствования систем управления перевозочным процессом. Технической основной системы управления являются средства связи, обеспечивающие оперативную передачу всех команд управления и получения обратной информации об их выполнении. Средства связи стали неотъемлемой частью любого технологического процесса, а также важным фактором, влияющим на повышение производительности труда и безопасности движения поездов.
1.5 Постановка задачи проекта
Реконструкция УАТС ст. Петропавловска на базе интегрированной системы МиниКом DX-500 ЖТ является первым этапом создания мультисервисной сети на северном сегменте железной дороги.
Актуальность данного проекта заключается в первую очередь в удовлетворении повышенного спроса на услуги связи, для оперативного управления производственным процессом на ж/д транспорте, предоставление расширенного спектра услуг телекоммуникаций корпоративным клиентам.
Основной целью проекта являются: оперативное управление производственным процессом; удовлетворение спроса корпоративных (ведомственных) клиентов на установку абонентского терминала; оказать услуги по новым видам услуг связи, такие как междугородные и международные разговоры, передачи данных, Интернет и т.д.
Для осуществления данного проекта необходимо решить следующие задачи: замена узловой станции в ст. Петропавловск УАТС типа АТСКУ на цифровую типа МиниКом DX-500 ЖТ с переключением всех абонентов с учетом перспективы; замена оборудовании всех подключенных аналоговых оконечных станций (ОС) на ст. Петропавловск на МиниКом DX-500 ЖТ с учетом перспективы; произвести проверочный расчет соответствия соединительных линии (СЛ) между станциями; произвести расчет и распределение нагрузки на узловой станции (ст. Петропавловск) с учетом перспективы развития; рассчитать необходимое количество оборудования; рассмотреть вопросы безопасности жизнедеятельности при эксплуатации станции; составить бизнес - план на внедрение данного проекта и рассчитать ожидаемый экономический эффект от внедрения цифровой станции МиниКом DX-500 ЖТ.[6].
2. Техническая часть
2.1 Особенности концепции учрежденческой автоматической телефонной станции
Технический уровень. При проектировании необходимо применение цифровой учрежденческой автоматической телефонной станции (УАТС), построенной на унифицированной архитектуре, обеспечивающую масштабируемость, надежность, простоту обслуживания.
УАТС должна обеспечить: масштабируемость; возможность наращивания внутренней номерной емкости поэтапно; надежность обеспечиваемая с системами самотестирования, диагностики, самовосстановления; и системами резервирования (как электропитания, так и функциональности); дистанционное обслуживание; гарантийная поддержка производителя; открытая архитектура по отношению к продуктам других производителей; плавный переход на перспективные технологии телекоммуникаций; использование технологии цифровой коммутации временным разделением каналов (TDM) обеспечивающая одновременную передачу всех типов информации: речи, видео, данных и т.п.; использование центрального и локальных операторских центров с возможностями автоматической коммутации с указанным внутренним абонентом; система тарификации услуг для внутренних абонентов; использовать электропитание от сети переменного тока 200-240В (50-60 Гц); безопасность включающую контроль доступа к сервисам станции и необходимый уровень конфиденциальности циркулирующих в ней данных; управление факсимильной почтой; подключение к различным типам внешних соединительных линий (соединительные линии локального обмена (CO trunk) между УАТС и городскими АТС для осуществления входящих и исходящих вызовов по 3-х проводным соединительным линиям; использование коммуникационных подводов городской АТС по 2х-проводной линии; соединительные линии ИКМ (DS1 trunkS), которые обеспечивают услуги 30-и канальной ИКМ (Е1) или интерфейса базовой скорости ISDN Primary Rate Interface (PRI)/ поддержка ISDN интерфейсов; стыковка с УПАТС других производителей; поддержка речевых телеконференций (режим одновременной связи с группой абонентов)); возможность централизованного контроля, управления и технического обслуживания [6];
Ниже даны особенности данной системы в управлении и администрировании, а также концепция решения (выбора оборудования).
Управление и администрирование. Структура управления функциональностью станции должна обеспечивать: централизованный уровень, который задает общие алгоритмы осуществления коммутации вызовов, применяется службой эксплуатации УАТС.
Система управления МиниКом DX-500ЖТ обеспечивает полный контроль за состоянием оборудования УАТС и имеет возможность изменения конфигурации оборудования.
Средства управления и технического обслуживания имеют: удобный интерфейс для администратора системы; возможность формирования рабочих отчетов; дистанционное управление станцией [6].
Концепция решения. Использование УАТС представляет собой типовое решение по созданию системы телефонии для компании - пользователя, обеспечивающей функционирование телефонной сети объекта. Такое решение обеспечивает наиболее полное соответствие предъявляемым заказчиком к средствам связи требований и оптимизирует затраты на эксплуатацию системы, позволяя достаточно быстро окупить затраты на приобретение УАТС и начать получать прибыль от эксплуатации телефонной станции.
Современная УАТС, отвечающая всем требованиям, представляет собой сложный комплекс, способный быстро расти, и наращивать функциональность, обеспечивая пользователям телефонной сети самые современные услуги в области связи. Развитие современной АТС ведется по-модульно с дальнейшей переконфигурацией станции [6].
УАТС обеспечивают интеграцию с оборудованием и протоколами современных сетей передачи данных.
Система связи железных дорог - одна из старейших и, вероятно, самая сложная ведомственная система связи.
В последние годы началась активная модернизация сетей связи железнодорожного транспорта. Устанавливаются цифровые УПАТС, прокладываются тысячи километров волоконно-оптических линий связи, внедряются новые радиорелейные и спутниковые системы, благодаря которым открываются новые возможности по управлению пассажире- и грузоперевозками [6].
Сегодня сотни станций версий «МиниКом DX-500ЖТ» успешно эксплуатируются на Московской, Северной, Северо-Кавказской, Горьковской, Свердловской, Октябрьской, Калининградской, Куйбышевской железных дорогах России, ряд дорогах Украины, Балтии, а также в Казахстане.
Коммутационная система «МиниКом DX-500ЖТ» является специальной версией серийно выпускаемой компанией «Информтехника и Связь» цифровой УПАТС «МиниКом DX-500ЖТ». Телекоммуникационное оборудование «МиниКом DX-500ЖТ» разработано специально для применения в сетях связи железных дорог в соответствии с требованиями «Технического задания на разработку цифровой АТС для железнодорожного транспорта» (шифр АТС-Ц, 1994г), «Технического задания на разработку аппаратуры оперативно-технологической связи для российских железных дорог» (шифр ОТС-Ц, редакция 2/1998г), разработанных ВНИИАС ЖТ и утвержденных департаментом сигнализации, связи и вычислительной техники МПС РФ, а также документа «Система оперативно-технологической проводной связи российских железных дорог. Основные технико-эксплуатационные требования» (Редакция 2, ВНИИАС ЖТ, 1997г., ОСТ 32.145-2000), «Система оперативно-технологической связи железных дорог России» и концепции модернизации системы связи совещаний железнодорожного транспорта РФ[40].
В результате тесного взаимодействия с инженерами ВНИИАС (ВНИИУП) ЖТ разработчики компании «Информтехника и Связь» добились полного технического соответствия телекоммуникационной системы «МиниКом DX-500ЖТ» требованиям Департамента информатизации и связи МПС РФ. Каждый пункт этих требований подтвержден Протоколами сертификационных испытаний, которые проводили представители МПС. Данное оборудование имеет сертификат соответствия и лицензию в нашей Республике.
Аппаратура «МиниКом DX-500ЖТ» успешно работает в ЦСС МПС, ЕДЦУ, региональных центрах управления перевозками (РЦУП) и на участках Московской, Северной, Горьковской, Свердловской, Куйбышевской, Калининградской, Октябрьской, Северо-Кавказской дорог, а также ряд дорогах СНГ и казахстанских дорогах [40].
Телекоммуникационная система «МиниКом DX-500ЖТ» создавалась как единая цифровая платформа для сетей общетехнологической и оперативно-технологической связи, системы связи совещаний железных дорог.
Особое внимание разработчики уделили: обеспечению преемственности оборудования, совместимости с существующими аналоговыми каналами и аппаратурой, возможности плавной, поэтапной модернизации сетей связи; сохранению существующих сетевых алгоритмов и удобств диспетчерского управления при переводе систем на работу по цифровым каналам и линиям связи; унификации аппаратной части коммутационного и оконечного оборудования сетей ОТС и ОбТС, значительно повышающей его резервируемость и ремонто-пригоность, а также позволяющей совмещать функции этих систем в едином изделии; предоставлению абонентам и, прежде всего, диспетчерам расширенных услуг цифровых сетей с интеграцией обслуживания, включая передачу видеоинформации, при безусловном сохранении существующих принципов управления; повышению устойчивости и качества связи.
В соответствии с требованиями коммутационная система «МиниКом DX-500ЖТ» обеспечивает следующие виды железнодорожной связи: дорожную распорядительную связь; отделенческую проводную связь; ПДС (поездную диспетчерскую); СС (связь совещаний); ПРС - поездную радиосвязь; ЛПС – (линейно-путевую); станционную проводную связь. ПС (постанционную); станционную распорядительную; ОПС – (дежурного по охраняемому переезду); парковую; ЭДС – (энергодиспетчерскую); перегонную; СДС – (служебную диспетчерскую электромехаников СЦБ и связи); межстанционную; МДС – (маневровую диспетчерскую); ВДС - вагонную диспетчерскую; передачу данных систем телемеханики и телесигнализации; БДС - (билетную диспетчерскую); СТВ - транспортную военизированную охрану ОВД [40].
Сравнивая характеристики выше перечисленных оборудовании, наиболее оптимальным считаю систему МиниКом DX-500ЖТ, так как она согласована работает различными видами оборудования на железнодорожном транспорте. Эффективно также в области управления и администрирования.
Выбранная система «МиниКом DX-500ЖТ» является цифровой коммутационной системой. Ее создатели реализовали самые современные разработки, обеспечивающие расширение области применения, дополнительные удобства в пользовании связью и новые возможности для управления, технического обслуживания и повышения надежности.
Станция «МиниКом DX-500ЖТ» является модульной системой, позволяющая просто и экономично наращивать емкость до 4096 портов и 48 ЦСЛ.
К особенностям архитектуры «МиниКом DX-500ЖТ» относятся: распределенный способ управления, т.е. каждые 128 портов или четыре ИКМ-тракта обслуживаются независимыми процессорами с собственным программным обеспечением; распределенная коммутация, каждый управляющий модуль имеет собственное неблокируемое цифровое коммутационное поле. Коммутация разговорных трактов в пределах кластера производится без использования централизованных ресурсов станции; наличие дублированного общего неблокируемого поля коммутации 1024 на 1024 порта; возможность пространственного разнесения модулей станции незначительные расстояния по цифровым трактам или ВОЛС [6].
2.2 Возможности интегрированной системы «МиниКом DX-500 ЖТ»
2.2.1 Технические характеристики системы «МиниКом DX-500 ЖТ»
Ниже на таблице 2.1 приведены технические характеристики интегрированной системы «МиниКом DX-500 ЖТ».
Таблица 2.1 - Технические характеристики интегрированной системы «МиниКом DX-500 ЖТ»
|
Параметры |
Количество/Виды |
|
1 |
2 |
|
Максимальная емкость станции: аналоговых портов - ЦСЛ- |
256, 512, 1024, 4096 соответственно |
|
Электропитание: Напряжение постоянного тока: |
44 - 63 В |
|
Номинальная потребляемая мощность: |
не более 1,2 Вт/порт |
|
Способ обработки сигнала: |
цифровой, 64 кБит/сек |
|
Типы внутренних портов (подключаемых линий): |
аналоговые 2-х проводные; цифровые городские; аналоговые городские; местный - аналоговый ТА;2-проводные: Upoe 2-проводные городские линии; спикер-громкоговоритель; МБ аппарат МБ |
|
Виды сигнализации: |
Сигнализации 4-х проводных линий тональной частоты (ТЧ): Специальные сигнализации для диспетчерского круга в ЖТ; |
|
Сигнализации сети общего пользования: |
4-х проводный стык для включения аналогового ответвления 2600 с МЧК-челноком; диспетчерской связи или поездной радиосвязи с входящей СЛМ 2600 с декадным набором; радиостанциями 43РТС-А2-ЧМ, РС-6, РС-46М с управлениемвходящая СЛМ 2600 с МЧК челноком; частотой 3300Гц или с радиостанциями Pf-б, РФ-46М с управлением частотами Fa, Fb. |
|
Сигнализации ведомственные: |
2-х проводный стык для согласованного (KSP) или входящая 2600 с МЧК-челноком; высокоомного (KVP) включения аналогового ответвления исходящая 2600 с МЧК-челноком; диспетчерской связи; 2600 двусторонняя; 2-х проводный стык для включения линии поездной радиосвязи2100 двусторонняя; (PRS) с радиостанциями 43РТС-А2-ЧМ, РС-6, РС-46М с 600+750 двусторонняя; управлением постоянным током или с радиостанциями РС-6, АДАСЭ; РС-46М с управлением частотами Fa, Fb; ТДНВ; Местный ТА с устройствам управления голосом (SLT); ТДНИ; PGS - линия перегонной связи с возможностью набора4-х проводный аппарат (2100, коммутатор), списочного номера абонента сети ОТС в импульсном или тоновом режиме. |
|
Сигнализации ИКМ-линий: |
выделенные цифровые каналы сбора и передачи данных: В городских сетях общего пользования: асинхронные 1200 - 19200 Бит/сек: исходящая СЛ/ЗСЛ с декадным набором;V-24 (RS-232), V-11 (RS-422/485) входящая СЛ с декадным набором; УПАТС поддерживает синхронную и асинхронную; исходящая СЛ/ЗСЛ с набором МЧК-челноком; передачу информации со скоростями до 64кБит/с; входящая СЛ с набором МЧК-челноком; входящая СЛМ с декадным набором; входящая СЛМ с набором МЧК-челноком; В сельских сетях общего пользования: УСЛ 2ВСК с декадным набором; УСЛ 1ВСК (индуктивный код) с декадным набором; СЛМ 2ВСК с декадным набором; СЛМ 1ВСК (индивидуальный код) с декадным набором; ISDN PRI; DSS1 (ETS 300.102-1); QSIG(Q.931). |
|
Дополнительные ИКМ-линии: |
ИКМ для подключения DECT-контроллера (до 512 абонентов) на правах своих абонентов. |
2.2.2 Архитектура системы «МиниКом DX-500 ЖТ»
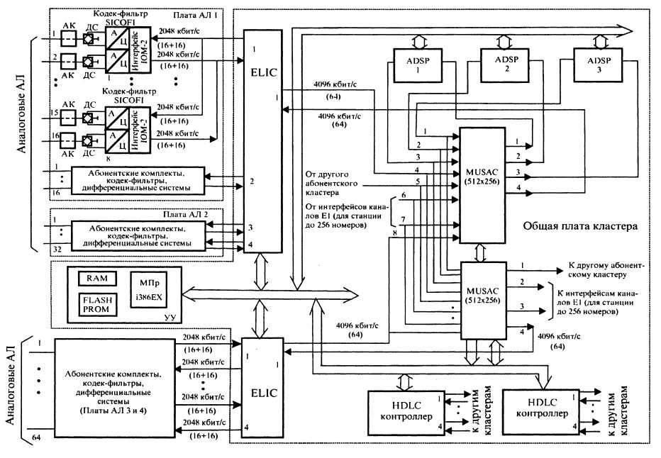
Станция «МиниКом DX-500 ЖТ» строится из отдельных модулей, получивших название кластеров. Существует два типа кластеров: абонентский кластер и кластер ИКМ. Абонентский кластер имеет 128 портов, в которые можно включить аналоговые и цифровые абонентские линии. При этом аналоговая линия занимает один порт, а цифровая - два порта. В кластер ИКМ допускается включить до четырех каналов Е1, выполняющих роль цифровых соединительных линий. Каждый кластер является автономной коммутационной станцией, имеющей внешние порты, коммутационное поле, управляющее устройство, устройства обмена управляющей информацией [6].
При емкости станции до 256 номеров происходит объединение двух абонентских кластеров, расположенных на одном блочном каркасе. В станцию можно включить до четырех каналов Е1, по два в каждый кластер. На рисунке 2.1 показана структурная схема станции из двух абонентских кластеров емкостью 256 аналоговых абонентских линий и четырех каналов Е1.

Рисунок 2.1 – Структурная схема станции МиниКом DX-500 ЖТ на 256 номеров
Кластеры связаны между собой цифровыми трактами передачи речевой и управляющей информации. По двусторонним трактам передачи речевой информации передаются цифровые потоки со скоростью 4 096 кбит/с, что позволяет организовать между кластерами по 64 речевых канала. Если линии вызывающего и вызываемого абонентов включены в один кластер, речевой трафик замыкается внутри одного кластера. В противном случае используются межкластерные речевые каналы. По двусторонним трактам передачи управляющей информации передаются цифровые потоки со скоростью 64 кбит/с, обеспечивающие обмен информацией между управляющими устройствами кластеров по протоколу HDLC [6].
Станция емкостью до 512 номеров включает в себя до четырех абонентских кластеров и до трех кластеров ИКМ. В состав станции входят два центральных модуля, названных центральными коммутационными устройствами (ЦКУ). Все кластеры включаются в ЦКУ. Структурная схема станции емкостью 512 аналоговых абонентских линий и 12 каналов Е1 показана на рисунке 2.2. В станцию входят четыре абонентских кластера, три кластера ИКМ и два центральных коммутационных устройства ЦКУ1 и ЦКУ2.

Рисунок 2.2 – Структурная схема станции МиниКом DX-500 ЖТ на 512 номеров
При такой конфигурации речевой трафик либо замыкается внутри кластера, либо передается от кластера к кластеру через одно из ЦКУ. Центральные коммутационные устройства работают с разделением нагрузки, когда нагрузка поровну делится между ЦКУ 1 и ЦКУ2. Если выйдет из строя одно из ЦКУ, второе будет обслуживать нагрузку всех кластеров. При работе одного ЦКУ потери вызовов могут возрасти вследствие снижения пропускной способности станции [6].
2.2.3 Функциональные возможности абонентского кластера
Рассмотрим функциональную схему абонентского кластера, позволяющего включить до 128 аналоговых абонентских линий (рисунок 2.3). Кластер состоит из четырех плат абонентских линий и одной общей платы.

Рисунок 2.3 - Функциональная схема абонентского кластера
Одна плата АЛ рассчитана на включение 32-х аналоговых абонентских линий. На ней находятся абонентские комплекты (АК), дифференциальные системы (ДС), кодек-фильтры. Абонентский комплект обеспечивает: питание телефонного аппарата, прием сигналов вызова и импульсов набора постоянным током от телефонного аппарата, посылку вызова к телефонному аппарату. Платы абонентских линий построены на микросхемах компании Infineon (Германия) [6].
Кодек-фильтр выполнен в виде микросхемы SICOFI, рассчитанной на две абонентские линии. Основное назначение этой микросхемы состоит в реализации аналого-цифрового и цифро-аналогового преобразования речевых сигналов. Микросхема также обеспечивает программируемую фильтрацию сигналов. Кроме того, микросхема SICOFI участвует в процессе управления абонентскими комплектами.
На интерфейсе микросхемы SICOFI включены два тракта, обеспечивающие прием и передачу цифрового потока со скоростью 2 048 кбит/с. Тракты от восьми микросхем SICOFI запараллеливаются и включаются в микросхему контроллера ELIC. В цифровом потоке одного тракта образовано 32 канальных интервала, 16 из которых служат для речевых каналов, а остальные 16 - для управления абонентскими комплектами и мониторинга микросхем SICOFI. За каждой микросхемой закреплены по два речевых канала и по два канала управления.
По каналам управления в сторону микросхемы SICOFI передаются команды, которые в микросхеме преобразуются в сигналы управления, передаваемые в абонентские комплекты. Под действием этих сигналов в АК происходит включение и выключение реле посылки вызова по АЛ. В обратном направлении по каналам управления передаются данные о состоянии АК: появление сигнала вызова от абонента, импульсов набора номера постоянным током, сигналов отбоя и ответа абонента.
На общей плате абонентского кластера находятся: два контроллера ELIC, микропроцессорное управляющее устройство кластера УУ, две коммутационные матрицы MUSAC, три сигнальных процессора ADSP и два контроллера HDLC. Для станции до 256 номеров на общей плате может быть установлен один субмодуль ИКМ с двумя интерфейсами каналов Е1.
В контроллер ELIC включаются тракты от четырех групп по восемь микросхем SICOFI. Контроллер ELIC выполняет следующие основные функции. В каждом входящем от микросхем SICOFI потоке он извлекает данные из каналов управления и мониторинга и направляет их к микропроцессору кластера (МПр). Кроме того, контроллер принимает управляющие данные от МПр и вставляет их в канальные интервалы управления и мониторинга, несущие информацию к микросхемам SICOFI и к абонентским комплектам. Наконец, контроллер ELIC выполняет функции мультиплексора, в результате чего с обратной от микросхем SICOFI стороны образуются цифровые потоки со скоростью 4 096 кбит/с, несущие только речевую информацию для 64 АЛ [6].
В коммутационные матрицы MUSAC включены тракты от контроллеров ELIC, от других кластеров станции и от процессора ADSP. Все тракты - двусторонние, со скоростью потока 4 096 кбит/с. Одна пара трактов с потоками разного направления получила название HW (от английских слов: High Way - высокоскоростная линия). Каждая матрица имеет восемь входов и четыре выхода, что соответствует 512 входящим и 256 исходящим канальным интервалам (512x256). Входы двух матриц запараллеливаются, в результате чего получается общая матрица емкостью 512x512. Через коммутационную матрицу под управлением МПр устанавливаются соединения внутри кластера и между кластерами. Матрица MUSAC позволяет организовать до 21 независимой конференции по три участника в каждой. Эта матрица позволяет программно управлять усилением и затуханием в каждом речевом канале.
Сигнальные процессоры ADSP, каждый из которых построен на базе однокристального микрокомпьютера, служат для приема и передачи тональных сигналов разного назначения. Три процессора включены по последовательным портам во входы и выходы коммутационной матрицы MUSAC [6].
Два процессора ADSP обслуживают 128 абонентских линий, по 64 каждый. В режиме приема эти процессоры обрабатывают сигналы в речевых каналах и обнаруживают тональные сигналы, передаваемые от кнопочных номеронабирателей частотным кодом DTMF. Данные о принятых цифрах номера передаются по общей шине в МПр. В режиме передачи процессоры по командам от МПр, передаваемым через общую шину, формируют в цифровом виде и посылают по речевым каналам следующие тональные известительные сигналы: ответ станции, контроль посылки вызова, «занято». При необходимости сигнальный процессор может формировать сигналы набора номера частотным кодом DTMF.
Третий сигнальный процессор служит для приема и передачи тональных сигналов, посылаемых по речевым каналам внутри каналов Е1, включенных в субмодуль ИКМ данного абонентского кластера.
Управляющее устройство УУ построено на базе микропроцессора Intel 1386EX. В его состав входит оперативная память RAM и постоянная память Flash PROM. Управляющее устройство через общую шину осуществляет управление всеми функциональными блоками кластера. Кроме того, в станции с двумя абонентскими кластерами предусмотрено резервирование управляющих устройств. При отказе управляющего устройства одного кластера, управляющее устройство второго кластера обслуживает вызовы обоих кластеров [13].
Вместо плат аналоговых абонентских линий в кластеры могут устанавливаться платы цифровых абонентских линий со стандартной точкой U . В каждую плату можно включить до 16 двухпроводных цифровых линий, к которым подключаются цифровые телефонные аппараты серии Optiset, производимые компанией Siemens.
Кластер ИКМ включает в себя функциональные устройства, аналогичные абонентскому кластеру: коммутационную матрицу MUSAC, сигнальный процессор ADSP, контроллеры HDLC и управляющее устройство на базе такого же микропроцессора. Новыми узлами являются четыре микросхемы FALC, выполняющие роль интерфейсов первичных потоков (PRI) и позволяющие включать по одному каналу Е1.
Центральное коммутационное устройство занимает одну плату на которой находятся: две коммутационных матрицы MTSL, контроллеры HDLC и управляющее устройство на базе микропроцессора I386EX. Каждая матрица имеет емкость 1024x512. За счет запараллеливания входов двух матриц получается коммутационное поле емкостью 1024x1024.
На каждой общей плате абонентского кластера, кластера ИКМ и плате ЦКУ находится интерфейс RS-232. служащий для включения автоматизированного рабочего места технического обслуживания станцией.
На рисунке1 Приложения А приведен пример построения станции на 1024 аналоговые АЛ и 14 каналов Е1 цифровых СЛ. Станция на 1024 номера состоит из двух станций, на 512 номеров каждая, и одного ГМ. В последний включается 10 каналов Е1, по пять от каждой станции на 512 номеров [13].
2.2.4 Поддерживающие интерфейсы и протокола МиниКом DX-500 ЖТ
Для построения цифровых оперативно-технологических сетей связи предназначается электрический интерфейс межстанционного обмена (G.703) - 2 Мбит/с. В качестве резерва могут быть использованы ТЧ-каналы. Взаимодействие с другими ЖАТС по аналоговым каналам связи осуществляется с использованием одночастотных сигнализаций 2600; 2100 и 1600 Гц, а по физическим соединительным линиям - шлейфовой сигнализации.
Подключение цифровых СЛ к станции «МиниКом DХ-500.ЖТ» в цифровых сетях общетехнологической связи с интеграцией служб осуществляется через интерфейсы ISDN базового (BRI) и первичного (PRI) доступа. Для межстанционного взаимодействия систем «МиниКом DХ-500.ЖТ» используются стандартные протоколы и внутрифирменный протокол DX-NET. Работа с УПАТС других производителей происходит по протоколам E-DSS1, Q.SIG, 2BCK (R1,5), 1BCK. Взаимодействие с АТС других ведомств может осуществляться с использованием их внутриведомственных протоколов сигнализаций или сигнализаций ТфОП [13].
2.2.5 Линейно-протяженные системы на базе «МиниКом DХ-500 ЖТ»
Сеть ОТС на базе станций «МиниКом DХ-500 ЖТ» строится по принципу колец, что позволяет добиться высокой надежности системы связи в случае обрыва линейного тракта.
Аппаратура исполнительных станций участков (до 30 станций) соединяется кольцом нижнего уровня.
Участки подключаются к распорядительной станции отделения дороги (ЕДЦУ дороги) кольцом верхнего уровня через мостовые станции. Таким образом, кольцо верхнего уровня выполняет роль канала подтягивания от участков дороги до диспетчерского центра. Существует возможность автоматического резервирования диспетчерских связей по каналам ТЧ при обрыве обоих направлений кольца (рисунок 2.4) [13].
С использованием систем «МиниКом DХ-500 ЖТ» можно строить сети связи большой протяженности (до 256 станций в сети), объединенные по цифровому потоку Е1 с применением стандартного протокола E-DSS1.

Рисунок 2.4 - Сети связи с использованием систем МиниКом DХ-500 ЖТ
2.2.6 Создание аналитического центра мониторинга и администрирования
Последнее десятилетие 20-го столетия положило начало революционному обновлению сетей связи предприятий и ведомств. Устанавливаются цифровые УПАТС, прокладываются тысячи километров волоконно-оптических линий связи, внедряются новые радиорелейные и спутниковые системы. Но при модернизации ведомственных и корпоративных сетей связи необходимо обеспечить четкое управление ими. Специалисты компании «Информтехника и Связь» создали программно-аппаратный комплекс системы мониторинга и администрирования сетей связи (СМА), построенных на базе цифровых коммутационных систем «МиниКом DX-500» [6].
Разработанное программное обеспечение позволяет сосредоточить контроль и управление территориально распределенными системами оперативно-технологической связи на одном или нескольких аналитических центрах мониторинга сетей связи. При этом обеспечивается наглядное отображение текущего состояния и загруженности коммуникационного оборудования, разнесенного на десятки и сотни километров. В ходе разработки системы достигнут важный компромисс между удобством и информативностью интерфейса оператора.
С одной стороны, оператор имеет полную информацию обо всех процессах, происходящих в системе, получает актуальные сведения о реальном состоянии системы связи. С другой стороны, он не перегружен информацией, избыток которой может существенно затруднить восприятие человеком общей картины состояния системы. Достаточно сказать, что на участке, состоящем из 80 станций «МиниКом DX-500», отслеживается около 18600 контрольных точек. Понятно, что в случае простого «вываливания» такого объема информации на оператора, разобраться в ней сложно даже специалисту высокой квалификации, особенно в том случае, когда необходимо оперативно принять решение во внештатной или аварийной ситуации [13].
Встроенные в систему средства статистического анализа и наглядного отображения накопленной информации позволяют выявлять нестабильно работающие компоненты системы и принимать меры по предотвращению отказов прежде, чем они смогут оказать негативное влияние на обеспечение пользователей надежной и бесперебойной связью. С этой целью, кроме граничных состояний «исправен/неисправен» («зеленый/красный») для объектов контроля предусмотрено промежуточное состояние, условно называемое «желтым», при котором объект исправен и участвует в обслуживании трафика, но в его функционировании наблюдаются сбои, на которые оператору целесообразно обратить внимание. Типичным примером таких сбоев могут быть ошибки CRC для первого уровня потока Е1 или повторы передачи для второго уровня. В системе предусмотрена возможность гибкой настройки пороговых значений для перехода объектов контроля между состояниями «желтое/зеленое». Как правило, они опираются на частоту поступления диагностических сообщений и могут варьироваться в зависимости от типа объекта контроля [13].
Система позволяет постоянно накапливать опыт решений нестандартных ситуаций и вырабатывать для обслуживающего персонала рекомендации по устранению неполадок в автоматическом режиме.
Важной особенностью системы является то, что для сбора диагностической информации и доведения до объектов управляющих воздействий не требуется дополнительной канальной емкости. Транспортировка диагностических сообщений и терминальных команд осуществляется по D-каналу одного из межстанционных потоков Е1. Состав технических средств системы СМА возможно изменять в широких пределах. В случае контроля одного участка, включающего до 30-35 станций «МиниКом DX-500ЖТ», все управление может быть сосредоточено на рабочем месте оператора, состоящего из одного персонального компьютера [7].
При построении системы связи, состоящей из нескольких участков, включающих более сотни станций, необходима организация отдельного рабочего места для каждого участка и выделение сервера для организации их взаимодействия между собой. Не лишним при таком подходе станет и экран коллективного пользования, на котором отображается общая для всех рабочих мест информация (как правило, это состояние системы связи в целом). При использовании корпоративной сети передачи данных («интранет») в ней могут быть организованы дополнительные рабочие места с ограниченным уровнем полномочий - без права выдавать в систему управляющие команды, но с возможностью отображать информацию о текущем состоянии системы связи.
Такие терминалы могут быть расположены непосредственно на рабочих местах руководителей, которым нет необходимости непосредственно вмешиваться в технологическое управление системой связи, но важно иметь оперативную информацию о ее состоянии, а главное - возможность статистического анализа различных аспектов ее функционирования.
В СМА предусмотрены несколько уровней безопасности. Доступ в систему предполагает процедуру авторизации обслуживающего персонала. Администратором системы ведутся списки пользователей с назначением им соответствующего уровня полномочий - как по составу доступного оборудования, так и по возможности выдачи управляющих команд: полный доступ к системе управления, ограниченные возможности по управлению станциями, только просмотр. Кроме общего доступа в систему, паролем защищен и доступ к конкретному оборудованию [7].
Как уже говорилось, предусмотрено протоколирование всех событий, происходящих в системе - будь то изменения в техническом состоянии объектов контроля или действия оператора. В протоколе фиксируется точное время, содержание события, а для записей о действиях оператора - его пароль. Тем самым обеспечивается возможность последующего разбора и анализа не только изменений технического состояния системы связи, но и адекватности действий обслуживающего персонала.
Специалисты компании "Информтехника и Связь" продолжают работать над совершенствованием и развитием системы мониторинга и администрирования, максимально приближая ее к нуждам и запросам эксплуатационного персонала. Благодаря постоянной обратной связи с пользователями системы она становится удобнее в работе, появляются возможности для ее более тонкой и гибкой настройки под требования конкретных заказчиков. Периодически выходят обновления программного обеспечения, доступные для всех пользователей, предыдущих версий.
Практическое применение аналитических центров администрирования на железных дорогах страны привело к значительному повышению эффективности управления ведомственными сетями связи при снижении затрат на их эксплуатацию. Экранная форма состояния сети связи одного из участков приведены на рисунках [6].
Рабочего места позволяет оператору одновременно контролировать как состояние системы связи в целом, так и техническое состояние отдельных участков и станций с точностью до отдельной платы и даже ее компонентов с помощью иерархической системы экранных форм.
В ходе разработки удалось совместить технологический и оперативный взгляды на систему связи. Оператор может не только увидеть, на каких именно абонентов системы способна повлиять возникшая в оборудовании коллизия, но и наоборот - определить те технические устройства, некорректная работа которых может являться причиной нареканий на качество связи со стороны конкретного абонента. В системе также реализованы функции оперативного поиска справочной информации и вызова любого абонента непосредственно с рабочего места оператора. Все это стало возможным благодаря тому, что при разработке было предусмотрено создание базы данных, описывающей систему связи не только в технологических, но и в административных терминах [6].
При создании рабочего места оператора предусмотрены функции визуального и звукового оповещения персонала обо всех аварийных ситуациях в системе связи, протоколирование и архивация информации о любых изменениях технического состояния ее компонентов. Кроме того, предусмотрено протоколирование всех действий оператора, что обеспечивает контроль целостности данных и позволяет предотвратить их случайное или преднамеренное искажение.
2.2.7 Надежность системы «МиниКом DХ-500.ЖТ»
Понимая высокую степень ответственности телекоммуникационной техники в производственном процессе железнодорожной отрасли, разработчики станции «МиниКом DХ-500.ЖТ» особое внимание уделили вопросам надежности и отказоустойчивости.
Распределенное управление. Использование собственных микропроцессоров со своей памятью в каждом модуле позволяет распределить управление по всей системе. Надежность больше не определяется зависимостью от централизованной, а потому оказывающей большое влияние, функции управления. При децентрализованном управлении неисправность одного модуля оказывает ограниченное влияние на всю систему.
Каждый кластер «МиниКом DХ-500.ЖТ» имеет собственный микропроцессор и цифровое коммутационное поле, обеспечивающее коммутацию разговоров в пределах одного кластера [13].
Дублирование систем. Ресурсы станции, влияющие на согласованную работу отдельных модулей, используются централизованно. Центральное коммутирующее устройство и система межмодульной синхронизации выполнены с использованием принципа 100% резервирования.
Построение системы электропитания. Система «МиниКом DХ-500.ЖТ» построена с применением полностью децентрализованной системы электропитания.
К станции подается напряжение ±48 или 60 В от внешних первичных источников питания по двум независимым внешним вводам. Каждая плата обеспечивается питанием по независимым шинам. Плата автоматически, выбирает шину электропитания, переключаясь на другую при отказе одного из источников. Таким образом, станция не имеет внутренних централизованных блоков питания [6].
Подбор компонентов и технология производства. Система «МиниКом DХ-500.ЖТ» построена на элементной базе ведущих мировых производителей - Analog Devises, Siemens, Hewlett Packard, Intel и др. Для достижения высокого качества и надежности оборудования используется самое современное автоматизированное производство печатных плат с технологией поверхностного монтажа компонентов (SMT).
3. Рабочая документация
3.1 Расчет интенсивности телефонной нагрузки
3.1.1 Возникающая нагрузка и её распределение
Возникающую нагрузку создают вызовы (заявки на обслуживание), поступающие от абонентов (источников) и занимающие на некоторое время различные соединительные устройства станции. Согласно ведомственным нормам технологического проектирования (ВНТП 112-79) следует различать три категории источников: народнохозяйственный сектор, квартирный и таксофоны. Интенсивность местной возникающей нагрузки определяется, если известны следующие её основные параметры:
N>нх>, N>кв> – число телефонных аппаратов народнохозяйственного сектора, квартирного сектора;
б) C>нх>, С>кв> – среднее число вызовов в ЧНН от одного источника i-й кате - гории;
в) Т>нх>, Т>кв> – средняя продолжительность разговора абонентов i-й категории в ЧНН;
г) Р>р> – доля вызовов, закончившихся разговором.
Структурный состав источников, т.е. число аппаратов различных категорий определяется изысканиями, а остальные параметры (С>i>, T>i>, P>p>) рассчитываются по средним значениям, приведенным в таблице А1 Приложения А.
В проектируемую электронную УАТС на ст. Петропавловск типа «МиниКом-ЖТ» включены 2000 абонентов непосредственно.
Необходимые для расчетов параметры нагрузки приведены в таблице 3.1.
Таблица 3.1 Необходимые параметры нагрузки
|
Категория аппаратов |
Число аппаратов N>i> |
C>i> |
T>i> ,с |
P>p> |
|
Народнохозяйственный сектор |
2000 |
2,7 |
90 |
0,5 |
Интенсивность возникающей местной нагрузки источников i-й категории Y>i>, Эрл, определяется формулой:
(3.1)
где t>i> – средняя продолжительность одного занятия,
(3.2)
Продолжительность отдельных операций по установлению связи, входящих в формулу (3.2), принимают следующей:
а) время слушания сигнала ответа станции t>со> = 3, с;
б) время набора n знаков номера с
дискового ТА t>н>> >=
1,5n, с;
в) время набора n знаков номера с тастатурного ТА nt>н>=0,8n, с;
г) время посылки вызова вызываемому абоненту при состоявшемся раз говоре t>пв> = 7+8, с;
д) время установления соединения с момента окончания набора номера до подключения к линии вызываемого абонента t>у> =2,0, с.
Коэффициент α>i> учитывает продолжительность занятия оборудования вызовами, не закончившихся разговором (занятость, не ответ вызываемого абонента, ошибки вызывающего абонента). Его величина в основном зависит от средней длительности разговора Т>i>, с, и доли вызовов, закончившихся разговором Р>р>> >и определяется по графику рисунка 1 Приложения Б.
Для народнохозяйственного сектора α >нх>=1,22.
В нашем случае квартирный сектор и таксофоны отсутствует, поэтому пренебрегаем α >кв> и α >т>> >.
Средняя продолжительность одного занятия t>нх>, с, для абонентов народнохозяйственного сектора:
t>нх>> >= 1,22·0,5 (3 + 6·1,5 +2 +8 + 90) = 68,32 с
Возникающая местная нагрузка Y>нх>, Эрл, от абонентов народнохозяйственного сектора:

Интенсивности нагрузок от различных категорий источников приведены в таблице 3.2.
Таблица 3.2 Интенсивности нагрузок от различных категорий
|
Категория аппаратов |
α>i> |
t>i>, с |
Y>i>, Эрл |
|
Народнохозяйственный сектор |
1,22 |
68,32 |
102,45 |
Возникающая на входе местная нагрузка Y/>п>, Эрл, от абонентов различных категорий (в нашем случае рассматриваем только народнохозяйственный сектор), определяется равенством:
(3.3)

Местная нагрузка от абонентов УАТС распределяется по двум направлениям:
По станциям городской сети (ГТС г. Петропавловск) и к узлу спецслужб.
По станциям своей железнодорожной сети.
Распределение нагрузки по станциям сети имеет случайный характер, зависящий от неподдающейся учету взаимной заинтересованности абонентов в переговорах. Поэтому, точное определение межстанционных потоков нагрузки при проектирование АТС невозможно. Это можно сделать лишь после введения станции в эксплуатацию путем анализа проведенных измерений.
При проектировании УАТС (АТС) достаточно знать возникающую местную нагрузку каждой станции сети.
Найдём нагрузку Y/>уатс>, Эрл, на входе КП (DSN) проектируемой УАТС ст. Петропавловск подлежащую распределению между всеми АТС (в том числе и проектируемой). С этой целью из возникающей нагрузки Y//>уатс> вычитают нагрузку, направляемую к узлу спецслужб Y/>сп>, которая принимается равной 3% от Y/>уатс1>:
(3.4)


Одна часть нагрузки
замыкается внутри станции
,
а вторая образует потоки к действующим
АТС.
Внутристанционная нагрузка Y/>п,п>, Эрл, определяется по формуле:
(3.5)
где η – доля или коэффициент внутристанционного сообщения,
(3.6)
определяется по значению коэффициента
веса η>с>, который представляет
собой отношение нагрузки
проектируемой станции к аналогичной
нагрузке всей сети:
(3.7)
где m – число станций на ГТС г. Петропавловск и железнодорожной сети, включая проектируемую.
Если принять, что величины возникающих нагрузок пропорциональны емкостям станций, то получим:
(3.8)
(3.9)

Зависимость коэффициента внутристанционного сообщения η (т.е. доля нагрузки, замыкающейся внутри станции) от коэффициента веса η>с> приведена в таблице 2 Приложения Б.
С помощью таблицы 2 (Приложение Б) находим коэффициент внутристанционного сообщения η = 19,4%.
Тогда внутристанционная нагрузка:

Нагрузка на входе КП (DSN) проектируемой АТСЭ, которая будет направлена к другим станциям Y/>исх.,п>, Эрл, определяется по формуле:
(3.10)

Эта нагрузка должна быть распределена пропорционально доле исходящих потоков этих станций в их общем исходящем сообщении. Значит, необходимо найти на всех действующих АТС ГТС и железнодорожной сети нагрузки Y/>j>,Y/>j>>,>>j> и Y/>исх.>>j>> >по формулам (3.8), (3.5), (3.10).В нашем случае достаточно нагрузку делить на две группы:
1. К группе абонентов городской сети (через АТС53/54 ГТС г. Петропавловск с общей емкостью 63000 номеров);
К группе абонентов железнодорожной сети (с общей емкостью 12048 номеров).
Исходящая нагрузка каждой станции Y/>исх.>>j> определяется аналогично исходящей нагрузке проектируемой станции Y/>исх.>>j>>.>>уатс>>.> Результаты расчета сведены в таблицу 3.3.
Таблица 3.3 Внутристанционные и исходящие нагрузки
|
Обозначение АТС |
Ёмкость |
Y/>j>,Эрл |
η>с>,% |
η,% |
Y/>j>>,>>j>,Эрл |
Y/>исх.>>j>,Эрл |
|
УАТС |
2000 |
99,38 |
2,7 |
19,4 |
19,93 |
82,52 |
|
ГТС |
75000 |
2526,98 |
83,95 |
90,0 |
2274,28 |
252,7 |
|
Железнодорожная сеть |
10048 |
403,51 |
13,38 |
31,5 |
127,11 |
278,4 |
Если n-я станция обслуживает большинство центральных учреждений города, к которым предполагается значительное тяготение абонентов проектируемой АТС, то направляемая к ней нагрузка может быть увеличена путём умножения У`>ИСХ.>>u> в числителе и знаменателе формулы (3.10) на коэффициент 1,2+1,4.
Расчёт межстанционных потоков упрощается, если пользоваться не абсолютными величинами средней длительности занятия выхода и входа ступени, а их отношением, т.е. коэффициентами >К >(учитывается когда, встречная станция координатная или электронная) и >Д>(учитывается когда, встречная станция декадно-шаговая)> >[11].
Значения коэффициентов >К >и >Д >зависят в основном от доли состоявшихся разговоров Р>Р> и их продолжительности Тi , числа знаков номере и в коде станции. При существующих нормах на Р>Р> и Тi можно считать:
- для пятизначной нумерации, когда n=5 и n>1>=1: >К>=0,89; >Д>=0,95;
- для шестизначной нумерации, когда n=6 и n>1>=2: >К>=0,88;>Д>=0,94.
- для семизначной нумерации, когда n=7 и n>1>=3: >К>=0,87;>Д>=0,93.
С учетом специфики нашей проектируемой станций, где внутри железнодорожной сети применяется пятизначная нумерация, а в при выходе к ГТС применяется шестизначная нумерация формула приобретает вид:
- внутристанции (применяется пятизначная нумерация):
У>ПК>=0,89 * У`>ПК>> >(3.11)
У>ПК>=0,89 * 19,93 =17,74 Эрл
- в направлении спецслужб следует вычислять, пользуясь коэффициентом >К>, тогда:
У>усс>=0,89 * 3,1 =2,76 Эрл
- внутри железнодорожной сети (учитывается только >К>=0,89, так как декадно-шаговые станции отсутствуют);
- к абонентам ГТС (учитывается только >К>=0,88, так как опорная станция РАТС 53/52 цифровая типа S-12 и n=6, n>1>=2);
Для определения нагрузку между проектируемой УАТС и узловыми районами (в нашем случае ГТС с УВС и железнодорожная сеть с узлообразованием) применяется следующая формула:
(3.12)
где Ар>n> – интенсивность нагрузки между УАТС и УС; U>1> – емкость всех АТС i-го узлового района; N>c> – суммарная емкость сети.

Полученные нагрузки с учетом потерь принимает вид:
- внутри железнодорожной сети:
У>уатс-жс> =0,89 * 10,62=9,45 Эрл
Для ГТС:
У>уатс-ГТС>=0,88 * 66,61= 58,62 Эрл
Полученные расчетные данные нагрузки с учетом потерь проектируемой УАТС по исходящему и внутристанционному направлению для наглядности приведем в виде таблицы 3.4.
Таблица 3.4 - Нагрузка с учетом потерь по исходящему и направлению внутристанционному направлению
|
Направление |
УАТС-УАТС |
УАТС-УСС |
УАТС-ГТС |
УАТС -Железнодорожная сеть (ЖС) |
|
У, Эрл |
17,74 |
2,76 |
58,62 |
9,45 |
Определение входящих потоков нагрузки
Расчёт потоков нагрузки, поступающих по входящим СЛ на ступень ГИ (ЦКП) УАТС от существующих АТС или узлов ГТС (в нашем случае от ГТС РАТС 53/54 и железнодорожной сети), производится по методике, изложенной в предыдущем разделе 3.1.1.
Если нагрузка с выхода ступени РАТС по пути к проектируемой станции проходит транзитом ещё через ступень искания, то за счёт большей продолжительности занятия входа ступени по сравнению с продолжительностью занятия её выхода она будет уменьшаться. Если это ступень электронной или координатной системы, то принимают, что нагрузка на выходы составляет 0,99 нагрузок на входы [11]:
Укn = 0,99Укn (3.13)
где Укn - нагрузка возникающая на станциях в направлении УАТС с учетом потерь (с таблицы 3.3)
У>К,ГТС-УАТС>= 0,99*58,62=58,03 Эрл
У>К,ЖС-УАТС>= 0,99*9,45=9,4 Эрл
Междугородная и международная нагрузка
Междугородную исходящую нагрузку, т.е. нагрузку на заказно-соединительные линии (ЗСЛ) от одного абонента можно считать равной 0,003 Эрл [11]:
Узсл =N*0,003 (3.14)
Узсл,уатс=2000*0,003 = 6 Эрл
Входящую на станцию по междугородным соединительным линиям (СЛМ) нагрузку принимают равной исходящей по ЗСЛ нагрузке Узсл =Услм, тогда:
Узсл =Услм = 6 Эрл
Вследствие большой продолжительности разговора (Т=200+400 с) уменьшением междугородной нагрузки при переходе со входа любой ступени искания на её выход обычно пренебрегают. Иначе говоря, величину междугородной нагрузки на всех ступенях искания принимают одинаковой величины.
Поскольку для обслуживания междугородной связи в АТСК не предусмотрены отдельные пучки внутристанционных соединительных путей, то при расчёте числа обслуживающих внутристанционных ИКМ линий необходимо к местной нагрузке прибавить междугородную нагрузку [11].
3.1.4 Распределение внутристанционной нагрузки
Общая местная внутристанционная нагрузка У>ВН> складывается из возникающей нагрузки, пересчитанной на выходы ступени ГИ (ЦКП) и поступающей от других АТС сети к абонентам проектируемой станции:
У>ВН>=> >У>уатс-уатс>>
>+
+Услм(jn)
(3.15)
У>ВН>= 17,74+58,03 +9,4+ 6 = 91,17 Эрл
Распределение внутристанционной, исходящей и входящей нагрузки на проектируемой УАТС показана на рисунке 3.1

Рисунок 3.1 - Распределение внутристанционной, исходящей и входящей нагрузки на проектируемой УАТС МиниКом-DX-500 ЖТ
3.1.5 Расчет числа исходящих и входящих соединительных линий
Исходными данными для расчета числа СЛ являются величины нагрузок, поступающих на пучки СЛ и нормы вероятности потерь. Число соединительных линий определяется по первой формуле Эрланга для полнодоступных пучков линий [13]:
(3.16)
При расчетах можно воспользоваться вспомогательной таблицей результатов расчета интенсивности поступающей нагрузки Y (в Эрлангах) для пучка емкостью V линий и величины потерь Р [13].
Результаты расчетов записываются в таблицу 3.5.
Таблица 3.5 - Количество соединительных линии
|
АТС |
Емкость, номеров |
Увн,``Эрл. |
V икм, линий |
Y'исхкГТС,Эрл. |
V икм |
Y'исхк ЖС |
V икм |
У эсл, Эрл. |
V икм |
У слм, Эрл. |
V икм |
У вх, Эрл. |
V икм * |
|
УАТС |
2000 |
91,17 |
131 |
58,62 |
86 |
9,45 |
20 |
6 |
14 |
6 |
14 |
68,07 |
85/13 |
* Примечание: V икм 85/13- 85-ИКМ линии для организации связи с ГТС, а 13-для организации местной железнодорожной связи.
Из таблицы 3.5 видно, что существующие системы ИКМ-30 (2 системы- 60 каналов) для организации местной (исходящая и входящая) и междугородной связи (исходящая и входящая) не обеспечивает обслуживанию трафика. Например для организации связи с ГТС и АМТС требуется 200 ИКМ линий. Нехватка каналов составляет - 70%.
При организации связи в направлении железнодорожной связи нехватка каналов не осуществляется, наоборот процент незадействованных каналов очень высок.
Поэтому при реконструкции УАТС ст. Петропавловск с применением оборудования «МиниКом DX-500ЖТ» необходимо рассмотреть вопросы по увеличению количества СЛ между РАТС 53/54 (ГТС).
3.1.6 Комплектация оборудования
Характеристики механической конструкции. Конструкция цифровой электронной коммутационной системы «МиниКом DХ-500 ЖТ» отличается компактным модульным принципом построения. Она состоит из следующих конструктивных компонентов: модулей; модульных кассет; стативов; стативных рядов; соединителей; кабелей [7].
Наиболее важные характеристики механической конструкции: вставные стандартизированные основные блоки из стативов и модульных кассет могут собираться станции любой желаемой конфигурации; современная беспаечная технология соединения, например, запрессованные соединения в однослойных, многослойных и полислойных печатных платах; укомплектованных и испытанных стативов и подключения кабелей; полностью облицованные стативы; полная экранизация для защиты от электромагнитных влияний; оптимальный теплоотвод за счет естественной конвекции: в стативах с высокой мощностью рассеяния отвод тепла осуществляется с помощью вентиляторов; простое техобслуживание благодаря простой замене модулей и благодаря надежным разъемным соединителям; меньшие потребности в занимаемой площади по сравнению с аналоговыми коммутационными станциями; экономия на сети абонентских линий благодаря использованию удаленных блоков защитных корпусах.
Модули. Модули «МиниКом DХ-500 ЖТ» являются наименьшими конструктивными компонентами. Основу каждого модуля составляет печатная плата. Все компоненты, используемые в системе, начиная от дискретных элементов и кончая большими интегральными полупроводниковыми схемами, монтируются на печатной плате, образуя модуль.
В «МиниКом DХ-500 ЖТ» используются модули. Модули соединяются с монтажной платой модульной кассеты посредством двух 60-контактных соединительных колодок. Для модулей, требующих более высокую контактную плотность, используются колодки с большим количеством пружинных контактов. Точки подключения образуют, кроме того, интерфейс для автоматического испытания модулей. На боковой стороне печатной платы устанавливается пластмассовая лицевая панель.
В основном печатные платы для модулей изготовляются из одно-, двух- или многослойного эпоксидного стеклопластика, плакированного медью.
Для монтажа интегральных схем с двухрядным расположением выводов (dual in-line, DIL) в сетчатой структуре расположения элементов предусмотрены стандартные монтажные позиции для DIL-элементов, имеющих до 24 контактов [7].
При этом все более широкое применение находят элементы для поверхностного монтажа (SMD), которые наиболее пригодны для автоматического монтажа печатных плат.
Модульные кассеты. Модульные кассеты придают модулям механическую стабильность и создают электрический контакт между ними. Как модули, так и кабели, прокладываемые к другим модульным кассетам, вставляются в кассету.
За исключением направляющих все несущие конструкции модульной кассеты изготавливаются из листовой стали. Направляющие модуля и соединительные колодки устанавливаются в модульной кассете с шагом 5 мм и обеспечивают гибкое комплектование модульной кассеты модулями с монтажной шириной n х 5 мм (n = 3, 4, 5, 6, 7, 12). Полезная монтажная ширина в монтажной кассете составляет 126 x 5 мм = 630 мм.
Используются модульные кассеты высотой: 270 мм (9 отделений статива х 30 мм); 510 мм (17 отделений статива х 30 мм).
Модули соответственно могут устанавливаться в один ряд (монтажная высота 9 x 30 мм) или в два ряда (монтажная высота 17 x 30 мм), один над другим.
Соединительная плата оборудована колодками с ножевыми контактами и контактными колодками для установки модулей и кабелей. Кроме того, она оборудована плоскими разъемами для подключения электропитания. Центрирующая рейка обеспечивает правильное позиционирование штырьковых выводов, а также правильный ввод и блокировку кабельных соединителей. Колодки с ножевыми контактами и контактные колодки запрессованы в соединительную панель без применения пайки.
В зависимости от монтажной плотности соединительные платы бывают однослойными, многослойными или полислойными.
Однослойная плата представляет собой кашированную с обеих сторон печатную плату со сквозными гальванизированными отверстиями. Толщина платы составляет 1,6 мм.
Многослойная плата состоит из двух однослойных плат, разделенных между собой изолировочным слоем. Максимальная толщина такой платы составляет 3,8 мм.
Полислойная плата состоит максимально из 16 слоев с печатными проводниками, разделенных между собой изолировочными слоями (препрегами) и запрессованных в монолитную печатную плату. В зависимости от числа слоев толщина полислойной платы может составлять до 3,8 мм [7].
Современным методом беспаечного электромонтажа соединительной платы модульной кассеты, который обеспечивает герметичное, вибростойкое и электрически устойчивое соединение между ножевыми контактами разъемных соединителей и соединительной платой является запрессовка. Для этого для каждого штырькового вывода предусмотрена специально профилированная контактная площадка (прямоугольное поперечное сечение).
Стативы. Функциональные блоки, объединенные в модульных кассетах располагаются на стативе. Основным элементом конструкции статива является свободностоящий каркас, изготовленный из открытых стальных профилей. Каркас оснащен ножками, высота которых регулируется. Для гибкого комплектования статива модульными кассетами в боковых стойках предусмотрены сверленые отверстия на расстоянии 30 мм друг от друга. Верхняя и нижняя части образуют замкнутую раму [7].
Емкость стативов и габариты: (ДхВхШ): 256 портов - 600x1100x600 мм; 512 портов - 600x1820x600 мм;1024 портов - 650x2370x810 мм;
Статив изготовляется, испытывается, поставляется и монтируется в качестве полностью оборудованного и прошедшего испытание на заводе блока. Тепло, вырабатываемое вмонтированными устройствами, отводится из статива на основе естественной конвекции.
Стативные ряды. На месте монтажа стативы соединяются между собой крепежными элементами, образуя стативные ряды. Для обеспечения стабильного механического соединения между двумя соседними стативами используют четыре крепежных элемента. В то же время они могут использоваться в качестве подвесок для дверей, которые монтируются в готовых стативных рядах.
Соединители. Соединители являются еще одним основным элементом системы В их состав входят колодки с ножевыми, пружинными и штырьковыми контактами и центрирующие рейки.
Соединители имеют следующие характеристики: беспаечная запрессовка колодок с ножевыми контактами и контактных колодок в соединительную плату модульной кассеты; колодки с выступающими ножевыми контактами расположены на модульной стороне кассеты; контактные колодки обеспечивают дополнительные контакты для электромонтажа соединительной платы; с помощью центрирующей рейки кабельные соединители вставляются на задней стороне модульной кассеты в контактные площадки колодок с ножевыми контактами и контактных колодок; наличие выступающих контактов для нагрузок пикового тока.
Колодки с ножевыми контактами для монтажа методом запрессовки расположены на соединительной плате модульной кассеты. Ножевые контакты запрессованы со стороны модуля. Штырьковые выводы, выступающие над электромонтажом, сконструированы с учетом использования их для соединений методом мини-накрутки и для установки кабельных соединителей. 60-контактные колодки с ножевыми контактами имеют три ряда контактов по 20 в каждом ряду. По электротехнологическим соображениям на каждой колодке в среднем ряду расположены шесть ножевых контактов, которые на 1,25 мм длиннее остальных (выступающие контакты). Благодаря этому при установке модулей в кассете определенные проводники (например, заземление) соединяются в первую очередь [7].
Контактные колодки для монтажа методом запрессовки (20- или 60-контактные) служат для установления дополнительных контактов на соединительной плате для подключения внешних съемных кабелей.
Выступающие контакты - штырьковые и пружинные являются массивными переключаемыми контактами, рассчитанными на нагрузки пикового тока до 6 А при напряжении 5 В. При установке модуля создается разница во времени 52 мс между контактированием выступающих контактов и остальных контактов в зависимости от быстроты врубания модуля.
Сопряженной деталью к колодке с ножевыми контактами является 60-контактная колодка с пружинными контактами.
Конструкция и принцип пружинных контактов соответствуют колодке с пружинными контактами для модулей. Существуют различные варианты колодок с разным количеством контактов (60, 48, 40, 32, 16 контактов и 4 контакта).
Центрирующая рейка для кабельных соединителей обеспечивает правильное позиционирование штырьковых выводов, а также правильную отцентровку, установку и блокировку кабельных соединителей.
Кабели. Соединительные кабели - это многожильные кабели, оснащенные на каждом конце кабельным соединителем. Все кабели, используемые на станциях, являются кабелями съемного типа. Благодаря этому электрические соединения внутри статива и между отдельными стативами быстро и просто устанавливаются непосредственно на месте монтажа станции.
Кабельные соединители вставляются непосредственно в контакты, расположенные на колодке с ножевыми контактами, или в контакты на задней стороне модульной кассеты.
Кабели кросса оборудованы кабельными соединителями только на одном конце. Свободные провода на другом конце кабеля расшиваются на клеммы главного или цифрового кросса.
От соединителя кабели ведутся или вверх к кабельным полкам или вниз под фальшпол, в отдельных случаях на кабель рост.
Комплектация оборудования.
Число кластеров АЛ:
N>кл.ал>=N/128 (3.17)
где N - емкость станции; 128 – количество портов.
N>кл.ал>>=>2000 /128 =16
Число кластеров ИКМ:
N>кл.ИКМ> = V/4+1 (3.18)
где V- число ИКМ линий.
N>кл.исх ИКМ>> >= 120/4+1 =31
N>кл.вх ИКМ>> >= 112/4+1 =29
Оборудование станции размещается в шкафах, рассчитанных на два или четыре блочных каркаса. Один блочный каркас занимает один этаж шкафа. В таблице 1 Приложения В приведен состав оборудования при включении аналоговых абонентских линий (АЛ>А>) для разной конфигурации станции МиниКом DX-500.
Для построения станции емкостью более 512 номеров требуется групповой модуль (ГМ), в который можно включить до 24 каналов Е1. Эти каналы используются для подключения к групповому модулю кластеров ИКМ. Групповой модуль выполняет транзитные соединения между кластерами ИКМ.
В качестве примера на рисунке 1 [П.В] показан внешний вид блочного каркаса станции с двумя абонентскими кластерами, одним кластером ИКМ и двумя платами ЦКУ [7].
Для станции предусмотрены шкафы двух типоразмеров. Шкаф типоразмера I имеет до двух блочных каркасов, а типоразмера II - до четырех блочных каркасов. Шкафы имеют ширину 0,8 м, глубину 0,6 м. Высота шкафа типоразмера I - 1.2 м, типоразмера II - 1,8 м (рисунок 1 Приложения В).
4. Безопасность жизнедеятельности
4.1 Анализ условий труда в используемом помещении
Характеристика помещения. Помещение, для размещения аппаратуры коммутации, операторской представляет собой бывший цех АТС размерами: длина L = 10 м, ширина В = 8 м, высота Н = 4 м (рисунок 4.1).
Здание представляет собой трехэтажное здание, где АТСКУ занимала только первый этаж; на остальных этажах производственных помещений нет (администрация и другие отделы). Предполагается, что обслуживать помещение будут 5 человек (приведены в экономической части проекта).
Цифровая станция «МиниКом DX-500 ЖТ» не требует постоянного контроля В дневную смену работают 4 человека (инженер-программист, инженер-связист и техник-администратор). Рассматриваемая ст.Петропавловск является крупно-транзитной, поэтому в данной станции организуется ЦТЭ сети (в ночную смену выходит диспетчер-оператор).

Рисунок 4.1 – План помещения: 1 - дверь; 2 – окно; 3 – стена; 4 – стойки; 5 – шкаф; 6 – стол; 7 – стул
Согласно ГОСТ 12.1.005-76 ССБТ "Воздух рабочей зоны, общие санитарно-гигиенические требования", работа людей в нашем помещении относится к первой категории (таблица 4.1), [9].
Оценка микроклимата. Микроклиматические условия на нашем узле обслуживания согласно ГОСТ 12.0.003-74. ССБТ можно охарактеризовать как оптимальные (таблица 4.2), [9].
Таблица 4.1 – Категории работ по энергозатратам организма
|
Работа |
Категория |
Энергозатраты организма, Дж/с (ккал/час) |
Характеристика работы |
|
Легкая физическая |
I a |
< 138 |
Производится сидя и не требует физического напряжения |
|
I б |
138 – 172 |
Производится сидя, стоя или связана с ходьбой и сопровождается некоторым физическим напряжением |
Таблица 4.2 - Оптимальные нормы параметров микроклимата
|
Период работы |
Категория работы |
Т, 0 С |
Скорость движения воздуха, м/с, не более |
|
Холодный |
I а I б |
22-24 31-23 |
0,1 0,1 |
|
Теплый |
I a I б |
23-25 22-24 |
0,1 0,2 |
В любой из периодов года микроклиматические параметры в нашем помещении не превышают установленных допустимых значений: СН 245-71:
Температура летнего периода: + 24 0С, температура зимнего периода +21 - +240 С, относительная влажность воздуха – 60% при температуре ниже 360 С, скорость движения воздуха не превышает 0,2 м/с в любой период года.
Таблица 4.3 – Допустимые значения параметров микроклимата в холодный/теплый период года
|
Категория работы |
Температура воздуха, 0 С |
Относительная влажность воздуха, %, не > |
Скорость движения воздуха, м/с, не > |
|
I a |
21-25 / 22-28 |
75 / 55, при 280 С |
0,1/0,1 – 0,2 |
Согласно ГОСТ 12.1.007-76 помещение по содержанию вредных веществ в воздухе рабочей зоны можно соответствует 4 классу опасности:
Таблица 4.4 – Нормирование показателей для классов опасности
Наименование |
Норма для класса |
|
ПДК вредных веществ в воздухе рабочей зоны, мг/м3 |
Малоопасные, 4 |
|
< 0,1 |
|
|
Средняя смертельная концентрация в воздухе рабочей зоны, мг/м3 |
< 500 |
Для поддержания условий микроклимата в помещении, целесообразно оснастить его системой кондиционирования. Ниже приводится расчет необходимого числа кондиционеров.
4.2 Оценка электробезопасности
В помещении мы предполагаем разместить следующее телекоммуникационное оборудование:
Стойки системы «МиниКом DX-500 ЖТ»;
мультиплексор SDH;
ИБП;
персональные компьютеры.
Оборудование «МиниКом DX-500 ЖТ» оптимально работает в следующих условиях:
Температура от 0 до 40о С;
Влажность от 5 до 95%, неконденсированная;
Питание:
переменный ток - напряжение от 100 до 220 В, частота 50/60 Гц, ток 2 – 5 А;
постоянный ток - напряжение от 48 до 60 В, ток нагрузки 2 – 4 А.
Так как все оборудование имеет сертификаты, то класс профессионального риска определяем как минимальный.
Электроустройства в отношении мер безопасности относятся к устройствам с рабочим напряжение до 1 кВ.
По степени опасности поражения электрическим током помещение относится к классу без повышенной опасности, поскольку оно соответствует требованиям:
сухое;
с нормальной температурой;
с изолированными полами;
беспыльное;
не имеет заземленных предметов;
Однако существует вероятность поражения постоянным током обслуживающего персонала. При замене блоков питания, блоков коммутации и т.п. в оборудовании, возможны случайные прикосновения к неизолированным электрическим частям находящимся под напряжением питания (от 48 до 60 В). Это напряжение опасно для жизни. Поэтому данное оборудование необходимо заземлять. Ниже приводится расчет заземления.
По характеру окружающей среды помещение относится к классу "нормальных сухих", относительная влажность воздуха не превышает 60%. По степени доступности оно относится к категории электротехнических, т.е. доступ к оборудованию осуществляется только электротехническим персоналом.
Все высокочастотные установки спроектированы таким образом, что уровни излучений, воздействующих на работников, не превышают нормативных значений (согласно ГОСТ 12.1.006-76 "Электромагнитные поля радиочастот. Общие требования безопасности").
Таблица 4.5 – Оценка условий труда производственного объекта
|
№ |
Наименование производственного фактора, единицы измерения |
ПДК, ПДУ |
Фактический уровень производственного фактора |
Величина отклонения "+" |
№ протокола, дата проведения замера, кем проведены |
|
1 |
Вредные химические вещества в воздухе рабочей зоны, мг/мм3 |
0,01 |
Ниже уровня чувствительности прибора |
Норма |
Протокол № 352 от 20.11.2000 Выездная лаборатория Государственного комитета Стандартизации и Метрологии |
|
2 |
Пыль преимущественно фиброгенного действия, мг/мм3 |
0,0015 |
Ниже уровня чувствительности прибора |
Норма |
|
|
3 |
Вибрация, дБ |
2 |
0 |
Норма |
|
|
4 |
Шум, дБ |
65 |
44 |
Норма |
|
|
5 |
Излучения: неионизирующее, мкВт/см2 |
60 |
72 |
12 |
|
|
Ионизирующее, мкВт/см2 |
12 |
8 |
Норма |
||
|
6 |
Микроклимат: Температура 0 С, |
18–240 |
210 С |
Норма |
|
|
Относительная влажность % |
55–36% |
52 % |
Норма |
||
|
7 |
Освещенность Е, лк |
200 |
150 |
Норма |
|
|
Класс профессионального риска |
2 |
4.3 Расчет системы кондиционирования
Кондиционирование обеспечивает наилучшее микроклимата в помещении и условия работы точной и чувствительной аппаратуры, и должно выполняться в соответствии с главой СНиП 11-33-75 “Отопление, вентиляция и кондиционирование воздуха”.
Определим количество явного тепла выделяемого в помещении для нашего оборудования в теплый период года, с учетом следующих источников тепловыделения: операторов, солнечной радиации, искусственного освещения, оборудования коммутации.
Определяем воздухообмен явного тепла:
G>Я>=
,
м3/ч (4.1)
где Q>Я> – выделение явного тепла, Вт; с – теплоемкость сухого воздуха, удаляемого общеобменной вентиляцией и подаваемого в помещение, t>УХ>=20 ºС, t>ПР>=15 ºС.
Явное выделяемое тепло:
(4.2)
где Q>1> – тепловыделение от аппаратуры; Q>2> – тепловыделение от источников освещения; Q>3> – тепловыделение от людей; Q>4> – теплопоступление от солнечной радиации сквозь окна.
Тепловыделение от аппаратуры:
,
Ватт (4.3)
Ватт
где
– коэффициент использования установочной
мощности;
– коэффициент загрузки;
– коэффициент одновременной работы
аппаратуры;
– коэффициент ассимиляции тепла воздуха
помещения при переходе в тепловую
энергию; N>ном>
– номинальная мощность всей аппаратуры.
При ориентировочных расчетах принимают произведение всех четырех коэффициентов равным 0,25.
Тепловыделение от источников освещения:
,
Ватт (4.4)
Ватт
где
– коэффициент учитывающий количество
энергии переходящей в тепло,
= 0,8; N>осв> –
мощность осветительной установки цеха
(12 ламп по 80 Вт каждая).
Тепловыделение от людей:
,
Ватт (4.5)
Ватт
где n – число работающих; q – теплопотери одного человека, равные 80-116 Вт.
Теплопоступление от солнечной радиации сквозь окна:
,
Вт (4.6)
Вт
где F>ост> – площадь окна, м2; m – число окон; k – поправочный множитель, для металлического переплета k=1,25; q – теплопоступление через 1 м2 окна, q = 224 Вт/м2.
Определяем по формуле (4.2) явное выделяемое тепло:
Вт
Определяем воздухообмен явного тепла:
G>Я>=
м3/ч
В теплый период времени, нормальная (средняя) температура в г. Петропавловск составляет Т>нор> = 32С, что больше чем комнатная температура 24С, и потерь тепла нет, а есть приход тепла, выделяемого в помещении в холодный период года, с учетом следующих источников тепла: персонала, оборудования, искусственного освещения, батарей центрального отопления.
Количество тепла выделяемого первыми тремя источниками тепла не изменилось, по сравнению с летним периодом, поэтому нужен расчет количества тепла выделяемого только батареями центрального отопления.
Всего в комнате 4 батареи, каждую из которых можно представить в виде совокупности вертикальных и горизонтальных труб. Тепловой поток от поверхности нагретых тел можно определить по формуле (4.7):
Q>тел>=(л+к)(Т>n>-Т>в>) Fn (4.7)
где F>n> – площадь тела; Т>n> – температура поверхности тела; Т>в> – температура окружающего воздуха; л, к – коэффициенты излучения и конвенции (Вт/мс).
Определим значение л по формуле (4.8) [10]:
л =С>пр>[((273+Т>n>)/100)+((273+Т>в>)/100)]/(Т>n>-Т>в>) (4.8)
где С>пр> – приведенный коэффициент излучения тел в помещении, принимаемый равным 4,9 Вт/cмк.
Найдем л:
л = 4,910-2[(273+60)/100)+(273+22)/100)]/(60-22) = 1 Вт/мк
Определяем значение к по формуле (4.9):
к =А(Т>n>-Т>в>) (4.9)
где А – коэффициент, принимающий значения: для горизонтальных труб 0,17; для вертикальных труб 0,21.
Найдем значения к:
к>гор> = 0,17 (60 - 22) = 6,46 Вт/мс
к>вер> = 0,21(60-22) = 7,98 Вт/мс
Каждая батарея состоит их 4-х горизонтальных труб, длиной 930 мм и диаметром 80 мм и 29 вертикальных труб, длиной 540 мм и диаметром 60 мм. Рассчитаем тепловой поток от одной батареи по формуле (4.10):
Q>бат>=4(л+к>гор>)(Т>n>-Т>в>)nД>гор>L>гор>+30(л+к>вер>)(Т>n>-Т>в>)nД>вер>L>вер>> >(4.10)
Q>бат>=3,14(1+6,46)(60-22)26,080,93+30(1+7,98)0,060,54=620 Вт
От четырех батарей, соответственно:
Q>бат, 4> = 4620 = 2480 Вт
Определим по формуле (4.11) суммарное количество поступающей теплоты:
Q>сум> = Q>бат, 4 >+ Q>обор >+ Q>чел >+ Q>ос >(4.11)
Q>сум> = 2480 + 580 + 625 + 768 = 4453 Вт
Примем потери через стены и окна здания по для холодного и теплого времен года. Для холодного времени года: Т>нар>=-12 С [10], Q>пот.>=727 Вт. Для теплого времени года: Т>нар>=300 С, Q>пот.>=182 (Вт).
Для холодного периода избыток тепла:
Q>изб.т> = 4453-727 = 3726 Вт
Для теплого периода избыток тепла:
Q>изб.т> = 4453+182 = 4635 Вт
Определим необходимый воздухообмен для теплого и холодного периодов года по формуле (4.12), [10]:
L = 3,6Q>изб.т>/СР(Т>вн>-Т>нар>) (4.12)
где С – удельная теплоемкость воздуха, при постоянном давлении она равна 1 кДж/кг с; Р – плотность воздуха 1,2 кг/м3.
Для теплого периода необходим воздухообмен:
L>т> = 3,64635/12000(27-22) = 27 м3/час
Для холодного периода года необходим воздухообмен:
L>х> = 3,63726/12000(22-12) = 112 м3/час
Норма воздухообмена для помещения определяется СниП II-68-75 составляет 30 мкуб/час на одно место, и соответственно, для двух рабочих мест и двух стоек оборудования, составит:
L>норм> = 304 = 120 м3/час
Требования, предъявляемые к воздухообмену в помещении СниП II-68-75, более жесткие, чем требования, предъявляемые, для обеспечения отвода явного тепла, как для холодного, так и для теплого периодов года:
L>норм> = 870L>т> = 27 м3/час
L>норм> = 870L>х> = 112 м3/час
Для обеспечения требуемых норм воздухообмена применяем оконный кондиционер LWH0560AC , который рассчитан на вентиляцию и кондиционирование 25 м2 ,их необходимо 4 шт.
Кондиционер LWH0560AC обеспечивает:
охлаждение воздуха;
автоматическое поддержание заданной температуры;
очистка воздуха от пыли;
вентиляция;
уменьшение влажности воздуха;
изменение скорости движения направления воздушного потока;
воздухообмен с окружающей средой.
Количество кондиционеров в расчете на вентиляцию можно рассчитать по формуле (4.13):
n = L>норм> /L>q>> >(4.13)
где L>q> – производительность кондиционера.
Для LWH0560AC , из условия обеспечения вентиляции:
n = 870/320 = 4 шт
В результате проделанного расчета, мы убедились, что требования, предъявляемые СНиП II 68-75, обеспечивают все нормируемые параметры микроклимата в помещении для оборудования телекоммуникации.
Параметры кондиционера
LWH0560ACG:
- потребляемая мощность - 1000 Вт;
- обслуживание площади - 25м2;
- производительность по холоду – 1740 (1500)Вт/час (Ккал/час);
- производительность по воздуху при высокой частоте вращения вентилятора - 400м3/час;
- производительность по воздуху при низкой частоте вращения вентилятора, - 320м3/час.
4.4 Проверочный расчет защитного заземления
Тип заземления в здании – контурный, при котором заземлители располагаются по контуру вокруг здания. Здание имеет следующие размеры: A=60 м, B=15 м (рисунок 4.2).

Рисунок 4.2 – План здания: 1 – помещение узла; 2 – дверь; 3 – окно
Контур состоит из вертикальных электродов – стальных труб длиной l>в >= 3 м, диаметром d = 50 мм, соединенных горизонтальной полосой длиной равной периметру контура:
L>2> = P>к >= (А+В+2)·2 (4.14)
Подставляя значения в формулу (4.14) находим:
L>2> = P>к >= (60+15+2)·2 = 154 м
В качестве горизонтального электрода применим стальную полосу сечением 404 мм. Глубина заложения электродов в землю t>0 >= 0,5м. Удельное сопротивление грунта P = 80 Ом·м. В качестве естественного заземлителя применяются железобетонная арматура сопротивлением R>C >= 20 Ом.
Ток замыкания на землю I>З> = 70 А.
Расчет производим по методу коэффициента использования.
Требуемое сопротивление растеканию заземлителя ПУЭ, [6]:
R>З> = 125 / I>З> (4.15)
R>З> = 125 /70 = 1,78 Ом
Требуемое сопротивление не естественного заземлителя:
R>ТР> = (R>Е> · R>З>)/(R>Е> - R>З>) (4.16)
R>ТР> = (20 · 1,78)/(20 – 1,78) = 1,95 Ом
Число вертикальных электродов:
n>в> = Р>к> / а (4.17)
где а – расстояние между вертикальными заземлителями, применяется по условию а/ l>в> = 1;2;3, в данном случае принимаем а=3 м.
Подставляя значения в формулу (4.17), получим:
n>в>=154/3 =52 шт
Определим расчетное удельное сопротивление грунта для вертикальных и горизонтальных электродов:
P>расч.в> = k>C>·P (4.18)
где k>C> – коэффициент сезонности, учитывающий промерзание и высыхание грунта и зависящий от климатической зоны для Казахстана – k>C>=1,4; k>C>' = 2,5 [8].
Подставляя значения в формулу (5.18) получим:
P>расч.в.> = 1,4·80 = 112 Ом·м
P>расч.г.> = 2,5·80 = 200 Ом·м
Расчетное сопротивление растеканию электродов – вертикального R>в>:
(4.19)

горизонтального электрода R>г>:
(4.20)

Определим по таблице 3.2 и 3.3 [6] коэффициенты использования вертикального и горизонтального электродов: ŋ>в>=0,4; ŋ>г> =0,21.
Найдем сопротивление растеканию принятого группового заземлителя:
R>гр> =(R>в> ·R>г>)/( R>в>·ŋ>г>+ R>г>·n>в>· ŋ>в>) (4.21)
R>гр> =(30,7 ·3,1)/(30,7·0,21+ 3,1·50·0,4) = 1,39 Ом
Расхождение между требуемым и расчетным сопротивлением заземлителя равно:
ΔR = R>тр>- R>гр> (4.22)
ΔR= 1,95-1,39 = 0,56 Ом
Уменьшим число заземлителей, принимая расстояние между ними а = 6 м, тогда n>в> = Р>к>/а = 154/6 = 26 шт.
R>гр> = (30,7·3,1) / (30,7·0,31+3,1·0,61·25) = 1,7 Ом
На рисунке 4.3 изображена схема расположения заземлителей. Расстояние между заземлителями а = 6 м, количество заземлителей n>в> = 26 шт. В качестве заземляющих проводников принимаем полосовую сталь сечением 48 мм2.

Рисунок 4.3 – Схема расположения заземляющего контура: 1 – заземлитель; 2 – магистраль заземления
4.5 Охрана окружающей среды
Самый главный экологический принцип, это здоровье общества, оно занимает первостепенное место во всем мире, что немаловажное значение имеет и в Республике Казахстан, а так же отражается в его основных законах. В 1997 году президентом РК Назарбаевым Н. А. был издан закон об «Охране окружающей среды». Принципами данного закона явились:
- Первостепенная значимость охрана здоровья населения от воздействия неблагоприятных факторов окружающей среды.
- Соблюдение требований природно-охранного законодательства и экологических стандартов.
- Предотвращение загрязнения поверхностных и грунтовых вод.
- Поддержание плодородия почв и устойчивое ведение хозяйства.
Комфортные и безопасные условия труда - один из основных факторов влияющих на производительность людей работающих с компьютерной техникой (все современные системы телекоммуникации управляются с помощью программ, т. е. с использованием компьютерных технологии).
Автоматизация труда с использованием компьютерных технологии требуют от людей постоянного повышения своей деловой квалификации, более глубоких знаний высоких технологии. Широкое распространение микроэлектроники, компьютеров, мощных средств автоматизированной обработки, высоко эффективных устройств ее хранения и поиска, современных средств связи и сетей электронно-вычислительных машин ставит перед специалистами работающих с ними вопрос о вредных воздействиях целой группы опасных факторов влияющих на окружающую среду, что существенно снижает производительность их труда и не безвредно для организма.
Свет и цвет лампы, шум в офисе, высота стула и все, что окружает специалистов в этой сферы может стать причиной ежедневных стрессовых состояний или снижения уровня работоспособности, действуя на работника на подсознательном уровне.
Огромное эмоциональное воздействие на человека могут оказывать цвета, которые его окружают. Правила рекомендуют подбирать окраску стен, потолка и мебели в зависимости от светопоглощающих или отражающих свойств различных цветов. Главное в цветовом решении офиса – мягкие, неконтрастные сочетания, без резких «кричащих» цветов.
Специалисты по эргономике (научная дисциплина, комплексно изучающая человека в его деятельности) рекомендуют не забывать золотое правило, соблюдение которого может уберечь от многих бед: свет должен падать сверху слева. В противном случае при работе нарушается правильное положение головы (результат – остеохондроз и близорукость).
Любая световая или шумовая вибрация – источник раздражения, приводящий человека в состояние повышенной возбудимости и нервозности, при котором вряд ли возможно выполнение ответственной работы. Мерцающая и дребезжащая лампа на потолке - верная гарантия постоянного стрессового состояния. Согласно нормам (Санитарные нормы 2.2.4/2.1.8.562-96 "Шумы на рабочих местах, в помещениях жилых, общественных зданий и на территории жилой застройки"), предполагается, что 50-60 децибел – предельный уровень шума для офисной работы (для сравнения: громкая речь 70 децибел). Любой более сильный шум начинает оказывать отрицательное воздействие. Поэтому дверная обивка, двойные двери, звукоизоляционные рамы и перегородки не излишества для офиса, а необходимость.
Помещение, где стоит компьютер оператора (диспетчера), должно быть просторным и хорошо освещенным, а также иметь кондиционер. Компьютер должен быть установлен так, чтобы за ним было легко и удобно работать. Стул – обязательно со спинкой и, желательно, с подлокотниками.
Монитор устанавливают на одном уровне глаз оператора, на расстоянии не менее 40 см. Можно снабдить монитор дополнительным приспособлением – держателем для документов “Curtis Clip” или “Сopy Holder”. С его помощью можно закрепить плакатный проект на одном уровне с монитором. В этом случае оператора не придется вертеть головой, переводя взгляд с лежащих на столе документов на экран и обратно.
Копировальные аппараты, принтеры и мониторы обладают неблагоприятным свойством образовывать вокруг себя электростатическое поле, которое притягивает пыль, вызывающую аллергию. Целесообразно рассредоточить эти аппараты на несколько метров друг от друга. Технические средства, используемые в работе оператора, размещают с учетом эргономических и санитарных норм. Монитор и особенно копировальные аппарат не должны находиться очень близко.
Чтобы предотвратить повышенную утомляемость, а так же рассеять излишнее электромагнитное излучение, необходимо проветривать помещение. При сидячей работе приток свежего воздуха должен быть не менее 30м3 в час. Благоприятные климатические условия на рабочем месте оператора могут быть обеспечены с помощью кондиционеров или вентиляционной установки с ионизированным воздухом.
Разрабатывая проект, необходимо было обратить внимание на одни из важных моментов необходимых в настоящее время при создании помещении такого типа, это соответствие данного операторской автозала экологическим нормам и требованиям.
В организациях, независимо от их профиля и форм собственности, должно предусматриваться занятие по экологии. Должностные лица и специалисты, связанные с деятельностью, оказывающей вредное воздействие на окружающую среду, обязаны иметь необходимую экологическую подготовку и обладать знанием основ законодательства об охране окружающей среды. Профессиональная экологическая подготовка руководителей и специалистов учитывается при их назначении на должность аттестации и переаттестации.
Основным вредным воздействием на природу и здоровье работников в области связи являются различные излучения. В помещении, где предполагается эксплуатация системы, основным источником электромагнитного излучения, электростатического и магнитного поля является ПЭВМ, оборудования телекоммуникации и системы передачи. Например монитор - устройство для визуального представления информации, хранимой в памяти ЭВМ. Мониторы на основе электронно-лучевых трубок являются источником нескольких видов электромагнитного излучения определенных диапазонов электромагнитного спектра. Реальная интенсивность каждого диапазона, частота и другие параметры зависят от технической реализации конкретного монитора, наличия экранирования и других факторов.
Возможные электромагнитные излучения и поля:
- рентгеновское излучение - возникает внутри электронно-лучевой трубки, когда разогнанные электроны тормозятся материалом экрана;
- оптические виды излучения - возникают при взаимодействии электронов и люминофора экрана;
- высокочастотные электромагнитные поля - связаны с частотой формирования элементов изображения, а также с интенсивностью электронного луча;
- низкочастотные электромагнитные поля - возникают в связи с потенциалом разгона и проводимостью поверхности экрана. [12]
Источником рентгеновских лучей внутри монитора является внутренняя флуоресцирующая поверхность экрана. Незначительное рентгеновское излучение регистрируется лишь на расстоянии нескольких миллиметров от поверхности экрана, на расстоянии же от экрана 30 - 40 см рентгеновское излучение не регистрируется.
Для защиты от вредного воздействия излучений возможно применение заземленных защитных экранов, значительно уменьшающих их интенсивность. Многие фирмы на данный момент производят компьютеры с защитными экранами, вмонтированными непосредственно в дисплей.
Кроме того, рекомендуется использовать мониторы, отвечающие спецификации MPR II, разработанной Шведским Национальным Советом по Измерениям и Тестированию. Спецификация определяет уровень электромагнитного излучения мониторов для двух полос частот: 5 Гц - 2 кГц и 2 - 400 кГц. Напряженность электрического поля в нижней полосе не должна превышать 25 В/м, в верхней - 2.5 В/м, соответственно напряженность магнитного поля 250 и 2.5 нТ [12].
Так же существует несколько правил, позволяющих обезопасить специалистов, которым в процессе работы приходится иметь дело с компьютерами:
Работники должны проводить за компьютерами не больше двух часов в день.
При работе за компьютером рекомендуется помещать монитор на расстоянии вытянутой руки от пользователя.
Необходимо устанавливать компьютер в углу помещении или в таком месте, где те, кто на нем работает, не оказывались бы сбоку или сзади от машины, так как многие измерения показали, что уровень излучения по бокам и сзади монитора выше, чем спереди.
Не оставлять монитор включенным, если он не используется.
Схема размещения рабочих мест должна учитывать расстояние между рабочими столами с мониторами (в направлении тыла поверхности одного монитора и экрана другого монитора), которое должно быть не менее 2,0 метров, а расстояние между боковыми поверхностями мониторов – не менее 1,2 метров.
Изучение и решение проблем, связанных с обеспечением здоровых и безопасных условий, в которых протекает труд и обучение человека - одна из наиболее важных задач в разработке новых технологий и систем производства. Изучение и выявление возможных причин производственных несчастных случаев, профессиональных заболеваний, аварий, взрывов, пожаров, и разработка мероприятий и требований, направленных на устранение этих причин позволяют создать безопасные и благоприятные условия для труда.
5. Технико-экономическое обоснование проекта
5.1 Капитальные вложения
Решения о капитальных вложениях – это решения долгосрочного характера и задача технико-экономического обоснования проекта состоит прежде всего в определении прибыли данного проекта и не только прибыли, но и эффективности, т.е. достижения максимального эффекта при заданных затратах или максимального эффекта при минимальных затратах [42].
Для определения суммы капитальных вложений сначала обеспечивается смета затрат на строительство объекта (его стоимость, монтажные работы, тестирование и др.).
В настоящее время существует множество поставщиков оборудования телекоммуникаций, поэтому при вложении средств на приобретение оборудования применяются тендеры.
Процедура формирования бюджета капитальных вложений включает:
- назначение ответственных лиц на организованный поиск будущих проектов;
- ежегодное выделение средств, как для одобренных проектов, так и для тех, которые могут появиться неожиданно;
- использование методов, учитывающих влияние времени, налогов, инфляции на приток денежных средств в будущем;
- использование показателей, позволяющих учесть степень риска, ассоциирующуюся с тем или иным проектом, а также проверка чувствительности оценочных показателей к изменению входных данных;
- документальное оформление данного проекта [43].
Организованная система контроля за расходованием бюджета, выделенного на проект, и притоком денежных средств при его реализации;
Проведение аудита на соответствие проекта тому, что получается в действительности.
Для расчета эффективности капитальных вложений необходимо рассчитать следующие технико-экономические показатели: капитальные затраты (инвестиции); эксплуатационные расходы; доходы; прибыль; чистую прибыль; рентабельность; срок окупаемости.
Для расчета капитальных затрат составляем смету на приобретение оборудования. В нашем случае требуется: узловая станция с емкостью 4096 портов (неукомплектованная станция на 2000 портов). Требуемые капитальные затраты приведены в таблице 5.1.
Таблица 5.1 - Расчет капитальных затрат (инвестиций)
|
№ |
Наименование |
Единица измерения |
Количество |
Цена за единицу (тенге) |
Сумма (тыс. тенге) |
|
1 |
2 |
3 |
4 |
5 |
|
|
1 |
Оборудования DX-500 ЖТ (4096) |
порты |
2000 |
12000 |
24000,0 |
|
4 |
Специальный программный продукт (60% от стоимости оборудования) |
% |
60 |
14400,0 |
|
|
5 |
Неучтенные затраты (10% от стоимости оборудования) |
% |
10 |
2400,0 |
|
|
6 |
Монтаж и тестирования (20% от стоимости оборудования) |
% |
20 |
4800,0 |
|
|
7 |
Транспортные расходы (10% от стоимости оборудования) |
% |
10 |
2400,0 |
|
|
Итого: |
48000,0 |
Таким образом, из таблицы 5.1 видно, что капитальные на создания центра администрирования и мониторинга составляет 48000,0 тыс.тенге.
5.2 Определение эксплуатационных затрат
Эксплуатационные затраты определяются по следующей формуле:
Сэкспл = Сфот + Ссоц.н + Смат + Сам + Снал + Сп + Сар.>К>> >(5.1)
Для внедрения проекта требуется штат в количестве 5 человек согласно нормативов расчета штата. Сведем фонд оплаты труда в таблицу 5.2.
Таблица 5.2 - Фонд оплаты труда
|
Наименование должности |
Разряд |
Количество |
Оклад в месяц (тенге) |
Сумма за год (тыс. тенге) |
|
Инженер программист системотехник |
12 |
1 |
50000 |
600,0 |
|
Инженер связи 1категории |
12 |
1 |
40000 |
480,0 |
|
Техник- администратор |
6 |
1 |
33000 |
396,0 |
|
Диспетчер |
5 |
2 |
28000 |
672,0 |
|
Итого: |
5 |
2148,0 |
1) Социальный налог (СН) – общегосударственный налог, ставка налога должна соответствовать Налоговому кодексу Республики Казахстан Социальный налог определяется по формуле:
СН=ФОТ*20/100% (5.2)
СН=2148,0*20/100% = 429,6 тыс. тенге
2) Электроэнергия. Расход электроэнергии рассчитывается исходя из мощности оборудования, продолжительности работы и тарифа за 1 кВт по формуле:
З = (W*t*Ц)*12 (5.3)
где W – мощность оборудования, t – время работы оборудования, Ц – тариф. Мощность станции DX-500 согласно документации 0,6 кВт. Время работы станции t = 24 часа, а в месяц t = 24*30 = 720 ч. тариф в Северо-Казахстанской области составляет Ц = 4,8 тг за 1 кВт;12 - количество месяцев в году.
З = (0,6*720*4,8)*12=2,07*12=24,84 тыс. тенге
3) Коммунальные услуги согласно договора в месяц равны 15 тыс. тенге.
В общем смысле по данной статье расходы составляют за год:
15000*12 =180,0 тыс. тенге в год
4) Материальные затраты (4% от выше перечисленных расходов). В нашем случае берем 111,30 тыс. тенге.
5) Амортизационные отчисления определяем как 4% от капитальных вложений:
А=48000,0*4% = 1920,0 тыс. тенге
6) Налоги в местный бюджет. В статьи прочих налогов входят: налог на транспорт, налог на землю и налог на имущество.
Налог на имущество (Н) взимается в размере 1% от остаточной стоимости ОПФ [44].
Вычислим остаточную стоимость (S) ОПФ. (Кап. вложения – амортизационные отчисления):
S=К-А (5.4)
S=48000,0 - 1920,0 = 46080,0 тыс.тенге
тогда налог на имущество будет:
Н = 46080,0 *1% = 460,8 тыс. тенге
Прочие расходы (командировочные, канцелярские и хозяйственные расходы и др.). Определяются как 4% от выше перечисленных расходов (в нашем случае 210,98 тыс. тенге).
Сведем эксплуатационные расходы в таблицу 5.3.
Таблица 5.3 - Эксплутационные расходы
|
№ |
Наименование статей затрат |
Единица измерения |
Затраты за месяц |
Затраты за год |
|
1 |
Фонд оплаты труда |
тыс. тенге |
179,0 |
2148,0 |
|
2 |
Отчисления на социальный налог |
тыс. тенге |
35,8 |
429,6 |
|
3 |
Покупные затраты (эл.энергия, ком.услуги и т.д.) |
тыс. тенге |
17,07 |
204,84 |
|
4 |
Материалы |
тыс. тенге |
9,28 |
111,30 |
|
5 |
Амортизационные отчисления |
тыс. тенге |
160,0 |
1920,0 |
|
6 |
Налог на имущество |
тыс. тенге |
38,4 |
460,8 |
|
8 |
Прочие расходы |
тыс. тенге |
17,58 |
210,98 |
|
Всего эксплутационных затрат за год |
тыс. тенге |
457,13 |
5485,52 |
5.3 Определение условных доходов
Проектируемая на ст. Петропавловск УАТС выполняет функцию только учрежденческую, поэтому при определении условных доходов принимаем, что капитальные затраты покрывается через доходы от основной деятельности (перевозки по Республике, транзитные перевозки, сдача в аренду каналов ВОЛС операторам и. т.д.).
Из-за отсутствия материалов по доходам от основной деятельности железнодорожного транспорта (данный сегмент железной дороги относиться к России), для упрощения расчетов будем считать доходы от основной деятельности - реализованных услуг (по сдаче цифровых каналов различным операторам).
Таблица 5.4 – Доходы
|
№ |
Виды доходов |
Количество |
Тариф с НДС в тыс. тенге |
Доходы в месяц тыс. тенге |
Доходы в год тыс. тенге |
|
1 |
Аренда каналов сторонними организациями |
10 |
250,0тенге х30дней х24х365 |
54750,0 |
657000,0 |
|
Всего: |
657000,0 |
Dо = 657000,0 тыс. тенге (в том числе НДС 90666,0 тыс. тенге);
Dо без НДС = 566334,0 тыс. тенге
5.4 Расчет срока окупаемости
Срока окупаемости определяется:
Т>кп> = К/ П> чист >(5.5)
где К – капитальные затраты. Прибыль определяется:
П = D >од> - Э (5.6)
где Э - эксплуатационные затраты. П = 566334,0 - 48000,0 = 518334,0 тыс. тенге. Подоходный налог с юридических лиц согласно Налогового Кодекса РК составляет 30% от прибыли (518334,0 * 30% = 155500,2 тыс. тенге). Чистая прибыль определяется по формуле:
П >чист> = П – Подоходный налог (5.7)
П >чист> =518334,0 - 155500,2 = 362833,8 тыс. тенге
Т >кп> =48000,0 / 362833,8 = 0,13 года
В таблице 5.5 приведены основные технико-экономические показатели. На рисунке 5.1 в графическом виде приведены технико-экономические показатели.
Таблица 5.5 – Технико-экономические показатели
|
№ |
Показатели |
Единица измерения |
Сумма |
|
1 |
Инвестиции |
тыс. тенге |
48000,0 |
|
2 |
Эксплуатационные затраты |
тыс. тенге |
5485,52 |
|
3 |
Доходы |
тыс. тенге |
657000,0 |
|
4 |
Чистая прибыль |
тыс. тенге |
362833,8 |
|
5 |
Окупаемость |
лет |
0,13 |

Рисунок 5.1 – Технико-экономические показатели
Заключение
При построении сетей общетехнологической связи железнодорожного транспорта стремятся не только предоставить основные услуги, свойственные и для аналоговых сетей, но также и реализовать новые функции, способствующие повышению эффективности сетей связи и удовлетворению требований пользователей этих сетей. На цифровой сети ОбТС происходят изменения в структуре, и в первую очередь – на нижнем уровне, где используются множество АТСЦ малой емкости, а для качественной работы всей сети в целом необходимо создать мощную систему администрирования и мониторинга.
Данный проект направлен на модернизацию существующей телефонной сети с аналоговым оборудованием на цифровую сеть с расширением, где рассматривается возможность создание центра администрирования и мониторинга, что позволит полностью качественное управление и мониторинг в конкретном участке сети.
Вывод: Реконструкция УАТС на ст. Петропавловск окупится через 1 год, Оборудования «МиниКом-DX-500ЖТ во много раз дешевле чем зарубежные аналоги, программы системы защищена с применением современных требовании, мало потребляет энергию и т.д.
Список литературы
1. Кодекс Республики Казахстан о налогах и других обязательных платежах в бюджет (Налоговый кодекс).
2. Закон о труде Республики Казахстан.
3. Закон о связи Республики Казахстан.
4. Закон о поддержке предпринимательской деятельности Республики Казахстан.
5. Закон Республики Казахстан о государственной поддержки прямых инвестиций (28.02.1997г.).
6. Лебединский А.К. Системы телефонной коммутации. - М.: Маршрут, 2003.
7. Материалы фирмы «Информтехника и связь». «МиниКом DX-500.ЖТ».
8. Оливер И. Сети и удаленный доступ. Протоколы, проблемы, решения. - М.: ДМК Пресс, 2002.
9. Гольдштейн Б.С. Протоколы в сетях связи. 3-е изд. Т. 1. - М.: Радио и связь, 2001.
10. Гольдштейн Б.С. Протоколы сети доступа. 2-е изд. Т.2. - М.: Радио и связь, 2001.
11. Мельников Д.А. Информационные процессы в компьютерных сетях. Протоколы, стандарты, интерфейсы, модели. - М.: КУДИЦ -ОБРАЗ, 1999.
12. О.Р. Ивановой Автоматическая коммутация. - М.: Радио и связь, 1988.
13. Атамкулов А.А. Транспорт в Казахстане, том 2.: Алматы, 2004.
14. ГОСТ 22348-77 «Единая автоматизированная сеть связи. Термины и определения» - М.: 1997.
15. Мирошников Д.Г. Оборудование высокоскоростного доступа в сеть. - Планета «Интернет», -1997.
16. Материалы МСЭ-Т 1990-1999.
17. Рекомендация G. 821. Характеристики ошибок в международном цифровом соединении, образуемом в цифровом соединении с интеграцией служб. - ITU – T.
18. Денисьева О.М., Мирошников Д.Г. Средства связи для «последней минии». - М.: Эко-Трендз, 1998.
19. Телекоммуникационные технологии. Под ред. В.М. Немчинова. – М.: МИФИ, 1997.
20. Слепов Н.Н. «Синхронные цифровые сети». - М.: Эко Трендз 1998.
21. Зайончсковский А.Н. Автоматические междугородние телефонные станции. - М.: “Радио и связь”, 1986.
22. Слепов Н.Н. Синхронные цифровые сети SDH. - М.: Эко-Трендз, 1997.
23. Болгов И.Ф. и др. Электронно-цифровые системы коммутации. - М.: Радио и Связь, 1995.
24. Голдштейн Б.С. Сигнализация в сетях связи. - М.: Радио и Связь, 1997.
25. Шехтман Л.И. Системы телекоммуникации проблемы и перспективы. - М.: Радио и Связь, 1995.
26. Росляков. В. Цифровая коммутация, Эко-Трендз Москва, 2001.
27. Петров В.Н. Информационные системы. – М.: Радио и связь, 1999.
28. Бунин Д.А., Хейн Д.Ш.. Аппаратура транспортной проводной связи. Справочник. 2-е изд. М.: Транспорт, 1981.
29. Унтило Н.Г. Методическое пособие по выполнению раздела дипломного проекта «Технико-экономическое обоснование». Казахский аграрный университет им. Сакена Сейфуллина, 2002.
30. Горелик М.А. Основы экономики предприятий телекоммуникаций. – М.: Радио и связь, 1997.
31. Оганезов Э.С., Кузнецова С.Э. Сборник методический указаний к выполнению курсовых проектов, курсовых и контрольных работ по экономическим дисциплинам для студентов очной и заочной форм обучения по специальности 380140 «Сети связи и системы коммутации». - К.: КарГТУ, 2004.
32. Долин П.А. Основы техники безопасности в электроустановках. - М.: Энергоатомиздат, 1984.
33. Баклашов Н.И., Китаев Н.Ж., Терехов Б.Д. Охрана труда на предприятиях связи и охрана окружающей среды. - М.: Энергоатомиздат, 1984.
34. Правила по охране труда при работах на телефонных станциях и телеграфах, утвержденных приказом АО «Казахтелеком» №298 от 11.12.2000.
Приложение А
Таблица А1 Средние значения параметров нагрузки
|
Количество жителей |
Категория источников |
||||
|
квартирный сектор |
деловой сектор |
Рр |
|||
|
Ск |
Тк, с |
Снх |
Тн, с |
||
|
При числе абонентов квартирного сектора свыше 65% |
|||||
|
От 100 до 500 тыс. чел. Свыше 500 тыс. чел. |
1,2 |
140 |
2,7 |
90 |
0,5 |
|
1,2 |
140 |
3,3 |
90 |
0,5 |
Таблица А2 Зависимость коэффициента η от коэффициента веса η
|
η>с>,% |
, % |
η>с>,% |
η, % |
|
0,5 1,0 1,5 2,0 2,5 3,0 3,5 4,0 4,5 5,0 5,5 6,0 |
16,0 18,0 18,7 19,0 19,2 19,4 19,7 20,0 20,2 20,4 20,7 21,0 |
6,5 7,0 7,5 8,0 8,5 9,0 9,5 10,0 10,5 11,0 12,0 13,0 |
21,7 22,6 23,5 24,3 25,1 25,8 26,4 27,4 27,6 28,6 30,0 31,5 |
Приложение Б
Таблица Б1 - Состав оборудования для разной конфигурации станции МиниКом DX-500 ЖТ
|
Емкость |
Плат АЛ |
Общие платы абонентского кластера |
Платы кластеров ИКМ |
Субмодули ИКМ |
Платы ЦКУ |
Количество блочных каркасов |
|
128 АЛ>А> 2хЕ1 |
4 |
1 |
- |
1 |
- |
1 (занимается половины каркаса) |
|
256 АЛ>А> 4хЕ1 |
8 |
2 |
- |
2 |
- |
1 |
|
512 АЛ>А> 12хЕ1 |
16 |
4 |
3 |
- |
2 |
2 |