Розрахунок усталеного процесу в електричному колі
1
Міністерство освіти і науки України
Вінницький національний технічний університет
Інститут автоматики, електроніки та комп’ютерних систем управління
Факультет ФЕЛТ
Кафедра електроніки
Розрахунково-графічне завдання
Вінниця 2009
Зміст
Умова завдання
Вступ
1. Розклад напруги в ряд Фур’є
2. Обрахунок параметрів електричного кола
3. Розрахунок параметрів кола на 1,2,3,4,5 гармоніці
4. Побудова графіків і(t), e(t)
5. Знаходження потужностей
6. Визначення передаточної функції
Висновки
Література
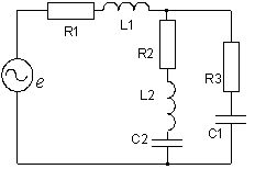
Умова завдання
За даними варіанту розрахувати усталений процес в електричному колі при дії на нього негармонійного сигналу ЕРС.
Дано:

R>1> = 8 Oм;L>1> = 16 · 10-3 Гн;С>1> = 10 · 10-6 Ф;
R>2> = 8 Ом;L>2> = 12 · 10-3 Гн;С>2> = 15 · 10-6 Ф;
R>3> = 14 Ом;

E>m> = 720 B;f = 200 Гц;
T = 1/fT = 0.005

Вступ
У даній роботі проведено розрахунок усталеного процесу в електричному колі при дії на нього негармонійного сигналу ЕРС.
Для отримання результатів, були використані методи розрахунку електричних кіл. А саме метод комплексних амплітуд, що призначений для розрахунку кола на першій і вищій гармоніках. Використано принцип суперпозиції, що струм в будь-якій вітці електричного кола, що викликаний одночасно дією кількох джерел енергії, що входять в склад цього кола дорівнює алгебраїчній сумі струмів в цій вітці, що викликані дією кожного з джерел енергії окремо.
Відповідно до принципу суперпозиції маємо:
I(t) = I(0) + I(1) + I(2) +…+I(n)
або
I(t) = I(0) + I>m>(1)> >sin(ωt + φ>i>(1)) + I>m>(2)sin(ωt + φ>i>(2)) +…+ I>m>(n)sin(ωt + φ>i>(n)).
Практично це означає, що проводиться розрахунок еквівалентного електричного кола по кожній гармоніці окремо, для цього всі інші ЕРС крім однієї (к-атої) вилучаємо і визначаємо шуканий струм І(k) при дії тільки цієї гармоніки, такі розрахунки проводимо по кожній гармоніці починаючи з нульової.
Закони Кірхгофа. Перший закон Кірхгофа використовується для вузлів. Відповідно до цього закону алгебраїчна сума миттєвих значень струмів віток, які підходять до вузла електричного кола, дорівнює нулеві
∑ І = 0.
Другий закон Кірхгофа використовується для контурів електричного кола.

Ця рівність виражає собою другий закон Кірхгофа, який формулюється так:
Алгебраїчна сума спадів напруг на всіх елементах замкненого контуру дорівнює алгебраїчній сумі електрорушійних сил цього самого контуру.
Метод вузлових напруг. Так як режим будь-якого електричного кола характеризується рівняннями, складеними за першим й другим законами Кірхгофа:
(q – 1) + n = (q – 1) + [p – (q – 1)] = p
рівнянь з p – невідомими струмами віток. За методом вузлових напруг кількість рівнянь можна скоротити до (q – 1). Отже, метод вузлових напруг (його ще називають метод вузлових потенціалів) найраціональніше використовувати для електричних схем з малою кількістю вузлів. Суть цього методу полягає в тому, що один вузол можна заземлити, від цього розподіл струмів у вітках не зміниться. Потенціал заземленого вузла стане дорівнювати нулеві.
Кількість невідомих у методі вузлових напруг дорівнює кількості рівнянь, які треба скласти для схеми за першим законом Кірхгофа (q – 1). Метод вузлових напруг, як і метод контурних струмів, є одним із основних розрахункових прийомів. В тому випадку, коли (q – 1) < n, цей метод є більш економічний, ніж метод контурних струмів, n – кількість незалежних контурів схеми.
Ще один метод – метод еквівалентного генератора. У будь-якій електричній схемі завжди можна виділити яку-небудь одну вітку, а іншу частину схеми незалежно від її структури й складності умовно зобразити прямокутником. Щодо виділеної вітки вся схема, позначена прямокутником, є двополюсником. Якщо двополюсник має джерела електроенергії, то його називають активним. Якщо у двополюснику немає джерел електричної енергії, то його називають пасивним.
Метод еквівалентного генератора застосовують тоді, коли треба визначити струм тільки в одній вітці складеної схеми чи проаналізувати значення при зміні параметра цієї вітки. Метод оснований на принципі накладання, тому його можна застосувати тільки для лінійних електричних кіл.
Оскільки розглянутий метод оснований на заміні активного двополюсника еквівалентним генератором, то його прийнято називати методом еквівалентного генератора, або методом активного двополюсника.
1. Розклад напруги в ряд Фур’є
=






































=
=


2. Розрахунок
параметрів електричного кола




;
;
;

;
;

;

;

;

;

;

;

;

;

;

;




















Комплексна схема.

3. Обрахунок параметрів кола на 1,2,3,4,5 гармоніці
Обчислимо 1-гармоніку







Обчислимо 2-гармоніку







Обчислимо 3-гармоніку







Обчислимо 4-гармоніку







Обчислимо 5-гармоніку









4. Знаходження потужності





















Висновки
В даній роботі було зроблено розрахунок лінійного кола при дії на нього періодичного несинусоїдного сигналу. Визначена повна та активна потужність яку споживає коло та параметри кола на k-ій гармоніці. Побудовано графіки струму і ЕРС з урахуванням п’яти гармонік. Визначена передаточна функція і побудовано графіки АЧХ і ФЧХ.
Література
1. Гоноровский И.С. Радиотехнические цепи и сигналы: Учебник для вузов. – M.: Радио и связь, 1986. - 512 с.
2. Зевеке Г.В., Ионкин П.А, Нетрушин А.В., Страхов С.В. Основы теории цепей: Учебник для вузов. – M.: Энергоатомиздат, 1989. - 528 с.
3. Малинівський С.М. Загальна електротехніка: Підручник. – Львів: Видавництво “Бескид Біт”, 2003. - 640 с.