Системи сигнализації
1
Анотація
В даному рефераті розглядаються принципи роботи та застосування охороної сигналізації.А саме принцип дії та способи установлення таких охороних датчиків,як ємнісних, інфрачервоних, звукових, радіопроменевих, периметрових, вібраційних. Пояснено принцип їхньої роботи та поради щодо їх застосування в залежності від особливостей охорони. Здійснено порівняння та аналіз приведених систем сигналізації.
Аннотация
В данном реферате рассматриваются принципы работы и применения охранной сигнализации.А именно принцип действия и способы установки таких охраных датчиков, как емкостных, инфракрасных, звуковых, радиолучевых, периметрових, вибрационных. Объяснен принцип их работы и совета относительно их применения в зависимости от особенностей охраны. Осуществлено сравнение и анализ приведенных систем сигнализации.
Annotation
In this abstract principles of work and application are examined guard signaling.Namely principle of action and methods of setting of such guard sensors, as capacity, infra-red, sound, radioradial, perimeter, vibration. Accounted for principle of their work and advice in relation to their application depending on the features of guard. Comparison and analysis of the resulted systems of signaling is carried out.
ВСТУП
Головне призначення охоронної системи (охоронній сигналізації) полягає в оперативному і гарантованому сповіщенні господарів або правоохоронні служби про несанкціоноване проникнення в приміщення, що охороняються. Рішення даної задачі можливе тільки при грамотному оснащенні об'єкту охорони сучасними високонадійними технічними засобами охоронної сигналізації.
Охоронна сигналізація може бути автономною – мета такої сигналізації відлякати зловмисників і оповістити сусідів із застосуванням могутніх сирен. Але найбільший ефект від охоронної сигналізації досягається при підключенні її на пульт позавідомчої охорони або на пульт централізованого спостереження приватного охоронного підприємства.
При використанні для передачі тривожних повідомлень GSM-систем можлива передача тривожних повідомлень на стільникові телефони власників об'єкту, що охороняється.Системи охоронної сигналізації своєчасно оповістять Вас про несанкціоноване проникнення на територію, що охороняється, і повідомлять про аварійні ситуації. Крім того, при проникненні всередину Вашого житла або офісу система може повідомити Вас про тривогу телефонним дзвінком на вказаний заздалегідь номер. Для знімання інформації служать датчики (інфрачервоні і радіохвильові датчики руху, магнітні датчики відкриття дверей і вікон, акустичні датчики розбиття скла, датчики удару і т.д.), а базовим блоком - контрольні панелі, на які зводиться вся інформація від датчиків. Якщо у Вас є домашня тварина, датчики руху можна налаштувати так, щоб вони не реагували на переміщення Вашого вихованця, але завжди надійно спрацьовували на появу людини. Правильно складена специфікація на сучасному комбінованому устаткуванні допоможе передбачити всі тривожні ситуації об'єкту, що охороняється, і забезпечить Ваше майно і персонал. Система за допомогою спеціальних датчиків може відстежити протіканя води і витік газу, і за заздалегідь введеною програмою віддати команду виконавчим пристроям комплексної системи управління і охорони на виконання тієї або іншої дії (перекрити кран, включити сирену і т.п.). Системи периметрової сигналізації беруть під охорону не тільки приміщення, але і прилеглу територію по периметру.
Цифрові комп'ютерні системи виводять на екран графічний план об'єкту, що охороняється, і стан кожного датчика. З комп'ютера можна також ставити систему на охорону і знімати з режиму охорону. Охоронна сигналізація в комплексі з системами теленагляду створять надійний щит від зловмисників і форс-мажорних ситуацій.
Системи будь-якої складності будуються на базі одних і тих же технічних пристроїв. При рішенні технічних завдань охорони в першу чергу необхідно вибрати основні параметри пристроїв, які забезпечать достатню надійність виконання покладених на них функцій. Система охоронна сигналізація фіксують факт несанкціонованого доступу на територію, що охороняється, передають сигнал тривоги, наприклад, на пульт охорони і включають виконуючі пристрої. Система охоронна сигналізація включають: датчики, пульт-концентратор, виконуючі пристрої.
Особливість датчиків для систем типу охоронна сигналізація полягає в тому, що вони реєструють, в основному, неелектричні величини. Вимірювання неелектричних величин - складне завдання і при цьому датчики повинні забезпечувати високу надійність і достовірність контролю. Датчик - чутливий елемент, що перетворює контрольований параметр в електричний сигнал. Надійність датчиків забезпечується, в основному, цифровими методами обробки сигналів. Датчики об'єднуються в зони. Під зоною розуміється один або декілька датчиків, що охороняють певний об'єкт або ділянку об'єкту.
У системах охоронної сигналізації використовуються датчики наступних типів: пасивні інфрачервоні датчики руху; датчики розбиття скла; активні інфрачервоні датчики руху і присутності; фотоелектричні датчики; мікрохвильові датчики; ультразвукові датчики; вібро-датчики; датчики температури; датчики наявності пари і газів; магнітні (герконові) датчики; шлейфи.
1.1.Аналіз охороних датчиків
Системи охороної сигналізації призначені для визначення факту несанкціонованого проникнення на територію, що охороняється, видачі сигналу тривоги на пульт охорони і включення виконавчих пристроїв (сирени, освітлення і т. д.). Системи охоронно-пожежної сигналізації включають контрольні панелі, оповіщувачі (датчики і детектори), виконавчі пристрої, пристрої сповіщення (сирени, дзвінки і т. п.) і джерела живлення.
Контрольна панель (приймально-контрольний прилад) — це центральний пристрій системи охоронної сигналізації, виконане на базі мікроконтролера, програма якого визначає всі функції системи. Контрольна панель може підключатися до комп'ютера для обробки і реєстрації сигналів тривоги, автоматичного аналізу стану датчиків і функціонування всієї системи. Контрольні панелі управляють виконавчими пристроями: включають сирену, прожектор, додзвонюються по телефонній лінії по заданому номеру.
Для реєстрації змін контрольованого параметра в системах охоронної сигналізації використовуються різні оповіщувачі [1] . Оповіщувач— це пристрій, що формує певний сигнал про зміну того або іншого контрольованого параметра навколишнього середовища. Оповіщувач можна умовно розділити на датчики і детектори. Тут під датчиками розумітимемо оповіщувачі, перетворюючі фізичні величини і характеристики (наприклад, тепло, світло, звук і т. п.) в електричний сигнал. Детекторами ж називатимемо оповіщувачі, включаючі в свій склад датчики, схему обробки сигналів і схему ухвалення рішення.
Прості оповіщувачі (датчики) виробляють аналогову обробку сигналів, що не завжди забезпечує необхідну надійність їх роботи. Підвищення надійності роботи датчиків забезпечується застосуванням цифрових методів обробки сигналів. За принципом дії оповіщувачі можна розділити на наступні типи:
- електроконтакти (фольга, дріт);
- магнітоконтактні;
- вібродатчики;
- ультразвукові;
- радіохвильові;
- фотоелектричні;
- детектори битого скла;
- пасивні і активні інфрачервоні детектори руху;
- комбіновані.
Датчики і детектори дозволяють контролювати частину об'єкту (об'їм, площина і т. п.), що охороняється, іменовану зоною.
Датчики електроконтактів призначені для реєстрації пошкоджень і руйнування конструкцій, на яких вони закріплені: скляного полотна вікон, дверей, стіклоблоків і т.д. в опалювальних і не опалювальних приміщеннях. Вони виготовляються з тонкої алюмінієвої фольги товщиною від 0, 008 до 0, 04 мм і шириною не більш 12, 5 мм. Фольга має клейовий шар. Іноді для тих же цілей замість фольги використовують тонкий дріт.
Магнітоконтактні датчики призначені для реєстрації відкриття дверей і вікон, на яких вони встановлені. Датчики бувають двох видів: для зовнішньої і скритної установки. Вони виконані на основі герконів, контакти яких замикаються або розмикаються при наближенні (видаленні) постійного магніта. Підключаються такі датчики до охоронних сигналізацій за допомогою дротяного шлейфу.
Вібродатчики призначені для виявлення навмисного пошкодження різних будівельних конструкцій: бетонних стін і перекриттів, цегляних стін, дерев'яних (рами і двері) і стельових покриттів, а також сейфів і металевих шаф. Принцип дії вібродатчиків заснований на п'єзоефекті або ефекті електромагнітної індукції, коли постійний магніт переміщається уздовж обмотки котушки і тим самим наводить в ній змінний струм. У вітчизняній і зарубіжній літературі залежно від технічної реалізації такі датчики називають електромагнітними, магніторезонансними.
Ультразвукові детектори призначені для охорони закритих приміщень і характеризуються високою чутливістю і низькою перешкодостійкістю. Дія їх заснована на інтерференції ультразвукових коливань. До складу ультразвукового детектора входять випромінювач і приймач. При закритих вікнах і дверях простір, контрольований детектором, обмежений, і в точці розташування приймача формується стійка інтерференційна картина. При проникненні якого-небудь об'єкту в приміщення стійкість інтерференційної картини порушується і формується сигнал тривоги.
Радіохвильові детектори призначені для реєстрації руху в контрольованій зоні. Принцип дії заснований на випромінюванні сигналу надвисокої частоти і прийомі відображеного сигналу, частота якого змінюється при русі порушника (ефект Доплера). Ці прилади використовуються для охорони закритих приміщень і периметрів.
Фотоелектричні датчики призначені для охорони внутрішнього і зовнішнього периметрів, безконтактного блокування прольотів, дверей, коридорів і т.п. Вони складаються з передавача і приймача, що рознесе уздовж лінії охорони, і використовують сигнал інфрачервоного діапазону з довжиною хвилі порядку 1 мкм.
Детектори битого скла призначені для реєстрації навмисного руйнування скляних конструкцій: вікон, вітрин і ін. Вони реагують на звук скла, що б'ється, і удару об скло, а також аналізують спектр звукових шумів в приміщенні, дозволяють безконтактно контролювати цілісність скла розміром більше 20х20 див.
1.2. Датчики розбиття скла

Рисунок 1- Датчик розбиття скла
Датчики розбиття скла (рис.1) реагують на дзвін скла, що б'ється. Найбільше| довершені моделі аналізують спектр звукових шумів в приміщенні [2]. Якщо спектр шуму містить складову, співпадаючу із спектром ушкоджуваного скла, то датчик спрацьовує. Один такий датчик може охороняти скляні вікна, вітрини і т.п., площею до 10 м. Двохпорогові датчики реєструють звук удару по склу і дзвін розбиваного скла. Для індикації тривоги такий датчик повинен зареєструвати два відповідні сигнали з інтервалом не більше 150 мс. Чутливість датчиків розбиття скла регулюється із застосуванням імітатора розбивання скла
1.3. Фотоелектричні датчик
Фотоелектричні датчики випромінюють і приймають відбитий сигнал інфрачервоного випромінювання з довжиною хвилі близько 1 мкм|. Вони використовуються у складі систем захисту внутрішнього і зовнішнього периметра для безконтактного блокування прольотів, дверей, ліфтів, отворів, коридорів і т.п. Їх відрізняє висока стійкість і надійність роботи [3]. Фотоелектричні датчики складаються з двох частин -- передавача і приймача. Вони розносяться уздовж лінії охорони. Між ними проходить система модульованих інфрачервоних променів (рис.2).

Рисунок 2- Фотоелектричні датчики
Датчики цього типа спрацьовують при спробі перетнути систему променів, відрізняються високою стійкістю і надійністю роботи. На рис.3 показані випадки перетини бар'єру, які розрізняються фотоелектричним датчиком. Найбільше| довершені моделі фотоелектричних датчиків можуть працювати автономно. Для цього вони оснащуються сонячними елементами, які заряджають акумуляторні батареї датчиків.

Рисунок 3- Варіанти спрацьовування бар'єрних датчиків
1.3.1. Активні променеві ІЧ-ДАТЧИКИ|
Променеві інфрачервоні системи звичайно складаються з передавача і приймача, що розташовується в зоні взаємної видимості. Такий датчик формує сигнал тривоги при перериванні променя, що потрапляє на фотоприймальний блок. Відмітна особливість активних променевих систем — можливість створення дуже вузької зони виявлення. Для підвищення стійкості і надійності датчики роблять багатопроменевими (звичайно використовують 2 або 4 незалежних променя).
Практично всі сучасні зарубіжні охоронні прилади об'єднують в загальному корпусі двопроменеву або чотирипроменеву систему [4]. На російському ринку широко представлені ІЧ-ПРОМЕНЕВІ| датчики фірм С&К, Visonic, Optex, Alarmcom і ін.
На блоки двопроменевого ІЧ-ДАТЧИКА| серії АХ фірми Optex (Японія). Блоки виконані в корпусах з удароміцного пластика, прозорого випромінювання. Чутливість датчика змінюється регулятором допустимого часу перекриття променів. Він дозволяє змінювати час спрацьовування 500 мс| (поволі людина, що йде) до 50 мс| (дуже швидко людина, що біжить). Двопроменеві датчики дозволяють перекривати зону заввишки 10-20 см і застосовуються в основному для організації сигнальних бар'єрів уздовж прямолінійних ділянок стін або дахів. Для організації бар'єрів заввишки більше 0,5 м застосовують багатопроменеві датчики.

Рисунок 4-Двопроменевої ІЧ-ДАТЧИК| серії АХ фірми Optex (Японії)
Фірма Radiovisor (Великобританія) випускає багатопроменеві датчики серії Perimbar, що вмонтовуються на грунті або на стіні. Система синхронізації Synclink дозволяє створити багатопроменевий бар'єр без міжпроменевої інтерференції. Висота збираних з модулів датчиків варіюється від півметра до декількох метрів. Усередині об'ємного металевого каркаса, під акриловими фільтрами, непрозорими для видимого світла, розташовуються приймачі і передавачі випромінювання, нагрівачі, термостат, а також блоки живлення, контролю і синхронізації. Жорстка конструкція стійок Perimbar дозволяє використовувати їх як опори для вуличних світильників (рис.5) і тим самим зробити датчики практично непомітними. Датчики працюють на довжині хвилі 0,88 мкм| і забезпечують дальність дії не менше 150 метрів.|
Прикладом сучасної «інтелектуальної» багатопроменевої системи є датчики серії Rayonet англійської фірми Integrated Design Ltd. У стійці заввишки 1,8 м розташовуються 8 або 12 оптичних модулів (моделі Rayonet 1000 і Rayonet 2000 відповідно), що дозволяє перекрити кожну зону охорони 4-мА| або 6-ма променями.
Рисунок 5- Багатопроменевої ІЧ-ДАТЧИК| Rayonet 2000 англійської фірми IDL
Сигнали всіх приймальних модулів обробляються вбудованим в стійку мікропроцесором. Паралельний аналіз сигналів перекриття променів на кожному з приймальних модулів дозволяє визначити сигнали, характерні для різних типів вторгнення (повзуча людина, що йде або біжить), а також відповідні геометричні параметри порушника (розмір, форма, швидкість руху). Мікропроцесор зберігає типові сигнали в пам'яті, дозволяючи виділити сигнал реального вторгнення на тлі перешкод (птахи, тварини, падаюче листя і т.п.). Комунікаційний порт RS485 дозволяє підключити кожну стійку до комп'ютера, що управляє, за допомогою якого проводиться збір сигналів тривоги, «навчання», а також діагностика і настройка датчиків.
1.3.2. Пасивні ІЧ-датчики
Такі «однопозиційні» системи є пасивними ІЧ-ДЕТЕКТОРИ|, які реєструють теплове випромінювання в діапазоні довжин хвиль приблизно від 8 до 14 мкм|. Вуличні ІЧ-ДАТЧИКИ| для охорони периметрів відрізняються високою перешкодозахисною до зовнішніх дій (електромагнітні поля, сонячне випромінювання, опади, перепади температур і т.п.).
Як приклад показані пасивні ІЧ-ДАТЧИКИ| серії ARK9130 фірми Arkonia (Англія), призначені для експлуатації в складних атмосферних умовах. Датчики виконані в жорстких металевих корпусах, герметизованих по нормах IP67. Піропріємникі датчиків серії ARK9130 містять чутливі елементи з танталату літію. Прецизійні лінзи виконані не з полімеру, звичайного для більшості пасивних ІЧ-ДАТЧИКІВ|, а з германію. Верхній з показаних на Мал. 10 датчиків дозволяє виявити людину на відстані не менше 100 м; нижній, з дальністю дії 15 м, призначений для перекриття «мертвої зони» верхнього датчика. Прилади серії ARK9130 розроблені відповідно до вимог міністерства оборони Великобританії і використовуються, зокрема, для охорони тимчасових стоянок авіаційної техніки.

Рисунок 6-Пасивні ІЧ-ДАТЧИКИ| серії ARK9130 фірми Arkonia (Англія)
Датчики серії ARK9130 відрізняються дуже низьким енергоспоживанням (140 мкА| при напрузі 5.1В). Це дозволяє об'єднати датчик з портативним радіопередавачем сигналів тривоги і використовувати його як бездротовий охоронний прилад, який можна при необхідності ефективно замаскувати. Специфічна особливість датчика — можливість визначення напряму руху порушника за допомогою диференціальної схеми пиропримника|. Диференціальний приймач дозволяє також реалізувати функцію компенсації перешкод від дощу, граду, туману і інших несприятливих зовнішніх дій.
Датчики серії ARK9130 випускаються в двох модифікаціях з релейними виходами і з інтерфейсом RS485 У обох версіях датчики дозволяють здійснювати проглядання останніх 10-ти тривожних подій, проводити тестування, а також дистанційне регулювання чутливості. Пасивні ІЧ-ДАТЧИКИ| для охорони периметрів випускають і інші зарубіжні компанії: Southwest Microwave (США), ALamcom (Швейцарія) і ін. Для всіх наибільш| довершених моделей характерні автоматична настройка параметрів, вбудований нагрівач, блоки цифрової пам'яті, інтерфейс RS485 і інші опції.
Для охорони внутрішніх приміщень найбільшого поширення набули пасивні ІЧ-ДАТЧИКИ| рухи (рис.7) і суміщені датчики типу пасивний + мікрохвильової (рис.8). Суміщені датчики відрізняє набагато вища надійність і стійкість до помилкових спрацьовувань.

Рисунок 7- Зовнішній вигляд пасивного датчика руху

Рисунок 8- Зовнішній вигляд дуального (комбінованого) датчика руху
Пасивні інфрачервоні датчики руху спрацьовують при попаданні рухомого об'єкту, випромінюючого тепло (наприклад, людини), в зону чутливості датчика. Датчики відрізняються, в основному, формою зони чутливості і стійкістю до помилкових спрацьовувань. Зона чутливості датчиків для систем охоронної сигналізації є сектором (90o-110o). У технічному описі датчиків приводяться діаграми, які наочно демонструють зони чутливості датчиків. Діаграма датчика може бути змінена. Відповідно до розташування датчика і особливостей плану приміщення зрадити діаграму можна використовуючи змінні лінзи Френеля або накладки, що додаються до датчика, які перекривають частину чутливого елементу датчика.
Недолік найпростіших і дешевших датчиків в тому, що вони спрацьовують при певній швидкості зміни теплового потоку. Наприклад, при включенні/виключенні батареї опалювання, на протязі, із-за нагріву сонцем певних поверхонь в приміщенні і т.д. датчик може спрацювати. Більш довершені (і дорожчі) датчики не мають цих недоліків. Їх надійність і стійкість до теплових перешкод забезпечується багатоканальними чутливими головками і складною обробкою сигналу в самому датчику. У простих моделях обробка сигналів проводиться аналоговими методами, а в складніших-цифровими, наприклад, за допомогою вбудованого процесора.
1.3.3. Інфрачервоні бар'єри
Інфрачервоні активні засоби захисту відрізняються від радіопроменевих засобів діапазоном частот і шириною діаграми спрямованості променів. Площа перетину променя систем значно менше, ніж у радіопроменевих систем. Для забезпечення надійного захисту периметра по висоті використовують так звані інфрачервоні бар'єри.
Інфрачервоні бар'єри будують із застосуванням активних інфрачервоних оповічувачів| з передавачами, що рознесли, і приймачами. Прикладом активних систем виявлення служать активні | оповічувачі| серії АХ і стійки серії REDNET RN фірми Optex і стійки Perimbar фірми Radiovisor. Принцип їх дії полягає в наступному. Передавач випромінює електромагнітний потік діапазону - невидимий промінь, який прямує у бік приймача. У відсутність перешкод на шляху променя приймач сприймає його і перетворить в електричний сигнал. Зміна інтенсивності променя, що приймається, при спробі його перетину детектує і аналізується процесором приймача [5].Для створення бар'єру групу передавачів і приймачів вбудовують в стійку, розміщуючи їх на різній висоті .
Для розділення каналів здійснюють синхронізацію кожного приймачів з відповідним передавачем. Вбудований процесор дозволяє аналізувати кожний з сигналів роздільно, групами або в довільній їх комбінації. Це дозволяє гнучко використовувати систему, як в плані логічного аналізу, так і в плані пристосування до місцевих умов. Якщо перетинається тільки нижній промінь, наприклад дрібною твариною, виникає стан передтривоги, але сигнал тривоги не формується. Подальший перетин другого променя вже викликає сигнал тривоги, так само як і одночасний перетин двох променів. Перехресна синхронізація приймачів і передавачів, розташованих на різній висоті, дозволяє обійти мертві зони, які утворюються із-за специфіки рельєфу

Рисунок 9-Прихована схема розміщеня
У стійках розміщують модулі передавачів, приймачів, синхронізатора, процесора, вторинних джерел живлення, коммунікатора|, термостата і локальних обігрівачів. Самі стійки (рис.9) виконують з міцних сплавів у формі імітуючої опори для світильників. Реально вони і служать такими опорами. У їх верхній частині кріплять світильники для освітлення території. Вікна для променів закривають темними пластиковими панелями, прозорими випромінювання. Конструкція панелей звичайно забезпечує пилезахисту електронних блоків по класу IP 65. бар'єри добре зарекомендували себе як засоби захисту другого рубежу (внутрішнього периметра об'єкту).
Інтенсивність світлового розсіювання багато в чому залежить від кута, під яким вимірюється розсіяне світло. Тому існують сповіщувачі, що використовують як пряме так і зворотне розсіювання. Димові сповіщувачі, засновані на принципі розсіювання світла, в основному виявляють видимі частинки білого кольору і, таким чином, підходять для тих типів пожежі, які характеризуються наявністю білого диму.
Вибір і обґрунтування структурної схеми системи охорони. Для вибору структурної схеми системи охорони необхідно насамперед поставити чітко технічне завдання.
При розробці пропонованого пристрою ставилася мета створити простий пристрій, що реагує на появу диму в приміщенні, що охороняється. Найкращих результатів досягають з комплектом промислових бар'єрних датчиків інфрачервоного випромінювання. При проведенні дослідів з вказаними пристроями було виявлено, що схема приймача має найбільшу чутливість до зміни оптичного середовища при подачі на випромінювач синусоїдальної напруги частотою близько 8 кГц.
1.4. Датчики ємностей
Датчики ємностей реагують на самі різні речовини - тверді і рідкі, метали і діелектрики. Їх використовують, наприклад, для безконтактного контролю заповнення резервуарів рідинами і сипкими матеріалами, позиціонування і рахунку різних предметів, охорони об'єктів. У пропонованій статті розказано про принцип дії безконтактних датчиків, приведені схеми, придатні для практичного втілення і використання.
Безконтактні датчики, що випускаються багатьма вітчизняними і зарубіжними фірмами, діють за "конденсаторним" принципом, реагуючи на викликане появою в чутливій зоні стороннього об'єкту зміна відносної діелектричної проникності навколишнього середовища [6]. Типовий датчик з діаметром чутливої поверхні 60 мм фіксує на відстані 40 мм "стандартну мету" .
Чутливий елемент безконтактного датчика місткості є конденсатором з обкладаннями, розгорненими в одну площину, як показано на рис.4. Залежно від наявності або відсутності стороннього предмету змінюється середня діелектрична проникність навколишнього обкладання середовища і, отже, місткість конденсатора. Останній служить частотозадающим| елементом автогенератора. Наявний в датчику пороговий пристрій стежить за амплітудою або частотою коливань, при їх зміні приводячи в дію виконавчий вузол.
Рисунок 10-Конденсатор
У багатьох датчиках місткостей частоту генератора вибирають рівною декільком мегагерцам. Генератори будують на дискретних транзисторах, число яких досягає п'яти. Проте, достатньо чутливий до зміни місткості генератор, що працює на частотах в сотні кілогерц, можна побудувати і всього на одному ОУ| середнього класу.
1.5. Ультразвукові датчики, радари
Робота багатьох систем охоронної сигналізації заснована на дуже простому принципі: у приміщенні, що охороняється, у неурочний час не повинно бути ніякого руху. Щоб виявити його, приміщення "заповнюють" випромінюванням — найчастіше радіо| або акустичним. Багато разів відобразившись від стін і предметів, що знаходяться в приміщенні, промені досягають приймача [7]. Будь-яка зміна обстановки викличе модуляцію прийнятого сигналу, що і зафіксує датчик.
В
икористання
ультразвука - це ще один напрям в розробках
"Детекторів Близькості". На
(рис.11)показано, як працює такий пристрій.
У верхній частині малюнка зображена
можлива конфігурація, коли передавач
і приймач ультразвука знаходиться
напроти один одного. Поки ніщо не заважає
ультразвуку повною мірою досягати
приймача, схема знаходиться у очікуванні.
А перешкодити цьому може якраз порушник,
що знаходиться між випромінювачем і
приймачем.
Рисунок 11 - Детектор близькості
Подібний пристрій здатний забезпечити вельми високий рівень надійності. Адже будь-яке зниження рівня сигналу від передавача або пажі припинення його роботи взагалі розцінюватиметься ланцюгами приймача як небезпека. Вищенаведені приклади можуть виникнути просто при виведенні передавача з ладу.
У нижній частині малюнка зображене інше ефективне розташування приймача і передавача. В цьому випадку ультразвук відображається від віднесеного на відстань твердого предмету і поступає на приймач. Сигнал, що випромінюється передавачем, повинен бути достатньо могутнім. Природно, всякий об'єкт, що встав на шляху звуку, викличе сигнал тривоги.
Можливий інший шлях роботи пристрою. В цьому випадку звук досягає приймача, тільки відобразившись від грабіжника, що знаходиться поблизу від передавача і приймача.
Всі описані способи хороші, так що вибирайте один з них, який краще всього підходить до ваших умов.
При установці ультразвукової сигналізації слід дотримувати декілька чітких установок.
1. Не розмішайте її в зоні, де працює кондиціонер в режимі нагнітання повітря. Інакше сигналізація спрацьовуватиме всякий раз при його перемиканні.
2. Не залишайте поблизу ніяких предметів, які можуть із-за протягу потрапити в промінь передавача.
3. Не намагайтеся використовувати систему на вулиці або в приміщенні, де постійно відкриваються вікна і двері.
4. Якщо звіри або птахи - постійні мешканці тієї території, де ви збираєтеся застосувати таку сигналізацію, то тут вона неприйнятна.
Як вже мовилося вище, можна так розташувати передавач і приймач, що останній сприйматиме звук, відбитий від якої-небудь твердої поверхні. Це може бути вікно або двері. Одяг людини погано відображає і, навпаки, добре поглинає ультразвук. Коли хто-небудь перетне один з променів, сигналізація спрацює. Якщо під охороною знаходилися двері, то пристрій зреагує, коли їх відкриють.
Випромінювач передавача і ультразвуковий датчик приймача розташовують на відстані не більше 5 см один від одного, при цьому пристрій здатний "відмітити" людину або який-небудь об'єкт в декількох сантиметрах від нього. Де б ви не встановлювали своє творіння, не забувайте про наступне: не слідує настраи-ваться| на максимальну чутливість і використовувати пристрій в несприятливих навколишніх умовах.
2.1. Виконавчі пристрої
Виконавчі пристрої призначені для передачі інформації користувачу або компетентним органам про спрацьовування системи охорони шляхом подачі звукового і (або) світлового сигналів або шляхом автоматичного дозвону по телефонній лінії зв'язку до наперед певних абонентів, а також для управління різними механізмами, що забезпечують посилення безпеки [8].
До виконавчих пристроїв відносяться лампи зовнішнього освітлення, прожектори, стробоскопи, сирени, автодозвонщики, блоки електромагнітних реле, електрозамки і т.п.
Прожектори, лампи зовнішнього освітлення і стробоскопи освітлюють територію, що охороняється, і включаються у разі спрацьовування сигналізації, привертаючи увагу оточуючих. Яскравий спалах стробоскопа в темний час доби або в погано освітленому приміщенні може приголомшити злочинця і на деякий час вивести його з ладу.
Сирени або ревуни видають гучний звуковий сигнал потужністю до 130 дБ, який може бути почутий на відстані декількох сотень метрів. Сирени мають різне оформлення і розміри, деякі з них обладнані автономним джерелом живлення. Тривалість звучання сирени може бути різною і встановлюється за бажанням користувача.
2.2. Системи обмеження доступу
Системи обмеження доступу призначені для автоматизованого допуску в приміщення тільки тих користувачів, яким дозволені відвідини даного приміщення. Вони засновані на використовуванні апаратно-програмних засобів, що управляють пересуванням людей і транспорту через контрольовані точки проходу [9]. Це можуть бути невеликі системи, на 1—3 двері, або системи, контролюючі переміщення декількох тисяч чоловік. Ідентифікація користувача відбувається за допомогою пред'явлення електронної або магнітної картки або шляхом введення певного цифрового коду. Система обмеження доступу включає считивателі і контроллери. Крім того, до систем обмеження доступу можна віднести і аудіодомофонні системи з дистанційним відкриттям дверей.
2.3. Пульт-концентратор
Пульт-концентратор - центральний пристрій системи охоронної сигналізації. Він виконується на базі мікропроцесора. Всі функції системи визначаються програмою мікропроцесора. Параметри програми задає користувач, залежно від його повноважень, із спеціального пульта. Пульти-концентратори можуть підключатися до персональних ЕОМ для обробки і реєстрації сигналів тривоги, автоматичного аналізу стану датчиків і функціонування всієї системи.
Пульти-концентратори можуть приймати і передавати повідомлення по телефонній мережі через комунікаційний модуль в автоматичному режимі.Більшість систем охоронної сигналізації доповнюються датчиками пожежної безпеки. Найбільш розвинені системи можуть включати інші підсистеми і доповнюватися, наприклад, пультами дистанційного керування.
2.4. Кабельні вібраційні системи
У таких системах використовують сенсори у формі кабелів . У деяких системах використовують пристосовані елементи (реальні кабелі, що випускаються промисловістю для інших цілей). У інших системах використовують сенсорні кабелі, спеціально розроблені для цілей охоронної сигналізації.
Різниця між пристосованими і спеціально розробленими сенсорами очевидна. У пристосованих елементах для виявлення вібрацій використовуються, як правило, паразитні ефекти і явища, які виробники прагнуть понизити при виробництві продукції для її основного призначення. Подібні ефекти не контролюються при виробництві і не нормуються при випуску продукції. Вони слабкі і практично завжди носять випадковий характер. При використанні пристосованих виробів як сенсори важко чекати стабільності параметрів хорошого відношення сигналу до шуму в системі. При виробництві спеціально розроблених сенсорів їх сенсорні властивості відносять до основних властивостей продукції і стежать за підтримкою високих значень чутливості і стабільності відповідних параметрів. Тому очікувана стабільність і надійність систем із спеціально розробленим сенсором завжди вище, ніж у систем з пристосованим сенсором.
На показане перетин багатожильного телефонного кабелю. Під впливом вібрації відбувається мікродеформація кабелю, і ізольовані провідники труться один об одного. В результаті на ізоляції наводиться об'ємний заряд, і на провідниках утворюється різниця потенціалів (трибоэффект|). Дешевий телефонний багатожильний кабель часто використовують як сенсор для вібраційної системи сигналізації. Це типовий приклад застосування як сенсор пристосованого кабелю. Не дивлячись на безліч недоліків, властивих таким системам, вони продовжують випускатися в нашій країні (системи "Арал", "Дельфін-М", "ДЕЛЬФІН-МП|", "Багульник" і ін.) і за кордоном ("FlexiguardTM" фірми Advance Perimeter System , "Intelli Flex" фірми Senstar-Stellar ).

Рисунок 12- Трібоеффект в багатожильному кабелі
За кордоном поширені системи з використанням спеціально розроблених коаксіальних сенсорних кабелів. Конструкція сенсорного кабелю IntrepidTM, що випускається фірмою SouthwestMicrowave. Два чутливі провідники вільно розміщуються в спеціальних поглибленнях в діелектриці усередині коаксіального кабелю, в якому створюється поле між центральним провідником і екраном(приймально-контрольну панель (рис.13) При зсуві тіла кабелю під впливом вібрації чутливі провідники, що володіють масою, залишаються на місці. Вони виявляються під впливом електричного поля, що змінюється, пов'язаного із зсувом тіла кабелю, і утворюється різниця потенціалів, яка сприймається аналізатором. Подібні сенсори відносяться до активних сенсорів, оскільки самі не генерують сигнал, а вимагають зовнішнього джерела сигналу або поля. Відношення сигналу до шуму і стабільність параметрів у подібних систем вище, ніж у систем, заснованих на трибоэффекті|.

Рисунок 13- Електростатичний сенсор вібрацій
Волоконно-оптичний кабель використовують як сенсор вібрацій як в Росії (наприклад, система "Ворон"), так і за кордоном ("IntelliField" фірми Senstar-Stellar , SouthwestMicrowave і ін.). Конструкція волоконно-оптичного кабелю показана на рис.13.

Рисунок 14- Волоконно-оптичний сенсор вібрацій:
а) конструкція кабелю; б) розповсюдження випромінювання
На рис.14 цифрою 1 позначений промінь інфрачервоного випромінювання, що зазнає повне внутрішнє віддзеркалення від внутрішніх стінок волокна і що розповсюджується в ньому практично без втрат. Так розповсюджується промінь по оптоволоконному кабелю у відсутність вібрацій. При дії на оптоволокно| вібрацій в крапці А виникає сила F, яка приводить до деформації оптоволокна|. Промінь 2, відобразившись від стінки в крапці А, падає на протилежну стінку під меншим кутом падіння. Відбувається розщеплювання променя, і він відображається <не повністю. Частина його енергії виходить за межі волокна і втрачається. При подальшому проходженні променя по оптоволокну| втрати збільшуються з кожним новим віддзеркаленням [10]. В результаті спостерігається ослаблення вихідного сигналу, що і фіксує аналізатор. Гідність волоконно-оптичних сенсорів полягає в нечутливості їх до змінних магнітних і електромагнітних полів, а недоліки пов'язані з тим, що вони є пристосованими сенсорами.
На рис.15 показана конструкція електродинамічного сенсорного кабелю альфи, спеціально розробленого фірмою Geoquip для виявлення вібрацій при захисті периметрів . У захисній оболонці кабелю розміщені два полімерні магніти. У їх магнітних зазорах укладені фторопластові трубки, в яких вільно переміщаються рухомі чутливі провідники. Для зменшення тертя трубки зсередини змащують силіконовим мастилом. При зсуві тіла кабелю під впливом вібрації переміщаються магніти, а провідники залишаються на місці, оскільки володіють масою. Під дією змінного магнітного поля в провідниках виникає електричний струм, який сприймається аналізатором. Цей сенсор є пасивним. Він не вимагає зовнішнього джерела електричної енергії, а сам генерує електричний струм. Чутливість електродинамічного сенсора дуже висока. Вона соізмеріма| з чутливістю капсуля мікрофону. Ці сенсори відрізняються високою стабільністю параметрів і забезпечують високе відношення сигналу до шуму, приведеного до входу аналізатора.

Рисунок 15- Електродинамічний сенсор вібрацій
Кабельні вібраційні сенсори звичайно кріплять безпосередньо до конструкцій огорожі. Загальні принципи монтажу кабельних систем приблизно однакові. Вони показані на рис.15-16.
Рисунок 16- Кріплення аналізатора до огорожі
Рисунок 17- Сполучення зон охоронної сигналізації периметра
Всі лінійні модулі кабельної системи (аналізатори, кінцеві коробки, сполучні коробки і ін.) кріплять безпосередньо до огорожі за допомогою гвинтів і планок. Сенсорний кабель кріплять до огорожі пластиковими стягуваннями, стійкими до ультрафіолетового випромінювання, через кожні 200 мм. Сигнальні кабелі кріплять до огорожі такими ж стягуваннями. До аналізатора кабелі підводяться знизу через герметичні введення. Корпус аналізатора заземляють, для чого використовують заземлювач|, який забивають в землю. У районах з невеликою висотою сніжного покриву сенсорний кабель звичайно прокладають по середній лінії огорожі. У північних районах рекомендується прокладати кабель на висоті до 1,5 м від рівня землі.
Одне з достоїнств кабельних вібраційних систем полягає в тому, що сенсорним кабелем можуть бути захищені ворота і хвіртки, що потрапляють в зону охорони. Для цієї мети використовують комплект для підключення сенсора до воріт, а на стулках воріт або хвіртки кріплять петлю сенсора. Один кінець петлі сенсора на стулці воріт за допомогою цього комплекту електрично з'єднується з сенсорним кабелем, прикріпленим до огорожі. Інший кінець петлі підключається до фидерному| кабелю, який пропускається під воротами по обвідній трубі і за допомогою другого комплекту підключається до петлі сенсора на другій стулці воріт. Петля сенсора на другій стулці воріт, у свою чергу, підключається до сенсора, прикріпленого до огорожі вже по іншу сторону воріт. Так утворюється безперервний ланцюг охоронної сигналізації в зоні.
Якщо потрібно відключити ворота від зони охорони, використовують перемикач обходу комір, який містить дистанційно керовані комутаційні ланцюги, що дозволяють виключити петлі сенсора на воротях із загального ланцюга охоронної сигналізації. У денний час, коли воротами користуються часто, їх відключають від системи охоронної сигналізації периметра, перекладаючи контроль воріт на систему контролю і управління доступом і систему телевізійного спостереження. У нічний час коміра знов включають в загальний ланцюг охоронної сигналізації периметра. Важливо відзначити, що система працюватиме ефективно, якщо механічні властивості воріт і огорожі ідентичні. Це відбувається у разі, коли вони виготовлені з однакового матеріалу і конструкції їх схожі. Слід врахувати, що щоб уникнути помилкових спрацьовувань системи від вібрацій, які можуть відбуватися при відкритті і закритті воріт, підключення петель сенсора на воротях до сенсорів на огорожі проводять на деякому видаленні від стійок воріт. Щоб зберегти однорідність чутливості системи на стиках окремих зон охоронної сигналізації, в місцях сполучення утворюють додаткові петлі сенсора,
Розглянуті кабельні вібраційні системи прості, не вимагають зони відчуження і зручні в монтажі. Вони широко використовуються для захисту периметра найрізноманітніших об'єктів: об'єктів, що особливо охороняються, промислових підприємств, електростанцій, посольств, приватних володінь. Більшість з них успішно діє в самих різних кліматичних умовах. |Надійна робота вібраційних систем з використанням сенсорних кабелів можлива лише при виконанні декількох обов'язкових умов: механічні властивості огорожі повинні забезпечувати розповсюдження механічних коливань; ці властивості повинні бути однорідні в межах зони охорони; властивості вживаної системи повинні бути такими, що сполучаються з властивостями огорожі; огорожа не повинна служити джерелом випадкових вібрацій. Остання умова означає, що огорожа повинна бути справною; сітчаста огорожа - туго натягнутої; з огорожі повинні бути видалені всі сторонні предмети, які під дією вітру можуть викликати вібрації (у тому числі і гілки дерев і чагарника, які можуть стосуватися огорожі). Очевидно, що висота огорожі повинна бути такий, щоб її неможливо було подолати без торкання.
2.5. Радіохвильові системи
Принцип дії радіохвильових систем полягає в наступному. На деякій відстані паралельно один одному прокладаються два кабелі (дві антени) спеціальної конструкції, наприклад, показаної на рис.19 а. Зазори між розрідженими дротами "екрану" своєрідного коаксіального кабелю утворюють щілинну антену. Один з кабелів служить передавальною антеною, інший - приймальною антеною. При збудженні першої антени високочастотними коливаннями вона починає випромінювати електромагнітне поле, що сприймається другою антеною. При цьому приймач, підключений до приймальної антени, приймає сигнал. Якщо в околиці двох антен з'являється тіло певного об'єму з діелектричною або магнітною проникністю, відмінною від проникності вільного простору, електромагнітне поле, що сприймається приймальною антеною, спотворюється (змінюється його амплітуда і фаза). Ця зміна детектує і аналізується приймачем-аналізатором. Якщо аналізований сигнал перевищує порогове значення, формується сигнал тривоги.
Розподіл електричної складової (Е) електромагнітного поля в околиці кабелів показаний на рис.19 Зона чутливості по модулю подібної системи в поперечному перетині кабелів приймає форму спотвореного еліпса з полюсами, співпадаючими з положеннями кабелів. Максимальна чутливість системи лежить в площині, перпендикулярній площині розташування кабелів, співпадаючій з центральною віссю. Мінімальна чутливості системи знаходиться в площині розташування кабелів.

Рисунок 18- "Кабель витікаючої хвилі" - щілинна антена:
а) конструкція кабелю;
б) розподіл складової Е електромагнітного поля
При реалізації охоронних радіохвильових систем кабелі розташовують скритно в стіні або огорожі у вертикальній площині (рис.19 а); у землі в горизонтальній площині (рис.19 б); або в площині, похилої (один кабель в землі, інший - в огорожі).

Рисунок 19- Розташування кабелів радіохвильової охоронної системи:
а) у огорожі;
б) у землі
Реальна картина розподілу зони чутливості, звичайно, відрізняється від картин, зображених на рис.19. Поле спочатку спотворюється із-за впливу матеріалу огорожі і шару землі. Для зменшення впливу цих матеріалів на зону чутливості, особливо з урахуванням сезонних і погодних змін властивостей матеріалів, кабелі укладають в порожнисті труби, щоб стабілізувати умови в самій ближній до кабелів зоні. Подібні системи настроюють так, щоб зона чутливості при укладанні кабелів в землі доходила до зростання людини, що йде (1,5-1,8 м). Відстань між кабелями в цьому випадку лежить в межах двух-трох| метрів.
Радіохвильові системи вимагають зони відчуження, оскільки зона їх чутливості виходить за межі лінії огорожі Сигнал тривоги може викликати і перехожий, що йде по стежині уздовж огорожі, захищеною радіохвильовою системою, і поливна машина або вантажівка з металобрухтом, що проїжджає по дорозі в десяти-пятнадцати| метрах від огорожі [11]. При розташуванні кабелів в горизонтальній площині (у землі) вплив проїжджаючого транспорту знижується, оскільки він потрапляє в зону мінімальної чутливості системи. Конфігурація лінії периметра і перепади висот не роблять впливу на властивості радіохвильових систем. Щоб уникнути утворення мертвих зон кабелі суміжних зон охорони розміщують з деяким перекриттям (2-5 м) в подовжньому напрямі.
2.6. Радіопроменеві системи
Радіопроменеві системи містять передавачі і приймачі з вузьконаправленими антенами. Використовуваний діапазон частот звичайно лежить в межах від 10 до 40 ГГц. Перетин радіопроменя в горизонтальній (а) і вертикальній (б) площинах показаний на Мал. 13. Робочою зоною радіопроменевих систем вважають зону на ділянці ВС|. На ділянці АВ| промінь дуже вузький, і його можна обійти. На ділянці З площа поперечного перетину променя дуже велика в порівнянні з площею потенційного порушника, і що виявляє здатність системи виявляється зниженою. В той же час, наявність променя на достатньо протяжній ділянці CD за межами робочої зони накладає серйозні обмеження на мінімальні розміри зони відчуження. При використанні одиночних суміщених передавачів приймача типу радіолокаторів зона відчуження повинна перевищувати розміри ділянки CD. При тому, що розноситься приймача 2 і передавача 1 по різні кінці зони (рис.20 а) вимоги, що охороняється, до зони відчуження знижуються, але все таки залишаються із-за наявності мертвих зон поблизу передавача і приймача (рис 20 б). Фактично робоча зона поміщена між крапками В і B1, а ділянки АВ| і B1A1 виходять за межі зони, що охороняється [12]. Вони можуть бути віднесені до зон відчуження. Мертві зони утворюються і від затінювання радіопроменя складками місцевості і сторонніми предметами, розташованими на лінії охорони (рис 21 в).

Рисунок 20- Радіопроменева система
Р
исунок
21-Радіопроменева система
а) форма діаграм спрямованості приймальної і передавальної антен в горизонтальній площині;
б) мертві зони, пов'язані з діаграмою спрямованості антен у вертикальній площині;
в) мертві зони, пов'язані з нерівностями грунту і наявністю сторонніх предметів
Радіопроменеві системи найчастіше використовують для контролю протяжних прямолінійних ділянок, коли є досить вільного простору для винесення приймачів і передавачів за межі зон, що охороняються. Радіопроменеві засоби виявлення, як правило, застосовуються одночасно з іншими засобами, які дозволяють закрити властиві радіопроменевим системам мертві зони.
2.7. Геофонні системи
Геофони - це сейсмічні датчики (сенсори), широко використовувані в геології для каратажа|, при якому реєструються коливання грунту від хвиль звукового діапазону частот, збуджених на поверхні землі, і відбитих від порід, що залягають на різних глибинах під землею. Геофони володіють надзвичайно високою чутливістю. Їх чутливість залежить від напряму джерела коливань. Максимальна чутливість спостерігається у вертикальному напрямі (уздовж осі датчика), мінімальна чутливість - в перпендикулярному до осі напрямі. Цю їх особливість враховують при проектуванні і монтажі систем охоронної сигналізації.
Розглянемо два характерні приклади застосування геофонних| датчиків в системах охоронної сигналізації периметра. Перша з систем - це система Geonet 651 серії М фірми SouthWest Micriwave. Геофони, встановлені в захисних корпусах, кріплять у вертикальному положенні безпосередньо до металевої огорожі на відстані приблизно 6 м один від одного. При спробі подолання огорожі порушником в ній виникають вібрації, які перетворяться геофоном в електричний сигнал (частотний діапазон 800-5000 Гц). Цей сигнал поступає в процесор 651, де піддається обробці, детектуванню і аналізу. Якщо сигнал, що детектує, перевищує порогове значення, формується сигнал тривоги. Вертикальне розташування геофону на огорожі дозволяє понизити рівень перешкод, викликаних природними явищами, наприклад, вітром. Вітер приводить до горизонтальних коливань огорожі, чутливість до яких у геофону мінімальна. |Типовий склад системи наступний. Шість геофонів, об'єднаних в два геофонні| ланцюги, обслуговуються одним процесором (Geonet M-series processor). Геофони кріпляться безпосередньо до огорожі стягуваннями з неіржавіючого дроту на відстані б м один від одного, перекриваючи ділянку завдовжки приблизно 36 м. Об'єднання дев'яти подібних ділянок дозволяє утворити зону охорони, протяжністю до 300 м. Сигнал від процесора поступає в приймально-контрольну панель (ICU controller). Інформація з панелі може бути відображена на дисплеї, роздрукована на принтері або передана по каналу зв'язку.
Основним середовищем розповсюдження вібрацій, що детектують, для системи служить сама металева огорожа, в якій коливання затухають значно слабкіше, ніж в землі. Тому у разі використання цієї системи для охоронної сигналізації периметра зона відчуження не потрібна, оскільки коливання, що викликають сигнал тривоги, виникають лише при безпосередньому контакті порушника з огорожею [13].
Іншу систему Psicon випускає англійська фірма Geoquip Ltd. Ця система призначена для установки в підставі масивної огорожі, виконаної з цеглини, природного каменя або бетону. Геофони замуровують в огорожу і сполучають їх кабелями з аналізаторами, в яких відбувається обробка, детектування сигналу і формування сигналу тривоги. У системі Psicon проводиться тривимірна обробка сигналу, що приймається, і його порівняння із зразками "небезпечних" і "безпечних" сигналів, що зберігаються в архіві системи. При настройці цієї системи здійснюють імітацію небезпечних і безпечних дій і доповнюють архів новими зразками сигналів, одержаних в конкретних реальних умовах. Середовищем розповсюдження коливань є огорожа, її фундамент і земля поблизу фундаменту, і зона відчуження при використанні такої системи бажана. При сезонних і погодних змінах параметрів землі потрібна додаткова настройка системи.
2.8. Сучасні системи охорони периметрів
Система охорони периметра завжди є першим технічним рубежем захисту об'єкту; надійність і ефективність цього рубежу дуже важлива для раннього виявлення порушника. Для периметральних| систем характерний різноманітність фізичних принципів, на яких базується робота охоронних датчиків, тому спектр охоронних систем, що випускаються, вельми широкий. Принцип дії всіх систем заснований на тому, що порушник, що перетинає периметр, створює обурення певних фізичних параметрів середовища, які реєструються спеціальними датчиками. Сигнали датчиків обробляються електронним блоком (аналізатором або процесором), який формує сигнал тривоги. Для розробок, що з'явилися останніми роками, можна відзначити деякі загальні тенденції:
Впровадження цифрових методів обробки сигналів датчиків дозволяє створити «інтелектуальні» системи з такими функціями, як розпізнавання типових сигналів вторгнення, локалізація порушника в межах зони охорона, дистанційна діагностика і настройка датчиків і ін.
Мережеві технології все частіше використовуються для збору і централізованої обробки сигналів сенсорів.
Зниження енергоспоживання датчиків дозволяє створювати системи з автономним електроживленням, датчики яких пристосовані для прихованої установки на периметрі.
Мініатюрні радіопередавачі сигналів тривоги, інтегровані з охоронними датчиками, служать основою для створення бездротових систем охорони периметрів.
Багато уваги приділяється розробці бистророзгортувальних |систем, часто використовуваних для охорони периметрів тимчасових польових об'єктів.
Не маючи можливості дати детальний огляд всіх категорій сучасних периметральних| систем охорони, ми спробуємо дати уявлення про характерні особливості нових зарубіжних систем і тенденції їх розвитку.
Такі системи містять приймач і передавач СВЧ| сигналів, які формують зону виявлення у вигляді витягнутого еліпсоїда. Довжина окремої зони охорони визначається відстанню між приймачем і передавачем, а поперечні розміри зони варіюються від доль метра до декількох метрів. Принцип дії таких систем заснований на аналізі змін параметрів сигналу, що приймається, що виникають при появі в зоні стороннього предмету.
Канада, Італія, Ізраїль і ін.). Вони працюють на частотах від 2,4 до 26,5 ГГц і застосовуються як при установці уздовж огорож, так і для охорони необгороджених територій. Дальність дії двопозиційних радіопроменевих датчиків досягає 450 м. Прикладом сучасного радіопроменевого датчика може служити система ERM0482X, випущена недавно італійською фірмою CIAS (рис.22).

Рисунок 22- Радіопроменева система ERMO 482Х фірми CIAS (Італія)
Нові датчики відрізняються від своїх «аналогових» попередників наявністю вбудованих систем цифрової обробки сигналів. Система дозволяє не просто реєструвати появу сторонніх об'єктів в зоні чутливості, а зберігати в незалежній пам'яті характерні образи, пов'язані з вторгненням порушника (людина, що йде, біжить або повзучий). Сигнали на виході приймального 6лока порівнюються з типовими образами, що зберігаються в пам'яті, і при збігу з еталоном система генерує сигнал тривоги Датчик відстежує параметри навколишніх умов і автоматично коректує алгоритм обробки сигналів.
Програма настройки датчика ERM0482X дозволяє сформувати чутливу зону з перетином не у вигляді круга, а у вигляді вертикально орієнтованого еліпса. Це дозволяє відбудовуватися від впливу дерев, огорож і інших предметів, розташованих на краях чутливої зони. У вбудованій пам'яті системи ERM0482X зберігаються 100 «аналогових» подій (зміни рівня сигналу, температура повітря, напруга живлення) і 256 «цифрових» подій (сигнали тривоги, зміни параметрів системи і ін.). Для дистанційної діагностики і настройки датчиків за допомогою комп'ютера і спеціальної програми MWATEST використовується інтерфейс RS485. Однопозиційні радіопроменеві датчики, об'єднуючі в одному корпусі передавач і приймач, часто використовуються для охорони ділянок периметра невеликої протяжності. Американська компанія Perimeter Products, Inc. випускає так звані Тактичні Мікрохвильові Портативні Сенсори (Tactical Microwave Portable Sensors) серії TMPS-21000. Всі варіанти електронних блоків системи виконані в ідентичних корпусах, але з різною орієнтацією антен і, відповідно, різними конфігураціями чутливої зони.
Датчик працює на частотах 5,725...5,850 ГГц (50 частот модуляції). Система обробки сигналів дозволяє задавати ширину чутливої зони (5 дискретних значень) і швидкість порушника (від 0,1 до 112 км/год). Спеціальна програма обмеження довжини чутливої зони (Range-Cut-Off) дозволяє виключити вплив предметів, що знаходяться поза зоною охорони. Підключення датчиків серії TMPS-21000 до комп'ютера, що управляє, здійснюється по радіоканалу за допомогою вбудованого передавача сигналів тривоги [14].
2.9. Радіохвильові системи
Чутливим елементом такої системи є два або декілька розташованих паралельно провідників (кабелів), до яких підключені передавач і приймач радіосигналів. Навколо провідної такої відкритої антени утворюється об'ємна чутлива зона, поперечний перетин якої залежить від взаємного розташування провідників. При появі людини в зоні чутливості сигнал на виході приймача змінюється, і система генерує сигнал тривоги. В кінці 1990-х років канадська компанія Senstar-Stellar випустила систему Perimitrax, в якій як активні кабелі використовуються спеціально розроблені коаксіальні кабелі з подовжніми зазорами в зовнішніх обплетеннях. Відмінна риса кабелів полягає в тому, що ширина зазора обплетення збільшується у міру видалення від приемо-передавального блоку. Цим досягається однорідність чутливості уздовж всієї зони охорони (довжина зони до 200 м). Датчики системи Perimitrax випускаються в двох варіантах. У першому варіанті сенсор є парою з коаксіальних кабелів, конструктивно об'єднаних в загальній захисній оболонці із зовнішнім перетином 8,5x15 мм. У другому варіанті сенсор складається з пари окремих кабелів, що розташовуються на відстані 2 м один від одного. Випромінювачі і приймачі системи працюють на двох фіксованих частотах — 40,675 і 40,685 Мгц. За заявами виготівників, система забезпечує 99%| вірогідність виявлення порушника масою більше 34 кг
З 1996 р. англійська компанія Geoquip випускає радіохвильову систему RAFID. Два паралельні коаксіальні кабелі виконують роль передавальної і приймальної антен. Мідне обплетення кабелів має регулярні отвори, що забезпечують випромінювання і прийом електромагнітного поля. Система RAPID встановлюється на жорстких огорожах (бетон, цеглина, дерево) або безпосередньо в грунті. Для обробки сигналів застосований цифровий процесор, оброблювальний сигнали змін амплітуди і фази сигналу, що приймається. Вибір алгоритмів обробки дозволяє гнучко настроювати систему в залежності навколишніх умов і вибраного критерію спрацьовування (наближення людини до стіни, рух уздовж стіни, перелазить через стіну і т.п.).
У 2003 р. компанія Geoquip оголосила про випуск| версії радіохвильової системи, що одержала назву RAFID-RDS. Нова система призначена для охорони тимчасових об'єктів і застосовується в основному для військових цілей[15]. Сенсорні кабелі укладаються безпосередньо на грунт; електронні блоки системи забезпечені спеціальними роз'ємами і можуть бути доповнені радіоканальною апаратурою передачі сигналів тривоги. Італійська компанія GPS Standard в 2002 р. оголосила про випуск радіохвильової системи RFC, призначеної для прихованої установки під землею). Сучасні методи обробки сигналів дозволяють виявляти і класифікувати різні об'єкти (людина, автомобіль, собака і т.п.), які знаходяться на лінії охорони або перетинають її.
2.10. Автономні і бистророзгортувальні| системи
Останніми роками помітний інтерес виявляється до автономних охоронних систем, які можна оперативно розвернути в польових умовах. Для таких систем у ряді випадків використовують бездротові датчики з автономним живленням. Американська фірма Southwest Microwave випускає бистророзгортувальну| систему РАС 300В, що використовує двопозиційні радіопроменеві датчики. Змінні антени забезпечують вибір оптимальних геометричних параметрів чутливої зони. Вибір частоти модуляції передавачів дозволяє усунути міжзонні перешкоди [16]. Система харчується від акумуляторних батарей, яких вистачає на 190 годин роботи. Для передачі сигналів тривоги використовується радіопередавач, що підключається до виходу приймального блоку комплекту.
Англійська компанія Racal Defence випускає | охоронний комплекс Classic 2000, що використовує автономні датчики різних типів (геофонні|, пасивні, магнітометричні, п'єзоелектричні і ін.). Кожен датчик забезпечений вбудованим джерелом живлення і об'єднаний з мініатюрним радіопередавачем сигналів тривоги. Приймальна станція контролює до 99 датчиків.
Фірма Sensor Electronics (Великобританія)випускає різні | бистророзгортувальні |периметральні| системи з пасивними ІЧ-ДАТЧИКАМИ|. На рис.25 показана одна з таких систем — портативний комплекс AutoGuard. Система містить в своєму складі від 8-ми до 24-х бездротових ІЧ-ДАТЧИКІВ| і переносну 8-зонну контрольну панель з універсальним живленням. Кожен датчик забезпечує зону чутливості завдовжки 30 м, т.ч. комплект з 24-ма |датчиками дозволяє захистити периметр протяжністю до 720 м. У корпусі кожного датчика встановлений радіопередавач сигналів тривоги з радіусом дії не менше 300 м. Вбудована в датчик літієва батарея забезпечує роботу датчика протягом декількох років.
3.1. Приклади винаходів сигналізації
Винахід відноситься до області сигналізації, зокрема може бути використано для контролю стану працездатності складних об'єктів по авт. св.№721840. З цією метою у відомий пристрій, що містить попарно об'єднані резистори і розділові діоди, розміщені на контрольованому об'єкті і сполучені лінією зв'язку з вимірювальними мостами, підключеними до блоку вимірювання полярності і одних входів елементів І до інших входів яких підключений вихід блоку управління, вхід якого через елемент АБО сполучений з одними входами елементів І, до виходу кожного з яких підключений відповідний індикатор несправності лінії зв'язку, введені трігери, вирішальне пристрій, виконаний у вигляді дешифратора, елемент затримки, елемент не, додаткові елементи І, елемент квитування, індикатори стану об'єкту і індикатори стану параметра. У початковому стані полярність напруги, що подається на вимірювальний міст, така, що струм тече через один з резисторів пари. При цьому всі індикатори відключені [14]. При відхиленні параметра спрацьовує трігер і викликає спрацьовування індикатора стану параметра. При порушенні лінії зв'язку спрацьовує індикатор несправності лінії зв'язку (трігер не спрацьовує, оскільки відбувається його скидання сигналом, що поступає на його вхід з виходу елементу І). Вирішальний пристрій, відповідно до комбінації вхідних сигналів, включає відповідні індикатори стану об'єкту. Стробуючий сигнал поступає на вхід вирішального пристрою через елемент затримки, необхідний для усунення впливу перехідних процесів в трігерах на входи вирішального пристрою.
Винахід відноситься до сигналізації і може бути використане для контролю стану працездатності складних об'єктів.
Метою винаходу є розширення функціональних можливостей пристрою.На кресленні представлена функціональна схема пристрою.Пристрій містить основні і додаткові резистори 1 і 2, розділові діоди 3 і 4, розміщені на контрольованому об'єкті 5, лінії 6 зв'язку, вимірювальні мости 7 з вимірювальними елементами 8, блок 9 зміни полярності, джерело 10 напруги, блок 11 управління, елемент І 12, елемент АБО 13, індикатори 14 несправності лінії зв'язку, трігери 15, вирішальне пристрій 16, елемент 17 затримки, 'індикатори 18 стану об'єкту, індикатори 19 стану параметра, елемент не 20/ додаткових елементів І 21 і елемент 22 квитування. Вирішальний пристрій 16 містить дешифратор 23 станів.
Пристрій працює таким чином.
У початковому стані блок 9 змін полярності підключає джерело 10 до вимірювальних мостів 7 так, що діоди 3 відкриті, а діоди 4 закриті, і струми ліній 6 зв'язку течуть через основні вимірювані резистори 1, включені в ланцюзі сигналів датчиків, контролюючих параметри об'єкті 5. Величини резисторів 1 підбираються так, щоб напруга в діагоналях мостів 7 на входах вимірювальних елементів 8 було близьке до нуля і не викликало в початковому стані появи на їх виходах сигналів.
При відхиленні якого-небудь параметра об'єкту 5 від нормальних значень величина резистора 1 в ланцюзі діода 3 змінюється, рівновага відповідного моста 7 порушується, до входу вимірювального елементу 8 моста 7 прикладається відповідна напруга, а на його виході з'являється сигнал. Сигнал з виходу вимірювального елементу 8 поступає на перший вхід відповідного елементу І 12 і через відкритий елемент І 21 на перший вхід відповідного трігера 15. Сигнал з виходу трігера 15 поступає на відповідний вхід вирішального пристрою 16. Одночасно сигнал з виходу вимірювального елементу 8 через елемент АБО 13 впливає на блок 11 управління, який виробляє короткочасний сигнал, по якому блок зміни полярності 9 змінює полярність живлення вимірювальних мостів. Діоди 3 закриваються, а діоди 4 відкриваються, і, оскільки лінії зв'язку справні, струм тече через резистори 2, призначені для контролю ліній 6 зв'язки. Сигнали на виходах вимірювальних елементів 8 відсутні.
Сигнал з виходу елементу АБО 13 перестає діяти на вхід блоку 11 управління. Після закінчення дії сигналу з виходу блоку 11 управління полярність живлення вимірювальних мостів перемикається в початковий стан. Якщо при цьому з виходу якого-небудь вимірювального елементу 8 знов поступає сигнал, то описаний процес повторюється з періодом, залежним від тимчасових характеристик блоку 11 управління, блоку 9 зміни полярності і інших елементів пристрою.Таким чином, відхилення будь-якого з параметрів контрольованого об'єкту 5 приводить до спрацьовування відповідного йому трігера 15. За наявності на виходах трігерів 15 певної сукупності сигналів і надходженні від блоку 11 управління через елемент 17 затримки чергового управляючого сигналу, вирішальне пристрій 16 формує на своїх виходах відповідні сигнали. Стан об'єкту 5 спостерігається оператором по індикаторах 18 і 19. Оператор за допомогою елементу квитування (наприклад, кнопки) може при необхідності встановити трігери 15 пристрою в початковий стан.
При порушенні якої-небудь з ліній 6зв'язки сигнал з виходу вимірювального елементу 6 поступає на перший вхід відповідного елементу І 12 і через відкритий елемент І 21 на перший вхід відповідного трігера 15. Одночасно сигнал з виходу вимірювального елементу 8 впливає на вхід блоку 11 управління, який формує короткочасний сигнал, що поступає на другі входи елементів І 12, на блок 9 зміни полярності, на вхіделементу не 20 і на елемент 17 затримки. Полярність живлення мостів 7 міняється, а елементи І 21 закриваються. Але розбаланс відповідного вимірювального моста 7, викликаний несправністю в лінії 6 зв'язку на час зміни полярності живлення вимірювальних мостів 7, не припиняється, і напруга на вході вимірювального елементу 8 в його діагоналі як і раніше викликає на виході вимірювального елементу 8 сигнал, який через відповідний елемент І 12 поступає на другий вхід відповідного трігера 15 і встановлює його в початковий стан. В цьому випадку сигнал з виходу цього трігера знімається з відповідного входу вирішального пристрою 16 і не використовується для оцінки стани працездатності об'єкту, а сигнал про несправність лінії 6 зв'язку відображається відповідним їй індикатором 14.
Оцінка стану об'єкту вирішальним пристроєм 16 може вироблятися таким чином. Управляючий імпульс з виходу блоку 11 управління затримується елементом 17 затримки на час перехідних процесів в елементах І 12 і трігерах 15 і поступає на стробуючий вхід дешифратора 23 станів. Відповідно до наявної комбінації сигналів на входах дешифратора 23 станів на його виходах формуються відповідні сигнали про стан об'єкту 5, включаючі відповідні індикатори 18 або які-небудь виконавчі механізми. Крім того, оператор може спостерігати по індикаторах 19 сукупність параметрів об'єкту, визначаючих його стан.
Формула винаходу
1. Пристрій для тривожної сигналізації по авт. св. № 721840, відмінне тим, що, з метою розширення функціональних можливостей, в нього введені додаткові елементи І, трігери, елемент не, елемент затримки, індикатори стану параметра, вирішальне пристрій, індикатори стану об'єкту, елемент квитування, вихід якого сполучений з першими входами всіх трігерів, другі входи зєднані з виходами відповідних елементів І, одні входи яких сполучені з першими входами відповідних додаткових елементів І, виходи яких сполучені з третіми входами відповідних трігерів, виходи яких сполучені з входами відповідних індикаторів стану параметра і з відповідними входами групи входів вирішального пристрою, управляючий вхід якого через елемент затримки підключений до виходу блоку управління, який сполучений з входом елементу не, вихід якого сполучений з другими входами додаткових елементів І, виходи вирішального пристрою сполучені з входами відповідних індикаторів стану об'єкту.
2
.
Пристрій відмінне
тим,
що
вирішальний пристрій виконаний у вигляді
дешифратора,
інформаційні входи якого
є групою входів вирішального пристрою,
стробуючий вхід дешифратора є
управляючим входом вирішального
пристрою,
а виходи — виходами вирішального
пристрою.
Рисунок 28
ПРИСТРІЙ ДЛЯ СЕЛЕКТИВНОГО ВИЯВЛЕННЯ БІОЛОГІЧНИХ ОБ'ЄКТІВ, що містить два канали вимірювання частоти, кожний з яких складається з чутливого елементу, включеного в контур генератора, до виходу якого послідовно підключені підсилювач, частотний детектор й пороговий елемент, а виходи каналіввимірювання частоти через блок збігу сполучені з блоком індикації, причому чутливі елементи, місткість і індуктивний, входять до складу виносного зонда, відмінне тим, що, з метою підвищення ефективності виявлення біологічних об'єктів, чутливий елемент місткості виконаний у вигляді кільцевої щілини в металевій пластині, а індуктивний чутливий елемент є кільцевими витками ізольованого металевого дроту, розташовані в щілині елементу місткості.
Винахід відноситься до технічних засобів виявлення тривожної сигналізації і може бути використане працівниками пожежної охорони для пошуку людей, що знепритомніли, що не мають нагоди самостійно пересуватися і сильно задимлених приміщень, що знаходяться в труднодоступних місцях.
Мета винаходу - підвищення ефективності виявлення біологічних об'єктів.
На рисунку 1. зображена функціональна схема пристрою; на рисунку. 2 -принциповаелектрична схема одного з каналів вимірювань.
Пристрій містить Вимірювальний зонд 1, який включає місткість 2 і індуктивний 3 чутливі елементи, розміщені на телескопічному щупі.' Конструктивно зонд виконаний у вигляді плоскої металевої пластини, яка є, наприклад, провідний шар фольгованого ізоляційного матеріалу з кільцевою щілиною в ній, тобто місткості чутливий елемент 2, в якій розміщений індуктивний чутливий елемент 3, що є кільцевими витками ізольованого металевого дроту.
Кожний з чутливих елементів 2 і 3 підключений до ідентичних каналів 4 і 5 вимірювання частоти, включаючим в свій склад генератор 6, вихід якого сполучений через підсилювач 7 і частотний детектор 8 з входом порогового елементу 9. Виходи порогових елементів каналів 4 і 5 через блок 10 збігів сполучені з блоком 1,1 індикації.
Пристрій працює таким чином.
Канали 4 і 5 вимірювання частоти V виконані ідентично, тому функціонувальні пристрої доцільно розглядати на прикладі одного каналу, наприклад каналу 4, вимірювання частоти, Напруга високої частоти, вироблене канальним генератором 6, в коливальний контур якого включений чутливий елемент місткості 2, подається на резонансний підсилювач 7. Резонансний контур підсилювача 7 налаштований на частоту, відповідну об'єкту виявлення. З підсилювача сигнал поступає на частотний детектор 8. Сигнал, що продетектує, подається на пороговий
елемент 9с регульованим рівнем спрацьовування. Для випадку виявлення біологічних об'єктів, що відповідає найбільшому значенню діелектричної проникності, цей рівень встановлюється максимальним. З виходу каналу місткості 4, якщо в полі чутливого елементу 2 потрапляє біологічний об'єкт, сигнал поступає на блок 10 збігів, який може бути реалізований на логічному елементі "Заборона", і далі на блок 11 індикації, зібраний на тиристорі (не показаний).
При спрацьовуванні тиристора спалахує світлодіод, який відображає виявлення. Під час вступу сигналу з обох каналів 4 і 5 вимірювання частоти, що відповідає наявності металу в полі зонда 1, блок збігу не спрацьовує і сигнал виявлення з блоку 11 індикації не вдаєтся.
Конструкція зонда з суміщеним
виконанням чутливих елементів місткості і індуктивного в одній площині дозволяє підвищити ефективність виявлення біологічних об'єктів.

Рисунок 29

Рисунок 30
ВОЛОКОННО-ОПТИЧНА СИСТЕМА ОХОРОННОЇ СИГНАЛІЗАЦІЇ
Винахід відноситься до сигнальних пристроїв на основі волоконної оптики і може бути використано в системах захисту периметра територій і приміщень від несанкціонованого доступу. Технічний результат, що досягається винаходом, полягає в зниженні чутливості до перешкод навколишнього середовища і забезпеченні контролю стану оптичних елементів системи. Цей результат досягається тим, що у волоконно-оптичній системі охоронної сигналізації, що містить когерентне джерело 1 світла, вихід якого через відрізок багатомодового оптичного волокна 2 і формувач 3 світлові потоки зчленований з входом фотодетектора 4, вихід якого сполучений з входом формувача 5 сигналу тривоги, виконаного у вигляді розділового конденсатора 6, компаратора 7, формувача 9 тривалості імпульсів і індикаторного елементу 13, формувач 5 сигналу тривоги забезпечений інтегратором 10, селектором 8 тривалості сигналу, логічним елементом АБО 12 і другим компаратором 11, а також тим, що формувач 3 світлові потоки виконаний у вигляді трубки певної довжини з оптично непрозорого матеріалу.
ОПИС ВИНАХОДУ
Пропонований винахід відноситься до сигнальних пристроїв на основі волоконної оптики і може бути використано в системах захисту периметра територій і приміщень від несанкціонованого доступу.
Відома запобіжна система огорожі що містить ряд натягнутих проволікав, когерентне джерело світла, оптичне волокно як чутливий елемент і крайовий пристрій з фотодетектором і формувачем сигналу тривоги. При механічній дії на огорожу оптичне волокно деформується за допомогою спеціальних пристосувань, при цьому інтенсивність когерентного світла, що проходить по волокну, ослабляється, що реєструється крайовим пристроєм як сигнал тривоги.
Недоліками описаної системи є складність практичної реалізації і обмеженість області застосування, обумовлена тим, що виконання системи у вигляді пристрою з натягнутих проволікав, що створює фізичний бар'єр, не дозволяє використовувати її в умовах, де території, що охороняються, оточені традиційними елементами огорожі (колючий дріт, сітка і т.п. ).
Ці недоліки частково усунені у волоконно-оптичній системі сигналізації із закопаним в грунт оптичним волокном як чутливий елемент . Дане технічне рішення є найбільш| близьким до заявленого.
Вказана волоконно-оптична система сигналізації містить когерентне джерело світла, відрізок багатомодового оптичного волокна, формувач світлового потоку у вигляді пластини з отвором, фотодетектор і формувач сигналу тривоги, виконаний у вигляді розділового конденсатора, компаратора, формувача тривалості імпульсів і індикаторного елементу.
Недоліками даної системи є обмеженість області застосування і недостатня надійність роботи, обумовлені наступними причинами. Одним з важливих параметрів засобів охоронної сигналізації є несприйнятність до дій навколишнього середовища. У схемі формувача сигналу тривоги відомого рішення відсутня селекція тривалості вхідного сигналу, що, враховуючи високу чутливість датчиків на ефекті міжмодової інтерференції, може привести до спрацьовування системи сигналізації при випадковій короткочасній одиночній дії. Вказаний недолік не дозволяє встановлювати систему на елементи огорожі території і відкриті конструктивні блоки будівель і споруд, схильні до дії навколишнього середовища. Недостатня надійність роботи системи обумовлена також тим, що в схемі формувача сигналу тривоги відсутній ланцюг контролю наявності постійної оптичної потужності. Таким чином, в реальних умовах плавне падіння оптичної потужності у разі деградації когерентного джерела світла або оптичного волокна приводить до відмови системи сигналізації без подачі сигналу сповіщення.
Іншим недоліком відомої системи є ж складність її практичної реалізації, обумовлена застосуванням формувача світлового потоку у вигляді пластини з отвором діафрагми, складної у виготовленні і установці.
Завданням винаходу є розширення області застосування системи, підвищення надійності її роботи і спрощення практичної реалізації.
ЗАВДАННЯ РОЗВ'ЯЗУЄТЬСЯ ТАКИМ ЧИНОМ
Пропонується волоконно-оптична система охоронної сигналізації, що містить когерентне джерело світла, вихід якого через відрізок багатомодового оптичного волокна і формувача світлового потоку зчленований з входом фотодетектора, вихід фотодетектора сполучений з входом формувача сигналу тривоги, виконаного у вигляді розділового конденсатора, компаратора, формувача тривалості імпульсів і індикаторного елементу, перше обкладання розділового конденсатора при цьому є власне входом формувача сигналу тривоги, а друге обкладання сполучене з першим входом компаратора, на другому вході якого встановлений опорний рівень.
Новим в пропонованій системі є те, що формувач сигналу тривоги забезпечений інтегратором, селектором тривалості сигналу, логічним елементом АБО і другим компаратором, перший вхід якого через інтегратор сполучений з першим обкладанням розділового конденсатора, на другому вході другого компаратора встановлений опорний рівень, а вихід сполучений з першим входом логічного елементу АБО, другий вхід логічного елементу АБО сполучений через формувач тривалості імпульсів з виходом селектора тривалості сигналу, вхід якого сполучений з виходом компаратора, вихід логічного елементу АБО сполучений з входом індикаторного елементу. Новим в пропонованому пристрої є також те, що формувач світлового потоку виконаний у вигляді трубки певної довжини з оптично непрозорого матеріалу, яка розташована між відрізком багатомодового оптичного волокна і фотодетектором з можливістю забезпечення необхідної контрастності стіклової| картини світлового потоку з торця оптичного волокна на світлочутливій поверхні фотодетектора.

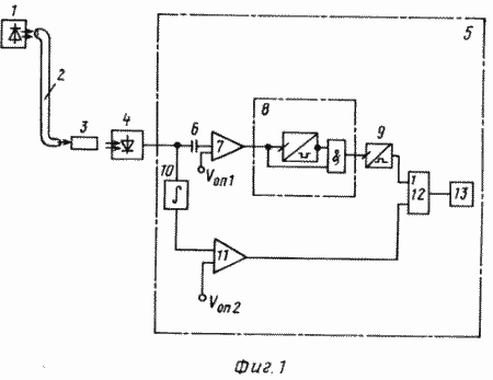
Рисунок 31- приведена функціональна схема пропонованої системи

Рисунок 32-приведені епюри вхідних і вихідних сигналів поблочно
Відповідно до винаходу, що заявляється, волоконно-оптична система охоронної сигналізації (Фіг. 1) містить когерентне джерело світла 1, вихід якого через відрізок багатомодового оптичного волокна 2 і формувач світлового потоку 3 зчленований з входом фотодетектора 4. Вихід фотодетектора 4 сполучений з входом формувача сигналу тривоги 5. Формувач сигналу тривоги 5 забезпечений розділовим конденсатором 6, першим компаратором 7, селектором тривалості сигналу 8, формувачем тривалості імпульсів 9, інтегратором 10, другим компаратором 11, логічним елементом АБО 12 і індикаторним елементом 13. Перший вхід другого компаратора 11 через інтегратор 10 сполучений з першим обкладанням розділового конденсатора 6. На другому вході другого компаратора 11 встановлений опорний рівень Uоп2, а вихід сполучений з першим входом логічного елементу АБО 12. Другий вхід логічного елементу АБО 12 сполучений через формувач тривалості імпульсів 9 з виходом селектора тривалості сигналу 8, вхід якого сполучений з виходом першого компаратора 7, перший вхід якого сполучений з другим обкладанням розділового конденсатора 6, а на другий вхід подається опорна напруга цього компаратора. Вихід логічного елементу АБО 12 сполучений з входом індикаторного елементу 13.
ПРОПОНОВАНА СИСТЕМА ПРАЦЮЄ ТАКИМ ЧИНОМ
Випромінювання когерентного джерела світла 1 (Фіг. 1) вводиться у відрізок багатомодового оптичного волокна 2 і через формувач світлового потоку 3 поступає на вхід фотодетектора 4. В результаті міжмодової інтерференції в оптичному волокні на світлочутливій поверхні фотодетектора 4 формується дискретна картина з яскравих і темних плям (спеклов|), яка носить статичний характер за відсутності механічних дій і змінюється під впливом ударів, вібрації або деформації оптичного волокна. Формувач світлового потоку 3 забезпечує необхідну контрастність спеклової| картини для підвищення чутливості системи.
Сигнал з виходу фотодетектора 4 (позиція а на Фіг. 2) поступає на вхід формувача сигналу тривоги 5. Залежно від інтенсивності і тривалості механічної дії на оптичне волокно модулюється фотострум, рівень якого відповідає величині оптичної потужності на вході фотодетектора 4. Далі у формувачі сигналу тривоги 5 відбувається двоконтурне перетворення вхідного сигналу по змінній і постійній складовим. Змінна складова виділяється розділовим конденсатором 6 і поступає на перший вхід першого компаратора 7, на другому вході якого встановлений опорний рівень Uоп1. Імпульси з виходу першого компаратора 7 (позиція б на Фіг. 2) поступають на вхід селектора тривалості сигналу 8, який має час селекції с. У разі, коли c<2 селектор запускає формувач тривалості імпульсів 9, при цьому ф встановлюється залежно від необхідної тривалості проходження сигналу тривоги (позиція в на Фіг. 2). У разі, коли c>1, селектор блокує контур.
Постійна складова через інтегратор 10 поступає на перший вхід другого компаратора 11, на другому вході якого встановлений опорний рівень Uоп2. Залежно від рівня оптичної потужності на вході фотодетектора 4 другий компаратор 11 формує відповідний сигнал (позиція г на Фіг. 2). Цей сигнал подається на перший вхід логічного елементу АБО 12, на другий вхід якого подається сигнал з виходу першого компаратора 7. При появі сигналу на першій або на другому вході елементу АБО 12 з виходу елементу АБО 12 сигнал тривоги (позиція д на фіг. 2) після двоконтурного перетворення поступає на індикаторний елемент 13.
Таким чином, заявлений винахід дозволяє підвищити стійкість системи до випадкових зовнішніх дій, що, у свою чергу, дозволяє встановлювати її на відкритих елементах огорожі території, конструктивних блоках будівель і споруд. Введений у формувач сигналу тривоги 5 контур обробки вхідного сигналу по постійній складовій підвищує надійність роботи системи і дозволяє діагностувати потенційну її відмову.
Трубка з будь-якого оптичного непрозорого матеріалу як формувач світлового потоку простіша в реалізації, установці і настройці, що спрощує практичну реалізацію системи.
ФОРМУЛА ВИНАХОДУ
Волоконно-оптична система охоронної сигналізації, що містить когерентне джерело світла, вихід якого через відрізок багатомодового оптичного волокна і формувач світлового потоку зчленований з входом фотодетектора, вихід фотодетектора сполучений з входом формувача сигналу тривоги, виконаного у вигляді розділового конденсатора, першого компаратора, формувача тривалості імпульсів і індикаторного елементу, перше обкладання розділового конденсатора є входом формувача сигналу тривоги, а друге обкладання сполучене з першим входом першого компаратора, на другому вході якого встановлений опорний рівень першого компаратора, що відрізняється тим, що формувач сигналу тривоги забезпечений інтегратором, селектором тривалості сигналу, логічним елементом АБО і другим компаратором, перший вхід якого через інтегратор сполучений з першим обкладанням розділового конденсатора, на другому вході встановлений опорний рівень другого компаратора, а вихід сполучений з першим входом логічного елементу АБО, другий вхід логічного елементу АБО сполучений через формувач тривалості імпульсів з виходом селектора тривалості сигналу, вхід якого сполучений з виходом першого компаратора, вихід логічного елементу АБО сполучений з входом індикаторного елементу.
Висновок
Очевидно, що з безлічі сучасних| охоронних систем неможливо виділити одну, яка була б універсальною і якнайкращою зі всіх точок зору. При виборі і проектуванні системи охорони необхідно враховувати безліч чинників — рельєф місцевості, топографію об'єкту, конструкцію охороняємого обєкту, що оточують, індустріальні перешкоди, організацію служби охорони і ін.
Ультразвукові детектори – є досить чутливими приладами і знизькою перешкодостійкістю.Але площа охопленя є невелика і застосовуються вони тільки в приміщенях без протягів, є досить дорогими.Характерактеризуються значним споживаням потужності.
Радіохвильові детектори –реагують на зміну електро-магнітної проникності тіла людини,можуть застосовуватись на значних площах.Є чутливими до потужних джерел випромінюваня.Потребують специфічного встановленя.
Магнітоконтактні датчики –є досить поширеними, характеризуються великою надійністю, простотою встановленя, низькою вартістю.Використовуються тільки для розємних засобів. Застосовуються для захисту дверей і вікон від несанкціонованого відкриття. Складаються з 2-х елементів, один встановлюється на рухому частину вікна або дверей, других на нерухому дверну коробку або раму.
Захист тільки від несанкціонованого відкриття дверей або вікна. Не допомагають при проломі або розбитті скла
Вібродатчики –реагують на вібраційні коливаня.Характеризуються малою чутливістю до переміщеня обєктів.Мають досить малі розміри.
Фотоелектричні датчики–є засновані на інфрачервоному випромінюванні. Характеризуються високою чутливістю,непомітністю, малою потужністю споживаня. Принцип дії таких датчиків заснований на контролі за інфрачервоним (тепловим) випромінюванням в приміщенні, що захищається. При зміні інфрачервоного фону в приміщенні, що відбувається у момент переміщення людини, датчик формує сигнал тривоги. Ще такі датчики називають датчиками руху. Дальність виявлення в середньому 10-15 м. |
Вірогідність помилкових тривог при циркуляції повітряних мас в приміщенні, що охороняється
Радіопроменеві системи-характеризуються значними площами охорони до 120м Для нормальної роботи мають використовуватись парами.Мають значну вартість і вилику потужність споживаня
ПЕРЕЛІК ВИКОРИСТАНИХ ДЖЕРЕЛ
1 .Вовків А. УЗ датчик охоронної сигналізації. — Радіо, 2003 № 5, с. 54—56
2. www.itsf.ru/bespr.htm
3. Козаченко В., Хмельовськая Л. Кодовий замок// Радіо.-1990.-№8
4.Свірській Ю.К. Ринок периметровых| засобів охоронної сигналізації на порозі третього тисячоліття // Системи безпеки, 2000 № 38, с. 26 – 30.
5. Марченко Д.Н. Просте економне охоронне устройство// Радюаматор.-2000.-№9.
6. Нечаєв І. ІК-локатор для сліпих. - Радіо, 1989 N10, С.84
7. («Радіомир» №9/2004, с.38-44.
8. Вілл В. Інфрачервоний сторож. — Радіо, 1996 № 1,с. 52—54.
9. Вілл В. Ультразвукий автосторож. — Радіо, 1996 № 4,с. 43—49.
10.Яроцкий В.А. Методи виявлення і визначення місцеположення об'єктів по їх постійному магнітному полю // Зарубіжна радіоелектроніка, 1984 № 7, с. 45 – 56.
11. . Виноград Ю. Электронная охрана. - М.: СИМВОЛ-Р|, 1996
12. Радіо, 1998 N7, С.42
13. daily.sec.ru
14 Свірській Ю.К. Ринок периметрових| засобів охоронної сигналізації на порозі третього тисячоліття // Системи безпеки, 2000 № 38, с. 26 – 30.
15.Магнітометричний пристрій для охоронної сигналізації // Патент РФ № 2075905 від 20.03.96
16. "Спеціальна Техніка" № 4, 2001 рік