Согласующее устройство для измерения четырехполюсных радиоэлементов
ВВЕДЕНИЕ
Создание радиоэлектронной аппаратуры - весьма сложный процесс, требующий четкой организации работ на всех этапах, начиная с творческого замысла и кончая изготовлением устройства.
В связи с этим встает вопрос об измерении параметров радиоэлементов. Особый интерес представляют автоматизированные измерения.
В данном дипломном проекте реализован способ измерения по А.С. 1317370. Измерения параметров этим способом позволяет возложить все главные аспекты на современную вычислительную технику. В нашем случае ядром комплекса является широко распространенный персональный компьютер класса IBM-PC.
Алгоритм измерения реализует разработанный пакет программ для IBM-PC на языке высокого уровня Pascal.
АНАЛИЗ ТЗ
Из литературных данных [8-9] следует, что выполнение п.п.3.1 ТЗ по существу, представляет развитие методики измерения и технических средств реализованных в процессе разработки в Воронежском Государственном Техническом Университете и изготовления (в НИИПХ г. Москва) тестера Д780. При этом были внедрены А.С.1084709 и 1317370 СССР. А.С.1619209 реализуют алгоритмы по способу А.С.1317370 для четырехполюсных микросхем и может быть реализована в виде съемной измерительной головки.
Использование в качестве ядра комплекса персонального компьютера совместимого с IBM-PC позволяет не только выполнить задачи связанные с измерением и обработкой предварительных результатов, но и решить широкий круг задач в области разработки аналитических макромоделей диодов, всех видов транзисторов и аналоговых микросхем.
Реализация п.п.3.2-3.4 не представляет принципиальных затруднений, но требует существенных затрат материальных и трудовых ресурсов. При этом представляется возможным применить элементную базу общего назначения. Так как стандарт скорости обмена по порту RS-232 составляет 9600 Бод, то использования микроэвм КР1816ВЕ35 позволяет отказаться от специализированных, а следовательно дорогих микросхем последовательного интерфейса.
Таким образом, настоящее ТЗ выполнимо в условиях кафедры МиЭРА.
ИЗМЕРИТЕЛЬНЫЕ ЗАДАЧИ
1.1Состав элементной базы аналоговых РЭС
Элементную базу РЭС, во первых, образуют два обширных класса
элементов: пассивные и активные.
Пассивные радиокомпоненты (ПРК) подразделяются на компоненты общего применения (КОП) и СВЧ компоненты (СВЧК).
В состав ПРК входят:
двухполюсники, в том числе резисторы, конденсаторы, катушки индуктивности, электронные LC фильтры последовательного или параллельного типа, одиночные кварцевые резонаторы;
четырехполюсники: электрические LC фильтры;
акустоэлектронные фильтры на объемныхили ПАВ волнах;
электрические или акустические линии задержки;
пьезоэлектрические трансформаторы и другие устройства, которые имеют одну пару контактов для подключения входного сигнала и другую для подключения нагрузки;
многополюсники: многоотводные электрические и окустоэлектронные линии задержки и фильтры электрических сигналов, многообмоточные узкополосные и широкополостные трансформаторные устройства и т.п.
Состав СВЧК более разнообразен, так как кроме компонентов, выполняющих функции аналогичные функциям ПРК, перечисленным выше, в него входят специфические для СВЧ диапазона двухполюсные и многополюсные компоненты: диоды, волноводные разветвители и ответвители.
Как ПРК так и СВЧК бывают узкополостные и широкополостные,
что накладвает определенную специфику при описании их моделей. С другой стороны, окустоэлектронные устройства, работающие в обычном диапозоне частот (от сотен кГц до десятков МГц) могут быть описанны методами СВЧ диапозона.
Большое разнообразие электронной базы РЭС неизбежно связанно с разнообразием их описаний и методов измерений параметров моделей РЭ.
1.2Способы представления параметров элементов
1.2.1Двухполюсники
Двухполюсные ПРК могут быть представлены или в виде эквивалентных схем со средоточенными постоянными (рис.1а,б) или в виде параметров "черного ящика" (рис.3,в).
Модели двухполюсников
а) модель резистора без учета индуктивностей выводов; б) модель резистора с учетом индуктивностей выводов; в) модель резистора в виде "черного ящика"
Рис.1
На повышенных частотах (больше или равно 1 МГц) необходимо учитывать частотную зависимость параметров модели рис.3а,б. Для резисторов, например, коме измерения сопротивления R из-за поверхностного эффекта могут сущестенно проявиться дополнительные потери в выводах или диэлектрическом изоляционном покрытии.Такие измерения учтены в моделях типа рис.3,в. Эти модели с целью анализа физических эффектов, поисхоящих в результате функционирования элемента, можно "просветлить", выразив сущетвенные физические эффекты в виде элементарных элементов. (рис.2).
Возможные способы представления моделей
а,б- при емкостном характере двухполюсника; в,г- при индуктивном
Рис.2
Для элементов, работающих в ограниченном, вплодь до единственной частоты, диапозоне частот на параметры могут быть выражены единственными значениями L,R,C эквивалентных элементов, представленных схемами рис.4. Аттестация элемента с помощью схем рис.3а,б расширяет частотный диапозон модели. Описание с помощью "черного ящика" (рис.3в) позволяет получить точное значение параметров при заданных частотах. С другой стороны модели типа рис.1 могут быть представленны в виде
, (1)
или
, (2)
Такие же выражения могут быть использованны для полного сопротивления (Z(w)).
Методы измерения параметров радиоэлементов
1.3Классификация методов измерения
Для измерения параметров радиоэлементов используются следующие принципы, учитывающие особенности подключения объекта и сигналов:
разделение напряжения и тока (для двухполюсников);
сравнение двухполюсника с образцовым в мостовых схемах;
определение резонансной частоты или ее изменения;
изменение напряжений и (или) токов на выходе и входе;
разделение падающих и отраженных волн;
выделение падающих и отраженных волн на входе и выходе;
анализ картины стоячей волны;
сравнение двухполюсника с образцовой мерой в схеме с конечными нагрузками;
сравнение многополюсника с образцовыми мерами в схемах с конечными нагрузками.
Структуры измерителей определяют три основные группы.
В состав первой группы входят измерители параметров элементов со сосредоточенными постоянными :
сопротивлений (отношений напряжения к току);
индуктивности и емкости по комплексным сопротивлениям на известной частоте;
двухполюсников в мостовых схемах переменного и постоянного токов;
резонансной частоты (Q-метры).
Вторую группу образуют измерители СВЧ элементов с распределенными параметрами:
приборы, основанные на анализе стоячей волны в измерительной линии с подвижным зондом или набором фиксированных зондов;
приборы, основанные на разделении и измерении комплексных амплитуд сигналов падающих и отраженных волн направленными ответвителями.
Третью группу составляют устройства реализующие способы сравнения многополюсников с активными или комплексными образцовыми мерами путем анализа векторных отношений комплексных напряжений:
устройства с активными образцовыми нагрузками;
устройства с комплексными образцовыми мерами и конечными, в общем случае, комплексными нагрузками.
Устройства третьей группы просты по структуре и могут использоваться для измерения как элементов со сосредоточенными так и с распределенными постоянными. Отсутствие каких-либо подстроечных операций позволяет реализовать комплексную автоматизацию на основе ПК. Это машинно-ориентированные устройства. Это практически универсальные устройства, которые позволяют на одной технологической установке реализовать измерение широкой номенклатуры элементов (пассивные двухполюсники, активные двухполюсники, диоды, стабилитроны, варикапы и т.п.; транзисторы любой структуры, операционные усилители; СВЧ двух и многополюсные устройства).
Большинство приборов всех групп состоит из источника сигнала, схемы подключения образца-измерительной головки (ИГ) и разделения сигналов. При измерении полных характеристик объекта (полное сопротивление или комплексные матрицы) применяется измеритель векторных отношений.
1.4Методы измерения параметров моделей элементов на основе эквивалентных схем
Измерения производятся на постоянном токе или в рабочем диапазоне частот. Простейшим методом для измерения двухполюсников
является схема омметра (рис.3а).
Схемы измерения полного сопротивления по измеренным напряжениям и току

Рис.3
В режиме короткого замыкания контактов 1 и 2 регулировкой резистора R устанавливают максимальное калиброванное значение тока
. (3)
Значения измеряемого сопротивления Rx расчитывают по уменьшению тока
, (4)
где I - уменьшение тока, отсчитываемое от уровня Imax kal.
Шкала амперметра градуируется в омах. Источники напряжения и индикатор могут работать на постоянном и переменном токе.
При использовании источника напряжения (рис.3б) измеряемый ток обратно-пропорционален модулю полного сопротивления объекта. В этом случае представляется возможным определить индуктивность или емкость элемента по формулам
; (5)
, (6)
где w - частота измерения.
Схемы рис.3а,б не позволяет измерять малые сопротивления из-за влияния проводниов, присоединяющих объект к контактам 1,2. Для измерения малых сопротивлений используется схема рис.3в, электропитание которой осуществляется от источника тока. Объект подключается между контактами 1 и 2.Измеряемое напряжение пропорциональо сопротивлению объекта. Проводники соединяющие входные контакты 3 и 4 вольтметра с контактами 1 и 2 не влияют на результаты вследствие высокого внутреннего сопротивления вольтметра.
Погрешности приборов, основанных на измерении токов и напряжений, зависят от нестабильностей источников напряжения или тока и погрешностей амперметров и вольтметров. В совокупности эти погрешности достигают нескольких процентов.Частотный диапазон, как
правило, не превышает 1МГц. Достоинствами методов являются простота измерительных схем и отсутствие калибровочных операций при использовании стабильных источников тока или напряжения.
Недостатки связаны с ограничением частотного диапзона, жесткими требованиями к входным сопротивлениям вольтметров, которые для получения приемлимых результатов должны превышать, как минимум на два порядка модули полных имеряемых сопротивлений,а для амперметров их собственные сопротивления должны быть на два порядка меньше измеряемых.
Схемы на основе резонансных методов работоспособны в диапазоне частот до некольких сотен мегагерц. Как правило, применяется схема, в которой исследуемая индуктивность включается последовательно с источником напряжения в последовательный котур (рис.4.).
При настройке схемы в резонанс калиброванным конденсатором С и достаточно высокой добротности измеряемой катушки (wL>>Rx) добротность определяется по формуле
. (7)
Схема измерения индуктивности резонансным способом

Рис.4
Для расчета индуктивности используют выражение
, (8)
где С- емкость конденсатора; w-частота резонанса.
Шкала вольтметра градуируется в единицах добротноси.
Сопротивление Rx можно определить по формуле
. (9)
Для определения емкости Cx используют стабильную катушку, которую подключают к контактам 1-2 и настраивают схему емкостью С в резонанс. Пусть на резонансной частоте w, емкость равна С1. Затем к контактам 2-0 параллельно емкости С подключают измеряемый конденсатор Cx и снова настраивают схему в резонанс на частоте w,. Если во втором случае емкость образцового конденсатора равна С2, то при Q>>1 искомая емкость определяется по формуле
Cx = C1-C2 . (10)
Для измерения индуктивности и добротности можно использовать схемы с контуром ударного возбуждения, одним из элементов которого служит измеряемая катушка.
Погрешности измерения параметров резонансными методами определяются погрешностями вольтметров, погрешностями градуированных (калиброванных) конденсаторов. Примерные погрешности таких приборов -15%,на высоких частотах увеличиваются до 20%. Погрешности измерителей с контурами ударного возбуждения - 3 5%.
Более точны методы измерения, основанные на сравнении исследуемого объекта с образцовой мерой в мостовой схеме (рис.5.).
Структурная схема моста для измерения полного сопротивления

Рис.5
Сигнал источника Е включается в одну из диагоналей моста, в другую включается индикатор нуля напряжения или тока. Нуль индикатора устанавливается при выполнении условия
Zx = Zобр(Z1 / Z2). (11)
Образцовыми мерами обычно являются резисторы и конденсаторы. Набор этих мер позволяет производить отсчет всех параметров элементов при различных их эквивалентных схемах. На рис.6 показаны четыре варианта мостовых схем с резисторами Rа, Rб, Rр и конденсатором Сn, которые используются в качестве образцовых мер. При каждом включении обеспечивается условие баланса путем регулировки образцовых резисторов.
Например, при имерении последовательно включенных сопротивлеий rx и wLx при балансе моста получим
. (12)
При измерении активных сопротивлений на постоянном и переменном токе схемы рис.3.4 используются без конденсатора Cn.
Варианты мостовых схем для измерения параметров различных эквивалентных двухполюсников
Рис.6
Преимуществом схем рис.6 является реализация процесса уравновешивания мостов только путем регулировки резисторов. Недостаток - ограничение частотного диапазона сверху, так как стабильные и чисто активные переменные резисторы трудно реализовать с помощью непроволочных рабочих элементов.
В высокочатотных мостах с частотным диапазоном до сотен МГц применяются автотрансформаторные делители [5].
Погрешности в мостовых приборах могут составлять от десятых до тысячныч долей процента в зависимости от точности образцовых мер.
Ручная балансировка моста, особенно на переменном токе, представляет собой не только трудоемкий, но и сложный процесс.
Этот процесс относительно сложно автоматизировать, так как в измерительных цепях должны применяться цифровые делительные трансформаторы и схемы синхронизации, а так же програмируемые аттенюаторы.
В этой связи определенные достоинства по определению комплексного сопротивления представляют собой схемы с использованием образцовых двухполюсных мер и измерителей векторных отношений. В этом случае мосты с ручной балансировкой полезно использовать для аттестации образцовых мер.
1.5Измерение многополюсников путем сравнения с образцовыми мерами
Рассмотрим условия реализации базового машинно-ориентированного способа измерения линейных параметров многополюсника.
Согласно этому способу, сущность которого приведена в работах [1,2], для определения Y-матрицы многополюсника необходимо выполнить измерение матрицы Uo напряжений холостого хода согласно схемы рис.7а, на которой изображены: источник синусоидального напряжения Ei, многополюсник эквивалентный паразитным параметрам измерительной цепи с матрицей проводимости Yo. Источник Ei подключен к i-му входу-полюсу через комплексное сопротивление Zi, а остальные полюсы-входы нагружены на комплексные сопротивления Zj (j=1).
Индексами i и j обозначены точки подключения измерительного прибора, а именно пробник измерительного канала векторного вольтметра.
Согласно рис.7а при отсутствии измеряемого многополюсника (ИМП) и поочередном подключении последовательно к каждому резистору Zi источника Ei измеряют диагональные Uii и недиагональные
Uoji компоненты матрицы Uo. Затем при поочередном подключении образцовой Yoi меры последовательно к каждому источнику Ei с внутренним сопротивлением Zi (рис.7б) измеряют напряжение Uoi - элемент вектора калибровочных напряжений Uk. Операции измерений
матрицы Uo и вектора Uk опорных и калибровочных напряжений осуществляется n`+n раз, где n- число активных входов многополюсника по переменному току. На этом процесс калибровки измерительной схемы завершается. В результате определяется информация достаточная для учета влияния паразитных параметров эквивалентного многоплюсника Yo.
Рабочий цикл измерения производится согласно рис.3в. В этом случае параллельно схеме рис.7а подключают измеряемый многополюсник с матрицей проводимости Yo. В результате измерительные цепи оказываются нагруженными эквивалентным многополюсником с матрицей проводимости Yo, которую можно расчитать по формуле
Yo = Y + Yo . (13)
Затем производится измерение элементов Uji матрицы U нагруженного режима таким же способом, как и измерение элементов матрицы Uo опорных напряжений. Переключение источника Ei производится n раз и определяются n` напряжений.
Измерение параметров многополюсника
а- измерение элементов матрицы Uo опорных напряжений; б- измерение элементов вектора Uk калибровочных напряжений; в- измерение элементов матрицы и нагруженного режима
Рис.7
Элементы матрицы Uo, U и вектора Uk используются для расчета матриц передачи Ко холостого хода и К нагруженного режима.
Элемент матрицы Ко рассчитывают по формуле
, (14)
а элемент матрицы К- по формуле
, (15)
где Yп- полная проводимость входной цепи пробника измерительного канала векторного вольтметра.
В работе [2] показано, что Y- матрица измеряемого многополюсника может быть определена в результате решения матричного уравнения
Y = 2(K - Ko ) , (16)
где -1 - знак обращения матриц К и Ко.
1.6Методика измерения двух- и четырехполюсных радиоэлементов
Для случая двухполюсника
n = 1 (17)
имеем
i = 1; j = 0. (18)
Очевидно, что при условиях (17) - (18) имеем:
коэффициенты матриц Ко и К с индексами j не имеют смысла;
всего аттестуются один коэффициент по формуле (14) и один коэффициент по формуле (15);
индекс i не имеет смысла, так как n = 1, матричное уравнение (16) превращается в простое алгебраическое;
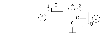
для определения полной проводимости Y двухполюсника достаточно выполнить согласно рис.8 измерение трех напряжений: Uo холостого хода (рис.8а), Uk калибровки (рис.8б) и U нагруженного режима (рис.8в).
С учетом (16) - (17) и отмеченных замечаний из формул (14) - (15) приходим к формулам
, (17)
Измерение двухполюсника

а - измерение напряжения Uo холостого хода; б - измерение напряжения Uk калибровки при нагрузке схемы образцовой мерой Yk; в - измерение напряжения U при нагрузке схемы измеряемым двухполюсником Y
Рис.8
, (19)Подставляя коэффициенты Ко и К в уравнение (16) с учетом замечания (15) получаем формулу для расчета аттестуемой проводимости Y.
, (20)
Таким образом, для определения полной проводимости (сопротивления) двухполюсника достаточно выполнить измерения трех напряжений согласно схемам (рис.8). При этом справедливы следующие условия:
измерительный процесс легко
автоматизировать, так как при его
реализации не требуется производить
подстроечные операции;
из трех тестов два (при регистрации напряжений Uo и Uk) являются калибровочными и при массовых измерениях на фиксированной частоте производятся только один раз;
при выполнении предыдущего условия процесс измерения сводится к регистрации одного напряжения U с последующим расчетом по формуле (20);
при диапазонных измерениях операции по калибровке можно свести к определению четырех вещественных функций, которые определяют модуль напряжения Uo
Uo = Uo(); (21)
аргумент напряжения Uo
модуль напряжения Uk
Uk = Uk(); (23)
и аргумент напряжения Uk
При использовании стабильной измерительной аппаратуры операции по определению функций (21) - (23) можно выполнить один раз, так функции (19) - (20) определяются в режиме холостого хода или при перестановке нагрузки и их зависимость от частоты не будет сложной. В большинстве случаев эти функции можно выразить через уравнения первого или второго порядка. Для их идентификации необходимо выполнить измерения в двух - трех точках заданного частотного диапазона.
Процесс определения АЧХ и ФЧХ двухполюсника может быть сведен к измерению модуля и фазы напряжения U согласно схеме рис.8в; определения по АЧХ и ФЧХ напряжений Uo и Uk на измеряемой частоте; определение модуля и аргумента проводимости Y на частоте измерения; выполнение аналогичных измерений на всех дискретных точках частотного диапазона, определенных планом эксперимента; вычисление АЧХ и ФЧХ проводимости Y двухполюсника; обработка АЧХ и ФЧХ для определения интересующих пользователя параметров, наблюдения на экране дисплея графиков и т.п.
Средства измерения
1.7Структурная схема измерительного стенда
Структурная схема измерительного стенда для измерения параметров способом сравнения с образцовыми мерами приведена на рис.4.1.
Ядром стенда служит тестер параметров радиоэлементов (ТПР). Автоматизированный режим измерения поддерживается программно с помощью персонального компьютера (ПК). Остальные блоки имеют следующее назначение:
регулятор температурного режима (РТР) для поддержания требуемой по условиям эсперимента температуры измеряемого образца;
программируемый генератор стандартных сигналов (ПГСС) для
измерения в заданном диапозоне частот;
программируемый источник питания (ПИП) для электропитания
измеряемых образцов по постоянному току при высоких уровнях потребляемой мощности;
векторный вольтметр (ВВ) для регистрации сигналов переменного тока;
пакет управления и обработки базы данных РЭ.
Структурная схема измерительного стенда
Рис.9
Контрольно измерительное устройство (КИУ) служит для управления и контроля режимами исследуемого РЭ по постоянному и переменному току. КИУ содержит измерительную головку (ИГ) для подключения исследуемого образца и электропитание его по постоянному и переменному току; и коммутатором сигналов статических и динамических измерительных цепей.
Управление КИУ, ПГСС, ПИП и РТР осуществляется ПК через ТПР. ТПР содержит интерфейс на основе МПУ, регистры для управления цифровыми устройствами в составе стенда и АЦП для измерения и контроля режимов измеряемого РЭ.
1.8Электрическая схема
1.8.1Общая электрическая схема стенда
Общая электрическая схема комплекса приведена на КД2.791.001ЭЗ (прил.).
Состав устройств на КД2.791.001ЭЗ и их назначение соответствует рис.9.
1.8.2Общая схема ТПР
Общая схема ТПР приведена на КД2.720.001ЭЗ.
ТПР содержит устройство А1 (стандартный блок питания БПС6-1) и устройство А2 (блок управления КД3.097.002).
Электропитание осуществляется от сети 200В 50Гц через вилку разъема Х1.
1.8.3Блок управления
Электрическая схема блока управления (БУ) приведена на КД3.097.002ЭЗ.
БУ содержит устройство А1 - ЦАП (КД5.192.007) для управления генератором тока (устройство А5 КД5.192.009); устройство А2 - ЦАП (КД5.192.007) для регулировки коллекторного напряжения при измерении транзисторов; устройство А3 - ЦАП (КД5.192.007) для управления устройством РТР (рис.9); устройство А4 - источник электропитания цепей гальванической развязки ПК с ТПР (КД5.192.008).
Управление устройствами А1- А3 осуществляется МПУ через регистры. Состав регистров, их элементов и управляемых устройств приведено в табл.1.
Таблица 1.
Соответствие регистров устройствам А1 - А3
|
Номер регистра |
Состав элементов |
Управляемое устройство |
|
1 |
DD7, DD8 |
A1 |
|
2 |
DD9, DD10 |
A2 |
|
3 |
DD13, DD14 |
A3 |
Функционирование БУ поддерживает МПУ на основе микроЭВМ К1816ВЕ35 (DD1), адресного регистра К1533ИР22 (DD2) и ПЗУ К573РФ2 (DD3). Тактовая частота МПУ (6 МГц) стабилизирована кварцем ZQ1.
Функциональное назначение остальных элементов схемы отражено в табл.2.
Таблица 2.
Функциональное назначение элементов БУ
|
Наименование элементов |
Функциональное назначение |
Объект управления |
|
DD4,DD5,DD6 |
дешифратор адреса |
регистры на элементах DD7 - DD16 |
|
DD11, DD12 |
регистр |
ПГСС |
|
DD15 |
регистр |
КИУ - статика |
|
DD16 |
регистр |
КИУ - динамика |
|
DA1, DA2 |
источник опорных напряжений |
устройства А1, А2, А3 |
|
U1, U2 |
гальваническая развязка |
ПК - БУ |
|
VT3, VT4 |
внешний усилитель мощности стабильного напряжения |
устройство А5 |
|
С4 - С20 |
блокировочные конденсаторы |
DD1 - DD16 |
Транзисторы VT4 - VT20 служат для согласования ТТЛ логики с реле, расположенных в КИУ .
Резисторы R15 - R20 служат для регулировки опорных напряжений, которые поступают на устройства А1 - А3. Назначение остальных резисторов понятно из схемы БУ.
Стабилитроны VD1 - VD4 служат для стабилизации режимов, причем VD1 и VD2 выбраны с учетом высокой температурной стабильности.
Разъем XS1 служит для связи с ПК, а через разъем XP1 проводится электропитание БУ от источника БПС6 - 1.
Разъем ХР2 служит для подключения ПГСС и источника Б5-50, а разъем ХР3 - устройства КИУ.
Процесс взаимодействия ПК и МПУ подразделяется на две законченные стадии: передача и прием данных.
При передаче данных с ПК на МПУ происходит следующее. Передаваемые данные в последовательном виде через оптотранзистор гальванической развязки U1 поступают на вход INT микроэвм DD1. Последняя, распознавая сигнал стартового импульса, обрабатывает принимаемые данные посредством виртуального драйвера поддержки протокола V.24 (описанного в п.п.7.3). Данные переведенные в параллельную форму, в соответствии с командой, записываются в выбранный, посредством микросхемы DD4, регистр (DD7-DD14).
При считывании данных с АЦП DA1 микроэвм инициирует управляющие сигналы и после завершения цикла счета DA1 передает данные на обработку виртуальному драйверу. После обработки данных с DA1 они в последовательном виде через оптотранзистор U2 гальванической развязки передается на ПК.
Электрическая схема устройств А1 - А3 приведена на КД5.192.007Э3. ЦАП сконструирован на базе микросхемы К572ПА1. Микросхемы DD1 - DD2 (повторители с открытым коллектором) служат для защиты цифровых входов от перегрузок, а также для согласования ТТЛ уровней с входными уровнями микросхем серии К572. Микросхема DD3 служит для управления реле К1 и К2, коммутирующих опорное напряжение. Микросхема DA2 (прецизионный операционный усилитель) служит для преобразования выходного тока DA1 в напряжение. Диоды VD1 и VD2 предназначены для защиты выхода DA1 от случайных наводок. Смещение входов 4 - 13 микросхемы DA1 производится напряжением +5В через резисторы R1 - R10, которое вырабатывается на эмиттере транзистора VT1, который работает в схеме делителя +15В поступающего на его коллектор. Конденсаторы С1 - С10 являются блокировочными. Соединение устройства с базовой схемой БУ осуществляется через контакты 1 - 27.
Электрическая схема устройства А4 (источника питания) приведена на КД5.192.008Э3. Оно выполнено на основе генератора Ройера. Генератор выполнен на элементах VT1 и VT2, R1 и R2, и трансформаторе Т2. Элементы С1, С2 и Т1 используется для фильтрации помехи с частотой преобразования. Элементы VD1, VD2, C3 - C6 образуют выпрямитель напряжения, а R3, R4, VD5, VD6 - параметрический стабилизатор.
Устройство А5, электрическая схема которого приведена на КД5.195.009Э3, представляет собой преобразователь напряжение - ток. И содержит 3 генератора тока, первый из которых собран на DA1, VT1, VT2 служит для привязки к напряжению питания, второй на DA2, VT3 формирует положительный выходной ток, а третий на DA3, VT4 - отрицательный. Расчет элементов устройства приведен в п.п.5.1.
1.8.4Контрольно - измерительное устройство
Общая схема КИУ приведена на КД3.097.001Э3. КИУ содержит 4 устройства:
измерительную головку (ИГ) - устройство А1;
дифференциальный измерительный усилитель (ДИУ) - устройство А2;
плату управления (ПУ) - устройство А3;
устройство управления и контроля режимов (УУКР) - А4;
гнезда коаксиальных разъемов Х1 - Х4 служат для подключения аналоговых выходов двух ВВ;
гнездо коаксиального разъема Х5 - для подключения выхода ПГСС;
переменный резистор R1 используется для подстройки режима источника тока, который расположен в устройстве А4, причем подключение осуществляется через переключатель устройства А3.
Устройство А4 является базовым. В нем расположены цепи контроля статического режима измеряемого РЭ, схемы автоматизированного управления рабочей точкой транзистора, в том числе программируемый источник тока для управления током коллектора (стока) при измерении транзисторов в режиме микротоков и коммутатор сигналов. Сигналы режимов по постоянному току вырабатываются непосредственно в УУКР, а аналоговые сигналы динамических режимов поступают с разъемов Х1-Х4. Сигналы управления режимом измеряемого РЭ по постоянному току поступают с контактов 3 - 5 на ИГ. Измерительные сигналы с выхода коммутатора , через контакты 7 - 12 устройства А4 поступают на ДИУ, с выхода которого (контакты 8 - 12) и контакты 15 - 20 устройства А4 подключаются к входу АЦП, расположенному в ТПР. Выбор режима измерения (транзистор - интегральная схема, структура NPN - структура PNP, внутренний - внешний источник тока) производится переключателями, расположенными в устройстве А3, которое через контакты 23 - 27 подключено к устройству А4. Сигнал с выхода ПГСС через разъем Х5 поступает на высокочастотный вход ИГ.
Общая схема устройства А1 приведенна на КД4.097.001. В состав ИГ входит:
устройство А1 - панель подключения РЭ (на схеме приведен вариант ПП для измерения биполярных транзисторов);
устройство А2 - согласующее устройство (СУ);
устройство А3 - тестовый аттенюатор.
Подключение к схеме КИО происходит через контакты 1 - 10. Электропитание транзистора по постоянному и переменному току осуществляется через контакты 1 и 2 устройства А1, контакты 4 и 5 используются для управления реле, которое коммутирует измеряемые сигналы переменного тока. Сигналы управления режимом транзистора поступают с контактов 6 и 7 ИГ на контакты 5 и 8 устройства А2. ВЧ сигнал с контакта 8 ИГ поступает на контакт 4 устройства А3. С выходов 1 или 2 устройства А3 ВЧ сигнал поступает на входы 1 или 2 устройства А1. Через контакты 1 - 5 ИГ осуществляется управление коммутатором устройства А3 и реле расположенном в устройстве А1.
Электрическая схема устройства А1 - ИГ приведена на КД5.192.003Э3. Устройство содержит контакты Х1, Х2, Х3 для подключения транзистора, разъем Х4 для подключения измерительного входа ВВ и реле К1 с контактами К1.11 - К1.13 для подключения ВВ к коллектору или базе транзистора. Подключение устройства к ИГ происходит через контакты 1- 5.
Электрическая схема СУ (устройство А2 ИГ) приведена на КД5.192.002Э3. Резисторы R1 и R4 служат для электропитания коллектора и базы по постоянному току. Сигналы переменного тока снимаются с контактов 6 и 7 и через согласующие эмитерные повторители, собранные на транзисторах VT1 и VT2, и резисторы R1 и R3 поступают для электропитания базы или коллектора по переменному току. Стабилитроны VD1 и VD2 для стабилизации режимов эмитерных повторителей. Конденсаторы С1 - С8 служат для развязки цепей по переменному и постоянному току или блокировки по переменному току. Пары резисторов R1,R2 и R3,R4 служат нагрузочными резисторами в цепи коллектора и базы.
Электрическая схема ТА (устройство А3 ИГ) приведена на КД5.192.001Э3. ТА служит для регулировки уровня сигнала при измерении транзисторов или микросхем. Собственно ТА содержит 3 ступени деления по 20 дБ каждая, включенные последовательно. Идентичные делители на резисторах R3 - R5, R6 - R8 и R9 - R11 собранные по «П»-образной схеме и позволяют регулировать сигнал без изменения выходного и входного сопротивления, которое при любых коммутациях остается равным 50 Ом. Управление делителем осуществляется реле К2 - К4. Реле К1 служит для подключения ТА к цепи коллектора (нормальное положение) или к цепи базы. Резисторы R1 и R2 служат для согласования входных цепей. ВЧ сигнал поступает через контакт 4, а выходные снимаются с контактов 1 или 2, контакты 5 - 8 используются для управления реле.
Устройство А2 КИУ (дифференциальный измерительный усилитель) представлено на КД5.192.005Э3. ДИУ содержит 3 прецизионных операционных усилителей DA1 - DA3. На DA1, DA2 собран усилитель с коэффициентом усиления дифференциального сигнала 2,5 а синфазного сигнала - 1. На DA3 собран усилитель, коэффициент усиления дифференциального сигнала - 1, а синфазного - 0. Благодаря такому решению ослабление синфазного сигнала 100 дБ. Коэффициент усиления дифференциального сигнала задается резисторами R3,R5,R6 и R8, причем R5 служит для точной подстройки коэффициента усиления. Резистор R4 предназначен для балансировки усилителя (установка 0). Резистор R13 служит для оптимизации коэффициента ослабления синфазного сигнала, а элементы С1 - С4, R14, R15 представляют собой фильтр питания.
Принципиальная схема устройства А3 КИУ приведена на КД5.192.004Э3. Она содержит переключатели: S1 - для электропитания транзистора (PNP или NPN структура); S2 - для подключения внешнего или внутреннего источника тока; S3 - для выбора измеряемого элемента (транзистор - микросхема). Светодиоды HL1- HL2 для индикации положения переключателей. Соединения устройств А3 с А4 КИУ производится с помощью контактов 1 -17.
Устройство А4 КИУ представлено на КД5.192.006Э3 (УУКР). Оно содержит программируемый синтезатор коллекторного напряжения на микросхеме DA1 и DA2, транзисторах VT1 и VT2 и стабилитронах VD1 и VD2. Который реализует устройство регулировки коллекторного напряжения транзистора по АС№ 1084709 СССР. Управление рабочей точкой по напряжению Uк осуществляется от ЦАП. Сигнал управления поступает через контакты 24а, 25а разъема Х1 на резистор R1 (см. схему КД3.097.001). Сигнал с движка резистора R1 поступает на инвертирующий вход микросхемы DA1. На неинвертирующий вход этой микросхемы поступает сигнал обратной связи с выхода делителя R1 - R2, который подключен к коллекторной цепи измеряемого транзистора через контакт 8. Схема на ОУ DA2 представляет собой прецизионный источник тока, управляемый напряжением. Этот источник включается вместо внешнего источника тока, расположенного в БУ ТПР, при микромощных токовых режимах. При этом для программного управления используется мощный источник тока, сигнал от которого поступает через контакты 28а и 29а.
Коммутатор на реле К1 - К9 служит для переключения измерительных цепей в процессе измерения.
Таблица 3
Таблица состояний реле
|
Измеряемый параметр |
Состояние реле |
|||||
|
К1, К2 |
К3 |
К4,К5 |
К6 |
К7 |
К8,К9 |
|
|
1 |
2 |
3 |
4 |
5 |
6 |
7 |
|
Модуль напряжения первого ВВ |
0 |
1 |
- |
0 |
0 |
0 |
|
Аргумент напряжения первого ВВ |
0 |
0 |
- |
0 |
0 |
0 |
|
Модуль напряжения второго ВВ |
1 |
1 |
- |
0 |
0 |
0 |
|
Аргумент напряжения второго ВВ |
1 |
0 |
- |
0 |
0 |
0 |
|
Ток коллектора Iк |
- |
- |
1 |
1 |
1 |
0 |
|
Напряжение коллектора Uк |
- |
- |
1 |
1 |
0 |
0 |
|
Ток базы Iб |
- |
- |
0 |
1 |
1 |
0 |
|
Напряжение базы Uб |
- |
- |
0 |
1 |
0 |
0 |
|
Напряжение питания микросхемы |
- |
- |
- |
- |
- |
1 |
Примечания:
1. УУКР в перспективе рассчитан на измерение с применением двух ВВ (для этого введены реле К3 и К2).
2. резистор R1 - эталонная мера в цепи питания коллектора, определение которого производится по формуле
Iк = U>R>>3> / R3, (25)
где U>R>>3 >- падение напряжения, регистрированное на R3.
3. Образцовый резистор R4 служит для измерения тока базы, который рассчитывают по формуле
Iб = U>R>>4> / R4, (26)
где U>R>>4 >- падение напряжения, регистрированное на R4.
4. При измерении микросхем их электропитание по постоянному току осуществляется через контакты 28а и 29а, причем вместо источника тока используется источник напряжения.
Управление реле и электропитание электронной части УУКР производится через разъем Х1, который служит для соединения УУКР с БП ТПР.
Реле К1 - К9 управляется через контакты 4а, 6а, 8а, 10а, 14а и 15а разъема Х1. Через контакты 4, 6, 8, 10, 14 этого разъема поступают сигналы управления реле ИГ.
1.9Конструкторская проработка электрической схемы
При разработке электрической схемы были приняты во внимание основные принципы функционально - блочного метода конструирования и оптимальные условия выполнения измерительного процесса. В этой связи аппаратная часть комплекса было решено разделить на два функциональных узла: блок управления и контрольно-измерительное устройство. Это позволило разделить цепи управления в блоке БУ, а измерительные цепи в блоке КИУ. Сосредоточение всех измерительных цепей в локальном пространстве блока КИУ позволило свести к минимуму уровень помех, которые неизбежно возникают при работе цифровых цепей, за счет пространственного разнесения цифровых и аналоговых измерительных цепей, минимизации соединительных проводников, соединяющих измерительные цепи. Кроме того представляется возможным применение КИУ в виде отдельного, функционально законченного блока, что позволяет улучшить эргономические показатели всего комплекса в целом.
В процессе разработки схемы ТПР было принято во внимание использование в качестве базового блока корзины от ЭВМ ДВК-2М со стандартным блоком питания БПС 1-6. Это принципиально решило вопросы по электропитанию комплекса по постоянному току от сети 220В 50Гц.
БУ было решено сконструировать на базе макетной платы с полупечатью. Так как БУ должен содержать ряд достаточно сложных схем (ЦАП - 3 шт; источник питания ИП; генератор тока ГТ), размещение элементов которых непосредственно на плате представляет известную сложность из-за лимита площади, то эти устройства было решено выполнить в виде отдельных изделий (устройства А1 - А5), которые подключаются к базовой кассете.
При разработке схемы КИУ было принято во внимание функциональное назначение отдельных ее составных участков схемы. Особое внимание было уделено учету конструктивных особенностей измерительной головки. При этом были приняты во внимание вопросы развития и усовершенствования конструкции. Так как ИГ, с помощью которой реализуется принятый способ измерения, можно исключить при определении параметров широкого класса радиоэлементов (пассивные и активные, двухполюсники, в том числе 15 типов диодов; биполярные и полевые транзисторы различных структур; аналоговые ИС и т.д.), то при разработке схемы было учтено использование сменных отдельных модулей, позволяющих оптимизировать измерение конкретного РЭ. В первую очередь это касается контактной панели (устройство А1 ИГ). Выделение ТА (устройство А3 ИГ) в виде отдельного модуля позволяет оптимизировать процесс измерения активных четырехполюсников при отсутствии ПГСС с программируемым уровнем выходного сигнала. Так как согласно базовому способу измерения (АС№ 1317370 СССР) можно определять параметры многополюсников в диапазоне частот до единиц ГГц, то были предусмотрено использование легкозаменяемого согласующего устройства ( устройство А2 ИГ). Это позволяет использовать базовый модуль УУКР (устройство А4 КИУ) при использовании новых конструкций модулей ИГ предназначенных работать в разных диапазонах частот. Сосредоточение органов управления блоком УУКР на отдельной плате, расположенной в непосредственной близости к лицевой панели, позволило упростить структуру соединительных проводников.
Использование в виде отдельного модуля позволило упростить настройку и позволяет применить индивидуальную защиту от электромагнитных помех в случае измерения микромощных токов измерительным усилителем (устройство А2 КИУ).
1.10Выбор и обоснование элементной базы
В разработанном комплексе применены широкораспространенные и дешевые радиоэлементы. Для цифровой части комплекса выбрана серия К1533, т.к. она имеет пониженное энергопотребление и малые входные токи, что позволяет повысить нагрузочную способность микроЭВМ К1816 до 15 (против 1 с серией К155). МикроЭВМ выбрана серии К1816 как наиболее доступная и отвечающая требованиям быстродействия и оптимальной архитектуры.
В качестве операционных усилителей выбран самый дешевый из прецизионных ОУ К140УД17А с малым температурным и временным дрейфами нуля. Высоким входным сопротивлением и коэффициентом ослабления синфазного сигнала.
Блокировочные конденсаторы применены типа КМ и К50-35 как наиболее дешевые и допустимые.
Резисторы применены типа МЛТ с допуском 10% (для измерительного усилителя 1%).
РАСЧЕТНАЯ ЧАСТЬ
1.11Расчет генератора тока управляемого напряжением
Упрощенная схема преобразователя приведена на рис. 10.
Преобразователь напряжение - ток

Рис.10.
Исходные данные для расчета:I>н>>max> = 0,1 A, при U>н >= 10 В; U>вх>>max> = 5 B; Е>пит> = 12 В.
Выбираем резисторы R3 (пренебрегая U>кэнас> VT3 и VT4)
. (27)
В нашем случае R3 = 20 Ом.
Выбираем резисторы R1 и R2:
. (28)
Для I>н>>max> = 0,1 А, R3 = 20 Ом и U>вх>>max> = 5 B получим R1/R2 = 2/5. Выбираем R1= 400 Ом, тогда R2 = 1 кОм.
1.12Расчет преобразователя напряжения
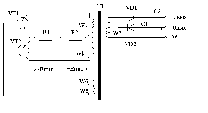
Преобразователь напряжения КД5.192.002 построен по схеме генератора Ройера (рис.11).
Преобразователь напряжения на основе генератора Ройера

Рис.11
Исходные данные для расчета:напряжение питания U>1> - 5B;
выходное напряжение преобразователя U>2> - 15B;
максимальный ток вторичной обмотки I>2>>max> - 50mA;
частота генерации f - 25000 Гц.
1.12.1Расчет элементов преобразователя
Определяем ток коллектора открытого транзистора
I>кнас> = I>2max> U>2> / U>1>, (29)
где - КПД преобразователя.
Принимаем = 0,8 , I>2>>max> = 0,05А , U>2> = 15В, U>1 >= 5В. При таких значениях получаем I>кнас> = 0,19 А.
Определяем максимальное напряжение на закрытом транзисторе
U>кэ>>max> = 2,4 U>1>. (30)
При U>1 >= 5В получаем U>кэ>>max> = 12В.
Выбираем тип транзисторов VT1 и VT2 по значениям U>кэмах> и I>кмах>, причем
I>кмах> = I>кнас> 2,5 . (31)
Если I>кнас> = 0,19А, то I>кмах> = 0,48А. Этим требованиям удовлетворяют широко распространенные транзисторы КТ815А. Для них I>кмах> = 1,5А, U>кэ>>max> = 25В, h>21Э> 40.
Определяем ток базы транзистора
I>бнас> = 1,4 I>кнас> / h>21Э>>min>, (32)
где h>21Э>>min> - минимальное значение коэффициента передачи тока транзистора в схеме с общим эмиттером.
В нашем случае h>21Э>>min> = 40, а I>бнас> = 6,7 10-3 А.
Напряжение базовых обмоток W>б> (рис.11) U>б> выбираем равным 3В (среднее значение напряжений насыщения база - эмиттер транзисторов большой мощности).
Сопротивления резисторов R1 и R2 равны:
R1 = (U>б> - 0,65) / I>бнас>, (33)
R2 = U1 R2 / 0,7 . (34)
Исходя из имеющихся данных получаем R1 = 350 Ом и R2 = 2,5 кОм.
1.12.2Расчет трансформатора
Типоразмер магнитопровода трансформатора выбирается по произведению Sст >*> Sок
Sст >*> Sок = Рг .102 / 2 .f . Bs . j . Km . Kc . , (35)
где Sст - площадь поперечного сечения стержня магнитопровода (см2); Sок - площадь поперечного сечения окна магнитопровода (см2); Рт - габаритная мощность трансформатора Bs - индукция насыщения материала магнипровода; j - плотность тока в проводах обмотки трансформатора; Кm - коэффициент заполнения медью окна сердечника; Кс - коэффициент заполнения площади поперечного сечения стержня магнитопровода материалом магнитопровода.
Рг = Uc . I / . (36)
В нашем случае Рт = 0,94 Вт.
В качестве материала магнитопровода выбираем феррит марки 2000НМ, как самый доступный, а трансформатор тороидальный. Для феррита марки 2000НМ Bs = 0,35 Тл, Кс = 1.
Так как трансформатор тороидальный, то в качестве Кm возьмем оценочное значение 0,2. Плотность тока j выберем равной 5 А/мм2, т.к. трансформатор маломощный.
Таким образом получаем Sст >*> Sок = 5,4.10-3(см4), или 54 мм4. Из стандартного ряда магнитопроводов нам подходит типоразмер К10х6х2 (рис.11). Для него Sок = 28,27 мм2, Sст = 3,19 мм2, Sст >*> Sок = 110,5 мм4. Для расчетов Sок 0,28 см2, Sст 0,04 мм2.
Магнитопровод К10х6х2

Рис.12
Число витков коллекторных обмоток
Wк = U>1> . 104 / 4 . f . Bs . Sст . Kc, (37)
что в нашем случае составляет примерно 36 витков.
Число витков вторичной обмотки
W>2 >= (U>2> / U>1>) . Wк. (38)
Для нас это составляет 108 витков.
Число витков базовых обмоток
W>б> = (U>б >/ U>1>) . W>1>. (39)
При U>б> = 3В и U>1> = 5В число витков W>б> = 22 витка.
Определим токи в обмотках трансформатора
, (40)
. (41)
Исходя из расчетов Iк = 0,27А, а Iб = 9,5 . 10-3 А.
Определим диаметры проводов обмоток
, (42)
где d - диаметр провода (мм);
j - плотность тока (A/мм2);
I - значение тока (А).
Для коллекторных обмоток d>красч >= 0,26 мм, для базовых обмоток обмоток d>брасч >= 0,049 мм, для вторичной обмотки d>2расч >= 0,013 мм.
Исходя из стандартных диаметров проводов и технологических соображений принимаем
d>к >= 0,25 мм,
d>б >= 0,1 мм,
d>2 >= 0,1 мм.
Таким образом, расчет преобразователя напряжения можно считать завершенным.
1.13Расчет печатной платы
Основные данные для расчета сведены в табл.4.
Таблица 4
Расчет установочной площади ЭРЭ
|
Наименование |
Количество |
Sуст, см2 |
|
Резисторы |
||
|
МЛТ 0.25 |
70 |
0,39 |
|
МЛТ 0.5 |
3 |
0,6 |
|
МЛТ 1 |
2 |
1,14 |
|
СП5-2,2В |
12 |
1,69 |
|
Конденсаторы |
||
|
КМ-1 |
30 |
0,18 |
|
К50-35 |
15 |
0,38 |
|
Диоды |
||
|
КД106 |
4 |
0,5 |
|
КД521А |
12 |
0,24 |
|
Стабилитроны |
||
|
КС512 |
4 |
1,4 |
|
Оптотранзисторы |
||
|
АОТ110А |
2 |
0,64 |
|
Транзисторы |
||
|
КТ972 |
2 |
0,35 |
|
КТ815 |
2 |
0,35 |
|
КТ973 |
1 |
0,35 |
|
КТ3102Е |
2 |
0,2 |
|
КТ3107Л |
2 |
0,2 |
|
Микросхемы |
||
|
КР1816ВЕ35 |
1 |
5,4 |
|
К1533ИР22 |
10 |
2,25 |
|
К573РФ2 |
1 |
4,65 |
|
К1533ИД7 |
1 |
1,8 |
|
К1533ЛН2 |
1 |
1,8 |
|
МАХ177 |
1 |
2,25 |
|
КР140УД17А |
15 |
1,44 |
|
К572ПА1 |
3 |
1,8 |
|
К1533ЛП9 |
3 |
1,8 |
|
Реле РЭС55 |
2 |
0,5 |
|
Феррит 2000НН |
2 |
3,1 |
|
СТФ-2-35 |
1м2 |
|
|
ТМ-250 |
30м |
|
|
ПЭВТЛК2 |
40м |
|
|
Итого |
155,1 |
Площадь платы ТПР S = 660 см2.
Коэффициент заполнения по площади Ks = 155,1 / 660 = 0,235.
1.14Расчет надежности
Данные для расчета надежности сведены в табл.5.
Таблица 5
Надежность элементов
|
Наименов. |
Кол |
Интенсивн отказов >i>.1061/ч |
Коэф.нагр. К>н>>i> |
Рабочая температ Т>i>, oC |
Интенсивн. отказов с учетом внешних условий >i>.1061/ч |
|
|
Конденсаторы |
22 |
0,15 |
0,7 |
20 |
0,045 |
0,99 |
|
Микросхемы |
20 |
0,013 |
- |
30 |
0,26 |
0,26 |
|
Резисторы |
39 |
0,03 |
0,6 |
20 |
0,0165 |
0,6435 |
|
Опто- транзисторы |
2 |
4,7 |
0,5 |
20 |
2,35 |
4,7 |
|
Стабилитроны |
4 |
0,157 |
0,5 |
20 |
0,0785 |
0,314 |
|
Транзисторы |
20 |
0,5 |
0,5 |
30 |
0,35 |
7 |
|
Разъемы |
4 |
0,0005 |
0,8 |
20 |
4.10-4 |
1,6.10-4 |
|
Пайка печатная |
300 |
0,01 |
0,5 |
20 |
0,005 |
1,5 |
|
Провода соединители |
200 |
0,015 |
0,5 |
20 |
0,0075 |
1,5 |
|
Плата печатные схемы |
1 |
0,7 |
0,8 |
20 |
0,56 |
0,56 |
|
Всего |
17,467 |
К>1мех.возд.> = 1
К>2влиян.влажн.> = 1
К>3влиян.атм.давл> = 1
Интенсивность отказа схемы
.
Вероятность безотказной работы в течении заданной нароботки tp= 10000 часов равна .
КОНСТРУКЦИЯ ТПР
1.15Общая компоновка
Электронная часть комплекса реализована в виде двух модулей ТПР и КИУ, ТПР выполнен на базе корзины микроЭВМ ДВК -2М причем для электропитания комплекса используется стандартный блок питания БПС 6-1, расположенный в этой корзине.
Другой блок представляет устройство КИУ, в котором сосредоточенны цепи измерения режимов исследуемых РЭ по переменному и постоянному току.
1.16Блок управления
БУ смонтирован на макетной полупечатной плате, на которой размещены элементы МПУ, АЦП, устройство гальванической развязки, а также модули ЦАП (3 модуля), генератор тока (ГТ_ и питание схемы гальванической развязки с ПК.
1.17Контрольно-измерительное устройство
Блок КИУ (КД3.097.001СБ) выполнен в виде кассеты 1 (КД3.097.003). Кассета вставляется в корпус по специальным направляющим и фиксируется замком. Крышка 3 крепится к основанию 2 двумя винтами М3 и выполняем эстетически-защитную функцию. Кассета КД3.097.003СБ содержит основание 1, устройство 2 (плата УУКР), плату 3 (устройство ПУ), модуль 4 (устройство ИГ), лицевую панель 5, заднюю панель 6, стойки 7 и уголки 8 для крепления платы 3, резистор 9 и гнезда 10 с элементами крепления 14, 15 и ручкой 17, винты 11, 12 с элементами крепления 18,16.
1.18Измерительные головки
В процессе проектирования были разработаны модули устройств А1 (контактная панель (КП) КД5.192.003) и А3 (ТА КД5.192.002).
Сконструированный вариант КП предназначен для измерения транзисторов серий КТ201, 203, 313 и других с аналогичными корпусами, при этом были приняты меры для уменьшения погрешности измерения индуктивности эмиттерного вывода за счет корректного подключения транзистора, а также уменьшения влияния индуктивности коллекторных и базовых измерительных цепей за счет рационального подключения измерительного входа ВВ.
Программные средства
1.19Концептуальный пакет программ управления тестером
Структурная схема пакета программ для управления тестером в процессе измерения статических и динамических параметров радиоэлементов, принятой выше номенклатуры, приведена на рис.7.1.
Структура пакета программ управления тестером статических и динамических параметров радиоэлементов

Рис.14
Пакет программ управления тестером (ППУТ) содержит два блока программ: пакет блока измерения (ПБИ) и пакет блока калибровки (ПБК).
В ПБИ входят программы идентификации вольт-амперных характеристик (ВАХ), частотных характеристик (ЧХ), факторных статистических моделей (ФСМ) и графических моделей (ГМ). Пакет ВАХ предназначен для формирования макромоделей диодов (Д), биполярных транзисторов (БТ), полевых транзисторов (ПТ), микросхем (МС) и операционных усилителей (ОУ). Каждый из блоков Д, БТ, ПТ, МС и ОУ может представлять собой пакет из нескольких управляющих программ, каждая из которых отражает специфику измерения конкретного элемента (заметим, что только полупроводниковые диоды делятся на 15 принципиальных классов).
Пакет ЧХ содержит блоки пассивных двухполюсников (ПДП), пассивных четырехполюсников (ПЧ), пассивных многополюсников (ПМ), динамических параметров двухполюсников (ДД), динамических параметров биполярных транзисторов (ДБТ), динамических параметров микросхем (ДМС) и динамических параметров ОУ (ДОУ). Каждый из указанных блоков в принципе представляет собой пакет управляющих программ отражающих не только специфику измеряемого элемента, но и вид модели, например графической или факторной.
В результате реализации измерений согласно пакетов ВАХ, ЧХ, ФСМ, ГМ формируется информационная база данных элементов, управляемая программой ИБДЭ.
Пакет ПБК содержит блоки калибровки режимов измерения ВАХ (КВАХ), частотных характеристик (КЧХ), факторных моделей (КФМ), графических моделей (КГМ), которые объединяются пакетом оптимизации (ОПТ). При реализации программ КВАХ, КЧХ, КФМ, КГМ и ОПТ в качестве основных модулей используются программы из пакетов ВАХ, ЧХ, ФСМ и ГМ, а также априорная информация, содержащаяся в ИБДЭ.
В результате реализации работы в пространстве пакета ПБК определяется оптимальный режим работы тестера для конкретного радиоэлемента. Данные калибровки записываются в информационную базуданных калибровки, управляемую программой ИБДК и используемых при реализации пакета ПБИ, если пространство режимов измеряемого элемента уже определено в ИБДК.
1.20Предложения о порядке разработки пакета ППУТ
Базовым способом измерения является алгоритм определения Y-параметров многополюсника, приведенный в [9] и описанный в пунктах 3.3 - 3.4. По данным факторных уравнений Y-матриц могут быть вычислены:
- параметры малосигнальных эквивалентных схем;
- динамические емкости нелинейных моделей диодов и
транзисторов;
- зависимости параметров эквивалентных схем от режима диодов,
транзисторов и микросхем по постоянному току.
В этой связи в первую очередь реализовать базовые программы из пакетов ЧХ и ФСМ, а именно программы блоков ПДП, ПЧ, ДД и ДБТ. Причем эти программы имеют общее ядро в виде подпрограммы управления тестером и считывания информации, а программы ПДП и ДД отличаются включением в программы пакета ДД соответствующих моделей из пакета ВАХ, а пакеты ПЧ, ПМ и ДБТ, ДПТ и ДМС- включением соответствующих "статических" блоков из пакета ВАХ.
Реализация перечисленных программ позволит организовать ИБДЭ, и определить необходимые условия для организации пакета ПБК и базы данных ИБДК.
1.21Виртуальный драйвер поддержки протокола V.24
Для работы МПУ осуществляющего обмен информацией с ПК, необходима программа эмулирующая на программном уровне протокол обмена по последовательному порту V.24.
Данная программа написана на языке ассемблера с использованием программного эмулятора процессора класса ВЕ35 написанного для компьютера IBM-PC на языке высокого уровня Pascal - 7.0.
Драйвер поддержки протокола V.24, в дальнейшем драйвер, позволяет кроме обмена данными с ПК осуществлять управление всеми составными частями комплекса с помощью программирования регистров.
Подробнее остановимся на работе программы, листинг которой представлен в прил.18. Алгоритм программы представлен на рис. 15.
Программа реализует программную поддержку протокола V.24, что накладывает свой отпечаток на структуру программы. После запуска программа начинает ожидать стартовый бита, по пришествии которого происходит последовательный прием 8 бит, которые образуют байт команды. В зависимости от команда происходит соответствующее ветвление по структуре алгоритма и выполнения заложенных действий.
Для управления МПУ существует набор команд (табл.6) состоящих из 1 или 2 байт.
Таблица 6
Команды управления
|
Команда |
Назначение |
Количество бит |
|
|
DEC |
BIN |
||
|
17 |
0001 0001 |
Чтение Р2 |
1 |
|
128+ |
1000 хххх |
Запись в регистры |
2 |
|
144+ |
1001 хххх |
Чтение регистров |
1 |
|
0 |
00000000 |
Запись Р1 |
2 |
|
1 |
00000001 |
Запись Р2 |
2 |
|
32 |
00100000 |
Чтение Т1 |
1 |
2-х байтных командах, предназначенных для управления АЦП, передачи информации в ЦАП, или внешнее ОЗУ (регистры), вторым
Алгоритм работы виртуального драйвера
1
Начало

2
CBYTE=127
ENTO CLK



3
Вывод в порт
Р1 числа 127


4


Вывод в порт
Р
2
числа 0



5
LOAD

6
RBYTE = A



7
Биты Да
4,5,6 аккумулятора
в
ыключены?


Нет
8
Да Бит 4
аккумулятора
в






ключен?
Нет



Нет Бит 5
а

ккумулятора
включен?
Да
Уровень Да
н


а
входе Т1
высокий?


Нет
R2 = 0 R2 = 255


SAVE SAVE
Процедура СНН
Начало
R








4
= 1, 13
Конец
RBYTE = A
Бит 7



аккумулятора
включен?
А = RBYTE1
A = A and 15
R0 = A





MOVX A,@R0
Чтение
из
порта Р2




R2 = A R2 = A








SAVE SAVE



Процедура HHH

Начало




R








4
= 1, 10


Конец











LOAD


RBYTE2 = A
A = RBYTE1



Бит 7
аккумулятора


включен?


A
= RBYTE1
A = RBYTE1
A = A and 1

R0 = A
A = RBYTE2
Бит 0
аккумулятора


включен?
MOVX @R0,A
A = RBYTE2
A
=
RBYTE2
A = A and 127
CBYTE = A
Вывод в порт Вывод в порт
Р1 аккумулятора Р2 аккумулятора
Процедура LOAD
Начало


R2 = 0
R5 = 8




С = 0 A = R2
Уровень С = С R5 = R5-1


на
входе
INT RRC A A = R5
высокий?





R3
= 1,14

Нет В
аккумуляторе






ноль?
CHH


Уровень


на входе INT
высокий?



C = 0 R2 = A
A = R2 R5 = R5-1
RRC A A = R5
NOP

































LOAD


RBYTE2 = A
A = RBYTE1
В

Нет аккумуляторе
ноль?
Да
A
= R2
Конец
Процедура SAVE
Начало







A = CBYTE
A = A or 128 HHH






Вывод в порт R3 = R3 - 1
Р2 аккумулятора A = R3
NOP
NOP В Нет



NOP
аккумуляторе
ноль?
HHH

Да

R3 = 8




A = R2 А = CBYTE
RRC A A = A and 127
R2 = A







Ввод
в порт Р2
аккумулятора



Флаг «С»


включен?
ННН
Конец
A = CBYTE A = CBYTE
A = A and 127 A = A or 128
Вывод в порт Р2 Вывод в порт Р2
аккумулятора аккумулятора
байтом идет сам байт информации, а адрес получателя заложен в младших битах команды управления.
1.22Программа измерения параметров двухполюсников
Данная программа является составной частью пакета программ для программно-технического комплекса ПТК-3. Основной задачей данной программы является обеспечение взаимодействия оператора и исследуемого образца путем передачи сигналов по цепочке: персональный компьютер - интерфейс связи - образец, в обоих направлениях. Для обеспечения работы программы в составе пакета программ применено объектно-ориентированное программирование на языке высокого уровня Pascal. Данная программа осуществляет измерение двухполюсников с сохранением информации на магнитном носителе в базе данны радиоэлементов. Листинг программы представлен в прил. 19 и 20, а алгоритм программы на рис. 16. В связи с размерами программы алгоритм дан с низкой детализацией.
Алгоритм работы программы «Двухполюсник»
Начало


Нет



Калибровать?
Ввод из
Да ИБДТ
PR1, Ввод f, Rk
Расчет fk, b, Ck, Lk, Zk
Данные
Проверить Нет калибровки в Нет





тестер? ИБДТ записать?

Да Да
Массив данных Запись в
многократных ИБДТ

измерений одного
образца
Статистическая
обработка
результатов
Измерения 





выполнять?
Режим Да Нет
нормальный?
Да
Н


ет


Измерение партии
Установите и устра- образцов и выдача
ните причины результатов на


нестабильности дисплей
Нет Запись в


ИБДТ?
Да
Запись в
ИБДТ


Конец
1.23Программа для измерения четырехполюсников
Данная программа, также как и вышеописанная, является составной частью пакета программ для снятия параметров радиоэлементов. Данная программная часть является реализацией алгоритма по измерению четырехполюсников. Программа построена в соответствии с концепцией структурного программирования с реализацией обмена с базой данных радиоэлементов. Одной из отличительных особенностей программы является возможность сохранения данных калибровки на магнитном носителе при соответствующе настроенной аппаратной части, что приводит к значительному уменьшению времени на измерение элементов.
Программа формально разбита на несколько частей. Одна из основных частей осуществляет взаимодействие с интерфейсом связи через последовательный порт персонального компьютера типа IBM-PC, в связи с этим были использовано непосредственное программирование порта через функции BIOS’а с программированием на языке низкого уровня - ассемблера. Часть осуществляющая большое количество математических вычислений реализована полностью на Pascal’е с использованием объектно-ориентированной математической библиотеке из комплекта поставки объектно-ориентированной библиотеке Turbo-professional.
Листинг программы представлен в прил.21, а алгоритм программы на рис.17. В связи с большим объемом программы, алгоритм представлен с низкой детализацией.
Алгоритм программы для измерения четырехполюсников
Начало



Нет



Калибровать
ФК2-12?
Да
PR1
Расчет fk, b
ИГ Нет
калибровать?
Да


PRR1
Ввод
Ввод f[3],r k[2] файла с данными
Расчет ck1[3],ck2[3],lk[3] калибровки

lk2[3],yk1[3],yk2[3]
PRX (Опыты Х.Х.)
В пространстве f[3]
Расчет ka1[2,3],ka2[2,3]
k01[2,3],k02[2,3],k0[2,2,3]
Занести Нет
результаты в
ИБДК?
Д
а
Запись
результатов в
ИБДК
Сообщение
Тестер к измерению
ПЧП подготовлен
Нужен Нет


контроль
режима?
Да
PRK

Ввод
размера партии
N





j
= 1,3





l
= 1,N






Запись файла





k
= 1,4 в ИБДЭ





Измерение
матрицы U
Расчеты матриц К и Y
Конец
1.24Предложения по организации информационной базы данных радиоэлементов
В предыдущих пунктах были рассмотрены вопросы программного измерения параметров двух- и четырехполюсных элементов. Это накладывает свой отпечаток на вопрос сбора и обработки большого объема информации.
Для сбора информации о элементах должна использоваться соответствующая программа - для измерения двух- или четырехполюсных радиоэлементов.
Для хранения большого объема информации с возможностью быстрого доступа к ней необходимо использование специализированных систем управления базами данных (СУБД). В данный момент разработанно большое количество СУБД как в России, так и за рубежом.
Из наиболее популярных СУБД разработанных в России является реляционная СУБД «Линтер» воронежской фирмы Релекс. Из разработанных за рубежом - информационная среда разработчика баз данных АCESS фирмы Microsoft и дальнейшая модернизация языка высокого уровня Pascal для работы в среде Windows - Delfy.
Любая из представленных СУБД позволяет решить поставленный вопрос по хранению и доступу к информации.
Единственное ограничение на использование зарубежных СУБД заключается в цене лецензионной копии, которая составляет 200 - 400 долларов США. При этом цена разработки Релекса составляет примерно 50 долларов США. В связи с этим решение о применении той или иной СУБД должен принимать соответственно разработчик информационной базы данных радиоэлементов.
Применение в качестве ядра СУБД программы рассчитанную на работу в среде Windows не является недостатком, а наоборот позволяет реализовать многозадачный режим работы компьютера. Данный режим позволит псевдопараллельно работать с программой измерения РЭ и СУБД.
В связи со всем вышесказанным можно сделать следующий вывод: для информационной базы данных РЭ необходимо использование СУБД, желательно рассчитанной на работу в среде Windows, программа осуществляющая взаимодействие пользователя с СУБД должна обеспечивать дружественный интерфейс и контекстную систему помощи.
Организационно экономическая часть
1.25Определение трудоемкости темы
Таблица 7
Расчет трудоемкости разработки рабочих чертежей
|
Виды работ |
Кол-во чертежей шт. |
Норма времени на 1 чертеж, чел.-ч |
Трудоемкость разработки рабочих чертежей, чел.-ч |
|
Принцип. Схемы |
64 |
4,0 |
256 |
|
Монтажные схемы |
32 |
2,5 |
80 |
|
Алгоритмические схемы |
48 |
3.0 |
144 |
|
Эскизы конструкции |
16 |
3,5 |
56 |
|
Всего |
160 |
536 |
Трудоемкость разработки рабочих чертежей
Т>ррч> = t*К>нов>*К>сер>*К>усл.п>*К>п.т> = 536*1.3*1.2*1.0*0.7=585 чел.-ч
Таблица 8
Общая трудоемкость ОКР
|
Стадии |
Удельный вес, % |
Трудоемкость, чел.-ч |
|
1 |
2 |
3 |
|
Техническое предложение |
5 |
266 |
|
Эскизное проектирование |
18 |
957 |
|
Техническое проектирование |
32 |
1702 |
|
в том числе изготовление и отработка макета конструкции |
16 |
850 |
|
Разработка рабочей документации |
45 |
2393 |
|
в том числе разрабоолните6тка рабочих чертежей |
11 |
585 |
|
испытания опытного образца |
7 |
372 |
|
корректировка КД по результатам испытаний |
4 |
213 |
|
Итого |
100 |
5318 |
1.26Определение состава исполнителей по теме
Расчет колличества исполнителей
А= Т>окр>/D*F = 5318/5*169,2 6 чел.
Таблица 9
Расчет трудоемкости работ исполнителей ОКР
|
Показатель |
Всего на ОКР |
В том числе по стадиям, чел.-ч |
|||
|
1 |
2 |
3 |
4 |
||
|
Общая трудоемкость |
5318 |
266 |
957 |
1702 |
2393 |
|
в том числе по исполнителям |
|||||
|
1. Ведущий инженер |
1595,4 |
79,8 |
287,1 |
510,6 |
717,9 |
|
2. Конструктор |
744,5 |
37,2 |
133,9 |
238,2 |
335 |
|
3. Конструктор |
744,5 |
37,2 |
133,9 |
238,2 |
335 |
|
4. Конструктор |
744,5 |
37,2 |
133,9 |
238,2 |
335 |
|
5. Конструктор |
744,5 |
37,2 |
133,9 |
238,2 |
335 |
|
6. Конструктор |
744,5 |
37,2 |
133,9 |
238,2 |
335 |
Таблица 10
Расчет основной заработной платы исполнителей ОКР
|
Показатель |
Всего, т.р. |
В том числе по исполнителям, т.р. |
|||||
|
1 |
2 |
3 |
4 |
5 |
6 |
||
|
1 |
2 |
3 |
4 |
5 |
6 |
7 |
8 |
|
Оклад исполнителей с надбавками |
1500 |
900 |
900 |
900 |
900 |
900 |
|
|
Часовая оплата труда |
8,96 |
5,32 |
5,32 |
5,32 |
5,32 |
5,32 |
|
|
Зарплата по стадиям: |
|||||||
|
1. Техническое предложение |
1696,5 |
707,0 |
197,9 |
197,9 |
197,9 |
197,9 |
197,9 |
|
2.Эскизное проектирование |
6105,2 |
2543,7 |
712,3 |
712,3 |
712,3 |
712,3 |
712,3 |
|
3.Технический проект |
10859,5 |
4523,9 |
1267,2 |
1267,2 |
1267,2 |
1267,2 |
1267,2 |
Продолжение табл.10
|
1 |
2 |
3 |
4 |
5 |
6 |
7 |
8 |
|
4.Разработка рабочей документации |
15271,6 |
6360,6 |
1782,2 |
1782,2 |
1782,2 |
1782,2 |
1782,2 |
|
Всего |
33933,1 |
14135,1 |
3959,6 |
3959,6 |
3959,6 |
3959,6 |
3959,6 |
|
Доп. Зарплата |
6786,6 |
||||||
|
Итого |
40720,0 |
1.27Определение стоимости материалов, покупных изделий и полуфабрикатов
Таблица 11
Стоимость материалов, покупных изделий и полуфабрикатов
|
Наименование |
Колличество |
Цена за ед. продукции, руб. |
Сумма, руб. |
|
1 |
2 |
3 |
4 |
|
Резисторы |
|||
|
МЛТ 0.25 |
70 |
100 |
7000 |
|
МЛТ 0.5 |
3 |
200 |
600 |
|
МЛТ 1 |
2 |
500 |
1000 |
|
СП5-2,2В |
12 |
1000 |
12000 |
|
Конденсаторы |
|||
|
КМ-1 |
30 |
200 |
6000 |
|
К50-35 |
15 |
1000 |
15000 |
|
Диоды |
|||
|
КД106 |
4 |
500 |
2000 |
|
КД521А |
12 |
500 |
6000 |
|
Стабилитроны |
|||
|
КС512 |
4 |
1000 |
4000 |
|
Оптотранзисторы |
|||
|
АОТ110А |
2 |
2500 |
5000 |
|
Транзисторы |
|||
|
КТ972 |
2 |
1500 |
3000 |
|
КТ815 |
2 |
1000 |
2000 |
|
КТ973 |
1 |
1500 |
1500 |
|
КТ3102Е |
2 |
1000 |
2000 |
|
КТ3107Л |
2 |
1500 |
3000 |
|
Микросхемы |
|||
|
КР1816ВЕ35 |
1 |
10000 |
10000 |
|
К1533ИР22 |
10 |
3000 |
30000 |
|
К573РФ2 |
1 |
5000 |
5000 |
|
К1533ИД7 |
1 |
1500 |
1500 |
|
К1533ЛН2 |
1 |
1000 |
1000 |
|
МАХ177 |
1 |
55000 |
55000 |
|
КР140УД17А |
15 |
3000 |
45000 |
|
К572ПА1 |
3 |
5000 |
15000 |
|
К1533ЛП9 |
3 |
1000 |
3000 |
|
Реле РЭС55 |
2 |
5000 |
10000 |
|
Феррит 2000НН |
2 |
2500 |
5000 |
|
СТФ-2-35 |
1м2 |
50000 |
50000 |
|
ТМ-250 |
30м |
1000 |
30000 |
|
ПЭВТЛК2 |
40м |
1500 |
60000 |
|
Всего |
364000 |
||
|
С учетом экспериментов |
72800 |
||
|
Транспортно-заготовительные расходы |
87360 |
||
|
Итого |
524160 |
1.28Определение договорной цены темы
Таблица 12
Расчет договорной цены темы
|
Статьи расходов |
Сумма т.р |
|
Заработная плата исполнителей |
40720 |
|
Отчисления на социальные нужды |
15677 |
|
Покупные изделия, материалы и полуфабрикаты |
524,16 |
|
Специальное оборудование для экспериментов |
- |
|
Производственные командировки |
- |
|
Контрагентские расходы |
320 |
|
Хозяйственные расходы |
4072 |
|
Прочие прямые расходы |
- |
|
Полная себестоимость |
61313 |
|
Прибыль |
9197 |
|
Договорная цена |
70510 |
|
НДС |
14102 |
|
Цена с учетом НДС |
84611 |
1.29Расчет конкурентоспособности
Таблица 13
Расчет коэффициента эквивалентности
|
Наименование |
Вес параметра |
Значение параметра
|
П>б> |
П>н> |
П>б> |
П>н> |
||
|
|
|
П>баз> |
П>нов> |
П>эт> |
||||
|
1 |
2 |
3 |
4 |
5 |
6 |
7 |
8 |
9 |
|
Точность измерения напряжения |
0,2 |
0,8 |
0,5 |
0,5 |
0,6 |
1 |
0,12 |
0,2 |
|
Точность измерения тока |
0,2 |
1,2 |
0,8 |
0,5 |
0,4 |
0,6 |
0,08 |
0,12 |
|
Точность измерения сопротивления |
0,25 |
1,2 |
1 |
0,5 |
0,4 |
0,5 |
0,1 |
0,125 |
|
1 |
2 |
3 |
4 |
5 |
6 |
7 |
8 |
9 |
|
Температурный интервал |
0,15 |
40 |
40 |
60 |
0,6 |
0,6 |
0,09 |
0,09 |
|
Наработка на отказ |
0,2 |
8000 |
10000 |
10000 |
0,8 |
1 |
0,16 |
0,2 |
|
Всего |
1 |
0,55 |
0,735 |
К>экв> = К>ту.нов> / К>ту.баз> = 0,735 / 0,55 = 1,34
Таблица 14
Расчет коэффициента функциональных возможностей
|
Показатели |
Бальная оценка |
|
|
Базовое |
Новое |
|
|
Технические |
||
|
скорость измерения |
1 |
1,5 |
|
универсальность прибора |
2 |
2,2 |
|
Эстетические |
||
|
стабильность товарного вида |
2 |
2,3 |
|
рациональность формы |
1 |
1,2 |
|
Эргономические |
||
|
температура |
2 |
2,5 |
|
влажность |
1 |
1 |
|
удобство обращения |
1 |
2 |
|
Всего |
10 |
12,7 |
К>фв> = 12,7 / 10 = 1,27
Расчет коэффициента цены
Ц>пн >= Ц>дог> + Р>т> + И*Т>н> + Р>н>*Т>н> + Р>с>*Т>н>
Таблица 15
Расчет договорной цены базового и нового изделия
|
Наименование статьи расходов |
Удельный вес, % |
Новое Сумма, руб |
Базовое Сумма, руб |
|
1. Основные материалы |
6 |
524,160 |
815200 |
|
2. Покупные изделия и полуфабрикаты |
36 |
- // - |
- // - |
|
3. Зарплата производственных рабочих |
16 |
199680 |
310552 |
|
4. Общепроизводственные расходы |
|||
|
4.1 Расходы на содержание и эксплуатацию оборудования |
12 |
149760 |
232914 |
|
4.2 Цеховые расходы |
14 |
174720 |
271733 |
|
5. Общезаводские расходы |
12 |
149760 |
232914 |
|
6. Прочие производственные расходы |
3,8 |
47424 |
73756 |
|
7. Производственная себестоимость |
99,8 |
1245504 |
1937070 |
|
8. Внепроизводственные расходы |
0,2 |
2496 |
3882 |
|
9. Полная себестоимость |
100 |
1248000 |
1940952 |
|
10. Нормативная прибыль |
187200 |
291142,8 |
|
|
11. Договорная цена |
1435200 |
2232094 |
Таблица 16
Расчет затрат на транспортировку, налогообложение и страхование для нового и базового изделий
|
Формула |
Новое изделие |
Базовое изделие |
|
|
Р>т> |
40%Ц>дог> |
574080 |
892838 |
|
Р>н> |
2%Ц>дог> |
28704 |
44641 |
|
Р>с> |
1%Ц>дог> |
14352 |
22320 |
Таблица 17
Расчет эксплуатационных издержек потребителей
|
Наименование затрат |
Метод исчисления |
Базовое |
Новое |
|
1. Затраты на электроэнергию |
Иэ=Р>потр>*F*C>э > Р - потребляемая мощность F - годовой фонд времени C>э> = 412 руб |
20913 |
8365 |
|
2. Зарплата обслуживающего персонала |
З>о>=F*C>ч> F - фонд времени С>ч> - часовая тарифная ставка = 1,18 |
2395000 |
2395000 |
|
З>доп>=20%З>о> |
479000 |
479000 |
|
|
3. Отчисления на социальные нужды |
О>с>=38,5%(З>о>+З>доп>) |
1106490 |
1106490 |
|
4. Затраты на текущее обслуживание и запчасти |
З>то>=35%(З>о>+З>доп>+О>с>) |
1432976 |
1432976 |
|
5. Затраты на страхование |
И>с>=Ц*К>с> |
223209 |
143500 |
|
Всего |
5657588 |
5565331 |
Ц>пн> = 1435200 + 574080 + 5565331*6,6 + 28704*6,6 + 14352*6,6 =
= 35685435
Ц>пб >= 2232094 + 892838 + 5657588*6,6 + 44641*6,6 + 22320*6,6 =
= 40906955
К>ц> = Ц>пн> / Ц>пб> = 0,87
Интегральный коэффициент конкурентоспособности
К>ин> = К>эк>*К>фв>*К>н> / К>ц> = (1,34 * 1,27 * 1) / 0,87 = 1,95
Так как К>ин> > 1 то продукция считается конкурентоспособной
1.30Оценка коммерческого риска и запаса финансовой прочности
Запас финансовой прочности при производстве товара рыночной новизны определяется с помощью понятия точки безубыточности производства. Точка безубыточности – это такая выручка от реализации, при которой предприятие уже не имеет убытков, но еще нет и прибыли. Результата от реализации после возмещения переменных затрат хватает на покрытие постоянных затрат, и прибыль равна нулю.
Точка безубыточности рассчитывается по формуле:
(43)
где ПЗ – постоянные затраты в себестоимости, рублей;
В – выручка от реализации, рублей;
П>Р>З– переменные затраты в себестоимости, рублей.
Выручка от реализации определяется по формуле:
(44)
где О – объем реализованной продукции, штук;
Ц>П> – цена продажи единицы продукции, рублей.
Запас финансовой прочности определяется по формуле:
(45)
При возможном объеме реализованной продукции О=1000 штук в год и цене продажи Ц>П> =1435200 рублей выручка от реализации по формуле (17) равна
В=10001435200=1435200 тыс. рублей в год.
Статьи расходов в структуре себестоимости фильтра распределены следующим образом для определения постоянных и переменных затрат. К переменным затратам относятся основные материалы, покупные изделия и полуфабрикаты, заработная плата производственных рабочих, общепроизводственные расходы и общехозяйственные расходы. Постоянные затраты включают прочие производственные расходы и внепроизводственные расходы. В соответствии с этим П>Р>З=200204,16 рублей, ПЗ= 1047795 рублей, а точка безубыточности производства с учетом возможного объема реализованной продукции по формуле (43) равна
Т>БП>=1047795,841000/(143520000 -200204,161000)=1217653162 рублей в год.
Запас финансовой прочности, определяемый по формуле (45), составляет
ЗФ>ПР>=1435200000 - 1217653162=217546838 рублей в год.
Следовательно, предприятие может выдержать снижение выручки от реализации на 217546838 рублей в год без серьезной угрозы для себя.
Оценка коммерческого риска предприятия проводится по величине силы воздействия производственного рычага. Сила воздействия производственного рычага показывает связь между изменением выручки от реализации и изменением прибыли и определяется по формуле:
(46)
где В – выручка от реализации, рублей;
П>Р>З– переменные затраты в себестоимости, рублей;
П – прибыль от реализации, рублей.
Прибыль от реализации определяется по формуле:
(47)
где В – выручка от реализации, рублей;
С – себестоимость единицы продукции, рублей;
О – объем реализованной продукции, штук.
Себестоимость единицы продукции С=1248000 рублей при возможном объеме реализации О=1000 штук и соответственно выручке от реализации В=1435200 рублей прибыль по формуле (46) составит
П=1435200000 - 1248000 1000=187200000 рублей в год.
Сила воздействия производственного рычага по формуле (46) равна
СВ>ПР>=(1435200000 - 1047795,84 1000)/187200000=2,069.
Оценка коммерческого риска предприятия показывает, что сила воздействия производственного рычага близка к оптимальной, то есть при увеличении (или уменьшении) выручки от реализации, например, на 10%, прибыль увеличится (или уменьшится) на 20,69%.
БЕЗОПАСНОСТЬ ЖИЗНЕДЕЯТЕЛЬНОСТИ ПРИ РАБОТЕ С ВЫЧИСЛИТЕЛЬНОЙ ТЕХНИКОЙ
1.31Общие положения
При работе на вычислительной технике и в частности компьютерах необходимо создание здоровых и безопасных условий труда. Операторы ЭВМ, программисты и другие работающие на ЭВМ сталкиваются с воздействием таких физически опасных и вредных производственных факторов, как повышенный уровень шума, повышенная температура внешней среды, отсутствие или недостаток естественного света, недостаточная освещенность рабочей зоны, электрический ток, статическое электричество и другие. Многие работающие на ЭВМ связанны с воздействием таких психологических факторов, как умственное перенапряжение, перенапряжение зрительных и слуховых анализаторов, монотонность труда, эмоциональные перегрузки.
Необходим целый комплекс мер по охране труда работников связанных с вычислительной техникой. Рассмотрим основные положения по проведению этих мер.
1.32Основные санитарно-технические требования к помещениям с вычислительной техникой
Основные и производственные помещения с вычислительной техникой целесообразно окрашивать в соответствии с цветом технических средств. Выбор цвета определяется рядом факторов, в том числе конструкцией здания, характером выполняемой работы, освещенностью, количеством работающих.
Необходимо учитывать, что цвет является сильным психологическим стимулятором:
красный - увеличивает мускульное напряжение;
оранжевый - стимулирует деятельность;
желтый - стимулирует зрение и нервную систему;
зеленый - успокаивает;
голубой - ослабляет мускульное напряжение;
фиолетовый - создает ощущение спокойствия.
Коэффициент отражения света материалами о оборудованием внутри помещения имеет большое значение для освещения. Чем больше света отражается от поверхности, тем выше освещенность. Освещение помещений и оборудования должно быть мягким, без блеска, окраска интерьера помещений с вычислительной техникой должна быть спокойной для визуального восприятия.
1.33Эргономика и эстетика
Эргономика и эстетика производства являются составными частями культуры производства, т.е. комплекса мер по организации труда, направленных на создание благоприятной рабочей обстановки. В основе повышения культуры производства лежат требования научной организации труда. Культура производства достигается правильной организацией трудовых процессов и отношений между работающими, благоустройством рабочих мест, эстетическим преобразованием среды.
Важную роль играет планировка рабочего места, которая должна удовлетворять требованиям удобства выполняемых работ и экономии энергии и времени оператора, рационального использования производственных площадей и удобства обслуживания устройств ЭВМ, соблюдение правил охраны труда.
При планировке рабочего места необходимо учитывать зоны достигаемости рук оператора при расположении дисплеев, клавиатура. Эти зоны, устанавливаемые на основании антропометрических данных человеческого тела, дают возможность рационально разместить клавиатуру и дисплей.
Наиболее удобными считают сиденье, имеющее выемку, соответствующую форме бедер и наклон назад. Спинка стула должна быть изогнутой формы, обнимающей поясницу. Длинна ее 0,3 м., ширина 0,11 м., радиус изгиба 0,3 - 0,35 м.
Во время работы часто возникают ситуации, в которых оператор ЭВМ должен за короткий срок принять правильное решение. Для успешного труда в таких условиях необходима рационально организованная окружающая среда, ограждающая работника от воздействия посторонних раздражителей, которыми могут быть мрачная окраска помещения, неудобство расположения компьютера и т.п. Поэтому всеми средствами нужно снижать утомление и напряжение оператора ЭВМ, создавая обстановку производственного комфорта.
Производственная среда, являющаяся предметным окружением человека, должна сочетать в себе рациональное архитектурно-планировочное решение, оптимальные санитарно-гигиенические условия (микроклимат, освещенность, отопление, вентиляция и др.), научно обоснованную цветовую окраску и создание высокохудожественных интерьеров.
1.34Нормирование температуры, влажности и скорости движения воздуха
С целью создания нормальных условий для персонала, работающего с вычислительной техникой, устанавливаются нормы производственного микроклимата (ГОСТ 12.1.005-88). Эти нормы устанавливают оптимальные и допустимые значения температуры, относительной влажности и скорости движения воздуха для рабочей зоны помещений с учетом избытков явной теплоты, тяжести выполняемой работы и сезонов года. Играет роль и специфика условий для применяемых ЭВМ.
Оптимальные и допустимые микроклиматические параметры должны учитывать специфику технологического процесса, в частности, условия по обеспечению надежной работы ЭВМ. В технологических условиях по эксплуатации ЭВМ указываются допустимые рабочие диапазоны параметров микроклимата: температура воздуха от 5-10 до 35-40 оС, относительная влажность 40-90%. Санитарные нормы для помещений с вычислительной техникой СН 512-78 устанавливают конкретные оптимальные и допустимые значения температуры, относительной влажности и скорости движения воздуха в помещении. Рекомендуемая температура воздуха 20 2оС, относительная влажность в помещении 55 5%. Атмосферное давление в помещениях должно быть 1013,25 266 ГПа. Воздух, используемый для вентиляции должен очищаться от пыли. Пылинки, попадающие на работающую поверхность магнитного диска, образуют промежуточный слой между диском и магнитной головкой, что может привести к повреждению магнитной головки и рабочей поверхности диска или к искажению записываемой информации. Пыль, оседающая на ЭВМ, ухудшает теплоотдачу, может образовать токопроводящие цепи, вызывает истирание подвижных частей и нарушение контактов.
1.35Освещение
О важности вопросов производственного освещения говорит тот факт, что условия деятельности операторов ЭВМ в системе «человек-машина» связанны с явным преобладанием зрительной информации - до 90% общего объема. Основные требования к освещению:
соответствие уровня освещения рабочих мест характеру
выполняемой зрительной работы;
2) достаточно равномерное распределение яркости на рабочих поверхностях и в окружающем пространстве;
3) отсутствие резких теней, прямой и отраженной блесткости (блесткость - повышенная яркость светящихся поверхностей, вызывающая ослепленность);
постоянство освещенности во времени;
5) оптимальная направленность излучаемого осветительными приборами светового потока;
6) долговечность, экономичность, электро- и пажаробезопасность, эстетичность, удобство и простота эксплуатации.
В помещениях с вычислительной техникой, как правило, применяют одностороннее боковое естественное освещение. Причем светопроемы с целью уменьшения солнечной инсольяции устраивают с северной, северовосточной или северозападной стороны. Рабочие места с видеомониторами располагают подальше от окон и таким образом, чтобы оконные проемы находились с боку. Если экран дисплеев обращен к оконному проему, необходимы специальные экранирующие устройства. Окна рекомендуется снабжать светорассеивающими шторами, регулируемыми жалюзи или солнцезащитной пленкой с металлизированным покрытием.
В тех случаях, когда одного естественного освещения в помещении недостаточно, устраивают совмещенное освещение. При этом дополнительное искусственное освещение применяют не только в темное, но и в светлое время суток.
Нормы освещения машинных залов по СНИП 11-4-79 предусматривают оптимальные величины освещенности. Так, рекомендуемая освещенность для работы с экраном дисплея 200 лк, а при работе с экраном в сочетании с работой над документами - 400 лк. Рекомендуемые яркости в поле зрения операторов должны лежать в пределах 1:5 - 1:10.
1.36Шум в помещениях с вычислительной техникой
Действие шума на человека проявляется в его воздействии на органы слуха, на центральную и вегетативную нервные системы. Люди, работающие в условиях повышенного шума, жалуются на быструю утомляемость, головную боль, бессоницу. У человека ослабляется внимание, страдает память. Все это приводит к значительному снижению производительности труда, росту количества ошибок в работе оператора и программиста. Воздействие шума на вегетативную нервную систему проявляется даже при небольшом уровне звука 40 - 70 дб, что приводит к нарушению переферического кровообращения за счет сужения капиляров.
В настоящее время вентиляторы ПК обладают малым уровнем шума. Основными источниками шума являются печатающие устройства, графопостроители.
В соответствии с ГОСТ 12.1.003-83 защита от шума, создаваемого на рабочих местах внутренними источниками, а также шума, проникающего извне, осуществляется следующими методами: уменьшением шума в источнике; применением средств коллективной и индивидуальной защиты; рациональной планировкой и акустической защитой.
Наиболее рациональной мерой является уменьшение уровня шума в источнике или же изменение направленности излучения, но требует конструктивной переделки шумоизлучающего узла, что неприемлемо в условиях работы с вычислительной техникой, поэтому применяют другие способы защиты.
Шум от источников аэродинамического шума можно уменьшить применением виброизолирующих прокладок. В тех случаях, когда источники шума или помещение могут быть выделены ограждающими конструкциями, следует применять звукоизоляцию.
В общем случае расчет звукоизоляции окружающих конструкций производят в соответствии со СНИП 11-12-77. В некоторых случаях уменьшение шума, проникающего через воздуховоды, каналы вентиляционных установок и установок кондиционирования воздуха осуществляются глушителями.
1.37Электробезопасность
Электрические установки, к которым относятся ЭВМ, представляют для человека большую потенциальную опасность, так как в процессе эксплуатации или проведении проведении профилактических работ человек может коснуться частей, находящихся под напряжением.
Приходя через тело человека, электрический ток оказывает на него сложное воздействие, вызывая термическое, электрическое, механическое и биологическое действие. Термическое действие тока проявляется в ожогах отдельных частей тела, нагреве тканей и биологических сред, что вызывает в них функциональные расстройства. Электролитическое действие тока выражается в изменении их физико-химического состава. Механическое действие тока приводит к разрыву мышечных тканей. Биологическое действие тока заключается в способности тока раздражать и возбуждать живые ткани организма. Любое из перечисленных воздействий тока может привести к электрическим травмам.
Электронно-вычислительная персональная техника питается от однофазной сети переменного тока напряжением 220В, поэтому поражение электрическим током происходит при однофазном прикосновении в изолированных и глухозаземленных сетях. Для предотвращения электротравматизма необходима правильная организация обслуживания действующих электроустановок, проведение ремонтных, монтажных и профилактических работ. При этом под правильной организацией понимается строгое выполнение ряда организационных и технических мероприятий и средств, устанавливаемых действующими «Правилами потребителей и правилами техники безопасности при эксплуатации электроустановок потребителя» (ПТЭ и ПТБ потребителей) и «Правилами устройства электроустановок» (ПУЭ).
При работе на компьютере необходимы защита и от статического электричества. Электрический ток искрового статического заряда мал и не может вызвать поражения человека. Однако разряд статического электричества, ощущаемый человеком как болезненный укол, может в некоторых случаях явиться коственной причиной несчастного случая. Разрядные токи статического электричества чаще всего возникают при прикосновении человека к любому из элементов ЭВМ. Такие разряды опасности для человека не представляют, однако, кроме неприятных ощущений, они могут привести к выходу из строя ЭВМ.
Основные методы защиты: покрытие полов антистатическим линолеумом, общее и местное увлажнение воздуха, заземление. Съем статического электричества осуществляют с экранов видеомониторов видеомониторные фильтры с заземленными корпусами.
1.38Пожарная безопасность
В современных ЭВМ очень высока плотность размещения элементов электронных схем. При протекании по ним электрического тока выделяется значительное количество теплоты, что может привести к повышению температуры отдельных узлов до 80-100 оС. При этом возможно оплавление изоляции проводов, короткое замыкание, возгорание. Для отвода избыточной теплоты от ЭВМ служат системы вентиляции и кондиционирования воздуха. Однако они представляют добавочную пожарную опасность, т.к. с одной стороны, они обеспечивают подачу кислорода - окислителя во все помещения, а с другой - при возникновении пожара быстро распространяют огонь и продукты горения по всем помещениям, с которыми связанны воздуховоды.
Одной из наиболее важных задач пожарной профилактики является защита строительных конструкций от разрушения и обеспечения их достаточной прочности в условиях воздействия высоких температур при пожаре. С обрушением конструкций процесс уничтожения материальных ценностей завершается, а тушение пожара в этом случае становится бесполезным. Существуют общие противопожарные требования к зданиям и помещениям с вычислительной техникой.
Кроме защиты зданий необходимо применять меры для обеспечения вынужденной эвакуации людей из помещений при пожаре.
Особое значение играет оборудование зданий противодымной защитой, т.к. причиной гибели людей на пожарах чаще всего является не огонь или высокая температура, а токсические продукты горения, выделяемые теплоизолирующими, акустическими, декоративными и другими синтетическими отделочными материалами, широко применяемыми в строительстве, а также при горении корпусов ЭВМ, дискет и пр.
Следует применять системы автоматической пожарной сигнализации. Пожарная безопасность обеспечивается выполнением требований пожарной безопасности помещений для ЭВМ, выполнением правил пожарной безопасности при ремонтно-профилактических работах, системами пожарной сигнализации и пожаротушения.
В качестве огнетушащих составов используют неэлектропроводные, не вызывающие коррозии и порчи оборудования составы. Наиболее широко используются составы с углекислотой и фреоном. Для локального тушения пожаров используются также стационарные и передвижные огнетушители с ручным пуском.
1.39Эксплуатация видеомониторов
При работе с видеомониторами человек сталкивается со следующими вредными воздействиями: радиация, ультрафиолетовое излучение, мерцание изображения, блики от источников света на экране. Все это неблагоприятно воздействует не только на зрение, но и на весь человеческий организм в целом.
Для снижения этих факторов изготовители прибегают к различным мерам. Используются мониторы с пониженным излучением мягкого рентгеновского излучения, ультрафиолетовых лучей. В современных мониторах применяется повышенная частота развертки 75 Гц, благодаря чему уменьшается мерцпние изображения. Применяются меры и по снижению электромагнитного поля вблизи монитора.
При выборе видеомонитора следует останавливаться на безопасных моделях с пониженными излучениями и с мелкой зернистостью поверхности.
Одним из способов защиты является применение защитных фильтров. Существует две разновидности фильтров: на основе металлической сетки и на основе специального покрытия стеклянной поверхности. Первые защищают от ультрафиолетового излучения (ослабляя его вдвое), и кроме того, препятствуют возникновению бликов. Вторые защищают еще и от радиоционного облучения. Все разновидности фильтров имеют крепление для заземления, используемое для съема статического электричества.
Важно правильное расположение мониторов в помещении. Наибольшая часть излучения приходится на тыльную сторону видеомонитора, поэтому располагать видеомониторы следует так, чтобы его тыльная сторона не была направлена в сторону людей.
ОЦЕНКА УСТОЙЧИВОСТИ ПРОГРАММНО - ТЕХНИЧЕСКОГО КОМПЛЕКСА К ВОЗДЕЙСТВИЮ ИОНИЗИРУЮЩИХ ИЗЛУЧЕНИЙ
1.40Методика оценки устойчивости РЭА к воздействию ионизирующих излучений
Оценка устойчивости РЭА к воздействию ионизирующих излучений производится в следующем порядке.
На основании изучения схемы РЭА и ее элементной базы выявляются все элементы РЭА, которые чувствительны к воздействию ионизирующих излучений.
Определяются критерии устойчивости Пкр, т.е. максимальные величины параметров поражающего фактора, при которых устойчивость работы элементов РЭА не нарушается.
Критерием оценки устойчивости Пкр работы РЭА при воздействии ионизирующих излучений являются максимальные значения интегрального потока нейтронов Фn, дозы мгновенного гамма-излучения D и мощности дозы гамма-излучения Р, при которых работа РЭА не нарушается.
Составляется таблица сравнительных характеристик по величине предельного критерия Пкр для параметров Фn, D Р.
На основании анализа критериев, которые характеризуют работоспособность элементной базы, определяются наиболее уязвимые элементы, существенно влияющие на работоспособность РЭА.
Определяется предел устойчивости РЭА и целесообразность его повышения с целью соблюдения по возможности принципа равнопрочности, т.е. доведения уровня устойчивости слабых элементов до уровня устойчивости основных элементов РЭА.
Разрабатываются и предлагаются наиболее целесообразные и экономически оправданные инженерно-технические мероприятия для повышения устойчивости работы РЭА.
1.41Расчет устойчивости программно-технического комплекса к воздействию ионизирующих излучений
Разработанный нами ПКТ имеет в своем составе металлопленочные резисторы, керамические конденсаторы, высокочастотные кремниевые диоды, кремниевые высокочастотные транзисторы, интегральные полупроводниковые микросхемы и на МДП транзисторах. Радиоционная защита отсутствует.
В соответствии с предложенной методикой устанавливаем:
Все элементы ПКТ чувствительны к воздействию ионизирующих излучений.
На работоспособность элементов ПКТ оказывает существенное влияние поток нейтронов Фn, доза мгновенного гамма-излучения D и мощность дозы гамма-излучения Р
Таблица сравнительных характеристик по величине предельного критерия Пкр для параметров Фn, D и Римеет следующий вид.
Таблица 18
Таблица сравнительных характеристик
|
Наименование параметров |
Параметры радиации Фn, н/м2 D, Гр Р, Гр/c |
Величина Пкр 1016 1017 1018 1019 1020 1021 1022 1023 102 103 104 105 106 107 108 109 102 103 104 105 106 107 108 109 |
||||||||
|
1 |
2 |
3 |
4 |
5 |
6 |
7 |
8 |
9 |
10 |
11 |
|
1. Резисторы металло-пленочные |
## |
## |
хх ## |
** хх ## |
** хх ## |
** хх ## |
** хх ## |
|||
|
2.Конденсаторы керамические |
## |
## |
## |
## |
** хх ## |
** хх ## |
** хх ## |
** хх ## |
||
|
3. Диоды кремниевые высокочастотные |
## |
** ## |
** хх ## |
** хх ## |
** хх ## |
** хх ## |
** хх ## |
** хх ## |
||
|
4. Транзисторы кремниевые высокочастотные |
## |
хх ## |
* хх ## |
** хх ## |
** хх ## |
** хх ## |
** хх ## |
** хх ## |
||
|
5. Интегральные полупроводниковые микросхемы |
## |
## |
* ## |
** хх ## |
** хх ## |
** хх ## |
** хх ## |
** хх ## |
||
|
6. Микросхемы на МДП транзисторах |
## |
хх ## |
* хх ## |
** хх ## |
** хх ## |
** хх ## |
** хх ## |
** хх ## |
Условные обозначения Фn ****** D ххххх Р
Из таблицы видно, что все элементы ПКТ при воздействии импульсного гамма-излучения являются относительно равнопрочными (Р 103 Гр/c). По нейтронному потоку Фn и поглощенной дозе гамма-излучения Dнаиболее слабыми элементами являются кремниевые высокочастотные диоды и транзисторы, которые выдерживают на два порядка меньшие величины Фn и D, чем все остальные элементы.
Определяем целесообразные пределы повышения устойчивости слабых элементов ПКТ. При этом учитываем, что экономически оправдано соблюдать по возможности принцип равнопрочности, т.е. доводить уровень устойчивости слабых элементов до уровня устойчивости основных элементов прибора. В нашем конкретном случае таким пределом можно выбрать величину Пкр для основной массы элементов прибора по нейтронному потоку Фnкр = 1018 нейтронов/м2, по поглощенной дозе гамма-излучения Dкр =105 Гр.
Для повышения устойчивости ПКР при проектировании можно рекомендовать замену кремниевых высокочастотных транзисторов и диодов на германиевые, имеющие Фnкр = 1017 нейтронов/м2 и Dкр =104 Гр, и разместить их с учетом взаимного экранирования другими элементами и общим кожухом прибора. Но так как германиевые транзисторы и диоды имеют на порядок выше уровень собственных шумов и меньший коэффициент передачи по току и меньшую надежность, то необходимо остановиться на экранировке этих элементов кожухом прибора.
СПИСОК ИСПОЛЬЗОВАННЫХ ИСТОЧНИКОВ
1. Ильин В.Н. Машинное проектирование электронных схем.-М.: Энергия, 1972.-280 С.
2. Логан. Моделирование при проектировании схем и систем // ТИИЭР, 1972.-Т.60, N1.-С.112-122.
3. Носов Ю.Р. и др. Математические модели элементов интегральной электроники. -М.: Сов.радио, 1976.-304 С.
4. Макромоделирование аналоговых интегральных микросхем/ А.Г.Геращенко и др.-М.: Радио и связь, 1983.-248 С.
5. Разевиг В.Д. Применение программ Р-САД и PSpice для схемотехнического моделирования на ПЭВМ: В 4-х выпусках. Вып. 2: Модели компонентов аналоговых устройств. -М.: Радио и связ, 1992.
6. Столярский Э. Измерения параметров транзисторов / Пер. С польск. А.А.Визиля. Под ред. Ю.А.Каменского. -М.: Сов. радио, 1976.- 288 С.
7. Пасынков В.В., Чиркин Л.К. Полупроводниковые приборы: Учеб. для вузов по спец. "Полупроводники и диэлектрики" и "Полупроводниковые и микроэлектронные устройства"- 4-е изд. перераб. и доп.-М.: Высшая шола, 1987.-479 С.
8. А.С.1317370 (СССР). Способ определения линейных параметров многополюсника. И.А.Мирошник и др.-Опубл. в БИ, 1987, N22.
9. Машинно-ориентированные способы определения параметров линейных многополюсников на высоких частотах / Мирошник И.А. Воронеж, политехнический институт- Воронеж, 1988.- 31 С. Ил. 11. Библиогр. 11 назв.- Рус.- Деп. в ВИНИТИ 25.01.89. N606-1389.
10. А.С.1084709 (СССР). Устройство для измерения параметров рассеяния транзисторов / И.А. Мирошник и др.- Опубл. в БИ, 1984, N13.
ПРИЛОЖЕНИЕ 1
УТВЕРЖДАЮ
Заведующий кафедрой «МиЭРА»
Балашов Ю.С. _______________
ПРОГРАМНО-ТЕХНИЧЕСКИЙ КОМПЛЕКС ПКТ-3
ТЕХНИЧЕСКОЕ ЗАДАНИЕ
КД3.333.333ТЗ
На разработку программно-технического комплекса для измерения статических и динамических параметров радиоэлементов.
1. Объект разработки: программно-технический комплекс для измерения статических и динамических параметров радиоэлементов.
2. Объект измерения: двухполюсные и четырехполюсные радиоэлементы.
3. Разрабатываемый комплекс должен удовлетворять следующим условиям.
3.1. Измерения статических и динамических параметров должны производиться путем реализации способов и устройств по АС СССР № 1084709, 1317370, 1619209.
3.2. В качестве ядра комплекса должен быть применен ПК типа IBM PC.
Связь технических средств измерения с ПК должна осуществляться через порт RS-232.
Интерфейс должен управлять тремя 10-разрядными ЦАП; иметь 16-разрядный регистр для управления синтезатором частоты, 8-разрядный регистр для управления измерительной головкой, 8-разрядный регистр для управления процессом измерения токов и напряжений с помощью АЦП; считывать информацию с 12-разрядного АЦП.
Динамические тесты должны производиться в диапазоне частот до 50 МГц для четырехполюсников и до 300 МГц ля двухполюсников.
Предусмотреть измерение статических параметров диодов, биполярных, полевых канальных и МДП транзисторов, а также аналоговых микросхем.
Результаты измерений статических параметров должны быть достаточными для аналитического описания ВАХ измеряемого элемента.
Руководитель темы
К.Т.Н. доц. И.А.Мирошник