Согласующие устройства в диапазоне микроволн
Содержание
Вступление
Назначение согласующего устройства
Принципы построения СУ
Цепь согласования на параллельном контуре
Т-образная цепь согласования
П-образная схема согласования
Повышение эффективности работы согласующего устройства
Согласующие устройства на ферритовых магнитопроводах
Вступление
Еще лет 10-15 назад проблемы использования согласующих устройств (СУ) практически не было, соответственно почти не встречались и описания подобных устройств в радиолюбительской литературе.
Дело, вероятно, в том, что раньше практически все использовали самодельную ламповую аппаратуру, выходной каскад которой можно было согласовать практически с чем угодно.
Транзисторные РА выдают гораздо больше гармоник, чем ламповые. И часто низкодобротный П-контур на выходе транзисторного РА не справляется с их фильтрацией. К тому же, надо учесть, что количество телеканалов по сравнению с тем, что было еще несколько лет назад, выросло во много раз!
Назначение согласующего устройства
СУ обеспечивает трансформацию выходного сопротивления передатчика в сопротивление антенны. Использовать СУ с ламповым усилителем мощности, имеющим П-контур со всеми тремя плавно перестраиваемыми элементами, нерационально, так как П-контур обеспечивает согласование в широком диапазоне выходных сопротивлений. Только в случаях, когда элементы П-контура исключат подстройку, использование СУ приносит пользу.
В любом случае СУ заметно снижает уровень гармоник, и его использование как фильтра вполне оправдано.
При наличии хороших настроенных резонансных антенн и хорошего РА нет необходимости использовать согласующее устройство. Но когда и антенна одна работает на нескольких диапазонах, и РА не всегда выдает то что надо, использование СУ дает хорошие результаты.
Принципы построения согласующего устройства
Классическое СУ имеет вид, показанный на рис. 1. Как видно, оно состоит из цепи согласования (ЦС), которая выполнена по одной из известных схем (собственно ЦС часто и носит название "согласующее устройство", "ATU"), измерителя КСВ, ВЧ моста, показывающего степень рассогласования антенны, эквивалента антенны R 1, и контрольных нагрузок R2, R3. Без всего этого "окружения" СУ является лишь цепью согласования, не более того.

Pиc.1
Разберем принцип работы устройства. В положении S 1 "Обход" выход передатчика подключен к S2, что дает возможность или напрямую подключить антенну, или включить на выход один из эквивалентов нагрузки (R2 или R3) и проверить возможность согласования передатчика с ним. В положении "Настройка" передатчик работает на согласованную нагрузку. Также через сопротивление R4 включается ВЧ мост. По балансу этого моста цепью согласования и производится настройка антенны. Резисторы R2 и R3 дают возможность проверить, возможна ли настройка цепи согласования на них. Настроив ЦС, включают режим "Работа". В этом режиме еще немного подстраивают цепь согласования по минимуму показаний КСВ-метра.
Ниже рассмотрим используемые на практике основные ЦС.
Цепь согласования на параллельном контуре
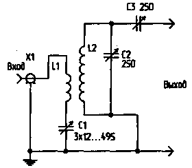
Одна из самых эффективных и просто выполнимых ЦС показана на рис.2. Передатчик подключается через катушку L1 и конденсатор С1. L1 составляет от четверти до шестой части от количества витков L2 и наматывается в нижней ее части. L1 должна быть отделена от L2 качественной изоляцией.

Puc.2
В данной схеме передатчик связан с ЦС только магнитным потоком, и здесь автоматически решен вопрос грозозащиты выходного каскада. Конденсатор С1 для работы на 1,8 МГц. должен иметь максимальную емкость - 1500 пф, а для работы на 28 МГц - 500 пф. С2 и С1 должны иметь максимально возможный зазор между пластинами.
Диапазон сопротивлений нагрузки - от 10 Ом до нескольких килоом. Работа с высоким КПД обеспечивается в двух смежных диапазонах, например 1,8 и 3,5 МГц. Для эффективной работы в нескольких диапазонах необходимо переключать L1 и L2. При небольших мощностях (до 100 Вт) наиболее эффективно и просто изготовить комплект сменных катушек и производить их установку с помощью цокольных панелей от старых радиоламп. Любые эксперименты, связанные с подключением параллельно L1 и L2 катушек для уменьшения их индуктивности для работы на ВЧ диапазонах, подключением к отводам этих катушек "хитрое" параллельное включение катушек значительно снижают эффективность работы этой ЦС на ВЧ.
Данные катушек для схемы рис.2 приведены в табл.1.
Табл.1

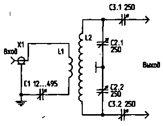
Хотя в настоящее время симметричные антенны используются редко, стоит рассмотреть возможность работы этой ЦС на симметричную нагрузку (рис.3).

Pиc.3
Единственное ее отличие от схемы рис.2 в том, что напряжение для нагрузки снимается симметрично. L1 должна быть расположена симметрично относительно L2. Конденсаторы С 1 и С2 должны находиться на одной оси. Необходимо принять меры по уменьшению влияния емкостного эффекта на L2, т.е. она должна находиться достаточно далеко от металлических стенок.
Данные L2 для схемы рис.3 приведены в табл.2.
Встречаются и конструкции упрощенного варианта этой ЦС.
Табл.2


Pиc.4
На рис.4 приведена несимметричная цепь, на рис.5 - симметричная. Но, к сожалению, как показывает опыт, эти схемы не могут дать такого тщательного согласования, как в случае использования конденсаторов С3 (рис.2) или С3.1, С3.2 (рис.3).

Puc.5
Особенно тщательно надо подходить к постройке многодиапазонных ЦС, работающих на таком принципе (рис.6). За счет снижения добротности катушки и большой емкости отводов "на землю" КПД такой системы на ВЧ диапазонах низок, но использование такой системы в диапазонах 1,8...7 МГц вполне допустимо.

Pиc.6
Настраивают ЦС, изображенную на рис.2, просто. Конденсатор С1 ставят в максимальное положение, С2 и СЗ - в минимальное, затем с помощью С2 настраивают контур в резонанс, и потом, увеличивая связь с антенной с помощью С3, добиваются максимальной отдачи мощности в антенну, при этом все время подстраивая С2 и, по возможности, С1. Следует стремиться к тому, чтобы после настройки ЦС СЗ имел максимальную емкость.
Т-образная цепь согласования
Эта схема (рис.7) получила широкое распространение при работе с несимметричными антеннами.

Pиc.7
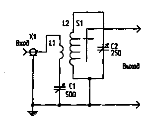
Для нормальной работы этой ЦС необходима плавная регулировка индуктивности. Иногда даже половина витка имеет решающее значение для согласования. Это ограничивает использование индуктивности с отводами или требует индивидуального подбора количества витков для конкретной антенны. Необходимо, чтобы емкость С1 и С2 на "землю" была не более 25 пФ, в противном случае возможно снижение КПД на 24...28 МГц. Необходимо, чтобы "холодный" конец катушки L1 был тщательно заземлен. Данная ЦС обладает хорошими параметрами: КПД - до 80% при трансформации 75 Ом в 750 Ом, возможность согласования нагрузки от 10 Ом до нескольких килоом. С помощью только одной переменной индуктивности 30 мкГн можно перекрыть весь диапазон от 3,5 до 30 МГц, а подключив параллельно C1, C2 постоянные конденсаторы по 200 пФ, можно работать и на 1,8 МГц. К сожалению, переменная индуктивность дорога и сложна конструктивно. W3TS предложил переключаемую "цифровую индуктивность" (рис.8). Используя такую индуктивность, с помощью переключателей можно наглядно выставить нужное ее значение.

Puc.8
Еще одну попытку упростить конструктивное исполнение предприняла фирма АЕА, выполнив согласующее устройство по схеме, приведенной на рис.9. Действительно, схемы на рис.7 и рис.9 равнозначны. Но конструктивно гораздо проще использовать один заземленный высококачественный конденсатор вместо двух изолированных, а дорогую переменную индуктивность заменить на дешевые постоянные катушки индуктивности с отводами. Эта ЦС хорошо работала от 1,8 до 30 МГц, трансформируя 75 Ом в 750 Ом и в 15 Ом. Но при работе с реальными антеннами иногда сказывалась дискретность переключения индуктивности. При наличии 18, а лучше 22 позиционных переключателей эту ЦС можно рекомендовать к практическому исполнению. При этом необходимо до минимума уменьшить длину отводов катушки к переключателю. Переключатели на 11 АЕА АТ-30 TUNER L1-L2-25 Витков, диам. катушки 45 мм шаг намотки 4 мм отводы от каждого витка по длине 10 витков затем через 2 витка положений дают возможность сделать ЦС только для работы на часть любительских диапазонов - от 1,8 до 7 или от 10 до 28 МГц.

Pиc.9
Катушку конструктивно удобно выполнить как показано на рис.10. Каркас ее представляет собой планку из двустороннего стеклотекстолита с пропилами под витки катушки. На этой планке установлен переключатель (например 11П1Н). Отводы от катушки идут к переключателю по обеим сторонам стеклотекстолитовой планки.

Puc.10
При работе с симметричными антеннами совместно с Т-образным согласующим устройством используют симметрирующий трансформатор 1:4 или 1:6 на выходе ЦС. Такое решение нельзя признать эффективным, т.к. многие симметричные антенны имеют большую реактивную составляющую, а трансформаторы на феррите очень плохо работают при реактивной нагрузке. В этом случае необходимо применять меры по компенсации реактивной составляющей или использовать ЦС (рис.3).
П-образная схема согласования
П-образная ЦС (или П-контур), схема которой дана на рис. 11, широко используется в радиолюбительской практике.

Puc.11
В реальных условиях, когда выход передатчика составляет 50...75 Ом, и согласование необходимо производить в широком диапазоне сопротивлений нагрузки, параметры П-контура меняются в десятки раз. Например на 3,5 МГц при Rвх=Rн=75 Ом индуктивность L1 составляет примерно 2 мкГн, a C1, C2 - по 2000 пф, а при Rвх=75 Ом и RH в несколько килоом индуктивность L1 составляет примерно 20 мкГн, емкость Cl - около 2000 пФ, а C2 - десятки пикофарад. Такие большие разбросы в величинах используемых элементов и ограничивают использование П-контура в качестве ЦС. Желательно использовать переменную индуктивность. Конденсатор Cl может иметь небольшой зазор, а C2 должен иметь зазор не менее 2 мм на каждые 200 Вт мощности.
Повышение эффективности работы согласующего устройства
Увеличить эффективность работы передатчика, особенно при использовании случайных антенн, помогает устройство, называемое "искусственная земля". Эффективно это устройство при использовании именно случайных антенн и при плохом радиотехническом заземлении. Это устройство доводит до резонансного состояния систему заземления радиостанции (в простейшем случае - кусок провода). Так как параметры земли входят в параметры антенной системы, улучшение эффективности заземления улучшает работу антенны. Устройство “искусственная земля”

Согласующие устройства на ферритовых магнитопроводах
Вопросы согласования входного сопротивления антенны с волновым сопротивлением фидера, а также симметрирование антенн для радиолюбителей всегда были и остаются актуальными. В последние годы особый интерес проявляется к трансформирующим и согласующим устройствам на ферритовых кольцах. Это связано с тем, что такие устройства могут быть малогабаритными, иметь высокий (до 98 %) КПД. Кроме того, в них не проявляются резонансные свойства при перекрытии частотного интервала в несколько октав (например, от 1 до 30 МГц) что особенно удобно, когда используются многодиапазонные антенны ("квадраты", "INVERTED V" [1. 2], 3-элементный трехдиапазонный "волновой канал" [3] и т. д.). В таких широкополосных трансформаторах обмотки выполняют в виде двухпроводных длинных линий передачи (на основе коаксиального кабеля или однородных), намотанных на ферритовое кольцо. Такое выполнение обмоток позволяет практически устранить индуктивность рассеивания и уменьшить индуктивность выводов. Условное обозначение трансформатора на длинных линиях (ТДЛ), принятое в статье, с одной обмоткой из двухпроводной линии приведено на рис. 1.а, с несколькими (в данном случае с двумя) - на рис. 1.б.

На рис. 2 показано включение ТДЛ с коэффициентом трансформации n=1.

Рис.2
Трансформатор состоит из обмотки в виде однородной длинной линии, намотанной на кольцевой ферритовый магнитопровод. Ее электрическая длина P=2пl/L, где l - геометрическая длина линии, L - длина волны (лямбда). Так как при распространении высокочастотной волны токи, протекающие по проводникам линии, равны по значению и противоположны по направлению, то магнитопровод не намагничивается, а это значит, что мощность в феррите практически не теряется. При согласовании вол нового сопротивления линии g с сопротивлениями источника Rг и нагрузки Rн ТДЛ теоретически не имеет нижней и верхней граничных -частот. На практике же максимальная рабочая частота ограничивается из-за индуктивности выводов и излучения линии.
Следует обратить внимание на особенность ТДЛ. которая заключается в наличии двух видов напряжений: противофазного U, действующего между проводниками линии и определяемого мощностью сигнала, и синфазного (или продольного) V, обусловленного асимметрией нагрузки и зависящего от варианта включения трансформатора.
Как образуется синфазное напряжение, действующее между генератором и нагрузкой, т. е. на индуктивности линии Lл, хорошо видно из рис, 3.

Рис.3
Очевидно, что проводники длинной линии шунтируют нагрузку и генератор, если по ним протекают синфазные токи. Введение магнитопровода резко увеличивает индуктивность обмотки, тем самым повышает сопротивление синфазному току и резко уменьшает их шунтирующее действие. В тоже время на распространение волны магнитопровод не оказывает влияния, так как обеспечивается режим бегущей волны (Rг=g=Rи).
Существует несколько способов построения ТДЛ с целочисленным коэффициентом трансформации п. Можно, например, придерживаться следующего правила. Обмотки (их должно быть n) выполняют из равных по электрической длине отрезков двухпроводных линий. Каждую обмотку размещают на отдельном кольцевом магнитопроводе одного типа. Входы линий с повышающей стороны соединяют последовательно, с понижающей -- параллельно.
В общем виде схема включения ТДЛ с целочисленным коэффициентом трансформации п показана на рис. 4.

Рис.4
Здесь справедливы соотношения
Rг=n2Rн, U1=nU2, g=nRн.
На рис. 5 изображены различные варианты включения ТДЛ.
Можно построить ТДЛ и на одном магнитопроводе, но при этом обязательно соблюдают следующие требования. Во-первых, число витков каждой линии должно быть пропорционально значению синфазного напряжения, действующего между концами этой линии, поскольку обмотки связаны общим магнитным потоком. Во-вторых, геометрические длины всех линий обязательно должны быть одинаковыми. В зависимости от варианта включения ТДЛ может даже случиться, что некоторые линии частично или полностью должны быть размещены не на магнитопроводе.
Чтобы определить число витков в обмотках, необходимо вычислить значения синфазных напряжений Vк на каждой линии.
В ТДЛ с несимметричными входом и выходом (тип НН. рис. 5, а)
Vк=(n-к)Uн;
в инвертирующем (тип НН, рис. 5, б) Vк=(n-к+1)Uн;
с симметричным входом и несимметричным выходом (тип СН, рис.5, в)
Vк=(n/2-к)Uн;
с несимметричным входом и симметричным выходом (тип НС, рис.5, г)
Vк=(n+1/2-к)Uн;
с симметричными входом и выходом (тип СС, рис. 5, д)
Vк=(n/2+t/2-к)Uн.
В формулах n - коэффициент трансформации, к - порядковый номер линии, считая сверху, Uн - напряжение на нагрузке.
Эти же формулы являются исходными. когда определяют отношение числа витков в обмотках, размещаемых на магнитопроводе. Если, например, ТДЛ с коэффициентом трансформации n=3 включают по схеме, изображенной на рис. 5, а, то V1:V2:V3=w1:w2:w3=2:1:0. Из этого следует, что верхнюю по рисунку линию размещают на магни-топроводе полностью (w1), у второй --только половину витков (w2=w1/2), а третья целиком (w3=0) должна находиться пне магнитопровода. Геометрическая длина всех линий одинакова.
При согласовании "волнового канала", имеющего входное сопротивление 18,5 Ом, с 75-омным коаксиальным кабелем с помощью ТДЛ (включен по схеме рис. 5, г) с коэффициентом трансформации 2 соотношение витков обмоток равно w1:w2= (2+1/2-1:(2+1/2-2)=3:1. Это означает, что на магнитопроводе верхняя по рисунку обмотка должна находиться целиком, а у второй - только ее третья часть.

Когда длина линий для обмоток много меньше длины рабочей волны, ТДЛ могут быть упрощены: линии, где синфазные напряжения равны нулю. заменяют перемычкой. В этом случае, например, трехобмоточный ТДЛ (рис. 5, д) преобразуется в двухобмоточный (рис. 6).

Рис.6
Коэффициент передачи ТДЛ зависит от того, насколько волновое сопротивление отлично от оптимального значения и каково при этом соотношение электрической длины линии и длины волны. Если, например, с отличается от требуемого в два раза, то потери в ТДЛ равны 0,45 дБ при длине линии лямбда/8 и 2,6 дБ при лямбда/4. На рис. 7 приведена зависимость коэффициента передачи ТДЛ с n=2 от фазовой длины его линий для трех значений g.

Рис.7
Расчет, приведенный в [4], показывает, что, если используются линии с оптимальными значениями у, коэффициент стоячей волны в ТДЛ не превышает 1,03 при длине линии лямбда/16 и 1,2 при длине лямбда/8. Отсюда можно сделать вывод, что параметры ТДЛ остаются удовлетворительными при длине двухпроводных линий меньше лямбда/8.
Исходными данными при расчете ТДЛ являются коэффициент трансформации п, вариант включения ТДЛ, нижняя и верхняя границы рабочего диапазона частот (в герцах), максимальная мощность Рmax на нагрузке (в ваттах), сопротивление нагрузки Rн (в омах) и волновое сопротивление фидера g (в омах). Расчет ведут в такой последовательности.
1. Определяют минимальную индуктивность проводника линии Lл (в генри) из условия, что
Lд>>Rг/2fн.
На практике Lл, можно брать в 5...10 раз больше вычисленного отношения Rг к 2fн.
2. Находят число витков w линии на кольце магнитопровода:

где dcp - средний диаметр кольца (в см), S - площадь поперечного сечения магнитопровода (в см2), ,u - относительная магнитная проницаемость магнитопровода. 3. Рассчитывают синфазный ток Ic;
(в амперах), протекающий по обмотке ТДЛ, на низшей рабочей частоте:
Ic=Vc/2пfнLл,
где Vc - синфазное напряжение на линии, вычисляемое для конкретных вариантов включения в соответствии с вышеприведенными соотношениями.
4. Определяют магнитную индукцию (в теслах) Магнитопровода:
B=4*10-6.uIc/dcp.
Магнитопровод выбирают с учетом, чтобы он не насыщался синфазным током (или постоянным, если он есть). Для этого магнитная индукция в магнитопроводе должна быть на порядок меньше индукции насыщения (берут из справочников).
5. Находят Пиковое напряжение Uпик в линии:

где у - КСВ в фидере.
6. Вычисляют эффективное значение тока Iэфф (в амперах):

7. Определяют диаметр d проводов (в миллиметрах) длинной линии:

где J - допустимая плотность тока (в амперах на миллиметр квадратный).
Для ТДЛ антенных согласующих устройств подходят кольцевые (типоразмерами К55Х32Х9, К65Х40Х9) магнитопроводы из ферритов 300ВНС, 200ВНС, 90ВНС, 50ВНС, а также 400НН, 200НН, 100НН. При необходимости магнитопровод может быть составлен из нескольких колец. Нужное волновое сопротивление длинной линии получают, равномерно скручивая между собой (с определенным шагом) проводники (см. таблицу). В случае крестообразного соединения проводов с оказывается ниже, чем когда соединены между собой соседние проводники. Волновое сопротивление линии из нескрученных проводов диаметром 1.5 мм равнялось 86 Ом.
Волновое сопротивление длинной линии в зависимости от шага скрутки и вида соединений

* При диаметре проводов 1 мм.
** При диаметре проводов 0.33 мм
Чтобы улучшить параметры (в частности, коэффициент асимметрии) и одновременно упростить конструкцию согласующе-трансформирующего узла, применяют последовательное соединение нескольких ТДЛ различного типа.
Перед эксплуатацией ТДЛ следует принять меры по защите их от неблагоприятных климатических воздействий. Для этого трансформаторы обматывают фторопластовой лентой, помещают в коробку и, если есть возможность, заливают компаундом КЛТ.
Литература
1. Подгорный И. (EW1MM). ВЧ-заземление/ Радиолюбитель. KB и УКВ. - 1995. - N9.
2. Григоров И. (RK3ZK). Согласующее устройство на коаксиальном кабеле/ Радиолюбитель. - 1995. - N7.
3. Подгорный И. (UC2AGL). Антенный тюнер/ Радиолюбитель. -1994.-N2.
4. Подгорный И. (UC2AGL). Антенный тюнер/ Радиолюбитель. -1991.-N1.
5. Григоров И. (UZ3ZK). Универсальное согласующее устройство// Радиолюбитель. - 1993. - N11.
6. Падалко С. (RA6LEW). Антенное коммутационно-согласующее устройство/ Радиолюбитель. - 1991. - N 12.
7. Орлов В. (UT5JAM). Вседиапазонное согласующее устройство к LW/ Радиолюбитель. -1992. - N 10.
8. Виллемань П. (F9HY). Согласующее устройство для антенн типа LEVY/ /Радиолюбитель. - 1992. - N10.
9. Захаров В. Трехдиапазонная трехэлементная антенна волновой канал.- Радио, 1970. № 4.
10. Подгорный И. (EW1MM). Универсальное антенное согласующее устройство/ Радиолюбитель. - 1994. - N8.
Интернет-сайты
1. www.diagram.com.ua
2. www.micran.ru
3. www.tehnoidei.com.ru
1