Теория информационных процессов
Государственное образовательное учреждение
высшего профессионального образования
РЕФЕРАТ
Тема: «Теория информационных процессов»
Предмет: «Информатика»
г. ______– 2010 г.
Содержание
1. отраБАТЫВАЕМЫЕ вопросы
2. Теория модального управления
3. Метод случайного поиска
4. Метод уравнения Сильвестра
Метод использования канонической формы Ленбергера
Стандартные реакции системы управления
ЗАКЛЮЧЕНИЕ
Список использованной литературы
1. отрАБАТЫВАЕМЫЕ вопросы
В ходе выполнения данной работы необходимо пояснить следующие вопросы, изучаемые в курсе «Информатика», а именно:
Теория модального управления;
Метод случайного поиска;
Метод уравнения Сильвестра;
Метод использования канонической формы Ленбергера;
Стандартные реакции системы управления.
О проделанной работе, сделать соответствующие выводы, существенные с точки зрения теории систем управления и информатики.
2. Теория модального управления
Поведение в системе автоматического управления определяется корнями характеристического уравнения, которым, в свою очередь, соответстуют составляющие свободного движения системы, называемые «модами».
Модальное управление — это такое управление, когда достигается требуемый характер переходных процессов за счет обеспечения необходимого расположения корней характеристического полинома на комплексной плоскости. При этом задача сводится к определению коэффициентов соответствующих обратных связей по состоянию объекта, а не путем применения корректирующих звеньев в прямой цепи САУ.
Это управление применяется тогда, когда все составляющие вектора состояния объекта управления доступны непосредственному измерению (полная управляемость).
Если все составляющие вектора состояния объекта управления доступны непосредственному измерению, а сам объект полностью управляем, то при законе управления в виде линейной функции переменных состояния корни замкнутой системы можно смещать в любые желаемые положения. Эта же задача может быть решена и при использовании в законе управления лишь части переменных состояния, если управление подавать не на один, а на несколько входов объекта.
Таким образом, задача синтеза состоит в определении таких параметров регулятора, которые обеспечивали бы равенство коэффициентов при соответствующих степенях характеристического полинома замкнутой системы регулирования и желаемой формы.
При неполной информации о векторе состояния задача усложняется, так как количество параметров, которыми можно манипулировать для обеспечения равенства коэффициентов при соответствующих степенях характеристического полинома замкнутой системы и желаемой стандартной формы, уменьшается.
Все типовые характеристические уравнения являются нормированными и получаются из действительных использованием коэффициента нормирования Кв, предложенного И. А. Вышнеградским для уравнений 3-й степени.
Допустим, что однородное линейное дифференциальное уравнение имеет вид:

Ему соответствует характеристическое уравнение:

Выразим реальные корни характеристического уравнения в соответствии с рекомендацией И. А. Вышнеградского:

где Кв – коэффициент нормирования (среднегеометрический корень).
Тогда характеристическое уравнение с реальными коэффициентами превратится в нормированное вида:

Из подстановки вытекают закономерности нормирования этих коэффициентов, приведенные ниже:

Из последнего выражения видно, что:

Иногда в практике целесообразно использовать зависимости:

где
- естественная составляющая коэффициента
-
длительности переходных процессов
соответственно реальная и нормированная.
3. Метод случайного поиска
В задачах модального формирования динамических свойств системы управления в экстремальных условиях на первое место выходит проблема решения так называемых экстремальных задач. При этом структура оптимизируемой функции такова, что допускает наличие локальных экстремумов, которые существенно усложняют процедуру поиска глобального экстремума [1].
Алгоритм модального формирования динамических свойств системы сводится к следующему: при выборе областей в пространстве проектных параметров на множестве возможных значений проектных параметров системы требуется найти такую область для которой:

где D>s>> >- область расположения на плоскости комплексной переменной S спектров совокупности подсистем, обладающих свойством устойчивости по Ляпунову невозмущенного движения и заданным качеством переходных
процессов по каналам управления; р>i>– элементы k - вектора проектных (формируемых) параметров системы; Pf - множество допустимых проектных параметров; P - множество проектных параметров системы [1, 2].
Алгоритмом определения динамических свойств системы управления в качестве функционала, определяющего принадлежность
выбирается спектральный
радиус матрицы B:

где q>i> - собственные числа ФП-матрицы.
Для отыскания глобального экстремума (5) применяется метод случайного поиска с направляющим конусом [3]. Метод применим как для случая многоэкстремальных задач, так и для случая, когда функционал (5) не всюду дифференцируем, особенно в точке экстремума. Он может быть также применен для определения экстремума (5) на границе области Dp.
Приведем пример алгоритма метода случайного поиска с направляющим конусом с уточнением значения глобального экстремума методом Ньютона, который покажет физический смысл явления т.н. «зацикливания».
Пусть в пространстве
допустимых проектных параметров
находящихся в диапазонах
определен гиперконус с параметрами
Кроме того, задано число итераций поиска
z, количество проб на данной итерации m
и начальные значения проектных параметров
из
области
Потребуем, чтобы ось при вершине данного
конуса совпадала с направлением так
называемого “вектора памяти”.
Одним из нюансов в задаче поиска глобального экстремума является правильное задание параметров. Оптимальный вариант, полученный в результате многократных расчетов, соответствует

В то же время для других
проектных параметров данный радиус l
(шаг поиска) будет слишком мал
что
приведет к “зацикливанию” метода
случайного поиска либо на первом же
локальном экстремуме, либо на “овраге”
(без возможности выхода из него).
Поэтому на время поиска глобального экстремума все диапазоны допустимых проектных параметров приводятся к единому значению (например к единице) для обеспечения условия (7) для всех k проектных параметров. После определения по (6) глобального экстремума (функционала) все проектные параметры (и соответствующие им диапазоны) приводятся к своим истинным значениям.
4. Метод уравнения Сильвестра
В результате выполнения приведённых выше шагов, находится матрица линейных стационарных обратных связей на основе алгебраического уравнения типа Сильвестра. Структура алгоритма определения такой матрицы представлена в [1,3]. Как видно, процедура отыскания матрицы линейных стационарных обратных связей является более сложной в вычислительном плане по сравнению процедурой нахождения такой матрицы, изложенной в предыдущем разделе. При этом данный способ нахождения матрицы линейных стационарных обратных связей является эффективным.
5.Метод использования канонической формы Ленбергера
Синтезировать наблюдатель Люенбергера полного порядка с распределением корней характеристического полинома по биномиальной стандартной линейной форме и среднегеометрическим корнем, равным
.
Примем

В качестве измеряемой координаты вектора состояния принять х>1>.
Динамическая подсистема
для оценивания вектора координат
состояния строится на основе математической
модели ОУ путем ее дополнения
«стабилизирующей добавкой»
[1]. Так как в системе производится прямое
измерение х>2>,
матрица выхода
,
а сам вектор выходных
(измеряемых) переменных:
.
На основании последних соотношений и системы уравнений
Математическая модель наблюдателя Люенбергера полного порядка:
Проверка условия наблюдаемости объекта
выражаемого требованием равенства ранга матрицы наблюдаемости порядку ОУ rang(Н) = 2 [1].
Матрица наблюдаемости для принятого объекта (3.1) равна
,
=

rang(Н)
= 2, что удовлетворяет условию наблюдаемости.
Включение в подсистему оценивания координат «стабилизирующей добавки» влияет на собственные динамические свойства наблюдателя, которые должны обеспечить требуемую форму и качество свободных составляющих переходного процесса. По этой причине элементы матрицы L определяются из нормированного характеристического полинома D>н>(р), который предлагается принять соответствующим биномиальной стандартной линейной форме [1]:

Увеличение среднегеометрического
корня
по соотношению к
позволяет разнести темпы процессов в
синтезированной САУ с модальным
регулятором и в подсистеме оценивания
координат состояния, в результате чего
наличие наблюдателя Люенбергера
практически не оказывает влияния на
динамику системы управления [1].
Характеристический полином наблюдателя


Приравняв соответствующие
коэффициенты
и
,
получим:


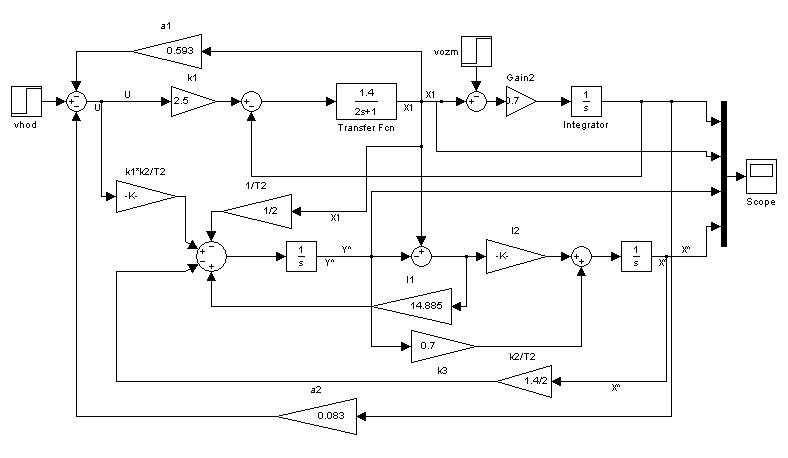
Структурная схема синтезированной замкнутой системы с наблюдателем Люенбергера полного порядка и модальным регулятором:

Рис. 1. Структурная схема СМУ с наблюдателем полного порядка.

Рис.2. Переходные процессы «ОУ + НПП»
а) по управляющему воздействию с нулевыми начальными условиями,
б) по возмущающему воздействию с нулевыми начальными условиями,
в) по управляющему воздействию с отклонениями по начальным условиям
Работа наблюдателя Люенбергера при отклонениях по начальным условиям: в момент времени от 0 до 1с координаты наблюдателя и ОУ не совпадают, далее оценки втягиваются и наблюдатель отслеживает работу координат ОУ для координаты х>2>
6. Стандартные реакции системы управления
В ряде случаев система управления не позволяет обеспечить приемлемую точность слежения за задающим воздействием. Для решения поставленной задачи возможны два способа. Первый способ состоит в введении в алгоритм управления дополнительной интегрирующей связи в канал ошибки слежения, которая повышает порядок астатизма. Тем самым повышается точность работы САУ. Такой способ управления называется изодромное управление. Второй способ состоит во введении дополнительных прямых связей по внешнему воздействию, которые компенсируют влияние этого воздействия и позволяют функционировать САУ с требуемой установившейся ошибкой. Такой способ управления имеет название метод комбинированного управления или метод динамической компенсации.
ЗАКЛЮЧЕНИЕ
В ходе выполнения данной работы была рассмотрены все вопросы, рассматриваемые в курсе «Информатика».
Можно заметить, что с помощью метода модального управления можно получить желаемый вид переходного процесса с необходимым перерегулированием и временем переходного процесса, используя стандартные распределения нормированных коэффициентов, что свидетельствует о высокой точности расчетов по данному методу.
Список использованной литературы
1. Бургин Б.Ш. Анализ и синтез двухмассовых электромеханических систем: Монография / Новосиб. электротехн. ин-т. – Новосибирск, 1992. 199 с.
2. Яворский В. Н., Макшанов В. И., Ермолин В. П. Проектирование нелинейных следящих систем с тиристорным управлением исполнительным двигателем. – Л.: Энергия, 1978. 208 с.
2. Кириллов В.И. Многоканальные системы управления. Минск. Новое издание, 2003г.
3. Скляр Б. Цифровая связь. Теоретические основы и практическое применение. Москва. Вильямс, 2003г.