Транзисторный безтрансформаторный каскад усилителя
Рязанская государственная радиотехническая академия
Контрольная работа
“Транзисторный безтрансформаторный каскад усилителя”
Выполнил:
Проверил:
Рязань
Задание: Рассчитать транзисторный безтрансформаторный каскад усилителя с коэффициентом полезного действия 50% согласно исходным данным:
2хтактный усилитель мощности;
Обосновать выбор схемы усилителя;
Определить типы транзисторов и площади радиаторов;
Построить нагрузочные прямые;
Рассчитать значения элементов принципиальной схемы;
Рассчитать коэффициент полезного действия;
Построить сквозную динамическую характеристику;
Рассчитать частотные искажения методом 5-и ординат.
Исходные данные:
Действующее значение напряжения источника сигнала E>ген>=3.2 [В];
Сопротивление источника сигнала R>ген>=50 [Ом];
Нижняя граница рабочей полосы усиления F>н>=900 [Гц];
Верхняя граница рабочей полосы усиления F>в>=812 [КГц];
Допустимый коэффициент частотные искажений M>н>=1.1 M>в>=1.2;
Сопротивление нагрузки усилителя R>н>=4.7 [Ом];
Паразитная ёмкость нагрузки Cн=20 [нФ];
Напряжение питания Uпит=-25 [В] (Полярность питания относительно общего провода [корпуса]);
Действующее значение напряжения сигнала в нагрузке усилителя Uн должно быть максимально возможным при заданном Uпит;
Диапазон рабочих температур Tн=+5C Tв=+50C;
В качестве усилителей мощности широкое применение получили как трансформаторные, так и безтрансформаторные усилители. Современные усилители небольшой мощности (до нескольких десятков ватт) выполняют по безтрансформаторным схемам, что позволяет уменьшить габариты, массу, стоимость и расширить полосу пропускания устройства.
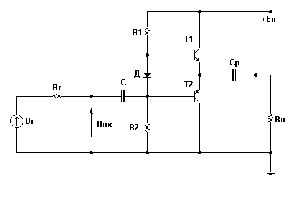
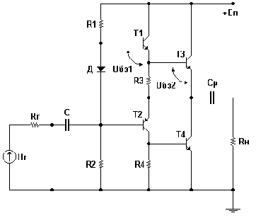
Безтрансформаторные каскады работают в режиме В, обеспечивая высокий КПД. При этом для уменьшения нелинейных искажений применяют двухтактные схемы. Такие схемы выполняют на комплиментарных транзисторах, что упрощает схемные построения рис 1. С увеличением выходной мощности устройства в выборе типов комплиментарных транзисторов, которые преодолеваются путем вклычения непосредственно на его выходе более мощных транзисторов одинаковой проводимости рис 2. Схема рис 1.
Представляет собой соединение двух эмиттерных повторителей, работающих на общую нагрузку Rн. Режим по постоянному току, соответствующий режиму работы А-В, обеспечивается делителем R1ДR2. Сопротивление диода создаёт необходимое напряжение между базами транзисторов T1 и T2.
Получение мощных выходных колебаний при высоком КПД исключает использование малосигнальных параметров (системы H,Y,Z типов) транзисторов в процессе проектирования, поэтому все основные расчеты ведут по статическим характеристикам транзисторов на средних частотах.
Для расчетов выберем схему рис 1. т.к. она легче в расчетах и из за трудностей построения сквозных характеристик в схеме рис 2.

Рис 1.

Рис 2.
Определение типов транзисторов:
Тип транзистора определяют исходя из нижеперечисленных требований.
Определим напряжение источника питания для каждого плеча схемы.



Определим мощность отдавемую в нагрузку.

Определяем необходимую амплитуду тока коллектора.

Среднее значение тока коллектора в режиме В.

5. Мощность потребляемая каждым из транзисторов.

Мощность рассеиваемая на коллекторе транзистора.

Требуемая предельная частота транзисторов.

Выберем типы транзисторов например КТ819А (n-p-n) и КТ818А (p-n-p) имеющие:
Iкмакс=10 А; h21э=15; Fгр=3 Мгц; Допустимая температура окружающей среды: - 40…+100 C.
Pкмакс=60 Вт. При Tк>25С мощность уменьшается линейно на 0.015 Вт/ С для корпуса ТО-220
Построим нагрузочные прямые.
На выходной характеристике через точки E1=Uкэ=12.5 В; Iк=0 и Uкэ=0 В; Iк=E1/Rн=12.5/4.7=2.66 A проведем нагрузочную прямую постоянного тока.
Для построения нагрузочной прямой переменного тока необходимо рассмотреть зависимость модуля выходного сопротивления от частоты. Разделительный конденсатор Сp оказывает влияние только на низких частотах (его берут достаточно большим) он на выходное сопротивление влияет очень мало, а Сн=20 пФ включенное паралельно Rн будет влиять на высоких частотах. Запишем выходное сопротивление в виде Zн=Rн/ (1+jCнRн), где = CнRн постоянная времени выходной цепи.
Найдем модуль Zн и построим его зависимость от частоты рис 3. Из рисунка видно, что модуль Zн падает на верхней границе рабочей полосы усиления Fв=812 кГц до Rнпер=4.2378 Ом от первоначального значения Rн=4.7 Ом. Учитывая это для построения нагрузочной прямой переменного тока требуются 2-е точки E1=Uкэ=12.5 В; Iк=0 и Uкэ=0 Iк=E1/Rнпер=12.5/4.2378=2.95. Построение нагрузочных прямых показано на рис 4. Из построения видно, что

Рис 3.

Рис.4.
На выходной характеристике определяем Iко=0.05Imax=0.122 отмечаем положение рабочей точки. Построив треугольник через точки AR P.T. убеждаемся в возможности получения заданной выходной мощности Pвых= [11.025* (2.45-0.122)] /2=12.833 Вт. Отметим положение Р.Т. на входной характеристике рис.5. Перенесем точки ABCDE на входную характеристику для построения СДХ.
Рассчитаем КПД каскада.


Рис.5.
По входной и выходной характеристике определяем усредненную крутизну
g21=Iкmax/Umaxбэ=2.45/0.3=8.167 Cм.
И усредненную входную проводимость:
g11=Iбmax/Umaxбэ=0.06/0.3=0.2 Cм.
Расчитаем глубину ООС F=1+g21*Rн F=1+8.167*4.7=39.385
Используя входные и выходные характеристики построим таблицу CДХ по точкам A,B,C,D,E.
Е>ист>>=> U>бэ>>+> I>б>>*> R>ист>
|
Точки |
I>к>, А |
I>б>, мА |
U>бэ>, В |
Е>ист>, В |
R>ист>, Ом |
|
А |
2.449117 |
60 |
1.0448 |
4.045 |
50 |
|
B |
2.1507 |
50 |
1.0041 |
3.504 |
50 |
|
C |
1.8001 |
40 |
0.96042 |
2.96 |
50 |
|
D |
1.40001 |
30 |
0.9133 |
2.413 |
50 |
|
E |
1 |
20 |
0.86238 |
1.862 |
50 |
Т1.
Сквозную динамическую характеристику построим без учета ООС. Если построить СДХ с учетом ООС то у неё не будет изгиба в нижней чатси графика.

Отметим положение рабочей точки в точке пересечения идеализированной СДХ (Прямой) с осью абсцисс. Ток коллектора в рабочей точке приблизительно равен Iк0=0.122 А.
Отметим на СДХ точки О и О` соответствующие 0.5Uвхmax и Uвхmax на оси Е>ист.>
Найдем Iк (0.5Uвхmax) =1.645 и Iк (Uвхmax) =2.877.
Используя метод 5-и ординат вычислим коэффициент нелинейных искажений усилителя для одного плеча схемы.

Нелинейные искажения по 2-й гармонике компенсируются в двухтактных схемах только при полной симметрии плеч. В реальных условиях плечи несколько ассиметричны. Если ток транзистора включенного в одно плечо схемы, отличается от тока транзистора, включенного в другое плечо в (1+x) раз, где x - коэффициент асимметрии, то согласно [1]
Kг2=x/2* (2+x)
Задаёмся коэффициентом асимметрии x=0.5 находим Kг2.


I1= Iк (Uвхmax) =2.887
I2= Iк (0.5Uвхmax) =1.645
Полный коэффициент нелинейных искажений усилителя:

Полный коэффициент нелинейных искажений усилителя c учетом ООС:

Приведенный выше расчет коэффициента нелинейных искажений усилителя носит приближенный характер. Для более точного исследования необходима СДХ 2-го плеча схемы.
Найдем СДХ 2-го плеча аналогично предыдущим построениям.

Рис 7.
Выходная характеристика транзистора КТ818А.


Рис 8.
Входная характеристика транзистора КТ818А.
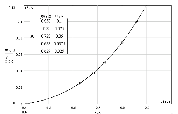
Используя входные и выходные характеристики построим таблицу CДХ по точкам A,B,C,D,E.
Е>ист=> U>бэ+> I>б*> R>ист>
Составим таблицу T2.
|
Точки |
I>к>, А |
I>б>, мА |
U>бэ>, В |
Е>ист>, В |
R>ист>, Ом |
|
А |
2.515 |
100 |
0.85 |
5.858 |
50 |
|
B |
2.29 |
75 |
0.8 |
4.55 |
|
|
C |
1.84 |
50 |
0.728 |
3.228 |
|
|
D |
1.42 |
37.5 |
0.683 |
2.558 |
|
|
E |
0.97 |
25 |
0.627 |
1.877 |
Используя таблицы 1 и 2 построим полную СДХ схемы. Рис 9. Подав синусоидальное напряжение Еист=4.525*sin (x) можно оценить форму выходного тока Рис 10.
Из рисунка видно что при выбирать рабочую точку в начале характеристики не выгодно из за искажений сигнала. Используя СДХ найдем коэффициент гармоник.

Рис 9. СДХ

Pис 10. I вых.