Требования к высокочастотному тракту и его структура. Измеритель мощности для аппаратов УВЧ-терапии
БЕЛОРУССКИЙ ГОСУДАРСТВЕННЫЙ УНИВЕРСИТЕТ ИНФОРМАТИКИ И РАДИОЭЛЕКТРОНИКИ
Кафедра ЭТТ
РЕФЕРАТ
На тему:
"Требования к ВЧ тракту и его структура. Измеритель мощности для аппаратов УВЧ-терапии"
МИНСК, 2008
Требования к ВЧ тракту и его структура
ВЧ тракт должен обеспечивать требуемую мощность (Р>вых>80100 Вт, 20%) в активной части комплексного сопротивления во всем диапазоне изменения ее реактивной составляющей, требуемую частоту f=27,120,6% МГц, автоматическую настройку тракта на согласованный режим, плавную регулировку мощности от нулевой до максимальной величины, подавление нежелательных излучений в эфир (2-я и 3-я гармоники).
Структурная схема содержит: 2-х канальный генератор с внешним возбуждением, задающий генератор (ЗГ), 2 канала усиления мощности (УМ1 с фазоинверсным звеном на входе и УМ2 с фазоинверсным звеном на выходе), фильтры гармоник Ф1 и Ф2, синфазный сумматор (С), конструктивно объединенный с фильтром-трансформатором и датчиком отраженной волны (Д), согласующее устройство (СУ), неоднородную длинную линию (ДЛ), на конце которой включена комплексная изменяющаяся нагрузка, образованная электродами (Э) и пациентом (П).

Рисунок 1 – Структурная схема транзисторного ВЧ тракта
Сигналы, вырабатываемые ЗГ, поступают на 2 канала усиления УМ1 и УМ2, после чего происходит сложение их мощностей в сумматоре С. С выхода сумматора ВЧ сигнал поступает на СУ, которое с помощью двухпроводной линии соединено с электродами.
Двухканальный генератор с внешним возбуждением предназначен для генерации с помощью ЗГ сигнала с частотой 27,12 МГц и его усиления по мощности двумя усилителями и последующей фильтрацией в канале фильтрами Ф1 и Ф2.
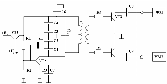
Управляемый кварц ЗГ выполнен на транзисторе VT2, в коллекторную цепь которого включен колебательный контур, образованный катушкой L и емкостью делителя.

Рисунок 2 – Схема ВЧ части задающего генератора
В цепи ОС генератора включен кварцевый резонатор, обеспечивающий требуемую стабильность f. Данный генератор управляется по постоянному току транзистором VT1, благодаря которому обеспечивается плавная (ступенчатая) регулировка выходного напряжения и, следовательно, мощности в нагрузке. ЗГ включает предварительный усилитель мощности на VT3 и VT4 и имеет два симметричных выхода. Он генерирует сигнал f=27,12 МГц, мощностью 8 Вт на нагрузке 50 Ом по каждому выходу.
Каждый из усилителей УМ1 и УМ2 представляет собой двухтактную схему с общим эмиттером, имеющую следующие параметры: U>кол.>>max>=100 В, I>кол.>>max>=15 А, мощность рассеивания на коллекторе Р=70 Вт, предельная частота усиления f>1>=150 МГц, расчетное значение R>вн.транз>=6 Ом.
Исходя из максимального значения мощности, рассеиваемой на коллекторе транзистора (Р=70 Вт) и задавая границы возможного изменения сопротивления нагрузки величиной коэффициента отражения (Г)=0,15 (КСВН=1,35), определяются параметры усилителей мощности.
Эксперимент – при Е>к>=27 В и при условии, что СУ трансформирует нагрузку в плоскость усилителя с КСВН не более 1,35, выходная мощность каскада составляет 56 Вт. При этом коэффициент усиления по мощности УМ1 и УМ2 равен 7, а КПД каскадов, определенный как отношение мощности в нагрузке к мощности, потребляемой от источника коллективного питания, составил 0,55. Для обеспечения требований по помехозащитности используют ФНЧ с f>ср>=30 МГц, при этом подавление 2-й и 3-й гармоник рабочей частоты составляет соответственно 54 и 72 дБ.
Сумматор мощности
Использован синфазный сумматор мощности, выполненный по мостовой схеме на трансформаторных длинных линиях (ТДЛ). Схема имеет 2 входа (3 и 4), к которым подключаются УМ1 и УМ2 и два выхода (2 – подключается нагрузка трансформатора через СУ, 1 – подключено балластное сопротивление). Балластное сопротивление обеспечивает взаимную электрическую развязку, а согласование сумматора по входу (УМ1 и УМ2) контролируется по величине КСВН. Если комплексная нагрузка ВЧ тракта согласована с выходом 2, т.е. значение ее активной части близко к 50 Ом, а значение реактивной части стремиться к нулю, то мощность обоих каналов усиления суммируется в нагрузке. Если нагрузка не согласована, отраженная от нее волна поглощается в балластном сопротивлении, что определяется выполнением условия противофазности. Это условие обеспечивается за счет включения фазоинвертора 3 – четверть волновых отрезков кабелей, для того, чтобы на рабочей частоте фазовый сдвиг был кратен 900. В результате для падающих волн создаются условия синфазности по обоим каналам, а для отражающих – противофазности.
СУ обеспечивает автоматизацию процесса согласования ВЧ тракта с нагрузкой, исключая необходимость вмешательства в этот процесс при замене электродов, регулировке зазоров между электродом и пациентом и т.д.
Так как изменение активной составляющей невелико, то целесообразно построение СУ в соответствии с компенсационной схемой, в которой в зависимости от величины реактивной составляющей нагрузки перестраивается только один реактивный элемент. Наиболее высокой надежностью и быстродействием обладают СУ на основе индуктивных реактивных элементов с электрическим управлением – ферровариометров, представляющих собой магнитоуправляемые индуктивности. Принцип действия таких устройств основан на зависимости магнитной проницаемости феррита от напряжения постоянного магнитного поля. С ростом подмагничивающего поля магнитная проницаемость феррита уменьшается, что приводит к изменению индуктивности, обеспечивающей резонанс в выходной цепи при изменении емкости нагрузки. Подмагничивающее поле создается током в специальной управляющей обмотке. СУ содержит также 2 последовательно и симметрично включенных с комплексным сопротивлением нагрузки конденсатора (10-12 пФ) для уменьшения динамического диапазона изменения реактивной составляющей нагрузки. При мощности в активной части нагрузки (Р80 Вт) используемые в СУ конденсаторы должны обладать большим рабочим напряжением (3-4 кВ) и большой реактивной мощностью (5-7 кВт).

Рисунок 3 – Сумматор мощности
В качестве датчика рассматриваемой схемы САР может использоваться датчик фазы входного сопротивления согласующей цепи, установленный на выходе сумматора мощности. Сигнал рассогласования с фазового датчика поступает на усилитель постоянного тока, выход которого подключен к управляющей обмотке ферровариометра (ФВ), обеспечивая в ней необходимое подмагничивающее поле и соответствующее изменение компенсирующей индуктивности СУ. Такое изменение происходит до тех пор, пока реактивная составляющая не станет равной нулю, I>m>Z>н>=0. САР работает в колебательном режиме около точки согласования с нагрузкой, т.к. после того как сигнал с фазового датчика становится равным нулю, перестраиваемый элемент СУ переходит в исходное состояние и цикл повторяется. Однако время переходного процесса мало и составляет =0,1 с., т.е. в ВЧ тракте аппарата образуется режим, близкий к режиму бегущей волны, необходим для дозировки мощности, подводимой к пациенту.
Общие сведения
Аппараты для УВЧ-терапии, в настоящее время наиболее распространенный вид высокочастотной физиотерапевтической аппаратуры, представляют собой генераторы электрических колебаний ультравысокочастотного диапазона.
Все выпускаемые промышленностью аппараты для УВЧ-терапии работают на выделенной частоте 40.68 МГц с допуском ±2%.
В зависимости от целевого назначения применяются аппараты с различной величиной выходной мощности.
Переносные аппараты в портативном исполнении рассчитаны для помощи у постели больного на дому и в больничной палате. Они имеют небольшие габариты и вес и переносятся одним человеком. Выходная мощность портативных аппаратов невелика - 30-40 Вт, и с их помощью может производиться воздействие только на небольшие участки тела.
Переносные аппараты, рассчитанные на переноску двумя лицами, имеют мощность 70-80 Вт и обеспечивают проведение большинства местных процедур. Все переносные аппараты представляют собой настольные конструкции.
Передвижные аппараты используются, как правило, на одном месте в физиотерапевтическом кабинете. Они выполняются в виде напольных тумб, снабженных колесами и ручками для перемещения. Выходная мощность передвижных аппаратов составляет 300-400 Вт и с их помощью могут проводиться все виды лечебных воздействий.
Блок-схема аппарата для УВЧ-терапии включает в себя электронно-ламповый генератор УВЧ колебаний, выходной контур (контур пациента) и блок питания. В передвижных аппаратах самостоятельным блоком является устройство для автоматической настройки контура пациента в резонанс с частотой генератора.
Генератор УВЧ колебаний собран обычно по наиболее простой схеме с самовозбуждением. Несмотря на значительные изменения нагрузки, имеющие место в условиях эксплуатации, однокаскадная схема обеспечивает необходимую стабильность частоты. Ступенчатая регулировка мощности генератора осуществляется изменением напряжения питания анода или экранирующей сетки генераторных ламп.
Контур пациента, индуктивно связанный через шлейф связи с анодным контуром генератора, обеспечивает передачу энергии УВЧ колебаний в ткани тела больного, являющиеся нагрузкой для генератора.
Контур пациента имеет в своем составе расположенную внутри аппарата колебательную систему, состоящую из катушек индуктивности и конденсаторов и соединенную с выходными гнездами аппарата, а также находящиеся вне аппарата конденсаторные электроды (либо индуктор) и провода, соединяющие электроды с входными гнездами.
Для настройки контура пациента в резонанс используется конденсатор переменной емкости, ось ротора которого выведена на панель управления аппарата. Расстройка контура пациента, имеющая место в условиях эксплуатации из-за непроизвольных перемещений больного, приводит к изменениям выходной мощности и вызывает необходимость в периодической подстройке контура. В передвижных аппаратах для автоматической настройки используется управляющее реверсивным электродвигателем электронное устройство, на вход которого подается сигнал, пропорциональный току анодной или сеточной цепи генераторной лампы. Электродвигатель приводит ротор переменного конденсатора в колебательное движение около положения, соответствующего настройке контура пациента.
Общий КПД аппаратов для УВЧ-терапии составляет 25 - 40%.
Измеритель мощности для аппаратов УВЧ-терапии
При разработке, производстве и ремонте аппаратов для УВЧ-терапии необходимо измерять их выходные параметры, основными из которых являются: величина отдаваемой мощности, ее стабильность и зависимость от зазора, частота генерации и ее стабильность, уровень создаваемых радиопомех.
Для всех этих измерений необходима нагрузка аппарата, эквивалентная по вносимому в его выходной контур комплексному сопротивлению реальным условиям проведения процедур. Использование нестандартных нагрузок, обычно фотометрических измерителей мощности, приводит к тому, что величина выходной мощности одного и того же аппарата может оказаться различной, в зависимости от сопротивления ламп и конструкции фотометра.
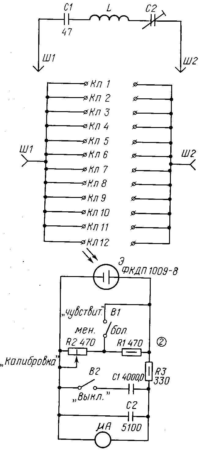
Разработана типовая конструкция фотометрического измерителя мощности аппаратов для УВЧ-терапии, служащая одновременно эквивалентной нагрузкой (фантомом) при всех измерениях выходных параметров этих аппаратов. Активное сопротивление фантома измерительного Ф1 эквивалентно сопротивлению участков тела при таких процедурах, при которых от аппарата требуется мощность, близкая к максимальной. Как показали измерения и расчеты, эквивалентная активная составляющая нагрузки в зависимости от участка тела и размера электродов находится в пределах 30-60 Ом.
Основные технические данные фантома измерительного: фантом обеспечивает измерение высокочастотной мощности, отдаваемой аппаратами для УВЧ-терапии в эквивалентную нагрузку, в диапазоне 5-400 Вт; относительная погрешность измерения высокочастотной мощности при градуировке на частоте 50 Гц не превышает ±10%; относительная погрешность измерения отношения высокочастотных мощностей не превышает ±5%; сопротивление эквивалентной нагрузки фантома на всех поддиапазонах находится в пределах 30-60 Ом; время установления показаний не превышает 5 с; габаритные размеры фантома 450х330х320 мм; масса (без сменных частей и принадлежностей) не более 10 кг.
Принципиальная электрическая схема фантома приведена на рис. 4. Фантом состоит из эквивалентной нагрузки и фотометрической измерительной схемы.
Эквивалентная нагрузка представляет собой параллельно соединенные лампы накаливания типа. Лампы имеют цилиндрическую колбу и вытянутую в линию нить накала с выводами за противоположные концы колбы, Преимущество таких ламп для высокочастотных измерений перед обычными заключается в меньшей индуктивности нити накала (из-за отсутствия витков), большей электрической прочности и меньших диэлектрических потерях (из-за разнесения вводов).
Сопротивление ламп накаливания зависит от величины рассеиваемой в них мощности. Для того чтобы значение сопротивления нагрузки находилось в пределах 30-60 Ом, весь диапазон измеряемых мощностей разбит на 6 поддиапазонов, в которых используется различный набор ламп. В начальной части каждого поддиапазона сопротивление нагрузки минимально, но не ниже 30 Ом, с увеличением мощности сопротивление ламп возрастает, не превышая, однако, к концу поддиапазона 60 Ом.
Если в аппарате имеется устройство для автоматической настройки выходного контура, то измерения мощности производят при работе автоматики. Значение выходной мощности при этом не должно отличаться более чем на 15% от величины, полученной при настройке вручную.
С помощью фантома проверяют и стабильность работы аппарата для УВЧ-терапии. Для этого измеряют мощность сразу после включения аппарата и по истечении времени, оговоренного в технических условиях. Величина мощности, измеренной в конце испытаний, не должна отличаться более чем на 20% от начальной величины. В процессе испытаний каждые 20 мин производят подстройку выходного контура, а в аппаратах с автоматической настройкой контролируют безотказность работы автоматики.

Рис 4 – Принципиальная электрическая схема фантома измерительного Ф1.
Фантом используют также для проверки симметричности выходного контура аппаратов для УВЧ-терапии. Симметричность выходного контура имеет большое значение для обеспечения достаточной величины мощности при всех видах процедур. Если проводится процедура с резко выраженной несимметричностью загрузки (разные размеры электродов, разные зазоры под каждым из электродов и т. п.), то при несимметричном выходном контуре аппарат может не отдавать номинальной мощности.
Для контроля симметричности выходного контура к аппарату подключают круглые конденсаторные электроды наибольшего диаметра из имеющихся в комплекте. Мощность, отдаваемую аппаратом, измеряют при расположении одного из электродов вплотную к диску фантома, а другого - с зазором 3-5 см и наоборот. Разница в величинах измеренных мощностей не должна превышать 20% от большей величины.
Фантом также используют в качестве нагрузки аппаратов для УВЧ-терапии при измерении стабильности частоты и уровня радиопомех.
Измерительный фантом Ф1 также пригоден и для измерения средней мощности аппаратов для импульсной УВЧ-терапии.
ЛИТЕРАТУРА
Системы комплексной электромагнитотерапии: Учебное пособие для вузов/ Под ред А.М. Беркутова, В.И.Жулева, Г.А. Кураева, Е.М. Прошина. – М.: Лаборатория Базовых знаний, 2000г. – 376с.
Ливенсон А.Р. Электромедицинская аппаратура. :[Учебн. пособие] - Мн.: Медицина, 2001. - 344с.
Катона З. Электроника в медицине: Пер. с венг. / Под ред. Н.К.Розмахина - Мн.: Медицина 2002. - 140с.