Усилитель мощности (работа 1)
Тольяттинский политехнический институт
Кафедра «Промышленная электроника»
КУРСОВАЯ РАБОТА
по дисциплине:
“Микроэлектроника и микросхемотехника”
УСИЛИТЕЛЬ МОЩНОСТИ
Студент: Глушенков М. С.
Группа: Э-405
Вариант: 34
Преподаватель: Певчев В.П.
Тольятти, 1998
Содержание
1. Задание на курсовую работу
2. Введение
3. Основание выбора структурной и принципиальной схем
4. Расчет усилителя мощности
4.1 расчет выходного каскада
4.2 расчет предварительного усилителя
4.3 расчет токов в цепях предварительного усилителя
Выводы
Литература.
Приложения
1. Задание на курсовую работу
Разработать усилитель мощности, с использованием операционных усилителей (ОУ), класс работ АБ (вид и спад амплитудно-частотных характеристик (АЧХ) не имеет значения) и имеющий следующие параметры:
выходная мощность Рвых=1 ВА;
ток нагрузки Iн=1 А;
входное напряжение U>вх>=0,1 В;
диапазон частот f>Н>=50 Гц f>В>= 500 Гц;
напряжение питания U>П>=12 В.
Графическая часть курсовой работы выполняется на двух листах формата А3, содержащих структурную и принципиальную схему усилителя
2. Введение
С развитием микроэлектроники и микросхемотехники стали появляться новые устройства, построенные на новой технологической основе - интегральной технологии. Данное новшество позволило значительно уменьшить габариты проектируемых устройств, т.к. на кристале микросхемы площадью не более 25 кв. мм можно разместить до 10000000 транзисторов, что поэволяет строить на их основе сложные, высокоточные устройства с огромными коэффициентами усиления и другими не менее вахными параметрами. Интегральная технология после ее изобретения разошлась на два направления, это аналоговые и цифровые интегральные схемы. В аналоговой интегральной схемотехнике широкое применение нашли так называемые операционные усилители, получиваие свое название от первоначального их использования в устройствах выполняющих какие-либо математические операции. На самом деле операционные усилители это усилители дифференциального напряжения с очень большим коэффициентом усиления по напряжении (современные ОУ усиливают сигнал в десятки и сотни тысяч раз) и с большим (десятки мегаом) входным сопротивлением. На операционных усилителях, возможно строить разнообразные по своему назначений устройства к примеру: интеграторы, дифференциаторы, усилители инвертирующие и неинвертирующие, активные фильтри на RC-элементах; и это далеко не полный список устройств в которых применяются операционные усилители. Но также как и другие устройства у операционных усилителей есть и свои недостатки. Они имеют небольшой входной ток смещения, который необходимо компенсировать, не равномерную АЧХ по всей полосе пропускания, и не очень большой по нынешним требованиям частотный диапазон, также в отличие от идеального операционного усилителя, реальные имеют не очень большой выходной ток (5. ..50 мА). Но не смотря на все эти недостатки операционные усилители широко применяются в промышленной электроники в узлах автоматики, усиления и вычислений, И в качестве примера в данной курсовой работе рассматривается схема усилителя мощности с применением операционного усилителя.
3. Основание выбора структурной и принципиальной схем
При проектировании усилителей мощности ставятся две основные задачи: обеспечение требуемой выходной мощности и поддержание данной мощности во всем диапазоне требуемых частот. Исходя из данной поставленной задачи можно получить структурную схему проектируемого усилителя (лист 1 приложения). Она состоит из:
Выходного каскада усилителя мощности
Предварительного усилителя-фильтра
Источника питания
Нагрузки.
Выходной усилитель обеспечивает усиление по току необходимое для получения необходимой мощности на нагрузке. Данный каскад должен удовлетворят следующим требованиям:
Обеспечивать необходимый коэффициент усиления по току.
Иметь большое входное и малое выходное сопротивления.
В полосе пропускания не вносить искажений выше нормы т.е. обеспечить постоянную мощность на нагрузке в полосе частот от f>Н >до f>В >.
Иметь параметры, мало зависящие от температуры окружающей среды.
Предварительный усилитель-фильтр предназначен для усиления входного сигнала по напряжению и ограничения частотного диапазона входного сигнала в пределах требуемого частотного диапазона. Предварительный усилитель должен иметь следующие характеристики:
Обеспечить необходимый коэффициент усиления по напряжению.
Ограничивать частотный диапазон входного сигнала со спадами на краях диапазона не менее 20Дб/дек.
Иметь минимальный коэффициент нелинейных искажений
Источник питания должен обеспечивать требуемые выходные напряжения и токи равные максимальному пиковому значениютока потребляемого усилителем мощности.
Также он должен иметь коэффициент пульсаций не более 1% от номинального выходного напряжения при максимальном токе нагрузки, это необходимо для минимизации искажений вносимых источником питания в выходной сигнал. Нагрузка при расчете данного усилителя считается чисто активной
Исходя из вышеперечисленных требований, предъявляемых к проектируемому усилителю, была выбрана принципиальная схема усилителя.
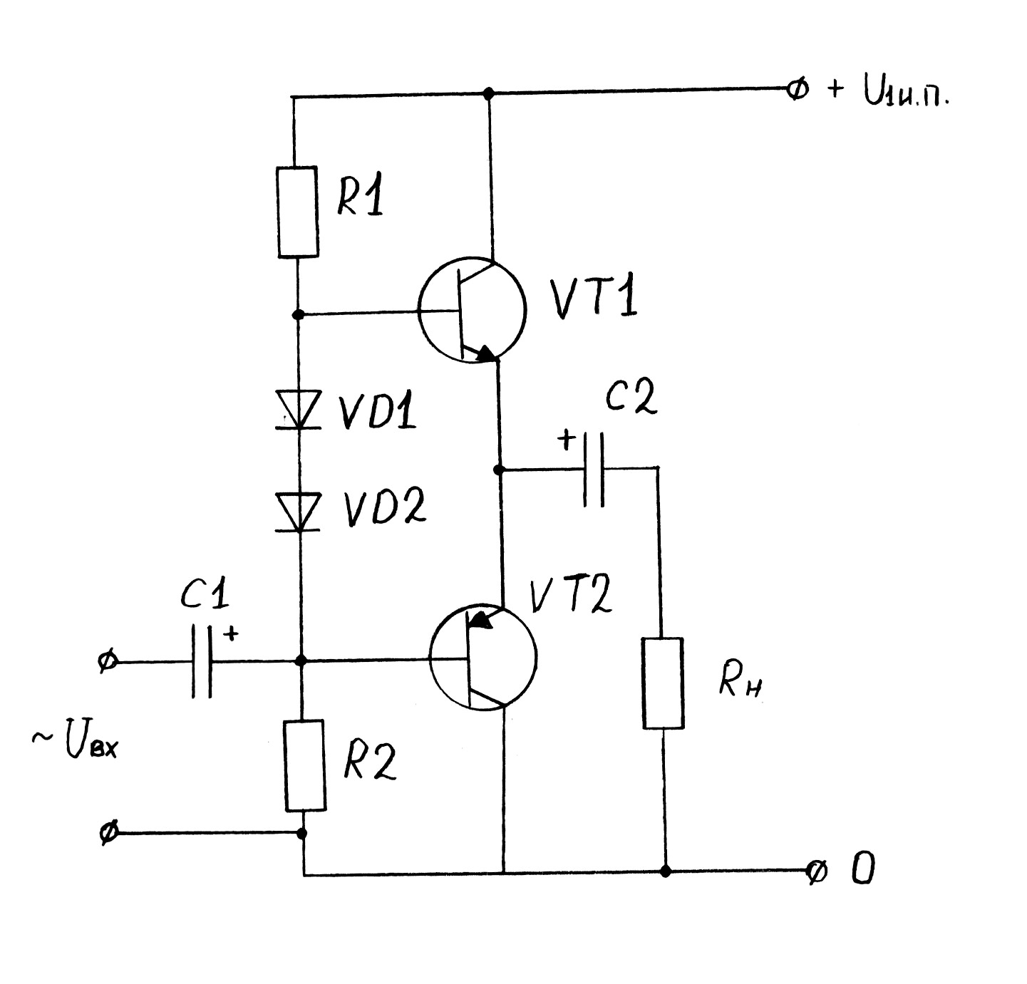
В качестве выходного каскада усилителя мощности в задании на курсовую работу сказано применить двухтактный эмитерный повторитель работающий в режиме А-В.
Схема двухтактного выходного каскада работающего в режиме А-В приведена на рис. 3.1.
Схема построена на двух комплиментарных транзисторах типа КТ815 и КТ814. Для уменьшения потребляемой мощности каскад питается от однополярного источника напряжения +12В. в схеме применены разделительные конденсаторы С1 и С2 обеспечивающие гальваническую развязку с предварительным усилителем и нагрузкой, а также выполняющих роль фильтра ВЧ со спадом 20 Дб/дек на частотах f<f>Н>. С1 расчитываем исходя из сопротивления нагрузки. С помощью диодов VD1и VD2 создается компенсационное смещение на базах транзисторов для исключния в выходном сигнале искажений типа “ступенька” которая образуется вследствии нелинейности вольт-амперных характеристик (ВАХ) базово-эмиттерного перехода транзисторов. Резисторы R1 и R2 задают рабочую точку транзисторов и диодов. Для одинакового усиления положительной и отрицательной полуволн входного сигнала необходимо использовать транзисторы с одинаковым коэффициентом передачи тока, а также эти транзисторы должны образовывать комплиментарную пару имея разную структуру.
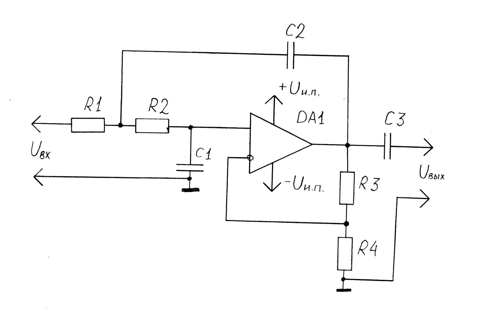
Принципиальная схема предварительного усилителя-фильтра представлена на рис. 3.2. он построен в виде фильтра Баттерворта (низкой частоты) с коэффициентом усиления по напряжению больше единицы, он задается с помощью резисторов R3 и R4. Ввиду того, что требуемый спад амплитудо-частотной характеристики (АЧХ) на частотах f >f>В> должен быть больше 20 Дб/дек, будет использован фильтр Баттерворта второго порядка, который имеет спад 40 Дб/дек. Элементы С1, С2 и R1 и R2 рассчитываются согласно методу приведенному в [1] для частоты среза f>В> . Операционный усилитель (ОУ) питается от двуполярного источника питания 12В. В качества ОУ выбран кристал К140УД7, обладающий хорошими частотными характеристиками, большим коэффициентом усиления и малым входным током. Причина выбора будет подробно рассмотрена в п. 4.3.
4. Расчет усилителя мощности
4.1 Расчет выходного каскада
Принципиальная схема усилителя мощности представлена на листе 2 графической части
Начальные данные:
выходная мощность Р>ВЫХ>=1 ВА;
ток нагрузки IН=1 А;
входное напряжение U>ВХ>=0,1 В;
диапазон частот f>Н>=50 Гц f>В>= 500 Гц;
напряжение питания U>П>=12 В.
R>Н >= U>ВЫХ> /I>ВЫХ >; (4.1)
где U>ВЫХ> –выходное напряжение
U>ВЫХ >= Р>ВЫХ >/ I>Н> = 1/1 =1 (В) (4.2)
R>Н >= 1/1=1 (Ом)
Разделительный конденсатор С4 был пасчитан из условия нижней граничной частоты f>Н>=50 Гц
С4=1/(2** f>Н> * R>Н>*(М>Н>-1) ) (4.3)
Где М>Н> – коэффициент искажений вносимый данным конденсатором в схему, для усиления мощности. Примем М>Н>=1,3. Тогда, произведя расчет, получим: С4=3832 (мкФ)
Примем С4: К50-6 4000 мкФ 15 В
Максимальное значение напряжения колектор-эммитер на транзисторах:
U>КЭ >>max>= Е>ПИТ>=12 (В)
Максимальный ток коллектора транзисторов определим по формуле
I>К >>max> = U>ВЫХ> / R>Н> =1/1 = 1 (А) (4.4)
По последним двум параметрам выбрали транзисторы комплиментарной пары:
VT1- КТ815А (п-р-п)
VT- КТ814А (р-п-р)
Их параметры идентичны и равны:
I>К >>max>= 3 (А)
>min> = 100
U>КЭ >>max> = 30 (В)
U>БЭ> = 0,6 (В)
Напряжение покоя на эмиттерах транзисторов равно:
U>O> = 0.5*Е>ПИТ> = 0,5*12=6 (В) (4.5)
Амплитуда базового тока:
I>Б>> max >= I>К max> / >min> =1/100 = 10 (тА) (4.6)
Базовый ток был выбран по входной ВАХ транзисторов [5] по началу линейного участка характеристики.
I>Бо >= 10-3 (А) U>Бэо> = 0,7 (В)
Далее был расчитан ток покоя коллектора по формуле:
I>Ко> = I>Бо>* >min> =10-3 * 100 = 0,1 (А) (4.7)
По [6] были выбраны диоды VD1 и VD2 с прямым падением напряжения U>VD>=0.7 (В) и прямым током равным:
I>VD> = 1.2* I>Б >>max> = 1.2*10-2 = 12 (тА) (4.8)
Этим параметрам соответствуют диоды КД522А
Ток через резистор R5 рассчитан из условия
I>R>>5> = I>Бо> + I>VD> = 12*10-3 + 10-3 = 13*10-3 (А) (4.9)
Напряжение на резисторе R5 :
U>R>>5> = E>ПИТ> – U>O> – U>Бэо> = 12-6-0,7=5,3 (В) (4.10)
Сопротивление резистора R5 равно:
R5 = U>R>>5> / I>R>>5> = 5.3/13*10-3 = 387 Ом (4.11)
Мощность выделяемая на резисторе R5:
P>R>>5> = I>R>>5>2 R5 =(13*10-3)2*387 =0.165 (Вт) (4.12)
Исходя из идентичности плеч каскада приняли сопротивление R6=R5 и выбрали
R5=R6: МЛТ-0,25 390 Ом
Входное сопротивление каскада:
R>ВХ> = R5/2 ll (R>H>*>min> ) = 66 (Ом) (4.13)
Амплитуда входного тока:
I>ВХ>>max>= I>БМ> + I>R>>5> = 10-2+13*10-3 =23*10-3 (А) (4.14)
Амплитуда входного напряжения каскада
U>ВХ>>max> = I>ВХ> * R>ВХ> + U>ВЫХ> = 23*10-3*66+1=2,083 (В) (4.15)
Коэффициент усиления выходного каскада по напряжению
K>U> = U>ВЫХ> / U>Вх>>max> = 1 / 2,083 = 0,48 (4.16)
Емкость конденсатора С3 :
С3=1/(2** f>Н> * R>ВХ>*(М>Н>-1) ) (4.17)
М>Н>=1,04 – коэффициент вносимых искажений для предварительного усилителя
С3=168*10-6 Ф
Выбираем С3: К50-16 200 мкФ 15 В
Схема выходного каскада усилителя мощности

Рис 3.1
4.2 Расчет предварительного усилителя
Изначально необходимо расчитать коэффициент усиления по напряжению предварительного усилителя по формуле
А = К>U>>общ >/ К>U> (4.18)
Где К>U>>общ> – коэффициент усиления по напряжению всего усилителя мощности.
К>U>>общ> = U>ВЫХ> / U>ВХ> =1 / 0,1=10 (4.19)
А=10 / 0,48 =20,83
Расчет фильтра производим по методике [1] согласно которой сначала выбираем конденсатор С1 из условия:
С1= 10-5 / f>СР >(4.20)
Где f>СР>=f>В> –частота среза фильтра.
С1=10-5 / 500 = 20*10-9 (Ф)
Выбираем С1: К72П-3 22 (нФ)
Емкость конденсатора С2 расчитывается по формуле:
С2 = (А-1+в2/4с )*С1 (4.21)
Где с и в – коэффициенты для фильтра Баттерворта второго порядка (из [таблица 3.1:1]). в=1,414 ; с=1
С2=0,4*10-6 (Ф)
Выбираем С2: К 70-8 0,4(мкФ)
Сопротивление R1 рассчитаем из условия:
R1 = (1/*f>C> C1) / (в+(в2 + 4*с*(А-1-С2/С1 )))=12400 (Ом) (4.22)
Выбираем R1: МЛТ –0,125 12 (кОм)
Сопротивление R2 определяется как
R2=1/(c*C1*C2*R1*(2**f>C>)2) = 1021 (Ом) (4.23)
Выбираем R2 : МЛТ –0,125 1 (кОм)
Исходя из значения коэффициента усиления А рассчитаем значения сопротивлений резисторов R3 и R4.
R3 = А*(R1+R2)/(А-1)= 13655 (Ом) (4.23)
Выбираем R3 : МЛТ - 0,125 13 (кОм)
R4 = А*(R1+R2) = 270790 (Ом) (4.24)
Выбираем R4 : МЛТ – 0,125 270 (кОм)
Схема усилителя-фильтра
Рис 2.2

4.3 Расчет токов в цепях предварительного усилителя
Для расчета токов выберем ОУ применяемый в предварительном каскаде К140УД7. И оновременно проверим возможность его эксплуатации в данной роли. Его характеристики:
U>ПИТ> = 12 (В) I>ВХ >= 200 (нА)
R>ВХ> = 3 (МОм) I>ПОТ>=2,8 (мА)
K>У >>U> =50000> > f>КР> =0,8 (МГц) I>ВЫХ>=30 (мА)
Ввиду того, что входное сопротивление велико входным током ОУ можно пренебречь.
Расчет токов произведем на частоте f>В> и для нее расчитаем реактивное сопротивление конденсаторов С1 и С2.
Х>С1> = 1/(2** f>В>*С1) = 16000 (Ом) (4.25)
Х>С2> =1/(2** f>В>*С1) = 795 (Ом) (4.26)
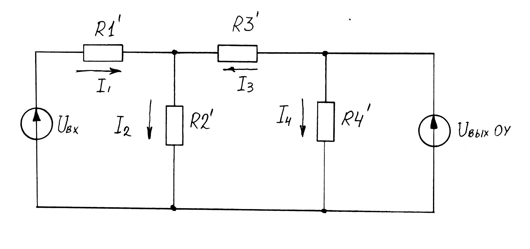
Для расчета токов составим схему замещения рис 4.3.
На схеме:
U>ВХ> = 0,1 (В); U>ВЫХ ОУ> = U>ВХ> * А = 2,083 (В)
R1’= R1=12 (кОм); R2=R2+Х>С2 >=1000+795=1795 (Ом)
R3’=Х>С1>=16 (кОм); R4’= R3 + R4 = 283 (кОм)
По законам Кирхгофа составим систему уравнений
I
>1
>+
I>3>
– I>2>
= 0
I>1>*R1+ I>2>*R2 = U>ВХ>
I>2>*R2+ I>3>*R3=U>ВЫХ ОУ>
I>4>*R4= U>ВЫХ ОУ>
решив данную систему получили следующие значения токов:
I>1>= 8 (мкА) I>2>= -110 (мкА) I>3>= -118 (мкА)
I>4>= 7,36 (мкА)
Полученные токи, которые в 40 раз превосходят входной ток ОУ, но в 7 раз меньше максимального выходного, позволяют считать расчет верным т.к входной ток ОУ практически не оказывает влияния на токи в цепях предварительного усилителя-фильтра, а выходной ток не превышает максимально допустимый.
Эквивалентная схема для расчета токов

Рис 4.3
Выводы
Расчитав схему усилителя мощности убедился, в том, что с применением операционных усилителей можно создавать малогабаритные устройства с хорошими характеристиками и малым числом дискретных элементов. Расчитанный усилитель обладает всеми параметрами представленным в задании и обеспечивает на активной нагрузке сопротивлением 1 Ом выходную мощность 1 Вт, при амплитуде входного напряжения 0,1 В, усилитель работает в частотном диапазоне 50…500 Гц и обеспечивает спад АЧХ на границах не менее 20 Дб/дек.
Данный усилитель построен с применением в качестве предъварительного усилителя-фильтра схемы фильтра НЧ Батерворта второго порядка. В качестве выходного каскада был применен двухтактный каскад на комплиментарных транзисторах, работающих в режиме А-В.
Запитывается усилитель от двуполярного источника питания с выходным напряжением 12 (В).
Литература
[1] “Интегральная электроника в измерительных устройствах” – Л,: Энергоатомиздат, 1988,- 304 с,: ил
[2] Хоровиц П., Хилл У., “Искуство схемотехники” пер. с англ.-М: Мир, 1983.-Т.1.598 с., ил.
[3] М.Н. Дьяконов, В.И. Кабабанов. – М.: Радио и связь,1983.-576с., ил
[4] А.Л. Булычев, В.Н. Галкин. “Аналоговые интегральные схемы”.- Минск., Беларусь; 1993
[5] “Справочник по транзисторам” / К.М. Брежнева, Е.И. Гатман и др. – М.радио и связь, 1981.-656с., ил
[6] “Диоды”: Справочник/А.В. Баюков, А.А. Зайцев.-М.: энергоатомиздат, 1982.- 744с.,ил