Фильтр верхних частот Баттерворта
МИНИСТЕРСТВО ОБРАЗОВАНИЯ И НАУКИ УКРАИНЫ
Харьковский национальный университет радиоэлектроники
Кафедра РЭУ
КУРСОВАЯ РАБОТА
РАСЧЁТНО-ПОЯСНИТЕЛЬНАЯ ЗАПИСКА
ФИЛЬТР ВЕРХНИХ ЧАСТОТ БАТТЕРВОРТА
Харьков 2008 г.
Техническое задание
Спроектировать фильтр верхних частот (ФВЧ) с аппроксимацией амплитудно-частотной характеристики (АЧХ) полиномом Баттерворта, определить необходимый порядок фильтра, если заданы параметры АЧХ (рис.1): К>0>=26дБ
К>п>=23дБ
К>з>=-5дБ
f>п>=10кГц
f>з>=4кГц
U>m>>Вх>=250мВ
где
- максимальный коэффициент передачи
фильтра;
- минимальный коэффициент
передачи в полосе пропускания;
- максимальный коэффициент
передачи фильтра в полосе задержки;
- частота среза;
- частота, начиная с которой
коэффициент передачи фильтра меньше
.

Рисунок 1 – Шаблон ФВЧ Баттерворта.
Обеспечить небольшую чувствительность к отклонениям номиналов элементов.
РЕФЕРАТ
Расчётно-пояснительная записка: 26 с., 11 рис., 6 табл.
Цель работы: синтез схемы активного RC-фильтра верхних частот и расчёт её компонентов.
Метод исследования: аппроксимация АЧХ фильтра полиномом Баттерворта.
Аппроксимированная передаточная функция реализована с помощью активного фильтра. Фильтр построен каскадным соединением независимых звеньев. В активных фильтрах использованы неинвертирующие усилители с конечным усилением, которые реализованы с помощью операционных усилителей.
Результаты работы могут использоваться для синтеза фильтров радиотехнической и бытовой аппаратуры.
Содержание
Вступление
1. Обзор аналогичных схем
2. Выбор и обоснование схемы фильтра
3. Топологическая модель фильтра и передаточная функция по напряжению
3.1 Осуществление нормировки ФВЧ
3.2 Определение необходимого порядка фильтра
3.3 Определение полинома Баттерворта
3.4 Обратный переход от нормированного к проектируемому ФВЧ
Переход от передаточной функции к схеме
Переход от передаточной функции к схеме
3.7 Выбор схемы активного ФВЧ третьего порядка
4. Расчёт элементов схемы
5. Методика настройки регулировки разработанного фильтра
Выводы
Список использованной литературы
Вступление
До недавнего времени результаты сопоставления цифровых и аналоговых устройств в радиоаппаратуре и технических средствах электросвязи не могли не вызывать чувства неудовлетворённости. Цифровые узлы, реализуемые с широким использованием интегральных микросхем (ИМС), выгодно отличались своей конструктивно-технологической завершённостью. Иначе обстояло дело с узлами аналоговой обработки сигналов, которые, например, в телекоммуникациях составляли от 40 до 60% объёма и массы аппаратуры связи. Громоздкие, содержащие большое число ненадёжных и трудоёмких намоточных элементов, они выглядели на фоне больших интегральных схем столь удручающе, что породили у ряда специалистов мнение о необходимости “тотальной цифризации” радиоэлектронной аппаратуры.
Последнее, однако, как любая другая крайность, не привело (да и не могло привести) к результатам, адекватным ожидаемым. Истина, как и во всех других случаях, оказалась где-то посередине. В ряде случаев более эффективной оказывается аппаратура, построенная на функциональных аналоговых узлах, элементный базис которых адекватен возможностям и ограничениям микроэлектроники.
Адекватность в данном случае может быть обеспечена переходом к активным RC-цепям, в элементный базис которых не входят катушки индуктивностей и трансформаторы, принципиально не реализуемые средствами микроэлектроники.
Обоснованность такого перехода определяется в настоящее время, с одной стороны, достижениями теории активных RC-цепей, а с другой – успехами микроэлектроники, предоставившей в распоряжение разработчиков высококачественные линейные интегральные схемы, в том числе и интегральные операционные усилители (ОУ). Эти ОУ, обладая большими функциональными возможностями, существенно обогатили аналоговую схемотехнику. Особенно ярко это проявилось в схемотехнику активных фильтров.
До 60-х годов для реализации фильтров применялись, в основном пассивные элементы, т.е. индуктивности, конденсаторы и резисторы. Основной проблемой при реализации таких фильтров оказывается размер катушек индуктивности (на низких частотах они становятся слишком громоздкими). С разработкой в 60-х годах интегральных операционных усилителей появилось новое направление проектирования активных фильтров на базе ОУ. В активных фильтрах применяются резисторы, конденсаторы и ОУ (активные компоненты), но в них нет катушек индуктивности. В дальнейшем активные фильтры почти полностью заменили пассивные. Сейчас пассивные фильтры применяются только на высоких частотах (выше 1 МГц), за пределами частотного диапазона большинства ОУ широкого применения. Но даже во многих высокочастотных устройствах, например в радиопередатчиках и приёмниках, традиционные RLC-фильтры заменяются кварцевыми фильтрами и фильтрами на поверхностных акустических волнах.
Сейчас во многих случаях аналоговые фильтры заменяются цифровыми. Работа цифровых фильтров обеспечивается, в основном, программными средствами, поэтому они оказываются значительно более гибкими в применении по сравнению с аналоговыми. С помощью цифровых фильтров можно реализовать такие передаточные функции, которые очень трудно получить обычными методами. Тем не менее, цифровые фильтры пока не могут заменить аналоговые во всех ситуациях, поэтому сохраняется потребность в наиболее популярных аналоговых фильтрах – активных RC-фильтрах.
1. Обзор аналогичных схем
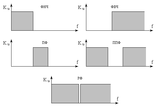
Фильтры – это частотно-избирательные устройства, которые пропускают или задерживают сигналы, лежащие в определённых полосах частот.
Фильтры можно классифицировать по их частотным характеристикам:
Фильтры нижних частот (ФНЧ) – пропускают все колебания с частотами не выше некоторой частоты среза и постоянную составляющую.
Фильтры верхних частот (ФНЧ) – пропускают все колебания не ниже некоторой частоты среза.
Полосовые фильтры (ПФ) – пропускают колебания в определённой полосе частот, которая определяется по некоторому уровню частотной характеристики.
Полосно-подавляющие фильтры (ППФ) - задерживают колебания в определённой полосе частот, которая определяется по некоторому уровню частотной характеристики.
Режекторные фильтры (РФ) – вид ППФ, имеющий узкую полосу задержки и называемый ещё фильтром-пробкой.
Фазовые фильтры (ФФ) – имеют постоянный в идеальном случае коэффициент передачи на всех частотах и предназначен для изменения фазы входных сигналов (в частности для временной задержки сигналов).

Рисунок 1.1 – Основные типы фильтров
С помощью активных RC-фильтров нельзя получить идеальные формы частотных характеристик в виде показанных на рис.1.1 прямоугольников со строго постоянным коэффициентом передачи в полосе пропускания, бесконечным ослаблением в полосе подавления и бесконечной крутизной спада при переходе от полосы пропускания к полосе подавления. Проектирование активного фильтра всегда представляет собой поиск компромисса между идеальной формой характеристики и сложностью её реализации. Это называется “проблемой аппроксимации“. Во многих случаях требования к качеству фильтрации позволяют обойтись простейшими фильтрами первого и второго порядков. Некоторые схемы таких фильтров представлены ниже. Проектирование фильтра в этом случае сводиться к выбору схемы с наиболее подходящей конфигурацией и последующему расчёту значений номиналов элементов для конкретных частот.
Однако бывают ситуации, когда требования к фильтрации могут оказаться гораздо более жёсткими, и могут потребоваться схемы более высоких порядков, чем первый и второй. Проектирование фильтров высоких порядков является более сложной задачей, чему посвящена данная курсовая работа.
Ниже приведены некоторые основные схемы первого второго порядков с описанием достоинств и недостатков каждой из них.
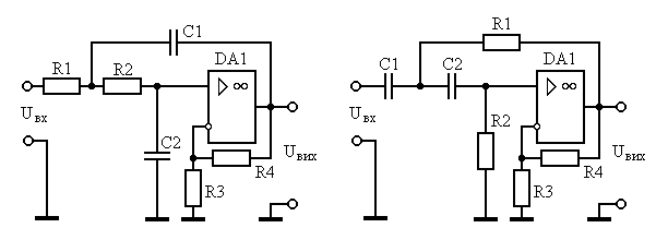
ФНЧ-I и ФВЧ-I на основе не инвертирующего усилителя.

а) б)
Рисунок 1.2 – Фильтры на основе неинвертирующего усилителя:
а) ФНЧ-I, б) ФВЧ-I.
К достоинствам схем фильтров можно отнести главным образом простоту реализации и настройки, недостатки – малая крутизна частотных характеристик, малоустойчивы к самовозбуждению.
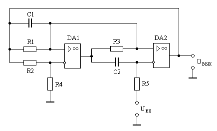
2. ФНЧ-II и ФВЧ-II с много петлевой обратной связью.

а) б)
Рисунок 1.3 – Фильтры с многопетлевой обратной связью:
а) ФНЧ-II, б) ФВЧ-II.
Таблица 2.1 – Достоинства и недостатки ФНЧ-II с много петлевой обратной связью
|
Достоинства |
Недостатки |
|
Можно
построить ФНЧ с
Относительно невысокая чувстви-тельность к отклонениям значений элементов (почти всегда меньше 1) |
Относительно малое входное сопротивление Легко
настраиваются только два параметра
Большой
диапазон номинальных значений
элементов, особенно при больших
|
Таблица 2.2 – Достоинства и недостатки ФВЧ-II с много петлевой обратной связью
|
Достоинства |
Недостатки |
|
Можно реализовать фильтры со значением . К < 1 Относительно небольшая чувствительность к отклонениям значений элементов |
Большой диапазон номиналов элементов. Нужны три конденсатора. Коэффициент передачи равен отношению ёмкостей двух конденсаторов, что уменьшает стабильность по сравнению с отношением двух резисторов. Сложность настройки. |
ФНЧ-II и ФВЧ-II Саллена-Кея.

а) б)
Рисунок 1.4 – Фильтры Саллена-Кея:
а) ФНЧ-II, б) ФВЧ-II
Таблица 2.3 – Достоинства и недостатки ФНЧ-II Саллена-Кея.
|
Достоинства |
Недостатки |
|
Высокое входное сопротивление Относительно небольшой диапазон номинальных элементов. |
Относительно высокая чувствительность к разбросу значений элементов. Ограниченные возможности реализации фильтров с. К < 1 Легко настраиваются только два параметра |
Таблица 2.4 – Достоинства и недостатки ФВЧ-II Саллена-Кея.
|
Достоинства |
Недостатки |
|
Относительно небольшой диапазон номиналов элементов |
Относительно
высокая чувствительность
Не
удаётся перекрыть весь диапазон
возможных значений. К,
|
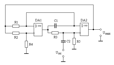
ФНЧ-II и ФВЧ-II на основе конверторов полного сопротивления.

а)

б)
Рисунок 1.5 – Схема ФНЧ II на основе конверторов полного сопротивления:
а) ФНЧ-II, б) ФВЧ-II.
Таблица 2.3 – Достоинства и недостатки ФНЧ-II и ФВЧ-II на основе конверторов полного сопротивления.
|
Достоинства |
Недостатки |
|
Достижимы как малые, так и большие значения добротности Невысокая
чувствительность
Возможна
независимая настройка
Большие значения добротности достигаются без чрезмерного расширения диапазона номиналов элементов |
Требуются два ОУ |
2. Выбор и обоснование схемы фильтра
Методы проектирования фильтров отличаются по конструктивным особенностям. Проектирования пассивных RC-фильтров большей частью определяется структурной схемой
Активные фильтры АФ математически описывают передаточною функцией. Типам АЧХ предоставлен названия полиномов передаточных функций. Каждый тип АЧХ реализуют определенным количеством полюсов (RC-цепей) в соответствии с заданной крутизной спада АЧХ. Известнейшими, есть аппроксимации Баттерворта, Бесселя, Чебышева.
Фильтр Баттерворта имеет максимально плоскую АЧХ, в полосе подавления наклон переходного участка равняется 6 дБ/окт на полюс, но он имеет нелинейную ФЧХ, входное импульсное напряжение служит причиной осцилляции на выходе, потому фильтр используется для непрерывных сигналов.
Фильтр Бесселя имеет линейную ФЧХ, небольшую крутизну переходного участка АЧХ. Сигналы всех частот в полосе пропускания имеют одинаковые временные задержки, поэтому он пригодный для фильтрации прямоугольных импульсов, которые надо посылать без искажений.
Фильтр Чебышева - фильтр равных волн в СП, масс плоскую форму за ее пределами, пригодный для непрерывных сигналов в случаях, капы надо иметь крутой склон АЧХ за частотой среза.
Простые схемы фильтров первого и второго порядков применяются лишь, когда нет жестких требований к качеству фильтрации.
Каскадное соединение звеньев фильтра осуществляют, если нужен порядок фильтра выше второго, то есть когда надо сформировать передаточную характеристику с очень большим послаблением сигналов в полосе подавленный и большой крутизной затухания АЧХ Результирующую передаточную функцию получают, перемножая частичные коэффициенты передачи
Цепи строят по одинаковой схеме, но номиналы элементов
R, С разные, и зависят от частот среза фильтра и его ланок: f>зр.ф>/f>зр.л>
Однако следует помнить, что каскадное соединение, например, двух фильтров Баттерворта второго порядка не дает фильтр Баттерворта четвертого порядка, так как результирующий фильтр будет иметь другую частоту среза и другую АЧХ. Поэтому необходимо выбирать коэффициенты одиночных звеньев таким образом, чтобы следующее произведение передаточных функций отвечал выбранному типу аппроксимации. Поэтому проектирования АФ вызовет затруднения со стороны получения идеальной характеристики и сложности ее реализации.
Благодаря очень большим входным и маленьким выходным сопротивлениям каждого звена обеспечивается отсутствие искажений заданной передаточной функции и возможность независимого регулирования каждого звена. Независимость звеньев дает возможность широко регулировать свойства каждого звена изменением его параметров.
Принципиально не имеет значения, в котором порядке размещенные частичные фильтры, так как результирующая передаточная функция всегда будет одинаковой. Тем не менее, существуют разнообразные практические рекомендации относительно порядка соединения частичных фильтров. Например, для защиты от самовозбуждения следует организовать последовательность звеньев в порядке возрастания частичной предельной частоты. Другой порядок может привести к самовозбуждению второго звена в области выброса его АЧХ, поскольку фильтры с высшими предельными частотами обычно имеют большую добротность в области граничной частоты.
Другой критерий, связан с требованиями минимизации, уровня шумов на входе. В этом случае последовательность звеньев обратная, так как фильтр с минимальной предельной частотой ослабляет уровень шума, который возникает от предыдущих звеньев каскада.
3. Топологическая модель фильтра и передаточная функция по напряжению
3.1 В данном пункте будет выбран порядок ФВЧ Баттерворта и определён вид его передаточной функции согласно заданным в ТЗ параметрам:


Рисунок 2.1 – Шаблон ФВЧ согласно техническому заданию.
Топологическая модель фильтра.

3.2 Осуществление нормировки ФВЧ
По условию задания находим нужные нам граничные условия частоты фильтра. И нормируем за коэффициентом передачи та за частотою.
За коэффициентом передачи:
К>max>=K>0>-K>п>=26-23=3дБ
К>min>=К>0>-К>з>=26-(-5)=31дБ
По частоте:

3.3 Определение необходимого порядка фильтра

Округляем n до ближайшего целого значения: n = 3.
Таким образом, для удовлетворения требований, заданных шаблоном, необходим фильтр третьего порядка.
3.4 Определение полинома Баттерворта
Согласно таблице нормированных передаточных функций фильтров Баттерворта находим полином Баттерворта третьего порядка:

3.5 Обратный переход от нормированного к проектируемому ФВЧ
Проведём обратный переход от нормированного ФВЧ к проектируемому ФВЧ.
масштабирование по коэффициенту передачи:
.
масштабирование по частоте:
Производим замену

.
В результате масштабирования получаем передаточную функцию W(p) в виде:


Рисунок 2.2 – АЧХ проектируемого ФВЧ Баттерворта.
3.6 Переход от передаточной функции к схеме
Представим передаточную функцию проектируемого ФВЧ третьего порядка в виде произведения передаточных функций двух активных ФВЧ первого и второго порядка, т.е. в виде
и
,
где
– коэффициент передачи на бесконечно
высокой частоте;
– частота полюса;
– добротность фильтра
(отношение коэффициента усиления на
частоте
к коэффициенту усиления в полосе
пропускания).
Этот переход справедлив, так как общий порядок последовательно соединенных активных фильтров будет равен сумме порядков отдельно взятых фильтров (1 + 2 = 3).
Общий коэффициент передачи фильтра (K0 = 19.952) будет определяться произведением коэффициентов передачи отдельных фильтров (K1, K2).
Разложив передаточную функцию на квадратичные сомножители, получим:

В этом выражении
.
(2.5.1)
Нетрудно заметить, что частоты полюсов и добротности передаточных функций отличаются.
Для первой передаточной функции:
частота полюса
;
добротность ФВЧ-I
постоянна и равна
.
Для второй передаточной функции:
частота полюса
;
добротность
.
Для того чтобы к операционным
усилителям в каждом каскаде предъявлялись
примерно равные требования по частотным
свойствам, целесообразно общий коэффициент
передачи всего фильтра распределить
между каждым из каскадов обратно
пропорционально добротности соответствующих
каскадов, а характерную частоту (частоту
единичного усиления ОУ)
выбрать максимальную среди всех каскадов.
Так как в данном случае ФВЧ состоит из двух каскадов, то указанное выше условие можно записать в виде:

или
.
(2.5.2)
Подставляя выражение (2.5.2) в (2.5.1), получаем:
;
откуда
;
.
Проверим правильность
расчёта коэффициентов передачи. Общий
коэффициент передачи фильтра в разах
будет определяться произведением
коэффициентов отдельных фильтров.
Переведём коэффициент
из
дБ в разы:
.
,
т.е. расчёты верны.
Запишем передаточную
характеристику с учётом расcчитанных
выше величин (
):
.
3.7 Выбор схемы активного ФВЧ третьего порядка
Так как согласно заданию необходимо обеспечить небольшую чувствительность к отклонениям элементов , то выберем в качестве первого каскада ФВЧ-I на основе не инвертирующего усилителя (рис.1.2,б), а второго – ФВЧ-II на основе конверторов полного сопротивления (КПС), схема которого приведена на рис.1.5,б.
Для ФВЧ-I на основе не инвертирующего усилителя зависимость параметров фильтра от номиналов элементов схемы таково:
;
(3.1)
.
(3.2)
Для ФВЧ-II на основе КПС параметры фильтра зависят от номиналов элементов следующим образом:
; (3.3)
;
(3.4)
;
4. Расчёт элементов схемы
Расчёт первого каскада (ФВЧ I) с параметрами
.
Выберем R1
исходя из требований к величине входного
сопротивления (
):
R1
= 200 кОм. Тогда из (3.2) следует, что
.
Выберем R2 = 10 кОм, тогда из (3.1) следует, что
.
Расчёт второго каскада (ФВЧ II) с параметрами
.
Рассчитать номинал ёмкости можно, воспользовавшись следующей инженерной формулой:
.
.
Тогда
(коэффициент в числителе подобран так,
чтобы получить номинал ёмкости из
стандартного ряда Е24). Итак С2 = 4.3 нФ.
Из (3.3) следует, что
.
Из (3.1) следует, что
.
Пусть
.
Итак С1 = 36 нФ.
Далее выбираем
,
а из (3.2) имеем:
.
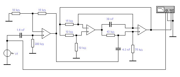
Таблица 4.1– Номиналы элементов фильтра
Первый каскад |
|||||||
|
Наим. эл. |
R1, кОм |
R2, кОм |
R3, кОм |
C1, нФ |
|||
Расчёт |
200 |
10 |
43.1 |
1.59 |
|||
Е24 |
200 |
10 |
43 |
1.6 |
|||
Второй каскад |
|||||||
|
Наим. эл. |
R1, кОм |
R2, кОм |
R3, кОм |
R4, кОм |
R5, кОм |
C1, нФ |
C2, нФ |
Расчёт |
41.93 |
27.56 |
43 |
10 |
74.03 |
36 |
4.3 |
Е24 |
42 |
28 |
43 |
10 |
75 |
36 |
4.3 |
Из данных таблицы 4.1 мы можем приступить к моделированию схемы фильтра.
Это мы делаем при помощи специальной программы Workbench 5.0.
Схема и результаты моделирования приведены на рис.4.1. и рис.4.2,а-б.

Рисунок 4.1 – Схема ФВЧ Баттерворта третьего порядка.

а)
б)
Рисунок 4.2– Результирующие АЧХ (а) и ФЧХ (б) фильтра.
5. Методика настройки и регулирования разработанного фильтра
Чтобы в реальном фильтре обеспечивалась нужная АЧХ, сопротивления и емкости нужно выбирать с большой точностью.
Это очень просто сделать для резисторов, если их брать с допуском не более 1%, и тяжелее для емкостей конденсаторов, потому что допуски у них в районе 5-20%. Из-за этого сначала рассчитывается емкость, а потом рассчитывается сопротивление резисторов.
5.1 Выбор типа конденсаторов
Выберем низкочастотный тип конденсаторов в силу их меньшей стоимости.
Необходимы небольшие габариты и масса конденсаторов
Выбирать конденсаторы нужно с как можно меньшими потерями (с маленьким тангенсом угла диэлектрических потерь).
Оптимальными по этим требованиям можно считать конденсаторы типа К10-17а – низкочастотные керамические конденсаторы с малыми МГП, имеющие изоляцию, однако имеют сравнительно высокие потери и частотно-зависимый тангенс угла диэлектрических потерь.
Некоторые параметры группы К10-17 (взяты из [2]):
Размеры, мм.
B4,6…8,6
L6,8…12,0
A2.5…7.5
Масса, г0,5…2
Допускаемое
отклонение ёмкости, %
Тангенс угла потерь0,0015
Сопротивление изоляции, МОм1000
Диапазон
рабочих температур,
– 60…+125
5.2 Выбор типа резисторов
Для схемы проектируемого фильтра, чтобы обеспечить низкую температурную зависимость, необходимо выбирать резисторы с минимальным ТКС.
Выбираемые резисторы должны обладать минимальными собственными ёмкостью и индуктивностью, поэтому выберем непроволочный тип резисторов.
Однако у непроволочных резисторов более высокий уровень токовых шумов, поэтому необходимо учесть и параметр уровня собственных шумов резисторов.
Прецизионные резисторы типа С2-29В удовлетворяют заданным требованиям (параметры взяты из [2]):
номинальная мощность, Вт 0.125;
диапазон
номинальных сопротивлений, Ом
;
ТКС
(в интервале температур
),


ТКС
(в интервале температур
),


Уровень собственных шумов, мкВ/В1…5
Предельное рабочее напряжение постоянного
и переменного тока, В200
Выбор типа операционных усилителей
Главный критерий при выборе ОУ – это его частотные свойства, так как реальные ОУ имеют конечную полосу пропускания. Для того чтобы частотные свойства ОУ не влияли на характеристику проектируемого фильтра, необходимо чтоб для частоты единичного усиления ОУ в i-том каскаде выполнялось соотношение:

Для первого каскада:
.
Для второго каскада:
.
Выбирая большее значение, получаем, что частота единичного усиления ОУ не должна быть менее 100 Кгц.
Коэффициент усиления ОУ должен быть достаточно большим.
Напряжение питания ОУ должно соответствовать напряжению источников питания, если таковое известно. В противном случае, желательно выбрать ОУ с широким диапазоном напряжений питания.
При выборе ОУ для многокаскадного ФВЧ лучше выбрать ОУ с возможно меньшим напряжения смещения.
Согласно справочнику [3] выберем ОУ типа 140УД6А, конструктивно оформленный в корпусе типа 301.8-2. ОУ этого типа являются ОУ общего назначения с внутренней частотной коррекцией и защитой выхода при коротких замыканиях нагрузки и имеют следующие параметры:
напряжение
питания
,
В

напряжение
питания
,
В

ток
потребления
,
мА
напряжение
смещения, мВ

коэффициент
усиления ОУ по напряжению


частота
единичного усиления
,
МГц1
Далее согласно выбранным типам элементов фильтра построим его схему электрическую принципиальную (чертёж).
5.4 Методика настройки и регулировки разработанного фильтра
Настройка данного фильтра не представляет большой сложности. Параметры частотной характеристики “подгоняются” с помощью резисторов, как первого, так и второго каскадов независимо друг от друга, при чём настройка одного параметра фильтра не влияет на значения других параметров.
Настройка проводится следующим образом:
Коэффициент усиления устанавливается резисторами R2 первого и R5 второго каскада.
Частота
полюса первого каскада
настраивается резистором R1,
частота полюса второго каскада
– резистором R4.
Добротность второго каскада регулируется резистором R8, а добротность первого каскада не регулируется (постоянна при любых номиналах элементов).
Выводы
Итогом данной курсовой работы является получение и расчёт схемы заданного фильтра. ФВЧ с аппроксимацией частотных характеристик полиномом Баттерворта с параметрами, приведенными в техническом задании, имеет третий порядок и представляет собой двокаскадно - соединённых ФВЧ первого порядка (на основе не инвертирующего усилителя) и второго порядка (на основе конвертеров полного сопротивления). Схема содержит три операционных усилителя, восемь резисторов и три ёмкости. В данной схеме используется два источника питания по 15 В каждый.
Выбор схемы для каждого каскада общего фильтра проводился на основании технического задания (обеспечить малую чувствительность к отклонениям номиналов элементов) с учётом достоинств и недостатков каждого типа схем фильтров, используемых в качестве каскадов общего фильтра.
Номиналы элементов схемы подбирались и рассчитывались таким образом, чтобы максимально приблизить их к стандартному номинальному ряду Е24, а также, чтобы получить при этом как можно большее входное сопротивление каждого каскада фильтра.
После моделирования схемы фильтра с помощью пакета Electronics Workbench 5.0 (рис.5.1) были получены частотные характеристики (рис.5.2), имеющие требуемые параметры, приведённые в техническом задании (рис.2.2).
К достоинствам данной схемы можно отнести простоту настройки всех параметров фильтра, независимую настройку каждого каскада отдельно, малую чувствительность к отклонениям от номиналов элементов.
Недостатками является использование в схеме фильтра трёх операционных усилителей и соответственно его повышенная стоимость, а также относительно невысокое входное сопротивление (порядка 50 кОм).
Список использованной литературы
Зеленин А.Н., Костромицкий А.И., Бондарь Д.В. – Активные фильтры на операционных усилителях. – Х.: Телетех, 2001. изд. второе, исправ. и доп. – 150 с.: ил.
Резисторы, конденсаторы, трансформаторы, дроссели, коммутационные устройства РЭА: Справ./Н.Н. Акимов, Е.П. Ващуков, В.А. Прохоренко, Ю.П. Ходоренок. – Мн.: Беларусь, 2004. – 591 с.:ил.
Аналоговые интегральные схемы: Справ./А.Л. Булычёв, В.И. Галкин, 382 с.: В.А. Прохоренко. – 2-е изд., перераб. и доп. – Мн.: Беларусь, 1993. – черт.
