Функциональные устройства телекоммуникаций
Контрольное задание №1
Исходные данные (Вариант №4):
|
Еп, В |
9 |
|
I>0K,> мА |
12 |
|
U>0КЭ>, В |
4 |
|
E>Г>, мВ |
50 |
|
R>Г>, кОм |
0,6 |
|
f>Н>, Гц |
120 |
|
f>В>, кГц |
10 |
|
M, дБ |
1 |
|
t>СМИН>, оC |
0 |
|
t>СМАКС>, оC |
35 |
Изобразим полную принципиальную схему предварительного каскада элементами связи с источником сигнала и последующим каскадом.

Выберем тип транзистора исходя из заданного режима его работы и частоты верхнего среза усилителя f>В>
Еп=9В; I>0K>=12 мА; f>В>=10кГц
Возьмем низкочастотный транзистор малой мощности. Например ГТ108А [3]. Это германиевый сплавной транзистор p-n-p типа.
Выпишем его основные параметры из справочника [3]:
|
Параметры |
Режим измерения |
ГТ108А |
|
h>21ЭМИН> |
U>КЭ>=-5В; I>Э>=1 мА; t>С>=20 оC |
20 |
|
h>21ЭМАКС> |
55 |
|
|
С>К, >пФ |
U>КБ>=-5В; f=465 кГц |
50 |
|
τ>К, >нс |
U>КБ>=-5В; f=465 кГц |
5 |
|
f>H31Э, >МГц |
U>КЭ>=-5В; I>Э>=1 мА |
0,5 |
|
I>КБО, >мкА |
U>КБ> =-5В; t>С>=20 оC |
15 |
Рассчитаем параметры малосигнальной модели биполярного транзистора [1].
Среднее значение коэффициента передачи тока равно:
(1.1)
h>21Э>=33,2.
Выходная проводимость определяется как
(1.2)
h>22Э>=1,2*10-4 См.
Здесь U>A>— напряжение Эрли, равное 70... 150 В у транзисторов типа р-n-р.
Объемное сопротивление области базы r>Б> можно определить из постоянного времени τ>К> коллекторного перехода:
(1.3)
r>Б>=100 Ом
Дифференциальное сопротивление эмиттерного перехода определяется по формуле:
(1.4)
r>Б’Э>=74 Ом
где
=2,2
Ом дифференциальное сопротивление
эмиттера;
0,026
В — температурный потенциал при Т=
300
К;
m=1 — поправочный коэффициент, принимаемый примерно равным 1 для германиевых транзисторов.
Входное сопротивление транзистора:
(1.5)
h>11Э>=174 Ом
Емкость эмиттерного перехода равна:
(1.6)
С>Б’Э>=4,3 нФ
Проводимость прямой передачи:
(1.7)
Y>21Э>=0,191 См
Рассчитаем параметры эквивалентной схемы биполярного транзистора по дрейфу [1].
Минимальная температура перехода транзистора
(1.8)
где P>K>— мощность, рассеиваемая на коллекторе транзистора;
(1.9)
P>K>=48 мВт,
R>ПС>=0,5 °С/мВт,
t>Пmin>= 14,4°С.
Максимальная рабочая температура перехода:
t>Пmax>= t>Сmax>+ R>ПС> P>K> (1.10)
t>Пmax>=49,4°С
Значение параметра h/>21Э> транзистора при минимальной температуре перехода:
(1.11)
h/>21Э> =26,4.
Значение параметра h//>21Э> транзистора при максимальной рабочей температуре перехода:
(1.12)
h//>21Э> =52,3.
Изменение параметра Δh>21Э> в диапазоне температур:
(1.13)
Δh>21Э> =26
Изменение обратного тока коллектора в диапазоне температур:
(1.14)
ΔI>КБ0>=81 мкА,
где α — коэффициент, принимаемый для германиевых транзисторов в интервале 0,03— 0,035
Эквивалентное изменение тока в цепи базы в диапазоне температур:
(1.15)
ΔI>0>=0,4 мА
Эквивалентное изменение напряжения в цепи базы, вызванное изменением температуры окружающей среды:
(1.16)
ΔU>0>=0,12В
Рассчитаем элементы эммитерной стабилизации тока покоя транзистора:
Зададимся падением напряжением на сопротивлении R>Э> в цепи эмиттера транзистора равным
U>RЭ>=0,2Eп=1,8В (1.17)
Определим сопротивление этого резистора:
(1.18)
R>Э>=150 Ом
а также сопротивление резистора в цепи коллектора:
(1.19)
R>К>=267 Ом
Округлим их значения до ближайших стандартных, они будут равны соответственно 150 Ом и 270 Ом
Зададимся допустимым изменением тока коллектора в диапазоне температур из условия
(1.20)
ΔI>0К>=0,5I>0K>=6 мА
При этом необходимо учитывать, что меньшее значение изменения этого тока приводит к увеличению тока, потребляемого резистивным делителем в цепи базы, к снижению входного сопротивления и ухудшению КПД каскада.
Исходя из требуемой стабилизации тока покоя каскада, определяют эквивалентное сопротивление в цепи базы транзистора:
(1.21)
R>Б>=4,2 кОм (стандартная величина – 4,3 кОм)
Рассчитаем ток базы в рабочей точке:
(1.22)
I>ОБ>=0,36 мА
Пусть U>0БЭ>=0,3 В
Напряжение на нижнем плече резистивного делителя в цепи базы:
(1.23)
U>RБ2>=2,1 В
Сопротивление верхнего плеча резистивного делителя в цепи базы:
(1.24)
R>Б1>=10 кОм (стандартная величина – 10 кОм)
Сопротивление нижнего плеча делителя в цепи базы:
(1.25)
R>Б2>=4,2 кОм (стандартная величина – 4,3 кОм)
Входные сопротивления рассчитываемого R>ВХ> и последующего R>ВХ2>= R>Н> каскадов:
(1.26)
R>ВХ1>=167 Ом
Выходное сопротивление каскада:
(1.27)
R>ВЫХ>=260 Ом
Определим емкости разделительных (С>Р1> и С>Р2>) и блокировочного (С>Э>) конденсаторов. Эти конденсаторы вносят частотные искажения в области нижних частот примерно в равной степени. В связи с этим заданные на каскад частотные искажения М>Н>(дБ) в децибелах целесообразно распределить поровну между данными элементами:

М>НСР1>=М>НСР2>=М>НСЭ>=0,33 дБ
Емкость первого разделительного конденсатора:
(1.28)
С>Р1>=6,1 мкФ (стандартная величина – 6,2 мкФ)
Емкость второго разделительного конденсатора:
(1.29)
С>Р2>=11 мкФ (стандартная величина – 10 мкФ)
Емкость блокировочного конденсатора в цепи эмиттера:
(1.30)
где
(1.31)
М>0>=7,7;
С>Э>=238 мкФ (стандартная величина – 240 мкФ);
Сопротивление нагрузки каскада по переменному току:
(1.32)
=103
Ом
Коэффициент передачи каскада по напряжению:
(1.33)
К>U>=20
Сквозной коэффициент передачи по напряжению:
(1.34)
К>Е>=4,2
Выходное напряжение каскада:
(1.35)
U>ВЫХ>=213 мВ
Коэффициент передачи тока:
(1.36)
K>i>=20
Коэффициент передачи мощности:
(1.37)
K>P>=383
Верхняя граничная частота каскада определяется по формуле:
(1.38)
где
—
эквивалентная
постоянная времени каскада в области
верхних частот.
Постоянную
времени
можно
определить из выражения
(1.39)
где
и
— постоянные
времени входной и выходной цепей
соответственно.
Эти постоянные времени определяются по формулам
(1.40)
(1.41)
где С>0> — эквивалентная входная емкость каскада,
С>н> — емкость нагрузки.
Эквивалентная
входная емкость каскада включает емкость
перехода база — эмиттер
и
пересчитанную на вход емкость перехода
база — коллектор С>к>
:
(1.42)
С>0>=5,3 нФ;
=0,7
мкс;
=0,5
мкс;
=
0,9 мкс.
f>В>=180 кГц.
Определим частотные искажения в области верхних частот
(1.40)
М>В>=0,013
и сравним их с заданным значением М. Т.к. условие выполняется, т.е. М>В>(дБ)<М(дБ), следовательно расчет произведен верно.
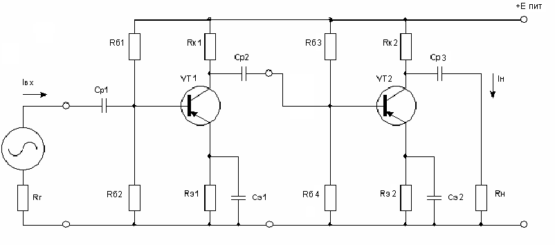
Контрольное задание №2
тип схемы: 7;
тип транзистора: p-n-p - КТ363Б
Выпишем основные параметры заданных транзисторов:
|
КТ363Б |
|
|
h>21Эmin> |
40 |
|
h>21Эmax> |
120 |
|
|h>21Э>| |
15 |
|
fизм, МГц |
100 |
|
τ>K>, пс |
5 |
|
C>K>, пФ |
2 |
Eг=1мВ; fc=10кГц; Rг=1кОм; Rн=1кОм; Сн=100пФ; Ср2=10мкФ.
Принципиальная схема анализируемого каскада с подключенными к ней источником сигнала и нагрузкой имеет вид:

Рассчитаем режим работы транзисторов по постоянному току, пусть Еп=10 В.
Расчет схемы по постоянному току проводится в следующем порядке. Рассчитаем ток делителя в базовых цепях транзисторов:
(2.1)
Определить потенциалы баз транзисторов:
(2.2)
(2.3)
Найдем потенциалы эмиттеров транзисторов:
(2.5)
(2.6)
Напряжение U>0БЭ> выбирается в интервале 0.5...0,7 В для кремниевых транзисторов, выберем U>0БЭ>=0,5В.
Рассчитаем ток в резисторе, подключенном к эмиттеру первого транзистора:
(2.7)
Рассчитаем ток коллектора в рабочей точке, для этого найдем сначала найдем среднее значение коэффициента передачи тока:
(2.8)
h>21Э>=69,
тогда:
(2.9)

(2.10)
Определим напряжение на коллекторе в рабочей точке:
(2.11)
(2.12)
По результатам расчета статического режима определяются параметры моделей первого и второго транзисторов:
Выходная проводимость определяется как
(2.13)
h>22>1=1,3*10-5 См, h>22>2=1,2*10-5 См.
Здесь U>A>— напряжение Эрли, равное 100... 200 В у транзисторов типа n-р-n. Примем U>A>=100В.
Предельная частота усиления транзистора по току определяется по единичной частоте усиления f>Т>:
(2.14)
Граничная частота f>Т >находится по формуле:
(2.15)
f>Т1,2>=1,5 ГГц;
=22
МГц.
Объемное сопротивление области базы r>Б> можно определить из постоянной времени τ>К> коллекторного перехода транзистора, приводимой в справочниках:
(2.16)
r>Б1,2>=2,5 Ом.
Дифференциальное сопротивление эмиттерного перехода определяется по формуле:
(2.17)
r>Б’Э1>=2,2 кОм, r>Б’Э2>=2,2 кОм.
где
дифференциальное сопротивление эмиттера;
0,026
мВ — температурный потенциал при Т=
300
К;
m — поправочный коэффициент, принимаемый примерно равным 1.5 для кремниевых транзисторов.
r>Э1>=31 Ом, r>Э2>=31 Ом.
Емкость эмиттерного перехода равна:
(2.18)
С>Б’Э1>=3,4 пФ; С>Б’Э2>=3,3 пФ
Определим коэффициент передачи по напряжению, входное и выходное сопротивление оконечного каскада, построенного по схеме с ОЭ.
Входное сопротивление транзистора VT2:
h>11>2=r>Б2>+r>Б>>’>>Э2>=2,2 кОм (2.19)
Входное сопротивление каскада:
(2.20)
Выходное сопротивление каскада:
(2.21)
Сопротивление нагрузки каскада по переменному току:
(2.22)
Коэффициент передачи каскада по напряжению:
(2.23)
K>U2>=16
Определим коэффициент передачи по напряжению, сквозной коэффициент передачи по напряжению, входное и выходное сопротивления входного каскада. При этом необходимо учитывать, что нагрузкой входного каскада является входное сопротивление оконечного каскада. Входной каскад построен по схеме с ОЭ.
Входное сопротивление транзистора VT2:
h>11>1=r>Б1>+r>Б>>’>>Э1>=2,2 кОм (2.24)
Входное сопротивление каскада:
(2.25)
Выходное сопротивление каскада:
(2.26)
(2.27)
Сопротивление нагрузки каскада по переменному току:
(2.28)
Коэффициент передачи каскада по напряжению:
(2.29)
K>U1>=32
Сквозной коэффициент передачи по напряжению:
(2.30)
Коэффициент передачи по напряжению всего усилителя определяется по формуле
K>U>= K>U1>* K>U2>=500 (2.31)
Сквозной коэффициент передачи по напряжению K>E >всего усилителя определяется аналогично:
K>Е>= K>Е1>* K>U2>=310 (2.32)
Входное сопротивление усилителя определяется входным сопротивлением входного каскада, а выходное – выходным сопротивлением оконечного каскада.
Постоянные времени в области нижних частот, связанные с разделительными конденсаторами Ср1, Ср2, определяются по формулам:
τ>Н1>=Ср1*(Rг+ R>ВХ1>)=13 мс (2.33)
τ>Н2>=Ср2*(R>ВЫХ2>+ Rн)=20 мс (2.34)
Постоянная времени в области нижних частот, связанная с блокировочным конденсатором Сэ, определяется по формуле:
τ>Н3>=СэRэ=30 мс (2.35)
Эквивалентная постоянная времени в области нижних частот равна
(2.36)
где τ>Нi>, τ>Нj> - эквивалентные постоянные времени каскада в области нижних частот связанные с i-м разделительным и j-м блокировочным и конденсаторами соответственно. τ>Н>=10 мс
Нижняя частота среза определяется по формуле:
(2.37)
В усилителе имеются три постоянных времени в области верхних частот, связанные с входными цепями входного и оконечного транзисторов и емкостью нагрузки:
τ>Вi>=Сi*Ri, (2.38)
где Сi – емкость i-го узла относительно общего провода,
Ri – эквивалентное сопротивление i-го узла относительно общего провода.
Входная емкость транзистора в схеме с общим эмиттером равна:
(2.39)
(2.40)
С>01>=70 пФ, С>02>=37 пФ.
n
(2.41)
(2.42)
(2.43)
Эквивалентная постоянная времени в области верхних частот равна
(2.44)
τ>В>=75 нс
Верхняя частота среза определяется по формуле:
(2.45)
f>В>=2 МГц
Литература
. Войшвилло. Г. В. Усилительные устройства / Г. В. Войшвилло. — М. : Радио и связь, 1983.
. Титце, У. Полупроводниковая схемотехника. / У. Титце, К. Шенк. — М. : Мир, 1982.
.
Галкин, В. И. Полупроводниковые приборы
: справочник / В. И. Галкин, А. Л. Булычев,
В. А. Прохоров. — 2-е изд. — Минск :
Беларусь, 1987.

