Цифровые системы управления связью
1. Эталонная модель взаимодействия открытых систем
1.1. Общие положения
Эталонная модель OSI стала основной архитектурной моделью для систем передачи сообщений.
Эталонная модель OSI делит проблему передачи информации между абонентами на семь менее крупных и, следовательно, более легко разрешимых задач. Каждой из семи областей проблемы передачи информации ставится в соответствие один из уровней эталонной модели. Два самых низших уровня эталонной модели OSI реализуются аппаратным и программным обеспечением, остальные пять высших уровней, как правило, реализуются программным обеспечением.

Рис. 1.1. Пример связи уровней OSI
В качестве примера связи типа OSI предположим, что Система А на Рис. 1.1 имеет информацию для отправки в Систему В. В этом случае информация из прикладного процесса через уровень 7 сообщается с уровнем 6, который модифицирует информацию, делая ее понятной для уровня 5 и т.д. вплоть до физического уровня системы А. На стороне системы В осуществляется обратное преобразование, начиная от низших уровней до самого верхнего. Следовательно, каждый уровень Системы А использует услуги, предоставляемые ему смежными уровнями, чтобы осуществить связь с соответствующим ему уровнем Системы В. Нижестоящий уровень называется источником услуг, а вышестоящий - пользователем услуг. Взаимодействие уровней происходит в так называемой точке предоставления услуг.
Обмен управляющей информацией между соответствующими уровнями системы OSI осуществляется в виде «заголовков», добавляемых к информационной части. В принимающей системе осуществляется анализ этой информации с последующим удалением соответствующего заголовка перед передачей на верхний уровень.

Каждый уровень имеет заранее заданный набор функций, которые он должен выполнить для проведения связи.
Прикладной уровень (уровень 7) – это самый близкий к пользователю уровень OSI. Он отличается от других уровней тем, что не обеспечивает услуг ни одному из других уровней OSI. Он обеспечивает услугами прикладные процессы, лежащие за пределами масштаба модели OSI. Прикладной уровень идентифицирует и устанавливает наличие предполагаемых партнеров для связи, синхронизирует совместно работающие прикладные процессы, а также устанавливает и согласовывает процедуры устранения ошибок и управления целостностью информации. Прикладной уровень также определяет, имеется ли в наличии достаточно ресурсов для предполагаемой связи.
Представительный уровень (уровень 6) отвечает за то, чтобы информация, посылаемая из прикладного уровня одной системы, была читаемой для прикладного уровня другой системы. При необходимости представительный уровень осуществляет трансляцию между множеством форматов представления информации путем использования общего формата представления информации.
Сеансовый уровень (уровень 5) устанавливает, управляет и завершает сеансы взаимодействия между прикладными задачами. Сеансы состоят из диалога между двумя или более объектами представления. Сеансовый уровень синхронизирует диалог между объектами представительного уровня и управляет обменом информации между ними. Кроме того, сеансовый уровень предоставляет средства для отправки информации, класса услуг и уведомления в исключительных ситуациях о проблемах сеансового, представительного и прикладного уровней.
Транспортный уровень (уровень 4). Функцией транспортного уровня является надежная транспортировка данных через сеть. Предоставляя надежные услуги, транспортный уровень обеспечивает механизмы для установки, поддержания и упорядоченного завершения действия каналов, систем обнаружения и устранения неисправностей транспортировки и управления информационным потоком (с целью предотвращения переполнения системы данными из другой системы).
Сетевой уровень (уровень 3) - это комплексный уровень, который обеспечивает возможность соединения и выбор маршрута между двумя конечными системами. Поскольку две конечные системы, желающие организовать связь, может разделять значительное географическое расстояние и множество подсетей, сетевой уровень является доменом маршрутизации. Протоколы маршрутизации выбирают оптимальные маршруты через последовательность соединенных между собой подсетей.
Канальный уровень (уровень 2) обеспечивает надежный транзит данных через физический канал. Выполняя эту задачу, канальный уровень решает вопросы физической адресации (в противоположность сетевой или логической адресации), топологии сети, линейной дисциплины (каким образом конечной системе использовать сетевой канал), уведомления об ошибках, упорядоченной доставки блоков данных и управления потоком информации.
Физический уровень (уровень 1) определяет электротехнические, механические, процедурные и функциональные характеристики установления, поддержания и разъединения физического канала между конечными системами.
2. Основные сведения о сетях электросвязи
2.1. Основные определения
Сеть связи - совокупность технических средств, обеспечивающих передачу и распределение сообщений. Принципы построения сетей связи зависят от вида передаваемых и распределяемых сообщений.
В настоящее время применяют следующие принципы построения (топологии) сетей:

"каждый с каждым". Сеть надежна, отличается оперативностью и высоким качеством передачи сообщений. На практике применяется при небольшом числе абонентов. Если произойдет обрыв одной из соединительных линий, то это не повлияет на общую работоспособность сети, т.к. существует множество обводных маршрутов следования информации.

радиальный ("звезда"). Используется при ограниченном числе абонентских пунктов, расположенных на небольшой территории. Пример, организация сети связи между абонентами и АТС. Недостаток заключается в том, что если произойдет поломка центрального узла, то нарушается работа всего узла связи в целом.

радиально-узловой. Такую структуру имеют городские телефонные сети, если емкость сети не превышает 80...90 тысяч абонентов;
радиально-узловой с узловыми районами. Используется при построении телефонных сетей крупных городов.

Телеграфные сети строятся по радиально-узловому принципу с учетом административно-территориального деления страны. Оконечными пунктами телеграфной сети являются либо отделения связи, либо телеграфные абоненты, обладающие телеграфной аппаратурой. Сеть имеет три уровня узловых пунктов: районные, областные и главные. Сеть передачи данных имеет схожую структуру. Сеть факсимильной связи строится на базе телефонной сети.
2.2. Сети передачи индивидуальных сообщений
Для обеспечения передачи индивидуальных сообщений необходимо связать (соединить) оконечные аппараты абонентов. Электрическая цепь (канал), состоящая из нескольких участков и обеспечивающая передачу сигналов между абонентами, называется соединительным трактом.
Процесс поиска и соединения электрических цепей называется коммутацией каналов. Сеть, обеспечивающая коммутацию каналов, называется сетью с коммутацией каналов (СКК). Узловые станции сети СКК называются станциями коммутации.
При передаче документальных сообщений кроме организации связи с коммутацией каналов возможно осуществлять поэтапную передачу сообщения от узла к узлу. Такой способ передачи получил название коммутации сообщений. Соответственно сеть, обеспечивающая коммутацию сообщений, называется сетью с коммутацией сообщений (СКС).
Разновидностью сети СКС является сеть с коммутацией пакетов (СКП). В этом случае полученное от передающего абонента сообщение разбивается на блоки (пакеты) фиксированной длины. Пакеты передаются по сети (необязательно по одному и тому же маршруту) и объединяются в сообщение перед выдачей принимающему абоненту.
Узловые станции сетей СКС и СКП называются центрами коммутации сообщений (ЦКС) и пакетов (ЦКП) соответственно.
3. Цифровые системы передачи
3.1. Преимущества цифровых систем передачи
Рассмотрим основные преимущества цифровых методов передачи перед аналоговыми.
Высокая помехоустойчивость. Представление информации в цифровой форме позволяет осуществлять регенерацию (восстановление) этих символов при передаче их по линии связи, что резко снижает влияние помех и искажений на качество передачи информации.
Слабая зависимость качества передачи от длины линии связи. В пределах каждого регенерационного участка искажения передаваемых сигналов оказываются ничтожными. Длина регенерационного участка и оборудование регенератора при передаче сигналов на большие расстояния остаются практически такими же, как и в случае передачи на малые расстояния.
Стабильность параметров каналов ЦСП. Стабильность и идентичность параметров каналов (остаточного затухания, частотной и амплитудной характеристик и др.) определяются в основном устройствами обработки сигналов в аналоговой форме. Поскольку такие устройства составляют незначительную часть оборудования ЦСП, стабильность параметров каналов в таких системах значительно выше, чем в аналоговых.
Эффективность использования пропускной способности каналов для передачи дискретных сигналов. При вводе дискретных сигналов непосредственно в групповой тракт ЦСП скорость их передачи может приближаться к скорости передачи группового сигнала. При использовании временного метода уплотнения, скорость передачи резко возрастает.
Возможность построения цифровой сети связи. Когда параметры каналов практически не зависят от структуры сети, что обеспечивает возможность построения гибкой разветвленной сети, обладающей высокими надежностными и качественными показателями.
Высокие технико-экономические показатели. Передача и коммутация сигналов в цифровой форме позволяют реализовывать оборудование на единых аппаратных платформах. Это позволяет резко снижать трудоемкость изготовления оборудования, значительно снижать его стоимость, потребляемую энергию и габариты. Кроме того, существенно упрощается эксплуатация систем и повышается их надежность.
3.2. Кодирование в цифровых системах связи
При квантовании непрерывного сигнала формируется поток бит, который оптимален с точки зрения уменьшения ошибок квантования, но не пригоден для передачи по каналу связи по ряду причин:
- выходной цифровой поток имеет широкий спектр, что затрудняет его передачу по каналу связи с ограниченной полосой пропускания и осложняет процесс регенерации сигнала синхронизации.
- спектр сигнала имеет много низкочастотных составляющих, которые могут интерферировать (смешиваться) с составляющими передаваемого низкочастотного сигнала.
- спектр содержит большую постоянную составляющую, что усложняет процесс фильтрации.
Для оптимизации спектра сигнала, передаваемого в линию связи, используется линейное кодирование, которое должно обеспечить:
- минимальную спектральную плотность на нулевой частоте и ее ограничение на нижних частотах.
- информацию о тактовой частоте передаваемого сигнала в виде дискретной составляющей, легковыделяемой на фоне непрерывной части спектра.
- непрерывный спектр должен быть узкополосным для передачи через канал связи без искажений.
- малую избыточность, для снижения относительной скорости передачи в канале связи.
- минимально возможные длины блоков повторяющихся символов («1» или «0») и диспаритетность (неравенство числа «1» и «0» в кодовых комбинациях).
Для
линейного кодирования число уровней
входного сигнала
,
а число уровней выходного сигнала
может быть 2 (двухуровневые), или 3
(трехуровневые). Двухуровневое кодирование
может быть однополярным (+1, 0) и двухполярным
(+1, -1); трехуровневые – однополярным
(+2, +1, 0) и двухполярным (+1, 0, -1). Например,
электрические линии связи могут
использовать как однополярные, так и
двухполярные сигнала, а оптические
линии – только однополярные.
В различных методах кодирования 1 может быть представлена положительным импульсом или переходом в центре импульса с +1 на 0 или -1. Ноль может быть представлен отсутствием импульса (0) или отрицательным импульсом (-1), а также переходом в центре импульса с -1 на 0 или +1.

Опишем такие основные виды кодов:
NRZ – not return to zero – основополагающий двухуровневый код без возвращения к нулю. Может быть как однополярным, так и двухполярным. При этом «1» передается положительным импульсом, а «0» - либо отсутствием импульса, либо отрицательным импульсом.
RZ – return to zero – основополагающий трехуровневый код с возвращением к нулю. При этом «1» передается переходом в центре импульса с +1 на 0, а «0» - переходом в центре импульса с -1 на 0.
ADI – alternate digital inversion – двоичный код с инверсией полярности сигнала на каждом втором двоичном разряде независимо «1» это или «0». В результате формируется двухполярный двухуровневый код.
AMI – alternate mark inversion – двоичный код RZ с инверсией на каждой «1». Может быть получен из кода ADI путем инверсии каждой четной «1». При нуле состояние импульса не меняется. Является двухполярным трехуровневым кодов.
CMI – coded mark inversion – двухуровневый код без возвращения к нулю, где каждая «1» ставиться в соответствие к комбинации «11», либо «00» - инверсия четных единиц. А «0» – изменением полярности в центре каждого импульса, т.е. в соответствие ставится комбинация «01». Является разновидностью кода 1b2b.

MBNB
– общее обозначение класса блочных
кодов, где M
– дина (в битах) блоков, на которые
разбивается исходная ИКМ последовательность,
а N
– соответствующая им длина (в битах)
блоков, составленных из кодовых символов.
Наиболее известным является класс 1B2B,
в котором 1 бит исходной ИКМ последовательности
длительностью T
кодируется комбинацией из 2 бит
длительностью
(относительная скорость передачи при
этом в каналах связи возрастает в 2
раза). К этому классу относится код
Миллера. Код Миллера строится в
соответствии с графом, где в узлах
показаны комбинации кода Миллера, а
переходы между узлами соответствуют
изменению состояния исходного ИКМ кода.
Если начальные состояние ИКМ кода «1», то в графе Миллера преобразование начинается с узла «11». Если начальное состояние «0», то – с узла «00». Если кода 110, то в соответствии с графом Миллера мы получим такие комбинации: 1 – в 11, 1 – в 10, 0 – в 00. Для указанной выше ИКМ последовательности при помощи графа Миллера мы получили такие комбинации:

3.3. Иерархии цифровых систем передачи
Структура первичной сети предопределяет объединение и разделение потоков передаваемой информации, поэтому используемые на ней системы передачи строятся по иерархическому принципу. Применительно к цифровым системам этот принцип заключается в том, что число каналов ЦСП, соответствующее данной ступени иерархии, больше числа каналов ЦСП предыдущей ступени в целое число раз, а именно последующий уровень строится на основе n-числа каналов предыдущего уровня.
Цифровая система передачи, соответствующая первой ступени иерархии, называется первичной; в этой ЦСП осуществляется прямое преобразование относительно небольшого числа первичных сигналов в первичный цифровой поток. Системы передачи второй ступени иерархии объединяют определенное число первичных потоков во вторичный цифровой поток и т.д.
В рекомендациях МСЭ-Т представлено два типа иерархий ЦСП: плезиохронная цифровая иерархия (ПЦИ) и синхронная цифровая иерархия (СЦИ). Первичным сигналом для всех типов ЦСП является цифровой поток со скоростью передачи 64 кбит/с, называемый основным цифровым каналом (ОЦК). Для объединения сигналов ОЦК в групповые высокоскоростные цифровые сигналы используется принцип временного разделения каналов.
3.3.1. Основы мультиплексирования
Цифровые системы передачи работают с двумя типами сигналов: непрерывные и дискретные. В первом случае, при мультиплексировании цифровыми системами необходимо предварительная дискретизация сигнала с последующим формированием группового сигнала. Принципы таких операций рассмотрены при описании работы систем импульсно-кодовой модуляции.
При обработке дискретного сигнала, системы имеют дело уже с двоичным сигналом. При мультиплексировании таких сигналов, на входе с мультиплексора имеются n двоичных входных последовательностей. Коммутатор мультиплексора может последовательно отбирать из каналов любую логически осмысленную для данной сетевой топологи, последовательность бит, составляя из них выходную последовательность. Такой процесс называется интерливингом (чередованием). Различают такие виды интерливинга:
- бит-интерливинг или чередование бит – на выход коммутируются последовательно по одному биту из каждого канала.
- байт-интерливинг или чередование байтов – на выход коммутируются последовательно по одному байту из каждого канала.
- символьный интерливинг или чередование символов – на выход коммутируются последовательно по одному символу (поле длиной 7 бит – ASC2 код – американская версия, или 8 бит – ASC2 код - международная версия) из каждого канала.
- блок-интерливинг или чередование блоков – на выход коммутируются последовательно по одному блоку из каждого канала.
На пример покажем принцип мультиплексирования с бит-интерливингом.
Из каждого канала по 64 кбит/с выходят 4-ре бита, каждый длительностью 125 мкс. Время передачи блока с одного канала 500 мкс. При формировании группового канала уменьшается длительность одного бита до 31,25 мкс. В результате в 500 мкс помещается 16 бит из 4-ех каналов. Таким образом, скорость в групповом канале составляет 256 кбит/с.

3.4. Европейская плезиохронная цифровая иерархия
Покажем характеристики европейской системы плезиохронной иерархии:
|
Уровень иерархии |
Европа |
|
|
|
Скорость Мбит/с |
Коэффициент мультиплексирования |
|
0 |
0,064 |
- |
|
1 |
2,048 |
30 |
|
2 |
8,448 |
4 |
|
3 |
34,368 |
4 |
|
4 |
139,264 |
4 |
Где коэффициент мультиплексирования показывает, сколько каналов предыдущего уровня содержится в текущем уровне иерархии.
Скорости цифровых потоков одной и той же ступени ПЦИ, могут несколько отличаться друг от друга в пределах допустимой нестабильности частот задающих генераторов. Именно поэтому рассматриваемая иерархия ЦСП называется плезиохронной. Наличие нестабильности задающих генераторов требует принятия специальных мер при объединении потоков в поток более высокой ступени иерархии, что заметно усложняет эксплуатацию первичной сети связи в целом и снижает ее качественные показатели.
Принцип объединения и разделения цифровых потоков европейской ПЦИ показан ниже. При выделении низкоскоростного потока (например, со скоростью 0,064 Мбит/с (64 кбит/с)), на промежуточной станции необходимо иметь все оборудование промежуточных уровней иерархии между выделяемым потоком и тем который используется для передачи группового потока.

Принципы синхронизации ЦСП. В плезиохронных ЦСП используется принцип ВРК, поэтому правильное восстановление исходных сигналов на приеме возможно только при синхронной и синфазной работе генераторного оборудования (ГО) на передающей и приемной станциях. Для нормальной работы плезиохронных ЦСП должны быть обеспечены следующие виды синхронизации:
тактовая синхронизация обеспечивает равенство скоростей обработки цифровых сигналов в линейных и станционных регенераторах, кодеках и других устройствах ЦСП, осуществляющих обработку сигнала с тактовой частотой F>Т>;
цикловая синхронизация обеспечивает правильное разделение и декодирование кодовых групп цифрового сигнала и распределение декодированных отсчетов по соответствующим каналам в приемной части аппаратуры;
сверхцикловая синхронизация обеспечивает на приеме правильное распределение сигналов управления и взаимодействия (СУВ) по соответствующим телефонным каналам. СУВ представляют собой набор сигналов, управляющих работой АТС (набор номера, ответ, отбой, разъединение и пр.)
Нарушение хотя бы одного из видов синхронизации приводит к потере связи по всем каналам ЦСП.
Система тактовой синхронизации включает в себя задающий генератор (ЗГ), входящий в состав ГО передающего оборудования оконечной станции (Пер) и вырабатывающий импульсную последовательность тактовой частоты F>Т>, и устройства выделения тактовой частоты (ВТЧ), устанавливаемые в том оборудовании, где осуществляется обработка сигнала с частотой F>Т>: в линейных регенераторах (ЛР) и приемном оборудовании (Пр) оконечной станции.

Наиболее распространенным методом выделения тактовой частоты является метод пассивной фильтрации, который состоит в том, что из спектра группового цифрового сигнала с помощью ВТЧ, содержащего высокодобротные резонансные контуры, фильтры-выделители или избирательные усилители, выделяется тактовая частота. Этот способ характеризуется простотой реализации ВТЧ, но имеет существенный недостаток: стабильность выделения тактовой частоты зависит от стабильности параметров фильтра-выделителя и структуры цифрового сигнала (при появлении длинных серий нулей или кратковременных перерывов связи затрудняется процесс выделения тактовой частоты).
Цикловая синхронизация осуществляется следующим образом. На передающей станции в состав группового цифрового сигнала в начале цикла вводится цифровой синхросигнал (СС). На приемной станции устанавливается приемник синхросигнала (ПСС), который выделяет цикловой синхросигнал из группового цифрового сигнала и тем самым определяет начало цикла передачи. Цикловой синхросигнал должен обладать определенными отличительными признаками, в качестве которых используется заранее определенная и неизменная структура синхросигнала (например, 0011011 в ЦСП ИКМ-30). Групповой цифровой сигнал в силу случайного характера информационных сигналов такими свойствами не обладает.
К системе цикловой синхронизации предъявляются следующие требования:
время вхождения в синхронизм при первоначальном включении аппаратуры и время восстановления синхронизма при его нарушении должно быть минимально возможным (1 цикл);
приемник синхросигнала должен обладать высокой помехоустойчивостью;
число символов синхросигнала и частота повторения должны быть минимально возможными.
Схемы ПСС включают в себя блоки обнаружения синхросигналов (СС) на основе схем совпадения, счетчики обнаружения СС в данной временной позиции, счетчики-накопители по входу в синхронизм и выходу из синхронизма.

Работа системы сверхцикловой синхронизации, как и работа системы цикловой синхронизации, основана на передаче сверхциклового синхросигнала (СЦС) в одном из циклов сверхцикла. Принцип работы приемника СЦС аналогичен работе ПСС.
Рассмотрим структуру кадра передачи ЦСП ИКМ-30. Данный поток называется первичным цифровым потоком и организуется объединением 30-ти информационных ОЦК.

Канальные интервалы КИ1-КИ15, КИ17-КИ31 отведены под передачу информационных сигналов. КИ0 и КИ16 - под передачу служебной информации. Интервалы КИ0 в четных циклах предназначаются для передачи циклового синхросигнала (ЦСС), имеющего вид 0011011 и занимающего интервалы Р2 - Р8. В интервале Р1 всех циклов передается информация постоянно действующего канала передачи данных (ДИ). В нечетных циклах интервалы P3 и Р6 КИ0 используются для передачи информации о потере цикловой синхронизации (Авар. ЦС) и снижения остаточного затухания каналов до значения, при котором в них может возникнуть самовозбуждение (Ост. зат). Интервалы Р4, Р5, Р7 и Р8 являются свободными, их занимают единичными сигналами для улучшения работы выделителей тактовой частоты.
В интервале КИ16 нулевого цикла (Ц0) передается сверхцикловой синхросигнал вида 0000 (Р1 - Р4), а также сигнал о потере сверхцикловой синхронизации (Р6 - Авар. СЦС). Остальные три разрядных интервала свободны. В канальном интервале КИ16 остальных циклов (Ц1 - Ц15) передаются сигналы служебных каналов СК1 и СК2, причем в Ц1 передаются СК для 1-го и 16-го каналов ТЧ, в Ц2 - для 2-го и 17-го и т.д. Интервалы Р3, Р4, Р6 и Р7 свободны.
Принятая структура построения ЦСП ПЦИ реализуется посредством объединения и разделения типовых цифровых потоков. Сущность любого способа объединения заключается в том, что информация, содержащаяся в поступающих потоках, записывается в запоминающие устройства, а затем поочередно считывается в моменты, отводимые ей в объединенном потоке.
В наиболее общем случае объединения асинхронных (плезиохронных) потоков в объединенный поток помимо синхросигнала, указывающего порядок объединения, вводится служебная информация, обеспечивающая необходимое согласование скоростей объединяемых потоков.
Операции разделения потоков являются обратными операциям объединения: информация объединенного потока записывается в запоминающие устройства, соответствующие исходным потокам, затем считывается со скоростями, равными скоростям объединяемых потоков.
В большинстве случаев объединение потоков осуществляется посимвольно (побитно), т.е. считывание информации из запоминающих устройств при объединении происходит по разрядам: вначале считывается и передается разряд первого потока, затем - второго и т.д., после считывания разряда последнего из объединяемых потоков вновь считывается очередной разряд первого, т.е. цикл повторяется.
Возможно объединение и по группам символов. Например, в объединенном потоке можно вначале передать все символы, относящиеся к каналу или циклу передачи первого потока, затем - такую же группу символов второго и т.д. Объединение по группам символов требует увеличения объема памяти оперативных запоминающих устройств пропорционально числу объединяемых групп символов.
3.4.1. Элементы оборудования мультиплексирования сетей PDH
3.4.1.1. Амплитудно-импульсные модуляторы

Первым шагом в получении цифрового сигнала из непрерывного является его дискретизация. На первом этапе дискретизации формируется АИМ1 сигнал. Модулятором при этом выступает транзисторный ключ.
Схема представляет собой последовательный компенсированный ключ, который управляется импульсами от генераторного оборудования (ГО). Импульсы управления подаются на промежуток база-коллектор транзисторной сборки. Через R на базы транзисторов поступает дополнительное запирающее смещение, для более надежного запирания ключей.
Вторым шагом по формированию дискретного сигнала является АИМ2, задача которого расширить длину импульса на интервал дискретизации.

Выполняется по симметричной
схеме. Когда
и
закрыты, на
обеспечивается мгновенное хранение
значения данного канального интервала.
За время хранения кодер успевает
закодировать информацию. После этого
под воздействием управляющих сигналов
с ГО через формирователь импульсов ФИ
ключи открываются, и
перезаряжается потенциалом нового
уровня, соответствующего очередному
значению канального интервала. Хранение
на
обеспечивается тем, что входное
сопротивление усилителей УС3 и УС4 более
1 МОм.
3.4.1.2. Кодер с переменным шагом кодирования

Основной функцией кодера является выполнение операций квантования и кодирования АИМ сигналов, или иными словами, аналого-цифровой преобразование. Амплитуды АИМ сигналов кодируются в двоичном симметричном коде, при этом применяется принцип уравновешивания амплитуд тока кодируемых импульсов эталонными токами.
Используются кодеры взвешивающего типа с нелинейной характеристикой квантования. Нелинейное квантование заключается в изменении интервала квантования пропорционально изменению амплитуды входного сигнала, что позволяет достичь постоянства показателя: сигнал/искажение, появляющегося при ошибках квантования из-за резких изменений амплитуды сигнала, попадающих между отсчетами квантования.
При кодировании применяется 8-ми разрядный код, где символ первого разряда несет информацию о полярности кодируемого сигнала, символы 2-го – 4-го разрядов соответствуют номеру сегмента, в пределах которого находится амплитуда сигнала. Символы остальных 4-ех разрядов соответствуют номеру интервала квантования в пределах данного сегмента. Для этого сегмента разделяется на 16 уровней с постоянным шагом квантования. Дифференциальный компаратор К определяет знак сигнала, сравнивая его амплитуду с амплитудами эталонных сигналов, формируемых ФЭС1 и ФЭС2 (положительный, отрицательный). В каждом формирователе эталонных сигналов 11 ключей, замыкание которых подает одну из эталонных условных единиц. Восьмиразрядный цифровой регистр ЦР с линией управления записывает и хранит информацию, поступающую от компаратора. Устройство преобразования сигналов управления УПСУ преобразовывает семиразрядный код (без знакового символа), поступающий с выводов ЦР в сигналы управления ключами ФЭС. Устройство коммутации УКФ пропускает эти сигналы к одному из ФЭС в зависимости от знакового символа. Формирователь выходного сигнала Ф, преобразует параллельный код в последовательный. Принцип работы кодирующей схемы поясняется диаграммой.

Если сигнал на входе компаратора
положительный, то символом в 1-ом такте
будет 1, а если отрицательный – 0. Поступая
на УКФ, эти символы определяют, какой
из ФЭС будет работать в последующих
сети тактах. При воздействии на компаратор
2,3,4 управляющих импульсов от устройства
управления (УУ) ищется сегмент
характеристики компрессии, в пределах
которого находится амплитуда. Поиск
осуществляется методом поразрядного
уравновешивания. При этом во втором
такте на вход компаратора (2) подается
средний из сети эталонных сигналов,
соответствующий границам сегментов
(128). В последующем последовательность
смены этих эталонов зависит от результата
сравнения эталонов с амплитудой
кодируемого импульса. Если
,
то по цепи обратной связи во второй
триггер ЦР передается 1, а в следующем
3-ем такте на второй вход подается средний
из эталонов, значения которых больше
128 (а именно, 512). Если
,
то по цепи обратной связи во второй
триггер ЦР передается 0, а в следующем
3-ем такте на второй вход подается средний
из эталонов, значения которых меньше
128 (а именно, 32).
Аналогично в 3-ем и 4-ом тактах, но уже в сегментах в соответствие с выбором во втором такте. Таким образом, к концу 4-го такта определяется эталонный сигнал, соответствующий нижней границе сегмента, в котором находится амплитуда, а во 2-ом – 4-ом триггерах ЦР будут записан двоичный номер сегмента.
Далее определяется положение амплитуды внутри выбранного сегмента. Для этого на протяжении 5 – 8 тактов последовательно осуществляется сравнение с эталонами, разделяющими выбранный сегмент. При этом поиск также начинается от середины сегмента, а последующий выбор эталонов зависит от того, в какой части сегмента оказалась амплитуда кодируемого сигнала.
3.4.1.3. Декодер с переменным шагом квантования
Декодеры предназначены для преобразования поступающих кодовых комбинаций на основе эталонных сигналов в сигнал АИМ2. Структурная схема декодера с переменным шагом квантования:

Если в декодировании, как и в кодировании, использовать 11 эталонов, то в нулевой точке характеристики декодера будет разрыв:

Для предотвращения такого недостатка добавляется еще 12-й эталон. В результате на нулевой координате характеристика становится линейной, и ошибка квантования уменьшается с интервала дискретизации на половину интервала дискретизации. Входной ИКМ сигнал поступает на регистр ЦР содержащий схему задержки и управляемый от генераторного оборудования ГО. 1-й регистр определяет полярность непрерывного сигнала, а, следовательно, определяет работу формирователей эталонных сигналов ФЭС1 или ФЭС2. Остальные биты определяют номера используемых эталонов. Эталонные значения показаны ниже.
|
Разряд |
1 |
2 |
3 |
4 |
5 |
6 |
7 |
8 |
9 |
10 |
11 |
12 |
|
Эталон |
1024 |
512 |
256 |
128 |
64 |
32 |
16 |
8 |
4 |
2 |
1 |
0,5 |
При этом элементы m
с 1-го по 8-ой являются основными эталонными
значениями, а к ним прибавляются
дополнительные корректирующие эталоны
.
Это позволяет вычислить значения сигнала
внутри сегмента квантования. Сам
корректирующий сигнал соответствует
половине минимального эталонного
сигнала данного сегмента.
3.4.2. Недостатки PDH систем
- Основной недостаток PDH сети в том, что добавление выравнивающих (синхронизирующих и управления) бит делает невозможным идентификацию и вывод индивидуальных каналов без полного демультиплексирования такого потока и удаления выравнивающих бит. Такая сложность возникает в случае, когда присутствует множество пользователей на пути следования групповых потоков на скоростях 34 Мбит/с и выше. Это требует чрезмерно большого количества мультиплексоров, что делает эксплуатацию сети экономически невыгодной.
- Слабые возможности сети в организации служебных каналов для цепей контроля и управления потоков в сети, а также практически полное отсутствие возможностей маршрутизации первичных информационных мультиплексных потоков, что особенно важно в сетях передачи данных.
3.5. Синхронная цифровая иерархия
3.5.1. Общие положения
Наиболее современной технологией, используемой в настоящее время для построения сетей связи, является синхронная цифровая иерархия (СЦИ) (Synchronous Digital Hierarchy - SDH). Она обладает существенными преимуществами по сравнению с системами предшествующих поколений, позволяет полностью реализовать возможности волоконно-оптических и радиорелейных линий, создавать гибкие, надежные, удобные для эксплуатации, контроля и управления сети, гарантируя высокое качество связи. Системы СЦИ обеспечивают скорости передачи от 155 Мбит/с и выше. Аппаратура СЦИ является программно управляемой и интегрирует в себе средства преобразования, передачи, оперативного переключения, контроля, управления.
3.5.2. Общая характеристика СЦИ
СЦИ позволяет организовать универсальную транспортную систему, охватывающую все участки сети и выполняющую функции, как передачи информации, так и контроля и управления.
Линейные сигналы СЦИ организованы в так называемые синхронные транспортные модули STM (Synchronous Transport Module). Первый из них - STM-1 - соответствует скорости 155 Мбит/с. Каждый последующий имеет скорость в 4 раза большую, чем предыдущий, и образуется побайтным синхронным мультиплексированием. Уже стандартизированы STM-4 (622 Мбит/с) и STM-16 (2,5 Гбит/с), ожидается принятие и STM-64 (10 Гбит/с).
В сети СЦИ используется принцип контейнерных перевозок. Подлежащие транспортированию сигналы предварительно размешаются в стандартных контейнерах С (Container). Все операции производятся с контейнерами независимо от их содержимого. Благодаря этому и достигается возможность транспортировать различные сигналы ПЦИ, потоки ячеек АТМ или какие-либо другие сигналы.
Имеются контейнеры 4-х уровней:
Таблица 3.1.
|
Уровень |
Контейнер |
Сигнал ПЦИ, Мбит/с |
|
1 |
С-11 С-12 |
1,5 2 |
|
2 |
С-2 |
6 |
|
3 |
С-3 |
34 и 45 |
|
4 |
С-4 |
140 |
Сеть СЦИ разделена на слои. Самый верхний слой образует сеть каналов, обслуживающих конечных пользователей. Группы каналов объединяются в групповые тракты различных порядков (средний слой). Групповые тракты организуются в линейные тракты, относящиеся к нижнему слою среды передачи. Он подразделяется на слой секций (мультиплексных, допускающих автономное поддержание работы сети и регенерационных, находящихся между двумя регенераторами) и слой физической среды. Взаимосвязь и расположение некоторых слоев показаны ниже.

Для организации трактов используются виртуальные контейнеры VC. Они образуются добавлением к соответствующему контейнеру трактового заголовка РОН. Виртуальные контейнеры формируются и расформировываются в точках окончания трактов. В итоге синхронный транспортный модуль STM-1 образуется добавлением к группе административных блоков AUG секционного заголовка SOH, который состоит из заголовков мультиплексной MSOH и регенерационной секций RSOH. Эти заголовки служат для контроля и управления системой передачи информации. Указатели позволяют динамично компенсировать изменения скорости и фазы нагрузки блоков. Мультиплексирование дает возможность согласовать несколько сигналов слоя трактов низшего порядка с трактом высшего порядка.
3.5.3. Форматы циклов
Циклы основных информационных структур СЦИ принято изображать графически в виде прямоугольных таблиц. Каждая клеточка такой таблицы соответствует байту. Порядок передачи байтов - слева направо, сверху вниз (так же, как при чтении текста на странице).
Покажем цикл STM-1.

Он имеет период повторения 125 мкс. Таблица имеет 9 рядов и 270 столбцов. Таким образом, каждая клеточка соответствует скорости передачи 8 бит/125 мкс = 64000 бит/с = 64 кбит/с, а вся таблица - 9 х 270 х 64 кбит/с = 155520 кбит/с.
Первые 9 столбцов цикла отведены для служебных сигналов. Ряды с 1-гo по 3-й занимает заголовок регенерационной секции RSOH, ряды с 5-го по 9-й - заголовок мультиплексной секции MSOH, 4-й ряд несет указатели административных блоков. Остальные 261=270-9 столбцов цикла предназначены для информационной нагрузки.

В качестве информационной нагрузки для STM-1 может выступать, например, виртуальный контейнер VC-4. Ему соответствует таблица 9 х 261.
Первый столбец цикла VC-4 занимает трактовый заголовок РОН, остальные - контейнер С-4, в котором размешается сигнал ПЦИ 140 Мбит/с.
3.5.4. Аппаратура СЦИ
Для обеспечения высокой надежности в аппаратуре СЦИ используются различные виды резервирования. Как правило, блоки питания и другие важнейшие узлы дублируются. Для менее важных блоков возможна установка одного резервного блока на несколько однотипных основных. В результате коэффициент простоя аппаратуры СЦИ в расчете на одно соединение имеет порядок 10-5.
3.5.4.1. Функциональные модули цифровых синхронных сетей связи
Мультиплексоры.
Мультиплексоры – устройства, предназначенные для сборки групповых потоков, и их разборки на индивидуальные каналы. В отличие от PDH сетей, в SDH сетях мультиплексоры еще и выполняют функции устройств ввода/вывода информации (устройства терминального доступа).

PDH доступы являются электрическими; SDH доступы могут быть как электрическими, так и оптическими. Имеет два оптических выхода (восток и запад). Это позволяет работать с режимом резервирования, когда по одному каналу информация передается в основном направлении, а по другому – в резервном. Кроме того, в случае выхода мультиплексора из строя информация может проходить через него по обводному пути.
Концентраторы.
Представляет собой мультиплексоры, объединяющие несколько, как правило, однотипные потоки (со стороны входных потоков), и связывает их с основной транспортной сетью.

Такое устройство дает возможность обслуживать удаленные узлы доступа и позволяет экономить на соединительных линиях.
Регенераторы.
Имеет один входной и один выходной канал одного уровня иерархии. Предназначен для увеличения расстояния между узлами сети SDH путем регенерации (восстановления) сигналов полезной нагрузки.
Коммутаторы.
Позволяют установить связь между различными каналами путем организации временной перекрестной связи, или кросс-коммутации. Это дает возможность организовать маршрутизацию в сетях SDH на уровне виртуальных контейнеров. Различают такие виды коммутации:
1). Внутренняя – выполняется внутри мультиплексоров между входными трибами и выходными оптическими каналами.

2). Локальная коммутация – выполняется в мультиплексорах между входными каналами доступа, причем каналы доступа должны быть однотипными, так и разнотипными.

3). Проходная (сквозная) коммутация – выполняет коммутацию высокоскоростных потоков в транспортных модулях STM-N. При этом проходные коммутаторы могут выполнять следующие функции:
- маршрутизация виртуальных контейнеров на основе маршрутных заголовков в контейнере.
- консолидация или объединение виртуальных контейнеров, проводимая в режиме работы концентратора.
- трансляция потока от точки к нескольким точкам.
- сортировка или перегруппировка виртуальных контейнеров, осуществляемая с целью создания нескольких упорядоченных, например, по типу контейнеров, потоков контейнеров из общего потока.
- доступ к виртуальному контейнеру, осуществляемый при тестировании оборудования.
- ввод/вывод виртуальных контейнеров, осуществляемый при работе мультиплексора ввода/вывода.
3.5.4.2. Синхронные топологии
Синхронные мультиплексоры заменяют целый набор оборудования ПЦИ. Они не только осуществляют мультиплексирование всех уровней, но и выполняют функции оборудования линейного тракта.
На вход синхронного мультиплексора могут поступать сигналы ПЦИ и СЦИ (электрические или оптические). Существуют мультиплексоры непосредственно воспринимающие каналы 64 кбит/с, 1,5 Мбит/с, 2 Мбит/с, 6 Мбит/с, 34 Мбит/с, 45 Мбит/с, 140 Мбит/с, а также имеющие интерфейсы для подключения локальных сетей (LAN, MAN, ISDN, B-ISDN) и для работы в режиме АТМ.
На агрегатной (линейной) стороне может осуществляться передача на скоростях 155 Мбит/с (STM-1), 622 Мбит/с (STM-4) или 2,5 Гбит/с (STM-16).
Покажем основные конфигурации на основе мультиплексоров.
Топология «точка-точка».
Является наиболее распространенной топологией построения сетей.

Реализуется при помощи терминальных мультиплексоров (ТМ) как по схеме с резервированием, так и по схеме без резервирования канала передачи. Такие мультиплексоры могут использовать как электрические, так и оптические выводы. Широко применяются для организации высокоскоростных магистральных каналов, например, трансокеанские подводные кабели. Также используются для перехода между уровнями иерархии сети, например, с 622 Мб (STM4) на 2,4 Гб (STM16), с 2,4 Гб (STM16) на 10 Гб (STM64). Используются как составная часть радиально-кольцевых сетей.
Топология «Последовательная линейная цепь».
Является базовой топологией, и используется при малых загруженностях трафика, а также когда существует необходимость ответвлений в ряде точек на линии.


Реализуется при помощи терминального оборудования ТМ на обоих концах цепи и при помощи мультиплексоров ввода вывода TDM в точках ответвления. Может быть представлена в виде простой линейной цепи без резервирования, а может использовать резервный канал, как в топологии «точка-точка».
Топология «звезда».

В этой топологии один из удаленных узлов сети, связанный с центром коммутации или узлом сети SDH на центральном кольце (ADM) играет роль хаба (SMUX), где часть трафика может быть выведена на терминалы пользователей, тогда как оставшаяся часть может быть распределена по другим удаленным узлам (MUX). Такой концентратор должен быть активным, т.е. выполнять функции кросс-коммутации, это связано с увязкой разных уровней иерархии в сетях SDH, например STM-N и STM-N-1.
Топология «кольцо».
Существуют два варианта их построения: однонаправленное и двунаправленное кольцо.
При первом варианте каждый входной поток направляется вокруг кольца в двух направлениях, а на приемной стороне, осуществляется выбор лучшего сигнала. Для построения кольца используются два волокна. Передача по всем основным путям происходит в одном направлении (например, по часовой стрелке), а по всем резервным - в противоположном (деление на основной и резервный пути здесь является условным, так как они оба равноправны). Поэтому такое кольцо называется однонаправленным, с переключением трактов или с закрепленным резервом.

Рис. Однонаправленное кольцо
В случае двунаправленного кольца с двумя волокнами удвоение сигнала не производится. При нормальной работе каждый входной поток направляется вдоль кольца по кратчайшему пути в любом направлении (отсюда и название "двунаправленное"). При возникновении отказа посредством мультиплексоров ввода-вывода на обоих концах отказавшего участка осуществляется переключение всего потока информации, поступавшего на этот участок, в обратном направлении.

Рис. Двунаправленное кольцо в нормальном режиме

Рис. Двунаправленное кольцо в аварийном режиме
Однонаправленные кольца больше подходят для случаев центростремительного трафика. Это типично для сетей доступа, предназначенных для подключения пользователей к ближайшему узлу. Двунаправленные кольца более выгодны при достаточно равномерном распределении трафика, при котором становится заметным их преимущество в пропускной способности. Поэтому их применение целесообразно для соединительных сетей.
При обоих вариантах возможно сохранение полной работоспособности сети при любом одиночном отказе.
На основе перечисленных топологий возможна организация различных архитектурных решений сети SDH.
Радиально-кольцевая архитектура.
Основана на базе двух топологий: «кольцо» и «последовательная линейная цепь». Вместо последней может использоваться более простая топология «точка-точка».

При построении такой архитектуры число радиальных ветвей ограничивается из соображений допустимой нагрузки (общего числа каналов доступа на кольцо). Данный параметр характеризуется уровнем иерархии, который поддерживается кольцевой схемой, т.е. номер транспортного модуля SMN-N.
Архитектура типа «кольцо-кольцо».

Рис. Архитектура «кольцо-кольцо»: а) связь двух колец одного уровня при помощи интерфейсных карт; б) каскадное включение колец разного уровня
При этом кольца могут либо одинакового, либо разного уровней иерархии. Увязка двух одинаковых уровней иерархии выполняется при помощи интерфейсных карт, при этом возможна организация точек ответвления. В случае каскадного включения для увязки с кольцом высшего уровня иерархии используется поток более низкого уровня иерархии. Связь между кольцами выполняется по топологии «точка-точка».
Архитектура разветвленной сети общего вида.
Такая сеть формируется по ячеистому принципу, который позволяет организовать множество альтернативных маршрутов передачи информации. Это, наряду с резервированием в кольцевых сетях позволяет значительно повысить надежность работы сетей SDH.
Показана архитектура разветвленной сети, которая сформирована в виде одной сетевой ячейки, узлами которой являются коммутаторы SDXC, связанные по типу «каждый с каждым». К этому остову присоединяются периферийные сети SDH различной топологии. Такая архитектура может рассматриваться как прообраз глобальной синхронной сети SDH.

3.5.4.3 Мультиплексоры
Реализация мультиплексоров STM1.
Мультиплексор состоит из следующих блоков:
- четырех трибных интерфейсных блоков TIU с 16 электрическими портами 2 Мб/с для ввода/вывода до 63 входных потоков (блоки канала доступа).
- двух (основного и резервного) менеджеров полезной нагрузки – устройства управления и формирования полезной нагрузки. Например, управляет операциями ввода и вывода каналов доступа, мультиплексированием и внутренней коммутацией потоков, производит сортировку на уровне пакетов данных, формирует полезную нагрузку до уровня агрегатных блоков и подает ее на интерфейсы агрегатных блоков.

- двух оптических или электрических агрегатных блоков (А и Б) с выходными портами 155 Мб/с (STM1), для формирования выходных потоков. Используется для передачи информации в двух направлениях, а также для пропуска транзитной информации. Для этого они соединены между собой. Пример включения показан ниже на фоне кольцевой схемы.

- двух (основного и резервного) источников питания.
- одного контроллера и локальной панели оператора.
Возможно использование в топологиях «точка-точка» и «кольцо».
Характеристики мультиплексора и его блоков:
Интерфейсные входы и выходы блоков каналов доступа:
- скорость передачи данных на входе: 2048 кбит/с;
- линейный вход: HDB3;
- входной импеданс: 75 Ом (коаксиальный вход), 120 Ом (симметричный вход);
- амплитуда импульса на выходе: 2,37 В (75 Ом) и 3 В (120 Ом);
- номинальная длительность импульса: 244 нс;
- максимально допустимые потери в кабеле: 6 дБ;
- максимально допустимые потери на отражение на входе/выходе: -18,8 дБ.
Оптические входы и выходы агрегатных блоков:
- выходная мощность: 1 мВт;
-
чувствительность приемника: -34 дБ (при
коэффициенте ошибок
);
- максимально допустимые потери на секцию: 28 дБ;
- длина волны: 1310 нм;
- тип волокна оптического кабеля: одномодовый.
Электрические входы и выходы агрегатных блоков:
- линейный код: CMI;
- входной импеданс: 75 Ом;
- максимально допустимые потери на отражение на входе/выходе: 15 дБ;
- максимально допустимые потери в кабеле на входе: 12,7 дБ;
- амплитуда выходного импульса: 1 В.
Реализация мультиплексоров STM4.
Состоит из:
1). Трибных блоков с набором электрических портов для приема входных потоков различной скорости (от 1,5 и 2 до 140 и 155 Мбит/с).
2). Двух пар (основной и резервный) мультиплексоров и коммутаторов для мультиплексирования, локальной коммутации и управления потоками.
3). Двух оптических агрегатных блоков с выходными портами 622 Мбит/с (STM4) для формирования выходных потоков.
4). Двух (основного и резервного) блоков питания.
5). Интерфейсами контроля и управления служебными каналами.
Может мультиплексировать различные входные потоки: до 252 или 504 потоков 1,5 Мбит/с или 2 Мбит/с, или до 12 или 24 потоков 34 Мбит/с или 45 Мбит/с, или до 4 или 8 потоков 140 Мбит/с или до 6 или 12 частично заполненных потоков 155 Мбит/с (при суммарном потоке не выше 252 или 504 потоков 2 Мбит/с) в один или два потока 622 Мбит/с, формируемых на выходе оптических агрегатных блоков.
Такой мультиплексор может выполнять следующие функции:
- терминальный мультиплексор с резервным каналом в топологии «точка-точка».
- мультиплексор ввода/вывода в сети «кольцо».
- мультиплексор ввода/вывода в топологии «точка-точка» без защиты.
- оптический концентратор в топологии «звезда».
- коммутатор, способный объединить до 4-ех колец 622 Мбит/с.

Характеристики мультиплексора и его блоков.
Интерфейсные входы и выходы трибов:
- скорость передачи данных на выходе: 45; 2; 34 и 140 Мбит/с;
- входной импеданс 75 Ом *коаксиальный вход) для 1,5 – 140 Мбит/с; 120 Ом (симметричный вход) для 1,5 и 2 Мбит/с.
Оптические входы и выходы трибов и агрегатных блоков:
- длина волны 1310 нм для коротких и средних оптических секций, 1550 нм – для длинных секций.
- максимально допустимые потери на секцию:
STM4 12 дБ для коротких, 12 дБ для средних, 24 дБ для длинных секций при 1310 нм и 24 дБ для длинных секций при 1550 нм.
STM1 18 дБ для коротких, 18 дБ для средних, 28 дБ для длинных секций при 1310 нм и 28 дБ для длинных секций при 1550 нм.
- тип волокна: одномодовый.
- оптические соединители: FC, PC или DIN.
Входы и выходы блоков с STM1:
- линейный код: CMI.
- входной импеданс: 75 Ом.
Реализация мультиплексоров STM4/16.
Имеются в виду мультиплексоры уровня STM4, позволяющие выполнять модификацию до уровня STM16.
Может использоваться в качестве:
- линейного или терминального мультиплексора с резервированием или без в топологии «точка-точка».
- мультиплексор ввода-вывода для топологии «кольцо».
- концентраторы в топологии «звезда».
- коммутатор, объединяющий до 16 STM1 портов.
Покажем структурную схему мультиплексора:
Обладает следующими характеристиками:
1). Трибные интерфейсы:
- скорость передачи данных на входе 2, 34, 45 и 140 или 155 Мбит/с (электрические) или 155 Мбит/с (оптические).
- входной импеданс 75 Ом (коаксиальный) для всех трибов; 120 Ом (симметричный) для 2 Мбит/с.
2). Оптические входы агрегатных блоков:
- 622 Мбит/с (STM4) и 2488 Мбит/с (STM16).
3). Оптические интерфейсы:
- Для STM1: S-1.1, L-1.1, L-1.2.
- Для STM4: S-4.1, L-4.1, L-4.2, L-4.1JE, L-4.2JE.
- Для STM16: S-16.1, L-16.1, L-16.2, L-16.2JE.
- оптические соединители: FC, PC.

4). Особенности режимов ввода/вывода:
- Максимальное число трибов, коммутируемых без блокировки: 8 для трибов 140 Мбит/с и 155 Мбит/с; 24 для трибов 34 Мбит/с или 45 Мбит/с; 63 для трибов 2 Мбит/с.
3.5.4.4 Синхронизация и управление
Цель синхронизации – получить наилучший хронирующий источник или генератор тактовых импульсов или таймер для всех узлов сети. Для этого, кроме стабильного источника хронирующих сигналов, надо иметь и надежную линию передачи сигналов сигнализации.
В настоящее время система синхронизации базируется на иерархическом принципе, который заключается в создании ряда точек, где находится первичный эталонный генератор тактовых импульсов PRC (ПЭГ), или первичный таймер, сигналы которого затем распределяются по сети, создавая вторичные источники – вторичный или ведомый эталонный генератор тактовых импульсов SRC (ВЭГ), или вторичный таймер, реализуемый в виде таймера транзитного узла TNC, либо таймера локального (местного) узла LNC.
Первичный
таймер обычно представляет собой
хронирующий атомный источник тактовых
импульсов (цезиевые или рубидиевые часы
с точностью не хуже
).
Методы синхронизации.
Существуют два метода: иерархический метод принудительной синхронизации с парами: ведущий - ведомый таймеры и иерархический метод с взаимной синхронизацией. Наиболее широко используется первый метод.
Сложность синхронизации заключается в том, что для синхросигнала каждый раз может быть разный маршрут передачи. Для решения этой проблемы используется концепция дублирующих источников синхронизации:
- сигнал внешнего сетевого таймера, или первичный эталонный таймер PRC – сигнал с частотой 2048 кГц.
- сигнал с трибного интерфейса канала доступа – сигнал с частотой 2048 кГц, выделяемый из первичного потока 2048 кбит/с.
- линейный сигнал STM-N, или линейный таймер, сигнал 2048 кГц, выделяемый из линейного сигнала 155,52 Мбит/с или 4п х155,20 Мбит/с.
Целостность синхронизации сети лучше поддерживается при использовании распределенных первичных эталонных источников PRC.
Режимы работы и качество хронирующего источника.
- Режим эталонного первичного таймера PRC или генератора ПЭГ (мастер-узла).
- Режим принудительной синхронизации – режим ведомого задающего таймера SRC или генератора ВЗГ (транзитные или местные узлы).
-
Режим удержания с точностью удержания
для транзитного узла,
для местного узла. Используется внутренний
генератор при нарушении во внешнем
источнике синхросигналов.
-
Свободный режим (для транзитных и местных
узлов). Точность
для транзитного и
для местного узлов.
При синхронизации биты 5-8 байта синхронизации передают адрес источника синхронизации. Это особенно полезно при нарушениях в работе и переходе на альтернативный маршрут и альтернативный источник сигнала синхронизации.
Использование мирового скоординированного времени.
Такой
источник является наиболее надежным.
Для его трансляции используется системы
спутниковой связи, и глобальная система
позиционирования GPS.
Использование таких источников
хронирующих импульсов значительно
повышает точность работы системы
синхронизации и позволяет намного
превысить значение
.
Пример синхронизации кольцевой сети.
Основное требование – наличие основных и резервных путей для синхросигналов. Другое требование – наличие альтернативных источников хронирующих сигналов. В этом случае идеальным является вариант, когда источники хронирующих сигналов распределяются по приоритетности.

В нормальном режиме узел А назначается ведущим (мастер-узлом) и на него подается сигнал от внешнего PRC. От узла А синхросигналы против часовой стрелки распределяются на узлы B, C, D. Синхронизация по резервным линиям передается по часовой стрелке.
При разрыве кабеля между узлами В и С, узел С не получает сигнала синхронизации от узла В. Тогда узел С переходит в режим удержания синхронизации и посылает узлу D сообщение о статусе SETS уровня качества синхронизации. Узел D, получив сообщение об уровне качества синхронизации от А и С и выбрав лучший (в данном случае А, т.к. на него поступает синхросигнал от эталонного генератора с лучшим показателем), посылает узлу С сообщение “PRC”. Узел С, получив это сообщение от уза D, изменяет источник синхронизации на “PRC” от D.
Управление сетью.
Любое обслуживание сетью сводится к автоматическому, полуавтоматическому или ручному управлению системой, ее тестированию и сбору статистики о прохождении сигнала и возникающих неординарных или аварийных ситуациях. В сетях SDH используется четырех уровневая модель управления.
Каждый уровень модели выполняет свои функции:
- Бизнес-менеджмент (верхний уровень управления экономической эффективностью сети BOS).
- Сервис-менеджмент (уровень управления сервисом сети SOS).
- Сетевой менеджмент (уровень систем управления сетью NOS).
- Элемент-менеджмент (нижний уровень систем управления элементами сети EOS), а именно:
1). Установление параметров конфигурации, например, назначение каналов.
2). Определение степени работоспособности.
3). Проверка состояний интерфейсов, слежение за переключением на резервные системы.
4). Управление потоками сигналов о возникновении аварийных ситуаций.
5). Тестирование элементов сети.
Сетевой менеджер выполняет такие функции:
1). Проверка маршрутов передачи и качества передачи.
2). Управление функциями связи для переключения маршрутов связи.
Сервис-менеджер выполняет такие функции:
1). Проверка возможности осуществления сервиса.
2). Управление характеристиками сервиса, а также формирование запросов сетевому уровню на изменение маршрутов передачи.
3.5.6. Перемешивание двоичной последовательности
Смысл
скремблирования состоит в получении
последовательности, в которой статистика
появления нулей и единиц приближается
к случайной, что позволяет удовлетворять
требованиям надежного выделения тактовой
частоты, т.к. появляются переходы между
уровнями состояния логического нуля и
логической единицы. Скремблирование
производится на передающей стороне с
помощью устройства - скремблер,
реализующего логическую операцию
суммирования по модулю 2 исходного
информационного и кодирующей
псевдослучайной последовательности.
На приемной стороне осуществляется
обратная операция – дескремблирование
при помощи дескремблеpа,
который выделяет исходную информационную
последовательность за счет свойств
операции сложения по модулю 2, когда
повторное сложение с той же
последовательностью дает исходный
результат. Основной частью скремблера
является генератор псевдослучайной
последовательности (ПСП) в виде линейного
n-каскадного регистра с обратными
связями, формирующий последовательность
максимальной длины
.
Различают два основных типа таких устройств – самосинхронизирующиеся (СС) и с установкой (аддитивные).
Особенностью скремблера СС является то, что он управляется формируемой им последовательностью. Поэтому при этом не требуется специальной установки исходного состояния внутренних регистров скремблера и дескремблера. При потере синхронизма между скремблером и дескремблером время его восстановления не превышает числа тактов, равного числу ячеек регистров сдвига.
Одним из недостатков СС скремблеров является возможность появления на выходе при определенных условиях, так называемых, критических ситуаций, когда выходная последовательность приобретает периодический характер с периодом, меньшим длины ПСП.
При аддитивном скремблировании требуется предварительная идентичная установка состояний регистров скремблера и дескремблера. В скремблере с установкой (АД-скремблере), как и в СС скремблере, производится суммирование входного сигнала и ПСП, но результирующий сигнал не поступает на вход регистра. В дескремблере скремблированный сигнал также не проходит через регистр сдвига. Возвращение синхронизма не превышает одного такта за счет принудительного сброса и начальной установки регистров сдвига устройства.
Второй функцией таких устройств является их борьба с шумами.
После перемешивания спектр информационного сигнала расширяется на диапазон, зависящий от длины кодирующей последовательности в скремблере. При воздействии на такой сигнал узкополосной помехи, на приемной стороне Дескремблер информационный сигнал восстанавливает, а для узкополосной помехи Дескремблер выполняет функцию модулятора (скремблера), который расширяет ее спектр в широкополосный. В результате к получателю попадает только малая часть энергии шума.

При воздействии на сигнал широкополосной помехи, на стороне приема дескремблер ее не преобразует в узкополосный сигнал, т.к. нет для нее декодирующего ключа (ПСП), поэтому к получателю также поступает только малая часть энергии от шума.
4. Система сигнализации SSN7
4.1. Общие сведения
В телефонии под сигнализацией понимают передачу управляющей информации с целью установления или разъединения двухточечных соединений.
При обслуживании систем связи различают три вида сигнализации:
- Между пользователем и узлом коммутации;
- Сигнализация внутри узла коммутации;
- Сигнализация меду узлами коммутации.
Рассмотрим сигнализацию между узлами коммутации. Различают два вида такой сигнализации:
Сигнализация, ассоциированная с каналом пользователя;
Общеканальная сигнализация.
Сигнализация, ассоциированная с каналом пользователя, передает служебную информацию совместно с голосовой информацией. Канал CAS (Channel Associated Signaling) - сигнализация по выделенному каналу.
Общеканальная сигнализация характерна тем, что служебная информация обо всех информационных каналах передается в отдельно выделенном канале сигнализации. Канал CCS (Common Channel Signaling) – сигнализация по общему кагалу. Для этого по умолчанию используется 16 канальный интервал системы ИКМ-30. Пропускная способность такого канала сигнализации составляет 64 кбит/с.
Преимущества системы ОКС7:
Скорость – в большинстве случаев время установления соединения не превышает одной секунды;
Высокая производительность – один канал сигнализации способен одновременно обслуживать несколько тысяч телефонных вызовов;
Экономичность – по сравнению с системами CAS во много раз сокращается объем оборудования на коммутационной станции;
Надежность – достигается за счет возможности альтернативной маршрутизации в сети сигнализации;
Гибкость – система передает любые данные, не только данные телефонии.
4.2. Элементы сети ОКС7
Каналы пользователя;
Канал синхронизации;
SP – источник и потребитель сигнального трафика (оконечные станции);
STP – транзитный пункт сигнализации.
Для адресации каждому узлу SP присваивается свой уникальный адрес. Каналы передачи данных и сигнальной информации не зависят друг от друга, т.е. информация к получателю может идти по одному маршруту, а сигнализация к этому же получателю – по другому маршруту. Такой режим сигнализации еще называется квазисвяанным режимом сигнализации.
4.3. Задачи сигнализации
В ОКС7 задачи распределяются между подсистемой передачи сообщений и подсистемой пользователя.
Подсистема передачи сообщений представляет собой звено сигнализации, связывающее пункты сигнализации.
Подсистема пользователя – это пункты сигнализации, генерирующие сигнальные сообщения (телефония, ISDN, данные и т.п.)
ОКС7 представляет собой 4 уровня иерархии:
- 4 уровень – пользовательский. Объединяет в себе функции 4-7 уровней модели OSI.
- 3 уровень – выполняет функции сети сигнализации. Соответствует 3-му уровню модели OSI.
- 2 уровень – выполняет функции звена сигнализации. Соответствует 2-му уровню модели OSI.
- 1 уровень – выполняет функции звена данных сигнализации. Соответствует 1-му уровню модели OSI.
Уровень 1 – физическая среда переноса сигнализации на скорости 64 кбит/с.
Уровень 2 – функции защиты от ошибок сигнальных сообщений. Для каждого звена сигнализации уровень 2 реализуется отдельно.
Уровень 3 – координация работы отдельных звеньев сигнализации, т.е. выполняет маршрутизацию передачи сигнальной информации.
Уровень 4 – формирование, прием и передача сообщений управления состоянием вызова. Взаимодействовать могут только однотипные подсистемы пользователей, например, телефония с телефонией, передача данных с системой передачи данных и т.п.
4.4. Структура сигнальной единицы
Транспортировку сообщений между подсистемами пользователей обеспечивает подсистема передачи сообщений.
Информация переносится в виде сигнальных единиц. Существует три типа сигнальных единиц:
- MSU – значащая сигнальная единица. Содержит сообщения сигнализации, передаваемой между подсистемами пользователя (уровень 4), или информацию управления сетью сигнализации (уровень 3).
- LSSU – сигнальная единица состояния звена, поддерживающее звено сигнализации в рабочем состоянии (формируется уровнем 2). Начинает передаваться только если звено сигнализации не готово к работе или обнаруживается ошибка.
- FISU – сигнальная единица заполнения – для обнаружения ошибок в звене сигнализации. Формируется если длительное время не происходит передачи информации.
Сигнальная единица MSU содержит в себе метки маршрутизации, а сигнальные единицы LSSU, FISU – меток маршрутизации не содержат.

Адресная часть SIF (Signaling Information Field) содержит:
- DPC (Destination Point Code) – код пункта назначения;
- OPC (Original Point Code) – код исходящего пункта.
- SLS (Signaling Link Selection) – поле выбора звена сигнализации. Содержит маршрут соединительной линии для передачи.
При организации связи с помощью выше указанных адресных частей, сигнализация определяет адрес сети, к которой идет обращение. Эта информация передается в SIO (Service Information Octet), где находится индикатор сети NI (Network Indicator). Кроме того, SIO содержит индикатор сервиса SI (Service Indicator), который определяет тип телекоммуникационной услуги, предоставляемой пользователю. Опишем комбинации SI:
|
0000 |
Сообщение управления сетью сигнализации |
|
0001 |
Сообщения технического обслуживания сети сигнализации |
|
0010 |
Резерв |
|
0011 |
SCCP1 |
|
0100 |
Подсистема пользователя телефонии (TUP) |
|
0101 |
Подсистема пользователя ISDN (ISUP) |
|
0110 |
Подсистема пользователя данных (DUP) управления вызовом |
|
0111 |
Подсистема пользователя данных (DUP) дополнительная |
|
1000 |
Резерв для подсистемы тестирования MTP |
|
1001 |
Подсистема пользователя B-ISDN (B-ISUP) |
|
1010 |
Подсистема пользователя спутниковой связи |
|
1011-1111 |
Резерв |
F (Flag) – флаг из последовательности битов 01111110, указывающий на границы сигнальной единицы. Если система не обнаруживает флаг, то считается что нарушена синхронизация. В результате оповещается функция управления сетью, которая инициирует процедуру установления синхронизации.
ОКС7 позволяет обнаруживать
ошибки при передаче данных. Для этого
сигнальная единица имеет CK
(Check
Bits).
При формировании сигнальной единицы
ее содержимое суммируется с полиномом,
который имеет постоянную структуру.
Результат этого суммирования записывается
в СК. На приемной стороне происходит
повторное суммирование с последующим
сравнением с CK.
Если совпадения нет - фиксируется ошибка.
В качестве образующего полинома
применяется последовательность
.
Все сигнальные единицы имеют уникальный порядковый номер от 1 до 128. Для такой нумерации используется FSN (Forward Sequence Number) – прямой порядковый номер, назначаемый уровнем 2 ОКС7. В FIB (Forward Indicator Bit) – прямой бит-индикатор передается информация, указывающая о том, в первый раз или повторно идет передача сигнальной единицы. Используется для учета ошибок. Прием информации подтверждается передачей соответствующей сигнальной единицы в обратном порядке. Для этого используются: BSN (Backward Sequence Number) – обратный порядковый номер, содержащий номер последней корректно принятой сигнальной единицы. BIB (Backward Indicator Bit) – обратный бит-индикатор – указывает о правильности принятой сигнальной единицы.
Система сигнализации позволяет организовать передачу информации в двух режимах:
1). Способ, связанный с передачей адресной части получателя и отправителя информации непосредственно перед информационной частью. При этом делается запрос на организацию маршрута соединения. Как только это становиться возможным, от получателя поступает подтверждение на связь и по сформированному маршруту начинают передаваться пакеты данных.
2). Способ основан на передаче датаграмм. При этом адресной частью снабжается каждый блок информации. В результате разные блоки могут поступать к получателю по разным маршрутам. Такой метод наилучшим образом позволяет использовать ресурсы сети связи. Для предотвращения сбоя в очередности поступления блоков информации из-за разных маршрутов, блоки нумеруются порядковыми номерами (передаются с сигнальной единицей). И в случае необходимости на приемной стороне возможна организация временной задержки.
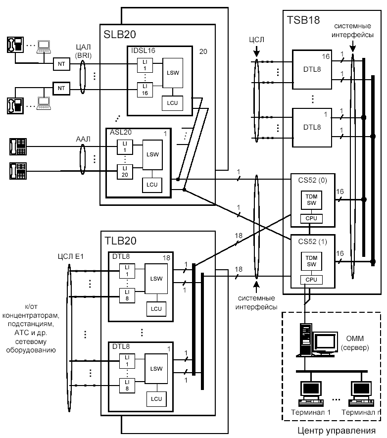
5. Цифровая коммутационная система «Матрица»
5.1. Общие сведения
КС «матрица» обладает модульной структурой, имеет возможность использования выносных абонентских модулей (концентраторов), что снижает затраты на абонентские линии.
Для коммутации каналов КС имеет не блокирующее дублированное коммутационное поле емкостью 512 трактов Е1 с пространственно-временным распределением каналов.
Сетевое окружение КС «матрица» включает в себя:
Аналоговую и/или цифровую (синхронную или плезиохронную) телефонную сеть;
Узкополосную сеть ISDN;
Сеть общей канальной синхронизации ОКС-7 с пунктами сигнализации (SP) и транзитными пунктами сигнализации (STP);
Система может применяться как:
Оконечная (ОС);
Опорная (ОПС);
Транзитная (ТС);
Опорно-транзитная (ОПТС).
Емкость системы до 14400 абонентских линий без концентраторов, или до 22400 (с применением концентраторов) и до 416 трактов Е1 с возможностью централизации эксплуатации цифровой сети.
Для связи с другими цифровыми АТС используется система передачи ИКМ-30 (G.703), а для связи с декадно-шаговыми и координатными АТС используется 3-х и 4-х проводные аналоговые соединительные линии (СЛ).
5.2. Технические характеристики системы
5.2.1. Емкость станции
Максимальная емкость опорного оборудования без концентраторов 14400 абонентских линий (АЛ) и 3840 цифровых СЛ, что соответствует 128 трактам Е1.
Максимальная емкость концентратора ВАК-320 – 320 АЛ. Между АТС и концентратором используется 1-2 тракта Е1.
Максимальное число подключаемых концентраторов – 25. При этом максимальная общая емкость составляет 22400 АЛ и 2340 цифровых СЛ.
Максимальная емкость транзитной станции 12480 СЛ (416 трактов ИКМ-30). Это позволяет покрыть район до 50000 АЛ.
Максимальное количество попыток вызовов, обслуживаемых АТС в час наибольшей нагрузки (ЧНН) составляет не менее 400000 для станции с максимальной емкостью.
Средняя
обслуживаемая телефонная нагрузка на
одну соединительную линию в ЧНН
составляет 0,7 Эрл. Допустимая нагрузка
0,8 Эрл. При длительности соединения 75
с и средней удаленной интенсивности
вызовов до 35. Эрл – величина, связывающая
телефонную нагрузку и коэффициент
потерь:
,
где нагрузка:
,
коэффициент потерь:
.
Где
- число поступивших заявок,
- число использованных заявок,
- средняя продолжительность выполнения
одной заявки.
5.2.2. Абонентские линии
Аналоговые СЛ обладают характеристиками:
Затухание на частоте 1020 Гц – 6 дБ;
Сопротивление шлейфа АЛ не более 2700 Ом с учетом сопротивления оконечного оборудования;
Емкость между проводами – до 0,5 мкФ;
Сопротивление изоляции – 20 кОм;
Переходное затухание на станционной стороне на частоте 1020 Гц – не менее 69,5 дБ.
Цифровые СЛ:
Затухание на частоте 80 кГц – до 37 дБ;
Переходное затухание на частоте 80 кГц – от 44 до 57 дБ;
Затухание асимметрии на частоте 80 кГц – не менее 44 дБ;
Затухание несогласованности на частоте 80 кГц относительно номинала – 14 дБ;
Групповая задержка сигнала на частоте 80 кГц – от 30 до 60 мкс;
Номинальное входящее и исходящее сопротивление на частоте 80 кГц – не выше 150 Ом.
Для каждой аналоговой абонентской линии выполняются функции:
Питание абонентской линии;
защита от перенапряжения, поступающего с линии;
Передача абоненту сигнала вызова;
Контроль состояния АЛ (отбой, вызов, набор номера);
ЦАП и АЦП сигнала;
Переход на 4-х проводной тракт;
Тестирование абонентской линии.
5.2.3. Абонентская сигнализация
Для аналоговых абонентов станция обеспечивает такие основные виды сигнализации:
Прием адресной информации шлейфовыми или двухтональными многочастотными импульсами.
При шлейфовом наборе: допустимое размыкание шлейфа 20-95 мс, замыкание шлейфа 20-65 мс, минимальный межсерийный интервал 120 мс. Замыкание и размыкание шлейфа менее 2- мс – помеха; разрыв более 500 мс – отбой.
При тональном наборе: отклонение частоты 1,8 %, уровень отдельной частоты 7-20 дБмО; разность уровней двух частот 6 дБ; пауза между цифрами не менее 40 мс и длительность 40 мс.
Таблица соответствия тонального набора в комбинации частот:
|
Нижняя группа частот, Гц |
Верхняя группа частот, Гц |
|||
|
1209 |
1336 |
1477 |
1633 |
|
|
697 |
1 |
2 |
3 |
A |
|
770 |
4 |
5 |
6 |
B |
|
852 |
7 |
8 |
9 |
C |
|
941 |
* |
9 |
# |
D |
Сигнал вызова прерывистой синусоидальной формы 25 Гц, длительность 1 с, пауза 4 с для местной связи и соответственно 1,2 и 2 с для входящей междугородней связи.
Готовность (ответ станции) на частоте 425 Гц. Первый ответ посылается непрерывно при поднятии трубки телефонного аппарата (готовность станции к приему). Второй ответ – кратковременный при переходе в другую таблицу маршрутизации, например, междугородняя связь.
Контроль посылки вызова на частоте 425 Гц, длительность импульса 0,15 с, длительность паузы 0,3-0,4 с. Посылается после набора номера (линия свободна, идет вызов).
Занято на частоте 425 Гц, время импульса 0,15 с, время паузы – 0,15 с. Информирует о занятости вызываемого абонента или разрыве соединения.
Внутристанционная сигнализация выполняется на основе цифровой сигнализации DSS1 и ОКС-7.
5.3. Организация связи АТС с местной и междугородной сетями
5.3.1. Система отбоя и разъединения
При отбое освобождение тракта идет для инициатора отбоя, а другому абоненту передается сигнал занятости линии.
При исходящем соединении станцией обрабатывается односторонний отбой от инициатора звонка (отбой при разрыве шлейфа более чем на 250 мс).
При входящей междугородней связи – освобождение инициируется только от междугородней АТС.
При местном соединении станцией обрабатываются односторонний и двухсторонний виды отбоя.
5.3.2. Междугородняя связь
При исходящей связи к АМТС типа АМТС КЭ (Э), АМТС 2,3 осуществляются следующие операции:
Прием индекса выхода на АМТС (8).
Выдача абоненту второго акустического сигнала от АТС.
Фиксация полного номера.
Если цифровая АМТС поддерживает ОКС-7, то передача параметров вызываемого абонента по ОКС-7.
Если АМТС не поддерживает ОКС-7, то по запросу от АМТС передача номера осуществляется многочастотным кодом.
При входящем междугороднем соединении:
АТС посылает запрос на АМТС о способе передачи номера, после чего происходит его прием.
Если АЛ занята, то вызывающему абоненту предоставляется отказ соединения в виде сигнала «занято» от АМТС.
Если линия свободна, посылается сигнал вызова от АТС.
5.4. Синхронизация
Используется принудительный способ синхронизации при помощи тактовых генераторов.
Если используется оборудование SDH, то в качестве источника синхронизации используется генератор узла SDH, использующий сигнал 2048 кГц или 2048 кбит/с, выделяемый из линейного сигнала.
Если используется аппаратура PDH, то в качестве источника синхронизации выступает генератор междугородней телефонной станции.
При переключении сигналов, поступающих на входы внешней синхронизации, должны выполняться следующие требования:
Максимальное
относительное отклонение частоты не
более
.
Отклонение временного интервала за время 1 мс не более 61 нс.
Отклонение временного интервала за время 16 мс не более 120 нс.
Отклонение временного интервала за время 15 с не более 1 мкс.
Допускаются в системе связи следующие вероятности отказов:
Преждевременный
отбой за любой минутный интервал:
.
Отказ
в соединении:
.
Неправильный
учет стоимости разговора:
.
Ошибка
маршрутизации:
.
Отсутствие
необходимого тонального сигнала:
.
Отказ
по другим причинам:
.
5.5. Описание станции
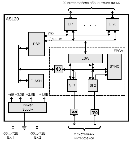
5.5.1. Комплекция станции
Опорная станция имеет в своей структуре:
|
Название |
Количество, шт. |
|
Стойка станционная ER6 |
7 |
|
Блок коммутатора каналов TSB18 |
1 |
|
Блок абонентских линий SLB20 |
36 |
|
Модуль коммутатора каналов CS52 |
2 |
|
Модуль цифровых соединительных линий DTL8 |
16 |
|
Модуль длинных аналоговых абонентских линий ASL20L |
720 |
|
Модуль питания SPS75 |
36 |
Транзитная станция содержит:
|
Название |
Количество, шт. |
|
Стойка станционная ER6 |
1 |
|
Блок коммутатора каналов TSB18 |
1 |
|
Блок цифровых соединительных линий TLB20 |
2 |
|
Модуль коммутатора каналов CS52 |
2 |
|
Модуль цифровых соединительных линий DTL8 |
416 |
Концентратор содержит:
|
Название |
Количество, шт. |
|
|
ВАК160 |
ВАК320 |
|
|
Блок абонентских линий SLB9 |
1 |
1 |
|
Модуль длинных аналоговых абонентских линий ASL20S |
7 |
16 |
|
Модуль цифровых соединительных линий DTL8 |
1 |
1 |
|
Модуль питания SPS75 |
1 |
1 |
|
Источник питания |
1 |
1 |
|
Аккумуляторная батарее |
2 |
2 |
|
Кросс (100 пар) |
1 |
1 |
5.5.2. Модуль коммутатора каналов CS52
Предназначен для работы в качестве центрального коммутационного и управляющего устройства. Станция содержит два модуля CS52 (основной и резервный). В каждый момент времени только один модуль является активным.
Структурная схема модуля коммутаторов каналов CS52:

Для синхронной работы модуля коммутации и модулей доступа на станции (аналоговых и цифровых) используются выводы 1 и 2. Полученные таким образом сигналы, обрабатываются устройством выделения и распределения сигналов синхронизации SYNC и передаются на компоненты коммутационной платы. Это позволяет выполнять синхронизацию внутри узла связи.
Для синхронизации работы станции в сети связи общего пользования (SDH или PDH) используется источник внешних синхросигналов (эталонный). Такой сигнал поступает на блок SYNC через интерфейсы 3 – 10. В дальнейшем полученный сигнал синхронизации распределяется как внутри платы CS52, так и на внешние модули через системные интерфейсы.
В случае сбоя в режиме синхронизации сети SDH, или при работе в сети PDH синхронизация выполняется от внутреннего тактового генератора Clock.
Для коммутации внутренних и внешних вызовов, данные от узлов доступа через системные интерфейсы поступают на коммутационное поле в виде центрального коммутатора станции TDM-SW с временным методом коммутации. Возможности такой коммутации: 512х512 потоков Е1.
Управляет работой центрального коммутатора многоканальный контроллера HDLC для слежения за пакетной сигнализацией ОКС№7; сигнальный процессор DSP для обработки цифровых сигналов и формирования акустических сигналов; центральный процессор CPU. Протоколы работы станции хранятся на жестком диске HDD.
Для связи с сервером станции используется сеть Ethernet через контроллер сети Fast Ethernet.
5.5.3. Модуль аналоговых абонентских линий ASL20
Модули аналоговых абонентских линий ASL20 (Analog sub>scriber Line) предназначен для обслуживания до 20-ти аналоговых абонентских установок и таксофонов по двухпроводным медным линиям и могут применяться в составе концентраторов, подстанций и оконечных станций ЦСК "Матрица".
Модуль имеет две основных модификации ASL20S (S - Short) и ASL20L (L - Long), рассчитанных на работу, соответственно, с короткими и длинными линиями.
Функции абонентских комплектов: питание линии, формирование сигнала вызова, аналого-цифровое преобразование, формирование тональных акустических сигналов, прием набора номера DTMF кодом, формирование сигнала идентификации вызывающего абонента (Caller ID) и т.п.
Структурная схема модуля ASL20:

Через системные интерфейсы обеспечивающие скорость 2, 4, 8 Мбит/с, модуль связывается с центральным коммутатором для передачи данных, а также приема синхронизирующих сигналов. В последнем случае, синхронизация через комплекты системного интерфейса SI поступает на устройство выделения и распределения синхроимпульсов SYNC, которое, в свою очередь, управляет элементами модуля ASL20.
Через интерфейсы абонентских линий, данные от абонентов поступают на модуль, и обрабатываются сигнальным процессором DSP. Сигнальный процессор обрабатывает тональную информацию о вызываемом номере, выдает информацию АОН в абонентскую линию, а также, формирует акустические сигналы станции для абонента. Далее информация через локальный коммутатор LSW отправляется либо на центральный коммутатор, либо коммутируется непосредственно на ASL20, если связываются абоненты, подключенные к одному модулю. Временное хранение данных осуществляется на памяти типа Flash.
5.5.4. Модуль цифровых соединительных линий DTL8
Модуль цифровых соединительных линий DTL8 предназначен для организации многоканальных цифровых соединительных или абонентских линий на первичной скорости цифрового потока.
Модуль позволяет организовывать:
Абонентские (или межстанционные) линии абонентского доступа ISDN на первичной скорости цифрового потока (30B+D в режиме E1 и 24B+D в режиме T1/J1);
Межстанционные многоканальные линии связи с передачей сигнализации по выделенному каналу;
Межстанционные многоканальные линии с сигнализацией по связанному каналу.
Связь транзитных и оконечных коммутационных станций большой и средней ёмкости с использованием центрального коммутационного и управляющего устройства станции в качестве модуля доступа;
Связь транзитных и оконечных коммутационных станций малой ёмкости в качестве центрального коммутационного и управляющего устройства;
Связь станционных выносов, абонентских концентраторов в качестве центрального коммутационного и управляющего устройства.
Модули DTL8 соединяются с каждым модулем CS52 по одному системному интерфейсу со скоростью 16 Мбит/с. Каждому комплекту ЦСЛ в системном интерфейсе отводится 31 канал.
Для синхронизации в сети SDH синхронизирующие сигналы поступают через один из восьми линейных интерфейсов и, обрабатываясь устройством распределения SYNC, передаются на центральный коммутатор по трем выделенным линиям синхронизации.
В случае работы модуля DTL8 в качестве узла доступа для цифровых пользователей, данные с линейного интерфейса поступают на локальный коммутатор LSW. Коммутатор управляется сигнальным процессором DSP и местным управляющим устройством LPU. Функции сигнального процессора такие же как и в модуле аналогового доступа ASL20.
Для хранения протоколов и временных данных используется два типа памяти RAM (ОЗУ) и постоянная энергонезависимая память Flash. В случае необходимости коммутация может осуществляться непосредственно на LSW (транзитные потоки или соединение пользователей, подключенных к одному модулю DTL). Если необходимо задействовать центральный коммутатор, то связь с ним обеспечивается через оборудование системных интерфейсов SI. Скорость передачи при этом составляет 2, 4, 8, 16 Мбит/с.

Для питания всех выше перечисленных модулей используется модули электропитания Power Supply на различные значения выходного напряжения в зависимости от потребностей модулей.
5.5.5. Концентраторы
Концентраторы предназначены для сокращения кабельных затрат.
Если концентратор используется только как «удлинитель» абонентских линий, то для связи с центральной станцией применяется стандартный протокол внутренней связи V5.2, в случае, если надо обеспечить коммутацию внутри концентратора, то применяется протокол DSS1.
Структурная схема концентратора показана ниже.
Подключение концентраторов к станции выполняется с помощью цифровых СЛ типа Е1 по топологии «звезда». Для связи применяются модули цифровых соединительных линий DTL8. Для обеспечения доступа к станции абонентам применяются модули аналогового доступа ASL20. Если используется один блок SLB9, то тип концентратора ВАК160, а если два блока – то тип концентратора ВАК320. Цифра в конце указывает на количество аналоговых абонентов получающих доступ к сети.

5.5.6. Архитектура станционного оборудования «матрица»
Структура содержит следующие блоки:
CPU (Central Processor Unit) - центральное управляющее устройство;
LCU (Local Control Unit) - местное управляющее устройство модулей доступа;
LI (Line Interface) - линейные комплекты;
TDM SW (Time Division Multiplexing SWitch) – центральное коммутационное устройство, расположенное на модулях CS52;
LSW (Local SWitch) - локальное коммутационное устройство, расположенное на модулях доступа;
TSB (Time Switch Block) - блок коммутации каналов;
SLB20 (sub>scriber Line Block) - блок абонентских линий;
TLB20 (Trunk Line Block) - блок цифровых соединительных линий;
OMM (Operating and Maintenance Module) – модуль техобслуживания и эксплуатации (сервер).

Станционное оборудование КС «Матрица» включает блок коммутатора каналов TSB18. В состав блока входят два модуля коммутатора каналов CS52 (основной –«0» и резервный - «1») и до шестнадцати модулей DTL8. Связь между модулями CS52 и модулями DTL8 организована с помощью системных интерфейсов (СИ). Для каждого модуля DTL8 предусмотрены по одному СИ к основному модулю CS52 (0) и к резервному модулю CS52 (1).
Физическое соединение между комплектами СИ на модуле CS52 и модулях DTL8 (на схеме комплекты СИ не показаны) в пределах блока реализовано на кросс-плате (backplane), то есть для организации связи между модулями CS52 и DTL8 в пределах блока не требуются дополнительные соединения.
Модули аналоговых АЛ (ASL20) и цифровых АЛ (IDSL16) располагаются в блоках SLB20. Один блок SLB20 может содержать до 20-ти модулей ASL20 или до 16-ти модулей IDSL16. Модули доступа одного блока SLB20 подключаться параллельно к одному СИ, соединяющему с основным модулем CS52 (0) и к одному СИ, соединяющему с резервным модулем CS52 (1). Таким образом, образуется группа МД одного блока SLB20 с общим использованием пропускной способности СИ. При этом количество абонентских линий (каналов) превышает количество каналов на системном интерфейсе (обеспечивается концентрация абонентской нагрузки), что позволяет более эффективно использовать ёмкость коммутатора каналов.
Физическое соединение между комплектами СИ на модуле CS52 и на модулях доступа блоков SLB20 выполняется в процессе монтирования и начальной установки АТС. Для каждого блока необходимо обеспечить два соединения: первое к основному коммутатору, второе – к резервному.
Для транзитной или опорно-транзитной станции предусмотрены блоки TLB20, в которые предназначены для установки модулей DTL8.Один блок TLB20 может содержать до 18-ти модулей DTL8. Для связи каждого модуля DTL8 с коммутатором предусмотрены по одному СИ к основному модулю CS52 (0) и к резервному модулю CS52 (1).
Комплекты системных интерфейсов МД обеспечивают автоматическое определение скорости цифрового потока, выделение тактового и циклового сигналов из входного потока. Выделенный цикловой сигнал используется устройством синхронизации для фазовой подстройки частоты собственного тактового генератора модуля, что обеспечивает синхронную работу всех модулей станции.
Для обеспечения внешней синхронизации станции при работе в синхронной цифровой сети, устройство синхронизации МК может использовать тактовые или цикловые сигналы, выделяемые линейными комплектами цифровых линий или внешний сигнал 2048 КГц.
Центральное управляющее устройство станции (CPU), расположенное на МК, осуществляет общее управление оборудованием станции, обработку вызовов и поддержку протоколов связи по соединительным и абонентским линиям.
Местное управляющее устройство МД (LCU) обеспечивает управление комплектами и обработку линейной сигнализации, взаимодействует со станционным управляющим устройством, обеспечивая подключение к линиям различных вспомогательных функций и подключение линий к каналам системного интерфейса через локальный коммутатор.
Связь с концентраторами, подстанциями, АТС и другим сетевым оборудованием осуществляется посредством цифровых СЛ типа E1.
К МК подключается модуль техобслуживания и эксплуатации (станционный сервер). Подключение выполняется посредством соединения через COM-порт или через соединение локальной сети Ethermet 100 Мбит/с. Связь сервера с терминалами центра управления осуществляется посредством локальной сети.
6. Цифровые системы уплотнения аналоговых линий
Задача таких систем заключается в экономии физических линий связи, когда на одну пару телефонной линии подключается два и более телефонных аппаратов. При помощи цифрового кодирования сигналов в современных системах можно подключать 4 и более абонентов на одну линию без существенного ущерба для каждого из них.
Ниже показана структурная схема такого устройства для подключения четырех абонентов.

Структурная схема четырехканальной системы уплотнения.
Система уплотнения состоит из двух схем: абонентской (подключает телефонные аппараты) и станционной (подключается к портам телефонной станции со стороны абонентского модуля доступа). При помощи линейных интерфейсов осуществляется согласование аппаратуры с соединительной линией. Блоки обработки сигналов выполняют преобразование сигнала из четырех каналов и их кодирование. Здесь два канала по 64 кбит/с (2В) и канал сигнализации 16 кбит/с (D) получает синхробиты и служебные биты, в результате чего, получается поток 160 кбит/с. После этого сигнал проходит этап скремблирования и преобразуется в линейный код 2B1Q, который через выходной каскад и эхоподавитель направляется на двухпроводную линию к абоненту.
Если сигнал принимается от абонента, то он проходит через эхоподавитель, входной каскад, линейный дешифратор (чтобы преобразовать из кода 2B1Q) и дескремблер.
Линейный код, который используется в данном случае (2B1Q) является четырехуровневым и допускает между станционным и абонентским оборудованием затухание в 43 дБ при частоте 40 кГц. Преобразование цифрового сигнала в 2B1Q код осуществляется слиянием двух последовательных битов, первый из которых представляет собой знак-символ, а второй – уровень. Пример такого преобразования показан ниже.
Здесь уровень -3 кодируется битами 00, а +3 – 10.

Пример преобразования цифрового потока 160 кбит/с в код 2В1Q.
Схема управления управляется 8-ми битовым микропроцессором, который управляет тактовыми импульсами ИКМ и адаптивной дифференциальной ИКМ (ADPCM), организует протокол управления каналом передачи данных HDLC. В случае возникновения аварийной ситуации – блокирует речевой канал и канал тонального сигнала.
Цепь питания состоит из двух преобразователей постоянного напряжения 5 В и регулируемого напряжения 70 В. Напряжение 5 В применяется для цепей с местным питанием, а 70 В – для цепей с дистанционным питанием аппаратуры связи. В случае короткого замыкания система питания обеспечивает прекращения питания.
7. Цифровая сеть связи ISDN
Сеть ISDN определяется как сеть, полученная из телефонии ISDN, которая обеспечивает цифровое соединение для предоставления широкого диапазона услуг, к которому пользователи имеют доступ с помощью ограниченного ряда стандартных много целевых интерфейсов «пользователь – сеть».
Цифровая сеть IDN включает в себя:
- обычные двунаправленные абонентские линии;
- 32-х или 24-х канальную структуру с ИКМ;
- систему сигнализации SSN7.
ISDN обеспечивает цифровое соединение, что означает, что терминалы и абонентские линии являются цифровыми. Что в свою очередь позволяет реализовывать более качественные телекоммуникационные услуги.
7.1. Доступы к сети ISDN
Основной (базовый) доступ (BRA) используется при малых нагрузках трафика. Обычно основной доступ включает в себя один канал сигнализации (D-канал) и два информационных канала (В-канал).
Помимо основного доступа в сети применяется первичный доступ (PRA), который может использоваться при больших трафиках данных (потоках передаваемой информации). Пример, связь с учережденческой АТС, мультиплексором и т.п.
Первичный доступ может иметь одну из следующих комбинаций каналов:
- один канал сигнализации и до 32-х каналов коммутации;
- до 24-х каналов коммутации;
- один канал сигнализации и до 30-ти информационных каналов;
- до 31 информационных канала, при этом канал сигнализации передается с другим доступом.
Канал сигнализации для одного первичного доступа может быть расположен в другом первичном доступе.
7.2. Каналы абонентского доступа
Для организации связи в сетях ISDN формируется три логических канала, каждый из которых может решать свою задачу. Такими каналами являются следующие:
D-канал – предназначен для переноса информации сигнализации между терминалами абонентов и местной цифровой АТС в двух направлениях, т.е. от терминала к АТС и наоборот – от АТС к терминалу. Кроме того, данный канал предоставляет возможность для передачи ограниченного числа пакетов информационных сигналов, которые станция будет контролировать, но не будет обрабатывать, т.е. они будут передаваться транзитом. Скорость передачи информации при базовом доступе составляет 16 кбит/с, а при первичном доступе – 64 кбит/с. В последнем случае скорость намного выше из-за того, что в этом случае обслуживается значительно большее число информационных каналов (до 30).
В-канал – применяется для переноса широкой разновидности цифровой информации между терминалами абонентов и АТС в двух направлениях. Примером информации, переносимой по В-каналу является закодированный (ИКМ) речевой сигнал и цифровые данные. При этом один В-канал передает информацию в одном направлении, а второй – в обратном. Скорость обмена информации составляет 64 кбит/с.
Н-канал – канал обладающий более высокой скоростью обмена информацией, чем В-канал, и может использоваться, например, для факсимильной связи. В настоящее время имеется три типа Н-каналов:
- Н0 первичного интерфейса – обеспечивает скорость связи 384 кбит/с, при этом в поток помещается 6 непрерывных каналов по 64 кбит/с каждый.
- Н1 первичный интерфейс – обеспечивает скорость передачи информации 1536 кбит/с для интерфейса Т1 работающего на скорости 154 кбит/с.
- Н12 – состоит из одного канала обладающего скоростью передачи информации 1920 кбит/с, который, в свою очередь, состоит из 30 каналов со скоростью по 64 кбит/с и одного D-канала.
7.3. Дополнительное оборудование
Существуют терминалы ISDN, начиная от самых простых речевых телефонных аппаратов, до комплексных универсальных компьютеров.
Для обеспечения связи ISDN терминалов со станцией по обычным аналоговым линиям используется оборудование сетевого окончания NT1.
Устройства NT1 содержат микропроцессор для контроля базовых потоков и управления ситуациями столкновения, которые происходят, когда несколько терминалов одновременно передают информацию по каналу сигнализации. Существует несколько разновидностей устройств NT1 в зависимости от числа подключаемых к одному каналу терминалов ISDN.
К основным функциям NT1 относятся:
- линейное соединение;
- эксплуатация линий;
- синхронизация;
- передача питания через интерфейс по направлению к терминалу;
- уплотнение битовых потоков;
- адаптация терминалов и абонентских линий;
- управление столкновениями.

При использовании сетевого окончания NT1 возможна следующая конфигурация сети:
Пассивная шина называется так, потому что, хотя терминалы и соединены между собой через шину, но прямая связь между ними без участия оборудования NT1 невозможна.
NT2 – устройства сетевого окончания предназначенные для обеспечения связи на доступе PRA, и как правило используются для более мощных сетевых устройств, включая мини-АТС.
7.4. Сигнализация в сетях ISDN (DSS1)
Назначением сигнализации в ISDN является передача контрольной информации в узлы коммутации для установки вызова и контроля вызова через сеть ISDN.
Сигнализация ISDN разделяется по способу использования:
1). Используется между абонентскими терминалами и местной ISDN-станцией. Эта сигнализация использует D-канал по цифровой абонентской линии и называется цифровой абонентской системой сигнализации 1 (DSS1). Данная сигнализация основывается на трех уровнях:
Уровень 3 (сетевой) – передает и принимает сообщения для установления вызова и разъединения соединения. Данные сообщения передаются на другой конец линии через уровни 2 и 1.
Уровень 2 (звеньевой) – отвечает за передачу без ошибок сообщений уровня 3 между пользователями и сетью, поэтому включает в себя функции обнаружения и коррекции ошибок. Для этого в каждое сообщение в цикле добавляется контрольная сумма. Правильно полученная информация в цикле подтверждается сигналом RR (готов получить) после чего осуществляется ее прием. Если цикл содержит ошибку и это было выявлено при помощи контрольной суммы, то формируется сигнал отклонения REJ, что приводит к повторной передаче цикла информации. Для удержания следа передаваемых циклов, они нумеруются, что позволяет легко осуществлять слежение за ними и определять был ли цикл передан или утерян во время передачи.
Уровень 1 (физический) – передает и получает биты с соответствующей их синхронизацией.
2). Применяется между станциями и является сигнализацией стандарта SSN7. Используется для доставки контрольной информации всем включенным в сеть ISDN-станциям.
8. Основы оптической передачи информации
8.1. Структура и основные компоненты волоконно-оптических систем передачи данных
В ВОСП носителем сигнала является модулированный световой пучок, а линия передачи состоит из одного или нескольких последовательно соединенных оптических волокон или волоконных световодов.
Оптический передатчик содержит полупроводниковые светодиоды или полупроводниковые лазеры.
Ключевыми элементами приемников световых сигналов являются лавинные фотодиоды или PIN фотодиоды (Лавинные фотодиоды – полупроводниковый элемент фотоприемника, работа которого основана на использовании явления усиления фототока в электрическом поле с малыми шумами за счет лавинного умножения носителей заряда; PIN фотодиоды – вид фотодиода с большой областью собственной проводимости между областями полупроводника с положительными и отрицательными типами проводимости p-n переходы).
Полная скорость передачи информации В определяется выражением: В=Nb, где N – число спектральных каналов, b – скорость передачи информации по одному каналу, которая в настоящее время составляет от 2,5 до 40 Гбит/с.
8.2. Характеристики световых сигналов в волоконной оптике
Свет, как электромагнитную волну
высокой частоты, можно охарактеризовать
частотой или длиной волны. Для определения
длины волны в определенной среде
необходимо знать коэффициент преломления
этой среды и тогда, длина волны:
.
Где
– длина волны в среде N;
- длина волны в вакууме; n
– показатель преломления среды.
Длина волны света в вакууме и частота f связаны между собой скоростью света в вакууме С через соотношение: =C/f, где С= 299792458 м/с.
Световые пучки характеризуются следующими параметрами:
Средней импульсной мощностью,
Спектром (т.е. зависимостью мощности света от длины волны),
Поляризацией,
Пространственным и угловым распределением мощности.
Спектр характеризуется функциональной зависимостью плотности мощности (или амплитуды) излучения от длины волны и фазовыми соотношениями между спектральными компонентами.
Ширина линии – это термин, применяемый для описания ширины спектра излучения одночастотных лазеров.
Поляризация – это физическая характеристика светового излучения, описывающая поперечную анизотропию световых волн, т.е. неэквивалентность различных направлений в плоскости, перпендикулярной световому пучку.
В одномодовых световодах, работающих при длинах волн выше критической длины волны, только фундаментальная мода может распространяться вдоль световода с малым затуханием. Распределение мощности и поперечный размер моды описывается величиной диаметра моды. (Мода – нормальные колебания в распределенных колебательных системах или нормальные волны в волноводных системах; Диаметр поля моды – характеристический размер фундаментальной моды в волоконных световодах, характеризующий распределение в ней светового потока).
8.3. Характеристики источников излучения
Световое излучение в полупроводниках возникает при достаточной концентрации избыточных носителей заряда. Это достигается инжекцией носителей зарядов через p-n переход. Если p=n переход работает в режиме прямого направления, то в p-слой инжектируются дополнительные электроны, а в n-слой дополнительные дырки, при рекомбинации которых излучаются кванты света – фотоны.
Процесс инжекции носителей заряда с последующим излучением фотонов называется инжекционной люминесценцией. Индуцированное или вынужденное излучение заключается в том, что фотоны в полупроводнике инициируют излучательную рекомбинацию, что приводит к увеличению числа фотонов, т.е. мощность излучения возрастает.
Инжекционный лазер или лазерный диод это излучатель, использующий вынужденное излучение. В нем, благодаря высокой плотности тока, генерируется большой избыток носителей заряда в зоне проводимости, в результате чего возможно сильное вынужденное излучение.
Следует сказать, что у светодиодов направленность светового потока очень широка, т.е. осуществляется значительный разброс светового потока, в отличие от лазерных диодов, где направленность светового потока очень узкая, что позволяет обеспечить наиболее эффективный ввод светового потока в оптический световод.
Относительная
мощность шума источника
определяет максимально допустимый
динамический диапазон источника
излучения и является индикатором
качества. Определяется как отношение
среднеквадратичного значения мощности
оптического шума в полосе пропускания
шириной 1 Гц к квадрату средней оптической
мощности:
.
Токовая чувствительность
показывает эффективность преобразования
сигнала электрического вида в оптический
сигнал.
8.4. Характеристики волоконных световодов
Все волоконно-оптические световоды
имеют двухслойную структуру. Внутренний
слой, имеющий более высокий показатель
преломления
,
называется сердцевиной. Внешний слой
с меньшим показателем преломления
называется оболочкой. Распространение
волны в световоде объясняется переменным
отражением луча от стенок световода.
Световоды делятся на многомодовые и одномодовые.

В многомодовых волокнах некоторые световые лучи распространяются прямо по оси волокна, в то время как все другие распространяются в сердцевине волокна по зигзагообразной линии. Моды высшего порядка при распространении проходят более длинный путь, чем низшего; в результате возникает различие во временных задержках, что вызывает межмодовую дисперсию, ограничивающую полосу пропускания волокна.
У одномодвых волокон меньшая дисперсия и, следовательно, большая пропускная способность.
Характеристики волокон:
Затухание (или потери);
Хроматическая дисперсия;
Поляризационная модовая дисперсия.
Затухание – снижение уровня мощности оптического излучения. Является следствием поглощения, рассеяния и других видов ослабления излучения. Выражается в децибелах. Хроматическая дисперсия – составляющая дисперсии волоконного световода, обусловленная нелинейной зависимостью постоянной распространения данной моды оптического волокна от длины волны оптического излучения. Дисперсия – разброс значений групповых скоростей различных составляющих оптического излучения. Поляризационная модовая дисперсия – составляющая дисперсии волоконного световода, обусловленная разными значениями скорости распространения мод двух различных поляризаций в оптическом волокне.
8.5. Характеристики оптических усилителей
В настоящее время в ВОСП применяются оптические усилители трех типов: полупроводниковые оптические усилители; оптические усилители на волокне, легированные эрбием (EDFA) и волоконные усилители на основе вынужденного комбинационного рассеяния или, сокращенно, ВКР усилители (рамановские усилители).
Полупроводниковые оптические усилители вследствие быстрой релаксации, приводящей к возникновению перекрестных помех между спектральными каналами, в системах со спектральным уплотнением каналов пока не применяются.
Очень перспективными для использования в ВОСП являются ВКР усилители. Они обладают следующими преимуществами:
Способностью усиливать излучение на любой длине волны при соответствующем выборе источника накачки и типа волокна;
Возможностью использования в качестве их активной среды самих волоконных световодов, используемых в системах передачи информации;
Возможность сформировать очень широкую полосу усиления (более 100 нм) подбором источников накачки;
Низкие шумы.
Список рекомендуемой литературы
Шмытинский В.В., Котов В.К., Здоровцов И.А. Цифровые системы передачи информации на железнодорожном транспорте. – М.: Транспорт, 1995. – 238.
Виноградов В.В. Волоконно-оптические линии связи. М.: Желдориздат 2002.
Куприянов. Техническое обслуживание цифровой обработки сигналов. М.: Желдориздат 2002.
Лозовой И.А. Параметры каналов тональной частоты аппаратуры с ИКМ. – М.: Радио и связь, 1981. – 88с.
Новиков В.А., Багуц В.П., Тюрин В.Л. Многоканальная телефонная связь на железнодорожном транспорте. – М.: Транспорт, 1982. – 327 с.
SI2000 цифровая коммутационная система CS5051AA Версия 5. Справочник по эксплуатации. Документационный центр, Крань, 1998.
Система электропитания MPS50 KSS083000-EDR-030: Справочник по эксплуатации. Документационный центр, Крань, 1999.
Цифровая четырехканальная абонентская система уплотнения QMX-04 –техническая документация. Документационный центр, Любляна, 1995 – 45с.
В.И. Басов и др. Цифровые интегральные сети связи. – Харьков.: Регион-информ, 2000. – 168с.
Н.Н. Слепов. Синхронные цифровые сети SDH. – 145 с.
Фельдман Ф.Б., Частоедов Л.А. Электропитание устройств святи железнодорожного транспорта. – М.: Транспорт, 1989. 222с.
Зюко А.Г. и др. Теория передачи сигналов: Учебник для вузов. – М.: Радио и связь, 1986. – 304с.
Э. Тиммен, К. Хадсон, Д.М. Стюарт TCP/IP. – СПб Питер, 1999. – 416с.
1 SCCP – подсистема управлением сигнализации – позволяет расширить возможности адресации.