Частотно-избирательные фильтры. Фильтр нижних частот Чебышева
Южно-Уральский государственный университет
Приборостроительный факультет
Кафедра РТС
Курсовая работа
ЧАСТОТНО-ИЗБИРАТЕЛЬНЫЕ ФИЛЬТРЫ. ФИЛЬТР НИЖНИХ ЧАСТОТ ЧЕБЫШЕВА
Челябинск 2007
1. Основная часть
1.1 Частотно-избирательные фильтры
В большинстве случаев электрический фильтр представляет собой частотно-избирательное устройство. Следовательно, он пропускает сигналы определенных частот и задерживает или ослабляет сигналы других частот. Наиболее общими типами частотно-избирательных фильтров являются фильтры нижних частот (которые пропускают низкие частоты и задерживают высокие частоты), фильтры верхних частот (которые пропускают высокие частоты и задерживают низкие частоты), полосно-пропускающие фильтры (которые пропускают полосу частот и задерживают те частоты, которые расположены выше и ниже этой полосы) и полосно-заграждающие фильтры (которые задерживают полосу частот и пропускают частоты, расположенные выше и ниже этой полосы).
Более точно характеристику частотно-избирательного фильтра можно описать, рассмотрев его передаточную функцию

Рис. 1.1
Величины V>1> и V>2> представляют собой соответственно входное и выходное напряжения, как показано на общем изображении фильтра на рис. 1.1.
Для установившейся
частоты
передаточную функцию можно переписать
в виде

где
– модуль
передаточной функции или амплитудно-частотная
характеристика;
-
фазо-частотная
характеристика,
а частота ω (рад/с) связана с частотой f
(Гц) соотношением ω = 2πf.
Диапазоны или полосы
частот, в которых сигналы проходят,
называются полосами
пропускания
и в них значение амплитудно-частотной
характеристики
относительно велико, а в идеальном
случае постоянно. Диапазоны частот, в
которых сигналы подавляются, образуют
полосы
задерживания
и в них значение амплитудно-частотной
характеристики относительно мало, а в
идеальном случае равно нулю. В качестве
примера на рис. 1.2 штриховой линией
показана амплитудно-частотная
характеристика идеального
фильтра нижних частот с единственной
полосой пропускания 0 < ω < ω>с>
и полосой задерживания,
ω > ω>1>.
Частота ω>с>
между двумя этими полосами определяется
как частота
среза.

Рис. 1.2. Идеальная и реальная амплитудно-частотные характеристики фильтра нижних частот
В качестве полосы пропускания выбирается диапазон частот, где значение амплитудно-частотной характеристики превышает некоторое заранее выбранное число, обозначенное А>1> на рис. 1.2, а полосу задерживания образует диапазон частот, в котором амплитудно-частотная характеристика меньше определенного значения, например, А>2>. Интервал частот, в котором характеристика постоянно спадает, переходя от полосы пропускания к полосе задержания, называется переходной областью ω>с> < ω < ω>1>.
Значение амплитудно-частотной характеристики можно также выразить в децибелах (дБ) следующим образом:
и в этом случае характеризует затухание.
В основном затухание в полосе пропускания никогда не превышает 3 дБ.
1.2 Передаточные функции
Невозможно создать идеальные фильтры, но с помощью реализуемых фильтров (которые разрабатываются на основе реальных схемных элементов) можно получить приближения к идеальным. Передаточная функция реализуемого фильтра представляет собой отношение полиномов:

Коэффициенты а и b – вещественные постоянные величины, a m, n=1, 2, 3… (m n).
Степень полинома знаменателя n определяет порядок фильтра. Реальные амплитудно-частотные характеристики лучше (более близки к идеальным) для фильтров более высокого порядка. Однако повышение порядка связано с усложнением схем и более высокой стоимостью. Таким образом, один из аспектов разработки фильтров связан с получением реализуемой характеристики, аппроксимирующей с некоторой заданной степенью точности идеальную характеристику при наименьших затратах.
1.3 Элементы активных фильтров
Как только получена подходящая передаточная функция, разрабатывают схему фильтра, реализующую данную передаточную функцию. При этом разработка выливается в проектирование активных и пассивных фильтров.
Пассивные фильтры представляют собой устройства, которые создаются на основе резисторов, конденсаторов и катушек индуктивности, а именно из пассивных схемных элементов. Эти фильтры пригодны для работы в определенных диапазонах частот, но не подходят для низких частот, например ниже 0,5 мГц. Это происходит вследствие того, что на низких частотах параметры требуемых катушек индуктивности становятся неудовлетворительными из-за их больших размеров и значительного отклонения рабочих характеристик от идеальных и, кроме того, в отличие от резисторов и конденсаторов, катушки индуктивности плохо приспособлены для интегрального исполнения.
Таким образом, для применения фильтров в диапазоне низких частот из схем желательно исключить катушки индуктивности. Это достигается разработкой активных фильтров на основе резисторов, конденсаторов и одного или нескольких активных приборов, таких как транзисторы, зависимые источники и т.д.

Рис. 1.3. Операционный усилитель
Одним из наиболее часто применяемых активных приборов, который в основном и будет использоваться, является интегральная схема (ИС) операционного усилителя или ОУ, условное изображение которого приведено на рис. 1.3.
Операционный усилитель представляет собой многовходовый прибор, но для простоты показаны только три его вывода: инвертирующий входной (1), неинвертирующий входной (2) и выходной (3). В идеальном случае ОУ обладает бесконечным входным и нулевым выходным сопротивлениями и бесконечным коэффициентом усиления. Практические ОУ по своим характеристикам приближаются к идеальным наиболее близко только для ограниченного диапазона частот, который зависит от типа ОУ.
В некритических конструкциях фильтров наиболее часто используются дешевые угольные композиционные резисторы.
Для фильтров четвертого и более низкого порядка достаточно применять угольные композиционные резисторы с 5%-ными допусками, в частности если предполагается использовать фильтр при комнатной температуре. Для фильтров с высокими рабочими характеристиками необходимо применять высококачественные типы резисторов, например металлопленочного и проволочного типов. Чем выше порядок, тем меньше должны быть допуски. Фильтры с порядком выше четвертого необходимо реализовывать на резисторах с 2-%-ным или меньшими допусками.
Что касается конденсаторов, то наиболее подходящим типом является майларовый конденсатор, который можно успешно применять в большинстве конструкций фильтров. Конденсаторы на основе полистирола и тефлона лучше, однако применяются в высококачественных фильтрах. Обычные экономичные дисковые керамические конденсаторы должны использоваться исключительно в наименее критических условиях.
1.4 Построение фильтров
Существует много способов построения фильтра с заданной передаточной функцией n-го порядка. Один популярный способ заключается в том, чтобы представить передаточную функцию в виде произведения сомножителей H>1>, H>2>,…, Н>т> и создать схемы или звенья, или каскады N>1>, N>2>,…, N>m>, соответствующие каждому сомножителю. Наконец, эти звенья соединяются между собой каскадно (выход первого является входом второго и т.д.), как изображено на рис. 1.4. Если эти звенья не влияют друг на друга и не изменяют собственные передаточные функции, то общая схема обладает требуемой передаточной функцией n-го порядка. Ранее было установлено, что ОУ обладает бесконечным входным и нулевым выходным сопротивлениями. Таким образом, его можно использовать для реализации невзаимодействующих звеньев.

Рис. 1.4. Каскадное соединение звеньев
Для фильтров первого порядка передаточная функция представляется в виде
(1.0)
где С – постоянное число, a P(s) – полином первой или нулевой степени. Для фильтров второго порядка передаточная функция
(1.1)
где В и С–постоянные числа, a P(s) – полином второй или меньшей степени.
Для четного порядка n > 2 обычная каскадная схема содержит n/2 звеньев второго порядка, каждое с передаточной функцией типа (1.1). Если же порядок n > 2 является нечетным, то схема содержит (n-1)/2 звеньев второго порядка с передаточными функциями типа (1.1) и одно звено первого порядка с передаточной функцией типа (1.0).
Для фильтров, описываемых уравнением (1.1), определим собственную частоту

и добротность 
Таким образом, можно переписать уравнение (1.1) в виде
1.5 Фильтры нижних частот. Общий случай
Фильтр нижних частот представляет собой устройство, которое пропускает сигналы низких частот и задерживает сигналы высоких частот. В общем случае определим полосу пропускания как интервал частот 0<w<w>с>, полосу задерживания как частоты w>w>1> переходную область как диапазон частот w>c><w<w>1> (w>c> – частота среза). Эти частоты обозначены на рис. 1.5.1, на котором приведена реальная амплитудно-частотная характеристика фильтра нижних частот, где в данном случае заштрихованные области представляют собой допустимые отклонения характеристики в полосах пропускания и задерживания.
Если минимальное затухание выбрать за нормированный уровень 0 (А =1 на рис. 2.1), то логарифмическая характеристика фильтра нижних частот имеет вид, изображенный на рис. 1.5.2. Максимальное затухание в децибелах в полосе пропускания составляет α>1>, а минимальное затухание в полосе задерживания α>2> (А>1> и А>2> – соответственно значения амплитудно-частотной характеристики). Затухание α>1 >не может превышать 3 дБ, в то время как типовое значение α>2> значительно больше и может находиться в пределах от 20 до 100 дБ.

Рис. 1.5.1 Реальная амплитудно-частотная характеристика фильтра нижних частот

Рис. 1.5.2. Логарифмическая характеристика: фильтра нижних частот
Коэффициент усиления фильтра нижних частот представляет собой значение его передаточной функции при s=0 или, что эквивалентно, значение его амплитудно-частотной характеристики на частоте w=0. Следовательно, коэффициент усиления реального фильтра с амплитудно-частотной характеристикой, показанной на рис. 1.5.1, равен А.
Существует много типов фильтров нижних частот, удовлетворяющих данному набору технических требований, таких, как А, А>1> A>2>, w>c> и w>1> обозначенных на рис. 1.5.1, или α>1>, α>2>, w>c>> >и w>1 >– на рис. 1.5.2. Фильтры Баттерворта, Чебышева, инверсные Чебышева и эллиптические образуют четыре наиболее известных класса. Фильтр Баттерворта обладает монотонной характеристикой, подобной характеристике на рис. 1.5.1 и 1.5.2. (Характеристика является монотонно спадающей, если она никогда не возрастает с увеличением частоты.) Характеристика фильтра Чебышева содержит пульсации (колебания передачи) в полосе пропускания и монотонна в полосе задерживания. На рис. 1.5.3 изображен вид характеристики фильтра Чебышева шестого порядка. Инверсная характеристика фильтра Чебышева монотонна в полосе пропускания и обладает пульсациями в полосе задерживания. Пример характеристики фильтра шестого порядка приведен на рис. 1.5.4.
Амплитудно-частотная характеристика оптимального фильтра нижних частот удовлетворяет обозначенным на рис. 1.5.1 (или на рис. 1.5.2) условиям для данного порядка п и допустимого отклонения в полосах пропускания и задерживания при минимальной ширине переходной области. Таким образом, если заданы значения A, A>1>, А>2>, n и w>c>, то значение частоты w>1> минимально. Для полиномиальной характеристики оптимальной является характеристика фильтра Чебышева. Однако в общем случае оптимальным является эллиптический фильтр, характеристики которого значительно лучше характеристик фильтра Чебышева.

Рис. 1.5.3. Амплитудно-частотная характеристика фильтра Чебышева шестого порядка

Рис. 1.5.4. Амплитудно-частотная характеристика инверсного фильтра Чебышева шестого порядка
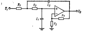
1.6 Фильтры нижних частот на ИНУН
Схема на ИНУН, реализующая функцию фильтра нижних частот Баттерворта или Чебышева второго порядка вида

изображена на рис. 1.6. Анализируя эту схему, получаем:
;
;
(1.4)
.
Значения сопротивлений определяются следующим образом:
;
;
; (1.5)
.
где С>2 >имеет предпочтительно близкое к значению 10/f>с> мкФ.
А С>1> должно удовлетворять следующему неравенству


Рис. 1.6. Схема фильтра нижних частот на ИНУН
1.7 Расчет фильтра нижних частот на Инун
Для расчета фильтра нижних частот или Чебышева более высокого порядка, обладающего заданной частотой среза f>с> (Гц), или w>с> =2πf>с> и коэффициентом усиления К = 1, необходимо выполнить следующие шаги.
1. Найти нормированные значения коэффициентов нижних частот В и С из соответствующей таблицы в приложении А.
2. Выбрать номинальное значение емкости С>2> (предпочтительно близкое к значению 10/f мкФ) и вычислить значения сопротивлений по (1.5)
3. Выбрать номинальные значения, наиболее близкие к вычисленным значениям, и реализовать фильтр или его звенья в соответствии со схемой, показанной на рис. 1.6.
2. Техническое задание
1. Фильтр Чебышева верхних частот на ИНУН;
2. Порядок N = 6;
3. Коэффициент усиления К = 8;
4. Частота среза f>c> = 100 Гц;
5. Неравномерность передачи в полосе пропускания PRW = 1.0 дБ;
6. Использование резисторов и конденсаторов ряда Е96.
3. Расчеты
Один из популярных способов построения фильтра заключается в том, чтобы представить передаточную функцию в виде произведения сомножителей H2, H3,…, Нm и создать схемы или звенья, или каскады N1, N2,…, Nm, соответствующие каждому сомножителю. Эти звенья соединяются между собой каскадно, выход первого является входом второго и т.д. Если эти звенья не будут влиять друг на друга и не будут изменять собственные передаточные функции, то общая схема обладает требуемой передаточной функцией n-го порядка.
Разобьем фильтр 6-ого порядка на 3 звена 2-ого порядка. Так как общий коэффициент усиления должен быть равен 8, то все наши звенья будут одинаковы с коэффициентом усиления 2 каждое.
Каждое звено будет иметь передаточную функцию вида

Нормированные значения коэффициентов В, С из приложения А (в книге Д. Джонсон, Дж. Джонсон «Справочник по активным фильтрам») для параметров: общий порядок N = 6, неравномерности передачи, в полосе пропускания PRW = 1,0 дБ.
|
В |
С |
|
|
I звено |
0.124362 |
0.990732 |
|
II звено |
0.339763 |
0.55772 |
|
III звено |
0.464125 |
0.124707 |
Расчет первого звена
Порядок звена равен N = 2. Коэффициент усиления К>1> = 2.
Найдем нормированные значения коэффициентов В, С из приложения А (в книге Д. Джонсон, Дж. Джонсон «Справочник по активным фильтрам»).
|
В |
С |
|
|
I звено |
0.124362 |
0.990732 |
2) Вычисляем значение элементов C>1>, C>2>, R>1>, R>2>, R>3>, R>4>, по формулам:
Находим значение
емкости С>2>
близкое к величине
,
т.е. С>2>
= 0.1
мкФ.
;
;
;

Откуда получаем теоретические значение элементов для первого звена
|
С>1>, нФ |
R>1>, кОм |
R>2>, кОм |
R>3>, кОм |
R>4>, кОм |
|
|
Теоретические значения элементов для I звена |
100 |
256 |
0.995 |
514 |
514 |
Из уравнений
;
;
.
Находим коэффициенты для передаточной функции

|
|
|
|
|
|
I звена |
2 |
78.137 |
391100 |
С
учетом того,
что
определяем
передаточную функцию первого звена
Таким образом,
– модуль передаточной функции – АЧХ
первого звена, а
– аргумент передаточной функции – ФЧХ
первого звена.
АЧХ первого звена

>ФЧХ первого звена>

Расчет второго звена
Порядок звена равен N = 2. Коэффициент усиления К>2 >= 2
Найдем нормированные значения коэффициентов В, С из приложения А (в книге Д. Джонсон, Дж. Джонсон «Справочник по активным фильтрам»).
|
В |
С |
|
|
II звено |
0.339763 |
0.55772 |
2) Вычисляем значение элементов C>1>, C>2,> R>1>, R>2>, R>3>, R>4>, по формулам:
|
С>1>, нФ |
R>1>, кОм |
R>2>, кОм |
R>3>, кОм |
R>4>, кОм |
|
|
Теоретические значения элементов для II звена |
105 |
93.69 |
4.6 |
196.6 |
196.6 |
Из уравнений находим коэффициенты для передаточной функции
|
|
|
|
|
|
II звена |
2 |
213.473 |
220200 |
Подставляя данные коэффициенты в получаем передаточную функцию для второго звена

Таким образом,
– модуль передаточной функции – АЧХ
второго звена, а
– аргумент передаточной функции – ФЧХ
второго звена.
АЧХ второго звена

ФЧХ второго звена

Расчет третьего звена
Порядок звена равен N = 2. Коэффициент усиления К>3 >= 2
Найдем нормированные значения коэффициентов В, С из приложения А (в книге Д. Джонсон, Дж. Джонсон «Справочник по активным фильтрам»).
|
В |
С |
|
|
III звено |
0.464125 |
0.124707 |
2) Вычисляем значение элементов C>1>, C>2,> R>1>, R>2>, R>3>, R>4>, по формулам:
|
С>1>, нФ |
R>1>, кОм |
R>2>, кОм |
R>3>, кОм |
R>4>, кОм |
|
|
Теоретические значения элементов для III звена |
143 |
68.58 |
20.68 |
178.5 |
178.5 |
Из уравнений находим коэффициенты для передаточной функции
|
|
|
|
|
|
III звена |
2 |
291.61 |
49230 |
Подставляя данные коэффициенты в получаем передаточную функцию для второго звена

Таким образом,
– модуль передаточной функции – АЧХ
второго звена, а
– аргумент передаточной функции – ФЧХ
второго звена.
АЧХ третьего звена

ФЧХ третьего звена

Итоговая передаточная характеристика будет представлять собой произведение сомножителей H2, H3, Н3:


АЧХ фильтра (теоретическая)

Выберем номинальные значения элементов из ряда Е96, наиболее близкие к вычисленным значениям
I звено
|
С1, нФ |
R1, кОм |
R2, кОм |
R3, кОм |
R4, кОм |
|
|
Номинальные Значения элементов для I звена |
100 |
255 |
1.0 |
511 |
511 |
II звено
|
С1, нФ |
R1, кОм |
R2, кОм |
R3, кОм |
R4, кОм |
|
|
Номинальные Значения элементов для II звена |
105 |
93.1 |
4.64 |
196 |
196 |
III звено
|
С1, нФ |
R1, кОм |
R2, кОм |
R3, кОм |
R4, кОм |
|
|
Номинальные Значения элементов для III звена |
143 |
68.1 |
20.5 |
178 |
178 |
С учетом номиналов резисторов и конденсаторов из ряда Е96, получим следующую АЧХ (сплошной линией показана характеристика с учетом номиналов ряда Е96, пунктирной линией – теоретическая характеристика).
Вследствие того, значения из ряда Е96 не сильно расходятся с рассчитанными, мы получаем практически ожидаемую АЧХ. (Пунктиром обозначен АЧХ реальный)

Литература
1. Джонсон Д., Джонсон Дж., Мур Г. Справочник по активным фильтрам. Пер. с англ. – М.: Энергоатомиздат, 1983.
2. Остапенко Г.С. Усилительные устройства. Учебн. пособие для вузов. – М.: Радио и связь, 1989.
3. Альфа-Электроник. Резисторы. Обозначения и параметры. [Интернет-ресурс]


