Электроника (работа 1)
Министерство Образования и Молодежи Республики Молдова
Технический Университет Молдовы
Кафедра КПЭА
Курсовая работа
по дисциплине Электроника
Проектирование усилителей низкой частоты
Выполнил:
студент гр.SER-042 Бабей.Л
Проверил:
доцент кафедры Сорокин Г.Ф.
Кишинев 2009
Содержание:
Цель работы ……………………...……………………………2
Введение………………………………………………………..3
Основная часть………………………………………………....4
Расчётная часть…………………………………………………8
Заключение……………………………………………………..15
Библиография…………………………………………………..16
Цель работы: познакомиться с режимами работы транзисторов обоих типов проводимости, рассчитать мощный многокаскадный усилитель, у которого выходной каскад работает в режиме АБ, предварительные в режиме А.
Исходные данные:








схема выходного каскада – с трансформаторным входом и выходом.
3) Введение
Усилителем называют устройство, предназначенное для повышения мощности входного сигнала. Увеличение мощности достигается за счет энергии источников питания. Маломощный входной сигнал лишь управляет передачей энергии источника питания в полезную нагрузку.
Включение нагрузки непосредственно в выходную цепь усилительных элементов без выходного трансформатора позволяет устранить вносимые последним частотные, фазовые и нелинейные искажения, уменьшить размеры, вес, объем и стоимость каскада, повысить его кпд и избавиться от нелинейных искажений, вызываемых отсечкой тока в режиме В.
При работе бестрансформаторного каскада в режиме А предельный кпд равен 50% , в режиме В – 78,6%, реальный кпд выше, чем у трансформаторного каскада из-за отсутствия потерь в трансформаторе.
4) Основная часть
Далее будет описана одна из методик расчёта предварительного усилителя и каскада мощного усиления.
Принципиальная схема каскада предварительного усиления
(рис. 1):

Теоретический расчёт каскада предварительного усиления:
Ток через сопротивление нагрузки:

Коэффициент усиления по напряжению усилителя:

Ток коллектора в рабочей точке:

Сопротивление в цепи коллектора:

Напряжение на сопротивлении в цепи эмиттера:

Сопротивление в цепи эмиттера:

Напряжение коллектор – эмиттер в рабочей точке:

Нахождение тока базы
по выходным характеристикам (рис. 2):

Ток делителя:

Напряжение на резисторе
R2
находим по входным характеристикам
(рис. 3):


Сопротивление резистора R2:

Сопротивление резистора R1:

Общее входное сопротивление (с учётом, что входное сопротивление каскада намного больше сопротивления делителя):

тогда, коэффициент усиления рассчитанного усилителя:

ёмкости переходных и блокировочного конденсаторов можно найти следующим образом:
;
;
;
.
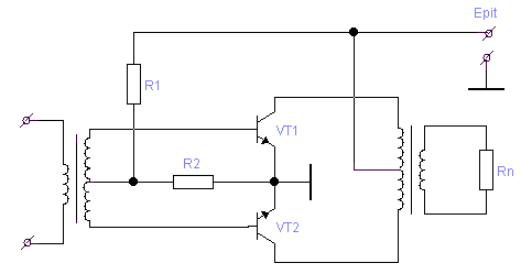
Принципиальная схема каскада мощного усиления (рис. 4):

Рис. 4
Теоретический расчёт каскада мощного усиления:
Определение необходимого напряжения питания:

Максимальный ток коллектора одного транзистора:
Амплитудное значение напряжения на коллекторе одного транзистора:
Стр.6
Определение максимальной мощности рассеивания на коллекторе одного транзистора:

По этим данным выбираем транзисторы выходного каскада. По характеристикам находим напряжение и ток базы транзисторов в рабочей точке, их амплитудные значения.
Определяем ток делителя
:



Ёмкости переходных конденсаторов:


5) Расчётная часть

Рис. 5 Схема электрическая принципиальная
Определение необходимого напряжения питания:

Определяем максимальный ток коллектора одного транзистора:
Определим действующее напряжение на коллекторе одного транзистора:
Определение максимальной мощности рассеивания на коллекторе одного транзистора:

По этим данным выбираем транзисторы выходного каскада: КТ815, КТ814. Они имеют следующие выходные (рис. 6) и входные (рис. 7) характеристики.
По характеристикам находим напряжение и ток базы транзисторов VT3, VT4 в рабочей точке, их амплитудные значения:

Стр.8
Рис.6 Выходные характеристики КТ815, КТ814.
Рис. 7 Входные характеристики VT3 иVT4






Определение коэффициента нелинейных искажений.
Необходимо построить сквозную характеристику:




Найдем
для амплитуд токов
на выходных характеристиках, центрируя
относительно
:
По этим данным строим сквозную характеристику (рис. 10):
Транзисторы выходного каскада комплементарны, коэффициент асимметрии b выбираем равным 0,1.
По сквозной характеристике
находим токи, которым соответствуют
:

Тогда
Далее производим
расчёт гармонических составляющих тока
коллектора:
Определяем коэффициента гармоник по формуле:
Стр.10

Учитывая действие местной ООС в УМ
;
;

Для обеспечения требуемого Кг требуется ООС глубиной

Рис. 9 Сквозная характеристика УМ
Выбираем транзистор предвыходного каскада:

Хорошими параметрами обладает транзистор типа КТ3102Г. Его выходные и входные характеристики представлены на (рис. 8), (рис. 9)
По характеристикам находим напряжение и ток базы транзистора VT2 в рабочей точке, их амплитудные значения:
Рис. 8 Выходные характеристики VT1 иVT2




Сопротивления резисторов делителя:

Входное сопротивление предварительного каскада:

В этот каскад вводится параллельная ОС по напряжению - цепочка R6C6.
Расчёт ООС.
Так как данная ООС не
изменяет К
,
а
уменьшает


Входной каскад из-за малого сопротивления предоконечного каскада выбран ОК.
В качестве VT1 выбираем транзистор КТ339А. Таким образом получим:





Рис.11 Входная характеристика VT1

Теперь найдём ёмкости переходных и блокировочных конденсаторов:






6) Заключение.
Основной целью данной курсовой работы стало изучение методов расчёта мощных многокаскадных усилителей низкой частоты. В работе эта задача была успешно решена:
- освоенные теоретические навыки позволяют на данном этапе обучения спроектировать несложные усилители мощности;
- применение местных и общих отрицательных обратных связей позволяет улучшить параметры усилителя до необходимой величины;
Можно также отметить, что достигнут требуемый коэффициент гармоник и коэффициент усиления. Высокий коэффициент гармоник УМ скомпенсирован введением ООС по напряжению.
7) Библиография.
Проектирование транзисторных усилителей «Машиностроение», 1978г
Петухов В. М. Транзисторы и их зарубежные аналоги. Том 1, 2, Москва, «РадиоСофт», 2004г
Цыкина А.В. Усилители. Москва, «Связь», 1972 г
Лавриненко В.Ю. Справочник по полупроводниковым приборам. Киев, «Техника», 1984г
Гершунский Б.С. Справочник по расчету электронных схем. Киев, «Высшая школа», 1983г