Микропроцессорная системы отображения информации
Министерство образования и науки Российской Федерации
Федеральное агентство по образованию
Государственное образовательное учреждение высшего профессионального образования
"Комсомольский-на-Амуре государственный технический университет"
Инженерно- экономический факультет
Кафедра "Промышленная электроника"
ПОЯСНИТЕЛЬНАЯ ЗАПИСКА К КУРСОВОМУ ПРОЕКТУ
по курсу "Системы отображения информации"
Микропроцессорная системы отображения информации
Выполнил студент группы 4ПЭа-1 Д.В. Евпаков Руководитель проекта Н.Н. Любушкина
Н.Контр. Н.Н. Любушкина
2009
Отображение информации - это свойство технической системы воспроизводить требуемую информацию в форме, удобной для непосредственного восприятия человеком.
Технические средства, используемые для формирования информационных моделей, называются средствами отображения информации (СОИ). С помощью СОИ полученная от одного или нескольких источников информация преобразуется в информационную модель, удобную для непосредственного восприятия.
Существует три способа отображения информации:
индикация - представление информации в форме изображения (информационной модели), параметры которого обеспечивают требуемую быстроту и точность восприятия, информационную емкость и удовлетворяют требованиям инженерной психологии (эргономики);
сигнализация - это отображение информации для привлечения внимания к изменению состояния системы, характеризуемое четко различными изменениями параметров информационной модели;
регистрация - это представление информации на материальном носителе с возможностью хранения без затрат энергии.
Большую часть информации (около 80%) человек получает по зрительному каналу. Если информация создается или передается электронными средствами, она воспроизводится с помощью средств отображения информации, которые являются электронным переводчиком, позволяющим воспринять закодированную электрическими сигналами информацию.
К средствам отображения информации относятся устройства коллективного пользования (стадионные, вокзальные и другие информационные табло), персональный компьютер, индикаторы, встроенные в различные измерительные или бытовые электронные приборы. Соответственно различаются и предъявляемые к этим средствам психофизиологические, энергетические, стоимостные, габаритные и другие требования, которые должен учитывать разработчик.
Основным узлом СОИ является индикатор, преобразующий электрические сигналы в видимое изображение. До сих пор основным типом индикатора, используемым в СОИ, остается электронно-лучевая трубка (ЭЛТ), которой присущи все типичные недостатки электровакуумных приборов: большое потребление мощности, высокие питающие напряжения, большие масса и габаритные размеры. На смену ЭЛТ, особенно в применениях, связанных с ЭВМ, пришли матричные индикаторные панели самых различных типов - газоразрядные, электролюминесцентные, жидкокристаллические. В отличие от ЭЛТ управление ими построено на цифровых принципах, что соответствует современным тенденциям развития электроники.
Другим важным компонентом СОИ являются интегральные микросхемы (ИМС). Современные СОИ почти целиком строятся на базе ИМС со средней и высокой степенью интеграции, все шире в них используются микропроцессорные средства и микро-ЭВМ.
Развитие средств отображения информации происходит в направлении использования в них как усовершенствованных типов электроннолучевых индикаторов, так и плоских матричных индикаторов, которые перспективны для высококачественного отображения информации.
Проектирование средств отображения информации включает в себя создание информационной модели с учетом представляемой информации и свойств человека-оператора, выбор типа индикатора, разработку на этой основе структурной схемы СОИ, разработку модулей системы и т. д.
Для правильного проектирования средств отображения информации необходимо учитывать структуру и технические характеристики индикаторов, особенности построения модулей системы на основе современных интегральных микросхем, т. е. проектирование средств отображения информации требует комплексного подхода со стороны специалистов.
Задачей курса "Средства отображения информации" является ознакомление студентов с принципами построения аппаратуры, физическими особенностями различных типов электронных индикаторов и т. д.
Рассмотрение этих вопросов позволит показать взаимодействие средств промышленной электроники в едином комплексе аппаратных и программных средств. Приобретенные таким образом навыки могут быть использованы при проектировании электронных устройств самого различного назначения с широким применением интегральных схем.
Работа любого устройства начинается с его включения.
После включения индикаторы должны быть погашены, кроме левого знакоместа, где должен располагаться курсор. В качестве типа курсора будем использовать негативный блок.
При вводе информации с клавиатуры курсор смещается вправо, оставляя на своём месте введённый символ. По достижении курсором конца строки, то есть крайней правой позиции, введенная на индикатор информация остаётся в ОЗУ, а сам индикатор очищается, и курсор перемещается в начало строки. Таким образом, система готова принимать информацию в следующую строку.
Когда курсор достигает последней позиции последней строки, ввод информации заканчивается. Дальнейшее перемещение курсора по введенному тексту осуществляется клавишами управления курсора (вверх, вниз, вправо, влево).
Клавиша "Insert" включает и выключает режим вставки. При включенном режиме вставки, в процессе ввода информации, все символы справа от курсора будут сдвигаться вместе с курсором и выходя за пределы последней строки теряются. При выключенном режиме вставки, ввод информации производиться поверх старой, стирая предыдущий символ.
Клавиша "Delete" удаляет символ слева от курсора (заменяет на пробел) и перемещает курсор на одну позицию влево. Если при этом включен режим вставки, то вслед за курсором перемещаются все символы расположенные правее.
Режим редактирования.
Замена. Для замены символа необходимо подвести курсор к нужной позиции посредством функциональных клавиш: "", "". При нажатии любой информационной клавиши в той позиции, на которую указывает курсор, автоматически производится замена символа. При этом, старый символ теряется.
Удаление. Для удаления необходимо подвести курсор к нужной позиции и нажать клавишу "Del". При этом вся информация в строке, записанная после текущей позиции, сдвигается влево, а в последней позиции строки появится пробел. Символ в текущей позиции теряется. Курсор останется на той же позиции, на которую указывал до удаления.
Вставка. Для вставки необходимо курсор подвести к той позиции, перед которой будет производиться вставка символа. Затем, после нажатия функциональной клавиши "Ins", вся информация, записанная после текущей позиции и включая текущую позицию, сдвигается вправо, при этом последний символ в строке теряется, а курсор остается на прежней позиции. После нажатия любой информационной клавиши в незанятой позиции появляется соответствующий символ.
Сброс. При нажатии клавиши "Reset" происходит сброс информации во всех строках. Затем курсор переходит в первую позицию первой строки.
Отображение. Для вывода определенной введенной строки на индикацию используются клавиши "", "", при этом, курсор остается в том же столбце, в котором он находился до перехода на другую строку. Если текущей строкой является первая и нажимается клавиша "", то на экране появится содержимое последней строки. Если текущей строкой является последняя и нажимается клавиша "", то на экране появится содержимое первой строки.
Всего в данной системе используется 49 клавиш, из них 42 информационных, 7 функциональных, а также имеются две клавиши (Shift и Reset), которые не входят в основную матрицу клавиатуры и предназначены для изменения режима работы клавиатуры
Структурная схема будет базироваться на магистрально-модульном принципе организации МП - системы. В такой системе связь всех устройств (модулей) осуществляется с помощью общих шин. Передача информации может осуществляться одновременно только между двумя модулями.
Структурная схема микропроцессорного устройства представлена на рисунке 1.

ЦП – центральный процессор; ТГ – тактовый генератор; У В/В – устройство ввода/ вывода; ПЗУ – постоянное запоминающее устройство; ОЗУ – оперативное запоминающее устройство; СА – селектор адреса; ШУ – шина управления; ША – шина адреса; ШД – шина данных
Рисунок 1 – Структурная схема микропроцессорного устройства
Основным узлом разрабатываемого устройства отображения информации является ЦП. В его функции входит управление всеми остальными узлами устройства. Отдельные блоки соединяются между собой линиями, объединяемыми по сходству назначения в шины. Число линий в шине обычно соответствует разрядности передаваемого слова. С помощью 16-разрядной шины адреса обеспечивается выбор одной из 65536 ячеек памяти. По 8-разрядной шине данных передаются команды и данные. Ограниченное число внешних выводов микропроцессора (МП) приводит к необходимости использования для передачи информации двунаправленной шины данных. Синхронизация работы МП, ПЗУ, ОЗУ памяти или внешнего устройства при обмене информацией производится с помощью сигналов сопровождения информации, передаваемых по шине управления.
Все действия ЦП заранее запрограммированы и подчинены последовательности команд, хранимой в ПЗУ. Кроме того, в ПЗУ записаны необходимые для работы константы, например, формы знаков. Для хранения вводимой информации и программ необходима оперативная память (ОЗУ).
Устройство ввода/вывода предназначено для ввода информации в систему и вывода обработанной информации на индикацию.
Селектор адреса предназначен для выбора одного из внешних устройств.
МП синхронизируется тактовыми импульсами, формируемыми ТГ. Для тактирования используется двухфазная система импульсов C1 и C2, а максимальная тактовая частота МП составляет 2МГц.
Разработаем функциональная схема центрального процессора.
Функциональная схема центрального процессора представлена на рисунке 2.

Р







исунок
2 – Функциональная схема центрального
процессора
При включении питания или при нажатии клавиши "Reset", система начального сброса (СНС) формирует сигнал "Установка нуля", который поступает на вход генератора тактовых импульсов (ГТИ) "RESIN". ГТИ формирует сигнал "SR", поступающий на одноименный вход ЦП, что обеспечивает автоматическую установку микропроцессора в исходное состояние.
ГТИ, формирует сигналы C1 и C2 – тактовые сигналы с различными фазами; RDY – сигнал "Готовность"; STB – стробирующий сигнал состояния, формируемый при наличии на входе "SYN" напряжения высокого уровня, поступающего с выхода микропроцессора в начале каждого машинного цикла. Сигнал "STB" используется для занесения информации состояния МП в системный контроллер для формирования управляющих сигналов.
Так как к шине адреса может быть подключено большое число внешних устройств, а выходные линии канала адреса не обладают достаточной нагрузочной способностью, то в схему необходимо ввести буферные устройства шины адреса (БА). Для увеличения нагрузочной способности шины данных используется буфер данных (БД).
Для формирования управляющих сигналов используется системный контроллер (СК). От МП в СК подаются сигналы: TR– выдача информации; RC – прием информации.
СК формирует следующие управляющие сигналы: RD – чтение памяти; WR – запись в память; RDIO – чтение из устройства ввода/вывода; WRIO – запись в устройство ввода/ вывода.
Так как МП работает по опросу, то выводы МП "INT" и "HLD" заземляются. В случае, если МП СОИ работает по прерываниям, то подается уровень логической единице.
Разработаем функциональная схему блока запоминающих устройств
Функциональная схема блока запоминающих устройств представлена на рисунке 3.

Рисунок 3 – Функциональная схема блока запоминающих устройств
Входы ПЗУ и ОЗУ A0 – А10 подключены к младшим адресам шины адреса. На входы выборка кристалла (CS) подаются сигналы с СА. На вход RD ПЗУ подается сигнал RD с системного контроллера и по низкому уровню этого сигнала данные по указанному адресу передаются на ШД. На вход WR/RD ОЗУ подается сигнал WR с СК и по низкому уровню этого сигнала данные передаются на ШД.
Разработаем функциональную схема селектора адреса.
Функциональная схема селектора адреса представлена на рисунке 4.

Рисунок 4 – Функциональная схема блока селектора адреса
Селектор адреса представляет собой устройство управления другими устройствами системы. С ША адрес поступает на вход СА, а на выходе получаем сигнал выборки устройства из числа, входящих в систему.
МП КР580ВМ80А может адресовать до 256 устройств ввода-вывода и обеспечить адресацию внешней памяти объемом 65536 байт.
Распределение адресного пространства представлено в таблице 1.
-
Двоичный адрес
Адрес
Устройство
15
14
13
12
11
10
9
8
7
6
5
4
3
2
1
0
(HEX)
0
0
0
0
0
0
0
0
0
0
0
0
0
0
0
0
0000
Начальный адрес ПЗУ
0
0
0
0
0
1
1
1
1
1
1
1
1
1
1
1
07FF
Конечный адрес ПЗУ
0
0
0
0
1
0
0
0
0
0
0
0
0
0
0
0
0800
Начальный адрес ОЗУ
0
0
0
0
1
1
1
1
1
1
1
1
1
1
1
1
0FFF
Конечный адрес ОЗУ
0
0
0
1
0
0
0
0
0
0
0
0
0
0
0
0
1000
Начальный адрес ПККИ
0
0
0
1
0
0
0
0
0
0
0
0
0
0
0
1
1001
Конечный адрес ПККИ
Таблица 1 – Распределение адресного пространства системы
Селектор адреса спроектируем с помощью логических элементов на основе распределенного адресного пространства.
Для блока запоминающих устройств на линиях A12-A15 находятся логические нули, а линия A11 управляет выборкой ПЗУ (A11=0) или ОЗУ (A11=1). Такое включение позволяет объединить оба запоминающих устройства в едином адресном пространстве объемом 4Кбайта, причем ПЗУ располагается в области 0000H – 07FFH, а ОЗУ в области 0800H – 0FFFH. Такое расположение удобно тем, что после установки в исходное состояние, процессор начинает выборку команд с адреса 0000H, где и располагается ПЗУ, содержащее основную программу.
Для ПККИ на линиях A13-A15 находятся логические нули, а линия A12 управляет выборкой ПККИ (A12=1).
Разработаем функциональную схема блока ввода.
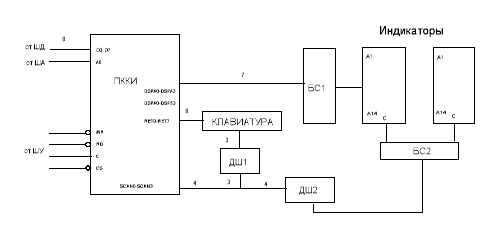
Программируемый контроллер клавиатуры и индикации (ПККИ) обеспечивает сканирование клавиатуры и вывод информации на дисплей.
Функциональная схема приведена на рисунке 5.

Рисунок 5 - Функциональная схема блока
Значение внутреннего счетчика ПККИ с линий сканирования поступает на дешифратор, преобразующий четырехразрядный в восьмиразрядный код. При нажатии клавиши сигнал проходит на линии возврата RET0-RET7, где в зависимости от того, какая клавиша была нажата, во внутреннее ОЗУ записываются "координаты клавиши", которые выдаются на шину данных. ЦП в ходе сканирования устройств считывает слово состояния ПККИ, затем ЦП читает код нажатой клавиши, обрабатывает его и выставляет эквивалент клавиши в коде КОИ -7 на шину данных (таблица КОИ - 7 записана в центральном ПЗУ).
Код символа в КОИ - 7 с ШД поступает в знакогенератор, где по адресу кода записан позиционный код символа, то есть код, который будет непосредственно выводиться на индикаторы. Далее код поступает в ПККИ, где записывается в ОЗУ отображения, и поступает на выходы DSPA0 - DSPA3, DSPB0 - DSPB3. Далее код поступает на блок согласования БС1, где усиливается до уровня, необходимого для активизации свечения индикатора. Индикаторы циклически перебираются дешифратором ДШ2. В зависимости от текущего значения счетчика подается сигнал на тот или иной индикатор с помощью блока согласования БС2, и, соответственно, на индикаторе зажигается определенный символ.
Высвечивание информации происходит динамически, т.е. в любой момент времени горит только один из индикаторов дисплея, гашение индикаторов осуществляется сигналом BD, который поступает с ПККИ на запрещающий вход дешифратора в момент переключения с одного индикатора на другой. Разрешающая способность или острота зрения характеризуется минимальным углом, при котором возможно отдельное различение двух соседних точек. Этот угол называется порогом остроты зрения ао. Для нормального зрения порог остроты равен 1. Рекомендуемое значение ао в расчетах берут равным 2 – 3.
Рассчитаем высоту индикатора по формуле:
h = 2Ltg(a/2),
где h – высота индикатора; L – расстояние до наблюдателя; а – угловой размер индикатора. Вычислим высоту индикатора при расстоянии до наблюдателя 0,5 м с учетом остроты зрения равным десяти:
h = 2·0,5tg(3/2) = 0,026 м.
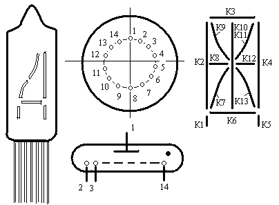
Выбираем газоразрядный индикатор ИН-23.
Внешний вид, цоколевка и условно- графическое обозначение индикатора ИН-23 - показаны на рисунке 6.

Рисунок 6 - Газоразрядный индикатор ИН-23
ИН-23 – индикатор буквенно-цифровой одноразрядный газоразрядный предназначен для отображения информации в виде букв русского, латинского, греческого алфавитов, цифр, символов и других специальных знаков в средствах отображения информации индивидуального пользования. Индикация – боковая.
Корпус стеклянный миниатюрный. Масса не более 30 г.
Технические характеристики:
Цвет свечения…………………………………..оранжево-красный
Яркость свечения,
кд/м
……………………..................
200
Угол обзора,
град………………………………………..
100
Напряжение, В:
источника
питания……………………………………..
200
возникновения и
поддержания разряда……………….
170
Ток, мА………………………………………………….0,3 – 3,0
Для образования цифр или букв рекомендуется соединять выводы индикатора согласно таблице 2.
Таблица 2- Выводы индикатора.
-
Цифра
Номер вывода
Буква
Номер вывода
Буква
Номер вывода
Буква
Номер вывода
1
2 или 4 или 10
А
4, 7, 11, 12
Л
4, 7, 11
Ц
2, 4, 5, 6
2
3, 6, 7, 11
Б
2, 3, 6, 8, 13
М
2, 4, 9, 11
Ч
4, 9, 12
3
3, 6, 11, 13
В
2, 3, 6, 8, 11, 13
Н
2, 4, 8, 12
Ш
2, 4, 6, 10
4
4, 9, 12
Г
2, 3
О
2, 3, 4, 6
Щ
2, 4, 5, 6, 10
5
3, 6, 9, 13
Д
1, 4, 5, 6, 7, 11
П
2, 3, 4
Ы
2, 4, 6, 13
6
2, 3, 6, 8, 13
Е
2, 3, 6, 8, 12
Р
2, 3, 8, 11
Ь
2, 6, 8, 13
7
3, 7, 11
З
3, 4, 6, 8, 12
С
2, 3, 6
Э
3, 4, 6, 12
8
3, 6, 7, 9, 10, 13
Ж
7, 9, 10, 11, 13
Т
3, 10
Ю
2, 4, 8, 11,12,13
9
3, 4, 6, 9, 12
И
2, 4, 7, 11
У
4, 6, 9, 12
Я
3, 4, 7, 9, 12
0
2, 3, 4, 6
Й
2, 3, 4, 7, 11
Ф
3, 9, 10, 11
К
2, 8, 11, 13
Х
7, 9, 11, 13
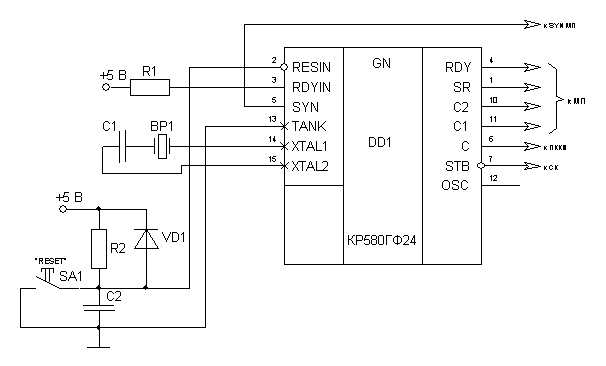
Рассчитаем параметры схемы блока генератора тактовых импульсов.

Рисунок 7 – Принципиальная схема блока ГТИ.
В качестве генератора тактовых импульсов (ГТИ) используем микросхему КР580ГФ24.
ГТИ формирует:
- две фазы С1, С2 с положительными импульсами, сдвинутыми во времени, амплитудой 12 В и частотой 2 МГц;
- стробирующий сигнал состояния STB;
- тактовые сигналы С, синхронные с фазой С2, амплитудой напряжения уровня ТТЛ (0,4 В – 2,4 В).
- сигнал "Установка в исходное состояние" SR;
- сигнал "Готовность" RDY;
Для стабилизации тактовых сигналов опорной частоты ко входам XTAL1, XTAL2 генератора подключают кварцевый резонатор BP1, частота которого должна быть в 9 раз выше частоты выходных сигналов С1, С2.
Выберем кварцевый резонатор РВ-11 на 18 МГц, который имеет следующие параметры:
- диапазон частот, МГц 4,5 - 100
- добротность, 103 80 – 300
- емкостное отношение, 10-3 5 – 0,15
- динамическое сопротивление, Ом 5 – 75
- статическая емкость C>0>, пФ 3 – 6
- допустимое относительное отклонение частоты, 10-6 ±10
При частоте резонатора более 10 МГц необходимо последовательно в цепи резонатора включить конденсатор С1.
(1)
где f>э> – эквивалентная частота последовательно соединенного конденсатора и резонатора, Гц;
f – собственная частота кварцевого резонатора;
C>к> – динамическая емкость резонатора, Ф;
C>0> = 3,3 пФ – статическая емкость резонатора;
МГц;
где f>c> = 2 МГц – частота тактовых импульсов.
Динамическую емкость резонатора можно определить как

где m = 5 ∙ 10-3 – емкостное отношение.
Ф;
За собственную частоту резонатора примем частоту отклонения от номинальной с учетом допустимого относительного отклонения частоты:

Гц;
Определим емкость конденсатора С1:
МкФ;
Выберем конденсатор С1: КМ-4 820 пФ.
Вход TANK предназначен для подключения колебательного контура, работающего на высших гармониках резонатора, для стабилизации тактовых сигналов опорной частоты. В нашей системе этот вход не используется, поэтому мы его заземляем.
Тактовые сигналы с выхода OSC, синхронные с сигналами опорной частоты, используются для одновременной синхронизации нескольких генераторов. В нашей системе эти сигналы не используются.
Стробирующий сигнал состояния STB формируется при наличии на входе SYN напряжения высокого уровня, поступающего с выхода микропроцессора в начале каждого машинного цикла. Сигнал STB используется для занесения информации состояния микропроцессора в системный контроллер для формирования сигналов управления.
Вход RDYIN предназначен для работы либо с медленнодействующими устройствами, либо для организации покомандного выполнения программы микропроцессором с частотой тактовых импульсов. Поэтому на этот вход подадим напряжение уровня логической единицы, подключив его к шине питания U>пит> = +5 В через резистор R1.
Сопротивление R1 найдем из следующих соображений: верхним пределом сопротивления является значение, которое обеспечивает на входе микросхемы минимальное напряжение высокого уровня при максимальном входном токе.
(2)
где U>пит> = 5 В – напряжение питания микросхемы;
U1>вх> = 2,6 В – минимальное входное напряжение высокого уровня для входа RDYIN;
I1>вх> = 0,1 мА – максимальный входной ток высокого уровня;
кОм.
Минимальное значение R1 определяется ограничением значения входного тока. Примем, что на этом сопротивлении падает напряжение, равное 0,5% от напряжения питания, тогда:
(3)
Ом.
Значение сопротивления R1 лежит в пределах от 250 Ом до 24 кОм. Примем R1 = 1 кОм.
Мощность рассеяние R1:
(4)
Вт
Выберем резистор R1: МЛТ-0,125 1кОм ± 5%.
Для осуществления системного сброса необходимо на вход RESIN подать сигнал низкого уровня, который появляется на выходе SR в виде сигнала высокого уровня. Длительность сигнала RESIN определяется наибольшим временем сброса микросхем, участвующих в работе системы. В нашей системе это ПККИ КР580ВВ79, сброс которого осуществляется не менее, чем за 6 тактов. Период одного такта микропроцессора:
мкс.
Для надежности число тактов сброса возьмем 10.
Тогда длительность сигнала RESIN:
мкс.
Система начального сброса (СНС) состоит из RC-цепочки (R2-C2), обеспечивающей заданную длительность сигнала RESIN, диода VD1, предназначенного для разряда конденсатора, и кнопочного выключателя SA1.
Допустимое обратное напряжение, прикладываемое к диоду должно быть больше напряжения питания +5 В. Необходимо также учесть, что время восстановления запирающих свойств диода t>восст> должно быть меньше периода одного такта микропроцессора, т.е. t>восст><T>c>.
Выберем диод 2Д509А, имеющий следующие параметры:
- максимальное обратное напряжение, U>обр >>max> 50 В
- максимальный импульсный ток, I>им >>max> 1,5 А
- средний ток, I>ср> 100 мА
- время восстановления запирающих свойств, t>восст> 4 нс
Т.к. значения входного напряжения и тока высокого уровня для сигнала RESIN такие же, как и у сигнала RDYIN, то резистор R2 рассчитывается аналогично резистору R1. Выберем резистор R2: МЛТ-0,125 1 кОм ± 5%.
Падение напряжения на конденсаторе С2 изменяется во времени по следующему закону:

где U>с2>(t) = 2,6 В – напряжение высокого уровня.
нФ;
Выберем конденсатор С2: КМ-4 6800 пФ.
В качестве кнопки сброса используем кнопку КН-1, которая имеет следующие параметры:
- сопротивление изоляции, МОм, не менее 1000
- электрическая прочность изоляции при нормальных
климатических условиях, В 1000
- сопротивление электрических контактов, Ом, не более 0,01
- коммутируемое напряжение, В 50
- коммутируемый ток, А 1,5
- износостойкость, циклов коммутации 15000
- масса, г 40
Рассчитаем параметры схемы блока центрального процессора.
В качестве микропроцессора используется микросхема КР580ВМ80А.
КР580ВМ80А – функционально законченный однокристальный параллельный 8-разрядный микропроцессор с фиксированной системой команд, применяется в качестве центрального процессора в устройствах обработки данных и управления.
Выходной сигнал WI формируется когда микропроцессор переходит в режим ожидания. Но т. к. в данной системе микропроцессор постоянно находится в режиме готовности, то этот вывод не используется.
Кроме того, наше устройство работает без прерываний, поэтому вывод INTE также не используется.
Сигналы HLD и HLDA позволяют организовать режим прямого доступа к памяти для любого внешнего устройства, формирующего сигналы HLD. Но т. к. в данной системе такие устройства отсутствуют, то вывод HLDA не используется, а вывод HLD – заземляется.
Линии шины данных D0-D7, а также линии управления: RC и TR подключаются к выводам системного контроллера: D0-D7, RC и TR, соответственно.
В качестве системного контроллера используется микросхема КР580ВК28. Системный контроллер формирует управляющие сигналы по сигналам состояния микропроцессора: при чтении из запоминающего устройства - RD, при записи в запоминающее устройство - WR, при чтении из устройства ввода/вывода - RDIO, при записи в устройство ввода/вывода - WRIO, при подтверждении запроса прерывания - INTA.
Кроме того, системный контроллер обеспечивает прием и передачу 8-разрядной информации между каналом данных микропроцессора по выводам D7-D0 и системным каналом по выводам DB7-DB0. Системный контроллер выдает на системный канал данных информацию в цикле записи по сигналу TR и принимает данные в цикле чтения по сигналу RC.

Рисунок 8 – Принципиальная схема блока ЦП.
По входному сигналу STB, поступающего с выхода ГТИ, системный контроллер фиксирует информацию состояния микропроцессора.
Асинхронный сигнал BUSEN управляет выдачей данных и управляющих сигналов. При напряжении низкого уровня на входе BUSEN системный контроллер передает данные и управляющие сигналы, а при напряжении высокого уровня все выходы микросхемы переводятся в высокоомное состояние. В разрабатываемой системе данный вывод заземляется. Определим необходимость шинного формирователя для ША. Для этого нужно рассчитать нагрузочную способность ША.
Для того, чтобы в дальнейшем вести расчеты, необходимо знать напряжения и токи используемых микросхем. Поэтому составим таблицу.
-
Параметр
Серия микросхемы
155
555
537
573
мА1,6
0,4
1,6
3,2
мА0,04
0,02
0,1
0,1
мА16
8
1,6
3,2
мА0,4
0,4
0,1
0,1
В0,4
0,4
0,4
0,4
В2,4
2,4
4,1
2,4
В0,4
0,4
0,4
0,4
В2,4
2,4
2,4
2,4
Таблица 3 – Основные параметры используемых микросхем.
Выходной ток МП должен быть больше суммы входных токов компонентов, подключенных к ША и принимающих с нее информацию. Такими компонентами являются: ПЗУ, ОЗУ, ПККИ, поэтому:
;
где I>ПЗУ >= 3,2 мА; I>ОЗУ>=1,6 мА; I>ПККИ>=0,1 мА;
мА;
Т. к. I>МП>=0,15
мА, то:
,
поэтому необходимо установить шинный формирователь, ко входу которого подключаем линии шины адреса процессора A0 – A15.
В качестве шинного формирователя используем микросхему КР580ИР86 – восьмиразрядный адресный регистр, предназначенный для связи микропроцессора с системной шиной, обладает повышенной нагрузочной способностью. Поскольку шина адреса 16-разрядная, а адресный регистр является 8-разрядным, то необходимо использовать две микросхемы, подсоединив одну из них к младшим восьми линиям шины адреса, а вторую – к старшим восьми линиям.
В зависимости от состояния стробирующего сигнала STB микросхема может работать в двух режимах:
- при STB = 1; OE = 0 – шинный формирователь. Информация на выходах Q повторяется по отношению ко входам D.
- при STB = 0; OE = 0 – происходит "защелкивание" передаваемой информации во внутреннем триггере, и она сохраняется до тех пор пока на входе STB = 0. В течение этого времени изменение информации на входах D не влияет на состояние выходов Q.
- при переходе OE = 1 все выходы Q переходят в третье состояние независимо от входных сигналов STB и D.
Т.к. мы используем микросхемы в качестве шинного формирователя, то выводы OE – заземляем, а выводы STB – подключаем через к шине питания +5В через сопротивления R3, R4 соответственно.

где I1>вх> = 50 мкА – максимальный входной ток высокого уровня для микросхемы КР580ИР82.
кОм;
Ом;
Значение сопротивления R3 лежит в пределах от 500 Ом до 48 кОм. Примем R3 = 1 кОм.
Мощность рассеяния R3:
Вт;
Рассчитаем принципиальную схемы блока запоминающих устройств.
В качестве ПЗУ используем микросхему памяти К573РФ2 – репрограммируемое постоянное запоминающее устройство объемом 2 Кбайта со стиранием информации УФ-светом. Программирование ПЗУ осуществляется с помощью специального устройства – программатора. По входным и выходным сигналам микросхема совместима с ТТЛ-микросхемами. К573РФ2 способна сохранять записанную информацию под напряжением питания +5В в течение 15…50 тыс. часов, а при отключенном питании – 5…15 лет.
Для исключения потери информации при ее длительном хранении окно корпуса микросхемы при эксплуатации должно быть защищено от воздействия ультрафиолетового и светового облучения, например, светонепроницаемой пленкой.

Рисунок 9 – Принципиальная схема БЗУ.
Подключение ПЗУ производится следующим образом: входные линии выборки адреса A0 – A10 соединим с соответствующими линиями шины адреса, входную линию CS подключим к селектору адреса, обеспечивающему выбор данной микросхемы, а вход OE - к линии шины управления RD, разрешающей чтение данных из микросхемы. Выходные линии данных DIO0-DIO7 соединим с системной шиной данных. Вход U>пр >– заземляется.
Оперативное запоминающее устройство (ОЗУ) во время работы системы хранит коды всех выводимых символов. T. к. количество символов в строке N>З >= 9, а количество строк N>С> = 15, то общее число элементов отображения, хранимых в ОЗУ:

Поэтому в качестве ОЗУ используем микросхему памяти КР537РУ8А – статическое ОЗУ, емкостью 2 Кбайта.
Для нее характерны высокая помехоустойчивость, малая потребляемая мощность, способность сохранять записанную информацию при пониженном напряжении питания 1,5…3В. К537РУ8А работает в режимах записи, считывания и хранения информации.
Учитывая, что 135 = 87h и что экранная область ОЗУ располагается с адреса 0800h, то вся экранная область займет адреса с 0800h по 0800h+28h-1=0827h. Один адрес не учитывается, т. к. отсчет ведется от текущего значения, а не со следующего.
Информационные входы и выходы микросхемы совмещены, поэтому записываемая информация вводится в микросхему, а считываемая выводится из нее по одним линиям, что обусловливает мультиплексный режим их работы.
Кроме того, микросхема КР537РУ8А имеет два равнозначных сигнала выбора: CS1 и CS2. Условием разрешения доступа к микросхеме является наличие напряжения низкого уровня на обоих входах. Учитывая, что данная микросхема относится к группе тактируемых статических ОЗУ, код адреса фиксируется перепадом одного из сигналов выбора из состояния высокого уровня в состояние низкого уровня напряжения, причем того из сигналов, который совершит указанный переход последним.
Поэтому подключение ОЗУ производится следующим образом: входные линии выборки адреса A0-A10 соединим с соответствующими линиями шины адреса, выходные линии данных DIO0-DIO7 соединим с шиной данных. Входные линии CS1 и CS2 подключим к селектору адреса, обеспечивающему выбор данной микросхемы. Такое включение позволит активировать ОЗУ только в моменты чтения или записи информации. Вход W/R подсоединим к линии шины управления WR, что обеспечит выбор режима работы: запись или чтение.
Рассчитаем принципиальную схемы селектора адреса. Селектор адреса спроектируем на основе распределенного адресного пространства с помощью логических элементов. Селектор адреса производит выбор одного из устройств: ПЗУ, ОЗУ, ПККИ.
В соответствии с распределенным адресным пространством для выбора ПЗУ необходимо, чтобы на адресных линиях A15, A14, A13, A12, A11 были нули, т. е. должна выполняться логическая функция:
;
Для выбора ОЗУ необходимо, чтобы на адресных линиях A15, A14, A13, A12 были нули, а на линии A11 – единица, т. е. должна выполняться логическая функция:
;
Для выбора ПККИ необходимо, чтобы на адресных линиях A15, A14, A13, A11 были нули, а на линии A12 – единица, т. е. должна выполняться логическая функция:
;
Для выбора ПЗУ необходимо сигналы указанных адресных линий проинвертировать и соединить логическим элементом "5-И-НЕ".
Для выбора ОЗУ необходимо сигналы с адресных линий A15, A14, A13 и A12 проинвертировать и вместе с сигналом с линии A11 соединить логическим элементом "5-И-НЕ".
Для выбора ПККИ необходимо сигналы с адресных линий A15, A14, A13 и A11 проинвертировать и вместе с сигналом с линии A12 соединить логическим элементом "5-И-НЕ".
Т. к. состояние линий A15, A14, A13 для выбора всех перечисленных устройств одинаково, то их можно, проинвертировав, соединить логическим элементом "3-И" и использовать как общий блок при выборе устройств.
Тогда для выбора ПЗУ нужно на элемент "3-И-НЕ" подать инвертированные сигналы с линий A12 и A11 и сигнал с элемента "3-И".
Для выбора ОЗУ нужно на элемент "3-И-НЕ" подать инвертированный сигнал с линии A12, неинвертированный сигнал с линии A11 и сигнал с элемента "3-И".
Рисунок 10 – Принципиальная схема селектора адреса.
Для выбора ПККИ нужно на элемент "3-И-НЕ" подать неинвертированный сигнал с линии A12, инвертированный сигнал с линии A11 и сигнал с элемента "3-И".
Таким образом, для конструирования селектора адреса потребуется 5 инверторов, 1 элемент "3-И" и 3 элемента "3-И-НЕ".
Поэтому выбираем следующие микросхемы:
К555ЛН1 – 6 инверторов;
К555ЛИ3 – 3 элемента "3-И";
К155ЛА4 – 3 элемента "3-И-НЕ".
Рассчитаем принципиальной схемы устройства ввода. Для ввода данных в устройстве отображения информации используется клавиатура. Клавиатура представляет собой набор клавиш. Каждая клавиша состоит из микропереключателя, кнопки и возвратно-пружинного механизма. Кнопка предназначена для удобства работы с клавиатурой, а также для придания клавиатуре эстетического вида.
1000
В качестве микропереключателя используется командная кнопка КН-1, которая имеет следующие параметры:
1000 0,01 50 1,5 15000 40 12 12
-сопротивление изоляции, МОм, не менее 1000-электрическая прочность изоляции при нормальных
климатических условиях, В 100
-сопротивление электрических контактов, Ом, не более 0,01
-коммутируемое напряжение, В 50
-коммутируемый ток, А 1,5
-износостойкость, циклов коммутации 15000
-масса, г 40
-высота, мм 12
-ширина, мм 12
Для осуществления функций ввода информации в систему с помощью клавиатуры используем программируемый контроллер клавиатуры и индикации (ПККИ) К580ВВ79.
К580ВВ79 - программируемое интерфейсное устройство, предназначенное для ввода и вывода информации в системах, выполненных на основе микропроцессоров К580ВМ80А. Микросхема состоит из двух функционально автономных частей: клавиатурной и дисплейной.
Клавиатурная часть обеспечивает ввод информации в микросхему через "линии возврата" RET7 - - RET0 с клавиатуры, имеющей объем матрицы 8x8 разрядов. Кроме того, в ней предусмотрен специальный режим обнаружения ошибок при замыкании двух и более клавиш, а также введена схема устранения дребезга при замыкании - размыкании клавиши.
Входную линию выбора микросхемы CS подключим к линии выбора ПККИ селектора адреса, линии С и SR - к соответствующим выходам тактового генератора. Двунаправленные линии данных DO - D7 контроллера подсоединим к линиям шины данных, входную линию адреса АО - к одноименной линии ША, а входные линии чтения RD и записи WR - к линиям ШУ RDIO и WRIO, соответственно. Сигнал СО/STB используется для того, чтобы содержимое входов RET7 RET0 записывалось в буферные схемы клавиатуры по стробирующим импульсам. Данный вход заземляется.
Поскольку данное устройство будет работать без прерываний, то выходная линия INT не используется.
Входной сигнал SH предназначен для выбора верхнего или нижнего регистра вводимых символов, но поскольку в системе символы фиксированы, то выход SH не используется и заземляется.
Для сканирования матрицы клавиатуры используются линии сканирования ПККИ S3 - SO. Подключим эти линии ко входам дешифратора для того, чтобы преобразовать код с выхода этих линий в позиционный код. В качестве дешифратора используем микросхему К555ИД7. Это высокоскоростной дешифратор - де-мультиплексор, преобразующий двоичный код, поступающий на его входы в напряжение низкого логического уровня, появляющееся на одном из его выходов. Дешифратор имеет трехвходовый логический элемент разрешения ЕЗ-Е1, при этом, дешифрация происходит, когда на входах Е1 и Е2 напряжение низкого уровня, а на выходе ЕЗ - высокого. Поэтому входные линии Е1 и Е2 заземляются, а ЕЗ - подключается к шине питания и>пит> = +5 В через резистор.
Микросхема имеет следующие параметры:
- минимальное напряжение высокого уровня U д>вх> = 2,4 В,
- максимальный входной ток I д>вх> = 0,04 мА.
Приведем таблицу истинности дешифратора К555ИД7 (таблица 4),
Таблица 4 - Таблица истинности дешифратора К555ИД7
-
E1
E2
E3
DI0
DI1
DI2
DO0
DO1
DO2
DO3
DO4
DO5
DO6
DO7
1
X
X
X
X
X
1
1
1
1
1
1
1
1
X
1
X
X
X
X
1
1
1
1
1
1
1
1
X
X
0
X
X
X
1
1
1
1
1
1
1
1
0
0
1
0
0
0
0
1
1
1
1
1
1
1
0
0
1
0
0
1
1
0
1
1
1
1
1
1
0
0
1
0
1
0
1
1
0
1
1
1
1
1
0
0
1
0
1
1
1
1
1
0
1
1
1
1
0
0
1
1
0
0
1
1
1
1
0
1
1
1
0
0
1
1
0
1
1
1
1
1
1
0
1
1
0
0
1
1
1
0
1
1
1
1
1
1
0
1
0
0
1
1
1
1
1
1
1
1
1
1
1
0
Сопротивление Rl найдем из следующих соображений: верхним пределом сопротивления является значение, которое обеспечивает на входе микросхемы минимальное напряжение высокого уровня U д>вх> при максимальном входном токе 1'д>вх>; минимальное же значение определяется ограничением значения входного тока. Поэтому максимальное значение сопротивления R1 найдем по формуле:
.
(6)
Тогда:
кОм.
Минимальное значение сопротивления определится следующим образом: примем, что на этом сопротивлении падает напряжение, равное 0,5 % от напряжения питания, тогда:
.
Поэтому:
Ом.
Таким образом, значение сопротивления резистора лежит в пределах от 625 Ом до 65 кОм.
Выбор элементов производим из стандартного ряда Е 24. Выбираем R1=1 кОм.
Мощность рассеяния сопротивления R вычисляется по формуле:
.
Тогда мощность рассеивания R1 равно:
мкВт.
Выходные линии дешифратора, формирующие сигналы сканирования, подключим к столбцам матрицы клавиш. Сигналы со строк матрицы подадим на линии возврата RET7 — RET0 контроллера клавиатуры.
Рассчитаем частоту сканирования одной клавиши клавиатуры, учитывая, что частота синхронизации МП />с> = 2 МГц.
При программировании синхронизации ПККИ максимально выставляемый коэффициент деления равен К>пкки> = 31. Тогда частота синхронизации ПККИ составит:
,
Гц.
Клавиатура содержит 48 клавиш, следовательно, частота сканирования одной клавиши:

И время сканирования клавиши:

Это значительно больше минимального значения составляющего 80 мкс.
При нажатии клавиши в ходе сканирования ПККИ выдает на шину данных код клавиши в следующем формате:
Таблица 5 – код клавиш.
-

SH
Номер строки (SCAN)
Номер столбца (RET)
D7
D6
D5
D4
D3
D2
D1
D0
Номер строки SCAN
и номер столбца RET
представляют собой двоичное число. Биты
SH
и
у нас не используются.
Составим таблицу кодировки клавиатуры. Клавиатура имеет размер 6х8, неиспользуемые строки в таблицу 6 не вносятся.
Клавиши на клавиатуре располагаются в соответствии с таблицей 6. Как упоминалось выше код клавиши в формате ПККИ обрабатывается процессором и на шину данных выставляется уже код в КОИ – 7.
Таблица 6 – коды клавиш.
-
SCAN/RET
000
001
010
011
100
101
110
111
000
1
2
3
4
5
6
7
8
001
9
0
/
Ц
У
К
Е
ВК
010
Н
Г
Ш
Щ
З
Х
Ъ
011
Ф
Ы
В
А
П
Р
О
100
Я
Ч
С
М
И
Т
Ь
SP
101
Л
Д
Ж
Э
Б
Ю
Клавиши на клавиатуре располагаются в соответствии с этой таблицей. Как упоминалось выше код клавиши в формате ПККИ обрабатывается процессором и на шину данных выставляется уже код в КОИ – 7. Обработка процессором кода ПККИ заключается в обращении к встроенной в ПЗУ таблице соответствия кода ПККИ коду КОИ – 7. Т.е. ПЗУ практически переводит код символа из одного формата в другой. Причем по кодам функциональных клавиш содержатся в адреса подпрограмм обработчиков в ПЗУ. Иначе говоря скажем при нажатии пользователем клавиши ПККИ выдает на ШД байт данных, который соответствует этой клавиши. Микропроцессор прибавляет к этому числу какое то число являющееся коэффициентом перевода числа в адрес ПЗУ, по этому адресу записан код клавиши в КОИ – 7, который и выставляется на шину данных. Далее микропроцессор проверяет, не адрес ли это и если нет как в нашем случае, пересылает код клавиши дисплейной части ПККИ в ОЗУ. Иначе дело происходит при нажатии на функциональную клавишу. Действия происходят практически аналогично, но только в ПЗУ прописан адрес подпрограммы обработчика и микропроцессор определяя, что это адрес начинает выполнять подпрограмму обработчик. Таблица должна содержаться в ПЗУ после программы, поместим ее на самый верх доступной памяти, размер таблицы составляет 48 байт составим таблицу соответствия которая будет записана в ПЗУ, причем поместим ее на самый верх доступной области ПЗУ чтобы избежать ее пересечения с программой. Самый доступный верхний адрес ПЗУ 07FFh отнимем от него последний адрес таблицы 2Fh (101111) (точка) и узнаем, коэффициент пересчета, чтобы получить адрес записанного в таблице элемента (символа). FFh – 2Fh = D0h. Т.е. должно прибавляться число D0h. Составим таблицу на основании этого таблицу 7.
Таблица7
-
Адрес
HEX
Символ
Код ПККИ
Код
КОИ – 7
BIN
HEX
НЕХ
07D2
1
000000
00
31
07D3
2
000001
01
32
07D4
3
000010
02
33
07D5
4
000011
03
34
07D6
5
000100
04
35
07D7
6
000101
05
36
07D8
7
000110
06
37
07D9
8
000111
07
38
07DA
9
001000
08
39
07DB
0
001001
09
30
07DC
/
001010
0A
2F
07DD
Ц
001011
0B
63
07DE
У
001100
0C
75
07DF
К
001101
0D
6B
07E0
Е
001110
0E
65
07E1
ВК
001111
0F
78
07E2
Н
010000
10
6E
07E3
Г
010001
11
67
07E4
Ш
010010
12
7B
07E5
Щ
010011
13
7D
07E6
З
010100
14
7A
07E7
Х
010101
15
68
07E8
Ъ
010110
16
5F
07E9
010111
17
09
07EA
Ф
011000
18
66
07EB
Ы
011001
19
79
07EC
В
011010
1A
77
07ED
А
011011
1B
61
07EE
П
011100
1C
70
07EF
Р
011101
1D
72
07F0
О
011110
1E
6F
07F1
011111
1F
41
07F2
Я
100000
20
71
07F3
Ч
100001
21
7E
07F4
С
100010
22
73
07F5
М
100011
23
6D
07F6
И
100100
24
69
07F7
Т
100101
25
74
07F8
Ь
100110
26
78
07F9
SP
100111
27
20
07FA
Л
101000
28
6C
07FB
Д
101001
29
64
07FC
Ж
101010
2A
76
07FD
Э
101011
2B
7C
07FE
Б
101100
2C
62
07FF
Ю
101101
2D
60
На каждую подпрограмму обработки специальных клавиш выделим по 200 байт, этого вполне достаточно если учитывать, что программа естественно выполняется на АССЕМБЛЕРЕ – который славится своей компактностью. Расположим подпрограммы в памяти непосредственно перед таблицей и после основной обрабатывающей программы, т.е. наши функциональные подпрограммы будут находиться между основной программой и таблицей КОИ-7. Рассчитаем адреса по которым будут записаны подпрограммы. Конечный адрес подпрограмм должен равняться 07ЕF. Отнимем от этого адреса 600 байт:
07EFh – 258h = 0578h.Следовательно подпрограммы начнутся с адреса 0578h. Теперь последовательно прибавляя по 200 байт вычислим адреса каждой подпрограммы двести байт в шестнадцатеричной системе счисления будут выглядеть как С8 , т.е. будем прибавлять к данному адресу это число получим соотвественно: 0640h, 0708h
Итак, с адреса 0578h запишем подпрограмму обработки клавиши "ВК" возврат, соответственно в таблицу занесем младшую часть адреса.
С адреса 0641h запишем подпрограмму обработки клавиши "" редактирование и перемещение вправо, в таблицу занесем младшую часть адреса.
А с адреса 0709h запишем подпрограмму обработки клавиши "" редактирование и перемещение влево, в таблицу занесем младшую часть адреса.
Выходные сигналы с ПККИ DSPA0 - DSPA3, DSPB0 - DSPB3 подадим на адресные входы ПЗУ знакогенератора. ПЗУ знакогенератора служит преобразователем кода КОИ – 7 в код индикатора, т.е. в код включения определенных сегментов. Необходимо включать 14 сегментов. Поэтому достаточно двух 8-разрядных микросхем ПЗУ. Для ПЗУ знакогенератора возьмем репрограммируемую ПЗУ К573РФ2. Данная интегральная микросхема представляет собой репрограммируемое ПЗУ обьемом 2 Кбайта, запись в которую производится электрическими сигналами, а стирание – ультрафиолетовым излучением. Программирование ПЗУ осуществляется с помощью специального устройства – программатора. По входным и выходным сигналам микросхема совместима с ТТЛ-микросхемами.
Для исключения потери информации при ее длительном хранении окно корпуса микросхемы при эксплуатации должно быть защищено от воздействия ультрафиолетового и светового облучения, например, светонепроницаемой пленкой.
Доступ к микросхеме осуществляется подачей напряжения уровня логического нуля на входы микросхемы CS и OE.
Приведем таблицы, по которым производится перекодирование из кода КОИ – 7 в позиционный код символа в знакогенераторе.
Таблица 8 - Перекодирование из кода КОИ – 7 в позиционный код символа для DD-14
-
Символ
Код КОИ-7
Адрес ЗГ
код ЗГ
HEX
BIN
A7 A6 A5 A4 A3 A2 A1 A0
D7 D6 D5 D4 D3 D2 D1 D0
HEX
1
31
00110001
0 0 1 1 0 0 0 1
00000010
2
2
32
00110010
0 0 1 1 0 0 1 0
01100100
64
3
33
00110011
0 0 1 1 0 0 1 1
00100100
24
4
34
00110100
0 0 1 1 0 1 0 0
00001000
8
5
35
00110101
0 0 1 1 0 1 0 1
00100100
64
6
36
00110110
0 0 1 1 0 1 1 0
10100110
26
7
37
00110111
0 0 1 1 0 1 1 1
01000100
44
8
38
00111000
0 0 1 1 1 0 0 0
01100100
64
9
39
00111001
0 0 1 1 1 0 0 1
00101100
2С
0
30
00110000
0 0 1 1 0 0 0 0
00101110
2Е

20
00100000
0 0 1 0 0 0 0 0
00100000
20
/
2F
00101111
0 0 1 0 1 1 1 1
01000000
40
Ц
63
01100011
0 1 1 0 0 0 1 1
00111010
3А
У
75
01110101
0 1 1 1 0 1 0 1
00101000
28
К
6B
01101011
0 1 1 0 1 0 1 1
10000010
82
Е
65
01100101
0 1 1 0 0 1 0 1
10100110
А6
ВК
78
01111000
0 1 1 1 1 0 0 0
10000000
80
Н
6E
01101110
0 1 1 0 1 1 1 0
10001010
8А
Г
67
01100111
0 1 1 0 0 1 1 1
00000110
06
Ш
7B
01111011
0 1 1 1 1 0 1 1
00101010
2А
Щ
7D
01111101
0 1 1 1 1 1 0 1
00111010
3А
З
7A
01111010
0 1 1 1 1 0 1 0
10101100
АС
Х
68
11101000
1 1 1 0 1 0 0 0
01000000
40
Ъ
5F
01011111
0 1 0 1 1 1 1 1
10100110
09
00001001
0 0 0 0 1 0 0 1
00000000
00
Ф
66
01100110
0 1 1 0 0 1 1 0
00000100
04
Ы
79
01111001
0 1 1 1 1 0 0 1
00101010
2А
В
77
01110111
0 1 1 1 0 1 1 1
10100110
А6
А
61
01100001
0 1 1 0 0 0 0 1
01001000
48
П
70
01110000
0 1 1 1 0 0 0 0
00001110
08
Р
72
01110010
0 1 1 1 0 0 1 0
10000110
86
О
6F
01101111
0 1 1 0 1 1 1 1
01010110
56
41
01000001
0 1 0 0 0 0 0 1
11000000
С0
Я
71
01110001
0 1 1 1 0 0 0 1
01001100
4С
Ч
7E
01111110
0 1 1 1 1 1 1 0
00001000
48
С
73
01110011
0 1 1 1 0 0 1 1
00100110
26
М
6D
01101101
0 1 1 0 1 1 0 1
00001010
0А
И
69
01101001
0 1 1 0 1 0 0 1
01001010
4А
Т
74
01110100
0 1 1 1 0 1 0 0
00000100
4
Ь
78
01111000
0 1 1 1 1 0 0 0
10100010
А2
SP
20
00100000
0 0 1 0 0 0 0 0
11000000
С0
Л
6C
01101100
0 1 1 0 1 1 0 0
01001000
48
Д
64
01100100
0 1 1 0 0 1 0 0
01111001
79
Ж
76
01110110
0 1 1 1 0 1 1 0
01000000
40
Э
7C
01111100
0 1 1 1 1 1 0 0
00101100
2С
Б
62
01100010
0 1 1 0 0 0 1 0
10100110
А6
Ю
60
01100000
0 1 1 0 0 0 0 0
10001010
8А
Таблица 9 - Перекодирование из кода КОИ – 7 в позиционный код символа для DD-15
-
Символ
Код КОИ-7
Адрес ЗГ
код ЗГ
HEX
BIN
A7 A6 A5 A4 A3 A2 A1 A0
D7 D6 D5 D4 D3 D2 D1 D0
HEX
1
31
00110001
0 0 1 1 0 0 0 1
00000000
00
2
32
00110010
0 0 1 1 0 0 1 0
00000100
4
3
33
00110011
0 0 1 1 0 0 1 1
00010100
14
4
34
00110100
0 0 1 1 0 1 0 0
00001001
9
5
35
00110101
0 0 1 1 0 1 0 1
00010001
11
6
36
00110110
0 0 1 1 0 1 1 0
00010000
10
7
37
00110111
0 0 1 1 0 1 1 1
00000100
4
8
38
00111000
0 0 1 1 1 0 0 0
00010011
13
9
39
00111001
0 0 1 1 1 0 0 1
00001001
9
0
30
00110000
0 0 1 1 0 0 0 0
00000000
00

20
00100000
0 0 1 0 0 0 0 0
00000000
00
/
2F
00101111
0 0 1 0 1 1 1 1
00000010
2
Ц
63
01100011
0 1 1 0 0 0 1 1
00000000
00
У
75
01110101
0 1 1 1 0 1 0 1
00001001
09
К
6B
01101011
0 1 1 0 1 0 1 1
00010100
14
Е
65
01100101
0 1 1 0 0 1 0 1
00001000
08
ВК
78
01111000
0 1 1 1 1 0 0 0
00000000
00
Н
6E
01101110
0 1 1 0 1 1 1 0
00001000
08
Г
67
01100111
0 1 1 0 0 1 1 1
00000000
00
Ш
7B
01111011
0 1 1 1 1 0 1 1
00000010
02
Щ
7D
01111101
0 1 1 1 1 1 0 1
00000010
02
З
7A
01111010
0 1 1 1 1 0 1 0
00001000
08
Х
68
11101000
1 1 1 0 1 0 0 0
00010101
15
Ъ
5F
01011111
0 1 0 1 1 1 1 1
00010000
10
09
00001001
0 0 0 0 1 0 0 1
00011100
1С
Ф
66
01100110
0 1 1 0 0 1 1 0
00000111
7
Ы
79
01111001
0 1 1 1 1 0 0 1
00010000
10
В
77
01110111
0 1 1 1 0 1 1 1
00000100
04
А
61
01100001
0 1 1 0 0 0 0 1
00001100
0С
П
70
01110000
0 1 1 1 0 0 0 0
00000000
00
Р
72
01110010
0 1 1 1 0 0 1 0
00000100
04
О
6F
01101111
0 1 1 0 1 1 1 1
00000000
00
41
01000001
0 1 0 0 0 0 0 1
00000001
01
Я
71
01110001
0 1 1 1 0 0 0 1
00001001
09
Ч
7E
01111110
0 1 1 1 1 1 1 0
00001001
09
С
73
01110011
0 1 1 1 0 0 1 1
00000000
00
М
6D
01101101
0 1 1 0 1 1 0 1
00000101
05
И
69
01101001
0 1 1 0 1 0 0 1
00000100
04
Т
74
01110100
0 1 1 1 0 1 0 0
00000010
02
Ь
78
01111000
0 1 1 1 1 0 0 0
00010000
10
SP
20
00100000
0 0 1 0 0 0 0 0
00000000
00
Л
6C
01101100
0 1 1 0 1 1 0 0
00000100
04
Д
64
01100100
0 1 1 0 0 1 0 0
00000100
04
Ж
76
01110110
0 1 1 1 0 1 1 0
00010111
07
Э
7C
01111100
0 1 1 1 1 1 0 0
00001000
10
Б
62
01100010
0 1 1 0 0 0 1 0
001010000
10
Ю
60
01100000
0 1 1 0 0 0 0 0
00011100
1С
Код символа в форме для непосредственного вывода на индикатор занимает 1 адрес.
Рассчитаем обьем ЗГ. Количество
используемых символов равно 17, т. е.
.
Один символ кодируется 1 байтом:
.
Тогда обьем ЗГ определится по формуле:

байт.
Рассчитаем блок индикации. Сигналы с выходов сканирования (S0-S3), которые являются выходами встроенного в микросхему счетчика, подадим на дешифратор, который будет осуществлять выборку индикаторов. Для дешифратора используем микросхему К155ИД3.
Микросхема К155ИД3 представляет собой высокоскоростной дешифратор – демультиплексор, преобразующий четырехразрядный двоичный код, поступающий на входы в сигнал логического нуля, появляющийся на одном из выходов. Дешифратор имеет элемент разрешения и переходит в активное состояние только тогда, когда на входах Е1 и Е2 присутствует сигнал уровня логического нуля (таблица 8). На вход Е1 подадим сигнал гашения BD с ПККИ. Это делается для того, чтобы в момент смены данных на индикаторе, он был выключен, иначе индикатор будет гореть постоянно, что затруднит читабельность выводимой информации.
К выходам дешифратора подключим инверторы, которые переводят выходной уровень сигналов с отрицательной логики в положительную. Для инверторов возьмем микросхему К555ЛН1, содержащую в себе шесть элементов "НЕ".
Далее сигналы выборки анодов подключим к блоку согласования выходных уровней микросхем с входными уровнями индикатора.
Таблица 8 - Таблица истинности дешифратора К155ИД3
|
E1 |
E2 |
DI0 |
DI1 |
DI2 |
DI3 |
DO0 |
DO1 |
DO2 |
DO3 |
DO4 |
DO5 |
DO6 |
DO7 |
DO8 |
DO9 |
DO10 |
DO11 |
DO12 |
DO13 |
DO14 |
DO15 |
|
1 |
X |
X |
X |
X |
X |
1 |
1 |
1 |
1 |
1 |
1 |
1 |
1 |
1 |
1 |
1 |
1 |
1 |
1 |
1 |
1 |
|
X |
1 |
X |
X |
X |
X |
1 |
1 |
1 |
1 |
1 |
1 |
1 |
1 |
1 |
1 |
1 |
1 |
1 |
1 |
1 |
1 |
|
0 |
0 |
0 |
0 |
0 |
0 |
0 |
1 |
1 |
1 |
1 |
1 |
1 |
1 |
1 |
1 |
1 |
1 |
1 |
1 |
1 |
1 |
|
0 |
0 |
0 |
0 |
0 |
1 |
1 |
0 |
1 |
1 |
1 |
1 |
1 |
1 |
1 |
1 |
1 |
1 |
1 |
1 |
1 |
1 |
|
0 |
0 |
0 |
0 |
1 |
0 |
1 |
1 |
0 |
1 |
1 |
1 |
1 |
1 |
1 |
1 |
1 |
1 |
1 |
1 |
1 |
1 |
|
0 |
0 |
0 |
0 |
1 |
1 |
1 |
1 |
1 |
0 |
1 |
1 |
1 |
1 |
1 |
1 |
1 |
1 |
1 |
1 |
1 |
1 |
|
0 |
0 |
0 |
1 |
0 |
0 |
1 |
1 |
1 |
1 |
0 |
1 |
1 |
1 |
1 |
1 |
1 |
1 |
1 |
1 |
1 |
1 |
|
0 |
0 |
0 |
1 |
0 |
1 |
1 |
1 |
1 |
1 |
1 |
0 |
1 |
1 |
1 |
1 |
1 |
1 |
1 |
1 |
1 |
1 |
|
0 |
0 |
0 |
1 |
1 |
0 |
1 |
1 |
1 |
1 |
1 |
1 |
0 |
1 |
1 |
1 |
1 |
1 |
1 |
1 |
1 |
1 |
|
0 |
0 |
0 |
1 |
1 |
1 |
1 |
1 |
1 |
1 |
1 |
1 |
1 |
0 |
1 |
1 |
1 |
1 |
1 |
1 |
1 |
1 |
|
0 |
0 |
1 |
0 |
0 |
0 |
1 |
1 |
1 |
1 |
1 |
1 |
1 |
1 |
0 |
1 |
1 |
1 |
1 |
1 |
1 |
1 |
|
0 |
0 |
1 |
0 |
0 |
1 |
1 |
1 |
1 |
1 |
1 |
1 |
1 |
1 |
1 |
0 |
1 |
1 |
1 |
1 |
1 |
1 |
|
0 |
0 |
1 |
0 |
1 |
0 |
1 |
1 |
1 |
1 |
1 |
1 |
1 |
1 |
1 |
1 |
0 |
1 |
1 |
1 |
1 |
1 |
|
0 |
0 |
1 |
0 |
1 |
1 |
1 |
1 |
1 |
1 |
1 |
1 |
1 |
1 |
1 |
1 |
1 |
0 |
1 |
1 |
1 |
1 |
|
0 |
0 |
1 |
1 |
0 |
0 |
1 |
1 |
1 |
1 |
1 |
1 |
1 |
1 |
1 |
1 |
1 |
1 |
0 |
1 |
1 |
1 |
|
0 |
0 |
1 |
1 |
0 |
1 |
1 |
1 |
1 |
1 |
1 |
1 |
1 |
1 |
1 |
1 |
1 |
1 |
1 |
0 |
1 |
1 |
|
0 |
0 |
1 |
1 |
1 |
0 |
1 |
1 |
1 |
1 |
1 |
1 |
1 |
1 |
1 |
1 |
1 |
1 |
1 |
1 |
0 |
1 |
|
0 |
0 |
1 |
1 |
1 |
1 |
1 |
1 |
1 |
1 |
1 |
1 |
1 |
1 |
1 |
1 |
1 |
1 |
1 |
1 |
1 |
0 |
Рассчитаем БС2 на примере ключа Кл15 (рисунок 11) .

Рисунок 10 – Принципиальная схема ключей анодов сканирования.
Если с дешифратора подается напряжение высокого уровня, то транзистор оказывается запертым и на анод подается напряжение, близкое к 200 В и возникает разряд. Если же с дешифратора подается напряжение низкого уровня, то транзистор оказывается открыт, на анод подается напряжение, близкое к 0 В и разряд не возникает.
Выберем транзистор КТ809А, который предназначен для работы в выходных каскадах строчной развертки, в мощных импульсных усилителях и имеет следующие параметры:
- постоянный ток коллектора,
,
A 3
- постоянный ток базы,
,
А 1,5
- импульсный ток коллектора,
,
А 5
- постоянное напряжение эмиттер
– база,
,
В 4
- постоянное напряжение коллектор
– эмиттер,
,
В 400
- напряжение насыщения коллектор
– эмиттер,
,
В 0,6
- напряжение насыщения база –
эмиттер,
,
В 1,3
- постоянная рассеиваемая мощность
коллектора,
,
Вт 40
- статический коэффициент передачи
тока в схеме с ОЭ,
30
Примем, что ток базы транзистора равен 0,1 мА. Тогда ток коллектора определим по формуле:
,
мА.
Когда транзистор открыт, то ток коллектора равен:
,
Тогда:
.
Поскольку ток по системе индикации
не более 2,5 мА, примем
мА тогда:
мА.
Сопротивление R42 определится по формуле:
,
Ом.
Выберем стандартное значение
кОм.
Мощность рассеяния сопротивления R42 определим по формуле ( 4 ) :
Вт.
Рассчитаем сопротивление резистора базы R41, учитывая, что через него протекает ток базы только одного транзистора, потому что ключи работают попеременно. Сопротивление можно подсчитать по формуле:
,
Ом.
Выберем стандартное значение
кОм.
Мощность рассеяния сопротивления R41 определим по формуле ( 4 ) :
мВт.
Поскольку в каждый момент времени открыт только один транзистор, то ток потребления будет равен :
,
мА.
Произведем расчет БС1 на примере ключа Кл1 (рисунок 12).
Рисунок 12 – Принципиальная схема ключа катода индикации
Схема работает следующим образом. Если знакогенератор в данном такте выдает информацию, то на его выходе устанавливается высокий уровень напряжения, которое подается на базу транзистора VT1. Тогда транзистор VT1 открывается, и делитель напряжения R7–R8 устанавливает на эмитттере VT2 напряжение 30 В и возникает разряд. Если знакогенератор не выдает информацию, то на его выходе появится напряжение низкого уровня и транзистор VT1 закроется. Тогда на эмиттере VT2 появится напряжение 195 В и разряд не возникает.
Выберем для ключей транзисторы КТ809А.
Рассмотрим случай, когда на эмиттере VT2 будет напряжение 195 В, т. е. транзистор VT1 закрыт.
Учитывая, что ток по системе
индикации составляет
мА и
,
получим:
,
т. е.:
мА.
Тогда ток базы транзистора VT2 будет равен:
,
мкА.
Примем ток через резистор R9
равным

Тогда:
мкА.
Ток через резистор R7 равен:
.
мкА.
Определим потенциал базы транзистора:
.
Для того чтобы обеспечить ток
базы транзистора
мкА, необходимо приложить напряжение
В.
Тогда:
В.
Тогда R7 определим по формуле:
,
Ом.
Выберем стандартное значение
кОм.
Мощность рассеяния сопротивления R7 определим по формуле ( 4 ) :
мкВт.
Сопротивление R9 можно рассчитать по формуле:
,
Ом.
Выберем стандартное значение
кОм.
Мощность рассеяния сопротивления R9 определим по формуле ( 4 ) :
мкВт.
Сопротивление коллектора R10 рассчитаем по формуле:
,
Ом.
Выберем стандартное значение
кОм.
Мощность рассеяния сопротивления R10 определим по формуле ( 4 ) :
мВт.
Теперь рассмотрим случай, когда на эмиттере VT2 будет напряжение 30 В, т. е. транзистор VT1 открыт.
Тогда на базе транзистора VT2 будет напряжение:
В.
Ток через резистор R7 определим по формуле:
,
мА.
Ток коллектора транзистора VT1 равен:
,
мА.
Сопротивление R8 будет равно:
,
Ом.
Выберем стандартное значение
кОм.
Мощность рассеяния сопротивления R8 определим по формуле ( 4 ) :
мВт.
Ток базы транзистора будет равен:
,
мкА.
Для того, чтобы обеспечить ток
базы транзистора
мкА, необходимо приложить напряжение
В.
Поскольку выходное напряжение
высокого уровня с логического элемента
равно
В, то для согласования уровней требуется
сопротивление R6:
,
Ом.
Выберем стандартное значение
кОм.
Мощность рассеяния сопротивления R6 определим по формуле ( 4 ) :
мкВт.
Информационные выходы ПЗУ подключим к блоку согласования уровней, а блок согласования к катодам индикаторов. Индикаторы подключим следующим образом: все катоды однотипных сегментов соединим параллельно и подключим к ПЗУ знакогенератора через блок согласования БС1, аноды подключим к дешифратору и блоку согласования БС2.
Рассчитаем частоту отображения информации. Поскольку для сканирования индикаторов используется дешифратор К155ИД3, который производит поочередную активацию всех своих 16 выходов, то частота сканирования составит:
,
где K>ДШ> – количество выходов дешифратора; K>ДШ>=16.
Гц.
Полученная частота выше частоты критического мелькания, равного 50 Гц, поэтому формируемое изображение будет восприниматься как непрерывно светящееся.
Рассчитаем максимальный ток потребления одного индикатора и всей панели в целом.
Максимальный ток потребления индикатора будет в режиме, когда подключены все сегменты,
Ток через индикатор будет равен сумме токов всех семи сегментов:
,
А.
Максимальный ток потребления всей панели будет в режиме, когда все индикаторы одновременно отображают цифру "8":
,
где N>инд> – количество индикаторов в панели, N>инд>=14.
Тогда:
А,
Произведем выбор разьемов. Выберем разьемы типа РП – 15. Это комбинированный соединитель для обьемного монтажа для работы в электрических цепях постоянного, переменного и импульсного токов с частотой до 3 МГц и в радиочастотных электрических цепях с частотой до 10 ГГц. Он имеет следующие характеристики:
- вид контактов гнездо
- рабочее напряжение, 0,001 – 400
- ток на контакт, А 10-6 – 5
- сопротивление электрического контакта, Ом 0,004
- сопротивление изоляции, МОм 5000
- гарантийная наработка при числе сочленений 500, ч 10000
Для помехоустойчивости системы низкочастотные помехи по цепи питания необходимо блокировать конденсатором суммарной емкостью из расчета 0,1 мкФ на каждую микросхему, включенным между шинами питания и общим проводом, непосредственно в начале шин питания. Всего в системе 14 микросхем, поэтому низкочастотные помехи по цепи питания необходимо блокировать конденсатором емкостью более 1,4 мкФ. Высокочастотные помехи необходимо блокировать конденсатором емкостью 0,015 – 0,022 мкФ, включенным между шинами питания и общим проводом.
Заключение
Результатом курсового проекта стало спроектированное устройство (система отображение информации с программным управлением на базе микропроцессора КР580ВМ80). Использование МП-техники не только унифицирует электронные устройства отображения информации и уменьшает число компонентов на плате, но сокращает срок разработки и расширяет функции, выполняемые устройством, вплоть до создания "интеллектуальных" дисплеев, способных обрабатывать тексты, т.е. осуществлять техническое редактирование, сдвиг по горизонтали или вертикали, подчеркивание слов или фраз, раздвижку и т.п.
Был произведен расчет всех элементов и блоков системы, которые в свою очередь были спроектированы и описаны в настоящей пояснительной записке.
После проектирования произведен детальный анализ работы ПККИ в результате которого были выявлены индивидуальные особенности функционирования, на базе которых и основывается программное обеспечение микропроцессорной системы, алгоритм которого приводится в пояснительной записке.
Курсовой проект же в свою очередь стал результатом того, что как специалисты мы получили обширные навыки в проектировании систем отображения, после которого без особого труда встретив любую СОИ (на любом индикаторе) мы можем представить (примерно) схему системы и основные принципы ее функционирования.
Список использованных источников
1. А.Г. Алексеенко. Проектирование радио-электронной аппаратуры на
микропроцессорах. - 2 изд., перер. и доп -Л.: Энергоатомиэдат 1984, 272 с.
2. В.Л.Шило. Популярные цифровые микросхемы: Справочник, М- 1989,352с
3. Микропроцессоры и микропроцессорные комплекты интегральных
микросхем: Справочник/В.-В. Б. Абрайтис, Н.Н. Аверьянов, А. И. Велоус и др.; Под ред. В.А. Шахнова. - М.: Радио и связь 1988. - Т. 1-2
Резисторы, конденсаторы коммутационные изделия: Справочник/ Галкин А.
С, Прохоренко Б.Г - Л. .:Энергоатомиэдат 1989, - 286 с.
А.В. Нефедов. Интегральные микросхемы и их зарубежные аналоги:
Справочник Т.5, Т.З, Т.2,-Москва 1997.- 608с.
Приложение
-
Обозн.
Наименование
К-во
Примечание
Конденсаторы
C1
К 10 - 17 25В - 0,82 пкФ +5%
1
C2-C4
К 10 - 17 25В - 0,022 мкФ +5%
3
C5
К 10 - 17 25В - 1,5 мкФ +5%
1
Резисторы
R1-R5
МЛТ – 0,125 – 1К +5%
5
R6,R11,R16,R21,R26,R31,R36,R41,R46,R51,R56,R61,R66,R71
МЛТ – 0,125 – 43К +5%
14
R7,R12,R17,R22,R27,R32,R37,R42,R47,R52,R57,R62,R67,R72
МЛТ – 0,25 – 120К +5%
14
R8,R13,R18,R23,R28,R33,R38,R43,R48,R53,R58,R63,R68,R73
МЛТ – 0,125 – 22К +5%
14
R9,R14,R19,R24,R29,R34,R39,R44,R49,R54,R59,R64,R69,R74
МЛТ – 0,125 – 220К +5%
14
R10,R15,R20,R25,R30,R35,R40,R45,R50,R55,R60,R65,R70,R75
МЛТ – 0,125 – 4,7К +5%
14
R76-R90
МЛТ – 0,5 – 100К +5%
14
R91
МЛТ – 0,125 – 36К +5%
1
-
Диоды
VD1
2Д509А
1
Транзисторы
VT1-VT42
КТ809А
42
Микросхемы
DD1
КР580ГФ24
1
DD2
КР580ВМ80А
1
DD3
КР580ВК28
1
DD4, DD5
КР580ВА86
2
DD6, DD14, DD15
К573РФ2
3
DD7
К537РУ8А
1
DD8
КР580ВВ79
1
DD9
К555ИД7
1
DD10
К155ИД3
1
DD11
К555ЛН1
1
DD12
К555ЛИ3
1
DD13
К155ЛА4
1
Кварцевый резонатор
ZQ
РВ-11
1
Кнопки
SB1--SB48
КН-1
48
Индикатор
HG1-HG14
ИН-23
14