Многоканальная система передачи информации (работа 2)
Государственное образовательное учреждение
высшего профессионального образования
«Томский государственный университет систем управления и радиоэлектроники»
КУРСОВАЯ РАБОТА
Тема: «Многоканальная система передачи информации»
Предмет: «Электросвязь»
г. Томск– 2010 г.
СОДЕРЖАНИЕ
1. Исходные данные и разрабатываемые вопросы
1.1 исходные данные
1.2 вопросы, подлежащие разработке
2. Назначение и возможное применение СПДИ
3. Определение возможности работы разрабатываемой СПДИ по аналоговому каналу связи
3.1 расчет показателей суммарной информационной производительности СПДИ I>C> и пропускной способности аналогового канала связи с>к>
3.1.1 Расчет показателей информационной производительности СПДИ
3.1.2 Расчет показателей пропускной способности канала связи
3.2 Расчет показателей объема сигнала v>c> СПДИ и объема канала связи
3.3 оценка возможности использования заданного аналогового канала электросвязи
4. Защита от ошибок. Помехоустойчивое (канальное) кодирование
4.1 определение оптимальных параметров помехоустойчивого кодирования
4.2 определение эффективной скорости приема сигналов данных и оптимальной длины передаваемых слов
5. Определение вида синхронизации, используемой в разрабатываемой спди
6. Определение параметров временного уплотнения абонентских сигналов в различных условиях
6.1 Определение параметров временного объединения/разделения абонентских сигналов без применения помехоустойчивого кодирования
6.2 Определение параметров временного объединения/разделения абонентских сигналов с применением помехоустойчивого кодирования
7. Выбор схемы приемника СПДИ
8. Расчет вероятности ошибки на выходе приемника и битовой вероятности ошибки на входе и выходе декодера канала передачи данных и канала переспроса
8.1 расчет вероятности ошибки на выходе приемника и битовой вероятности ошибки на входе и выходе декодера дискретного канала передачи данных
8.2 расчет вероятности ошибки на выходе приемника и битовой вероятности ошибки на входе и выходе декодера канала переспроса
9. Способы сопряжения разрабатываемой СПДИ со стандартной аппаратурой частотного уплотнения каналов тональной частоты
10. Функциональная схема передающего и приемного оборудования СПДИ
Заключение
Список использованной литературы
1. Исходные данные и РАЗРАБАТЫВАЕМЫЕ вопросы
1.1 Исходные данные
Разработать многоканальную когерентную систему передачи дискретной информации (СПДИ), предназначенную для передачи цифровых сигналов от М однотипных источников информации по одному или нескольким арендуемым стандартным аналоговым каналам.
Технические характеристики и параметры разрабатываемой системы:
число абонентских каналов М=80;
длина двоичной кодовой комбинации (слова) на входе канала К>с>=10,бит;
средняя скорость на входе канала V>c>=10 слов\с;
тип корректирующего кода Цикл-3
тип манипуляции - ФМн
способ уплотнения каналов - Врем
суммарная средняя мощность сигналов на входе приёмника в прямом канале Р=2,148·10-7,Вт;
спектральная плотность мощности аддитивного белого шума на входах приёмников прямого и обратного каналов N>0>=4,001·10-11 Вт\Гц
суммарная средняя мощность сигналов на входе приёмника в каналах переспроса Р>обр>=8,951·10-8Вт
Вопросы, подлежащие разработке
Выбор численных значений параметров корректирующего кода, при которых обеспечивается минимальная битовая вероятность ошибки на выходе декодера;
разработка детальной функциональной схемы кодера и декодера заданного корректирующего кода либо составление программы кодирования и декодирования для персонального компьютера (по выбору студента);
вычисление вероятности ошибки при приёме кодового слова и битовой вероятности ошибки а выходе декодера;
оценка частоты появления ошибок и заключение о ее соответствии назначению системы;
выбор способов введения и численных значений параметров синхронизации;
выбор методов селекции синхросигналов в приёмном устройстве;
выбор численных значений параметров модуляции в первой и, в случае необходимости, последующих ступенях уплотнения;
расчет значений всех временных интервалов, определяющих структуру цифровых каналов и (при временном уплотнении каналов) группового сигналов;
расчет полос частот, необходимых для передачи каждого из канальных сигналов с учетом полосы обратного канала, полосы группового сигнала и сигнала (сигналов) на выходе системы;
разработка способа сопряжения системы с аналоговой аппаратурой частотного уплотнения телефонных каналов для передачи групповых сигналов по одному или нескольким арендуемым стандартным трактам;
разработка функциональной схемы системы в целом для передачи в одном направлении.
2. Назначение И ВОЗМОЖНОЕ ПРИМЕНЕНИЕ СПДИ
В настоящее время системы передачи дискретной информации (СПДИ) становятся все более привлекательными вследствие постоянно растущего спроса из-за того, что дискретная передача предлагает несравненно большие возможности обработки информации, не доступные при использовании аналоговой передачи. Отличительным преимуществом всех СПДИ является простота восстановления дискретных сигналов по сравнению с аналоговыми системами.
В работе рассмотрен частный случай СПДИ – система связи с применением цифровых (бинарных) сигналов.
Предположительно, разрабатываемая система связи может найти применение для передачи низкоскоростных потоков данных, таких как телеграфные сигналы со скоростью до 100 бит в секунду (с учетом использования дополнительных преобразований), сигналы телесигнализации от М источников информации, а также, факсимильных сообщений путем предварительного объединения индивидуальных сигналов.
Разрабатываемая СПДИ будет иметь следующий вид, представленный на рис. 2.1:

Рис.2.1 Общая схема СПДИ.
Источники дискретных сообщений (М=80);
Устройство объединения (мультиплексор) – устройство, в котором сообщения источников объединяются в групповой видеосигнал;
Кодер канала– устройство, в котором групповая последовательность элементов сообщений источников заменяется последовательностью кодовых символов, т.е. производится помехоустойчивое кодирование;
Передатчик (модулятор) – устройство в котором групповой сигнал преобразуется во вторичный (высокочастотный) сигнал пригодный для передачи по используемому каналу;
Прямой канал связи;
Приемник (демодулятор) – обрабатывает принятое ВЧ-колебание и восстанавливает переданное дискретное сообщение;
Декодер – устройство, в котором происходит декодирование принятого группового дискретного сообщения;
Устройство разуплотнения (демультиплексор) – устройство, в котором групповой видеосигнал разъединяется на исходные сообщения источников дискретной информации
Получатели сообщения;
Обратный канал связи (канал переспроса).
3. Определение возможности работы разрабатываемой СПДИ по аналоговому каналу связи
Расчет разрабатываемой СПДИ необходимо начать с определения возможности работы этой системы по заданному аналоговому каналу связи. Для этого необходимо рассчитать показатели суммарной информационной производительности всей СПДИ I>c> и пропускной способности аналогового канала связи С>к>. А также определить объем канального сигнала V>c> СПДИ и объем канала связи V>k>. На основании сравнения численных значений I>c> с С>к>, и V>c>> >и V>k>> >сделать вывод о способности функционирования разрабатываемой СПДИ по заданному каналу связи.
3.1 Расчет показателей суммарной информационной производительности СПДИ I>c> и пропускной способности аналогового канала связи С>к>
3.1.1 Расчет показателей информационной производительности СПДИ
Производительность источника сообщений определяется количеством передаваемой информации за единицу времени.
В соответствии с исходными данными, производительность одного источника Ic>i> без применения помехоустойчивого кодирования будет определена по формуле:
(3.1)
Тогда суммарная производительность СПДИ будет определена:
(3.2)
При введении помехоустойчивого кодирования кодом Хэмминга вида (15,11), получим производительность одного источника информации:
(3.3)
А суммарная производительность СПДИ будет иметь значение:
(3.4)
Количество информации I>ci>> >- это логарифмическая функция вероятности logр>i>, где р>i>> >- вероятность возникновения сообщения источника М из ансамбля L. Тогда
I>ci>= -log>2> р>i>=log>2>(1/ р>i>). (3.3)
Иначе производительность источника дискретной информации можно определить как:
(3.4)
где Т>п>>i>> >- длительность элементарной посылки; F>t>> >– частота следования посылок (тактовая частота), L – количество разрешенных состояний (в нашем случае L=2, т.е.сигнал может принимать только два значения), Н>ci> - энтропия источника сообщения
Вероятность р>i>>
>в нашем случае для всех
сообщений М-источников одинакова р>i>=0.5,
тогда
и
.
Следовательно, энтропия каждого из М источников составит:
(3.5)
Подставив значения L и р>i> в формулу (3.4), получим что
(3.6)
Таким образом,
-
тактовая частота М-источника информации,
- длительность посылки сигнала М-источника
информации.
Следовательно, суммарная
тактовая частота канального сигнала
СПДИ будет равна:
,
а длительность посылки канального
сигнала (видеоимпульса) СПДИ составит
.
Суммарная энтропия СПДИ составит:
и будет равна энтропии каждого из источников.
3.1.2 Расчет показателей пропускной способности аналогового канала связи С>к>
К типовым стандартным аналоговым каналам связи относят канал тональной частоты (КТЧ). Канал тональной частоты (КТЧ) характеризуется следующими интересующими нас параметрами:
- полоса частот F>кн>=0.3 (кГц); F>кв>=3.4 (кГц); ∆F>к>=3.1 (кГц).
Пропускная способность КТЧ определяется формулой Шеннона:
(3.7)
где Р>с>
– средняя мощность сигнала на входе
приемника канала. По условию работы
.
Р>п>
– средняя мощность помехи (шума) на
входе приемника канала, определяемая
по формуле:
(3.8)
где
- доступная полоса пропускания приемника,
-
длительность посылки группового
канального сигнала, Р>0>=4,001·10-11
(Вт)-
спектральная плотность мощности
аддитивного БГШ на входе приемника СПДИ
(согласно исходных данных), то таким
образом:
- не зависит от типа канала связи и
определяется исключительно параметрами
приемного устройства.
Однако не следует путать среднюю мощность помехи (шума) на входе приемника системы Р>п>> >и среднюю мощность помехи в полосе частот сигнала равную:
.
Пропускная способность канала тональной частоты (КТЧ) рассматриваемой системы без учета помехоустойчивого кодирования кодом Хэмминга и введения сигналов синхронизации составит:
(3.9)
Пропускная способность
типового канала тональной частоты (КТЧ)
рассчитывается также по формуле (3.7) и
имеет нормированную величину:
,
что практически более чем в 1.6 раза
превышает пропускную способность
рассчитанного канала связи
С>к>.
Это является следствием
того, что мощность шума в рассчитываемом
КТЧ превышает мощность полезного сигнала
по величине примерно на 20 (дБ), а в
нормированном КТЧ выполняется условие
=40-45
(дБ).
Полученные результаты
расчета свидетельствуют, что суммарная
производительность СПДИ без учета
помехоустойчивого кодирования в 1.93
раза меньше пропускной способности
аналогового канала тональной частоты:
,
а с учетом помехоустойчивого кодирования
кодом Хэмминга значение
.
Таким образом, для рассчитываемой СПДИ рассмотренный КТЧ может быть использован в качестве среды передачи группового канального сигнала как при введении помехоустойчивого кодирования, так и без него.
3.2 Расчет показателей объема сигнала V>c> СПДИ и объема канала связи V>k>
При оценке возможности использования канала электросвязи для передачи того или иного сигнала удобно наряду со сравнением информационной производительности и пропускной способности канала сравнивать объем канала Vк с объемом сигнала Vс, определяемые соответственно выражениями:
Vк=Θк·>∆>Fк·Dк (3.10)
Vс=Θс·>∆>Fc·Dс (3.11)
где Θк, Θс – время занятия канала, время передачи сигнала соответственно; Dк, Dс – динамический диапазон канала и сигнала соответственно; >∆>Fк,>∆>Fc - полоса пропускания канала и ширина полезного сигнала соответственно.
Условием возможности использования данного типа канала электросвязи для передачи того или иного сигнала является неравенство вида:
(3.12)
На практике используют частные случаи неравенства (12)
;
;
;
Проведем расчет составляющих параметров Vс и Vк:
1. В нашем случае, СПДИ
будет предоставлять ресурс канала связи
каждому из М источников информации на
все время передачи цифровой информации
источником Θс,
иными словами на время передачи кодового
слова (временного интервала) Т>сл>=0.1(с).
В свою очередь, время занятия канала ТЧ
Θ>к>
численно равно длительности кадра
системы Т>к>=8(с),
поэтому т.к. Тк>Тсл,
следовательно, неравенство
будет
выполняться.
2. В разрабатываемой
системе, полоса частот канала ТЧ
предоставляется
на время Т>ви>
=Т>сл>
каждому конкретному
источнику информации.
Ширина полезного сигнала
∆Fс
численно равна ширине импульса группового
радиосигнала СПДИ и будет иметь значение
.
Причем, энергетический спектр такого
сигнала будет иметь значение
,
в следствие чего, основная энергия
сигнала будет расположена в полосе
частот канала ТЧ. Учитывая, что
,
информационный сигнал удовлетворяет
неравенству
.
3. Динамический диапазон
СПДИ будет определятся нормированным
динамическим диапазоном канала тональной
частоты
,
поэтому в нашем случае условимся, что
динамический диапазон группового
сигнала будет выбран при проектировании
СПДИ меньше значения 42-45(дБ), иными
словами
.
В связи с тем, что
,
можно сделать однозначный вывод, что
КТЧ, удовлетворяющий исходным данным,
подходит для передачи сигналов
разрабатываемой СПДИ.
3.3 Оценка возможности использования заданного аналогового канала электросвязи
Необходимо отметить, что
для рассматриваемой СПДИ выполняются
необходимые условия функционирования
многоканальной системы электросвязи,
а именно
и
.
Целесообразно запас
рассматриваемого канала связи по
пропускной способности С>к>>I>с>>
>=1.93 раза (без применения
кодирования) и
(с применением кодирования) использовать
для введения дополнительных мер
повышающих помехоустойчивость системы
связи в целом, а также сигналов
синхронизации.
4. Защита от ошибок. Помехоустойчивое (канальное) кодирование
4.1 Определение оптимальных параметров помехоустойчивого кодирования
Необходимо отметить, существует два основных метода защиты от ошибок передаваемых сигналов: 1 - обнаружение ошибок и повторная передача ошибочной последовательности, 2 – обнаружение ошибок и их исправление в приемном устройстве. Примем, что в рассматриваемой СПДИ применяется первый метод защиты от ошибок, при котором для проверки наличия ошибок используется контрольный бит четности (дополнительный бит, присоединяемый к данным). При этом приемное устройство не предпринимает попыток исправить обнаруженную ошибку, оно просто посылает запрос на повторную передачу данных. Для осуществления такого исправления ошибок рассматриваемая СПДИ имеет канал переспроса и в целом является полудуплексной системой, т.е. передача полезной информации от М источников производится только в одном направлении, в обратном же направлении передаются автоматические запросы на повторную передачу ошибочных сообщений. Причем передающее устройство перед началом очередной передачи ожидает подтверждения об успешном приеме.
Помехоустойчивое (или канальное) кодирование представляет собой класс преобразований канального видеосигнала для повышения качества связи, в результате которых информационный сигнал становится менее уязвимым к помехам. Существует условно два способа канального кодирования: кодирование самого сигнала, (когда в передающей части СПДИ производятся ряд процессов над формой передаваемого сигнала), и метод структурированных последовательностей (когда в цифровой сигнал вводится по определенному закону информационная избыточность, которая и служит для определения ошибок на приемной стороне).
Рассмотрим только второй способ канального кодирования, который нашел применение в исследуемой СПДИ. Заметим, что помехоустойчивое кодирование делится на три подкатегории помехоустойчивых кодов: блочные, сверточные и турбокоды.
В нашем случае для сравнения характеристик помехоустойчивого кодирования рассмотрим варианты блочного линейного корректирующего кодирования кодами Хэмминга.
При использовании блочных кодов исходные данные делятся на блоки (слова) Кс из к бит, которые называют битами сообщения. В нашем случае длина слова Кс=10 бит. В процессе помехоустойчивого кодирования каждый Кс блок данных преобразуется в больший блок из n бит, который называется кодовым словом, или канальным символом Кк. К каждому слову кодирующее устройство прибавляет r = (n-k) проверочных бит, которые также называются избыточными битами, или битами четности, и новой информации не несут.
Необходимо, исходя из разницы между пропускной способностью аналогового канала связи Ск и информационной производительностью СПДИ Ic, определить все необходимые числовые значения параметров заданного помехоустойчивого кода и выбрать наиболее оптимальные из них. Для этого воспользуемся методикой расчета параметров кода Хэмминга, приведенной в источнике [7].
Коды Хэмминга – это простой класс блочных кодов, которые имеют следующую структуру:
(4.1)
где
- основание блочного кода.
Рассмотрим случаи, когда основание кода m=2,3,4…, и определим оптимальные параметры кода.
Из формулы (4.1) вычислим: значения n и к. Где n – число бит кодового слова; к - число информационных бит.
Тогда число проверочных бит кода:
(4.2)
Избыточность кода составит:
(4.3)
Степень кодирования информации, показывающая долю кода, приходящуюся на полезную информацию:
(4.4)
т.е. каждый кодовый бит несет k/n бит информации.
Минимальное расстояние кодов Хэмминга d>min> равно 3, поэтому, способность кода к исправлению ошибок t и возможность определения наличия ошибки e будут определяться соответствующими выражениями:
(4.5)
(4.6)
Так как
,
то эти коды способны исправлять все
однобитовые ошибки, или определять все
модели ошибки из двух или меньшего числа
ошибок в блоке (слове), т.к.
.
Вероятность появления битовой ошибки при кодировании кодами Хэмминга Р>b>>кх >в нашем случае можно записать в следующем виде:
>
>(4.7)
где j - кратность ошибки, а именно количество неверно принятых символов в блоке (слове); р>кс> – вероятность ошибочного приема канального символа (кодового слова) К>к>. В частности, для кодов Хэмминга вместо уравнения (4.7) можно использовать другое эквивалентное уравнение:
(4.8)
Для описания гауссовского канала с использованием когерентной бинарной фазовой манипуляции, вероятность ошибочного приема канального символа (кодового слова) можно выразить через соотношение:
(4.9)
Здесь Q()
– Гауссов интеграл ошибок, значения
которого приведены в [3,стр.1060];
- отношение энергии кодового символа к
спектральной плотности мощности помехи.
Чтобы связать
с
- отношение энергии одного бита сигнала
к спектральной плотности мощности
помехи на входе приемника, используем
следующее выражение:
(4.10)
Для кодов Хэмминга уравнение (4.10) примет вид:
(4.11)
Среднее время безошибочной работы в одном телеметрическом канале (канале источника сообщения) Θ>бр>>i>> >(без учета помехоустойчивого кодирования) определяется выражением:
(4.12)
где
- битовая вероятность появления ошибки
на выходе декодера (без учета
помехоустойчивого кодирования), выражение
для нахождения численного значения
которой будет рассмотрено ниже,
- производительность источника информации.
Среднее время безошибочной работы в групповом канале передачи данных Θ>бр>> >(без учета помехоустойчивого кодирования) определяется выражением:
(4.13)
где
- производительность СПДИ информации.
Таким образом, согласно вышеизложенной методики, рассчитаем параметры помехоустойчивого кодирования при различных значениях основания кода m.
Для m=2:

;
;
;
Согласно формулы (4.11) получим:

при значении
(рассчитанном в п.8.1).
Тогда
из [3,стр.1060]



Для m=3:

;
;
;
,
где





Для m=4:

;
;






Как показали расчеты вероятность появления битовой ошибки при кодировании кодами Хэмминга Р>b>>кх >тем меньше, чем больше основание кода m, т.е. чем большее количество проверочных символов вводится в информационный сигнал.
Рассчитаем, оптимальные
параметры кода Хэмминга (с точки зрения
обеспечения СПДИ наименьшей вероятностью
Р>b>>кх>).
С этой целью рассчитаем количество
контрольных бит r,
которое можно ввести в систему, исходя
из того, что при расчетах пропускной
способности канала связи (КТЧ) и
информационной производительности
СПДИ было получено соотношение
или иначе
(4.14)
Как было рассчитано ранее в (3.9):

Подставим в предыдущее выражение вместо С>к> значение ∆С>к >

Выразим и рассчитаем
-
эквивалентную ширину полосы пропускания.
Используя последнюю формулу, выразим r! – количество бит четности, которые можно ввести в кодовое слово в передаваемом сигнале (исходя из условия, что пропускная способность канала ТЧ – главный сдерживающий фактор увеличения возможного числа проверочных бит и как следствие этому - повышения помехоустойчивости системы):
.
где T>б >– длина одного тактового импульса.
Таким образом, в заданных
условиях функционирования СПДИ,
оптимальным количеством проверочных
битов на каждый блок исходного сообщения
кода Хэмминга, при котором вероятность
появления битовой ошибки Pb>кх>
будет минимальной
,
а среднее время безошибочной работы
М-го канала телеметрии будет максимальным
станет
равным r!=r=5.
В связи с этим, так как по условию к=10
(бит), то n=k+r=15
(бит). Код Хэмминга в этом
случае будет иметь вид, показанный для
m=4,
а именно
,
причем 1 бит из k
бит кодового слова имеет смысл маркера
кадра системы синхронизации, которая
будет рассмотрена ниже.
Помехоустойчивое
кодирование кодами Хэмминга, как показали
расчеты, приводит к необходимости
решения компромисса в СПДИ: кодирование
с коррекцией ошибок требует избыточности,
следовательно, увеличения скорости
передачи информации и конечно увеличения
полосы пропускания системы. Иными
словами, в нашем случае, при кодировании
кодом Хэмминга с параметрами (15,11)
помехоустойчивость СПДИ увеличилась
в 1.25 раза, т.е.
,
производительность СПДИ I>c>
увеличилась примерно в 1.93 раза и стала
сопоставима с пропускной способностью
канала ТЧ, т.е.
.
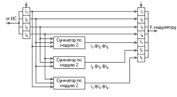
Схема кодера, удовлетворяющего условию (15,11) приведена на рис.4.1

Рис.4.1 Схема кодера, удовлетворяющего условию (15,11).
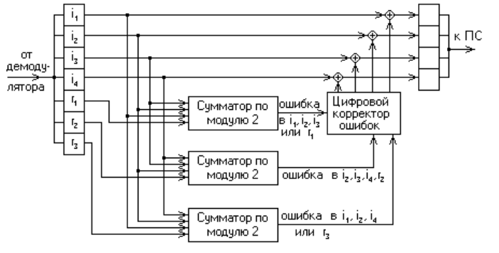
Схема декодера, удовлетворяющего условию (15,11) приведена на рис.4.2

Рис.4.2 Схема декодера, удовлетворяющего условию (15,11).
4.2 Определение эффективной скорости приема сигналов данных и оптимальной длины передаваемых слов
Для обеспечения заданной достоверности при передаче данных наряду с помехоустойчивым кодированием применяют обратные связи, использование которых также приводит к появлению избыточности и, следовательно, к уменьшению скорости передачи данных.
Эффективная скорость I>эф>>i>> >источника информации (или всей СПДИ I>эфСПДИ>)> >показывает,> >как изменится скорость передачи исходного сообщения источника (группового сигнала системы) в канале связи, и зависит от состояния канала связи, оптимальной длины передаваемых слов, числа служебных разрядов, а также типа обратной связи. Как уже было сказано, в канале переспроса рассматриваемой СПДИ действует решающая обратная связь в виде однобитовых посылок импульсов. Поэтому выражение для I>эф>>i>> >будет иметь вид:
(4.15)
Для кода Хэмминга вида (15,11) составляющие выражения (4.15) будут иметь значения: n>сл> =15-1=14 (бит) – разница между общим числом бит слова прямого канала и канала переспроса (n>кп>=1); к=10 (бит) и r=5 (бит); Ii – информационная производительность источника информации, Р>b>>пк>– битовая вероятность ошибки в канале при применении кода (15,11), вероятность ошибки в принятом слове Р>сл>.
(4.16)
При этом необходимо
учитывать время распространения сигналов
по каналу t>p>.
Примем
- для стандартного КТЧ все параметры
нормируются к длине канала l=1000
(км); с
– скорость распространения радиоволны.
Таким образом, рассчитаем
:

Эффективная скорость приема сообщений всей СПДИ будет рассчитываться как сумма эффективных скоростей приема сообщений источников:
(4.17)
Следовательно:

Расчеты показали, что в процессе функционирования СПДИ в рассматриваемых условиях, эффективная скорость приема сообщения М-источника информации в приемнике, строго говоря, не равна информационной производительности самого источника информации, т.е.
,
такое же заключение можно сделать и для всей СПДИ, т.е.

Полученные значения
и
(при
заданных условиях) показывают, что
только на скорости передачи, не превышающей
25.5 (бит/с) сообщение
от источника информации
к получателю будет передано с предельной
достоверностью. И только на скорости,
не превышающей 2.04 (кбит/с)
информация в СПДИ будет передаваться
с предельной достоверностью.
Оптимальной длиной передаваемого слова Кс, как было отмечено, будет слово источника сообщения СПДИ, закодированное помехоустойчивым кодом Хэмминга с параметрами (15,11), при этом длина слова составит Кс=15 (бит).
5. Определение вида синхронизации, используемой в разрабатываемой СПДИ
Для цифровых систем передачи информации, к которым относится разрабатываемая СПДИ, обязательным процессом при передаче сигналов является наличие синхронизации. В нашем случае для организации когерентного приема фазоманипулированных сигналов, а также временного уплотнения/разуплотнения сигналов, поступающих от источников информации, необходимо наличие четырех составляющих процесса синхронизации цифровых сигналов, а именно:
тактовой (или фазовой)– для синхронизации фазы поступающей в приемник несущей и ее копии. Этот процесс называется фазовой автоподстройкой частоты (ФАПЧ), и характерен для когерентных СПДИ с бинарной фазовой манипуляцией. В результате ФАПЧ демодулятор приемника синхронизируется по частоте и фазе с несущей принятого сигнала.
канальной (или символьной) – для синхронизации моментов работы демодулятора приемника в соответствии с временными характеристиками несущей принятого сигнала, дискретно излучаемой передатчиком (т.е. синхронизация по битам (символам)).
кадровой – для синхронизации значимых моментов времени при временном способе уплотнения/ разделения каналов. Причем, на передаче - для уплотнения сигналов источников информации (канальных интервалов) в групповой цифровой сигнал (кадр), а на приеме – для разделения группового сигнала (кадра) на сигналы источников информации (временные канальные интервалы).
цикловой – для синхронизации значимых моментов времени при временном способе уплотнения/разделения кадров СПДИ. Причем, на передаче – для уплотнения кадров СПДИ в циклы системы, а на приеме – для разделения циклов СПДИ на кадры системы.
Рассмотрим подробнее эти составляющие процесса синхронизации, используемые в СПДИ. Для приемника когерентной бинарной фазовой манипуляции схема фазовой синхронизации будет иметь следующий вид, представленный на рис. 5.1

Рис.5.1 Схема фазовой (тактовой) синхронизации.
Контур ФАПЧ состоит из трех основных компонентов: детектора фазы (1), контурного фильтра (2) и генератора, управляемого напряжением (3).
Для любой СПДИ существуют
ошибки синхронизации фазы и частоты
принимаемого сигнала. Если контур не
способен отследить все фазовые ошибки,
то битовая вероятность ошибки будет
больше теоретически достижимой, в нашем
случае:

,
где β – ошибка
рассогласования принятого несущей и
опорного сигнала по фазе. В большинстве
случаев, принимают β=0.5,
тогда
,
при
(5.1)
Для оптимальной демодуляции приемник системы должен синхронизироваться со значащими моментами поступающих цифровых символов. В случае если, исходные данные группового информационного радиосигнала приемнику не известны (как в нашем случае), то в качестве системы канальной (символьной) синхронизации используются синхронизаторы без использования данных. Характерно, что, как и в случае фазовой синхронизации, появляется дополнительная ошибка приема значащих моментов сигнала. [3]
Выражение для битовой вероятности ошибки в этом случае будет иметь следующий вид:
при
(5.2)
Чтобы входной цифровой сигнал имел смысл для приемника, приемник должен синхронизироваться с кадровой структурой принимаемого сигнала. Самым простым методом, используемым для обеспечения кадровой синхронизации в системах непрерывного трафика данных (к которым относится разрабатываемая СПДИ), является введение маркера кадровой синхронизации. В нашем случае, в качестве маркера кадра будем использовать отдельный бит, периодически вводимый передатчиком в групповой поток данных (а именно в начало каждого кодового слова). Приемник должен знать период введения бита кадровой синхронизации Т>бк>, потому как именно в этот промежуток времени система кадровой синхронизации будет сопоставлять (коррелировать) приемный сигнал с эталонной последовательностью.
Для разрабатываемой системы период повторения маркера кадра Т>бк> будет равен длительности кодового слова Т>сл >(или временного интервала Т>ви>)

Для различения кадров (временных интервалов) СПДИ принимаемых в групповом сигнале приемником, передатчик излучает с периодичностью Т>бц> в канал связи маркер цикловой синхронизации (как простейший из вариантов реализации системы цикловой синхронизации). В нашем случае будем использовать отдельный бит, периодически вводимый передатчиком в групповой сигнал (в конце цикла, состоящего из 80 кадров).
Для разрабатываемой
системы период повторения маркера цикла
Т>бц>
будет равен длительности
цикла Т>ц>,
а именно:

Рассчитаем битовую вероятность ошибки для сигналов кадровой и цикловой синхронизации. Аналитические соотношения будут иметь вид:
для кадровой синхронизации:
(5.3)
(5.4)
где
;
- рассчитаны ранее;
- энергия одного бита сигнала кадровой
синхронизации,
-
энергия одного бита сигнала цикловой
синхронизации:
(5.5)
(5.6)
I>кКС
>- скорость передачи
маркеров кадровой синхронизации,
- скорость передачи маркеров цикловой
синхронизации.
(5.7)
Подставим в (5.3) значение, полученное в (5.7), получим:

Тогда

Для сигналов цикловой
синхронизации
,
тогда в выражение (5.6) подставим значение
.
Получим:
.
Тогда

Нарушение кадровой и цикловой синхронизации неминуемо приведет к срыву процесса передачи данных: приемник будет анализировать входящий сигнал до тех пор (при установленной тактовой и канальной синхронизации), пока не распознает маркерные биты кадровой и цикловой синхронизации.
6. Определение параметров временного УПЛОТНЕНИЯ абонентских СИГНАЛОВ В РАЗЛИЧНЫХ УСЛОВИЯХ
Ресурс связи СПДИ при
временном уплотнении/разуплотнении
распределяется между М источниками
цифровой информации путем предоставления
каждому из них всего спектра канала
связи в течение отрезка времени,
называемого временным интервалом Т>ви>.
В нашем случае длительность временного
интервала Т>ви>>
>будет равна
,
где Т>сл>
– длительность кодового слова (сообщения)
источника
,
таким образом, время передачи 1 бита
кодового слова Т>б>
равна 0.01(с). Временные интервалы в
устройстве объединения (мультиплексоре)
объединяются в цикл Т>Ц>,
длительность которого будет составлять
.
Иными словами за время 8с система
отработает цикл передачи/приема сообщений
М источников информации.
6.1 Определение параметров временного объединения/разделения абонентских сигналов без применения помехоустойчивого кодирования
Рассмотрим простейшую схему временного объединения/разделения с фиксированным распределением временных интервалов, иными словами поканальное объединение сигналов источников информации.
Схема временного объединения СПДИ (без учета помехоустойчивого кодирования) показана на рис. 6.1.

Рис. 6.1 Схема временного объединения СПДИ.
Условимся, что в групповой видеосигнал входит только информационная часть сообщений (временные интервалы источников информации).
Исходя из полученных результатов Т>б >, Т>сл> , Т>ви >, Т>к> определим остальные показатели системы. Количество передаваемой информации СПДИ за один временной интервал:
;
за один кадр
.
Частотно-временные показатели сигналов СПДИ в целом составят значения: для прямого канала:
- длительность видеоимпульса (бита) группового сигнала:
Тви>спди>=0.01(с)
- ширина видеоимпульса (бита) группового сигнала:

- периодичность повторения видеоимпульсов (тактовая частота) в групповом сигнале:

- ширина энергетического спектра видеоимпульса (бита) группового сигнала:

- длительность радиоимпульса группового сигнала:
Три>спди>=Тви>спди>/2 =0.01/2=0.005(с)
- ширина радиоимпульса группового сигнала:

- ширина энергетического спектра радиоимпульса группового сигнала:

Предположим, что величина
импульса переспроса будет равна величине
информационного импульса в прямом
канале ТЧ (это связано с необходимостью
унификации оборудования системы
синхронизации), иными словами
,
а время повторения этих импульсов Тп>ип>
будет определяться
длительностью временного интервала
СПДИ, а именно
.
Следовательно, для канала переспроса ширина видеоимпульса переспроса и его энергетический спектр, а также соответствующие параметры радиоимпульсов переспроса будут иметь следующие значения:
- ширина видеоимпульса канала переспроса сигнала:

- ширина энергетического спектра видеоимпульса канала переспроса составит:

- ширина радиоимпульса переспроса:

- ширина энергетического спектра радиоимпульса переспроса:

Следует учесть, что
частотно-временные показатели для
цифровых сигналов источников информации
и каналов переспроса имеют одинаковые
значения, что обусловлено одинаковой
длительностью информационных символов
и импульсов переспроса, т.е
.
Необходимо добавить, что рассмотренный тип временного объединения/разделения каналов будет эффективен только при постоянной загруженности временных интервалов, т.е. при постоянном трафике данных источников информации.
6.2 Определение параметров временного объединения/разделения абонентских сигналов с применением помехоустойчивого кодирования
Рассмотрим вариант построения СПДИ, когда в групповой сигнал будет входить преамбула, состоящая из сигналов кадровой и цикловой синхронизации, проверочных битов помехоустойчивого кодирования и, собственно, информационной части (временные интервалы источников информации).
В этом случае частотно-временные параметры СПДИ изменят свою величину, вследствие появившейся избыточности в групповом дискретном сигнале. Рассмотрим подробнее каким образом трансформируются эти параметры.
С применением помехоустойчивого кодирования кодом вида (15,11) произойдут следующие изменения:
Кс=15 (бит) – длина кодового слова источника (после кодирования);
Ii = 10 (слов/с)=150(бит/с) – информационная производительность М-го источника информации;
-
информационная производительность СПДИ в целом.
В этом случае длительность
временного интервала Т>ви>>
>будет равна
,
где Т>сл>
– длительность кодового слова (сообщения)
источника
,
таким образом, время передачи 1 бита
кодового слова Т>б>
равна 0.06(с).
Временные интервалы в устройстве
объединения (мультиплексоре) объединяются
в кадр (цикл) Т>Ц>,
длительность которого будет составлять
.
Иными словами за время 48с система
отработает цикл передачи/приема сообщений
М источников информации.
Исходя из полученных результатов Т>б >, Т>сл> , Т>ви >, Т>к> определим остальные показатели системы. Количество передаваемой информации СПДИ за один временной интервал:
;
за один цикл
.
Частотно-временные показатели сигналов СПДИ в целом составят значения: для прямого канала:
- длительность видеоимпульса (бита) группового сигнала:
Тви>спди>=0.06(с)
- ширина видеоимпульса (бита) группового сигнала:

- периодичность повторения видеоимпульсов (тактовая частота) в групповом сигнале:

- ширина энергетического спектра видеоимпульса (бита) группового сигнала:

- длительность радиоимпульса группового сигнала:
Три>спди>=Тви>спди>/2 =0.06/2=0.003(с)
- ширина радиоимпульса группового сигнала:

- ширина энергетического спектра радиоимпульса группового сигнала:

Предположим, что величина
импульса переспроса будет равна величине
информационного импульса в прямом
канале ТЧ (это связано с необходимостью
унификации оборудования системы
синхронизации), иными словами
,
а время повторения этих импульсов Тп>ип>
будет определяться
длительностью временного интервала
СПДИ, а именно
.
Схема временного объединения СПДИ (с учетом помехоустойчивого кодирования) показана на рис. 6.2.

Рис. 6.2 Схема временного объединения СПДИ.
Также отметим, что рассмотренный тип временного объединения/разделения каналов с применением помехоустойчивого кодирования будет эффективен только при постоянной загруженности временных интервалов, т.е. при постоянном трафике данных источников информации.
Таким образом, как было сказано ранее, при введении избыточности в виде кодовых последовательностей помехоустойчивого кода, параметры системы изменяются, в конкретном случае: увеличилась информационная производительность СПДИ; увеличилась помехоустойчивость системы, однако в соответствии с этим увеличились и энергетические показатели.
7. Выбор схемы приемника СПДИ
Процессом преобразования первичного цифрового информационного сигнала в синусоидальный видеосигнал называется манипуляция.
Так как в рассматриваемой СПДИ для детектирования сигналов приемник использует информацию о фазе несущей, то такая манипуляция называется когерентной. Таким образом, дискретная фазовая манипуляция является оптимальной когерентной системой передачи двоичных сигналов. По сравнению с другими видами когерентных манипуляций применение ФМн обеспечивает при одинаковой помехоустойчивости примерно двукратный выигрыш по мощности и такой же выигрыш по полосе частот, занимаемой сигналом. При когерентом детектировании приемник системы содержит прототипы каждого возможного сигнала. Эти сигналы дублируют алфавит переданных сигналов по всем параметрам. В процессе демодуляции приемник перемножает и интегрирует входной сигнал с каждым прототипом, т.е. определяет корреляцию.
В двоичных системах ФМн разность фаз манипулированных сигналов выбирается равной 180 градусам. Такие сигналы называются ортогональными.
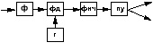
Структурная схема приемника имеет вид:

Рис. 7.1 Структурная схема когерентного приемника фазовой манипуляции.
где Ф – полосовой фильтр; Г – опорный гетеродин; ФД – фазовый детектор; ФНЧ – фильтр нижних частот; ПУ – пороговое устройство.
Полосовой фильтр предназначен для предварительной фильтрации сигналов, для уменьшения влияния помех, с полосой пропускания 2\Т, в присутствии только гауссовских помех не обязателен. Фазовый детектор выполняет роль корректора. Фильтр нижних частот выполняет роль интегратора. Опорный гетеродин - генератор, частота и фаза колебаний которого полностью совпадают с частотой и фазой одного из сигналов.
На рис. 6.2 представлены временные диаграммы процесса когерентной фазовой манипуляции.

Рис. 6.2 Временные диаграммы процесса когерентной фазовой манипуляции.
Спектры различных сигналов при ФМн будут иметь вид:

Рис. 6.3 Спектры различных сигналов при ФМн.
8. Расчет вероятности ошибки НА выходе приемника и битовой вероятности ошибки на входе и выходе декодера КАНАЛА передачи данных и канала переспроса
8.1 Расчет вероятности ошибки на выходе приемника и битовой вероятности ошибки на входе и выходе декодера дискретного канала передачи данных
Важной мерой производительности, используемой для сравнения цифровых систем передачи, является вероятность ошибки на выходе приемника Р>о>, а также битовая вероятность ошибки на входе Р>b>> >и выходе декодера Р>b>>вых>.
Рассмотрим вероятность ошибки на выходе приемника Р>о> для когерентной фазовой манипуляции:
(8.1)
где
;
;
Ф() – функция Крампа, тогда

Битовая вероятность ошибки на входе декодера Р>b> рассматриваемой СПДИ определяется формулой:
(8.2)
где Q() – Гауссов интеграл ошибок; Е>b>/Р>0> –отношение энергии одного бита сигнала к спектральной плотности мощности помехи на входе приемника, причем
;

Таким образом:

Битовая вероятность ошибки на выходе декодера Р>b>>вых> рассматриваемой СПДИ определяется из соотношения:
,
иными словами, для бинарных (М=2)
ортогональных когерентных СПДИ существует
равенство
Р>b>=Р>b>>вых >(8.3)
Таким образом:
Р>b>=Р>b>>вых>=0.2
8.2 Расчет вероятности ошибки на выходе приемника и битовой вероятности ошибки на входе и выходе декодера канала переспроса
Учитывая степень когерентности СПДИ определим вероятность ошибки на выходе приемника канала переспроса Р>окп>, а также битовую вероятность ошибки на входе Р>b>>кп >и выходе Р>b>>выхкп> декодера канала переспроса.
Рассмотрим вероятность ошибки на выходе приемника Р>окп> для когерентной фазовой манипуляции:
(8.4)
где
>
>– суммарная средняя
мощность сигналов переспроса на входе
приемника обратного канала (по условию
задачи);
;
Ф() – функция Крампа, тогда

Битовая вероятность ошибки на входе декодера канала переспроса Р>b>>кп> рассматриваемой СПДИ определяется формулой:
(8.5)
где Q() – Гауссов интеграл ошибок; Е>b>>кп>/Р>0кп> –отношение энергии одного бита сигнала переспроса к спектральной плотности мощности помехи на входе приемника канала переспроса.
Так
-
энергия одного бита сигнала переспроса,
>
>– суммарная средняя
мощность сигналов переспроса на входе
приемника обратного канала (по условию
задачи);
-
пропускная способность
канала переспроса в заданном режиме
работы (причем
,
т.к. канал переспроса и прямой канал ТЧ
имеют одинаковые параметры).
Рассчитаем
:
);
- по условию задачи.
Таким образом:

Битовая вероятность ошибки на выходе декодера Рb>выхКП> канала переспроса рассматриваемой СПДИ определяется из соотношения:
,
иными словами, для бинарных (М=2) ортогональных когерентных СПДИ существует равенство Рb>кп>=Рb>выхКП>.
Таким образом:
Р>b>=Р>b>>выхКП>=0.2
Исходя из полученных
значений
и
;
и
;
Р>b>>вых>=0.2
и Р>b>>выхКП>=0.2
можно сделать вывод, что
для прямого канала связи и обратного
канала переспроса СПДИ вероятности
ошибки на выходе приемника и битовые
вероятности ошибки на входе/выходе
декодеров приблизительно равны по
значению. Это можно обусловить тем, что
параметры рассмотренных каналов данных
обладают примерно одинаковыми значениями.
9. Способы сопряжения разрабатываемой СПДИ сО стандартной аппаратурой частотного уплотнения
Для сопряжения разрабатываемой
СПДИ с аналоговой аппаратурой частотного
уплотнения/разуплотнения (ЧУ-РК)
необходимо, как уже упоминалось, добиться
выполнения условия
и
,
а также электрические параметры СПДИ
удовлетворяли требованиям, предъявляемым
аппаратурой ЧУ-РК.
В нашем случае СПДИ играет
роль источника/потребителя сигнала и
вырабатывает групповой сигнал с
параметрами
и
Iс,
а аппаратура ЧУ-РК играет роль
каналообразующей аппаратуры и обеспечивает
и Ск (т.е.
стандартный аналоговый канал связи).
Расчеты показали, что для разрабатываемой СПДИ в качестве среды передачи группового сигнала стандартный канал тональной частоты (КТЧ) полностью удовлетворяет указанным условиям. Поэтому для сопряжения СПДИ с аппаратурой ЧУ-РК не имеет значения какого типа будет эта аппаратура, важным является возможность сопряжения электрических параметров СПДИ и образовываемого КТЧ аппаратурой ЧУ-РК.
Исходя из вышесказанного, необходимо обеспечить:
- равенство выходного сопротивления СПДИ и входного сопротивления аппаратуры ЧУ-РК;
- равенство уровней передачи и приема СПДИ и ЧУ-РК;
- равенство диапазонов частот сигналов СПДИ и трактов ЧУ-РК.
В противном случае сопряжение СПДИ и аппаратуры ЧУ-РК провести не удастся.
10. ФУНКЦИОНАЛЬНАЯ СХЕМА ПЕРЕДАЮЩЕГО И ПРИЕМНОГО ОБОРУДОВАНИЯ СПДИ
Функциональная схема передающего тракта СПДИ будет иметь вид:

Рис. 10.1 Функциональная схема передающего тракта СПДИ будет иметь вид.
Функциональная схема приемного тракта СПДИ будет иметь вид:

Рис. 10.2 Функциональная схема приемного тракта СПДИ будет иметь вид:
ЗАКЛЮЧЕНИЕ
В данной работе была рассчитана система передачи дискретной информации с заданными параметрами.
Учитывая исходные данные и результаты проведенных расчетов, была обоснована сфера применения разрабатываемой СПДИ
На основании расчета информационных параметров системы был сделан вывод, что стандартный аналоговый канал тональной частоты пригоден для использования в качестве среды распространения группового дискретного сигнала СПДИ. Более того, излишнюю пропускную способность канала было предложено использовать для искусственного введения информационной избыточности, путем добавления проверочных битов.
Рассмотрен вариант применения помехоустойчивого кодирования кодами Хэмминга, исходя из чего, было доказано, что помехоустойчивое кодирование повышает наряду с помехоустойчивостью и информационную производительность системы. Разработана схема канального (помехоустойчивого) кодера и декодара заданной структуры.
Рассчитаны временные характеристики группового сигнала СПДИ, а также параметры сигналов синхронизации системы.
Произведен расчет и обоснование эффективности применения канала обратной связи в системе с целью повышения достоверности передаваемых сообщений.
Рассмотрен вопрос выбора схемы приемника в соответствии с заданной системой широкополосной модуляции, сделан вывод о ее эффективности.
Проведены расчеты показателей помехоустойчивости системы, т.е. определены такие параметры как битовая вероятность ошибки приема сообщения. Было доказано, что данная СПДИ обладает достаточно низкой помехоустойчивостью.
Обоснованы способы и параметры сопряжения разрабатываемой СПДИ и аналоговой аппаратуры ЧР-УК. Расчеты показали, что СПДИ может работать с любым типом аппаратуры ЧР-УК, принимающей дискретные сигналы ФМн.
В результате проделанной работы на основании исходных данных и проведенных расчетов была сформирована функциональная схема многоканальной когерентной системы передачи дискретной информации.
Список использованной литературы
1. Зюко А.Г. Помехоустойчивость и эффективность систем связи. М.:
Связь, 1985г.
2. Кириллов В.И. Многоканальные системы передачи. Минск. Новое издание, 2003г.
3. Скляр Б. Цифровая связь. Теоретические основы и практическое применение. Москва. Вильямс, 2003г.
4. Курулев А.П., Батура М.П. Теория электрических цепей. Установившиеся процессы в линейных электрических цепях. Минск. Бестпринт, 2001г.
5. Татур Т.А., Татур В.Е. Установившиеся и переходные процессы в электрических цепях. Москва. Высшая школа, 2001г.
1