Многокаскадный усилитель переменного тока с обратной связью
Введение
Электронные приборы – устройства принцип действия которых основан на использовании явлений связанных с движущимися потоками заряженных частиц. В зависимости от того как происходит управление, электронные приборы делят на вакуумные, газоразрядные, полупроводниковые. В настоящее время трудно назвать такую отрасль, в которой в той или иной степени не применялась бы электроника. Космические и авиационные летательный аппараты, техника, все виды транспорта, медицина, атомная физика, машиностроение используют электронику во все нарастающих масштабах. Достижения электроники используют все телевизионные передатчики и приемники, аппараты для приема радиовещания, телеграфная аппаратура и квазиэлектронные АТС, аппаратура для междугородней связи.
Одним из наиболее важных применений электронных приборов является усиление электрических сигналов, т.е. увеличение их мощности, амплитуды тока или напряжения до заданной величины. В настоящее время усилительные устройства развиваются во многих направлениях, расширяется диапазон усиливаемых частот, выходная мощность. В развитии усилительных устройств широкие перспективы открывает применение интегральных микросхем.
В данной курсовой работе проводится проектирование многокаскадного усилителя переменного тока с обратной связью. При проектировании рассчитываются статические и динамические параметры усилителя, а затем проводится его моделирование на ЭВМ с использованием программного продукта MicroCap III. При моделировании усилителя производится корректировка его параметров.
Исходные данные
Вариант №20–30
|
Тип проводимости |
U>вх>>m>мВ |
R>г, >Ом |
P>н>, Вт |
I>н,> мA |
to>max>, oC |
∆f |
M>ОСн>(ω) |
M>ОСв>(ω) |
|
|
f>н,> Гц |
f>в,> КГц |
||||||||
|
p-n-p p-канал |
200 |
20 |
0.22 |
7 |
+ 65 |
65 |
65 |
0.76 |
0.76 |
2. Расчетная часть
2.1 Расчет коэффициента усиления напряжения усилителя
Вычислим амплитудное значение напряжения на выходе:
,

По известным значениям U>н>>m> и U>вх>>m> рассчитываем K>oc>

Усилителю с отрицательной обратной связью соответствует коэффициент передачи:
.
(1).
Определим число каскадов усилителя.
Пусть число каскадов равно 1 (n = 1):
,
,
где M>ос>() – коэффициент частоты каскадов.
Из этой формулы
составим квадратное уравнение, и решим
его относительно K.
,
тогда получим корни
,
выбираем отрицательный корень
,
и подставляем в уравнение (1),
,
т.е. одного каскада будет не достаточно.
Пусть число каскадов усилителя равно 2 (n = 2):
,
Из этой формулы составим квадратное уравнение, и решим его относительно K

тогда из полученных
корней выбираем отрицательный
,
и подставляем в уравнении (1),
т.е. двух каскадов тоже будет не достаточно.
Пусть число каскадов усилителя равно 3 (n = 3):
,
Из этой формулы составим квадратное уравнение, и решим его относительно K

тогда из полученных
корней выбираем отрицательный
,
и подставляем в уравнение (1),
т.е. усилитель может быть реализован на
трех каскадах.
2.2 Расчет элементов выходного каскада
Выбор рабочей точки транзистора
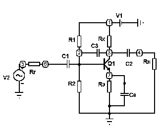
Выбор рабочей точки А транзистора в режиме покоя, когда входной сигнал отсутствует, сводится к выбору тока коллектора Iк>А> и напряжения Uкэ>A> в схеме рис. 1, в первоначальном предположении Rэ= 0. т.е. при заземленном эмиттере.
Точку покоя выберем
исходя из заданных значений амплитуды
напряжения на коллекторе U>НМ>
и тока коллектора I>НМ>,
которые по заданным значениям U>Н>
и I>Н>
определяются как U>НМ>=
U>Н>
= 44.4 [В] и I>НМ>=
I>Н>.=
= 0.0098 [А].
Определим вид транзистора:
P>К>= U>НМ> I>НМ> =0.43 [Вт], транзистор средней мощности.
Определим напряжение U>КЭА>> >из выражения:
=46.4
[В], (для транзисторов средней мощности
U>ЗАП
>= (22.5)
[В])

Рис. 1. Схема усилительного каскада
где K>З>–коэффициент
запаса равный (0.70.95)
Е>П>=2U>КЭА>=92.88 [B]
Сопротивление R>K>
находим как:

Сопротивление R>Э >вычисляется:

Считаем, что на вход
подается какой-либо переменный сигнал,
тогда для переменного сигнала параллельно
включается
.
Для переменного сигнала
будет
идти по какой-либо другой динамической
линии нагрузки. Она будет обязательно
проходить через А.
Поэтому строим динамическую линию нагрузки.
Через точку А проводим
линию динамической нагрузки, под углом
.
;
;
где K>M>=1000 масштабный коэффициент.
Выбирая значения
E>П
>из
стандартного ряда, тем самым изменяя
положение
динамической
линии нагрузки, проверяем условие
.
В нашем случае условие выполнилось при
E>П>=100
[B].
Расчет элементов фиксации рабочей точки
Фиксация рабочей
точки A
каскада на биполярном транзисторе
(рис. 1) осуществляется резистивным
делителем R>1>,
R>2>.
Выберем такой транзистор, у которого
и
.
В нашем случае таким транзистором может
быть транзистор КТ814Г.
Из положения рабочей точки и выходных характеристик транзистора, рассчитаем величину дифференциального коэффициента передачи тока базы :

Так же из входной характеристики находим входное дифференциальное сопротивление транзистора h>11Э>>:>

Рассчитаем величину
по следующему эмпирическому соотношению:
,
где
-
тепловой ток коллекторного перехода,
заданный в справочнике при температуре
t>0>;
А = 2,5
для кремниевых транзисторов.
вычислим как
,
выберем
.
Рекомендуемое значение N
вычисленное
как
;
Вычислим R>1>, R>2>>:>


где
Корректность расчета
оценим вычислением тока I>дел>,
причем необходимо соблюдение неравенства
.
Вычислим I>дел>
по формуле:

Полученное значение
удовлетворяет соотношению

Найдем сопротивление резистивного делителя:

Найдем входное сопротивление данного каскада
.
Расчет емкостных элементов усилительных каскада
Для каскадов на биполярном транзисторе (рис. 1) значение емкостей конденсаторов C>1>,
C
>2>,
C>3>
рассчитаем по следующим формулам:
;
;
;
Расчет коэффициента усиления напряжения каскада

Определим выходные параметры для промежуточного каскада:


2.3 Расчет элементов промежуточного каскада
Выбор рабочей точки транзистора
Выбор рабочей точки А транзистора в режиме покоя, когда входной сигнал отсутствует, сводится к выбору тока коллектора Iк>А> и напряжения Uкэ>A> в первоначальном предположении Rэ= 0. т.е. при заземленном эмиттере.
Точку покоя выберем
исходя из заданных значений амплитуды
напряжения на коллекторе U>НМ>
и тока коллектора I>НМ>,
которые по заданным значениям U>Н>
и I>Н>
определяются как U>НМ>=
U>Н>
= 1.05 [В] и I>НМ>=
I>Н>.==
0.0008 [А].
Определим вид транзистора:
P>К>= U>НМ> I>НМ> =0.84 [мВт], значит транзистор малой мощности
Определим напряжение U>КЭА>> >из выражения:
=3.55
[В], (для транзисторов малой мощности
U>ЗАП
>= (12.5)
[В])
где K>З>–коэффициент
запаса равный (0.70.95)
Е>П>=2U>КЭА>=7,1 [B]
Сопротивление R>K>
находим как:

Сопротивление R>Э >вычисляется:

Считаем, что на вход
подается какой-либо переменный сигнал,
тогда для переменного сигнала параллельно
включается
.
Для переменного сигнала
будет
идти по какой-либо другой динамической
линии нагрузки. Она будет обязательно
проходить через А. Поэтому строим
динамическую линию нагрузки.
Через точку А проводим
линию динамической нагрузки, под углом
.
;
;
где K>M>=1000 масштабный коэффициент
Выбирая значения
E>П
>из
стандартного ряда, тем самым изменяя
положение
динамической
линии нагрузки, проверяем условие
.
В нашем случае условие выполнилось при
E>П>=10
[B].
Расчет элементов фиксации рабочей точки
Фиксация рабочей
точки A
каскада на биполярном транзисторе
(рис. 1) осуществляется резистивным
делителем R>1>,
R>2>.
Выберем такой транзистор, у которого
и
.
В данном случае таким транзистором
может быть транзистор КТ209A.
Из положения рабочей точки и выходных характеристик транзистора, рассчитаем величину дифференциального коэффициента передачи тока базы :

где I>К>,I>Б> – окрестность рабочей точки А
Найдем ток I>БА>:

П
о
входным характеристикам транзистора
определим величину U>БЭА>
=0,71 [B]
Так же из входной характеристики находим входное дифференциальное сопротивление транзистора h>11Э>>:>

Рассчитаем величину
по следующему эмпирическому соотношению:
,
где
-
тепловой ток коллекторного перехода,
заданный в справочнике при температуре
t>0>;
А = 2,5
для кремниевых транзисторов.
вычислим как
,
выберем
.
Рекомендуемое значение N вычисленное как
;
Вычислим R>1>, R>2>>:>


где
Корректность расчета
оценим вычислением тока I>дел>,
причем необходимо соблюдение неравенства
.
Вычислим I>дел>
по формуле:

Полученное значение
удовлетворяет соотношению

Найдем сопротивление резистивного делителя:

Найдем входное сопротивление данного каскада
.
Расчет емкостных элементов усилительных каскада
Для каскадов на биполярном транзисторе (рис. 1) значение емкостей конденсаторов C>1>,
C
>2>,
C>3>
рассчитаем по следующим формулам:
;
;
;
Расчет коэффициента усиления напряжения каскада:

Определим выходные параметры для входного каскада:


2.4 Расчет элементов входного каскада
Выбор рабочей точки транзистора
Выбор рабочей точки А транзистора в режиме покоя, когда входной сигнал отсутствует, сводится к выбору тока коллектора Iк>А> и напряжения Uкэ>A> в первоначальном предположении Rэ= 0. т.е. при заземленном эмиттере.
Точку покоя выберем
исходя из заданных значений амплитуды
напряжения на коллекторе U>НМ>
и тока коллектора I>НМ>,
которые по заданным значениям U>Н>
и I>Н>
определяются как U>НМ>=
U>Н>
= 0.11 [В] и I>НМ>=
I>Н>.=
0.00012 [А].
Определим вид транзистора:
P>К>= U>НМ> I>НМ> =0.013 [мВт], транзистор малой мощности
Определим напряжение U>КЭА>> >из выражения:
=2.61
[В], (для транзисторов малой мощности
U>ЗАП
>= (12.5)
[В])
где K>З>–коэффициент
запаса равный (0.70.95)
Е>П>=2U>КЭА>=5.22 [B]
Сопротивление R>K>
находим как:

Сопротивление R>Э >вычисляется:

Считаем, что на вход
подается какой-либо переменный сигнал,
тогда для переменного сигнала параллельно
включается
.
Для переменного сигнала
будет
идти по какой-либо другой динамической
линии нагрузки. Она будет обязательно
проходить через А. Поэтому строим
динамическую линию нагрузки.
Через точку А проводим
линию динамической нагрузки, под углом
.
;
;
где K>M>=10000 масштабный коэффициент
Выбирая значения
E>П
>из
стандартного ряда, тем самым изменяя
положение
динамической
линии нагрузки, проверяем условие
.
В нашем случае условие выполнилось при
E>П>=6.3
[B].
Расчет элементов фиксации рабочей точки
Фиксация рабочей
точки A
каскада на биполярном транзисторе
(рис. 1) осуществляется резистивным
делителем R>1>,
R>2>.
Выберем такой транзистор, у которого
и
.
В данном случае таким транзистором
может быть транзистор КТ209A.
Из положения рабочей точки и выходных характеристик транзистора, рассчитаем величину дифференциального коэффициента передачи тока базы :

где I>К>,I>Б> – окрестность рабочей точки А
Найдем ток I>БА>:

П
о
входным характеристикам транзистора
определим величину U>БЭА>
=0,55 [B]
Так же из входной характеристики находим входное дифференциальное сопротивление транзистора h>11Э>>:>

Рассчитаем величину
по следующему эмпирическому соотношению:
,
где
-
тепловой ток коллекторного перехода,
заданный в справочнике при температуре
t>0>;
А = 2,5
для кремниевых транзисторов.
вычислим как
,
выберем
.
Рекомендуемое
значение N
вычисленное
как
;
Вычислим R>1>, R>2:>


где
Корректность расчета
оценим вычислением тока I>дел>,
причем необходимо соблюдение неравенства
.
Вычислим I>дел>
по формуле:

Полученное значение
удовлетворяет соотношению

Найдем сопротивление
резистивного делителя:
Найдем входное сопротивление данного каскада
.
Расчет емкостных элементов усилительных каскада
Для каскадов на биполярном транзисторе (рис. 1) значение емкостей конденсаторов C>1>,
C
>2>,
C>3>
рассчитаем по следующим формулам:
;
;
;
Расчет коэффициента усиления напряжения каскада

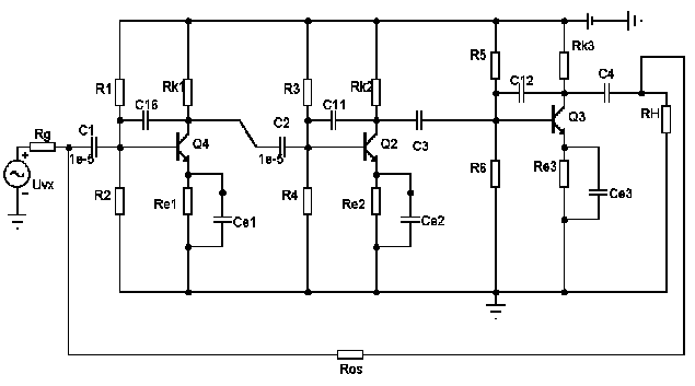
2.5 Расчет элементов цепи ООС
По вычисленным в
п. 2.1. значениям
и
рассчитаем величину
.
Найдем величину сопротивления обратной связи из следующего соотношения:
;
;
R>ОС> = 77160 [Ом].
2.6 Расчет коэффициента усиления напряжения усилителя
Рассчитываемый коэффициент усиления всего усилителя равен произведению коэффициентов. усиления всех трех каскадов:
Что превышает необходимое 222.
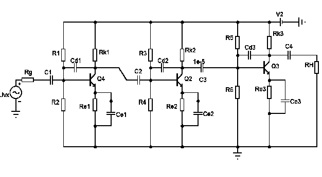
3. Моделирование
Моделирование будем выполнять с помощью пакета схемотехнического моделирования Micro-Cap 3. В результате моделирования получим переходные и частотные характеристики как отдельных каскадов усилителя, так и всей структуры в целом. Целью моделирования является установление корректности расчета и степени соответствия расчетных параметров требованиям технического задания.
3.1 Корректировка схемы и определение ее параметров
Для получения результатов, определяемых исходными данными, произведем корректировку значений сопротивлений резисторов и емкостей конденсаторов усилителя. Полученные после корректировки значения приведены в спецификации (см. Приложения).
По графикам АЧХ и ФЧХ, полученным в результате моделирования определим значения K.
Реально достигнутый коэффициент K найдем из графика переходной характеристики:
а) для усилителя без обратной связи
K=307.6
б) для усилителя с обратной связью
K=300
Заключение
В результате выполнения данной курсовой работы были изучены методы проектирования и разработки электронных устройств в соответствии с данными технического задания. Был произведён расчёт статических и динамических параметров электронных устройств. А также было изучено практическое применение ЭВМ для схемотехнического проектирования электронных устройств. Для моделирования был использован пакет схемотехнического моделирования Micro-Cap 3. В ходе курсового проектирования было проведено моделирование усилителя в частотной и временной областях.
Библиографический список
1. Баскакова И.В., Перепёлкин А.И. Усилительные устройства: Методические указания к курсовой работе. - Рязань, РГРТА, 1997.36 с.
2. Транзисторы для аппаратуры широкого применения: Справочник. К.М. Брежнева, Е.И. Гантман, Т.И Давыдова и др. Под ред. Б.Л. Перельмана. - М.: Радио и связь, 1982.656 с.
3. Транзисторы. Справочник. Издание 3-е. Под редакцией И.Ф. Николаевского. - М.: Связь, 1969.624 с.
4. Анализ электронных схем. Методические указания к лабораторным и практическим занятиям. Баскакова И.В., Перепёлкин А.И.Р.: 2000,32 с.
Приложения
Моделирование выходного каскада


Kuреальный ≈25
Моделирование промежуточного каскада


Kuреальный ≈7.6
Моделирование входного каскада


Kuреальный ≈2.5
Моделирование усилителя без ООС


Kuреальный ≈307.6

Моделирование усилителя с ООС


Kuреальный ≈300
