Модернизация, телекоммуникационного оборудования в ЗАО "Кузбассэнергосвязь"
СОДЕРЖАНИЕ
1 Введение 3
2 Обоснование необходимости реконструкции ВОЛП на участке Кемерово-Новокузнецк 6
3 Выбор оборудования 7
4 Выбор системы передачи и типа оптического кабеля 12
4.1 Расчет числа каналов 12
4.2 Выбор системы передачи 16
4.3 Выбор типа оптического кабеля 21
5 Разработка структурной схемы организации связи 25
6 Комплектация оборудования 26
6.1 Расположение оборудования на объектах “Кузбассэнергосвязь” 30
7 Расчет параметров надежности ВОСП 33
8 Расчет оптических и передаточных параметров оптического кабеля 37
8.1 Расчет оптических параметров кабеля 37
8.2 Расчет передаточных параметров оптического кабеля 40
8.2.1 Расчет затухания 40
8.2.2 Расчет дисперсии 42
8.3 Расчет длины регенерационного участка 45
8.3.1 Расчет количества и помехоустойчивости линейных регенераторов 45
8.4 Расчет коэффициента битовых ошибок BER внутризонового участка ВОСП 53
9 Электропитание аппаратуры 53
10 Оценка экономической эффективности проектируемой оптической транспортной сети ЗАО «Кузбассэнергосвязь»
10.2 Расчет капитальных затрат 58
10.3 Расчет численности производственных работников 59
10.4 Расчет затрат на эксплуатацию 60
10.4 Расчет доходов от услуг связи 63
10.5 Оценка экономической эффективности капитальных вложений на проектируемый участок сети 64
10.6 Оценка эффективности инвестиций 64
11 Управление транспортной сетью 68
12 Техника безопасности и жизнедеятельности 72
12.1 Анализ объективных факторов производственной опасности 72
12.2 Требования по технике безопасности на рабочем месте 73
12.2.1 Санитарные нормы 73
12.2.2 Освещенность 74
12.2.3 Защита от статического электричества 75
12.2.4 Электромагнитное излучение 75
12.2.5 Опасность поражения электрическим током 79
12.2.6 Влияние шума 80
12.3 Разработка защитных мероприятий на рабочем месте 81
12.3.1 Расчет заземления 81
12.3.2 Электробезопасность 83
12.3.3 Основные защитные мероприятия 84
12.4 Разработка инструкций по технике безопасности на рабочем месте при работе с компьютером 87
12.4.1 Общие требования 87
12.4.2 Электробезопасность 88
12.4.3 Пожарная профилактика 89
12.4.4 Ответственность за невыполнение инструкций 90
13 Заключение 90
СПИСОК ИСПОЛЬЗОВАННЫХ ИСТОЧНИКОВ 92
ПРИЛОЖЕНИЕ А 94
ПРИЛОЖЕНИЕ Б 95
Приложение В 101
Приложение Г 102
1 Введение
Современная эпоха характеризуется стремительным процессом информатизации общества. Это сильней всего проявляется в росте пропускной способности и гибкости информационных сетей.
Противодействовать растущим объемам, передаваемой информации на уровне сетевых магистралей, можно только привлекая оптическое волокно. И поставщики средств связи при построении современных информационных сетей используют волоконно-оптические кабельные системы наиболее часто. Это касается как построения протяженных телекоммуникационных магистралей, так и локальных вычислительных сетей. Оптическое волокно в настоящее время считается самой совершенной физической средой для передачи информации, а также самой перспективной средой для передачи больших потоков информации на значительные расстояния. Волоконная оптика, став главной рабочей лошадкой процесса информатизации общества, обеспечила себе гарантированное развитие в настоящем и будущем. Сегодня волоконная оптика находит применение практически во всех задачах, связанных с передачей информации. Стало допустимым подключение рабочих станций к информационной сети с использованием волоконно-оптического кабеля.
Многоканальные ВОСП начинают широко использоваться на магистральных и зоновых сетях связи страны, а также для устройства соединительных линий между городскими АТС. Объясняется это большой информационной способностью ОК и их высокой помехозащищенностью. Особенно эффективны и экономичны подводные оптические магистрали.
Цифровые системы передачи (ЦСП) информации характеризуются специфическими, отличными от аналогов систем, свойствами. Основные преимущества этих систем заключаются в следующем:
более высокая помехоустойчивость, что позволяет значительно облегчить требования к условиям распространения сигнала линии передачи;
возможность интеграции систем передачи сообщений и их коммутации;
незначительное влияние параметров линии передачи на характеристики каналов;
возможность использования современной технологии в аппаратуре ЦСП;
отсутствие явления накопления помех и искажений вдоль линии передачи;
более простая оконечная аппаратура по сравнению с аппаратурой систем передачи с частотным разделением каналов (ЧРК);
легкость засекречивания передаваемой информации.
Самым существенным достоинством ЦСП предоставляется возможность передачи цифровых данных между ЭВМ и вычислительными комплексами без каких-либо дополнительных устройств преобразования или специальных аппаратных средств. Действительно, параметры стандартного аналогового канала оптимизируются по критериям заданного качества передачи речевого сообщения. Поэтому некоторым характеристикам (таким, как групповое время запаздывания) уделяется меньшее внимание, чем искажениям, оказывающим более ощутимое влияние на качество передачи. Использование аналоговой сети для передачи данных требует специальных мер, приводящих к существенным затратам, для компенсации неравномерности характеристики группового времени запаздывания, что обычно и делается в модемах передачи данных и всевозможных устройствах преобразования сигналов (УПС). В противоположность этому в ЦСП основным параметром, которым характеризуется качество передачи, является коэффициент ошибок.
Каналы с малым коэффициентом ошибок в тракте передачи реализуются достаточно просто. В случае необходимости влияние ошибок, возникающих в тракте, можно практически полностью исключить, воспользовавшись теми или иными способами защиты от ошибок.
В волоконно-оптических линиях связи (ВОЛС) цифровые системы передачи нашли самое широкое распространение как наиболее приемлемые по своим физическим принципам для передачи. При этом основной недостаток ЦСП – широкая полоса частот, как отмечалось выше, отходит на второй план, поскольку ВОЛС при прочих равных условиях имеют неограниченную полосу пропускания по сравнению с электропроводным (металлическим) кабелем.
На основе ОК создаются локальные вычислительные сети различной топологии (кольцевые, звездные и др.). Такие сети позволяют объединять вычислительные центры в единую информационную систему с большой пропускной способностью, повышенным качеством и защищенностью от несанкционированного допуска. Развитие сетей связи без надежных транспортных информационных магистралей невозможно. Основу таких магистралей и составляют волоконно-оптические и радиорелейные системы передачи с технологическими решениями SDH, WDM, АТМ.
Можно полагать, что в ВОСП второго поколения усиление и преобразование сигналов в регенераторах будут происходить на оптических частотах с применением элементов и схем интегральной оптики. Это упростит схемы регенерационных усилителей, улучшит их экономичность и надежность, снизит стоимость.
В третьем поколении ВОСП предполагается использовать преобразование речевых сигналов в оптические непосредственно с помощью акустических преобразователей. Уже разработан оптический телефон и проводятся работы по созданию принципиально новых АТС, коммутирующих световые, а не электрические сигналы. Имеются примеры создания многопозиционных быстродействующих оптических переключателей, которые могут использоваться для оптической коммутации.
Целью данного дипломного проекта является модернизация транспортной сети ЗАО «Кузбассэнергосвязь» на участке Кемерово – Новокузнецк. Необходимо выбрать аппаратуру SDH, составить комплектацию оборудования, разработать схему организации связи с возможностью ввода/вывода цифровых потоков в узлах сети для предоставления различного вида услуг связи.
2 Обоснование необходимости реконструкции ВОЛП на участке Кемерово-Новокузнецк
Причины расширения:
Объем передаваемого трафика приближается к максимальной емкости системы.
Существующее оборудование и программное обеспечение не обеспечивает необходимую передачу данных (технологию Ethernet) на магистральных участках.
Цель расширения:
Организация высокоскоростной сети передачи данных до 2 Гб/с.
В настоящее время ЗАО Кузбассэнергосвязь осуществляет эксплуатацию сети SDH уровня STМ-4 построенную на базе оборудования фирмы Эрикссон (AXD620-2). Сеть состоит из оптического кольца, уровня STM-4 (кольцо объединяет крупные города области Кемерово, Белово, Новокузнецк).
Проектом планируется расширение кольца до уровня STM-16.
Распределение нагрузки:
Основной трафик будет распределяться между узлами связи ЦУС (г.Кемерово), ЦЭС (г.Белово), ЮЭС (г. Новокузнецк).
3 Выбор оборудования
Аппаратура синхронной цифровой иерархии (SDH) всех видов должна соответствовать стандартам международного союза Электросвязи (МСЭ).
Основным и наиболее универсальным изделием аппаратуры SDH является цифровой мультиплексор называемый синхронным мультиплексором.
Чтобы добавлять в сеть или изымать из нее цифровые потоки, или транспортные единицы и группы со скоростями 2, 34, 140 или 155 Мбит/с используются мультиплексоры ввода/вывода (ADM).мультиплексоры могут выполнять функции перестановки временных позиций каналов и трактов, а также поддерживать функции конфигурирования и контроля сети.
Для организации связи на участке Кемерово – Ленинск-Кузнецкий – Белово – Прокопьевск – Новокузнецк, с учетом рассчитанного числа потоков (506Е>1>), необходим мультиплексор уровня STM-16 со скоростью передачи 2488 Мбит/с. Аппаратуру и оборудование для систем передачи SDH предлагают многие известные фирмы-изготовители, такие как «Alcatel», «Siemens», «Nortel», «NEC», «Huawei Technologies», «Marconi» и другие. Практически все производители представлены на российском рынке.
Приведем сравнительный анализ мультиплексоров фирм «Huawei Technologies» (OptiX OSN 3500) и «Marconi» (ОМS 16-64). Для организации связи необходим мультиплексор уровня STM-16.
Таблица 3.1. Технические характеристики мультиплексоров
|
OptiX OSN 3500 |
ОМS 16-64 |
|
|
Коммутационная матрица - на низком уровне -на высоком уровне |
5 Гбит/с 58,75 Гбит/с |
20 Гбит/с 60 Гбит/с |
|
Интерфейсы |
||
|
STM-1 электрические |
4 порта на плате |
2 порта на плате |
|
STM-1 оптические |
Ie-1, I-1, S-1.1, L-1.1, L-1.2, Ve-1.2 4 порта на плате |
I-1S-1.1, L-1.1, L-1.2 L-1.3 2 порта на плате |
|
STM-4 оптические |
I-4, S-4.1, L-4.1, L-4.2,Ve-4.2 4 порта на плате |
I-4, S-4.1, L-4.1, L-4.2, L-4.3 2 порта на плате |
|
STM-16 оптические |
I-16, S-16.1, L-16.1, L-16.2, L-16.2Je, V-16.2Je, U-16.2Je и G.692 окрашенный интерфейс 1 порт на плате |
I-16, S-16.1, L-16.1, L-16.2 L-16.3 1 порт на плате |
|
Ethernet |
10/100/1000 Мбит/с 2/4 порта на плате |
10/100/1000 Мбит/с 2/16 порта на плате |
|
Е1 |
63Е1 на плате, максимально в корзине 504Е1 |
32Е1 на плате, максимально 504Е1 |
|
Е3 |
6Е3 на плате, максимально 48Е3 в корзине |
4Е3 на плате, максимально 48Е3 |
Кроме этого оба мультиплексора имеют административные интерфейсы управления: один интерфейс удаленного техобслуживания RS232 DCE с доступом по модему, один интерфейс системы сетевого управления, один последовательный интерфейс управления (F&f), 4 последовательных интерфейса (1~4) для прозрачной передачи.
Таблица 3.2. Стоимость оборудования
|
Оборудование |
Optix OSN 3500, USD |
OMS 16-64, USD |
|
Rask – стойка |
2328 |
2446 |
|
sub>rack - корзина |
8536 |
8982 |
|
Power Interfase - плата питания |
101 |
242 |
|
System Control and Communication– плата контроля |
2147 |
2856 |
|
General Cross-connect and Synchronous |
8175 |
14282 |
|
System Auxiliary Interfase |
1218 |
1342 |
|
Оптические платы |
||
|
STM-16 Optical Interfase (L-16.2) |
11063 |
12344 |
|
STM-4 Optical Interfase (L-4.1) |
3752 |
3800 |
|
STM-4 Optical Interfase (L-4.2) |
4342 |
4655 |
|
STM-1 Optical Interfase (S-1.1) |
1865 |
2008 |
|
STM-1 Optical Interfase (L-1.1) |
2102 |
2442 |
|
STM-1 Optical Interfase (L-1.2) |
2243 |
3012 |
|
Трибутарные платы |
||
|
63E1 Service Processing |
3275 |
3106 |
|
E3 Service Processing |
1640 |
1842 |
|
Fast Ethernet Processing 10/100/1000 |
4557 |
6523 |
|
32xE1/T1 Electrical Interfase |
263 |
432 |
|
3xE3 PDH Interfase |
414 |
698 |
Как видно из таблиц 3.1 и 3.2 при практически одинаковых технических характеристиках экономически выгоднее воспользоваться услугами компании «Huawei Technologies». Кроме того на интерфейсных картах у «Huawei Technologies» большее число портов, что ведет к уменьшению числа слотов для установки. Главными достоинствами сетей реализованных на оборудовании «Huawei Technologies» являются:
- высокая надежность, за счет использования современных методов защиты, как оборудования так и трафика;
- простота обслуживания и развитие сети, модульный принцип построения оборудования и программного обеспечения;
- полное соответствие рекомендациям ITU-T, ETSI;
- удобство обслуживания, наличие сервисных центров фирмы на территории России.
На основании вышесказанного воспользуемся услугами компании «Huawei Technologies».
Для организации «кольца» Кемерово – Белово – Новокузнецк остановим выбор на мультиплексоре OptiX OSN 3500.
Оборудование OptiX OSN 3500 компании «Huawei Technologies» предназначено для организации по одному линейному тракту 30240 каналов ТЧ или ОЦК (основной цифровой канал) с тактовой частотой 2488 МГц.
OptiX OSN 3500 представляет собой построенный на единой платформе мультиплексор SDH с функцией ввода/вывода и гибкой архитектурой.
Мультиплексор OptiX OSN 3500 является мультиплексором SDH уровня STM-16. Возможно использование данной системы в режимах мультиплексора ввода/вывода, оконечного (терминального) мультиплексора, регенератора. Устройство обеспечивает транспортировку голосового и информационного трафика с высокой пропускной способностью и применяется в транспортных и магистральных сетях.
Особенностью OptiX OSN 3500 является то, что функции линейного блока, блока кросс-коммутации, блока синхронизации, блока SCC (System Control and Connection) интегрированы на одной плате, что высвобождает ресурсы слотов. В «корзине» 15 слотов для плат обработки, 16 слотов для плат интерфейсов, 1 слот для платы вспомогательного интерфейса и три модуля вентиляторов.
В системе OptiX OSN 3500 осуществляется интеграция функций Ethernet- доступа с той же платформой SDH, которая обеспечивает передачу голосового трафика. Система OptiX OSN 3500 поддерживает:
- трафик Ethernet 10/100/1000 Мбит/с;
- высокоуровневый протокол управления каналом передачи данных, процедура доступа к каналу SDH, обобщенная процедура формирования кадров;
- коммутацию на уровне 2, а также возможность классификации Ethernet-трафика в соответствии с определениями стандарта IEEE 802.1Q-tag;
- прозрачную передачу и конвергенцию Ethernet-трафика;
- схему регулировки пропускной способности канала (LCAS);
- услуги EPL – частная линия Ethernet, EVPL – виртуальная частная линия Ethernet, EPLn/EPLAN – частная локальная сеть Ethernet, EVPLn/EVPLAN – виртуальная частная локальная сеть Ethernet.
Емкость кросс-коммутации в системе OptiX OSN 3500 достигает 58,75 Гбит/с на высоком уровне или 5 Гбит/с на низком, с возможностью расширения до 20 Гбит/с. Емкость матрицы кросс-соединения составляет 1,25 Гбит/с.
В системе OptiX OSN 3500 широкий набор интерфейсов: STM-16 – максимально 8 портов в «корзине», STM-4 – максимально 46 портов, STM-1- максимально 92 порта, Fast Ethernet – максимально 92 порта в подстативе, Gigabit Ethernet – максимально 30 портов, Е3 – максимально 48 портов, Е1- максимально 504 портов в подстативе.
В системе OptiX OSN 3500 разнообразные механизмы защиты:
- платы Е1 и Е3, защита 1:N;
- платы кросс-соединения и синхронизации, 1+1, горячее резервирования;
- плата SCC, 1+1, горячее резервирования;
- плата распределение питания -48V, 1+1, горячее резервирования;
- плата источника питания 3,3V, 1:N, централизованное горячее резервирование.
Система обеспечивает возможность контроля за автоматическим балансом трафика в широкополосной сети и позволяет повысить пропускную способность.
Существует возможность плавного повышения производительности путем добавления или замены плат кросс-коммутации и модулей оптического интерфейса.
4 Выбор системы передачи и типа оптического кабеля
4.1 Расчет числа каналов
Число каналов, связывающих Кемеровскую область и Новокузнецк, зависит от численности населения проживающего в этих городах, а также от заинтересованности отдельных групп населения в связи.
Численность населения в любом населенном пункте и области в целом может быть определена на основании статистических данных последней переписи населения РФ. На основании данных последней переписи населения, которая проводилась в 2002 году, население Кемеровской области составляет 2 миллиона 982 тысячи человек, население города Новокузнецк – 578 тысяч человек. Обычно перепись населения осуществляется один раз в пять лет, поэтому при перспективном строительстве следует учитывать прирост населения. Средний годовой прирост населения в данной местности, лежит в пределах 2-3 процентов (принимаем равным 2 процента).
Количество населения Н>t>, чел., в заданном пункте с учетом среднего прироста определяется по формуле:
, (3.1.1)
где Н>0> – число жителей во время переписи населения, человек;
р – средний годовой прирост населения в данной местности, в процентах;
t – период, определяемый как разность между назначенным годом перспективного проектирования и годом проведения переписи населения, год.
Год перспективного проектирования принимается на 5 лет вперед.
Следовательно:
t = 5 + (t>n> – t>0>), (3.1.2)
где t>n> – год составления проекта; t>0> – год, к которому относятся данные переписи населения.
Используя формулы (3.1.1) и (3.1.2) рассчитаем численность населения в населенных пунктах:
t = 5 + (2006 – 2002) = 9 лет.
Определение населения в Кемеровской области:
=
2816670 человек.
Определение населения в городе Новокузнецке:
=677220
человек.
Степень заинтересованности отдельных групп населения во взаимосвязи зависит от политических, экономических, культурных и социально-бытовых отношений между группами населения, районами и областями. Практически эти взаимосвязи выражаются через коэффициент тяготения f>т>, который, как показывают исследования, колеблется в широких пределах от 0,1 до 12 процентов.
В дипломном проекте f>т> следует принять равным 10%.
Расчет количества телефонных каналов междугородной связи произведем по приближенной формуле:
(3.1.3)
где α>1> и β>1> – постоянные коэффициенты, соответствующие фиксированной доступности и заданным потерям, обычно потери задаются равными 5%, тогда α>1> = 1,3; β>1> = 5,6;
у – удельная нагрузка, то есть средняя нагрузка, создаваемая одним абонентом, у = 0,05 Эрл;
m>a> и m>b> – количество абонентов, обслуживаемых автоматическими междугородными телефонными станциями (АМТС).
Для определения количества абонентов, обслуживаемых АМТС в зависимости от численности населения в зоне обслуживания, примем коэффициент оснащенности населения телефонными аппаратами равным 0,38 и произведем расчет по следующей формуле:
. (3.1.4)
По формуле (3.1.4) рассчитаем количество абонентов в зоне обслуживания АМТС:
для Кемеровской области:
= 1070334 абонента,
для города Новокузнецка:
= 257343 абонента.
Используя формулу (3.1.3) определим количество телефонных каналов для проектируемой линии:
= 1354 канала.
Необходимо учесть организацию и других видов связи, например телеграфная связь, передача данных, газет, сигналов вещания. Общее число каналов рассчитывается по формуле:
n>аб> = n>тлф> + n>тг> + n>в> + n>пд> + n>г>, (3.1.5)
где n>тлф> – число двухсторонних каналов для телефонной связи;
n>тг> – число каналов тональной частоты (ТЧ) для телеграфной связи;
n>в> – число каналов ТЧ для передачи сигналов вещания;
n>пд> – число каналов ТЧ для передачи данных;
n>г> – число каналов ТЧ для передачи газет.
Поскольку число каналов для организации связи различного назначения может быть выражено через число телефонных каналов, то общее количество телефонных каналов рассчитывается по упрощенной формуле:
(3.1.6)
Следовательно, число каналов ТЧ, необходимых для организации связи, равно:
= 2708 каналов.
Рассчитаем число первичных двухмегабитных потоков, исходя из соотношения:
30 ТЧ = 1Е>1>, (3.1.7)
Число двухмегабитных потоков равно:
Е>1> =
= 90 потоков.
На основании данных, предоставленных инженерно-техническим отделом Кемеровского узла электросвязи (КУЭС), в пунктах выделения нагрузка распределится следующим образом:
- г. Ленинск-Кузнецкий: 21Е>1>;
- г. Белово: 28Е>1>;
- г. Прокопьевск: 51Е>1>.
Тогда, общее количество потоков равно:
Е>1> = 90 + 100 = 190 потоков.
По каналам связи также передаются каналы Internet. Нагрузка (в единицах скорости передачи) пользователей сети Internet определяется по формуле:
, (3.1.8)
где V – скорость передачи;
Э – удельная нагрузка в час наибольшей нагрузки (ЧНН);
N – количество пользователей.
Согласно рекомендациям отдела передачи данных КУЭС, доля обычных (модемных) пользователей сети Internet (N>ио>), при нагрузке 0,04 Эрл в ЧНН и скорости 56 кбит/с составляет 95 %, доля пользователей сети (банки, коммерческие организации) работающих на скорости 1,5 Мбит/с (N>И>>DSL>) составляет 5 %, при нагрузке 0,3 Эрл в час наибольшей нагрузки.
В результате расчета получаем:
=0,127·109
бит/с,
=0,482∙109
бит/с.
Учитывая, что скорость основного цифрового канала составляет 64 кбит/с, определим количество каналов:
n>ИО> = 1984 канала или 66Е>1>,
n>И>>DSL> = 7530 каналов или 250Е>1>.
Общее количество каналов, необходимых для доступа в сеть Internet:
n>и> = 1984 + 7530 = 9514 каналов или 316Е>1>.
Определим общее число двухмегабитных потоков:
n>кем. нкз> = 190 + 316 = 506 потоков.
Таким образом, на проектируемом участке будет организовано 506 первичных цифровых потоков, что соответствует 15180 каналам ТЧ.
4.2 Выбор системы передачи
Для полного развития всех сфер деятельности человека требуется внедрение самой современной аппаратуры, а телекоммуникационные сети должны быть цифровыми, иметь гибкую, легко управляемую структуру и при этом обеспечивать возможность совместной работы аппаратуры разных фирм-изготовителей как на сети одного оператора, так и при взаимодействии нескольких операторов.
Наиболее полно выполнить эти требования можно на основе средств SDH – синхронной цифровой иерархии (Synchronous Digital Hierarchy, SDH).
На сегодняшний день технология SDH заслуженно считается не только перспективной, но и достаточно апробированной технологией для создания транспортных сетей. Технология SDH обладает рядом важных достоинств с пользовательской, эксплуатационной и инвестиционной точек зрения:
- умеренная структурная сложность, снижающая затраты на монтаж, эксплуатацию и развитие сети, в том числе подключения новых узлов;
- широкий диапазон возможных скоростей – от 155 Мбит/с (STM-1) до 2,488 Гбит/с (STM-16) и выше;
- высокая надежность системы, благодаря централизованному мониторингу и управлению;
- надежность и самовосстанавливаемость сети, обусловленные тем, что сеть использует волоконно-оптические кабели, передача по которым практически не подвержена действию электромагнитных помех;
- архитектура и гибкое управление системы позволяет использовать защищенный режим работы, допускающий два альтернативных пути распространения сигнала с почти мгновенным переключением в случае повреждения одного из них, а также обход поврежденного узла сети.
Перечисленные достоинства делают решения, основанные на технологии SDH, рациональными с точки зрения инвестиций. В настоящее время она может считаться базовой для построения современных транспортных сетей как для корпоративных сетей различного масштаба, так и для сетей связи общего пользования.
Для организации связи на участке Кемерово-Новокузнецк, с учетом рассчитанного числа потоков (506Е>1>), необходим мультиплексор STM-16 со скоростью передачи 2488 Мбит/с.
Аппаратуру и оборудование для систем передачи SDH предлагают многие известные фирмы-изготовители, такие как «Alcatel», «Siemens», «Nortel», «Huawei» и другие. Практически все производители представлены на российском рынке.
Воспользуемся услугами фирмы «Huawei» и остановим выбор на мультиплексоре Optix OSN 3500.
Оборудование Optix OSN 3500 фирмы «Huawei» предназначено для организации по одному линейному тракту 30240 каналов ТЧ или ОЦК (основной цифровой канал) с тактовой частотой 2488 МГц.
Мультиплексор Optix OSN 3500 является компактным мультиплексором SDH уровня STM-16. Возможно использование данной системы в режимах мультиплексора ввода/вывода, оконечного (терминального) мультиплексора, регенератора.
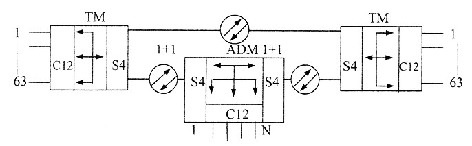
Для организации связи на проектируемом участке используем топологию «линейная цепь» и «плоское кольцо». «Линейная цепь» – это линейная последовательность мультиплексоров, из которых два оконечных, а остальные ввода/вывода.
На рисунке 4.1 приведена схема соединения «Линейная цепь».

Рисунок 4.1 – Схема соединения «Линейная цепь»
Оконечный (терминальный) мультиплексор (Terminal Multiplexer - TM) –оконечное устройство сети с некоторым числом каналов доступа и одним или двумя оптическими входами/выходами, называемыми агрегатными портами или интерфейсами.
Соединение «плоское кольцо» - рисунок 4.2.
Рисунок
4.2–Схема соединения «Плоское кольцо»
Сочетание элементарных топологий линейной структуры построения сети и с кольцевой топологией, позволяет реализовать архитектуру построения транспортных сетей SDH любой сложности и назначения.
Мультиплексоры ввода/вывода (Add/Drop Multiplexer - ADM) – осуществляют сквозную коммутацию потоков в обоих направлениях, поступающих с агрегатных портов, а так же позволяют вводить (Add)/выводить (Drop) отдельные цифровые компонентные сигналы. Мультиплексор имеет два или четыре агрегатных порта, к которым подключаются волоконно-оптические линии связи.
Терминальные мультиплексоры будут установлены в Кемерово и Новокузнецке, мультиплексоры ввода/вывода в городах Ленинск-Кузнецкий, Белово, Прокопьевск.
Для соединения волоконно-оптических кабелей, несущих сигнал STM-16 к удаленному сетевому элементу SDH, используются агрегатные интерфейсы.
Используем интерфейс на 1550 нм большой дальности действия. В таблице 4.1 приведены параметры оптического интерфейса.
Таблица 4.1 – Параметры оптического интерфейса
|
Уровень SDH |
STM-16 |
|
Скорость передачи, кбит/с |
2488320 |
|
Код интерфейса |
L-16.2 |
|
Рабочий диапазон, нм |
1530…1570 |
|
Характеристики оптического передатчика (точка S) |
|
|
Источник излучения |
Лазер DFP (SLM) |
|
Ширина спектра излучения на уровне -20 дБм, нм |
0,5 |
|
Минимальный коэффициент подавления боковой моды, дБ |
30 |
|
Максимальная излучаемая мощность, дБм |
0 |
|
Минимальная излучаемая мощность, дБм |
-4 |
|
Характеристики оптического приемника (точка R) |
|
|
Минимальная чувствительность, дБм |
-26 |
|
Максимальная перегрузка, дБм |
-9 |
|
Дополнительное затухание оптического тракта, дБ |
2 |
|
Характеристики оптического тракта (между точками S и R) |
|
|
Диапазон оптического затухания, дБ |
9…20 |
|
Дисперсия, пс/нм |
1400 |
|
Допустимые потери в кабеле, дБ |
24 |
4.3 Выбор типа оптического кабеля
Развитие современных телекоммуникационных сетей России, как и во всем мире, базируется на использовании в качестве среды передачи оптических кабелей с одномодовыми оптическими волокнами.
Телекоммуникационные сети, построенные на основе применения оптических кабелей с одномодовыми оптическими волокнами, стали строиться, начиная с 1996 года. Кабельная промышленность России успешно осваивает внутренний рынок. Большинство кабельных заводов выпускает кабели широкой номенклатуры различного назначения (линейные, внутриобъектовые) и для различных условий прокладки и эксплуатации (подземные, подводные, подвесные, распределительные, станционные). На сегодняшний момент определены технические требования, которым должны удовлетворять оптические кабели различных производителей. С одной стороны эти требования направлены на унификацию конструкций и параметров оптического кабеля, с другой стороны – нацеливают производителей на выпуск широкой номенклатуры кабелей, позволяющей потребителю выбирать конструкцию кабеля под конкретные условия применения в различных регионах России.
Общее число волокон определяется исходя из емкости цифровых линейных трактов, необходимости их резервирования, а также иными соображениями (ответвления для зоновой и местной связи, аренда, технические нужды, и так далее). Тип кабеля определяется заданной длиной волны, допустимыми потерями и дисперсией, а также условиями прокладки (категорией грунта, наличием переходов через водные преграды). При выборе ОК следует, разумеется учитывать его стоимость, так как примерно 80% всех капитальных затрат на организацию сети связи уходи на приобретение кабеля и строительство ВОЛС.
В соответствии с «Техническими требованиями к оптическим кабелям связи, предназначенными для применения на взаимоувязанной сети Российской федерации» оптические кабели связи должны удовлетворять следующим требованиям:
- герметичность и влагостойкость;
- механическая защита;
- стойкость к избыточному гидростатическому давлению;
- защита от грызунов.
Оптические кабели вне зависимости от условий применения должны выдерживать циклическую смену температур, от низкой до высокой рабочей температуры.
Учитывая трассовые и грунтовые условия местности, на проектируемом участке, используем оптический кабель производимый ЗАО «Москабель-Фуджикура» ОМЗКГМ-10-01-0,22-24(7,0).
Компания располагает современным технологическим оборудованием швейцарской фирмы «Swisscab». В производстве используются материалы ведущих зарубежных и отечественных фирм.
Приведем расшифровку кабеля:

Оптические кабели марки ОМЗКГМ предназначены для прокладки в кабельной канализации, трубах, блоках, коллекторах, в грунтах всех категорий, кроме подверженных мерзлотным деформациям, через водные преграды, неглубокие болота и несудоходные реки.
Допустимая температура эксплуатации от минус 40 до плюс 60˚С.
В таблице 4.2 приведены характеристики кабеля ОМЗКГМ-10-01-0,22-24.
Таблица 4.2 – Характеристики кабеля ОМЗКГМ-10-01-0,22-24(7,0)
|
Параметр |
Значение |
|
Оптическое волокно |
Одномодовое |
|
Количество ОВ |
24 |
|
Диаметр кабеля, мм |
12,9…20,8 |
|
Масса, кг/км |
258…859 |
|
Коэффициент затухания на длине волны 1,55 мкм, дБ/км |
0,22, не более |
|
Хроматическая дисперсия на длине волны 1,55 мкм, пс/нм∙км |
18, не более |
|
Допустимое растягивающее усилие, кН |
7,0 |
|
Допустимое раздавливающее усилие, кН/см |
0,6 |
|
Срок службы, лет |
25, не менее |
|
Строительная длина, м |
5000, не более |
5 Разработка структурной схемы организации связи
На схеме организации связи указываются оконечные пункты и транзитные пункты, где предусмотрено выделение, все мультиплексоры, установленные в этих пунктах, а так же соединения между ними.
Связь организуется по схеме «линейная цепь», с резервированием по схеме 1+1.
Исходя из рассчитанного числа потоков, на проектируемом участке необходимо организовать:
- для телефонии: 190 двухмегабитных потоков;
- для доступа в Internet: 316 двухмегабитных потоков.
Таким образом, на станции Кемерово организуется 506 двухмегабитных потоков, из которых в направлении:
Кемерово – Ленинск-Кузнецкий:
21Е>1> – для телефонии, 10Е>1> – для Internet;
Кемерово – Белово:
28Е>1> – для телефонии, 10Е>1> – для Internet;
Кемерово – Прокопьевск:
51Е>1> – для телефонии, 20Е>1> – для Internet;
Кемерово – Новокузнецк:
90Е>1> – для телефонии, 276Е>1> – для Internet.
Распределение нагрузки по сети указано на схеме организации связи, приведенной в Приложении Б.
6 Комплектация оборудования
Используя на центральном уровне матрицу кросс-коммутации SDH, оборудование OptiX OSN 3500 состоит из блока интерфейсов, блока SCC, блока обработки заголовков и вспомогательного блока интерфейсов. На рисунке 6.1 представлена структура системы OptiX OSN 3500. Функциональные и подчиненные платы соответствующих блоков приведены в таблице приложение В.

Рис. 6.1 – Конфигурация системы OptiX OSN 3500
Чтобы отвечать требованиям услуг разной емкости, OptiX OSN 3500 поддерживает работу различных плат: GXCS (с емкостью кросс-коммутации каналов высокого порядка: 35G и емкостью кросс-коммутации каналов низкого порядка:5G) и EXCS (с емкостью кросс-коммутации каналов высокого порядка: 60G и емкостью кросс-коммутации каналов низкого порядка:5G).
Мультиплексор OptiX OSN 3500 с двухрядным расположением модулей устанавливается в статив стандартизированный ETSI (2200мм х 600мм х 300мм), причем в одном стативе может быть размещено два мультиплексора OptiX OSN 3500 (730мм х 496мм х 295мм). Непосредственно на мультиплексоре все оптические выводы находятся на лицевой стороне оптических интерфейсных модулей. Подключение электрических интерфейсов, осуществляется в верхней части мультиплексора. На рисунке 6.2 показано распределение слотов оборудования OptiX OSN 3500. Платы обработки и платы интерфейсов располагаются в слотах как показано на рисунке 6.2 и в таблице 6.1.

Рисунок 6.2 – Размещение слотов оборудования OptiX OSN 3500
Ядром мультиплексора является не блокируемая, полнодоступная матрица временного коммутатора. Плата кросс-коммутации и синхронизации (EXCSA) обеспечивает кросс-коммутацию сигналов SDH и PDH и синхронизацию системы, слот 9 и 10, горячее резервирование 1+1.
Блок SCC – обеспечение интерфейса для соединения оборудования с системой сетевого управления и обработка сигналов SDH, слот 17 и 18, горячее резервирование 1+1.
Блок источника питания PIU обеспечивает доступ к источнику питания и защиту оборудования от скачков напряжения, слот 27 и 28, горячее резервирование 1+1.
Вспомогательная плата интерфейсов AUX обеспечивает различные интерфейсы для технического обслуживания: интерфейс RS-232 и интерфейс служебного телефона, слот 37.
Платы кросс-коммутации и синхронизации, плата сетевого управления, блок источника питания, вспомогательная плата интерфейсов являются неотъемлемой частью мультиплексора, комплектация мультиплексора остальными платами осуществляется от конкретного применения данного мультиплексора.
Поскольку в Кемерово необходимо осуществить ввод/вывод 190Е1, и 316Е1 Ethernet, то комплектация будет следующей:
две платы SL-16, платы оптического линейного тракта STM-16, интерфейс V-16.2, семь плат PQ1 63хЕ1, четыре рабочих, одна резервная;
одна плата EFS4, плата интерфейса Fast Ethernet 4 порта с коммутатором.
В Новокузнецке необходимо осуществить ввод/вывод 90Е1, и 276Е1 Ethernet, то комплектация будет следующей:
две платы SL-16, платы оптического линейного тракта STM-16, интерфейс V-16.2, платы оптического линейного тракта STM-4 интерфейс V-4.2, SL-4, две платы и три платы PQ1 63хЕ1;
одна плата EFS4, плата интерфейса Fast Ethernet 4 порта с коммутатором.
В Белово необходимо осуществить ввод/вывод 28Е1, и 10Е1 Ethernet, то комплектация будет следующей:
две платы SL-16, платы оптического линейного тракта STM-16, интерфейс V-16.2, плата оптического линейного тракта STM-4 интерфейс V-4.2, SL-4, плата STM-1 интерфейс V-1.2, SL-1L и четыре платы D12В 32хЕ1;
В Прокопьевске необходимо осуществить ввод/вывод 51Е1 , и 20Е1 Ethernet,
то комплектация будет следующей :
две платы SL-16, платы оптического линейного тракта STM-16, интерфейс V-16.2, V-1.2, SL-1L и четыре платы D12В 32хЕ1;
одна плата EFS4, плата интерфейса Fast Ethernet 4 порта с коммутатором.
6.1 Расположение оборудования на объектах “Кузбассэнергосвязь”
ЦУС (г. Кемерово)

Рисунок 6.4. Комплектация мультиплексора OptiX OSN 3500 в узле Кемерово.
ЮЭС (г.Новокузнецк)

Рисунок 6.5. Комплектация мультиплексора OptiX OSN 3500 на узле города Новокузнецка.
Подстанция НК-500 (г.Прокопьевск)

Рисунок 6.6. Комплектация корзины на узеле связи в Прокопьевске.
ЦЭС1 (г. Белово)

Рисунок 6.7. Комплектация мультиплексора OptiX OSN 3500 на узле города Белово.
Подстанция Ново-Ленинская. (г.Ленинск-Кузнецкий)
Рисунок
6.9. Комплектация корзины на узеле связи
в Ленинск-Кузнецком .
Таблица 6.1. Комплектация узлов.
|
Платы |
Кемерово |
Белово |
Новокузнецк |
Прокопьевск |
Ленинск-Кузн. |
ЗИП |
Всего |
|
GXCA |
2 |
4 |
2 |
2 |
2 |
3 |
15 |
|
SCC |
2 |
2 |
2 |
2 |
2 |
3 |
13 |
|
AUX |
1 |
1 |
1 |
1 |
1 |
3 |
8 |
|
PIU |
2 |
2 |
2 |
2 |
2 |
3 |
13 |
|
SL-16 |
2 |
2 |
2 |
2 |
2 |
3 |
13 |
|
SL-4 |
2 |
2 |
2 |
2 |
- |
3 |
11 |
|
SL-1 |
1 |
1 |
- |
- |
- |
2 |
4 |
|
PQ1 |
7 |
4 |
4 |
2 |
2 |
10 |
29 |
|
D12B |
- |
- |
- |
- |
3 |
10 |
13 |
|
EFS4 |
1 |
1 |
1 |
1 |
1 |
2 |
7 |
|
EFS0 |
- |
- |
- |
- |
- |
1 |
1 |
|
ETSI |
1 |
1 |
1 |
1 |
1 |
- |
5 |
7 Расчет параметров надежности ВОСП
Требуемая быстрота и точность передачи информации средствами электросвязи обеспечиваются высоким качеством работы всех звеньев сети электросвязи: предприятий, линий связи, технических средств. Обобщающим показателем качества работы средств связи является надежность.
Надёжность – одна из важнейших характеристик современных магистралей и сетей связи общего пользования. Особенно высокие требования по надёжности предъявляются к кабельным магистралям с большой пропускной способностью, к которым относятся волоконно-оптические кабели (ВОК). Надёжность ОК – свойство сохранять во времени в установленных пределах значения всех параметров, характеризующих способность выполнять требуемые функции в заданных режимах и условиях применения.
Основными нормативными показателями надежности работы являются:
- наработка на отказ;
- коэффициент готовности;
- время восстановления.
Наработка на отказ (Т>0>) – среднее значение времени наработки между двумя последовательными отказами.
Коэффициент готовности (К>г>) – вероятность нахождения объекта технической эксплуатации (ОТЭ) в исправном состоянии в произвольно выбранный момент времени, кроме планируемых периодов, в течение которых он подвергается профилактическому контролю, определяемый по формуле:
, (7.1)
где К>п> – коэффициент простоя, вероятность нахождения линии в произвольно выбранный момент времени, кроме планируемых периодов, в состоянии отказа. При существующей на эксплуатации стратегии восстановления, начинающегося с момента обнаружения отказа (аварии) коэффициент простоя (неготовности) определяется по формуле:
, (7.2)
где
– интенсивность отказов ОК за 1 час на
длине трассы;
Т>в> – время восстановления, продолжительность восстановления
работоспособности ОТЭ после отказа.
Требуемые показатели надёжности внутризоновой первичной сети (ВзПС) с максимальной протяжённостью L>м> (без учета резервирования) приведены в таблице 7.1 в соответствии с РД 45.047-99.
Таблица 7.1 – Показатели надежности для ВзПС, L>м> = 1400 км
|
Показатель надежности |
Канал ТЧ или ОЦК независимо от применяемой системы передачи |
Канал ОЦК на перспективной цифровой сети |
АЛТ |
|
Коэффициент готовности |
> 0,99 |
> 0,998 |
0,99 |
|
Среднее время между отказами, час |
> 111,4 |
> 2050 |
> 350 |
|
Время восстановления, час |
< 1,1 |
< 4,24 |
см. примечание |
Примечание: для оборудования линейных трактов на ВзПС и СМП должно быть:
- время восстановления необслуживаемого регенерационного пункта НРП – Т>в нрп> < 2,5 часов (в том числе время подъезда ремонтной бригады – 2 часа);
- время восстановления обслуживаемого регенерационного пункта ОРП, ОП – Т>в орп> < 0,5 часа;
- время восстановления ОК – Т>в ок> < 10 часов (в том числе время подъезда ремонтной бригады – 3,5 часа).
Произведем расчет параметров надежности проектируемой магистрали Кемерово-Новокузнецк для канала ОЦК (основного цифрового канала) и кабельной линии.
Учитывая, что средняя плотность
отказов (
),
на 100 км кабеля, в год равна 0,34 (по
статистике для подземных кабелей),
рассчитаем интенсивность отказов ОК
за 1 час на длине трассы ВОЛС.
Интенсивность отказов определяется по формуле:
, (7.3)
где L – длина проектируемой трассы, равна 247 км;
8760 – количество часов в году.
= 0,123 × 10-3
При длине канала (магистрали) L не равной L>м>, среднее время между отказами определяется как:
, (7.4)
где L – длина проектируемой ВОЛС, км;
Т>0> – среднее значение времени между отказами, часов;
Т>0> и L>м> – данные из таблицы 7.1
По формуле 7.4 рассчитаем среднее время между отказами:
= 1541 час
По формуле 7.2 рассчитаем коэффициент простоя:
= 1,228 × 10-3
По формуле 7.1 рассчитаем коэффициент готовности:
=
0,99
Определим параметры надежности (Т>0>(L), К>п>, К>г>) для канала ОЦК по формулам (7.1), (7.2), (7.4):
= 9025 часов
= 0,521 × 10-3
=
0,999
В результате расчетов можно сделать вывод, что проектируемая кабельная магистраль, способна выполнять заданные функции с необходимым качеством.
Полученные значения параметров надежности полностью удовлетворяют нормативным.
8 Расчет оптических и передаточных параметров оптического кабеля
8.1 Расчет оптических параметров кабеля
Основным элементом оптического кабеля является волоконный световод – круглый стержень из оптически прозрачного диэлектрика. Оптические волноводы из-за малых размеров поперечного сечения обычно называют волоконными световодами или оптическими волокнами (ОВ).
Оптическое волокно состоит из сердцевины, по которой распространяются световые волны и оболочки. Сердцевина служит для передачи световых волн. Назначение оболочки – создание лучших условий отражения на границе «сердцевина-оболочка» и защита от излучения энергии в окружающее пространство. С целью повышения прочности и тем самым надежности волокна поверх оболочки накладывается первичное защитное упрочняющее покрытие.
Для передачи электромагнитной энергии по световоду используется явление полного внутреннего отражения на границе раздела двух сред. Эффект полного внутреннего отражения реализуется в световодах при соблюдении условия:
, (5.1.1)
где
-
показатель преломления сердцевины
оптического волокна,
-
показателя преломления оболочки
оптического волокна.
На рисунке 8.1 изображено распространение лучей в оптическом волокне.

Рисунок 8.1 – Распространение лучей в оптическом волокне.
Луч полностью отражается на
границе «сердцевина-оболочка» и остаётся
внутри сердцевины (луч 3), когда угол
падения (
)
меньше критического угла, который
определяется соотношением [10]:

(5.1.2)
Величину
называют
апертурным углом.
Апертура - это угол между оптической осью и одной из образующих светового конуса, падающего в торец волоконного световода, при котором выполняется условие полного внутреннего отражения.
Наряду с понятием «угловая апертура» принято использовать понятие «числовая апертура» (Numerical Aperture).
Числовая апертура представляет
собой синус максимального угла падения
лучей на торец световода, при котором
луч в световоде падает на границу
«сердцевина-оболочка» под критическим
углом

(5.1.3)
Числовая апертура равна:

Нормированная, или характеристическая, частота – один из важнейших обобщающих параметров, который связывает структурные параметры оптического волокна и длину световой волны, распространяемой в волокне. По значению нормированной частоты можно судить о режиме работы оптического волокна.
При
< 2,405 – режим работы оптического волокна
– одномодовый.
При
> 2,405 – режим работы оптического волокна
– многомодовый.
Нормированная частота определяется по формуле [10]:
, (5.1.4)
где а – радиус сердцевины волокна, м;
λ – рабочая длина волны, м;
NA – числовая апертура.
Нормированная частота равна:
= 1,90
Из полученного результата 1,90 < 2,405 следует, что режим работы по оптическому волокну – одномодовый. Достоинством одномодовых систем является весьма широкий диапазон частот и большая пропускная способность.
Определим длину волны и частоту, для критического режима, когда поле выходит за пределы оптического волокна и энергия по световоду не распространяется.
Критическая длина волны определяется по формуле [10]:
, (5.1.5)
где d – диаметр сердцевины оптического волокна, м;
Р>nm> – 2,405 значение корня функции Бесселя;
n>1> и n>2> – показатели преломления сердцевины и оболочки.
Критическая длина волны равна:
= 0,83 мкм
Критическая частота определяется по формуле [10]:
, (5.1.6)
где P>nm> – значение корня функции Бесселя;
с>0> – скорость света, м/с;
d – диаметр сердцевины, м;
n>1> и n>2> – показатели преломления сердцевины и оболочки.
Гц
8.2 Расчет передаточных параметров оптического кабеля
8.2.1 Расчет затухания
Затухание и потери являются параметрами, определяющими дальность передачи по оптическому кабелю и его эффективность.
Затухание световодных трактов оптических кабелей (), характеризуется собственными потерями в световодах (>c>) и дополнительными потерями, обусловленными деформацией и изгибами световодов при наложении покрытий и защитной оболочки при изготовлении кабеля (>к>). Суммарное затухание равно [10]:
= >с >+ >к >(5.2.1)
Собственные потери волоконных световодов состоят в первую очередь из потерь поглощения (>п>) и потерь рассеяния (>р>).
Потери на поглощение существенно зависят от чистоты материала и при наличии посторонних примесей (>пр>) могут быть значительными.
Собственное затухание рассчитывается по формуле [10]:
>с> = >п >+ >р >(5.2.2)
Затухание в результате поглощения (>п>)> >связано с потерями на диэлектрическую поляризацию, оно линейно растет с частотой, зависит от свойств материала световода (tgδ) и определяется по формуле [10]:
, (5.2.3)
где n>1> – показатель преломления сердцевины;
tgδ = 1∙10-12 – тангенс диэлектрических потерь материала
сердцевины оптического волокна;
λ - рабочая длина волны, км.
Затухание поглощения равно:
= 0,0261 дБ/км
Затухание вследствие рассеяния (>р>) обусловлено неоднородностями материала ОВ, размеры которых меньше длины волны, и тепловой флуктуацией показателя преломления.
Затухание рассеяния определяется выражением [10]:
, (5.2.4)
где К>р> – коэффициент рассеяния, для кварца равен 0,6 мкм4.
Затухание рассеяния равно:
= 0,104 дБ/км
Потери на рассеяние определяют нижний предел потерь оптического волокна.
В результате, собственные потери мощности в ОВ составят:
>с> = 0,0261 + 0,104 = 0,130 дБ/км
Дополнительные потери в оптических кабелях (>к>) обусловлены деформацией оптических волокон в процессе изготовления кабеля - скруткой, изгибами волокон и так далее.
В общем случае дополнительные потери определяются, как:
(5.2.5)
В процессе изготовления волокна их классифицируют по следующим семи составляющим:
>1 >– возникает вследствие приложения к ОВ термомеханических
воздействий в процессе изготовления кабеля;
>2 >– вследствие температурной зависимости коэффициента
преломления материала ОВ;
>3 >– вызывается микроизгибами ОВ;
>4 >– возникает вследствие нарушения прямолинейности ОВ (скрутка);
>5> – возникает вследствие кручения ОВ относительно его оси;
>6> – возникает вследствие неравномерности покрытия ОВ;
>7> – возникает вследствие потерь в защитной оболочке ОВ.
При соблюдении норм технологического процесса изготовления доминируют потери на микроизгибы.
Потери на микроизгибы и потери в защитных оболочках сравнительно невелики и составляют 0,1 дБ/км.
Расчетное суммарное затухание кабеля равно:
= 0,130 + 0,1 = 0,23 дБ/км
8.2.2 Расчет дисперсии
При прохождении импульсных сигналов по световоду изменяется не только амплитуда импульсов, но и их форма – импульсы уширяются. Это явление называется дисперсией (τ).
Дисперсия – это рассеивание во времени спектральных или модовых составляющих оптического сигнала, которое приводит к увеличению длительности импульса оптического излучения при распространении его по ОВ, рисунок 8.2.

Рисунок 8.2 – Искажение формы импульсов вследствие дисперсии.
Полная классификация составляющих дисперсии оптического волокна приведена на рисунке 8.3.

Рисунок 8.3 – Классификация составляющих дисперсии оптического волокна.
Модовая (межмодовая) дисперсия обусловлена наличием большого числа мод, каждая из которых распространяется со своей скоростью, и имеет место только в многомодовом волокне.
Основной причиной возникновения хроматической (частотной) дисперсии является некогерентность источников излучения, реально работающих в спектре длин волн. Хроматическая дисперсия складывается из волноводной (внутримодовой) (τ>вв>), материальной (τ>мат>) и профильной (τ>пр>):
τ>хр> = τ>мат> + τ>вв> + τ>пр>> >(5.2.6)
Волноводная (внутримодовая) дисперсия обусловлена процессами внутри моды. Она характеризуется направляющими свойствами сердцевины ОВ, а именно: зависимостью групповой скорости моды от длины волны оптического излучения, что приводит к различию скоростей распространения частотных составляющих излучаемого спектра.
Материальная дисперсия обусловлена зависимостью показателя преломления сердцевины и оболочки от длины волны оптического излучения.
К основным причинам возникновения профильной дисперсии относятся поперечные и малые продольные отклонения геометрических размеров и формы волокна. Они могут возникать в процессе изготовления ОВ, строительства и эксплуатации ВОЛC.
Материальную, волноводную, профильную дисперсии определим по формулам [10]:
τ>мат>=∆λ М(λ), (5.2.7)
τ>вв>=∆λ В(λ), (5.2.8)
τ>пр>=∆λ П(λ), (5.2.9)
где ∆λ = 0,5 ширина спектра источника излучения, нм
(для выбранной системы передачи);
М(λ)=-18 пс/нм∙км удельная дисперсия материала;
В(λ)=12 пс/нм∙км удельная волноводная дисперсия;
П(λ)=5,5 пс/нм∙км удельная профильная дисперсия.
По формулам (5.2.7; 5.2.8; 5.2.9) рассчитаем материальную, волноводную, профильную дисперсии:
τ>мат>=0,5 ∙ (-18)=-9 пс/км,
τ>вв>= 0,5 ∙ 12=6 пс/км,
τ>пр>=0,5 ∙ 5,5=2,75 пс/км
Поляризационная модовая дисперсия возникает вследствие различной скорости распространения двух взаимно перпендикулярных поляризационных составляющих моды. Главная физическая причина появления PMD – некруглость профиля сердцевины одномодового волокна.
PMD типового волокна,
как правило составляет от 0,5 до 0,2
.
Поляризационная модовая дисперсия начинает сказываться только при скорости передачи выше 2,5 Гбит/с, поэтому при расчете ее не учитываем.
Результирующая хроматическая дисперсия равна:
τ>хр> = -9 + 6 + 2,75 = - 0,5 пс/км
Полоса частот F, пропускаемая световодом определяет объем информации, который можно передать по ОВ. Так как импульс на приеме приходит искаженным (вследствие различия скоростей распространения в ОВ отдельных частотных составляющих сигнала), то происходит ограничение полосы пропускания сигнала. Дисперсия () связана с полосой пропускания следующим соотношением [10]:
(5.2.10)
Определим полосу пропускания волоконного световода:
= 880 ГГц∙км
8.3 Расчет длины регенерационного участка
8.3.1 Расчет количества и помехоустойчивости линейных регенераторов

Рис.8.4 Блок схема линейного регенератора (РЛ)
Характеристики линейного регенератора:
Энергетический бюджет:
,
(1)
где [дБ/км], L - затухание и длина ОВ, P>ПОМ>, P>min> – пиковая мощность световых импульсов на выходе ПОМ и чувствительность ПРОМ соответственно.
Скоростной бюджет ВОСП
(2)
где τ>i>
– быстродействие отдельных компонент
ВОСП;
- общее быстродействие системы.
В случае NRZ – кода
допустимое время нарастания и спада
может достигать 70% от периода, т.е.:
, (3)
где B – битовая скорость. Для бифазных кодов:
.
(4)
Составляющими суммы в (2) являются:
- быстродействие ПОМ и его контроллера τ>пом>;
- быстродействие ПРОМ τ>пром>; - быстродействие ОК:
;
, (5)
где D- коэффициент
хроматической дисперсии ОВ;
- уширение оптического сигнала, связанное
с межмодовой дисперсией в многомодовом
ОВ;
-
полоса частот ОВ длиной 1км., которая
является справочной величиной.
В условиях, когда чувствительность РЛ определяется тепловым шумом с гауссовой статистикой его коэффициент битовых ошибок p>ош> определяется формулой:
, (6)
где Ф(х)- табулированная функция ошибок
(7)
Распространенная аппроксимация функции ошибок:
,
(8)
Величина p>ош> полностью определяется Q-фактором помехоустойчивости ЦСП:
,
(9)
где U>1>,
U>0 >- средние
уровни напряжений на выходе фотоприемника
на тактовых интервалах (ТИ) длительностью
при передаче 1 и 0 соответственно; >1>
и >0> -
среднеквадратичные уровни шумовых
напряжений на указанных ТИ.
Выражение (9) справедливо, если пороговый уровень U>пор> решающего устройства ПРОМ установлен равным:
.
(10)
Параметры U>1>, U>0,> >1> и >0> в выражении для Q-фактора шумящего ПУ можно выразить через соотношение чисел сигнальных и шумовых фотоэлектронов на анализируемом ТИ:
(11)
где n>c>- среднее число сигнальных фотоэлектронов на ТИ:
(12)
,
M, F(M)-
квантовая эффективность коэффициент
лавинного умножения и коэффициент шума
лавинного ФД; Для p-i-n
диода F(M)=1.
Для ЛФД:
,
где:
(13)
-
мощность оптического сигнала;
Дж/Гц – постоянная Планка;
(14)
- среднее число фотоэлектронов
темнового тока
ФД
на ТИ, определяющее его дробовой шум;
Кл
– заряд электрона; T
– длительность ТИ;
G- суммарный коэффициент шума репитеров (ВОУ) регенерационного участка длиной L,
(15)
где
-
расстояние между репитерами (ВОУ);
-
коэффициент затухания сигнала в ОВ;
-
коэффициент инверсии ВОУ, определяющий
его шумовые свойства.
(16)
безразмерный температурный параметр, определяющий уровень шумов входной цепи и усилителя ПРОМ;
t – температура
в градусах Кельвина;
Дж/К – постоянная Больцмана; где
,
-
шумовые параметры транзисторов (см.
ниже).
Величина R в (16) определяет номинал нагрузочного резистора интегрирующего ПУ или сопротивления обратной связи ТИУ. Емкость же C складывается из выходной емкости фотодиода, входной емкости ПУ и емкости монтажа.
В формуле (16) коэффициенты I>2>,I>3 >в, называемые интегралами Персоника, устанавливают соотношение между эффективной шумовой полосой частот ПУ В>эф> и битовой скоростью B:
.
(17)
При этом второе слагаемое (17)
определяет уширение В>эф>,
связанное с воздействием на
помехоустойчивость ПРОМ внутреннего
источника шумового напряжения
предварительного усилителя ПРОМ
(см.рис.6). Коэффициенты I>2>,I>3>
выражается через отношение спектров
огибающей оптического сигнала на выходе
(
)
и входе (
)
ПУ. Аргументом этих зависимостей является
безразмерная нормированная частота
:
,
(18)
(19)
Спектр
в (18),(19) определяется формой оптического
сигнала на входе ПРОМ Р>с>(t),
которая чаще всего близка к гауссовой
кривой:
.
(20)
где - параметр формы сигнала (см. рис.2). Вследствие частотных ограничений АЧХ линейного тракта H(f) сигнал Р>с>(t) на выходе ПРОМ отличается от (20). Обычно указанные отклонения используют для минимизации межсимвольной интерференции. Именно этим условием и регламентируется форма АЧХ H(f) цифрового ПРОМ.
Таким свойством, например, обладает тракт с характеристикой H(f) вида «приподнятого косинуса»:
,
(21)
которая получила широкое распространение на практике. Для сигналов гауссовой формы и АЧХ вида (3) зависимость интегралов Персоника I>2>,I>3> от параметра формы гауссового сигнала изображена на рис.8.6.
|
Рис.8.5.Зависимость АЧХ приподнятого косинуса |
Рис.8.6. Зависимость интеграла Персоника от гаусовского сигнала α |
Важной характеристикой ЛР
является входящий в формулу (10) коэффициент
уширения сигнала
относительно длительности ТИ. Он
описывает дисперсионные искажения
цифрового сигнала в ОВ и численно равен
доле сигнальных фотоэлектронов
рассеянных за пределы «своего» ТИ. Эта
доля и определяет дисперсионное уширение
импульса на величину
:
. (22)
Для сигналов гауссовой формы рассчитанная по зависимость параметра от изображена на рис.8.8.
В одномодовых оптических волокнах (ОВ):
,
(23)
где
- дисперсионный коэффициент ОВ; L
– длина линии связи;
- ширина спектра оптического сигнала.
Значения коэффициента D стандартизировано требованиями МСЭ-Т (ITU-T) и соответствует данным рисунка 4. Здесь используются обозначения: DSF (Dispersion Shift Fiber)- ОВ со смещенной дисперсией; NDSF (Non Dispersion Shift Fiber) – стандартное волокно с несмещенной дисперсией; NZ-DSF (Non Zero Dispersion Shift Fiber) – волокно с ненулевой смещенной дисперсией.

Рис.8.7 Требования на уровень дисперсии в ОВ различного типа
Для многомодового ОВ со ступенчатым профилем:
,
(24)
где
-
разность показателей преломления
сердцевины
и
оболочки
ОВ:
, (25)
NA – числовая
апертура ОВ;
-
параметр связи мод (если связи нет, то
;
полная связь-
).

Рис.8.8. Зависимость коэффициента уширения от параметра сигнала гауссовой формы
Для многомодового градиентного ОВ:
.
(26)
Теоретическое ограничение на
минимальную ширину линии излучения
лазера
в (23). Если излучение идеального лазера
(
)
модулируется со высокой скоростью B,
то линия излучения уширяется на величину:
.
Откуда, учитывая, что
,
получим:
.
(27)
Из (27) следует, что уширение линии излучения, связанное с модуляцией ЛД, при скорости B~10 Гбит/с превышает ширину спектра немодулированного излучения DBF – лазера и этот эффект следует учитывать при расчете МСИ-1.
8.4 Расчет коэффициента битовых ошибок BER внутризонового участка ВОСП
Для расчета коэффициента битовых ошибок воспользуемся математическим пакетом Matcad.
1.Исходные днные.
Длинна волны λ=1,5мкм
Мощность сигнала на входе линии -2дб
Общая длинна линии 247 км
Коэффициент затухания сигнала в тракте СП (дБ/км) α = 0,2
Дисперсионный коэффициент
искажений сигнала в ОВ (пс/нм·км) D=0,2
При длине линии между оптическими
усилителями 133 км мы получаем BER=
.
Такой уровень ошибок на внутризоновых линиях связи недопустим.
Оптимальная длина линии, при
которой обеспечивается требуемый
коэффициент ошибок 90 км. При этом BER=
,
что соответствует стандарту на
внутризоновую линию ВОЛС.
На участке протяженностью 94 км
обеспечивается коэффициент битовых
ошибок BER=
.
На основании проведенных расчетов,
заключаем, что в данную ВОЛС требуется
установить дополнительно два регенератора.
9 Электропитание аппаратуры
В зависимости от требований по надежности электроснабжения электроприемники предприятий связи подразделяются на первую, вторую и третью категорию. Из состава электроприемников первой категории выделяется особая группа потребителей, предъявляющих повышенные требования к надежности электроснабжения. К ней относятся междугородные телефонные станции и узлы, сетевые узлы и узлы автоматической коммутации, обслуживаемые усилительные пункты кабельных магистралей, районные узлы связи промышленных районов, городские телефонные станции.
В качестве основного источника электроэнергии для предприятий проводной связи служат электрические сети энергосистем. Распределение электроэнергии переменного напряжения внутри предприятия связи осуществляется переходным потоком с напряжением 380/220 В. Здание ЗАО «Кузбассэнергосвязь» имеет основное и резервное питание, основное по кабельной линии Ф-1 от 1с-0,4 кВ от РП 10/0,4 подстанции КМК, резервное питание осуществляется по кабельной линии 0,4 кВ от КТП-431-10/0,4 кВ через пункт распределения от подстанции КМК. В помещение аппаратной электрического питания питание подается от щитовой здания по кабелю АВВГ 3*50+1*25.
Показатели качества подаваемого на вход электроустановки переменного напряжения определяются ГОСТ «Электрическая энергия. Нормы качества электрической энергии и ее приемников, присоединенным к электрическим сетям общего назначения». Показатели качества постоянного и переменного напряжений, подаваемых на аппаратуру связи, нормируются ГОСТ 5237-83 «Аппаратура электросвязи. Напряжение питания и методы измерений» и техническими условиями на аппаратуру.
Источник питания постоянного тока PRS 700 установлен в помещении аппаратной электрического питания. ЭПУ PRS 700 представляет собой систему электропитания, в которую установлено 4 выпрямителя, блок управления и контроля, комбинированные распределительные панели и аккумуляторные батареи. PRS 700 имеет модульную структуру, что позволяет без отключения нагрузки от сети заменять неисправные блоки или добавлять новые.
Таблица 9.1 Технические характеристики PRS 700
|
Параметры |
Номинальное напряжение, В |
|
Входное напряжение |
3*380 |
|
Выходное напряжение |
40-58 |
|
Стабильность выходного напряжения |
|
|
- статическое |
|
|
- скачок нагрузки (0-90%, 90-0%) |
|
|
КПД |
>91% |
|
Пониженное напряжение батареи |
50,4 |
|
Напряжение автоматического отключение батареи |
43,2 |
|
Ток нагрузки, А -минимальный -максимальный |
1,5 15 |
Информация о параметрах системы отображается на ЖК панели блока управления AL175, сообщения о неисправности PRS 700 выведены на компьютер, что позволяет постоянно иметь достоверную информацию о работе системы. С помощью PRS 700 осуществляется питание аппаратуры AXD 620, а также другой аппаратуры находящейся в помещении ЛАЗ, позволяет устранить недопустимые для аппаратуры SDH импульсные помехи, существующие в распределительной проводке.
Выберем кабель для прокладки от PRS-700 до мультиплексора. Силовые кабели с резиновой изоляцией предназначены для стационарной прокладки в электрических сетях, для передачи и распределения электрической энергии на трассах с неограниченной разностью уровней прокладки при переменном и постоянном напряжении. Кабели изготавливают в оболочке из маслостойкой и не распространяющей горение резины, ПВХ пластиката или свинца. Силовые кабели с резиновой изоляцией изготовляют с алюминиевыми или медными жилами. Они должны соответствовать ГОСТ 22483-77.
Для расчета сечения провода воспользуемся формулой для нахождения электрического сопротивления токоведущей жилы кабеля по постоянному току:
(8.1)
где
-
удельное сопротивление, для меди

S – сечение жилы;
-
длина кабеля.
Следовательно сечение кабеля:
(8.2)
Электрическое сопротивление токоведущей жилы кабеля по постоянному току:
(8.3)
где
-
допустимые потери напряжения 1В;
-
максимальные ток нагрузки, 15 А.

сечение провода по формуле 8.2:

При
напряжении сети не выше 250 В допускается
применение кабелей с резиновой изоляцией,
бронированные, но без наружного покрова
из кабельной пряжи. Так как кабель будет
прокладываться внутри помещения, не
будет подвергаться значительным
растягивающим усилиям, то выбор остановим
на кабеле АВРБГ 2х10 (двухжильный с
сечением
).
10 Оценка экономической эффективности проектируемой оптической транспортной сети ЗАО «Кузбассэнергосвязь»
В дипломном проекте предусматривается модернизация оптической транспортной сети ЗАО «Кузбассэнергосвязь» на участке Кемерово – Ленинск-Кузнецкий – Белово –Прикопьевск - Новокузнецк с использованием системы SDH по существующему кабелю АО «Транстелеком» и ОАО «Ростелеком» на правах взаимозачета. Длина магистрали составляет 247 км. Общее число каналов 15180 или число 2 Мбит/с потоков– 506. Для оценки технико-экономических эффективности проектируемой оптической транспортной сети произведем расчет экономических показателей.

Рисунок 10.1 – Последовательность расчета
Количество оборудования системы передачи в ОП определяется в соответствии с необходимым числом каналов и комплектацией аппаратуры. По проекту, согласно рассчитанной длины регенерационного участка, для аппаратуры OptiX OSN 3500 на магистрали Кемерово – Ленинск-Кузнецкий- Белово – Прокопьевск - Новокузнецк не потребуются затрат на строительство ВОЛС, так как воспользуемся существующем волокном ЗАО
«Кузбассэнергосвязь» . Схема организации связи представлена в приложении Б.
10.2 Расчет капитальных затрат
Капитальные вложения – это затраты на расширение воспроизводства основных производственных фондов. Для проектируемой оптической транспортной сети ЗАО «Кузбассэнергосвязь» капитальные затраты должны рассчитываться на приобретение оборудования OptiX OSN 3500, которое будет установлено в существующих зданиях, с использованием существующего волокна, затраты на ЭПУ и измерительную аппаратуру рассчитываются по данным производственно-технического отдела «Кузбассэнергосвязи».
Капитальные вложения являются важнейшим экономическим показателем, так как непосредственно характеризуют, во что обходится создание новых сооружений техники связи.
Сметная стоимость оборудования определяется с учетом затрат на тару и упаковку оборудования, транспортных затрат и заготовительно-складских расходов, монтажа и настройки аппаратуры, которые рассчитываются укрупненно в процентах от стоимости оборудования. В расчете использованы цены текущего года. Количество оборудования приведено в таблице 10.2.
Расчет капитальных затрат на оборудование сведен в таблицу 10.2.
Приложение Г.
Таким образом, капитальные затраты:
(9.1)
Капитальные затраты на контрольно-измерительную аппаратуру:
тыс. руб. по данным
производственно-технического отдела
ЗАО «Кузбассэнергосвязь»,
тыс. руб. по данным
производственно-технического отдела
ЗАО «Кузбассэнергосвязь».
Общие капитальные затраты:
К = 20261,07+ 1000,8 + 200,55 = 21462,42 тыс. руб.
Таблица 10.3 Расчет капитальных затрат на проектируемый участок
|
Наименование капитальных затрат |
Капитальные затраты, тыс. руб. |
Структура затрат, % |
|
1.Каналообразующая аппаратура ОП, НРП |
20261,07 |
94,3 |
|
2.Контрольно-измерительная аппаратура |
1000,8 |
4,7 |
|
3. ЭПУ |
200,55 |
0,2 |
|
Всего |
21462,42 |
100 |
10.3 Расчет численности производственных работников
Количество технического персонала ЛАЦ ОП на текущее обслуживание, профилактику каналов и оборудования принимается 2 человека на станцию. Не требуются работники по обслуживанию кабельных линий связи, так как обслуживание ЛС осуществляют работники АО «Транстелеком» и ОАО «Ростелеком». Так же на каждом узле есть работник по обслуживанию электропитающих устройств.
Общая численность производственных работников по обслуживанию транспортной сети:
(9.4)
Тогда:
Ш=2 5=10 чел.
10.4 Расчет затрат на эксплуатацию
Затраты на эксплуатацию включают в себя:
- годовой фонд оплаты труда - ФОТ;
- единый социальный налог - ЕСН,
- затраты на материалы и запасные части - Зм;
- затраты на электроэнергию со
стороны для производственных нужд -
;
- амортизационные отчисления на полное восстановление основных производственных фондов (АО).
Годовой фонд оплаты труда рассчитывается по формуле (9.5):
,
тыс. руб. (9.5)
где Ш – штат работников;
З – среднемесячная зарплата, равна 6000 рублей;
k тер – территориальный коэффициент, для заданной местности 1,3;
ФОТ = 10 х 6000 х 1,3 х 12 = 936 тыс. руб.
Единый социальный налог – отчисления в пенсионный фонд, на социальное страхование, медобслуживание – определяются в размере 26,2 % от фонда оплаты труда, следовательно
З соц = 0,262 х 936 = 245,232 тыс. руб.
Расходы на электроэнергию для производственных нужд определяются по одноставочному тарифу, исходя из потребляемой мощности и тарифа за 1 кВт . час
Затраты на электроэнергию определяются по формуле (9.6):
, (9.6)
где N i – количество единиц оборудования определенного типа;
W i – мощность, потребляемая за час работы единицей оборудования, кВт;
t i – время действия оборудования в часах за год;
- коэффициент полезного действия, равный 0,8;
m – одноставочный тариф для предприятий, 1,4 руб. за 1 кВт.
Расчет потребляемой мощности сведем в таблицу 10.4.
Таблица 10.4 Расчет потребляемой мощности
|
Наименование оборудования |
Потребляемая мощность единицы оборудования, Вт |
|
OptiX OSN 3500 |
450 |
Данные приведены, согласно, технических характеристик оборудования.

Амортизационные отчисления на полное восстановление ОПФ определяются, исходя из стоимости ОПФ и норм амортизации на полное восстановление по формуле:
(9.7)
где Фосн – стоимость основных производственных фондов i – го вида.
ni – норма амортизации, %
Таблица 10.5 Амортизационные отчисления
|
Виды ОПФ |
Нормы амортизации, % |
Стоимость ОПФ, тыс. руб. |
Амортизационные отчисления, тыс. руб |
|
1.Каналообразующая аппаратура ОП |
12,5 |
20261,07 |
2532,633 |
|
2.Контрольно-измерительная аппаратура |
6,7 |
1000,8 |
67,06 |
|
3.ЭПУ |
12,5 |
200,55 |
25,068 |
|
Всего |
21462,42 |
2624,761 |
Результаты расчета всех видов затрат на эксплуатацию представлены в таблице 10.6.
Затраты на материалы, запасные части и прочие затраты определяются укрупненно по структуре затрат на эксплуатацию (7 % на материалы и запчасти, 10 % на прочие затраты).
Таблица 10.6 Затраты на эксплуатацию
|
Наименование затрат |
Сумма затрат, тыс. руб. |
Структура затрат, % |
|
Годовой фонд оплаты труда |
936 |
18 |
|
Отчисления на соцстрах |
245,232 |
4,72 |
|
Расход на электроэнергию со стороны для производственных нужд |
34,492 |
0,66 |
|
Амортизационные отчисления |
2624,761 |
49,62 |
|
Итого |
3843,485 |
73 |
|
Материалы и запчасти |
363,693 |
7 |
|
Прочие затраты |
1039,122 |
20 |
|
Всего |
5246,3 |
100 |
10.4 Расчет доходов от услуг связи
Доходы (Д) рассчитываются укрупненно по количеству предоставляемых услуг связи (N пот) и тарифа за услуги связи.
Доходы ЗАО «Кузбассэнергосвязь» зависят от арендуемых потоков Е1 коммерческими партнерами.
(9.8)
где
-
доход от сдачи в аренду потоков Е1;
к=0,4 - коэффицикент использования производственных мощностей.
Тариф за аренду потока Е1 (m) зависит от расстояния до места пользования. Тариф за аренду потока (на расстояние свыше 100 км) по данным производственно-технического отдела ЗАО «Кузбассэнергосвязь» составляет:
за поток Е1
Всего по данным производственно-технического отдела ЗАО «Кузбассэнергосвязь» на проектируемой оптической транспортной сети различные коммерческие организации готовы взять в аренду 160Е1, следовательно доход от аренды за год:
(9.9)

10.5 Оценка экономической эффективности капитальных вложений на проектируемый участок сети
Результаты технико-экономических показателей сведем в таблицу 10.7.В таблице 10.7, прилжение Г, представлены результаты расчета экономической эффективности проектируемой транспортной сети, которые оцениваются системой показателей абсолютной экономической эффективности.
10.6 Оценка эффективности инвестиций
Методика оценки эффективности инвестиций предполагает оценку эффективности за период Т (расчетный период). Расчетный период разбивается на шаги по одному году. Для каждого шага рассчитываются показатели доходов, затрат по годам расчетного периода с учетом степени задействования производственной мощности. Подобный расчет необходим для привлечения инвесторов, обоснования получения кредита в банке, для составления бизнес-плана.
Рассчитываются следующие показатели:
1) ЧДД – чистый дисконтированный доход
(9.10)
где
- результат производственной деятельности
на
-шаге
(
);
-
эксплуатационные затраты на
-шаге
(
);
– коэффициент дисконтирования
для приведения к начальному моменту
времени;
–
норма дисконта, выбирается не
ниже банковского процента и представляет
собой приемлемую для инвестора норму
прибыли (рассчитываем при Е = 15% и Е =
25%);
* – означает, что прибыль на каждом шаге определяется с учетом налоговых выплат из прибыли и амортизационных отчислений, которые остаются на балансе предприятий.
2) ИД – индекс доходности – показывает отношение прибыли к капитальным затратам:
(9.11)
3) ВНД – внутренняя норма доходности – равна норме дисконта, при которой выполняется условие:
(9.12)
4) Срок окупаемости Т ок – наступает тогда, когда суммарная прибыль превышает капитальные затраты (положительное сальдо).
Произведем расчет чистого притока от операций для пяти шагов. Задействование мощности производится равномерно по 10 %, на нулевом шаге – 50 %. Результаты расчетов сведем в таблицу 10.8. Приложение Г.
Приток реальных денег для нормы дисконта Е = 15 % занесем в таблицу 10.9.
Таблица 10.9 Приток реальных денег (при Е=15 %)
|
|
|
|
|
|
Результат деятельности на шаге, тыс.руб |
Приток реальных денег, тыс. руб. |
|
|
0 |
1 |
7101,57 |
7102 |
21080,9 |
21080,9 |
-13978,9 |
-13978,9 |
|
1 |
0,87 |
8398,19 |
7307 |
-- |
-- |
7307 |
-6671,91 |
|
2 |
0,756 |
9694,81 |
7330 |
-- |
-- |
7330 |
658,084 |
|
3 |
0,658 |
10991,4 |
7233 |
-- |
--- |
7233 |
7891,08 |
|
4 |
0,572 |
12288,0 |
7029 |
-- |
--- |
7029 |
14920,1 |
|
5 |
0,497 |
13584,7 |
6752 |
||||
|
Всего |
42753 |
21080,9 |
Чистый дисконтированный доход составляет:
ЧДД = 42753 – 21080,9 = 21672,1 тыс. руб.
Индекс доходности:

Таким образом, при норме дисконта Е = 15 % срок окупаемости наступает на втором году.
Приток реальных денег для нормы дисконта Е = 25 % занесем в таблицу 10.10.
Таблица 10.10 Приток реальных денег (при Е=25 %)
|
|
|
|
|
Результат деятельности на шаге, тыс.руб |
Приток реальных денег, тыс. руб. |
||
|
0 |
1 |
7101,6 |
7102 |
21080,9 |
21080,9 |
-13978,9 |
-13978,9 |
|
1 |
0,8 |
8398,2 |
6719 |
6719 |
-7259,9 |
||
|
2 |
0,64 |
9694,2 |
6205 |
6205 |
-1054,9 |
||
|
3 |
0,512 |
10991,4 |
5628 |
5628 |
4573,1 |
||
|
4 |
0,41 |
12288,1 |
5039 |
5039 |
9612,1 |
||
|
5 |
0,328 |
13584,7 |
4456 |
4456 |
4068,1 |
||
|
Всего |
35149 |
21080,9 |
Чистый дисконтированный доход составляет:
ЧДД = 35149 – 21080,9 = 14068,1 тыс. руб.
Индекс доходности:

Таким образом, при норме дисконта Е = 25 % срок окупаемости наступает на третьем году.
Внутреннюю норму доходности находим графическим методом, изображенным на рисунке 10.2.
Внутренняя норма доходности, найденная графическим методом, равна ВНД = 50 % при горизонте расчета 5 лет.
Рисунок 10.2 – Нахождение ВНД графическим методом
По показателям абсолютной экономической эффективности срок окупаемости проекта составил 1,45 лет, по оценке экономической эффективности инвестирования при норме дисконта 15% чистую прибыль получим на втором году работы.
Выбранная аппаратура OptiX OSN 3500 компании «Huawei Technologies» с экономической точки зрения отвечает всем необходимым параметрам. Построение оптической транспортной сети ЗАО «Кузбассэнергосвязь» экономически выгодно предприятию.
11 Управление транспортной сетью
Одним из немаловажных факторов обеспечения надежности сетей связи является эффективное управление их ресурсами. Для этого должны организовываться сети управления электросвязью – TMN (Telecommunications Management Network).
Сеть управления состоит из:
-“агентов управления” – контролеров, помещаемых в сетевые элементы;
-каналов передачи данных;
-систем управления с их операционными системами и рабочими станциями.
OptiX OSN 3500 управляется централизованно, посредством системы сетевого управления. При помощи интерфейса Qx или интерфейса языка человек-машина (MML) система сетевого управления обеспечивает функции управления и технического обслуживания при возникновении отказов, при функционировании оборудования, при конфигурировании и для обеспечения безопасности. Система сетевого управления позволяет улучшить качество услуг, снизить затраты на техническое обслуживание и гарантирует рациональное использование ресурсов.
Компания «Huawei Technologies» представляет клиентам серию оборудования оптической передачи, которая может применяться на различных сетевых уровнях. Для управления подсетью, участками сети и национальной сетью, система сетевого управления обладает функциями мониторинга и управления сетями оптической передачи. Согласно концепции управления телекоммуникационной сетью, иерархические модули сетевого управления, системы сетевого управления подразделяются на уровень сетевого элемента NEL, уровень управления сетевыми элементами EML, уровень управления сетью NML, уровень управления услугами SML, уровень управления предприятием BML. Уровень управления NE управляет оборудованием одной подсети, а система сетевого управления выполняет распределение сетевых уровней, мониторингом отказов, анализом функционирования, анализом ресурсов, распределением каналов и т.д.
Для обеспечения функции сетевого управления различных уровней OptiX iManager компании Huawei оснащен терминалом технического обслуживания, системой управления NE, системой сетевого управления регионального уровня, системой сетевого управления сетевого уровня. Эти устройства применяются на уровне сетевого элемента, уровне управления подсетью и уровне управления сетью, а также обладают функциями уровня управления услуг. Вся серия оборудования OptiX iManager реализует единое управление оборудованием SDH, WDM и OSN. Такой набор оборудования позволяет компании Huawei обеспечивать полные решения по управлению сетью для операторов, включая отдельные виды оборудования, услуг, а также решения для сетей с большим разнообразием услуг.
Программное обеспечение, поставляемое с синхронными мультиплексорами, позволяет управлять как отдельными мультиплексорами, так и всей сетью с локального и центрального терминала. При этом выполняются требования ITU-T к следующим функциям управления:
-обработка аварийных сообщений для локализации неисправного устройства в сети передачи;
-локализация неисправностей оборудования на уровне модулей;
-контроль за параметрами качества, в соответствии с требованиями ITU-T G.826;
-защита сети от несанкционированного доступа со стороны различных категорий пользователей.
Оборудование OptiX OSN 3500 отвечает требованиям клиентов по эксплуатации, управлению и техническому обслуживанию в аспекте обслуживания статива, плат, функциональных настроек. Оборудование обеспечивает мощные функции техобслуживания.
Полка выдает визуальные и звуковые аварийные сигналы, напоминающие обслуживающему персоналу о необходимости принятия соответствующих действий.
Оборудование обеспечивает 16 входящих интерфейсов двоичных величин и 4 исходящих интерфейса двоичных величин. Также имеются 4 интерфейса исходящей передачи аварийных сообщений, облегчающие управление и эксплуатацию оборудования.
Все платы оборудованы индикаторами рабочего и аварийного состояния, что помогает обслуживающему персоналу локализовать и устранить неисправности в кратчайшие сроки.
Полки обладают функцией автоматического отключения лазера ALS одномодового оптического интерфейса блока оптических интерфейсов SDH и блока оптических интерфейсов Ethernet.
Платы оптических интерфейсов (включая EGS2) используют подключаемый модуль небольшого форм-фактора (SFP) - оптический модуль, позволяющий операторам выбирать при эксплуатации между одномодовым и многомодовым использованием оптических модулей. При замене оптического модуля (без замены плат или отключения источника питания) оператор может предоставить пользователю определенный канал и GE услуги для реализации передачи, обеспечивая беспрерывное предоставление услуг другим портом.
Функция служебного телефона реализуется для обеспечения каналов связи для обслуживающего персонала различных установок.
При помощи системы сетевого управления осуществляется мониторинг состояния аварийных индикаторов всех станций.
Программное обеспечение плат и программное обеспечение хоста обновляется в режиме он-лайн. Программное обеспечение плат и шлюзового массива с возможностью перепрограммирования в процессе (FPGA) поддерживают режим удаленной загрузки, функцию предупреждения ошибочной загрузки и защиту от прерывания передачи.
При отказе оборудования функция удаленного технического обслуживания позволяет обслуживающему персоналу выполнять удаленное техобслуживание оборудования OptiX OSN 3500 посредством сети ТфОП.
Для реализации удаленного тестирования битовых ошибок плата обработки PDH обеспечивает функцию псевдослучайного тестирования.
При построении транспортной сети учтем, что система сетевого управления и контроля расположена в городе Кемерово, с ее помощью будет обеспечиваться управление проектируемой транспортной сетью. Управляющее устройство подключается в г.Кемерово через интерфейс Q3.
Предусмотрим подключение плезиахронного оборудования к сети управления или подключение датчиков через интерфейс Q2. Каждому узлу транспортной сети должен быть присвоен свой сетевой адрес в шестнадцатеричном коде для обеспечения управления с главного узла.
Схема управления транспортной сетью приведена в приложении Г.
12 Техника безопасности и жизнедеятельности
12.1 Анализ объективных факторов производственной опасности
Опасным называется производственный фактор, воздействие которого на работающего в определенных условиях приводит к травмам или другому внезапному резкому ухудшению здоровья. Если же производственный фактор приводит к заболеванию или снижению работоспособности, то его считают вредным [1, 2].
Согласно ГОСТ 12.0.003-74 «ССБТ. Опасные и вредные производственные факторы. Классификация» все опасные и вредные производственные факторы подразделяются на следующие группы: физические, химические, биологические, психофизиологические (в нашем случае вклад вносят только физические и психофизиологические факторы).
К опасным физическим и вредным производственным факторам относятся: движущиеся машины и механизмы, подвижные части производственного оборудования, передвигающиеся изделия (материалы, заготовки); повышенная и пониженная температура поверхностей оборудования, материалов; повышенная или пониженная температура воздуха рабочей зоны; повышенные уровни шума, вибрации, ультразвука, инфразвуковых колебаний [1, 3].
К опасным психофизиологическим и вредным производственным фактором относятся физические (статические и динамические) и нервно-психические перегрузки (умственные перенапряжение, монотонность труда, эмоциональные перегрузки) [2].
Произведем анализ основных факторов производственной опасности при проведении исследовательской работы на ПК.
В помещении установлены сетевые розетки с напряжением в сети 220В с частотой 50 Гц.
На рабочем месте необходимо определить физически опасные и вредные производственные факторы. Этими факторами являются:
- повышенное значение напряжения в электрической цепи, замыкание которой может произойти через тело человека;
- повышенный уровень электромагнитного излучения.
Воздействие на человека любого из этих факторов приводит к ухудшению состояния здоровья человека: снижение остроты зрения, утомляемость, головные боли. Поражение электрическим током может привести и к более серьезным последствиям: ожогам, электротравмам, смерти [2].
При работе с ЭВМ основную опасность представляет излучение монитора, которое может отрицательно сказаться на здоровье человека. Заметим, что спектр этого излучения достаточно широк: это и рентгеновское излучение, и инфракрасное излучение, и радиоизлучение. Угрозу здоровью представляют также электростатические поля. Самое опасное из излучений монитора – переменное электрическое поле. Монитор ЭВМ должен соответствовать требованиям ГОСТ 27954 – 88 «Мониторы ПЭВМ. Типы, основные параметры, общие технические требования». Согласно этому ГОСТу мощность дозы рентгеновского излучения на расстоянии 5 см от экрана не должно превышать 0.03 мкР/с при 41часовой недели, а плотность ультрафиолетового излучения не должна превышать 10 Вт/м2 [2, 3].
12.2 Требования по технике безопасности на рабочем месте
12.2.1 Санитарные нормы
Выбор типа исследовательского помещения определяется технологическим процессом, возможностью борьбы с шумами, вибрациями и загрязнением воздуха. Наличие больших оконных проемов и ламп должно обеспечивать хорошую естественную освещенность. В помещении обязательно устройство вентиляции [3].
Согласно требованиям СанПиН-2.2.2.542-96 площадь помещения, которая должна приходиться на каждого работающего в кабинете настольных вычислительных машин, должна быть не менее 3 м2. Высота производственных помещений быть не менее 3,2 м. Стены и потолки необходимо сооружать из малотеплопроводных материалов, не задерживающих осаждение пыли. Полы должны быть теплыми, нескользкими [2, 3].
Линейно-аппаратный зал имеет следующие размеры: высота – 3,2 м, длина – 8 м, ширина – 4 м, число ЭВМ равно 2. Таким образом, данное помещение площадью 32 м2 удовлетворяет нормам СанПиН-2.2.2.542-96 по параметру необходимой площади и по параметру высоты.
12.2.2 Освещенность
Недостаточная освещенность рабочего места приводит к быстрой утомляемости глаз и снижению мозговой активности. При постоянном воздействии этого фактора развиваются различные болезни глаз. В зависимости от источников света освещение может быть естественным и искусственным. Естественное освещение обычно бывает боковым и поступает через окна в наружной стене. Искусственное освещение применяется при недостаточном естественном освещении [3]. Коэффициент естественной освещенности при естественном боковом освещении, в соответствии с СНиП 23-05-95, должен быть в пределах 1 – 3 % в зависимости от характера выполняемых работ. Согласно требованиям ГОСТ 12.2.007.13.88 «Лампы электрические», освещенность рабочей поверхности при проведении исследовательских работ должна быть 300 Лк, при работе на ЭВМ с одновременной работой над документами – 400 Лк. Если общего освещения недостаточно, необходимо дополнительное местное освещение
[2, 3].
12.2.3 Защита от статического электричества
В ВЦ разрядные токи статического электричества чаще всего возникают при прикосновении обслуживающего персонала к любому из элементов ЭВМ. Такие разряды для человека неопасны, но могут привести к выходу ЭВМ из строя [3].
Для снижения величин возникающих зарядов статического электричества в ВЦ покрытие технологических полов выполняется из однослойного поливинилхлоридного антистатического линолеума марки АСН. Другим методом защиты является нейтрализация заряда статического электричества ионизированным газом. К общим мерам защиты от статического электричества относятся общее и местное увлажнение воздуха, обработка поверхностей и рабочей одежды антистатиком [2, 3].
12.2.4 Электромагнитное излучение
При распространении ЭМП в
пространстве выделяют три зоны [4, 6]:
зону индукции (вблизи источника),
волновую зону (дальнюю зону) и
промежуточную (зона между ними). В
ближней зоне (зоне индукции), размеры
которой определяются как R ≤
,
где λ – длина волны, ЭМП еще не
сформировано. Энергию поля рассматривают
из двух составляющих: электрической
(Е) и магнитной (Н). В дальней зоне, начиная
с расстояния от источника, равного
,
ЭМП уже сформировано и распространяется
в виде бегущих волн. В дальней
зоне излучения устанавливается
следующая связь между Е и Н: Е
= 377·Н, где 377 – волновое сопротивление
вакуума. Поэтому в дальней зоне измеряется,
как правило, только Е. Население чаще
оказывается в волновой зоне.
12.2.4.1 Влияние ЭМП на организм человека
Экспериментальные данные как отечественных, так и зарубежных исследователей свидетельствуют о высокой биологической активности ЭМП. Поглощение ЭМП в биологических тканях связано с преобразованием электромагнитной энергии в тепловую. Но заметный нагрев тканей возможен лишь при достаточно высоких напряженностях ЭМП – более 10 мВт/см2. Однако реакция живых организмов регистрируется и при более низких интенсивностях ЭМП, которую нельзя объяснить с энергетических позиций. При относительно низком уровне ЭМП принято говорить об информационном воздействии. Понятие «информационное воздействие» означает формирование биологического эффекта за счет энергии самого организма, внешнее воздействие дает только «информацию» для развития этой реакции.
Биологическое действие ЭМП зависит от длины волны, напряженности поля, времени облучения и режима воздействия (постоянное, импульсное). Чем выше мощность, короче длина волны, продолжительнее время облучения, тем сильнее негативное влияние ЭМП. При облучении возникают нарушения электрофизических процессов в нервной ткани, изменения в щитовидной железе, в системе «кора надпочечников – гипофиз». Результатом продолжительного воздействия (даже очень слабых полей) могут стать раковые заболевания, изменение поведения людей, потеря памяти, болезни Паркинсона и Альцгеймера, синдром внезапной смерти младенцев, повышение уровня самоубийств.
Биологическая активность присуща ЭМП любого диапазона. Но наибольшей активностью обладают СВЧ-микроволны сантиметрового диапазона. Если миллиметровые поглощаются в основном кожей и действуют на организм через рецепторы, то сантиметровые проникают на 5–10 см и действуют непосредственно на органы.
Повторные действия ЭМП дают кумулятивный эффект. Микроволны, кроме того, проявляют дезадаптирующее действие, т.е. у человека снижаются приспособительные реакции на другие неблагоприятные факторы.
При острых поражениях организма электромагнитным излучением отмечаются адинамия, состояние тревоги, тахикардия, носовые кровотечения.
При хронических поражениях выявляется быстрая утомляемость при работе, боли в области сердца, снижение аппетита, гипотония, кошмарные сновидения, навязчивые мысли, похудение, снижение памяти, синдром хронической депрессии, бессонница, аритмия сердца. Под воздействием СВЧ-полей может развиться катаракта – помутнение хрусталика глаза.
Даже очень слабые поля могут повредить людям, использующим кардиостимулятор: он сбивается с ритма и даже может выйти из строя вблизи станций сотовой связи.
Существенным внутренним источником ЭМП являются видеодисплейные терминалы и ПЭВМ. Особую опасность для здоровья пользователей (а также и для лиц, находящихся внутри помещений) создает ЭМП в диапазоне 20 Гц – 400 кГц, которое формируется отклоняющей системой кинескопа. Исследования говорят о влиянии такого излучения на иммунную, эндокринную, кроветворную и нервную системы человека. Самой опасной в этих случаях является низкочастотная составляющая ЭМП: до 100 Гц. У оператора ПЭВМ появляется нервное напряжение, стресс, могут быть осложнения в течение беременности, увеличение вероятности выкидыша, нарушение репродуктивной функции. Есть предположения, что может возникнуть рак.
Контроль уровней электрической составляющей ЭМП осуществляется по значению электрической напряженности Е, выраженной в В/м, контроль уровня магнитного поля – по напряженности магнитного поля Н, в А/м. При измерении сверхнизких и крайне низких частот часто также используется понятие магнитная индукция В, единица Тл (Тесла), одна миллионная часть Тл соответствует 1,25 А/м.
В волновой зоне характеристикой ЭМП является плотность потока энергии (ППЭ). Это энергия, проходящая через единицу поверхности, расположенной перпендикулярно потоку в единицу времени. Единицы измерения: Вт/м2; мВт/м2; мкВт/м2.
Неблагоприятное действие токов промышленной частоты (НЧ) проявляется при очень высокой напряженности магнитного поля (около 200 А/м), что в бытовых условиях возникает крайне редко. Поэтому нормы рассчитывают с учетом только электрической составляющей. Влияние электрических полей переменной промышленной частоты в условиях населенных мест ограничивается СНиП № 2971-84 «Защита населения от воздействия электрического поля, создаваемого воздушными линиями электропередачи, переменного тока промышленной частоты». Для предотвращения вредного влияния ЭМП на человека введены предельно допустимые уровни (ПДУ):
внутри жилых зданий – 0,5 кВ/м;
на территории жилой застройки – 1 кВ/м;
в населенной местности, но вне жилой застройки (пригородные зоны, курорты, земли поселков, садов, огородов) – 5 кВ/м;
на участках пересечения воздушных линий с автомобильными дорогами – 10 кВ/м;
в ненаселенной местности, но посещаемой людьми, сельскохозяйственные угодья – 15 кВ/м;
в труднодоступной местности – 20 кВ/м.
Для ЭМП радиочастот (ВЧ, УВЧ и СВЧ) в диапазоне частот 60 кГц 300 мГц нормируют как электрическую, так и магнитную напряженность (СНиП 2.2.4/2.1.8.055-96).
В табл. 12.1 приведен фрагмент нормативов из СНиП 2.2.4/2.1.8.055-96.
Таблица 12.1 Нормы ЭМП для человека
|
f, мГц |
0,03–3,0 |
3,0–30,0 |
50,0–300,0 |
|
Е, В/м |
500 |
300 |
80 |
|
Н, А/м |
50 |
– |
– |
В диапазоне ВЧ нормируется по электрической составляющей – 20 В/м; в диапазоне УВЧ – 5 В/м; в диапазоне СВЧ – 10 мкВт/см2.
12.2.5 Опасность поражения электрическим током
Электрический ток, проходя через организм, оказывает термическое, биологическое и электрическое действия, что приводит к различным электротравмам [1-3]. Поэтому необходимо соблюдать требования, установленные “Межотраслевыми правилами по ОТ”. Эти требования предусматривают:
наличие разводки питания к каждому рабочему месту, которое должно заканчиваться розеткой;
наличие предохранительных устройств для защиты от перегрузок общей сети питания и в цепи разводок.
Все оборудование должно быть выполнено в соответствии с требованиями ГОСТ 12.2.019 – 79 «ССБТ. Электробезопасность. Общие требования и номенклатура видов защиты». Сопротивление изоляции питающих проводов должно быть не менее 0,5 МОм, а сопротивление заземления не более 4 Ом. Согласно ГОСТ 2.1.038 – 82 «ССБТ. Электробезопасность. Предельно допустимые уровни напряжений прикосновения и токов», напряжение прикосновения должно быть не более 2 В, а ток не более 0,3 А [2, 3].
12.2.6 Влияние шума
В биологическом отношении шум является заметным стрессовым фактором, способным вызвать срыв приспособительных реакций. Наиболее общая реакция человека на шумовое воздействие – это чувство раздражения. Отрицательно действующий звук способен вызвать дискомфорт, который может перейти в акустический стресс, который, в свою очередь, может привести к психическим патологическим изменениям в организме. Субъективная реакция на шумовое загрязнение среды зависит от степени умственного и физического напряжения, возраста, пола, здоровья, длительности воздействия и уровня шума. Среди населения всегда найдется человек, более других чувствительный к шуму.
Воздействия шума на организм можно условно разделить на два типа:
специфическое (слуховое) – воздействие на слуховой анализатор, которое выражается в слуховом утомлении, кратковременной или постоянной потере слуха, расстройствах четкости речи и восприятия звуковых сигналов;
системное (внеслуховое) – воздействие на отдельные системы организма в целом, например, на сон, психику, заболеваемость, нарушение эмоционального равновесия.
У лиц, подвергающихся действию шума, отмечаются изменения секреторной и моторной функций желудочно-кишечного тракта, сдвиги в обменных процессах (нарушение основного, витаминного, углеводного, белкового, жирового и солевого обменов). Для рабочих шумовых профессий характерно нарушение функционального состояния сердечно-сосудистой системы.
Общее действие шума на любой организм – это повышенная утомляемость, вялость, потливость, нарушение сна, головная боль, раздражительность, снижение памяти. Возможно нарушение болевой и вибрационной чувствительности. Нередко наблюдаются нарушения на кардиограмме сердца. Жители шумных районов чаще страдают сердечно-сосудистыми заболеваниями (на 20%) и атеросклерозом (на 23%). Под влиянием шума у человека изменяются показатели переработки информации, снижается темп и ухудшается качество работы.
Согласно ГОСТ 12.01.003-83 «ССБТ. Шум. Общие требования безопасности» – шум, создаваемый ЭВМ постоянный и составляет 10 дБ.
Шум, производимый принтером – непостоянный. В ВЦ превышения звукового давления не наблюдается в соответствии с выше указанным ГОСТом.
12.3 Разработка защитных мероприятий на рабочем месте
12.3.1 Расчет заземления
Сопротивление заземляющего устройства для установок напряжением до 1000 В должно быть не более 4 Ом.
Определим ток короткого замыкания:

Воздействие такого тока на организм человека вызывает остановку сердца и тяжелые ожоги, поэтому необходимо провести расчет защитного заземления оборудоавани. Определяем расчетное удельное сопротивление грунта с учетом климатическогокоэффициент:
ρ=40 Ом·м - удельное электрическое сопротивление грунта (суглинок)
ψ=1,4 – климатический коэффициент сопротивления грунта

Применим стержневой заземлитель, показанный а рисунке 12.1.

Рисунок 12.1. Стержневой заземлитель.
Рассчитаем сопротивление одиночного заземлителя растеканию тока по фомуле:
(10.1)
Принимая L=2м и d=0,05 м, получаем:

Определяем сопротивление искусственного заземлителя, считая, что искусственные и естественные заземлители соединены параллельно:

Разместив вертикальные стержневые заземлители на прямой линии с расстоянием между ними 4м и соединим их полосовым проводником, как показано на рисунке 12.2.

Рисунок 12.2. Соединение стержневых заземлителей.
Определяем коэффициент
использования полосы
и
рассчитаем сопротивление протяженного
полосового заземлителя, изображенного
на рисунке 12.1.

С учетом коэффициента использования вертикальных стержней определяем их число:

Таким образом, для обеспечения надежного заземления необходимо использовать 5 вертикальных стержня диаметром 5 см и длинной 2 м.
12.3.2 Электробезопасность
Основным поражающем фактором является ток , протекающей через человека. Установлены наименьшие значения тока определяющие степень поражения :
Пороговый ощутимый ток 0,5-1,5 мА
Пороговый неотпускающийток 10-20 мА
Пороговый фибриляционный ток 50-80 мА
Смертельно опасный ток 100 мА и более.
Напряжение влияет на исход поражения лишь в той степени, в какой оно предопределяет силу тока. Для напряжения до 400-500 В – постоянный. На исход поражения влияет путь тока в теле человека. Возможных путей много, однако наиболее часто встречаются такие : правая рука-ноги, левая рука-ноги, рука-рука, нога-нога. Наиболее, опасны случаи протекания тока через голову и грудную клетку.
Большое значение имеет продолжительность протекания тока.
При увеличении продолжительности протекания тока сопротивление тела человека снижается, что вызывает рост тока.
Опасность воздействия тока зависит от индивидуальных особенностей человека (массы и физического развития), а также от состояния нервной системы и всего организма. Большое значение имеет “фактор внимания”, ослабляющий опасность тока.
Окружающая среда (помещение) также влияет на исход поражения. В соответствии с Правилами устройства электроустановок(ПУЭ)- по степени опасностипоражения людей электрическим током помещения делятся на три категории:
Помещения с повышенной опасностью, имеющие один из признаков повышенной опасности : сырости (относительная влажность воздуха длительно превышает 75%), токопроводящей пыли, токопроводящих полов (металлических, земляных, железобетонных и др.), высокой температурывоздуха (длительно превышает +35°С, кратковременно +45°С), возможности одновременного прикосновения человека к соедененным с землей металлическим конструкциям и к частям , находящимся или могущим оказаться под напряжением.
Помещения особо опасные, харатеризующиеся наличием двух признаков повышенной опасности или одного из признаков особой опасности: особой сырости (относительная влажность воздуха приближается к 100%, стены, пол и т.д. покрыты влагой), химически активной среды, действующей разрушающе на изоляцию и токоведущие части электрооборудования.
В помещения без повышенной опасности, характеризующиеся отсутствием условий, создающих повышенную и особую опасность. Электроустановки в наружных условиях или под навесами приравниваются к электроустановкам в особо опасных помещениях.
12.3.3 Основные защитные мероприятия
12.3.3.1 Организационные мероприятия
Мероприятия, связанные с периодическим медицинским контролем здоровья персонала и выявлением его пригодности к работе на электроустановках.
Лица, обслуживающие и эксплуатирующие электроустановки, относятся к электротехническому персоналу. Электротехнический персонал должен быть физически здоровым, не иметь увечий и болезней, препятствующих или мешающих выполнению работы. Пригодность к обслуживанию электроустановок определяется при приеме на работу и периодически 1 раз в 2 года медицинским осведеятельствованием. К работам в электроустановках допускаются лица в возрасте не моложе 18 лет.
Лица, допускаемые к работам в электроустановках, должны иметь соответствующую техническую подготовку. После обучения производится проверка знаний Правил техники безопасности специальной квалификационной комиссией. Проверяемому присваивается квалификационная группа по технике безопасности и выдается удостоверение, дающее право выполнять определенные работы в соответствие с занимаемойдолжностью и квалификационной группой. Всего выделяется пять квалификационных групп по технике безопасности (I-V), а присваиватся только четыре (II-V).
12.3.3.2 Технические мероприятия
К техническим мероприятиям относятся : недоступность токоведущих частей, защитное заземление, защитное зануление, защитное отключение.
Недоступность токоведущих частей для случайного прикосновения обеспечивается следующими способами: ограждением и расположением токоведущих частей на недосягаемой высоте или в недоступном месте, рабочая изоляция. Ограждения в виде корпусов, кожухов, оград выполняются сплошными или сетчатыми. Для доступа непосредственно к электрооборудованию или токоведущим частям последнего в ограждениях предусматриваются открывающиеся части : крышки, дверцы, двери и т.д. Эти части закрываются специальными запорами или снабжаются блокировками. Блокировки по принципу действия бывают электрические и механические.
Расположение токоведущих частей на недосягаемой высоте или недоступном месте обеспечивает безопасность без ограждений. В ПУЭ указаны минимальные расстояния от неизолированных токоведущих частей воздушных линий электропередачи до земли в зависимости от напряжения, местности, но не менее 6 м. В измерительных приборах, радиоустройствах, аппаратуре автоматики и вычислительной технике применяют блочные схемы. Отдельные блоки, установленные в общем корпусе, соединены один с другим и с блоком питания штепсельными разъемами. При выдвижении блока штепсельный разъем размыкается и блок автоматически отключается от питающей сети.
12.3.3.3 Защитное заземление
Защитное заземление – это преднамеренное электрическое соединение с землей или ее эквивалентом металлических нетоковедущих частей, которые могут оказаться под напряжением. Защитное действие заземления основано на снижении напряжения прикосновении при переходе напряжения на нетоковедущие части, что достигается уменьшением потенциала корпуса относительно земли как за счет малого сопротивления заземления, так и за счет повышения потенциала примыкающей к оборудованию поверхности земли.
Согласно ПУЭ при напряжении 380В и выше переменного и 440В и выше постоянного тока электроустановки подлежат заземлению во всех случаях. Кроме того, необходимо заземлять корпуса электрооборудования, установленного в помещениях с повышенной опасностью, особо опасных и в наружных установках с номинальным напряжением выше 42В переменного тока и 110В постоянного тока, а также установленного во взрывоопасных помещениях при всех напряжениях переменного и постоянного тока.
Согласно классификации помещений по электробезопасности оборудование SDH установлено в помещении без повышенной опасности (класс 01 по ГОСТ 12.1.019 – 85), характеризующимся наличием следующих условий:
напряжение питающей сети 220 В, 50 Гц;
относительная влажность воздуха не более 75%;
средняя температура не более 35 С;
При нормальном режиме работы оборудования опасность электропоражения невелика, однако, возможны режимы, называемые аварийными, когда происходит случайное электрическое соединение частей оборудования, находящихся под напряжением с заземленными конструкциями [3].
Основными техническими способами и средствами защиты от поражения электрическим током являются [3]:
защитное зануление;
выравнивание потенциалов;
защитное заземление;
электрическое разделение сети;
изоляция токоведущих частей;
оградительные устройства.
12.4 Разработка инструкций по технике безопасности на рабочем месте при работе с компьютером
12.4.1 Общие требования
1) К работе допускаются лица, прошедшие инструктаж по технике безопасности (ТБ);
2) После инструктажа инженер расписывается в регистрационном журнале о том, что он прошел инструктаж и обязуется выполнять правила безопасности;
3) Не прошедшие инструктаж к работе не допускаются;
4) Перед началом работы следует проверить подключение защитного заземления к каждому устройству;
5) В случае возникновения аварии или ситуации, которая может привести к аварии – обесточить электроустановку и сообщить об этом начальнику отдела;
6) При возникновении неисправности немедленно отключить неисправное устройство от сети путем выключения рубильника на рабочем месте или общего рубильника;
7) При несчастном случае необходимо оказать доврачебную помощь пострадавшему, вызвать службу скорой помощи;
8) На рабочем месте запрещается курить и распивать спиртные напитки;
9) Недопустимо загружать рабочее место посторонними предметами;
10) Держать свободными проходы между рабочими местами и проход к силовому рубильнику;
11) Каждый работник обязан знать, где находятся средства пожаротушения и уметь ими пользоваться;
12) По окончании работы выключить блок и все устройства, имеющие независимое питание в соответствии с инструкциями по эксплуатации;
13) Сотрудник, уходящий последним, должен отключить общий рубильник, выключить свет, ключ от лаборатории сдать вахтеру.
12.4.2 Электробезопасность
В лаборатории используется для питания компьютеров напряжение 220 В переменного тока с частотой 50 Гц. Это напряжение опасно для жизни, поэтому обязательны следующие предосторожности [2, 3]:
перед началом работы убедится, что выключатели, розетки закреплены и не имеют оголенных токоведущих частей;
не включать в сеть компьютеры и другую оргтехнику со снятыми крышками;
запрещается оставлять без присмотра включенное в электросеть оборудование;
при обнаружении неисправности компьютера необходимо выключить его и отключить от сети;
при обнаружении неисправностей или порчи оборудования необходимо, не делая никаких самостоятельных исправлений и ничего не разбирая сообщить преподавателю или ответственному за оборудование;
запрещается загромождать рабочее место лишними предметами;
при несчастном случае необходимо немедленно отключить питание электроустановки, вызвать “СКОРУЮ ПОМОЩЬ” и оказать пострадавшему первую помощь до прибытия врача;
дальнейшее продолжение работы возможно только после устранения причины поражения электрическим током;
по окончании работы ответственный должен проверить оборудование, выключить все приборы и главный рубильник.
При поражении электрическим током пострадавший в большинстве случаев не может сам освободиться от воздействия тока из-за непроизвольного сжатия мышц, тяжелой механической травмы или потери сознания. Поэтому необходимо, прежде всего, освободить пострадавшего от действия тока. После освобождения пострадавшего от действия тока необходимо приступить к оказанию первой помощи [1-3].
Мероприятия по оживлению проводят в следующем порядке [1-3]:
восстанавливают проходимость дыхательных путей;
проводят искусственное дыхание методом “рот в рот” или “рот в нос”;
делают непрямой массаж сердца.
Оказывать помощь нужно до прибытия врача.
12.4.3 Пожарная профилактика
Пожары в лабораториях представляют собой особую опасность, так как сопряжены с большими материальными потерями. Для предотвращения пожаров необходимо выполнять следующие меры безопасности [1-3]:
все сотрудники и студены, должны знать местонахождение средств пожаротушения и уметь пользоваться ими;
не допускать перегрева электропроводов, плохих контактов в местах соединений;
запрещается использование открытого огня для обогрева помещения;
не допускается загромождать проходы к средствам пожаротушения и защитной сигнализации;
запрещается хранение вблизи источников тепла легко воспламеняющихся материалов и жидкостей;
при возникновении пожара необходимо немедленно вызвать пожарную охрану и начать эвакуацию людей и оборудования;
до прибытия пожарной охраны необходимо обеспечить тушение пожара при помощи первичных средств пожаротушения.
12.4.4 Ответственность за невыполнение инструкций
Невыполнение требований настоящей инструкции является нарушением трудовой дисциплины, и виновные несут ответственность в соответствии с действующим законодательством и системой управления охраны труда [1-3].
13 Заключение
В данном дипломном проекте, в соответствии с заданием рассматривались вопросы модернизации телекоммуникационного оборудования в ЗАО “Кузбассэнергосвязь”.
Исходя из расчета необходимого числа каналов, была выбрана система передачи OptiX OSN 3500 фирмы «Huawei Technologies».
Был произведен расчет передаточных характеристик оптического кабеля (затухание и дисперсия), расчет регенерационных пунктов и выбран оптический кабель марки ОМЗКГМ-10-01-0,22 производимый ЗАО «Москабель-Фуджикура», характеристики которого удовлетворяют полученным расчетным путем значениям дисперсии и затухания.
Разработана схема организации связи, на которой указаны оконечные и промежуточные пункты (ОРП), мультиплексоры, установленные в этих пунктах.
Рассмотрены вопросы по охране труда и технике безопасности на предприятиях связи, произведен расчет заземления.
СПИСОК ИСПОЛЬЗОВАННЫХ ИСТОЧНИКОВ
1. Бутусов М.М., С.М. Верник, С.Л. Галкин. Волоконно-оптические системы передачи. Учебник для вузов. – М.: Радио и связь, 1992. – 320с.
2. Гроднев И.И. Волоконно-оптические линии связи. Учебное пособие
для вузов. – М.: Радио и связь, 1990. – 260с.
3. Гроднев И.И., Ларин Ю.Т., Теумин И.И. Оптические кабели. – М.: Энергоатомиздат, 1991. – 263с.
Андреев В.А., Бурдин В.А., Попов Б.В. Строительство и техническая эксплуатация волоконно-оптических линий связи. Учебник для вузов. – М.: Радио и связь, 1995. – 200с.
Иванов А.Б. Волоконная оптика: компоненты, системы передачи,
измерения. – М.: Компания Сайрус Системс, 1999. – 672с.
Убайдуллаев Р.Р. Волоконно-оптические сети. – М.: Эко-Трендз, 1998. – 268с.
Воронцов А.С., Гурин О.И., Мифтяхетдинов С.Х., Никольский К.К. Оптические кабели связи российского производства. Справочник. – М.: Эко-Трендз, 2003. – 284.
8. Попов Г.Н. Телекоммуникационные системы передачи. Учебное пособие.
– Новосибирск: СибГУТИ, 2003. – 250с.
9. Ионов А.Д. Волоконно-оптические линии передачи. Учебное пособие.- Новосибирск: СибГУТИ, 1999. – 132с.
10. Горлов Н.И., Микиденко А.В., Минина Е.А. Оптические линии связи и пассивные компоненты ВОСП. Учебное пособие. – Новосибирск: СибГУТИ, 2003. – 230с.
11. Слепов Н.Н. Синхронные цифровые сети SDH. – М.: Эко-Трендз,
1998. – 150с.
12. Правила охраны труда при работах на кабельных линиях связи ПОТ-РО- 45-005-95. – М., 1995. – 105с.
13. Техника безопасности при строительстве кабельных линий связи и
проводного вещания. Справочник. – М.: Радио и связь, 1991. – 157с.
Атлас автодорог Запад и Восток Сибири: справочное издание. – М.: АСТ, 2004. – 31с.
15. LIGHTWAVE Russian edition №1 2003.
16. http://www.RusOptika.ru/
17. http://www.Alcatel.ru/
18. Безопасность жизнедеятельности: Учебник для вузов. Белов С.В. 2-е изд. – М.: Высш. шк., 1999. – 448 с.
19. Охрана труда в Российской Федерации: Справочник. – Охрана труда и социальное страхование, 1996. – 400 с.
Межотраслевые правила по охране труда (правила безопасности): Москва: НЦ ЭНАС, 2001.
Безопасность жизнедеятельности. Учебное пособие для дипломников технических специальностей ТУСУРа . Смирнов Г.В. Кодолова Л.И.
Безопасность жизнедеятельности. Учебник для вузов / С.В. Белов, А.И. Ильицкая и др.; под общ. ред. С.В. Белова. 2-е изд.–М.: Высш.шк., 1999.–448 с.
Безопасность жизнедеятельности: Учебное пособие. Часть 2 / Под ред. Проф. Э.А. Арустамова.–М.: Информационно-внедренческий центр «Маркетинг», 1999 – 304 с.
ПРИЛОЖЕНИЕ А
Структурная схема организации связи

ПРИЛОЖЕНИЕ Б
Функциональные блоки Optix OSN 3500
Таблица 1. Функциональные и подчиненные платы блоков системы
|
Блок |
Подчиненная плата |
Функция |
|
|
Блок интерфейсов SDH |
Плата обработки SDH |
SL64,SL16,SLQ4SLD4,SL4,SLQ1, SL1, SEP1 |
Доступ и обработка оптических сигналов STM-1/STM-4/STM-16/STM-64 и каскадной передачи STM-4c/STM-16c/STM-64с. Доступ и обработка электрических сигналов STM-1 и обеспечение сигналов STM-1 TPS |
|
Плата оптического усилителя |
BA2,BPA |
||
|
Плата компенсации общей дисперсии |
DCU |
||
|
Плата интерфейс SDH |
EU08,OU08, EU04 |
||
|
Блок интерфейсов PDH |
Плата обработки PDH |
SPQ4, PD3, PL3, PQ1, PQM |
Доступ и обработка электрических сигналов E1, E1/T1, E3/DS3 и E4 PDH и обеспечение TPS |
|
Плата обработки PDH |
MU04,D34S,C34SD75S,D12S, D12B |
||
|
Плата коммутации и замыкания интерфейса PDH |
TSB8, TSB4 |
||
|
Блок интерфейсов Ethernet |
Плата интерфейса Gigabit Ethernet 2 порта с коммутатором |
EGS2 |
Доступ и обработка оптических сигналов 1000Base-SX/LX GE |
|
Плата интерфейса Fast Ethernet с коммутатором |
EFS0 |
Доступ и обработка электрических сигналов 10Base-T, 100Base-TX Ethernet |
|
|
Плата интерфейса Fast Ethernet 4 порта с коммутатором |
EFS4 |
||
|
Плата блока интерфейса витой пары FE |
ETF8 |
||
|
Матрица кросс-коммутации SDH |
GXCS, EXCS |
Обеспечение кросс-коммутации сигналов SDH и PDH и синхронизации системы |
|
|
Блок синхронизации |
Окончание таблицы 1
|
Блок |
Подчиненная плата |
Функция |
|
Блок SCC |
SCC |
Обеспечение интерфейса для соединения оборудования с системой сетевого управления и обработка сигналов SDH |
|
Блок обработки заголовков |
||
|
Блок источника питания |
PIU |
Доступ к источнику питания и защита оборудования от скачков напряжения |
|
Вспомогательная плата интерфейсов |
AUX |
Система обеспечивает различные интерфейсы для технического обслуживания: интерфейс RS-232 и интерфейс служебного телефона |
|
Блоки вентиляции |
FAN |
Обеспечение циркуляции потоков воздуха |
Таблица 2. Платы обработки и разъемы для их установки
|
Плата |
Полное наименование |
Свободные разъемы (емкость кросс-коммутации 80G) |
Монтаж |
Тип интерфейса |
|
SL64 |
Плата оптических интерфейсов STM-64 |
СЛОТ 7/8/11/12 |
Со стороны передней панели |
С поддержкой выхода сигнала с фиксированной длинной волны I-64.2, S-64.2b, L-64.2b, Le-64.2, Ls-64.2, V-64.2b |
|
SL16 |
Плата оптических интерфейсов STM-16 |
СЛОТ 5/6/7/8/11/12/13/14 |
Со стороны передней панели |
С поддержкой выхода сигнала с фиксированной длинной волны I-16, S-16.1, L-16.1, L-16.2, L-16.2Je, V-16.2Je и U-16.2Je |
Продолжение таблицы 2
|
Плата |
Полное наименование |
Свободные разъемы (емкость кросс-коммутации 80G) |
Монтаж |
Тип интерфейса |
|
SLQ4 |
4Плат оптических интерфейсов 4*STM-4 |
СЛОТ 5/6/7/8/11/12/13/14 |
Со стороны передней панели |
I-4, S-4.1, L-4.1, L-4.2 и Le-4.2 |
|
SLD4 |
2Плат оптических интерфейсов 2*STM-4 |
СЛОТ 1/2/3/4/5/6/7/8/11/12/13/14/15/16/17 |
Со стороны передней панели |
I-4, S-4.1, L-4.1, L-4.2 и Le-4.2 |
|
SL4 |
Плата оптических интерфейсов STM-4 |
СЛОТ 1/2/3/4/5/6/7/8/11/12/13/14/15/16/17 |
Со стороны передней панели |
I-4, S-4.1, L-4.1, L-4.2 и Le-4.2 |
|
SLQ1 |
4Плат оптических интерфейсов 4*STM-1 |
СЛОТ 1/2/3/4/5/6/7/8/11/12/13/14/15/16/17 |
Со стороны передней панели |
I-1, S-1.1, L-1.1, L-1.2 и V-1.2 |
|
SL1 |
Плата оптических интерфейсов STM-1 |
СЛОТ 1/2/3/4/5/6/7/8/11/12/13/14/15/16/17 |
Со стороны передней панели |
I-1, S-1.1, L-1.1, L-1.2 и V-1.2 |
|
SEP1 |
STM-1 линейная плата обработки |
СЛОТ 1/2/3/4/5/6/13/14/15/16/17 |
Со стороны передней панели или платы интерфейсов |
75 Ом STM-1 Электрический интерфейс |
|
BA2/ BPA |
Плата оптического усилителя/оптического усилителя и предусилителя |
СЛОТ 1/2/3/4/5/6/7/8/11/12/13/14/15/16/17 |
Со стороны передней панели |
— |
|
DCU |
Плата компенсации общей дисперсии |
СЛОТ 1/2/3/4/5/6/7/8/11/12/13/14/15/16/17/18 |
Со стороны передней панели |
— |
Окончание таблицы 2
|
Плата |
Полное наименование |
Свободные разъемы (емкость кросс-коммутации 80G) |
Монтаж |
Тип интерфейса |
|
SPQ4 |
4Плата обработки 4*E4/STM-1 |
СЛОТ 2/3/4/5/13/14/15/16 |
Со стороны передней панели |
75 Ом E4/STM-1 Электрический интерфейс |
|
PD3 |
6Плата обработки 6*E3/DS3 |
СЛОТ 2/3/4/5/13/14/15/16 |
Со стороны платы интерфейсов |
75 Ом E3/DS3 Электрический интерфейс |
|
PL3 |
3Плата обработки 3*E3/DS3 |
СЛОТ 2/3/4/5/13/14/15/16 |
Со стороны платы интерфейсов |
75 Ом Электрический интерфейс E3/DS3 75 Ом |
|
PQ1 |
63Плата обработки 63*Е1 |
СЛОТ 1/2/3/4/5/13/14/15/16 |
Со стороны платы интерфейсов |
120 Ом Интерфейс 120 Ом и интерфейс Е1 75 Ом |
|
PQM |
63Плата обработки 63*Т1/Е1 |
СЛОТ 1/2/3/4/5/13/14/15/16 |
Со стороны платы интерфейсов |
120 Ом Интерфейс Е1 и интерфейс 100 Ом Т1 |
|
EGS2 |
Плата интерфейса Gigabit Ethernet 2 порта с коммутатором |
СЛОТ 5/6/7/8/11/12/13/14 |
Со стороны передней панели |
1000Base-SX/LX |
|
EFS0 |
Плата интерфейса Fast Ethernet с коммутатором |
СЛОТ 2/3/4/5/13/14/15/16 |
Со стороны платы интерфейсов |
10Base-T и 100Base-TX |
|
EFS4 |
Плата интерфейса Fast Ethernet 4 порта с коммутатором |
СЛОТ 1/2/3/4/5/6/7/8/11/12/13/14/15/16/17 |
Со стороны передней панели |
10Base-T и 100Base-TX |
Таблица 3. Платы интерфейсов и разъемы для их установки
|
Плата |
Полное наимено-вание |
Разъемы для установки (емкость кросс-коммутации 80G) |
Тип интерфейса |
Взаимодей-ствующая плата |
|
EU08 |
8Плата Эл.интерфейсов 8*STM-1 |
СЛОТ 19/21/23/25/29/31/3335 |
SMB |
SEP1 |
|
OU08 |
8Плата оптич.интерфейсов STM-1 |
СЛОТ 19/21/23/25/29/31/33/35 |
SC, LC |
SEP1 |
|
EU04 |
4Плата Эл.интерфейсов 4*STM-1 |
СЛОТ 19/21/23/25/29/31/33/35 |
SMB |
SEP1 |
|
TSB8 |
8Плата коммутации и замыкания интерфейса PDH |
СЛОТ 19/20/35/36 |
Отсутствует |
EU08 и SEP1, или D34S и PD3 |
|
TSB4 |
4Плата коммутации и замыкания интерфейса 4*PDH |
СЛОТ 19/35 |
Отсутствует |
MU04 и SPQ4,EU04 и SEP1, или D34S и PL3 |
|
D34S |
6Плата интерфейса коммутации 6* E3/DS3 |
СЛОТ 19/21/23/25/29/31/33/35 |
SMB |
PD3 |
|
C34S |
3Плата интерфейса коммутации 3* E3/DS3 |
СЛОТ 19/21/23/25/29/31/33/35 |
SMB |
PL3 |
|
D75S |
3275 Ом Плата интерфейса коммутации 32* 75 Ом E3/DS3 |
СЛОТ 19/20/21/22/23/24/25/26/29/30/31/32/33/34/35/36 |
DB44 |
PQ1 |
Окончание таблицы 3
|
Плата |
Полное наимено-вание |
Разъемы для установки (емкость кросс-коммутации 80G) |
Тип интерфейса |
Взаимодей-ствующая плата |
|
D12S |
32120 Ом Плата интерфейса коммутации 32* 120 Ом E3/DS3 |
СЛОТ 19/20/21/22/23/24/25/26/29/30/31/32/33/34/35/36 |
DB44 |
PQ1 или PQM |
|
D12B |
Плата интерфейса 32xE1/T1 |
СЛОТ 19/20/21/22/23/24/25/26/29/30/31/32/33/34/35/36 |
DB44 |
PQ1 или PQM |
|
ETF8 |
Плата интерфейса витой пары Ethernet 8x10/100 м |
СЛОТ 19/21/23/25/29/31/33/35 |
RJ-45 |
EFS0 |
Приложение В
Схема управления транспортной сетью

Приложение Г
Оценка экономической эффективности
Таблица 1. Смета капитальных затрат на оборудование Optix OSN 3500
|
Наименование затрат |
Количество |
Стоимость единицы, тыс. руб. |
Общая стоимость, тыс. руб. |
|
1 |
2 |
3 |
4 |
|
А. Оборудование ОП |
|||
|
1. Оборудование SDH мультиплексор фирмы «Huawei Technologies» (OptiX OSN 3500) |
|||
|
ETSI стойка |
4 |
63,268 |
253,072 |
|
sub>rack, «корзина» |
4 |
230,300 |
921,5 |
|
Плата кросс-коммутации и синхронизации GXCSA |
6 |
198,500 |
1191 |
|
Плата управления SCC |
6 |
57,955 |
347,73 |
|
Вспомогательная плата интерфейсов AUX |
4 |
32,868 |
131,472 |
|
Блок источника питания PIU |
8 |
3,355 |
26,84 |
|
Плата оптич интерфейса SL-16 |
10 |
280,955 |
2809,55 |
|
Плата оптич интерфейса SL-4 |
5 |
119,345 |
596,725 |
|
Плата оптич интерфейса SL-1 |
4 |
61,532 |
246,128 |
|
Плата 63хЕ1 PQ1 |
12 |
90,932 |
1091,184 |
|
Плата 32хЕ1 D12B |
5 |
8,101 |
40,505 |
|
Плата Ethernet EFS4 |
4 |
124,264 |
497,056 |
|
Плата Ethernet EFS0 |
2 |
70,348 |
140,696 |
|
Внутристанционный кабель, м |
120 |
3,590 |
4308 |
|
Patch Cord |
50 |
0,460 |
22,95 |
|
Служебный телефон |
6 |
0,460 |
2,760 |
|
Итого |
12626,868 |
Окончание таблицы 1
|
1 |
2 |
3 |
4 |
|
Стоимость неучтенного оборудования |
10 % |
12626,868 |
|
|
Итого |
13889,554 |
||
|
Тара и упаковка |
0,3 % |
37,88 |
|
|
Транспортные расходы |
13,1% |
1654,12 |
|
|
Итого |
17235,674 |
||
|
Заготовительно-складские расходы |
5,5 % |
694,477 |
|
|
Итого по разделу А |
17930,151 |
||
|
Б. Монтаж и настройка оборудования |
13 % |
2330,92 |
|
|
Всего по смете (А +Б) |
20261,07 |
Таблица 2. Технико экономические показатели проектируемой оптической транспортной сети ЗАО «Кузбассэнергосвязь»
|
Наименование показателей |
Условные обозначения или расчетная формула |
Величина |
|
1. Протяженность трассы, км |
L |
247 |
|
2. Количество потоков, пот |
N |
506 |
|
3. Протяженность потоков, поткм |
L N |
160908 |
|
4. Капитальные затраты, тыс. руб. |
К |
21462,42 |
|
5. Удельные капитальные затраты, руб\поткм |
Куд = К/ L N |
133 |
|
6. Численность работников, чел |
Ш |
10 |
|
7. Затраты на эксплуатацию, тыс. руб. |
З |
5246,3 |
Окончание таблицы 2
|
Наименование показателей |
Условные обозначения или расчетная формула |
Величина |
|
8. Удельные затраты на эксплуатацию, руб\поткм |
Зуд = З/ L N |
32,6 |
|
9. Доходы от услуг связи, тыс. руб. |
Д |
20261,07 |
|
10. Себестоимость 100 рублей доходов, руб |
|
25,89 |
|
11. Производительность труда одного работника, тыс. руб. |
Птр=Д/Ш |
2026,107 |
|
12. Прибыль, тыс.руб |
П=Д-З |
15014,77 |
|
12. Срок окупаемости капитальных вложений, лет |
Ток=К/Прибыль |
1,43 |
|
14. Фондоотдача, руб. по прибыли по доходам |
|
68,70 93,3 |
|
15. Рентабельность, % ресурсная |
|
64,21 |
|
16.Фондовооруженность, (тысруб)\чел |
|
2108,09 |
Таблица 3. Расчет чистого притока от операций
|
Наименование показателей |
Номер шага |
|||||
|
0 |
1 |
2 |
3 |
4 |
5 |
|
|
50% |
60% |
70% |
80% |
90% |
100% |
|
|
1 |
2 |
3 |
4 |
5 |
6 |
7 |
|
1.Доходы участка,тыс.руб.
|
9839,64 |
11807,57 |
13775,49 |
15743,42 |
17711,35 |
19679,28 |
|
2. Затраты на эксплуатацию,
тыс.рублей АО тыс.руб. |
3886,34 2577,07 |
4148,19 2577,073 |
4410 2577,073 |
4671,9 2577,073 |
4933,75 2577,073 |
5195,61 2577,073 |
|
3.Прибыль, тыс.руб.
|
5953,29 |
7659,37 |
9365,44 |
11071,52 |
12777,59 |
14483,67 |
|
4.
Налог на прибыль, тыс. руб.
|
1428,79 |
1838,25 |
2247,7 |
2657,16 |
3066,62 |
3676,08 |
|
5. Проектируемый чистый доход, тыс. руб.
|
4524,5 |
5821,12 |
7117,73 |
8414,35 |
9710,97 |
11007,59 |
|
6.Чистый приток от операций, тыс. руб.
|
7101,57 |
8398,19 |
9694,81 |
10991,43 |
12288,04 |
13584,66 |




№
шага














