Оптичні випромінюючі прилади
Курсова робота
Оптичні випромінюючі прилади
2008р.
1. Загальні положення
Спектр електромагнітних хвиль
Спектр електромагнітних хвиль можна поділити на декілька діапазонів, що об’єднують випромінювання з досить близькими властивостями (рис.1).

Рис.1. Спектр електромагнітних хвиль
Гама-випромінювання виробляється збудженими ядрами атомів, а також в результаті взаємоперетворень деяких елементарних частить. Особливість гама-випромінювання – яскраво виражені корпускулярні властивості.
Радіохвилі – генеруються при коливаннях вільних електричних зарядів і мають основні особливості класичних хвиль.
Оптичне випромінювання у різних умовах має як хвильові, так і корпускулярні властивості. Усередині оптичного діапазону виділяють чотири зони: рентгенівську, ультрафіолетову, видиму та інфрачервону.
Рентгенівське випромінювання відкрите у 1895 р. К. Рентгеном, виникає при гальмування швидких електронів у речовині. Головна особливість такого випромінювання – його висока проникна здатність.
Ультрафіолетове випромінювання відкрите у 1801 р. Й. Ріттером проявляє інтенсивну фотохімічну, біологічну та фотоелектричну дію та викликає світіння деяких кристалів.
Видиме випромінювання безпосередньо приймається людським оком та має фотохімічну, біологічну та фотоелектричну дію. До цієї частини спектру використовується термін „світло”.
Інфрачервоне випромінювання відкрите у 1800 р. В. Гершелем. Для нього найбільш характерна теплова дія, хоча при взаємодії з речовиною мають місце також фотоелектричні та інші ефекти.
Теплове випромінювання
Теплове випромінювання є джерелом випромінювання різних типів в залежності від абсолютної температури тіла. Спектр та інтенсивність теплового випромінювання визначаються двома законами.
Закон Стефана-Больцмана визначає інтенсивність випромінювання в залежності від абсолютної температури абсолютно чорного тіла. Він має вигляд:
I = σT4,
де I – інтенсивність випромінювання, Т – абсолютна температура, σ – постійна Стефана-Больцмана, її значення дорівнює 5,67·10-8 Вт/м2К4.
Закон зміщення Віна визначає довжину хвилі, на якій має місце найбільш інтенсивне випромінювання. він має вигляд:
λмакс = b/T,
де λмакс – довжина хвилі найбільш інтенсивного випромінювання, b – постійна Віна, що дорівнює b = 2898 мкм·К, Т – абсолютна температура.
Обидва закони ілюструються графіками спектрів теплового випромінювання абсолютно чорного тіла рис.2, де 1 – при температурі 6000К, 2 – при температурі 4000К, 3 – при температурі 2000К, 4 – при температурі 1000К, 5 – при температурі 600К, 6 – при температурі 300К, 7 пряма, що ілюструє закон зміщення Віна.

Рис.2. Спектри теплового випромінювання
На рис.2 двома тонкими вертикальними лініями виділена зона видимого випромінювання, яке бачить людське око. Як бачимо, випадки 5 та 6 дають випромінювання. яке людина не бачить. У випадку 4 невелику частину випромінювання людина вже бачить (розігрітий до 700С, або 1000К метал вже світить червоним світлом). У випадку 3 світіння вже стає більш рівномірним, людина його бачить як жовте. Але найбільш рівномірне світіння у діапазоні людського зору у випадку 1. Це температура поверхні Сонця, до якого пристосований людський зір. Таке світіння людина бачить як біле. Велика частина випромінювання Сонця заходить в ультрафіолетову зону.
У якості джерел видимого та інфрачервоного випромінювання часто використовують лампи розжарення. Для виготовлення ниток розжарення звичайно використовують вольфрам з різними присадками. Температуру нитки можна довести до 3000С (між кривими 2 та 3 на рис.2). В процесі роботи вольфрам випаровується з нитки. Щоб запобігти цьому у колбу лампи вводять деяку кількість галогену (йод або бром). Галогенні лампи мають більше випромінювання, більший строк роботи та менші розміри.
На рис.3 наведений баланс енергії лампи розжарення.
З нього видно, що лампа розжарення перетворює у випромінювання 86% енергії, але у видиме світло перетворюється тільки 12% енергії. Інші 74% перетворюються в інфрачервоне світло. Це означає, що така лампа – ідеальне джерело тепла, тому її застосовують для сушіння пофарбованих виробів. 14% - втрати у цоколі та виводах лампи.

Рис.3. Баланс енергії лампи розжарення
Види люмінесценції
Термін «люмінесценція» введений у 1889 р. Е. Відеманом для позначення випромінювання тіла, що є надмірним над його температурним випромінюванням. Але це дуже широке визначення, під нього підпадають такі види випромінювання як комбінаційне розсіяння та ін.
Для власне люмінесценції С.І. Вавілов запропонував використовувати критерій тривалості. За його визначенням люмінесценція – випромінювання, надмірне над його тепловим випромінюванням при даній температурі, що продовжується після припинення збудження на протязі часу, що перевищує період світлових коливань.
Люмінесценція виникає при спонтанних переходах атомів, молекул або іонів та електронів твердого тіла зі збудженого стану у нормальний (не збуджений). По тривалості процесу розрізняють флуоресценцію (короткочасне світіння) та фосфоресценцію (тривале світіння).
Існує декілька видів люмінесценції.
Фотолюмінесценція – світіння речовини під дією зовнішнього оптичного випромінювання, звичайно видимого або ультрафіолетового. Якщо довжина хвилі фотолюмінесценції співпадає з довжиною хвилі збуджуючого світла, то це називається резонансною люмінесценцією. Вона вперше була помічена Р. Вудом у 1904 р.
Катодолюмінісценція – світіння речовини при бомбардуванні його пучком швидких електронів. Цей вид люмінесценції був зареєстрований Ю. Плюккером у 1858 р.
Електролюмінісценція – світіння під дією електричного поля, завжди пов’язана з протіканням через речовину електричного струму. Відкрита О.В. Лосєвим у 1923 р.
Радіолюмінесценція – світіння деяких речовин під дією продуктів радіоактивного розпаду (α-, - та - променів) та космічного випромінювання.
Хемілюмінесценція - світіння речовин при екзотермічних хімічних реакціях.
Кристалолюмінесценція – світіння деяких кристалів при механічному стисненні.
Триболюмінесценція – світіння твердих тіл при терті.
Іонолюмінесценція – світіння розчинів деяких речовин при проходженні через них ультразвукових хвиль.
Сонолюмінесценція – світіння речовин при кавітаційній дії звукових хвиль.
Люмінесценція у газах – світіння газу при малих тисках під дією електричного поля.
Інжекційна люмінесценція – світіння напівпровідників при проходженні струму через p-n перехід.
Лазерна люмінесценція – світіння, що виникає при резонансному збудженні в деяких середовищах.
Серед цих видів люмінесценції не усі використовуються у техніці. Для технічних потреб необхідно, щоб вихід світла був якнайбільший на одиницю витраченої потужності. Тому, у подальшому будуть розглянуті лише деякі з видів люмінесценції.
2. Катодолюмінісценція
Це люмінесценція, що виникає при збудженні люмінофору електронним пучком. Початкова назва пучка електронів – катодні промені, звідси термін катодолюмінісценція. Найкращу здатність до катодолюмінісценції мають кристалофосфори, бо вони стійки до дії електронного пучка та дають достатню яскравість світіння.
Для збудження катодолюмінісценції достатньо, щоб енергія збуджуючих електронів в 1,5 разів перевищувала іонізаційний потенціал кристалофосфора. Але застосування таких повільних електронів не дозволяє одержати стійку катодолюмінісценцію, електрони дуже швидко заряджають поверхню люмінофору від’ємно, від чого нові електрони відштовхуються, гальмуються та гублять енергію. При великих енергіях електронів на поверхні люмінофору виникає вторинна електронна емісія, заряд люмінофора уноситься вторинними електронами. Тому на практиці застосовуються пучки електронів з енергією від 100 еВ до 25 кеВ, а в деяких випадках, наприклад в оптичних квантових генераторах – до 1 МеВ.
Електрони, що мають високу енергію, взаємодіючи з атомами гратки люмінофору, іонізують їх, створюючи друге покоління електронів, які, у свою чергу, іонізують інші атоми. цей процес продовжується доти, доки енергія вирваних з атома електронів достатня для іонізації. Електрони гальмуються у тонкому шарі люмінофору (менше за 10-4 см), тому щільність збудження дуже велика. В результаті іонізації утворюються дірки і електрони мігрують по гратці та можуть захоплюватись центрами освітлення. При рекомбінації на центрах свічення електронів та дірок і виникає катодолюмінісценція. Центри свічення при катодолюмінісценції такі ж, як при фотозбудженні, тому спектр катодолюмінісценції аналогічний спектру фотолюмінесценції. ККД катодолюмінісценції звичайно складає 1-10%, головна частина енергії електронного пучка переходить у тепло.
Кристалофосфори – неорганічні кристалічні люмінофори. Вони світяться під дією світла, потоку електронів, радіації, електричного струму і т.і. Здатність кристалофосфорів світитись обумовлена наявністю забороненої зони в енергетичному спектрі кристалу, тому катодолюмінофорами можуть бути тільки напівпровідники та діелектрики. У склад кристалофосфорів входять у малих концентраціях домішки – активатори. Активатори і дефекти кристалу створюють центри свічення. Тривалість свічення кристалофосфорів коливається у широких границях – від 10-9 с до декількох годин. В залежності від активатора спектр люмінесценції кристалофосфорів може змінюватись від ультрафіолетового до інфрачервоного.
Основою кристалофосфорів служать сульфіди, селеніди та телуріди Zn, Cd, оксиди Ca, Mn, лужно-галоїдні та деякі інші сполуки. В якості активаторів використовують іони металів (Cu, Co, Mn, Ag, Eu, Tu і т.і.) Синтез кристалофосфорів здійснюють звичайно розжарюванням твердої шихти. Комбінуючи активатори та основи можна синтезувати кристалофосфори для перетворення різних видів енергії у видиме світло потрібного цвіту з високим ККД (до десятків процентів). Наприклад, створені кристалофосфори, що перетворюють інфрачервоне випромінювання у видиме. Порошкоподібні кристалофосфори використовуються у люмінесцентних лампах, екранах телевізорів та осцилографів, електролюмінісцентних панелях тощо. На рис.4 показана схема електронно-променевої трубки, яка є прикладом катодолюмінісценції.

Рис.4. Схема електронно-променевої трубки
Електронно-променева трубка – вакуумний балон, у якому одержаний на основі термоелектронної емісії пучок електронів за допомогою електричних або магнітних полів може направлятись у визначену току екрану, який покритий флуоресцентним шаром. В такій конструкції колір зображення на екрані тільки один. Він визначається типом люмінофора.
Побудова електронно-променевої кольорової трубки більш складна. По-перше в такій трубці не одна електронна гармата (так називається система випромінювання і фокусування електронів), три, бо кольорове зображення формується з компонент червоного (R), зеленого (G) и синього (B) кольорів за формулою:
F = αR + G + B,
де α, та - коефіцієнти. Будь-який колір визначається підбором цих коефіцієнтів.
Спрощена конструкція кольорової електронно-променевої трубки зображена на рис.5, де1 – три електронні гармати, 2 – тіньова маска, 3 - покриття, що світиться (люмінофор), 4 – видима поверхня екрану.

Рис. Спрощена конструкція електронно-променевої трубки
Оскільки кожна з трьох електронних гармат трубки відповідає тільки за свій колір світіння частинок люмінофору, то важливо досягти їх взаємодії, щоб потік „синіх” електронів не діяв на частинки червоного люмінофору і навпаки. Це досягається тим. що частинки люмінофорів різних кольорів розміщують на покритті у вигляді окремих плям. Для сітки „червоних” плям є своя тіньова маска, для сітки «зелених» плям – своя, для сітки синіх – теж. Очевидно, що тільки третина, наприклад, «червоного» променю доходить до червоних плям тіньової маски, дві третини не пропускаються «зеленою» та «синьою» тіньовими масками. Те ж відноситься до «зеленого» та «синього» променів. Якщо на однокольоровій електронно-променевій трубці достатньо напруги другого аноду 10-12 кВ, то завдяки такий особливості кольорової трубки (ЕЛТ), напругу другого аноду доводиться підвищувати до 25 кВ.
На протязі багатьох років плями люмінофору червоного, зеленого та синього кольорів розміщувались «тріадами» (групами по три точки). В такому разі тіньова маска являла собою перфоровану металічну пластину перед люмінофором. Оскільки тільки частина кольорового променя доходила до люмінофорів, монітори такого типу мали малу яскравість, недостатню контрастність зображення, більш короткий термін праці та були складні технологічно.
Нова технологія була розроблена фірмою Sony – замість традиційної точкової маски, була запропонована щілинова апертурна гратка (фірмова назва Trinitron). У цій технології люмінофор одного кольору наноситься у вигляді тонких смуг, а маска має вигляд натягнутих дротів. Переваги цієї технології: в тонкій сітці маски менше метала, що дозволяє використовувати більшу частину енергії електронів на взаємодію з люмінофором, а це означає, що менше тепла розсіюється на сітці маски, при той же інтенсивності електронного променя можна досягти більшої яскравості, у зв’язку з чим можна використовувати більш темне скло для екрану і одержати більш контрастне зображення, екран такого монітору можна зробити зовсім пласким, що зменшує кількість віддзеркалень.
Недоліком такого методу є те, що тіньова сітка має недостатню жорсткість, тому при вібрації та качаннях зображення буде спотворюватись.
Фірма NEC запропонувала комбінований тип ЕЛТ з гніздовою маскою. В цьому типі люмінофор кожного кольору наноситься також у вигляді тонких смуг, але не довжиною в одну строку, а більш коротку (нагадує „пунктир”). Цей тип має усі переваги методу Trinitron, але не має його недоліків.
Низьковольтна катодолюмінісценція
В електронно-променевій трубці доводиться використовувати високовольтні напруги для розгону електронів. У низьковольтних приладах використовуються невеликі напруги.
Катодолюмінісценція виникає, коли електрони досягають енергії еUL, де UL – потенціал початку люмінесценції. У більшості матеріалів UL – багато сот Вольт.
Більш, як 40 років тому були виявлені речовини, у яких UL складає одиниці Вольт (для ZnS = 6-7 B, для CdS = 4-5 B). На їх основі були створені вакуумні люмінесцентні індикатори (ВЛІ).
Люмінофор для ВЛІ повинен відповідати ряду вимог:
1. Ширина забороненої зони – не більш, як 3-4 еВ.
2. Висока електропровідність. Опір не повинен перевищувати одиниць кілоОм. Тому люмінофори для електронно-променевих трубок не годяться для ВЛІ, бо вони є ізоляторами.
Необхідне значення електропровідності можна забезпечити використанням люмінофорів на провідній основі (ZnO:Zn; SnO>2>:Eu; (Zn>1->>X>, Cd>X>)S:Ag, Al; змішаних люмінофорів (ZnS:Ag+In>2>O>3; >ZnS:Cu+ZnO; Y>2>O>2>S…Eu+SnO>2>) та легованих люмінофорів ZnS:Ag, Zn, Al.
3. Низький потенціал начала катодолюмінісценції. Навіть при малому опорі шару люмінофору він є непридатним для використання у ВЛІ, якщо UL = 10-12 В.
4. Низька світловіддача. У ході досліджень властивостей сумішей з провідними порошками було виявлено, що колір світіння багатьох таких композицій залежить від анодної напруги. Наприклад, у суміші SnO>2>:Eu; ZnS:Cl, Al колір світіння змінюється з помаранчевого на жовто-зелений при зміні анодної напруги від 20 до 60 В.
На рис.6 наведена конструкція вакуумного люмінесцентного індикатора.
Основа індикатора – скляна або керамічна плата 1, на якій закріплені усі інші деталі індикатора. В заглибленнях плати, виконаних у вигляді сегментів, знаходиться провідний шар 2, з’єднаний з контактами 3 (4 – означає люмінофор). Провідні шари сегментів повністю перекриті люмінофором. На передній стороні плати в напрямку зчитування встановлюється плаский металічний електрод Отвори у цьому електроді розміщені напроти відповідних сегментів, покритих люмінофором. На невеликій відстані від екрануючого електрода 5 натягнута керуюча сітка 6 . У свою чергу на малій відстані від площини сітки, приблизно паралельно осі лампи, натягнений прямоканальний оксидний катод. Уся ця система поміщена в циліндричну скляну колбу, яка усередині покрита прозорим провідним шаром 8.
В початковому стані, щоб запобігти свіченню люмінофора, до сітки прикладається від’ємна напруга – декілька Вольт по відношенню до катоду.
При позитивній напрузі на керуючий сітці електрони прискорюються у напрямку анодних сегментів. екрануючий електрод має той же потенціал, що керуюча сітка. Електрони попадають на сегменти, що мають у даний момент позитивний потенціал, виникає низьковольтна катодолюмінісценція – нанесений на анод люмінофор починає світитися. Яскравість світіння в залежності від люмінофору досягає значень 300-700 кд/м2.

Рис.6. Конструкція вакуумного люмінесцентного індикатора
Конфігурація сегментів звичайно або 7-сегментна, або більш складна 14-сегментна.
У табл..1 наведені характеристики кольорових люмінофорів для ВЛІ.
Таблиця 1. Характеристики кольорових люмінофорів
|
Колір світіння |
Склад люмінофору |
Довжина хвилі, нм |
|
Синій |
ZnS:Ag+In>2>O>3> |
450 |
|
Синє-зелений |
ZnO:Zn |
510 |
|
Зелений |
(Zn, Cd)S:Ag ZnS:Cu |
520 530 |
|
Лимонний |
ZnS:Au, Al+ In>2>O>3> |
550 |
|
Жовтий |
ZnS:Mn+ In>2>O>3> |
585 |
|
Червоний |
(Zn, Cd)S:Ag+ In>2>O>3> |
626 |
Конструкція пласких люмінесцентних дисплеїв показана на рис.7.

Рис.7. Конструкція плаского люмінесцентного дісплею
Устрій індикатору нагадує електронну лампу - тріод, що складається з катоду, сітки та аноду, що поміщені у скляну оболонку з високим вакуумом. Катод прямого підігріву – тонкий вольфрамовий дріт, покритий окислом лугового металу, сітка – тонка металічна, анод виконаний у вигляді елементу зображення, на який нанесений фосфор. Точки або лінії з фосфору складають зображення. Розігнані в електричному полі позитивними потенціалами сітки та аноду електрони бомбардують анод і примушують фосфорне покриття світитись. Змінюючи потенціал сітки, можна регулювати яскравість зображення.
3. Люмінесценція в газах
Гази при атмосферному тиску завжди є добрими ізоляторами. Газ стає провідником. якщо створити у ньому іони.
Несамостійна провідність газів та, при якій іонізація виникає і підтримується при зовнішній дії. Це термічна дія, опромінення ультрафіолетовими, рентгенівськими та -променями.
Самостійна провідність газу (звичайно, розрідженого) забезпечується тим, що заряджені частки, розігнані електричним полем при зіткненні з нейтральними молекулами іонізують їх. При цьому нема потреби у додатковому іонізаторі.
У 1934 р. було відкрите інтенсивне світіння парів ртуті у електричному полі. Але справа була у тому, що збуджувалися дві лінії на довжинах хвиль 254 нм (більш інтенсивна), та 184 нм (менш інтенсивна). Обидві ці лінії знаходяться в ультрафіолетовому діапазоні і тому невидимі для людського ока. У 1938 році була винайдена лампа, в якій стінки були покриті кристалофосфором, який перетворював ультрафіолетове випромінювання в видиме. Так виникла лампа денного світла.
На рис.8 наведена схема енергетичних рівнів атома ртуті.
В результаті непружного зіткнення з електроном атом переходить у збуджений стан. відповідний рівню 3, знаходиться на ньому приблизно 10-7 с та повертається знову на рівень 1, випромінюючи фотон. У схемі рис.4 перехід 21 дає ультрафіолетову лінію з довжиною хвилі 184 нм, перехід 31 дає ультрафіолетову лінію з довжиною хвилі 254 нм, перехід 62 дає фіолетову лінію з довжиною хвилі 400 нм, перехід 63 дає синю лінію 450 нм, перехід 64 дає зелену лінію 550 нм, перехід 75 дає жовту лінію 580 нм. Але найбільш вірогідна лінія 31.

Рис.8. Схема енергетичних рівнів атомів ртуті
Оскільки випромінений фотон може бути захоплений сусіднім атомом, то вигідно використовувати низький тиск парів ртуті, більш того вводять пари інертного газу (аргону), який не збуджується від фотона.
Перетворення ультрафіолетового випромінювання у видиме має місце у люмінофорі. У сучасних люмінесцентних лампах найбільш за все застосовуються галофосфати кальцію. Це складні з’єднання, подібні до апатитів (3Ca(PO>4>)>2>CaF>2>), в яких частина атомів фтору замінена атомами хлору, а головне – введені активатори. Активаторами називаються атоми домі шків, що викликають свічення люмінофору. У якості активаторів в галофосфати вводять одночасно атоми стибію та марганцю.
На рис.9 показана конструкція люмінесцентної лампи.

Рис.9. Конструкція люмінесцентної лампи
Головним джерелом видимого світла в люмінесцентній лампі є люмінофор, який наноситься на внутрішню поверхню скляної колби лампи. Оптимальний тиск парів ртуті приблизно 1,33 Па. Окрім парів ртуті у колбі є також інертний газ аргон під тиском 5,32 Па. В люмінесцентній лампі проходять два послідовних перетворення енергії. Спочатку електроенергія в парах ртуті перетворюється в енергію короткохвильового ультрафіолетового випромінювання (біля 60%), потім енергія цього випромінювання перетворюється у енергію видимого світла.
На рис.10 показаний баланс енергії такої лампи.
Якщо порівняти рис.3 та рис.10 то можна подумати, що світлова ефективність люмінесцентної лампи приблизно у 2 рази перевищую лампу розжарення (21% проти 12%). Але завдяки властивостям людського ока ця ефективність ще більша. Цікаво, що теплові втрати у обох ламп приблизно однакові (79% та 88%), але доля інфрачервоного проміння у люмінесцентній лампі втричі нижча (24,8% проти 74%). Тому при використанні люмінесцентної лампи легше уникнути нагріву освітлюваних речей.

Рис.10. Баланс енергії люмінесцентної лампи
Для включення люмінесцентної лампи треба застосовувати досить складну схему на відміну від лампи розжарення. Необхідність такої схеми пояснюється двома обставинами: 1) великою довжиною лампи; 2) спадаючою вольт-амперною характеристикою електричного розряду.
Велика довжина лампи необхідна для одержання великої світловіддачі, оскільки джерелом випромінювання є позитивний стовп розряду. Втрати енергії у приелектродних частинах розряду мають тим меншу питому вагу, чим довше трубка. Так, 40-ватна лампа має довжину 110 см. Разом з тим, запалити електричний розряд в довгій трубці, коли відстань між електродами велика, не так просто.
Як видно з рис.7, на кінцях лампи є два штирки, до яких приварені вольфрамові спіралі. Якщо таку спіраль нагріти, вона починає випромінювати електрони, що полегшує загоряння розряду. Але, коли розряд виник, потрібність у нагріві спіралей відпадає, бо спіралі нагріваються за рахунок їх бомбардування позитивними іонами. Так як лампи звичайно працюють на змінному струмі, кожна спіраль один на півперіод працює як катод, на іншому – як анод. Як здійснити попередній нагрів спіралей?
На рис.11 показана схема включення люмінесцентної лампи Л: як бачимо, паралельно лампі включений стартер С, а послідовно – дросель Д.

Рис.11. Схема включення люмінесцентної лампи
Стартер – мініатюрна неонова лампа з електродами у вигляді біметалічних платівок. коли подається напруга, в стартері виникає розряд (відстань між електродами близько 1 мм). Електроди стартера згинаються назустріч один іншому та закорочують розрядний проміжок. У колі виникає великий струм, достатній для нагріву спіралей люмінесцентної лампи. Доки спіралі нагріваються, електроди стартера охолоджуються. при цьому платівки випрямляються, контакт між ними порушується і коло розривається. Тепер є два конкуруючих між собою розрядних проміжки – в лампі і у стартері. Але ситуація разюче інша: електроди лампи розжарені і дають велику емісію електронів, тому розряд виникає у лампі, а не у стартері.
Відмінною особливістю електричного розряду у газі при низькому тиску є його спадаюча вольт-амперна характеристика: з наростанням струму напруга на лампі знижується. Щоб обмежити зростання струму, потрібно послідовно з лампою включити опір. Використання дроселя енергетично більш вигідне, ніж омічного опору (менше теплові втрати). Але включення дроселя зменшує коефіцієнт потужності електричного кола. Тому у коло живлення лампи включають ще спеціальний конденсатор. Важливо також те, що при розмиканні кола стартера, на електродах лампи виникає напруга, що значно перевищує напругу джерела, що дуже сприятливе для запалення розряду у лампі.
Плазмові панелі
Плазмова панель – матриця з мініатюрних люмінесцентних ламп, які керуються складним чином. Є два типи панелей: панелі постійного струму та панелі змінного стуму. звичайно використовують панелі змінного струму, бо в них більш проста структура і більший строк роботи.
Комірка плазмової панелі показана на рис.12.

Рис.12. Комірка плазмової панелі
Вона складається з двох електродів (Xi та Yi), що оточені діелектриком. Перпендикулярно ним на скляному підшарку розміщений адресний електрод Аі. Комірки заповнені сумішшю неона та ксенона, що іонізується прикладеною напругою, що перевищує напругу пробою. електрони та іони зіштовхуються під дією прикладеної напруги та випромінюють ультрафіолетове світло, що збуджує фосфорне покриття, яке у свою чергу виробляє видиме світло. Така комірка має тільки два стану: „включено” та „виключено”. Для і індикації шкали на 256 відтінків комірка поділяється на 8 підкомірок, періоди індикації яких знаходяться у відношенні 1:2:4:8:16:32:64:128. Вибором комбінації інтенсивність свічення регулюється на 256 рівнях.
Як і у кольоровому телебаченні, колір зображення визначається трьома комірками: червоною, зеленою та синьою. Будь-який колір можна встановити яскравостями цих трьох елементарних комірок. Для плазмової панелі формату 1920х1080 пікселів потрібно 6 млн. елементарних комірок, кожна з котрих керується по яскравості.
Схема керування плазмовою панеллю показана на рис.13.

Рис.13. Схема керування плазмовою панеллю
Скануючі електроди Yi керуються контролером сканування та драйвером сканування. Скануються горизонтальні ряди. Електроди Аі скануються по вертикалі, щоб записати дані в комірки про кожному пересіченні. електроди Хі, що працюють паралельно з Yi, з’єднані на одному кінці і керуються драйвером підтримки для подачі високовольтних імпульсів на всю панель.
Плазмові панелі приходять на зміну існуючим моніторам на електронно-променевих трубках, бо мають такі переваги:
1. Компактність (глибина дисплею вже доведена до 8 см).
2. Відсутність мерехтіння, оскільки нема гашення екрану під час зворотного ходу променю (як у ЕЛТ).
3. Відсутність геометричних спотворень.
4. Відсутність нерівномірної яскравості по полю екрана.
Відсутність рентгенівського та інших шкідливих випромінювань, оскільки не використовуються високі напруги.
6. Нечутливість до дії магнітних полів.
7. Висока надійність – гарантований ресурс панелей компанія Fujitsu довела до 30000 годин безперервної роботи.
8. Дуже високі світлотехнічні характеристики: яскравість зображення вище за 300 кд/м2, контрастність не нижче 350:1.
Єдиний серйозний недолік плазмових панелей – це їх ціна. що досягає 10000 дол. на екран з діагоналлю 1 м.
4. Електролюмінісценція
Світіння порошкоподібного сульфіду цинку у змінному електричному полі було вперше виявлене в 1936 р. і одержало назву ефекту Дестріо. Цей ефект спостерігається у так званих кристалофосфорах – напівпровідниках з широкою забороненою зоною, в які вводяться домішки (активатори), що мають роль центрів випромінювання. У якості головного матеріалу частіш за все використовують сульфід цинку (ZnS) з шириною забороненої зони 3,7 еВ, селенід цинку (ZnSe) та змішані сполуки: сульфід-селенід цинку (ZnSSe), сульфід-селенід цинку-кадмію (Zn, Cd)(S, Se). У якості активатору використовують мідь (Cu), марганець (Mn), срібло (Ag), золото (Au), ртуть (Hg), рідкоземельні елементи - тербій (Tb), ербій (Er), празеодим (Pr), тулій (Tм) та ін.
Електролюмінофор складається з виваженого у діелектрику порошкового кристалофосфора з розмірами зерен біля 5-10 мкм, або це однорідна плівка товщиною 0,3-1,0 мкм. Люмінесценція виникає в мікроскопічних потенційних бар’єрах в зернах люмінофору на границях сульфіда цинку та зерен сульфіду міді та ін.
Спектральні характеристики випромінювання визначаються хімічним складом люмінофору, типом активатора та соактиватора. При використанні сульфіду цинку можна одержати випромінювання в діапазоні від 450 нм (синій колір) до 600 нм (помаранчевий колір). В якості активатора в ZnS-люмінофорах звичайно використовують мідь у кількості від 0,05 до 0,2 вагових процентів, що дозволяє змінювати колір від синього до зеленого. Введення 1% марганцю дозволяє одержати помаранчевий та жовтий кольори. При легіруванні ZnS тулієм одержують блакитне випромінювання, тербієм – зелене, ербієм – червоне, празеодимом – біле.
Електролюмінісцентні дисплеї можуть компонуватись з різнокольорових об’єктів і створювати дисплеї розміром у багато квадратних метрів.
На рис.14 показані схеми електролюмінісцентних випромінювачів порошкового типу (а) та плівкового типу (б).

Рис.14. а) схема електролюмінісцентного випромінювача порошкового типу; б) плівкового типу.
На цих рисунках: 1 – скло; 2 – прозорий провідний шар; 3 – порошковий люмінофор; 4 – відбиваючий шар; 5 – металічний електрод; 6, 8 діелектричні плівки, 7 – плівковий люмінофор. Товщина шару 3, що містить зерна порошкового люмінофору, складає 50-80 мкм. У якості зв’язуючого діелектрика використовується легкоплавке скло, органічні та епоксидні лаки та інші речовини, що прозорі, мають високу пробивну напругу, хімічно інертні до кристалофосфору та вологостійкі. Непрозорим металевим електродом є шар алюмінію або сталевий підшарок. В електричному відношенні ця структура є конденсатором.
Електролюмінісцентні індикатори бувають 7-сегментні (типу ИТЭЛ). Вони випускаються червоного, зеленого, жовтого і блакитного кольорів, мають яскравість від 15 до 100 кд/м2, робочу напругу 160-240 В, працюють на частотах або 400 Гц, або 2...3 кГц. 35-елементні індикатори типу ЗЭЛ випускаються зеленого кольору, мають яскравість 20-25 кд/м2, робочу напругу 200...250 В, робочу частоту 400...1000 Гц.
Мнемонічні індикатори випускаються, наприклад, у вигляді 100-200 елементів різного кольору, мають яскравість 10-25 кд/м2, робочу напругу 200...240 В, робочу частоту 1000-1300 Гц.
Інжекційна люмінесценція
Інжекційна люмінесценція – світіння напівпровідника поблизу p-n переходу, включеного у прямому напрямку. Основними стадіями процесу є інжекція неголовних носіїв заряду через p-n перехід та їх випромінювальна рекомбінація з головними носіями.
У стані рівноваги, коли до p-n переходу не прикладена зовнішня напруга, концентрації носіїв заряду у р-зоні та n-зоні сталі, бо розділені потенційним бар’єром еUc, де е – заряд електрону, Uc – контактна різниця потенціалів . Зонна діаграма p-n переходу у стані термодинамічної рівноваги показана на рис.15,а, а при зміщенні – на рис.15,б.

Рис.1 Зонна діаграма p-n переходу: а) у стані термодинамічної рівноваги; б) при зміщенні.
У випадку рис.15,а електрони та дірки не можуть рекомбінувати одні з іншими, бо не зможуть подолати потенційний бар’єр. Якшо прикласти зовнішню напругу (рис.15,б), то термодинамічна рівновага порушується, виникає струм електронів в одну сторону переходу і дірок – у протилежну. рекомбінація електронів і дірок призводить до виникнення фотонів світла, а значить до випромінювання.
Світлодіоди
Перші джерела випромінювання на основі інжекційної люмінесценції (світлодіоди) з’явились у 1960-х роках. Перевагами світло діодів є простота модуляції, висока швидкодія, малі напруги живлення, надійність, мініатюрність. Довжина хвилі випромінювання світлодіода залежить від ширини забороненої зони напівпровідника та легуючими домішками. У табл. 2 наведені основні типи речовин, що використовуються у сучасних світлодіодах.
Таблиця 2. Основні типи речовин у сучасних світлодіодах
|
Речовина |
Довжина хвилі, нм |
Квантовий вихід, % |
Колір свічення |
|
InGaAsP InGaAsP GaAs:Si GaAs:Zn GaP:Zn,O GaAsP AlGaAsP GaAsP:N AlInGaP GaP:N GaAsP:N AlInGaP AlInGaP GaP:N GaP:N InGaN ZnTeSe GaN ZnCdSe SiC InGaN |
1550 1300 950 900 700 700 650 630 620 590 590 585 570 565 550 514 512 490 489 470 450 |
3-8 3-8 12 2 2-4 0,2 16 0,2-0,3 6 0,1 0,12 5 1 0,4 0,7 2,6 5,3 0,003 1,3 0,03 3,8 |
Інфрачервоний Інфрачервоний Інфрачервоний Інфрачервоний Червоний Червоний Червоний Червоний Червоно-помаранчевий Помаранчевий Помаранчевий Помаранчево-жовтий Жовтий Жовтий Жовто-зелений Зелений Зелений Блакитний Блакитний Синій Синє-фіолетовий |
Ширина спектру випромінювання залежить від механізму випромінювальної рекомбінації. Для випромінювачів на AlGaAs ширина спектру складає 30-45 нм, для світлодіодів на InGaAsP – 100-110 нм.
Зовнішній квантовий вихід випромінювання світлодіодів завжди менше за внутрішній, бо з кристалу може вийти лише частина фотонів, що виникла при рекомбінації. Повне внутрішнє відбиття призводить до того, що з кристалу може вийти тільки та частина випромінювання, яка падає на його поверхню в деякій зоні кутів. Наприклад для GaP показник переломлення n=3,3, а кут =17,7. В цих умовах через пласку поверхню (рис.16,а) може вийти лише 2% світла, що випромінюється p-n переходом.

Рис.16. Конструкції світло діодів: а) пласка; б) p-n перехід на мезі; в) з напівсферою; г) з пластмасовою лінзою.
На цьому рисунку: а – плаский кристал, б – мезаструктура, в – полу сферичний кристал, г – структура з лінзою; 1 – напівпровідник, 2 – p-n перехід, 3 – металічний контакт, 4 – пластмасова лінза. Функцію виходу можна підвищити, розміщуючи p-n перехід на так званій мезі – столоподібному виступі діаметром 0,1-0,2 мм (рис.16,б). Частина випромінювання відбивається від бокових граней та спадає на бокову поверхню під кутами, близькими до нормальних. Це дозволяє підвищити вихід випромінювання у 2-3 рази. Приблизно на порядок підвищується зовнішній квантовий вихід у світлодіодах, виконаних у вигляді напівсфери (рис.16,в), або споряджених пластмасовою лінзою (рис.16,г), оскільки повне внутрішнє відбиття в них практично виключається. Вихід можна підвищити ще приблизно у 1,5 рази, наносячи на поверхню просвітлюючи покриття, наприклад, плівки SiO, SiO>2>, Si>3>N>4> тощо.
Кутове розходження випромінювання світло діодів сильно залежить від їх геометрії і по рівню половинної інтенсивності приймає значення від 10 до 180 9типові значення 50-60).
По способу виведення випромінювання світлодіоди поділяються на поверхневі та торцеві (рис.17, де 1 – металічний контакт, 2 – підшарок n-GaAs, 3 – емітер N-AlGaAs, 4 – активний шар p-GaAs. 5 – емітер P-AlGaAs, 6 p+-GaAs, 7 – ізолятор SiO>2>, 8 – тепловідвід, 9 – випромінювання, 10 – оптичне волокно, 11 – епоксидна смола, 12 – металічний контакт, 13 – підшарок n GaAs, 14 – емітер N-AlGaAs, 15 – активний шар n-GaAs, 16 – емітер P AlGaAs, 17 – p—GaAs, 18 – ізолятор SiO>2>, 19 – тепловідвід, 20 – випромінювання).

Рис.17. Світло діоди: а) поверхневі; б) торцові.
У світлодіодах з поверхневим випромінюванням (рис.17,а) світло виводиться нормально до поверхні p-n переходу. Одна зі сторін кристалу притискається до тепловідводу, а випромінювання виводиться в оптичне волокно через отвір у підшарку. Зовнішній квантовий вихід у таких світло діодів складає 2-3%.
У торцевих світлодіодах (рис.17,б) випромінювання виводиться паралельно площині p-n переходу. Світло, розповсюджуючись уздовж активного шару має сильне самопоглинання, тому зовнішній квантовий вихід у торцевих світлодіодах нижче (0,5-1%). Але яскравість торцевих світло діодів приблизно у 5-10 разів вища за поверхневі.
Типи світлодіодних структур
Одиночні світлодіоди працюють у діапазонах інфрачервоного та видимого світла, хоча у останній час з’явились повідомлення про створення ультрафіолетових світлодіодів.
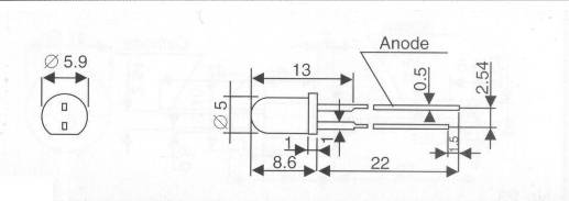
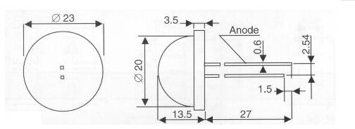
По конструкції вони поділяються на світлодіоди з поверхневим монтажем (рис.18,а), світлодіоди для монтажу скрізь отвори (по англійськи through hole) – рис.18, б та світлодіодні лампи – рис.18,в.
а)

б)

в)
Рис.18. Конструкції світло діодів: а) для поверхневого монтажу; б) для монтажу крізь отвори; в) світлодіодні лампи.
По формі перерізу світлодіоди можуть бути круглими, прямокутними, трикутними та ін. Вони використовуються у колах індикації різних приладів. У останній час з’явились світло діоди повищенної яскравості (так звані „суперяскраві світлодіоди”). За останніми даними яскравість одного світлодіода може складати до 25 кандел. Такі світлодіоди використовують у світлофорах, зовнішньому оздобленні архітектурних конструкцій і навіть для освітлювальних приладів.
Виготовляють також двох- або трьохкольорові світлодіоди, які складаються з окремих світлодіодів, але підбором струмів світлодіодів можна одержати цілу гаму різних кольорів.
Шкальні індикатори – прилади, в яких світлодіоди розміщуються у вигляді послідовних смужок. Вони використовуються для індикації рівня сигналу в аудіо- та відео апаратурі. Можливі режими поодинокого світіння світлодіоду у смужці, коли номер світлодіоду характеризує рівень сигналу, але частіше використовується режим, коли світиться ряд світлодіодів, чим більше їх світиться, тим більше рівень сигналу. Приклад конструкції шкального індикатору показаний на рис.19.
Рис.19. Конструкція шкального індикатору
Для стереоапаратури виготовляють шкальні індикатори з двома смужками світлодіодів, як правило, різних кольорів.
Різновидністю шкальних індикаторів є так звані „кластери”, в яких світлодіоди розташовують у круглій обіймі. Тут також кількість світлодіодів, що горить, показує рівень сигналу, але є інші варіанти використання. На рис.20 показана структура кластера.

Рис.20. Структура кластеру.
У склад кластерів можуть входити світлодіоди різних кольорів (наприклад, червоного, зеленого та синього) та в різній кількості (від 18 до 50).
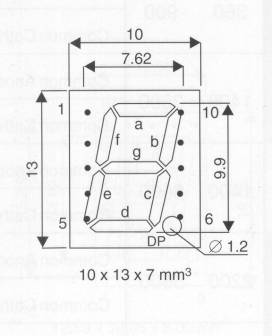
Цифро-буквенні світлодіодні індикатори
Це звичайно інтегральна мікросхема зі світлодіодних структур (у вигляді сегментів, або точкових елементів) та необхідних електричних з’єднань. Сегменти або смужки зі світлодіодів розташовують так, щоб за допомогою комбінаційного збудження одержати зображення букв або цифр. По кількості сегментів бувають 7, 8, 14, 17-сегментні індикатори, а також індикатори матричного типу з 35 точками (матриця 5х7 елементів). По кількості розрядів можуть бути одно розрядні та багаторозрядні індикатори.
На рис.21 показане розміщення сегментів на 8-сегментному індикаторі.

Рис.21. Восьмисегментний індикатор
Сім сегментів (a, b, c, d, e, f, g) використовуються для утворення зображення цифри, восьмий сегмент (DP) – точка. Такі індикатори випускають з розмірами цифри від 5 до 80 мм. Одиночні індикатори об’єднують в групи по 2, 3, 4 та більше цифр.
Для зображення цифр та букв необхідно мати більше сегментів. На рис.22 показана конфігурація 17-сегментного індикатора фірми Sharlight.

Рис.22. 17 – сегментний індикатор.
При такій кількості сегментів можна зобразити окрім цифр, усі букви європейських язиків та допоміжні знаки. Звичайно, керувати таким індикатором набагато важче, ніж 7 або 8-сегментним.
Матричні індикатори – матриці з одиночних світлодіодів, розміщені у вигляді прямокутної матриці з К рядів та Р колонок. Звичайно, така матриця має конструкцію 7х5, або 35 точок, хоча є матриці 4х4 та 8х8. Схема такої матриці показана на рис.23. Матриця складається з КхР світлодіодів, анод кожного світло діода підключений до шини колонки, а катод – до шини ряду. Він запалиться лише коли на відповідну колонку подати напругу живлення, а ряд замкнути на землю. Тому світлодіоди у матриці можна запалювати тільки по черзі, перебираючи усі КхР положень і включаючи тільки ті, що потрібні для формування заданого знаку.

Рис.23. Схема матричного індикатору.
Розрахунок драйвера світлодіодів
При розробці драйверів для світлодіодів, шкальних індикаторів, семисегментних та інших дисплеїв необхідно досягти оптимального світлового виходу. розсіювання потужності надійності і можливо більшого строку експлуатації. параметри кожного світлодіодного приладу наведені в листах даних (максимально допустимі параметри, оптичні та електричні параметри).
Вихідними критеріями є максимальний струм драйвера і максимальна температура переходу у світлодіоді. Остання є різницею між зовнішньою температурою і температурою переходу Tjmax. Ця різниця визначається як добуток розсіюваної потужності P>D> та термічного опору переходу R>L>: ΔТ = P>D> R>L>>. >Дані по термічному опору світло діодів та індикаторів наводяться у листах даних. Важливо не доводити світлодіоди та індикатори до граничної температури переходу.
На рис.24 показана типова вольт-амперна характеристика світло діоду (по горизонталі – пряме падіння напруги, по вертикалі – прямий струм.

Рис.24. Типова вольт-амперна характеристика світлодіоду.
Розсіювана потужність визначається як добуток прямого струму на падіння напруги. Розрахунок інтенсивності освітлення при температурі +25С може бути поширений на будь-яку температуру за допомогою рівняння:
Imax(T) = Imax(+25C)exp[k(T-25C)],
де коефіцієнт k може бути визначений по табл.3.
Таблиця 3. Температурний коефіцієнт світлодіоду
|
Тип світлодіода |
k/C |
|
Стандартний червоний |
-0,0188 |
|
Високоефективний червоний |
-0,0131 |
|
Жовтий |
-0,0112 |
|
Зелений |
-0,0104 |
|
DH AlGaAs |
-0,0095 |
|
TS AlGaAs |
-0,0130 |
|
AlInGaP |
-0,0100 |
|
TS AlInGaP |
-0,0100 |
Приклад розрахунку
Схема драйвера наведена на рис.2

Рис.2 Електрична схема драйвера
У схемі рис.25 можуть бути різні типи світло діодів. різна їх кількість, різна напруга живлення Uп. Потрібно визначити номінал баластного резистора R2 та його потужність. Порядок розрахунку наступний. Визначимо тип світлодіода, температуру зовнішнього середовища.
Шаг 1. Термічний опір світлодіода за листом даних, наприклад, 260С/Вт. Визначимо загальний термічний опір як 500С/Вт. Тоді на кріплення світло діода прийдеться Rh = 500-260 = 240(C/Вт). На рис.26 представлені графіки залежності максимального струму для даного світлодіода від зовнішньої температури та допустимої потужності розсіяння.

Рис.26. Залежність максимального струму від зовнішньої температури
Шаг 2. За рис.26 по суцільній лінії визначимо, що при температурі 60С максимально допустимий струм складає 42 мА.
Шаг 3. По вольтамперній характеристиці рис.24 визначаємо, що при струмі 42 мА падіння напруги на світло діоді дорівнює U=2,52 В. Звідси розсіювана потужність складає Р=2,52·0,042=0,106 Вт. Тоді температура переходу: Tj = +60C +0,106·500 = 113C, що вище допустимої по листу даних (+110С). Тому знизимо струм до 35 мА, по характеристиці знайдемо U=2,4 В, розсіювана потужність дорівнює 0,084 Вт, температура переходу +102С, що вже допустимо.
Шаг 4. Розрахуємо баластний резистор. Наприклад напруга джерела живлення +5 В, напруга насичення транзистора 0,1 В, тоді
R2 = (5 – 0,1 -2,4)/0,035 = 71,43 Ом.
Найближчий зверху номінал дорівнює 75 Ом. Потужність резистора при струмі 35 мА складає 0,092 Вт. Необхідно мати хоча б дворазовий запас по потужності. тому вибираємо потужність резистора 0,25 Вт.
6. Органічні світлодіоди
У 1987 р. Чин Тан та Стівен Ван з Eastmen Kodak одержали випромінювання світла з двохшарової органічної структури, що нагадувала p-n перехід. Вони використовували деякі органічні фарби, подібні до ксерографічних матеріалів і одержали ефективність 1%. У 1990 р. дослідники з Кембриджського університету в Англії одержали подібний ефект в полімерній тонкій плівці, що складалась з поліпаравінілена. Теорія роботи таких з’єднань досить складна. Прикладена зовнішня напруга переміщує електрони і дірки в зону рекомбінації, де вони формують нейтральну структуру – екситон. формуються два типи екситонів: сигнети та триплети. Сигнет рекомбінує швидко (за кілька наносекунд), випромінюючи фотон, а триплет рекомбінує повільно (від 1 мс до 1 с), випромінюючи тепло. Але внесення в органічні молекули таких важких металів, як ірідій або платина призводить до змішування їх властивостей, тому випромінювання фотону відбувається за час від 100 нс до 10 мкс.
Для одержання кольорових дисплеїв потрібно керувати світінням трьох випромінюючих елементів червоного, зеленого та синього кольору. Для формування трьох кольорів запропоновані декілька методів, схеми яких показані на рис.27.

Рис.27. Схеми формування трьохколірного зображення: а) присадка з важкого металу в органічному шарі; б) оптична фільтрація випромінювання; в) середовище зі змінюваним кольором; г) три прозорих елемента з незалежним керуванням.
В першому методі припускається фото літографічне нанесення на прозорий анод з оксида індія-олова колонок електродів (підпікселів), у кожному з яких в органічний шар вноситься „своя” присадка з важкого металу (рис.27,а). Незважаючи на показну простоту, технологія виявляється складною та дорогою. Але фірми Sanyo та Kodak продемонстрували такі пласкі кольорові панелі.
Інший метод – оптична фільтрація випромінювання елемента з білим освітленням (ОСП –окремий світловий піксель) – рис.27,б. Але в цьому методі знижена ефективність випромінювання, бо великі втрати у фільтрах.
Менші втрати одержують, якщо замість фільтра використовувати середовище зі змінюваним кольором (рис.27,в). Це матеріал, який під дією блакитного випромінювання виробляє зелене або червоне світло в залежності від домішок.
В конструкції рис.27,г є три прозорих світловипромінюючих елементи з червоним, зеленим або синім випромінюванням, накладені один на інший з незалежним керуванням.
Вже зараз є декілька експериментальних дисплеїв великого розміру з органічних світло діодів. Їх головна перевага – гнучкість та мала товщина, що дозволяє накладати їх на об’єкти будь-якої форми. Вже серійно випускають такі дисплеї для сотових телефонів.