Мощный стереофонический усилитель
Введение
Стереофонический усилитель является неотъемлемым элементом аудиосистем любых классов сложности. К числу основных электрических параметров и характеристик усилителей, определяющих их работу и эксплуатационные свойства, относятся: коэффициент усиления; динамическая, частотная, фазовая (частотно-фазовая) и амплитудная характеристики; уровень линейных и нелинейных искажений; коэффициент полезного действия; входные параметры (входные сопротивление, напряжение, ток и мощность, сопротивление источника сигнала); выходные данные (выходные мощность, ток, напряжение, сопротивление нагрузки): динамический диапазон: собственный уровень шумов и предельно допустимые режимы. Одним из основных параметров мощных стереофонических усилителей является коэффициент усиления (по мощности, по току или напряжению – в зависимости от назначения).
Коэффициент усиления по напряжению (A>u>) определяется как отношение между полезным выходным и приложенным к входу напряжением (током, мощностью). Он может быть представлен как в прямом отношении (V/mV). так и в децибелах. Коэффициент усиления зависит от параметров внешних элементов, в частности от сопротивления внешней нагрузки R>L> и входного сопротивления R>IN>, а также от изменения напряжения питания V>CC>, частоты и температуры.
Динамическая характеристика определяет зависимость выходного напряжения от входного; в идеальном случае эта зависимость линейная.
Частотная характеристика выражает зависимость коэффициента усиления от частоты, а фазовая – зависимость сдвига фазы между выходным и входным напряжениями от частоты.
Частотно-фазовая характеристика объединяет две последние при изменении частоты от 0 до F>h>. Все эти характеристики, а также амплитудная (зависимость выходного напряжения от входного), определяют частотные и фазовые, то есть линейные и нелинейные, искажения по сравнению с идеальными характеристиками в пределах диапазона рабочих частот.
Нелинейные искажения в усилителях обусловлены нелинейностью динамической характеристики их полное отсутствие принципиально невозможно вследствие нелинейности реальных характеристик активных элементов (обычно из-за нелинейной входной характеристики и зависимости коэффициентов усиления транзисторов от тока). На такие искажения оказывает влияние схема построения и режим работы усилителя.
Количественно степень нелинейных искажений оценивается коэффициентом гармоник K>d>, который определяет относительную интенсивность гармоник. Допустимое значение THD различается в зависимости от типа усилителей; для измерительных оно составляет сотые доли процента и менее, для акустических – десятые доли процента (при THD равном 0.2 – 0.3% для широкого диапазона частот нелинейные искажения почти не ощущаются на слух). При повышении уровня входного (Uin) сигнала увеличиваются выходные мощность (Р>OUT>), ток (Iout) и напряжение (U>OUT>), но возрастaeт и уровень нелинейных искажений. Такого рода искажения можно уменьшить, снизив снимаемую выходную мощность по сравнению с той, которую можно было бы получить от данного усилителя.
Искажения менее 0.1% для определенной мощности на выходе считаются небольшими и вполне допустимыми для качественного воспроизведения звука. Для мощных стереофонических усилителей в интегральном исполнении используются как пластмассовые корпуса типа DI L, DIP (в последнее время – малогабаритные корпуса типа SO для поверхностного монтажа (SMD), так и корпуса с основанием из металлической пластины (SIP, TABS) или металлические – типа ТО 3, ТО 5.
К схеме усилителей низкой частоты предъявляются также требования хорошего сглаживания пульсаций напряжений, то есть часто приводится значение коэффициента подавления пульсации.
Я выбрал эту тему поскольку не могу поверить, что при такой маленькой элементной базе, на двух микросхемах можно раскачать мощность 200 Вт, и хочу проверить на практике его работоспособность.
Технологическая часть
Структурная схема и ее описание
Структурная схема представлена на рисунке 1.
Сглаживающий фильтр
+Uпит
Блок управления

Входной
каскад

Выходной
каскад

Каскад
предварительного усиления
Блок
защиты от КЗ
Сглаживающий фильтр
-Uпит
ООС

Трансформатор
Диодный мост
Сглаживающий фильтр
220 В

Р
ис. 1.
Структурная схема усилителя низкой
частоты
Входной каскад собран на биполярных транзисторах. Каскад предварительного усиления и выходной каскад собран на мощных полевых транзисторах. Основная задача выходного каскада – обеспечение минимального коэффициента гармоник во всем диапазоне частот при максимальной выходной мощности и минимальном потреблении. Приведенная схема, включающая линеаризующий дифференциальный усилитель, успешно справляется с поставленными требованиями. Значительное снижение уровня нелинейных искажений достигается за счет компенсационной схемы, использующей прямую связь через емкость Миллера оконечного каскада, которая играет роль местной обратной связи по переменному току.
Благодаря отсутствию эффекта вторичного пробоя, область безопасной работы для силового каскада ограничена только величиной максимальной рассеиваемой мощности. Это значительно упрощает построение схемы защиты. Схема защиты, примененная в TDA7294, объединяет традиционную схему ограничения тока с устройством тепловой защиты, настроенной на 145 °С в рабочем режиме и на 150 °С в дежурном режиме.
В микросхеме предусмотрена также защита от воздействия статического электричества по каждому выводу. В схеме присутствует звено отрицательной обратной связи и емкость, обеспечивающая управление верхним транзистором выходного каскада. Заряжается она во время отрицательной полуволны выходного сигнала.
1.2 Схема электрическая принципиальная и ее описание
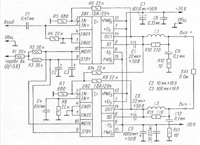
Принципиальная электрическая схема стереофонического усилителя низкой частоты представлена на рисунке 2.

Рис. 2. Схема электрическая принципиальная усилителя низкой частоты
Сегодня российским радиолюбителям доступны интегральные микросхемы, изготовленные в зарубежных странах. Некоторые из этих изделий позволяют без особых проблем (в частности, с минимумом дополнительных деталей) изготовить высококачественный стереофонический усилитель.
Интегральная микросхема TDA7294 фирмы SGS-THOMSON MICROELECTRONICS предназначена для работы в звуковоспроизводящих системах в качестве усилителя мощности.
Микросхема выпускается в пластмассовых корпусах с металлической подложкой и с формовкой выводов для вертикального («Multiwatt 15V») и горизонтального («Multiwatt 15Н») монтажа на печатных платах. Каждый корпус имеет 15 жестких выводов, их внешний вид представлен на рисунке 3.
Выводы 5, 11, 12 не используются. К выводу 6 подключается цепь ООС, к выводу 9 – цепи управления блокировкой выходного каскада, а к выводу 10 – цепи управления блокировкой входного каскада, причем в последнем случае предусмотрено управление только для не инвертирующего входа.

Рис. 3. Внешний вид и расположение выводов микросхемы
1.3 Технические характеристики устройства
Входной ток, не более, мкА 0,5
Максимальный ток потребления, А 10
Напряжение смещения не более, В ±10
Диапазон воспроизводимых частот, Гц 20…20 000
Номинальная выходная мощность, Вт 200
Номинальное сопротивление нагрузки, Ом 8
Коэффициент нелинейных искажений, % 0,5
Скорость нарастания выходного напряжения, не менее, В/мкс 7…10
Коэффициент усиления по напряжению, дБ 50 Напряжение источника питания, В ± 30
Потребляемый ток в режиме покоя, мА 20…60
Температура срабатывания устройства тепловой защиты, °С +145
1.4 Применяемая элементная база и их аналоги
Применяемая элементная база и их аналоги указаны в таблице 1.
Таблица 1
|
Элементная база |
Аналоги |
|
Конденсатор C1, С4 – 0,47 мкФх 16 В |
|
|
Конденсатор C2 – 10 мкФ х 16 В |
|
|
Конденсатор C3 – 100 мкФ х 16 В |
|
|
Конденсатор С5, C6 – 22мкФ х 50В |
|
|
Конденсатор C7, C8 – 1000 мкФ х 50 В |
|
|
Конденсатор С9, С10 – 0,33 мкФ |
|
|
Конденсатор С11, С12 – 0,1 мкФ |
|
|
Микросхема DA1, DA2 – TDA7294 |
|
|
Резистор R1, R2, R3 – 20k – 0,25 w |
|
|
Резистор R4, R6, R8, R9, R14 – 22k – 0,25w |
|
|
Резистор R5, R7 – 680 – 0,25w |
|
|
Резистор R10, R11 – 270–1w |
|
|
Резистор R12, R13 – 10–2w |
1.5 Методика ремонта устройства и алгоритм поиска неисправностей
Поиск дефекта в телевизоре может быть формализован, т.е. представлен в виде логически связанных операций – алгоритмов, что может широко использоваться при разработке инструкций по ремонту, регулировки и т.п. Для наглядного представления алгоритмов поиска дефектов в телевизорах удобно использовать следующие графические обозначения, применяемые в вычислительной технике и автоматике.
Начало поиска
дефекта (указывается вверху алгоритма)
– внешнее
проявление
дефекта (например: нет звука, мал размер
по вертикали, мало усиление по каналу
8 и т.д.)
Конец поиска дефекта, который заканчивается указанием позиционного обозначения дефектного элемента (например: С5, VT11, D7 и т.д.). Так как алгоритм поиска дефекта чаще всего разветвляющийся, то таких концов поиска дефекта может быть несколько. Алгоритм поиска может заканчиваться не только обозначением дефектного элемента, но и указанием выполнить стандартные действия для поиска дефекта.
Операция, которую необходимо провести на данном шаге поиска дефекта (например, подключить вольтметр к какой-либо точке, установить перемычку, отсоединить элемент и т.п.
Комплекс стандартных (известных) операций (например, проверить обмотки трансформатора, монтаж и т.д.)
Выработка суждения
с разветвлением дальнейшего пути поиска
дефекта по
принципу: если…, то… (направление поиска
по
нет
выходу «ДА»), а если…, то… (направление поиска по выходу «НЕТ»). Например, пусть в предыдущей операции требовалось измерить прямое и обратное сопротивление диода, а на данном шаге принять решение о дальнейшем направлении поиска. Тогда, если измеренное сопротивление диода в обоих направлениях около нуля, то диод следует заменить на исправный (выход «ДА»), если это условие не выполняется, т.е. при одном подключении омметра сопротивление большое, а при изменении полярности подключения щупов мало, то нужно перейти к следующему шагу по выходу «НЕТ» (в ромбе указывается условие перехода, например R=0).Комментарии, пояснения (например, в рассмотренном выше примере с проверкой диода омметром у выхода «ДА» может быть комментарий: диод неисправен)

Подключить, проверить омметром
(прозвонить)
Отсоединить
Установить перемычку,
перемкнуть выводы
В
ольтметр

Омметр

Осциллограф
U Напряжение
Корпус
1.6 Организация рабочего места
Само понятие рабочее место радиомеханика означает, что это место где радиомеханик, регулировщик и т.д. – будет проводить своё рабочее время, а значит, оно должно соответствовать всем требованиям по охране труда:
– расстояние между столами должно быть не менее 80 см;
– расстояние между рядами не менее 100 см;
– освещенность должна быть у люминесцентной лампы вместе с лампой накаливания не менее 450 люкс (68 Вт/м);
– батареи и трубы в помещении должны быть закрыты диэлектриком;
– должны быть в наличии и в исправном состоянии отключающие устройства электрического снабжения;
– должна быть приточно-настроенная вентиляция (кроме общей вентиляции), местные отсосы.
Также стол должен отвечать требованиям производственной санитарии:
– площадь одного рабочего места 4 м;
– полы должны быть не пылящими, гладкими, но не скользкими;
– полы должны убираться влажным способом;
– температура воздуха зимой (18 – 20)°С, летом (18 – 20)°С;
– воздухообмен в расчете на одного человека должен составлять 20 м3 в час:
– влажность 60 – 70%.
Стол должен быть оснащен трансформатором для гальванической развязки. Под организацией рабочего места подразумевается укомплектование его измерительной аппаратурой с рациональным ее размещением. При выборе контрольно-измерительного оборудования для каждого рабочего места должны учитываться характер производства. Сooтветствие его точностных характеристик, требованиям технических условий, простота и удобство эксплуатации, и ряд других условий.
1.6.1 Инструменты и приборы, используемые для настройки
Приборы и инструменты, при настройке радиоэлектронной аппаратуры, определяются сложностью и функциональным назначением регулируемого изделия.
При рациональном выборе контрольно-измерительного оборудования для каждого рабочего места должен учитываться: характер производства, простота и удобство эксплуатации, стоимость и др.
Рабочее место радиомеханика оснащают необходимыми инструментами: плоскогубцы, кусачки, пинцеты, отвертки, паяльник. Так же в комплект радиомеханика входит – техническая литература, мультиметр. спирт, клей, аспирин, дихлорэтан и др. (в зависимости от деятельности радиомеханика).
1.6.2 Измерительные приборы и их характеристики
На рабочем месте радиомеханика обязательно должны находится измерительные приборы: осциллограф, генератор НЧ, тестер и др. (в зависимости от выполняемой операции).
Двухканальный осциллограф со встроенным генератором – GOS620FG.
Универсальный прибор широкого применения. С его помощью можно наблюдать сигналы различной природы. Осциллограф применяют для измерения напряжений (постоянных и переменных), частоты, фазового сдвига, временные параметры сигнала.
Полоса пропускания усилителя вертикального отклонения луча – самый важный параметр осциллографа. Для того, чтобы увидеть на экране истинную форму исследуемого напряжения, необходимо равномерно усилить все составляющие, из которых складывается данная форма напряжения.
Любое несинусоидальное напряжение можно представить в виде постоянной и суммы гармонических составляющих. Чем больше число составляющих, тем ближе форма результирующей кривой к форме данного колебания.
Основное достоинство осциллографического метода измерения – наглядность.
2. Мультиметр – PROTEK 505
Прибор достаточно универсальный содержащий в себе практически все необходимые приборы: омметр, вольтметр, амперметр, измеритель характеристик транзисторов малой и средней мощности, звуковая прозвонка, генератор с частотой 1 кГц. так же некоторые модели, мультиметров могут содержать: измеритель емкости, частотомер, термометр.
Такие тестеры имеют практическое применение в повседневной работе радиомеханика. Им можно проверять радиокомпоненты на выход из строя. Замерять постоянные и переменные напряжения и токи, частоты слышимого диапазона.
3. Присадки к паяльнику
Часто приходится выпаивать, микросхемы из двухсторонней печатной платы и это связано с большими трудностями. Для облегчения этого процесса применяют присадки к паяльнику, которые позволяют быстро выпаять микросхему, и при этом не повредить печатную плату. Присадка представляет собой медную пластину шириной в микросхему, на которой предусмотрено крепление к паяльнику.
2. Экономическая часть
2.1 Закон себестоимости
Цена = Себестоимость + Прибыль (1)
Цена – это денежное выражение стоимости товара
Себестоимость продукции – выраженные в денежной форме текущие затраты предприятия на производство и реализацию продукции.
Прибыль – часть общей выручки полученной от реализации продукции, оставшиеся после вычета затрат на производство.
С>п> = С>ед.> + Внепроизводственные затраты (2)
С>п >– это полная себестоимость на изготовление продукции, рублей.
С>ед. >– это единичная себестоимость продукции, рублей. Внепроизводственные затраты – (2÷5)% от С>ед.>
С>ед. >= М + З>общ. >+ Н>цех. >+ Н>обор. >+ ЕСН (3)
М – стоимость материалов с учётом транспортно заготовительных расходов, рублей.
3>общ.> – заработная плата основных рабочих, рублей.
Н>цех.> – цеховые расходы, рублей.
Н>обор.> – расходы на содержание и эксплуатацию оборудования, рублей.
ЕСН – Единый Социальный Налог (35,6%)
2.2 Расчет стоимости материалов с учётом транспортно заготовительных расходов
M = S>пок.>+ S>осн.>+ S>тр.> (4)
S>пок.> – сумма покупных материалов, рублей.
S>осн >– сумма основных материалов, рублей.
S>тр.> – стоимость транспортно заготовительных расходов, рублей.
Таблица 2
|
Элементная база |
Количество (шт.) |
Цена (руб.) |
Сумма (руб.) |
|
Конденсатор C1, С4 – 0,47 мкФ |
2 |
1 |
2 |
|
Конденсатор C2 – 10 мкФ х 16 В |
1 |
2 |
2 |
|
Конденсатор C3 – 100 мкФ х 16 В |
1 |
2 |
2 |
|
Конденсатор С5, C6 – 22мкФ х 50В |
2 |
3 |
6 |
|
Конденсатор C7, C8 – 1000 мкФ х 50 В |
2 |
10 |
20 |
|
Конденсатор С9, С10 – 0,33 мкФ |
2 |
1 |
2 |
|
Конденсатор С11, С12 – 0,1 мкФ |
2 |
1 |
2 |
|
Микросхема DA1, DA2 – TDA7294 |
2 |
80 |
160 |
|
Резистор R1, R2, R3 – 20k – 0,25 w |
3 |
1 |
3 |
|
Резистор R4, R6, R8, R9, R14 – 22k – 0,25w |
5 |
1 |
5 |
|
Резистор R5, R7 – 680 – 0,25w |
2 |
1 |
2 |
|
Резистор R10, R11 – 270–1w |
2 |
1 |
2 |
|
Катушка L1, L2 – |
2 |
3 |
6 |
|
ИТОГО: |
220 |
2.3 Расчет основных материалов
Припой на 100 паек – 8 гр.
Флюс на 100 паек – 1 гр.
Спирт на 100 паек – 1 гр.
Таблица 3
|
Наименование основных материалов |
Единица измерения |
Кол-во (шт.) |
Цена (руб.) |
Сумма (руб.) |
|
Припой ПОС 61 |
кг |
6*10-3 |
100 |
0,6 |
|
Флюс КСП |
л |
6*10-3 |
20 |
0,12 |
|
Спирт |
л |
10-2 |
60 |
0,6 |
|
Текстолит |
кг. |
2,5*102 |
300 |
7,5 |
|
Корпус |
шт. |
1 |
100 |
100 |
|
ИТОГО: |
108,82 |
2.4 Транспортно-заготовительные расходы (ТЗР) берутся из расчета 15% от суммы покупных и основных материалов
S>тр. >= (S>пок. >+ S>осн.>)*0,15 (5)
S>тр. >= (220> >+ 108,82)*0,15=49,23 (руб.)
2.5 Определение стоимости материала на основе ТЗР (формула №4)
М=220 + 108,82 + 49,23 = 377,43 (руб.)
2.6. Расчет заработной платы основных рабочих
З>общ. >= З>осн. >+ З>доп.>
З>осн. >–> >основная заработная плата, (руб.).
З>доп. >– дополнительная заработная плата, (руб.).
2.6.1 Прямая заработная плата
Р>с> = Т>с> * Т>шт. >(7)
Тс – тарифная ставка, руб./час
Т>шт.> – время затраченное на операцию, норма/час
Таблица 4
|
Наименовение операции |
Т>с> (руб./час) |
Т>шт. >(час) |
Р>с> (руб.) |
|
Изготовление печатной платы |
10 |
1,5 |
15 |
|
Формовка радиоэлементов |
5 |
0,2 |
1 |
|
Установка радиоэлементов на печатную плату |
5 |
0,5 |
2,5 |
|
Ручная пайка |
8 |
0,12 |
4 |
|
Промывка |
3 |
0,3 |
0,9 |
|
Настройка |
10 |
0,3 |
10 |
|
ИТОГО: |
2,92 |
23,36 |
2.7 Расчет премии по сдельно-премиальной оплате труда составляет 40% от прямой заработной платы
З>прем. >=> >Р>с >* 0,4 (8)
З>прем. >= 23,36 * 0,4 = 9,34 (руб.).
2.8 Расчет основной заработной платы
З>осн.> = Р>с> + З>прем. >(9)
З>осн.> = 9,34 + 23,36 = 32,70 (руб.).
2.9 Расчет дополнительной заработной платы 10% от З>осн.> (оплата очередных отпусков, отпусков на учебу и т.д.)
З>доп.> = З>осн.> * 0,1 (10)
З>доп.> = 32,70 * 0,1 = 3,27 (руб.).
2.10 Общая заработная плата основных рабочих (формула №6)
З>общ. >= 32,70 + 3,27 = 35,97 (руб.).
2.11 Единый социальный налог (ЕСН) берется из расчета 26,2% от общей заработной платы
ЕСН = З>общ.> * 0,262 (11)
ЕСН = 35,97 * 0,262 = 9,42 (руб.).
2.12 Расчет расходов, связанных с обслуживанием и эксплуатации оборудования
Расходы на содержание и эксплуатацию оборудования берутся из расчета 30 –
60% от основной заработной платы.
силовая электроэнергия;
содержание и ремонт оборудования;
вода для производственных нужд;
амортизация основных средств;
заработанная плата вспомогательных рабочих;
отчисления в Пенсионный Фонд от заработанной платы вспомогательных рабочих.
Н>обор.> = З>осн.> * 0,6 (12)
Н>обор.> = 32,70 * 0,6 = 19,62 (руб.).
2.13 Цеховые расходы берутся из расчета 90 – 120% от основной заработной платы
вода на бытовые нужды;
электроэнергия для освещения;
амортизация зданий инвертаря;
заработная плата инженерно-техническим работникам (ИТР);
отчисления в Пенсионный Фонд от заработной платы ИТР;
заработная плата младшего обслуживающего персонала (МОП);
отчисления МОП;
охрана труда;
Н>цех.> = З>осн.> * 0,9 (13)
Н>цех.> = 32,70 * 0,9 = 29,43 (руб.).
2.14 Расчет себестоимости единицы изделия (формула №3)
С>ед.> = М + З>общ.> + Н>цех.> + Н>обор.> + ЕСН
С>ед.> = 377,43 + 35,97 + 29,43 + 19,62 + 9,42 = 471,87 (руб.).
2.15 Расчет внепроизводственных расчетов (2 – 5)% от С>ед.>
Внепроизв. расходы = С>ед.> * 0,2 (14)
Внепроизв. расходы = 471,87 * 0,2 = 94,37 (руб.).
2.16 Полная себестоимость (формула №2)
Сп. = Сед. + внепроизв. расходы
Сп. = 471,87 + 94,37= 566,24 (руб.).
2.17 Полная калькуляция себестоимости единицы изделия
Таблица 5
|
Наименование статей |
Норма расхода на единицу изделия (руб.) |
Доля затрат (%) |
Примечание |
|
Сырье с учетом ТЗР (М) |
377,43 |
74,00 |
|
|
Основная заработная плата |
32,70 |
8,75 |
|
|
Дополнительная заработная плата |
3,27 |
0,95 |
|
|
Единый социальный налог |
9,42 |
2,70 |
|
|
Расходы на содержание оборудования |
19,62 |
5,60 |
|
|
Цеховые расходы |
29,43 |
8,00 |
|
|
ИТОГО: |
471,87 |
100 |
2.18 Цена изделия без НДС и с НДС
Цена без НДС = С>ед.> + (С>ед.> * 0,3) (15)
Цена без НДС = 471,87 + (471,87 * 0,3) = 613,43 (руб.).
Цена с НДС = Ц>без НДС> + (Ц>без НДС> * 0,18) (16)
Цена с НДС = 613,47 + (613,47 * 0,18) = 723,89 (руб.).
2.19 Затраты на 1 рубль продукции
Затраты = С>ед.> / Ц>без НДС> (17)
Затраты = 613,43 / 723,89= 0,84 (руб.).
Таблица 6. Технико-экономические показатели
|
Показатели |
Единица измерения |
Сумма (руб.) |
Примечание |
|
Стоимость основных материалов |
руб. |
108,82 |
|
|
Стоимость покупных материалов |
руб. |
220 |
|
|
Общая заработная плата основных рабочих |
руб. |
35,97 |
|
|
Единый социальный налог |
руб. |
9,42 |
|
|
Расходы на содержание и эксплуатацию оборудования |
руб. |
19,62 |
|
|
Цеховые расходы |
руб. |
29,43 |
|
|
Себестоимость единицы изделия |
руб. |
471,87 |
|
|
Внепроизводственные расходы |
руб. |
94,37 |
|
|
Цена изделия без НДС |
руб. |
613,43 |
|
|
Цена изделия с НДС |
руб. |
723,89 |
|
|
Затраты на 1 рубль продукции |
руб. |
0,84 |
3. Техника безопасности
3.1 Требование по охране труда
Профессия радиомеханика достаточно опасная, так как происходит постоянное взаимодействие с различными неблагоприятными, а в некоторых случаях и опасными факторами, такими как: электрические и магнитные поля, напряжение, пары флюсов и многое другое. Для того чтобы избежать травм и нежелательных ситуаций и их последствий, нужно знать технику безопасности.
1. При техническом обслуживании и ремонте радиоэлектронной аппаратуры
(РЭА) необходимо иметь следующие средства защиты:
защитные очки;
маску для рта и носа (защищающую от испарений флюса и других вредных веществ);
хлопчатобумажные перчатки;
от статического электричества – халат с длинными рукавами или нарукавниками, а также браслет (только в тех случаях, когда производится пайка микросхем и полевых транзисторов).
2. Производственные
помещения должны быть обеспечены
средствами
тушения пожара, и не
заграждаться.
3. Батареи отопления, водопроводные трубы и т.д. должны быть надежно защищены диэлектрическими щитами или решеткам.
4. Рабочий стол должен быть оснащен трансформатором с гальванической развязкой.
5. Расстояние между столами не менее 80 см. а расстояние между рядами не менее 100 см.
6. Полы должны быть не пылящими, гладкими, но не скользкими.
7. Электросеть, служащая для питания
радиоэлектронной аппаратуры и
другого
оборудования, должно иметь в доступном
месте выключающее
устройство –
распределительный щиток с рубильником
и предохранителями.
8. На каждом рабочем месте необходимо иметь диэлектрический коврик.
9. Инструменты для ремонта радиоэлектронной аппаратуры обязательно должны быть с изолированными ручками.
10. При ремонте радиоэлектронной аппаратуры кроме радиомеханика, выполняющего ремонт, в помещении необходимо присутствие еще одного лица. Если ремонт производится на дому у владельца, радиомеханик должен предложить владельцу удалиться на безопасное место (не менее 3 м).
11. Запрещается:
включать РЭА в сеть с помощью оголенных проводов, без вилок;
производить ремонт в сырых помещениях; производить ремонт включенного в сеть аппарата (в тех случаях, когда производится настройка, регулировка, измерение режимов;
оставлять без надзора включенный аппарат или измерительный прибор;
включать РЭА при искусственно замкнутых предохранителях (не допускается использовать «жучки»);
иметь на одном рабочем месте два включенных в сеть радиоэлектронных аппарата со снятыми крышками;
запрещается ремонтировать в висящей одежде (кофта и т.п.), также с цепочками и часами.
12. Ремонт (настройка, регулировка измерение режимов) РЭА, включенной в сеть, необходимо производить одной рукой.
Требования безопасности до начала работы.
1. Необходимо:
надеть рабочую одежду (халат), только в застегнутом виде, чтобы не было торчащих концов;
подготовить свое рабочее место: убрать все лишнее со стола и под ним;
проверить исправность инструмента, приспособлений проверить розетки на рабочем столе, вилки паяльника и другого оборудования;
подготовить стул (табуретку), он должен иметь устойчивое положение.
2. В случае обнаружения неисправности не приступать к работе до ее устранения.
3. После того, как убедились в исправности, можно приступать красоте.
Требования безопасности во время работы.
работу производить только на исправном оборудовании, исправными приспособлениями, инструментом;
перед тем, как начать работу, рабочий стол необходимо покрыть чистой, желательно белой, хлопчатобумажной салфеткой;
паяльники, ванночки с расплавленным припоем необходимо ставить па
огнеупорные подставки;
ванночки наполнять припоем не более чем на половину его объема, необходимо следить за устойчивости ванночки;
необходимо следить за вентиляцией;
паяльники применять на напряжение до 42 В, а лучше на 36 В;
при работе с красками, лаками и тому подобным пользоваться кистью или шпателем;
работу с клеями, герметиками, компаундами производить на месте, оборудованном вытяжкой и вентиляцией;
при работе с элементами, боящимися статического электричества, необходимо применять антистатический браслет;
работу с растворителями производить вдали от открытого огня и нагревательных приборов.
Запрещается:
проверять наличие напряжения на ощупь;
проверять нагрев паяльника на ощупь (испытывать его можно только на припое);
уходить с рабочего места или оставлять его, не выключив напряжение;
производить пайку аппарата, включенного в сеть;
прием пищи на рабочем месте;
очистка паяльника от излишнего припоя встряхиванием:
производить паяльные работы при отключенной вентиляции;
применение браслетов на рабочем месте, где используется напряжение свыше 380 В, и при наличии оборудования, корпуса которых не заземлены.
Требования безопасности после завершения работы.
полностью обесточить электроустановки, отключить электроинструмент;
привести в порядок рабочее место;
убрать инструменты в ящик;
сообщить мастеру о неполадках в работе в течении рабочего дня (если неполадки присутствовали);
запрещается оставлять радиоэлектронный аппарат в разобранном виде или со снятой крышкой;
вымыть руки теплой водой с мылом и прополоскать полость рта водой.
3.2 Пожарная безопасность
Все поступающие на работу лица должны быть проинструктированы о мерах пожарной безопасности. Первичный инструктаж проводится одновременно с оформлением на работу; с начала работы по специальности вторичный инструктаж на рабочем месте проводит лицо, ответственное за пожарную безопасность.
Противопожарный инструктаж (первичный, вторичный) должен быть четким, кратким и содержать:
ознакомление вновь поступающих работников с противопожарным режимом;
ознакомление с возможными причинами возникновения пожара и действиями при его обнаружении па рабочем месте.
Всякие неисправности, могущие вызвать искрение, короткое замыкание, нагревание проводов и т.д. должны немедленно устраняться: неисправленную электросеть следует отключить до приведения ее в пожаробезопасное состояние.
Производство всякого рода новых подсоединений различных токоприемников (электроламп, электронагревательных приборов и т.д.) должно производится с ведома лица, ответственного за эксплуатацию электрохозяйства.
Применение плавких некалиброванных ставок для защиты электросетей запрещается.
Устройство и эксплуатация сетей-времянок, как правило, не допускается; исключением являются сети, питающие место производства ремонтных работ при согласовании с пожарной охраной.
Перегибать и скручивать электропровода, а также оттягивать провода и светильник, касаться электропроводки, находящейся под напряжением руками или какими-либо предметами воспрещается.
Запрещается применять для светильников абажуры из бумаги и других сгораемых материалов.
Не допускается подключение нескольких потребителей электроэнергии путем надевания на ножи одной вилки нескольких пар закольцованных жил проводов.
Запрещается использовать ролики, выключатели, штепсельные розетки для подвешивания одежды и плакатов, а также заклеивать или закрывать части электросети.
Во всех помещениях, независимо от их назначения, степени огнеопасности. все электрохозяйство должно быть полностью обесточено; в остальных помещениях по окончании работ должно оставаться под напряжением только дежурное освещение.
Подключение электросварочных аппаратов и переносных электроинструментов производить при наличии разрешения на производство огнеопасных работ.
Переносные светильники должны быть оборудованы защищенными стеклянными колпаками и сетками.
При эксплуатации электроустановок запрещается:
использовать кабель и провода с поврежденной изоляцией;
пользоваться бытовыми электроприборами и подогревательными приборами в помещениях предприятия;
оставлять под напряжением электропровода и кабели с неизолированными концами;
пользоваться поврежденными розетками, выключателями, осветительными и соединительными коробками, рубильниками и другими электроустановочными изделиями;
использовать паяльные приборы без огнестойких подставок запрещается.
Курить и пользоваться открытым огнем следует только в отведенном для этого месте.
При первых признаках пожара – задымления, запаха гари, необходимо вызвать пожарную команду по телефону «01» или средствами пожарной сигнализации и принять меры к ликвидации очага пожара своими силами.
Производить тушение пожара в электроустановках, находящихся под напряжением, запрещается.
Средства пожаротушения:
помещение предприятия должно быть обеспечено огнетушителями (пенными, порошковыми, углекислотными), пожарным инвентарем, песком;
все средства пожаротушения должны находиться на видных местах, загромождать доступ к ним запрещается.
Вывод: самое главное – это думать, перед тем как что-то сделать. Приняв правильное решение, не придется расплачиваться за совершённую ошибку, чтобы принимать правильные решения нужно знать свою работу, и технику безопасности.
Перечень используемых источников
1. Бродский М.А. Справочник радиомеханика. – Минск, «Высш. школа», 1974.
2. Городилин В.М. Регулировщик радиоаппаратуры. – М: 1983 г.
3. Горфинкель В.Я. «Экономика предприятия», М.: 1988 г.
4. Граф Р.Ф. Энциклопедия электронных схем. – М.: 2001 г.
5. Лачин В.И. Электроника. – Ростов н/Д: 2002 г.
6. Мамедов О.Ю. «Современная экономика», М.: 1997 г.
7. Пестриков В.М. Энциклопедия радиолюбителя. – СПб.: 2001 г.
8. Прянишников В.А. Электроника. – СПб.: 1998 г.
9. Хровиц П. Искусство схемотехники. – М.: 1993 г.
10. Мукосеев В.В. Маркировка и обозначение радиоэлементов. Справочник. – М: Горячая линия-Телеком, 2001.
11. Нестренко И.И. Цвет, код, символика радиоэлектронных компонентов. – М.: СОЛОН-Пресс, 2003.