Мультимедийный проектор
Введение
Японская компания Epson является мировым лидером в области производства устройств для получения изображения, среди которых принтеры, 3LCD проекторы и маленькие и средние ЖК-дисплеи. Основываясь на корпоративной культуре, компания Epson работает для того, чтобы превосходить и опережать пожелания и ожидания пользователей во всем мире, предлагая устройства, известные своим выдающимся качеством, отличной функциональностью, компактностью и низким потреблением энергии.
В повседневной жизни все больше и больше начинают пользоваться популярностью мультимедийные проекторы. Почему в данное время не берут плазмы или ЖК телевизоры? Только проектор может «выдать» качественную картинку размером более 300" по диагонали (существуют «плазмы» 106'; но на рынке их пока нет, а при появлении они будут дорого стоить). Проектор предоставляет самое выгодное соотношение рубль/дюйм. Проекторы гораздо более компактные и поэтому не занимают много места, а покрываемая диагональ больше, чем диагональ плазмы или ЖК телевизора, к тому же некоторые модели могут быть установлены на потолке. Проекторы Epson имеют большое количество входов (особенно домашние), соответственно к ним можно подключить любой видеоисточник, будь то DVD - плеер, видеомагнитофон, игровая приставка и так далее.
Проектор - это устройство, подключаемое к компьютеру или видеомагнитофону (DVD - плееру, видеокамере и т.д.) для получения изображения на проекционном экране. Для работы проектора не требуется каких-либо специальных программ. Работа с проектором подобна работе с компьютерным или видео - монитором. На пульте дистанционного управления проектором имеются регулировки яркости и контрастности изображения. Проекторы для офисных презентаций не нуждаются в сложной и частой регулировке. Такие проекторы можно включать и работать с ними, не читая инструкции. Внутри корпуса проектора находится лампа и преобразователь входного сигнала в изображение. Как правило, проектор имеет вход для подключения сигнала от компьютера и один - два входа для коммутации сигналов видео.
В проекторах имеются также аудио - входы для воспроизведения звука на встроенные динамики. Проекторы мультисистемны и работают со всеми стандартами видео (PAL/SECAM/NTSC). Это значит, что вы можете воспроизводить любую телевизионную программу и записи с видеокассет и лазерных дисков. Яркость и графическое разрешение изображения - это самые важные свойства проекторов для презентаций. Говоря о яркости проекторов, мы будем подразумевать световой поток проектора, то есть количество света, излучаемое проектором. Световой поток не зависит ни от размера экрана, ни от расстояния от объектива проектора до плоскости экрана и измеряется в ANSI - люменах. Световой поток современных офисных проекторов превышает 1000 ANSI - люменов, что позволяет проводить презентации при обычном искусственном свете.
Для воспроизведения видео рекомендуется использовать проекторы с графическим разрешением не менее 800×600 точек (SVGA). Для качественного воспроизведения компьютерного изображения с мелкими деталями выбирайте проектор с графическим разрешением не менее 1024×768 точек (XGA). Для компьютерных приложений с повышенными требованиями по контрастности и графическому разрешению изображения применяйте проекторы с графическим разрешением 1400×1050 точек Оптическая схема проекторов со стандартными объективами устроена так, что нижний край изображения оказывается на уровне объектива проектора.
В большинстве моделей проекторов предусмотрена возможность коррекции вертикальных трапецивидных искажений, возникающих при расположении проектора значительно выше или ниже нормального рабочего положения. Проекторы формируют изображение заданного размера. При использовании стандартных объективов с коэффициентом 2:1 расстояние от объетива проектора до плоскости экрана совпадает с удвоенной шириной экрана Длина штатного компьютерного кабеля обычно не превышает 3 м, чего вполне достаточно работы в офисе. При необходимости допускается использование компьютерных кабелей длиной до 15 м. Длина штатного видеокабеля также не велика, однако при необходимости для передачи сигнала видео можно использовать профессиональные видеокабели длиной до 100 м. В качестве источника света в проекторах используются надежные металлогалоидные лампы со сроком службы не менее 2000 часов. При использовании проектора в режиме офисной эксплуатации по 2 часа в сутки ежедневно, включая выходные и праздничные дни, одной лампы хватит на срок не менее чем на два с половиной года.
1 Назначение и общая характеристика мультимедийного проектора
1.1 Устройство LCD-проектора
Современные LCD-проекторы выполняются на базе трех жидкокристаллических матриц. Структурная схема такого проектора представлена на рисунке 1.1. Световое излучение лампы с помощью конденсатора преобразуется в равномерный световой поток, из которого дихроичные зеркала-фильтры выделяют три цветовые составляющие (красную, синюю и зеленую) и направляют их на соответствующие LCD-матрицы (дихроичное зеркало отражает одну цветовую составляющую светового потока и пропускает лучи двух других). Сформированные ими цветные изображения объединяются в призматическом блоке в одно полноцветное, которое затем через объектив проецируется на внешний экран.

Рисунок 1.1 - Устройствово LCD-проектора
По принципу действия такие аппараты напоминают обычные диапроекторы с той разницей, что проецируемое на внешний экран изображение формируется при прохождении излучаемого лампой светового потока не через слайд, а через жидкокристаллические панели, состоящие из множества электрически управляемых элементов-пикселов.
В зависимости от величины приложенного к каждому такому элементу переменного напряжения меняется его прозрачность, а, следовательно, и уровень освещенности участка экрана, на который проецируется данный пиксел. Все проекторы Epson основаны на технологии 3LCD, эта технология была разработана компанией и запатентована в 1988 году, а в 1989 году был выпущен первый проектор на этой технологии.
Преимущества: малый вес и стоимость, прекрасно подходят для презентаций, высокая яркость, идеальная геометрия, легкая настройка и использование, подходят для очень больших экранов.
Недостатки: необратимая деградация (старение) LCD - матрицы через 3-4 года интенсивной эксплуатации, невысокий уровень черного, "мертвые" пикселы, обязательно активное охлаждение, более высокий уровень шума.
1.2 Устройство DLP-проекторов
В одноматричном DLP - проекторе световой поток лампы пропускается через вращающийся фильтр с тремя секторами, окрашенными в цвета составляющих пространства RGB (в современных моделях к трем цветным секторам добавлен четвертый - прозрачный, что позволяет увеличить световой поток мультимедийного проектора при демонстрации изображений с преобладающим светлым фоном). Устройствово такого проектора представлено на рисунке 1.2.
Рисунок 1.2 - Устройствово DLP проектора
В зависимости от угла поворота фильтра (а, следовательно, и цвета падающего светового потока) DMD-кристалл формирует на экране синюю, красную или зеленую картинки, которые последовательно сменяют одна другую за короткий интервал времени. Усредняя отражаемый экраном световой поток, человеческий глаз воспринимает изображение как полноцветное.
Лежащая в основе любого DLP - проектора технология цифровой обработки света (DLP) базируется на разработках корпорации Texas Instruments, создавшей новый тип формирователя изображения - цифровое микрозеркальное устройство DMD (Digital Micromirror Device).
DMD - формирователь представляет собой кремниевую пластину, на поверхности которой размещены сотни тысяч управляемых микрозеркал. Некоторые сравнительные моменты двух технологий (которые получаются из-за особенностей формирования изображения). При резких движениях головой, моргании, а также при просмотре видео на изображении, проецируемом проектором с технологией DLP, хорошо заметен эффект «расслоения» цветов. Этот недостаток обусловлен конструктивными особенностями проекторов, построенных на базе технологии DLP с одной DMD - матрицей.
При использовании проектора, основанного на технологии 3LCD, подобного явления не наблюдается. Проектор, основанный на технологии 3LCD, обеспечивает передачу более ярких, сочных и реалистичных цветов, в то время как при использовании DLP - проектора изображение получается более блеклым, а многие оттенки зеленого имеют избыток желтизны (это хорошо заметно по траве, листве и подобным объектам).
Проектор, основанный на технологии 3LCD, позволяет получать более яркое изображение без потери деталей в светах и тенях. Увеличение яркости или контрастности на DLP - проекторе неизбежно приводит к исчезновению деталей в светах и появлению ступенчатости на плавных тональных переходах.
При воспроизведении видеопроектор, основанный на технологии 3LCD, позволяет получить более мягкую картинку и более насыщенные оттенки по сравнению с изображением, проецируемым DLP - проектором. Впечатление от просмотра видео при использовании DLP - проектора также портит эффект «расслоения» цветов (который, по мнению ученых, не столь безобиден, как может показаться на первый взгляд), появляющийся в динамичных сценах.

Рисунок 1.3 - Устройствово двухматричного DLP - проектора
В двухматричных DLP - проекторах, вращающийся цветной фильтр имеет два сектора пурпурного (смесь красного с синим) и желтого (смесь красного и зеленого) цветов (рисунок 1.3). Дихроичные призмы разделяют световой поток на составляющие, при этом поток красного цвета в каждом случае направляется на одну из DMD - матриц. На вторую в зависимости от положения фильтра направляется поток либо синего, либо зеленого цвета. Таким образом, двухматричные проекторы, в отличие от одноматричных, проецируют на экран картинку красного цвета постоянно, что позволяет компенсировать недостаточную интенсивность красной части спектра излучения.

Рисунок 1.4 - Оптическая схема трехматричного DLP - проектора
В трехматричных DLP - проекторах (рисунок 1.4) световой поток лампы с помощью дихроичных призм расщепляется на три составляющих (RGB), каждая из которых направляется на свою DMD - матрицу, формирующую картинку одного цвета. Объектив аппарата проецирует на экран одновременно три цветных картинки, формируя, таким образом, полноцветное изображение. Благодаря высокой эффективности использования светового излучения лампы, трехматричные DLP - проекторы, как правило, характеризуются повышенным световым потоком, достигающим у наиболее мощных аппаратов 18000 ANSI - лм.
Преимущества: долговечность DLP - матриц (не теряют качества со временем), малый вес, прекрасно подходят для презентаций, высокая яркость, идеальная геометрия, легкая настройка и использование, подходят для очень больших экранов, меньшие затраты на охлаждение, меньший уровень шума[2].
1.3 Характеристики проекторов
Разрешение является важнейшим параметром, определяющим качество изображения. Важно различать разрешение и формат входного сигнала. Разрешение-то, что различает ("разрешает") глаз на экране. Для проекторов на дискретных элементах (LCD, DLP) оно определяется числом элементов в матрице. Разрешение проекторов нередко обозначают аббревиатурами
VGA (640 × 480), SVGA (800 × 600), XGA (1024 × 768), WXGA (1280 × 768), SXGA (1280 × 1024), UXGA (1600 × 1200) и т.п.
Яркость (нормальный/экономичный режим). Прежде всего, необходимо четко осознать, что указанная в документации яркость (в люменах) характеризует световой поток проектора, который распределяется по всей площади экрана. То есть, увеличив ширину экрана (изображения) вдвое, вам придется (чтобы не уменьшилась яркость изображения) использовать в четыре раза более мощный проектор. Дело в том, что чем более ярким является изображение, которое дает проектор, тем более сочными и насыщенными являются цвета, но меньшей - контрастность. Происходит это потому, что в основе контрастности лежит режим воспроизведения максимально глубокого черного цвета, а свет - враг черного цвета.
Ресурс лампы (экономичный режим) E - TORL (рисунок 1.5) - срок службы лампы выходит, когда ее световой поток упадет (яркость) до 50% от начального значения. Лампы Epson E - TORL. Разработка уникальной лампы Epson E - TORL стала настоящим прорывом в области проецирования изображения. Она позволяет при меньшей мощности обеспечить большую яркость изображения. Среди очевидных преимуществ - значительно сниженная стоимость лампы, более низкое энергопотребление, мгновенное выключение проектора, увеличенный ресурс лампы и низкий уровень шума.
Таблица 1.1 - Показатель необходимой яркости проектора в зависимости от внешних факторов
|
Уровень внешнего освещения |
Яркость проектора (в зависимости от ширины экрана), лм |
|||
|
150 см |
200 см |
250 см |
300 см |
|
|
Комната без затемнения или с прозрачными шторами (250 Лк) |
2000–2500 |
3500-3700 |
5000-6000 |
7000-8500 |
|
Затемненная
комната (150 Лк) |
1000–1200 |
2000–2500 |
3000-3500 |
4000-5000 |
|
Полное затемнение или комната без окон (50 Лк) |
500-600 |
600-800 |
900-1100 |
1500–1800 |
Контрастность - это соотношение яркостей наиболее белого участка изображения и наиболее черного. Контрастность определяется с помощью измерителя интенсивности света, падающего на какую-либо поверхность или отраженного от нее. Большинство производителей используют метод, при котором определяется отношение "белое поле/черное поле", т.е. измеряются освещенности максимально белого и максимально черного изображений и вычисляется их отношение. Если вы будете работать в освещенном зале, вы не увидите заявленной контрастности, каким бы хорошим проектор ни был. Если проектор имеет контрастность 500:1 и выше, разницу почувствовать трудно. Однако при просмотре видеофильма в затемненном помещении, вы увидите преимущество высококонтрастного изображения.

Рисунок 1.5 - Сравнение обычной лампы и лампы с технологий E - TORL
Уровень шума (экономичный режим). Разница в 3 дБ воспринимается человеком как уменьшение шума на 50%, а в 7 дБ - на 80%. Иными словами, можно сказать, что работа проектора с уровнем шума вентилятора 27 дБ воспринимается человеком в пять раз тише, чем у проектора с уровнем шума 34 дБ.

Рисунок 1.6 - Вертикальная и горизонтальная коррекция трапециидального искажения
Встроенные колонки. Многие проекторы Epson обладают встроенными динамиками, благодаря чему DVD и мультимедийные презентации могут отображаться без подключения внешних колонок.
Вертикальная и горизонтальная коррекция трапециидального искажения (рисунок 1.6). Восстановление прямоугольной формы изображения на проекционном экране, нарушенное вследствие несоблюдения высоты или центрирования проектора. Когда проектор установлен под значительным углом к оси экрана, изображение получается слегка искаженным, принимая форму трапеции, именно поэтому коррекция трапециидального искажения очень важна.
Система вертикального и горизонтального сдвига линз. Возможность вертикального и горизонтального сдвига линз означает, что проектор не обязательно размещать непосредственно перед экраном, его можно разместить на столе, полке и даже на потолке.
Размер изображения. Для точного определения размера изображения проецируемого любой моделью проектора Epson, на сайте epson.ru есть проекционный калькулятор.
Увеличение. Объектив с масштабированием способен изменять свое фокусное расстояние. В результате этого размер изображения проектора имеющего объектив с масштабированием может изменяться, при этом проектор находится на одном и том же расстоянии от экрана.
Передача изображения по USB. Эта функция позволяет избавиться от лишних проводов: с помощью всего одного кабеля USB, подключенного к компьютеру, можно передавать изображение и сигнал управления. Дополнительные функции - это возможности проектора, которые отличают наши устройства от других, это дополнительные преимущества, которые не вошли в основной список характеристик. Функции EasyMP (Easy Multimedia presentation), расширенная сетевая функциональность, возможность подключения до 4-х проекторов к одному компьютеру по сети (проводной или беспроводной) и передачи изображения на них, работа напрямую с
USB - устройствами и картами памяти, передача изображения по USB, возможность подключения до 1000 проекторов по сети для управления и мониторинга)[1].
2. Принцип работы проектора
1. Вентилятор потребления охлаждает R, Г и клапаны света B (панели
наименьшего общего кратного).
2. Вентилятор лампы (вентилятор Потребления) главным образом крутой собрание Лампы.
3. Вытяжной вентилятор главным образом рассеивает теплоту от собрания Лампы.
4. Во время ремонтных работ раздел, включенный пунктирами, должен быть обработан как единственный (отдельный) модуль.
Краткий обзор операции дисплея:
Монтаж платы материнской платы получает сигналы
РГБ - компонента от интерфейса Компьютера или другого компонента. Монтаж платы материнской платы получает видео сигналы (S - видео или Видео) от Видео/с - Видео интерфейса (преобразование аналоговых сигналов в цифровые);
2. Цифровой сигнал дисплея изменен и сделанное гамма исправление процессором изображения (пв190 - 10L) на доске правления материнской платы, и затем вывод к R, Г и B освещает клапаны;
3. Каждый R, клапан света Г и B - панель и управлять количеством света, предоставленного от легкого справочника (руководства) модуль;
4. Свет, который проходит через легкие клапаны, интегрирован призмой и тогда спроектирован как изображение через модуль линзы проектирования;
5. Звуковой сигнал выводится от звукового контроллера (TDA7430) на диск правление к встроенному динамику (спикеру) через усилитель мощности.

Рисунок 2.1 - структурная схема LCD-проекторов

Рисунок 2.2 - Схемы подключения
Различные схемы связаны с материнской платой, доска (правление), которая является центральным компонентом системы.


Рисунок 2.3 - Блок Схемы
Оптическая система состоит из четырех блоков (собрание Лампы, световедущий модуль, POP (модуль призмы и свет клапаны (РГБ)), модуль линзы Проектирования). Ряд этих модулей называют оптическим механизмом.
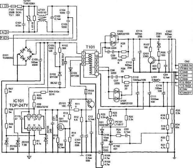
IC101 типа TOP - 247Y фирмы Power Integration. Отличие схем лишь в номиналах некоторых элементов и в назначении контактов выходного разъема CN2. Микросхема включена по стандартной схеме с управлением по току. Выбрана рабочая частота микросхемы 66 кГц (вывод F подключен к выводу контроля С). Вход обратной связи по напряжению L используется для запуска преобразователя. Поэтому же входу контролируется входное напряжение преобразователя на пороговые значения. Вход контроля предельного тока через силовой ключ, управления (ON/OFF) и синхронизации - вывод X. Предельный ток через силовой ключ определяется номиналом резисторов делителя R1 R07 R08 R09. Вывод С - вход усилителя ошибки и обратной связи по току. Напряжение ошибки определяется напряжением с обмотки 1-2 импульсного трансформатора Т101 и проводимостью фототранзистора оптрона РС101. Оптрон РС101 входит в состав цепи обратной связи схемы стабилизации выходных напряжений блока. Для контроля выходных напряжений используется узел на элементах IC103 и РС101, подключенный к вторичному напряжению 13 В. Ток через фотодиод оптрона зависит от уровня напряжения 13 В, что приводит к изменению проводимости фототранзистора оптрона и изменению напряжения на входе усилителя ошибки - выводу С микросхемы IC101. Узел на элементах ZD101 и Q01 является дополнительной (кроме встроенных в микросхему цепей защиты) защитой блока питания от превышения номинала входного напряжения преобразователя. Аналогичную функцию выполняет узел на элементах Q101, ZD01 во вторичной цепи. Он контролирует напряжение 13 В и, при его резком увеличении (более 15 В), транзистор Q101 шунтирует выход выпрямителя D106 С11, С112, что приводит к срабатыванию токовой защиты в микросхеме IC101 и переходу блока питания в режим защиты. Из напряжений 13 и 5 В блока питания с помощью интегральных стабилизаторов формируются напряжения 33, 9, 8, 5, 3,3 и
1,8 В для питания все деталей шасси.

Рисунок 2.5 - Принципиальная электрическая схема блока питания шасси VC20EO
Конструктивно все стабилизаторы и транзисторные сборки (рис. 2.6) размещены на главной плате. Блок питания подключается к ней через разъем CN100. Следует обратить внимание на то, что импульсный преобразователь постоянно находится под напряжением, если проектор подключен к сети. От напряжения 5 В (контакты 3,4 CN2/102) питается дежурный стабилизатор напряжения 1,8 В на микросхеме IC105. С него напряжение подается на микросхему IC704. Все остальные вторичные напряжения появляются только в рабочем режиме. Для коммутации напряжения 5 В от блока на входы стабилизаторов используется ключ Q104 1С 102, а для коммутации
13 В-ключи Q100 IC100 и Q101 IC100. Эти ключи управляются сигналами SW_POWER и SW_LVDS с выв. 98 и 67 IC704.
Напряжение 33 В для питания тюнера формируется из 5 В с помощью преобразователя на элементах Q200, D200, С203, С213 и стабилизатора D201- R208. DC/AC-преобразователь для питания ламп подсветки[5].

Рисунок 2.6 - структурная схема вторичных цепей питания шасси VC17EO, VC20EO
ШИМ контроллер U301 работает на фиксированной частоте, которая определяется параметрами элементов, подключенных к выв. 5 и 7 (50 кГц). Выходы микросхемы (выв. 9-12) подключены к силовым элементам, в качестве которых используются пары (один с N-каналом, а другой - с
Р - каналом) MOS-FET - транзисторов U204 и U205 типа 4542М (VDSS = 30 В, VGss = ±20 В, lD = 6 А). Стоки транзисторов нагружены на первичные обмотки импульсных трансформаторов Т301 и Т302. с вторичных обмоток высокое напряжение через разъемы CN3 - CN6 подается на лампы подсветки. Для стабилизации выходных напряжений с резисторных делителей, включенных последовательно с лампами, снимается напряжение обратной связи и подается на прямой (переменная составляющая) и инверсный (постоянная составляющая) входы усилителя ошибки микросхемы - выв. 2. Сигнал включения преобразователя SWJNVERTER поступает от микроконтроллера на контакт 9 разъема CN2. Этим сигналом открывается ключ Q201- Q202 и напряжение 13 В с контактов 1 и 2 CN2 подается на стабилизатор U201, от которого питается микросхема U301. На вход ON/OFF (выв. 14) через резистор R207 от стабилизатора подается высокий потенциал и ШИМ контроллер включается. Один их выходов микросхемы (выв. 11) подключен к силовому ключу U204 через ключ Q204-Q206, управляемый напряжением стабилизатора U201. В виду того, что выходной силовой каскад выполнен по мостовой схеме, напряжение на выходе преобразователя появится только после того, как это ключ откроется. Яркость подсветки регулируется сигналом (постоянное напряжение в диапазоне 0...3.3 В) с контакта 8 CN2. Через делитель R271 R273 и диодную сборку D209 напряжение подается на усилитель сигнала ошибки - 1 U301.
Микросхема IC802 типа VCT4973 - XM фирмы Micronas входит в состав семейства VCT48/49xyi и представляет собой однокристальный ТВ процессор, который осуществляет полную обработку аналоговых видео и
звуковых сигналов, поступающих на его входы с тюнера или с разъемов НЧ входа.
Из сигнала на выходе УПЧ с помощью интегрированного полосового фильтра выделяется сигнал 1-ой ПЧЗ и поступает на вход мультистан-дартного демодулятора звукового сигнала. С его выхода звуковой сигнал поступает на переключатель звуковых сигналов (в составе IC802). На другие входы переключателя (выв. 113 - 118 IC802) подаются звуковые сигналы с разъемов НЧ входа. С выхода переключателя выбранный пользователем звуковой сигнал поступает на звуковой процессор (в составе микросхемы IC802), а с его выхода (выв. 123, 124) - на вход усилителя звуковой частоты (УМЗЧ) IC600 (выв. 7 и 14) и на вход усилителя наушников IC601 (выв. 2,3).
ЦМЗЧ выполнен на микросхеме типа TDA7266D фирмы STMicroelectronics, представляющей собой двухканальный мостовой усилитель с выходной мощностью 5 + 5 Вт (при UCc = 9,5 В, RL= 8 Ом, THD = 10%). Микросхема имеет функции блокировки звука, дежурного режима, защиты от короткого замыкания в нагрузке и термозащиты.
Вход переключения в дежурный режим не используется, он подключен к напряжению 9 В. Микросхема питается напряжением 9 В (выв. 6 и 15) от стабилизатора IC110. Усилитель наушников IC601 выполнен на микросхеме типа TDA7050. Это двухканальный усилитель при напряжении питания 5 В на нагрузке 32 Ом развивает выходную мощность 75 мВт в каждом канале. Микросхема питается напряжением 5 В (выв. 8) от стабилизатора 1С108 через ключ на транзисторах Q600, Q601. Этот ключ используется для выключения усилителя, сигнал HP_MUTE поступает с выв. 89 IC704.
3. Основные технические характеристики и параметры
3.1 Проектор Epson EMP - S5/S52

Рисунок 3.1 - Проектор Epson EMP - S5/S52
Таблица 3.1 - Технические характеристики проекторов S5/S52
|
Техническая характеристика |
Параметры проектора |
|
Яркость |
1800 ANSI лм (высокая), 1600 ANSI лм |
|
Дисплей |
3LCD |
|
Реальное разрешение |
800×600 |
|
Поддерживаемые разрешения |
800×600, 1600×1200 |
|
Контрастность |
400:1 |
3.2 Проектор Epson EB 1705/1715W

Рисунок 3.2 - Проектор Epson EB 1705/1715W
Таблица 3.2 - Технические характеристики проекторов Epson EB 725/1735W
|
Техническая характеристика |
Параметры проектора |
|
Яркость |
2500 ANSI lm (высокая), 1600 ANSI lm |
|
Дисплей |
3LCD |
|
Реальное разрешение |
XGA (1024×768) |
|
Контрастность |
400:1 |
4. Особенности подключения устройства к ПК, настройка
Посмотрев на панель разъемов современного мультимедиа-проектора, большинство пользователей просто теряются при виде обилия указательных надписей и металлических деталей, устрашающих своей сложностью. Но все не так уж и страшно! Воспользовавшись данным иллюстрированным справочником, Вы сможете разобраться в некоторых основных типах соединителей и определить, что находится на панели Вашего проектора. Название "порт" перешло из "компьютерного" языка и мы будем его использовать, так как наш материал обращен в значительной степени пользователям компьютеров и универсальных мультимедиа-проекторов.
4.1 Порт HD 15 female (15 штырьковый трехрядный разъем "мама")
Он служит для подключения компьютера. Название интерфейса RGB происходит от английских слов red, green, blue - означающих основные цвета спектра - красный, зеленый, синий. Это - наиболее распространенный способ присоединения компьютеров и мониторов к видео проектору. RGB - вход, чаще всего, имеет указательную надпись "computer", поскольку, почти всегда источником RGB - сигнала является компьютер. RGB - выход, там, где он существует, чаще всего помечается как "monitor". Он может быть использован для пересылки уже полученного сигнала на монитор или другое внешнее устройство, например, еще один проектор. Иногда RGB - интерфейс именуют VGA или SVGA. Это может вносить путаницу, поскольку в данном случае речь не идет о разрешающей способности, а скорее о конструкции разъема и его внутренней распайке. Как правило, это 15 штырьковый соединитель с расположением штырьков в три ряда (HD 15). В новых моделях проекторов этот порт часто может также служить для присоединения компонентного видео сигнала (см. 5-BNC порт). При этом необходимо использовать соответствующий переходник и переключить тип входного сигнала с помощью меню проектора.

Рисунок 4.1 - Порт HD 15 female
4.2 DVI порт female ("мама")
DVI, или Интерфейс Цифрового Видео (Digital Visual Interface), является относительно новым для передачи графического сигнала. Он был разработан, как альтернатива RGB, для связи источников сигнала (компьютеров, документ - камер) с отображающими устройствами (мониторы, проекторы). Этот интерфейс использует полностью цифровой стандарт передачи данных, благодаря которому можно избежать ухудшения качества, возникающего при аналогово - цифровых преобразованиях изображения. Вызвано оно тем, что на выходе источника сигнал перекодируется из цифрового вида в аналоговый, а на входе отображающего устройства, наоборот - из аналогового вида в цифровой. Эти преобразования непременно сопровождаются некоторым ухудшением качества. Другое преимущество этого интерфейса заключается в отсутствии потери качества изображения при использовании длинного соединительного кабеля, тогда как при использовании аналогового интерфейса, для снижения этих потерь необходимо вводить специальные усилители сигнала. Сейчас все больше новых устройств оснащаются
DVI - портом, хотя большинство компьютеров в базовой конфигурации его по-прежнему не имеют и для работы с ним им требуется специальная видеокарта. На сегодняшний день существуют две версии стандарта DVI. DVI - I совместим с предыдущими форматами и может использоваться компьютером с аналоговым портом вывода. DVI - D, напротив, не может работать с аналоговым сигналом. DVI - I, работающий с аналоговым сигналом, не дает никаких преимуществ по сравнению с обычным аналоговым RGB, так как осуществляет все те же преобразования.

Рисунок 4.2 - DVI порт female
4.3 5 - BNC порт
В проекторах среднего и профессионального класса этот порт, как правило, является универсальным (перестраивается с помощью меню проектора под нужный сигнал). В профессиональных моделях к такому порту можно подключать практически любой аналоговый сигнал. Прежде всего, он может служить для подключения компьютеров, особенно в стационарных условиях. Соединители BNC (Bayonet Neill Concelman - байонетный соединитель) с соответствующими высококачественными кабелями позволяют удалять источник (компьютер) и проектор на относительно большие расстояния в десятки метров - без потери качества сигнала. В этом случае 5 разъемов служат для подключения сигналов составляющих цветов (R, G, B), а также сигналов строчной и кадровой разверток (H, V) отдельными коаксиальными кабелями. При подключении, например, компонентного видео сигнала от профессиональной видеоаппаратуры, обеспечивающего наивысшее качество изображения, используются три разъема из пяти. При подключении S - видео два, и композитного видео - один разъем. Соответствующая конфигурация задается с помощью меню проектора.

Рисунок 4.3 - 5-BNC
4.4 RCA порт для видео (желтый)
В проекторах, особенно компактных, это прежде всего вход композитного видео сигнала. Это - стандартный видеопорт и он может быть использован для воспроизведения сигналов видеомагнитофонов, DVD - плейеров и других стандартных видеоустройств. Чаще всего для этого порта используется соединитель типа RCA (известный еще как "тольпан", из за схожей с цветком формы соединителей старых выпусков). На некоторых моделях проекторов может вместо RCA использоваться соединитель BNC. Сигнал, поступающий на этот вход, называется композитным, поскольку вся видео информация (цвет, яркость, синхронизация) объединены в одном сигнале и предаются по одному проводу. Композитный сигнал дает худшее качество, по сравнению с другими типами видеосигналов (S - видео и компонентный), но зато для него используется самый простой и недорогой кабель. Выходы композитного видео сигнала присутствуют на всех, за редким исключением, видео устройствах магнитофонах, камерах, проигрывателях DVD и т.п.

Рисунок 4.4 - RCA порт для видео (желтый)
4.5 S - видео порт
Буква S в названии этого порта, соответствующего сигнала и типа соединителя означает separate (раздельный), так как в этом сигнале информация о яркости и цвете передается по двум раздельным проводам.
S-видео сигнал обеспечивает заметно лучшее качество изображения, по сравнению с композитным. S - видео называют также Y/C-video. Y является обозначением сигнала яркости, а С - цветности. Разъем для S - видео сигнала очень похож на разъемы для современных компьютерных мышей и клавиатур, не перепутайте! У S-видео вилки всего 4 штырька, у компьютерных разъемов их обычно больше (6-9). S-видео выходы имеются у многих видеоустройств среднего класса - это все DVD проигрыватели, видеокамеры S - VHS, Hi - 8, mini - DV, компьютерные видеокарты, документ камеры. У видеомагнитофонов S - видео выход имеется только у моделей
S -VHS или профессиональных.

Рисунок 4.5 - S-видео
4.6 IEEE - 1394 (FireWire)
Это порт, в ближайшее время, может появиться на многих моделях проекторов, хотя сегодня он имеется пока только на некоторых профессиональных. IEEE - 1394 (торговая марка компании Apple) используется, например, в цифровых видеокамерах mini - DV. Передача сигнала в проектор непосредственно в цифровом виде также будет обеспечивать очень высокое качество изображения. Не путайте этот порт с портом USB, так как они очень похожи.

Рисунок 4.6 - IEEE - 1394 (FireWire)
4.7 SDI порт (соединитель BNC)
Встречается у профессиональных проекторов. SDI - сокращение слов Serial Digital Intеrface - он предназначен для передачи цифрового видео с качеством, удовлетворяющим требования телевизионного вещания. Обычно используется на профессиональном и студийном оборудовании. SDI может обеспечивать передачу сигналов, как стандартного цифрового телевидения, так и HDTV на расстоянии десятков метров без всякого промежуточного усиления по коаксиальному кабелю. Он известен также как 4:2:2-компо- нентное видео или YСbCr.

Рисунок 4.7 - SDI
4.8 USB порт
Universal Serial Bus (универсальная шина для передачи данных) все чаще встречается на разных моделях проекторов. Служит пока, главным образом, для осуществления управления проектором при помощи компьютера (с установленными соответствующим ПО), и для управления компьютером с пульта дистанционного управления проектором. В дальнейшем не исключено использование этого порта и для передачи изображения и звука.

Рисунок 4.8 - USB
4.9 RCA порт для звука (белый, красный/звук) (AUDIO IN)
Это порт для подключения звука. Чаще всего он включается вместе с входами от видеоисточников. Согласно принятому стандарту белым цветом обозначается разъем левого, а красным правого канала стерео системы. Собственные громкоговорители проекторов обычно слишком малы для обеспечения хорошего качества звучания, поэтому обратите внимание, нет ли на вашем проекторе выхода звукового сигнала!

Рисунок 4.9 - RCA
4.10 Мини - джек (порт входа звукового сигнала) (AUDIO IN, COMPUTER AUDIO IN)
В проекторах такой входной соединитель используется для подключения звуковой карты компьютера, так как у последних такой же выходной разъем и соответствующий кабель входит в комплект. Впрочем, у особо компактных моделей проекторов такой входной порт для звука может быть единственным.

Рисунок 4.10 - AUDIO IN
4.11 Мини - джек (порт выхода звукового сигнала) (MONITOR)
Этот выход служит для подачи звукового сигнала на внешнюю звукоусилительную систему, которая может быть любой - от домашнего музыкального центра до мощной системы озвучивания большого зала. Сигнал на этом выходе будет соответствовать тому источнику, изображение от которого в данный момент проецируется на экран. Присоединив внешнюю звуковую систему к проектору через этот порт вы сможете регулировать громкость кнопками с пульта дистанционного управления проектором.

Рисунок 4.11 - AUDIO OUT
4.12 D - sub> (9 pin) male ("папа")
Это стандартный соединитель для интерфейса RS - 232. Он используется для управления проектором или компьютером (управление компьютерной мышью на пульте ДУ проектора). При помощи внешней системы управления (AMX, CRESTRON), подключенной к проектору через этот порт можно дистанционно управлять любыми функциями проектора, что особенно важно в больших инсталляциях.

Рисунок 4.12 - D-sub>
4.13 Мини DIN 8 порт (RS-232, Mouse, PS/2)
В последнее время этот соединитель вытеснил D-sub> 9-pin в качестве основного порта для управления проектором или компьютером, а для присоединения к различным вариантам разъемов RS-232 в комплект проектора входят необходимые переходники[6].

Рисунок 4.13 - мини DIN 8 порт
5. Система электропитания устройства
Конструктивно все стабилизаторы и транзисторные сборки размещены на главной плате. Блок питания подключается к ней через разъем CN100. Следует обратить внимание на то, что импульсный преобразователь постоянно находится под напряжением, если проектор подключен к сети. От напряжения 5 В (контакты 3,4 CN2/102) питается дежурный стабилизатор напряжения 1,8 В на микросхеме IC105. С него напряжение подается на микросхему IC704. Все остальные вторичные напряжения появляются только в рабочем режиме. Для коммутации напряжения 5 В от блока на входы стабилизаторов используется ключ Q104 1С 102, а для коммутации 13 В-ключи Q100 IC100 и Q101 IC100. Эти ключи управляются сигналами SW_POWER и SW_LVDS с выв. 98 и 67 IC704.
Напряжение 33 В для питания тюнера формируется из 5 В с помощью преобразователя на элементах Q200, D200, С203, С213 и стабилизатора D201, R208. DC/AC-преобразователь для питания ламп подсветки

Рисунок 5.1 - структурная схема вторичных цепей питания шасси VC17EO,VC20EO
ШИМ контроллер U301 работает на фиксированной частоте, которая определяется параметрами элементов, подключенных к выв. 5 и 7 (50 кГц). Выходы микросхемы (выв. 9-12) подключены к силовым элементам, в качестве которых используются пары (один с N - каналом, а другой - с Р - каналом) MOS - FET - транзисторов U204 и U205 типа 4542М (VDSS = 30 В, VGss = ±20 В, lD = 6 А). Стоки транзисторов нагружены на первичные обмотки импульсных трансформаторов Т301 и Т302. с вторичных обмоток высокое напряжение через разъемы CN3 - CN6 подается на лампы подсветки. Для стабилизации выходных напряжений с резисторных делителей, включенных последовательно с лампами, снимается напряжение обратной связи и подается на прямой (переменная составляющая) и инверсный (постоянная составляющая) входы усилителя ошибки микросхемы - выв. 2. Сигнал включения преобразователя SWJNVERTER поступает от микроконтроллера на контакт 9 разъема CN2. Этим сигналом открывается ключ Q201 - Q202 и напряжение 13 В с контактов 1 и 2 CN2 подается на стабилизатор U201, от которого питается микросхема U301. На вход ON/OFF (выв. 14) через резистор R207 от стабилизатора подается высокий потенциал и ШИМ контроллер включается. Один их выходов микросхемы (выв. 11) подключен к силовому ключу U204 через ключ Q204 - Q206, управляемый напряжением стабилизатора U201. В виду того, что выходной силовой каскад выполнен по мостовой схеме, напряжение на выходе преобразователя появится только после того, как этот ключ откроется. Яркость подсветки регулируется сигналом (постоянное напряжение в диапазоне 0...3.3 В) с контакта 8 CN2. Через делитель R271 - R273 и диодную сборку D209 напряжение подается на усилитель сигнала ошибки - 1 U301.
Микросхема IC802 типа VCT4973-XM фирмы Micronas входит в состав семейства VCT48/49xyi и представляет собой однокристальный ТВ процессор, который осуществляет полную обработку аналоговых видео и
звуковых сигналов, поступающих на его входы с тюнера или с разъемов НЧ входа.
Из сигнала на выходе УПЧ с помощью интегрированного полосового фильтра выделяется сигнал 1-ой ПЧЗ и поступает на вход мультистан-дартного демодулятора звукового сигнала. С его выхода звуковой сигнал поступает на переключатель звуковых сигналов (в составе IC802). На другие входы переключателя (выв. 113-118 IC802) подаются звуковые сигналы с разъемов НЧ входа. С выхода переключателя выбранный пользователем звуковой сигнал поступает на звуковой процессор (в составе микросхемы IC802), а с его выхода (выв. 123, 124) - на вход усилителя звуковой частоты (УМЗЧ) IC600 (выв. 7 и 14) и на вход усилителя наушников IC601 (выв. 2,3).
ЦМЗЧ выполнен на микросхеме типа TDA7266D фирмы STMicroelectronics, представляющей собой двухканальный мостовой усилитель с выходной мощностью 5 + 5 Вт (при UCc = 9,5 В, RL= 8 Ом,
THD = 10%). Микросхема имеет функции блокировки звука, дежурного режима, защиты от короткого замыкания в нагрузке и термозащиты.
101 микроконтроллера, который через ключ на транзисторе Q602 подается на вход блокировки - выв. 8. Вход переключения в дежурный режим не используется, он подключен к напряжению 9 В. Микросхема питается напряжением 9 В (выв. 6 и 15) от стабилизатора IC110. Усилитель наушников IC601 выполнен на микросхеме типа TDA7050. Это двухканальный усилитель при напряжении питания 5 В на нагрузке 32 Ом развивает выходную мощность 75 мВт в каждом канале. Микросхема питается напряжением 5 В (выв. 8) от стабилизатора 1С108 через ключ на транзисторах Q600, Q601. Этот ключ используется для выключения усилителя, сигнал HP_MUTE поступает с выв. 89 IC704[8].
6. Расчет надежности
Эксплуатационные показатели - это характеристики, определяющие качество выполнения изделием заданных функций. Общими из них для всех изделий длительного действия являются показатели надежности (долговечности), динамичности качества, эргономические показатели и экономичность эксплуатации.
Надежность - это свойство объекта (например, изделия) выполнять заданные функции, сохраняя во времени значения установленных эксплуатационных показателей в допустимых пределах, соответствующих принятым режимам, условиям использования, технического обслуживания, ремонта, хранения и транспортирования. Надежность включает свойства безотказности, долговечности, ремонтопригодности и сохраняемости. Показателями надежности являются вероятность безотказной работы, средняя наработка на отказ, интенсивность отказов и др.
Вероятность безотказной работы P(t) - вероятность того, что в заданный момент времени t или в пределах заданной наработки, отказа в работе изделия не произойдет (отказ - событие, заключающееся в том, что изделие становится неспособным выполнять заданные функции с установленными показателями):
P(t) = N(t) / N>0>, (6.1)
где N>0> - число изделий, работающих в начале испытаний, N(t) - число изделий, работоспособных в конце промежутка времени t.
Интенсивность отказов (t) является функцией времени.
Типичный характер изменения интенсивности отказов (t) изделий от начала эксплуатации до списания представлен следующим графиком:

>I>> >>II> >III>
0 t
Рисунок 6.1 - Зависимость интенсивности отказов от времени
На рисунке 6.1 прослеживаются три основных периода работы изделия:
I период - период приработки.
Повышенная интенсивность отказов в этом периоде связана с дефектами конструкций, изготовления, сборки конечного изделия. С окончанием этого периода, как правило, заканчивается гарантийное обслуживания изделия. Многие компании и фирмы - производители не выпускают свою продукцию на рынок, пока изделие не пройдет период приработки.
II период - период нормальной работы.
Интенсивность отказов в этом периоде остается практически постоянной и незначительной.
III период - период старения.
В этот период интенсивность отказов резко возрастает, происходит изнашивание, старение и необратимые физические явления, при которых эксплуатация изделия не возможна или экономически не оправдана. Для большинства изделий вычислительной техники период их морального устаревания опережает физический.
Расчет надежности производят на этапе разработки объекта для определения его соответствия требованиям, сформулированным в ТЗ. Расчет производится в следующем порядке. Исходными данными является интенсивности отказов элементов различных групп (справочные значения). Интенсивность отказов показывает, какая часть элементов поотношению к общему количеству исправно работающих элементов в среднем выходит из строя в единицу времени (обычно за час).
Сущность расчета надежности состоит в том, чтобы определить основные критерии характеризующие надежность: время наработки на отказ Т>0> и вероятность безотказной работы Р(t).
Элементы системы необходимо разбить на группы с одинаковыми интенсивностями отказов и подсчитать внутри групп число элементов М>i>.
Справочные значения интенсивностей отказов некоторых элементов приведены в следующей таблице.
Таблица 6.1 - Таблица интенсивности отказов
|
Наименование элементов |
Интенсивность отказов (отказов/час) |
|
Сопротивление |
0,015*10-5 |
|
Конденсатор |
0,164*10-5 |
|
Диод |
0,5*10-5 |
|
Транзистор |
0,064*10-5 |
|
Интегральная микросхема |
0,00001*10-5 |
|
Трансформатор |
0,064*10-5 |
|
Печатная плата |
3,6*10-5 |
Вычислим произведение М>i> на , характеризующее долю отказов, вносимых элементами каждой группы в общую интенсивность отказов системы:
>i>=М>i>* (6.2)
Общая интенсивность отказов системы состоит из интенсивностей отказов входящих в нее групп элементов:
N
>общая> = >i>> >(6.3)
i=1
где N - число групп с однотипными элементами.
Вычислим наработку на отказ. Наработка на отказ Т>0>> >- это показатель безотказности, равный отношению наработки восстанавливаемого изделия к математическому ожиданию числа его
отказов в течение этой наработки. Следовательно, это величина
обратно пропорциональна интенсивности отказов, то есть:
Т>0>=1/ >общая >(6.4)
Вероятность безотказной работы Р(t) - это математическое ожидание того, что в заданном интервале времени не произойдет отказа. Вероятность безотказной работы Р(t) связана с интенсивностью отказов следующей формулой:
Р(t)= е-t = е-t/To, (6.5)
где е - это основание натурального логарифма;
е = 2.718281828459045….
Кроме того, расчет надежности можно заменить графическим методом на координатной плоскости. На горизонтальной оси наносятся деления в соответствии с полученной наработкой на отказ Т>0>. На вертикальной оси отмечается точка Р(t)=1 и через нее проводится горизонтальная линия, а сама ось градуируется.
Через точку P(1) проводится горизонтальная линия. Линия надежности определяется экспериментальным законом. На оси t откладывается T>0> и эта величина сносится на горизонтальную линию, проведенную через точку P(1). Полученную точку соединяем прямой линией с точкой P(t)=1. Эта и есть линия надежности.
Для определения вероятности безотказной работы устройства в момент времени t>i> откладываем величину t>i> на оси t, сносим эту величину на полученную линию надежности, а затем на ось P и таким образом обнаруживаем P(t>i>) для заданного момента времени t>i>.
Например:

P
P(t)=1

P(t>i>)

0,37

0 t>i> T>0> t
Рисунок 6.2 – Линия надежности
Таблица 6.2 - Общая интенсивность отказов групп элементов
|
Наименование элементов |
Интенсивность отказов (отказов/час) |
Кол-во элементов |
Общая интенсивность отказов групп эл-ов |
|
Резисторы |
0,000114 |
35 |
0,00399 |
|
Конденсаторы |
0,00003805 |
19 |
0,00072295 |
|
Диоды |
0,000228 |
14 |
0,0003192 |
|
Печатная плата |
0,000114 |
1 |
0,000114 |
|
Транзисторы |
0,0000114 |
2 |
0,0000228 |
|
>общая> = 0,0081443 |
Вычислим наработку на отказ:
Т
=1/
>общая>
= 1/0,0081433 = 123 ч.
Заключение
В ходе выполнения курсового проекта был рассмотрен принцип действия мультимедийного проектора.
В первой части назначение и общая характеристика мультимедийного проектора были определены основные критерии выбора мультимедийного проектора и параметры его комплектующих частей. Были рассмотрены различные технологии изготовления матриц, их преимущества и недостатки. Так же были рассмотрены классификации проекторов, их индивидуальные особенности для работы в той или иной области и приведены их личные техническме характеристики.
В разделе принцип работы проектора был рассмотрен принцип работы проектора по электирическим и структурным схемам.
Раздел основных технических характеристик содержит в себе краткое сравнение проекторов Epson.
Особенности подключения находятся в четвертом разделе, там были рассмотрены все возможные порты ввода-вывода проекторов.
Список использованных источников
1.Алексей Гинзбург; Марин Милчев. Периферийные устройства.- М.: «Искра», 2002.
2. http://www.muzmarket.ru/023.html
3. Кучеров Д.П. Источники ПК и периферии. - СПб.: Наука и Техника, 2002.
4.http://epson.ru
5.http://www.allprojectors.ru/index.html
6.http://archive.espec.ws
7.http://www.diagram.com.ua
8.http://www.kruso.narod.ru
