Низкочастотный усилитель напряжения
Расчет элементов усилителя напряжения низкой частоты
Амплитуда входного сигнала 1 мВ
Сопротивление генератора входного сигнала 5 кОм
Амплитуда выходного сигнала 5 В
Сопротивление нагрузки 3 кОм
Нижняя граница усиления 50 Гц
Верхняя граница усиления 15000 Гц
Коэффициент частотных искажений 1,4
Напряжение питания 1520 В
Коэффициент усиления:

Получить такой коэффициент усиления на одном каскаде невозможно, поэтому необходимый усилитель реализуем последовательным включением усилительных каскадов на основе транзисторов p-n-p структуры, включенных по схеме с ОЭ. При этом перераспределение усиления будет следующим: 1 каскад – 100, 2 каскад – 50.


Выбор транзистора КТ3107Е
|
Наименование |
Обозначение |
Значение |
|
|
Min. |
Max. |
||
|
Статический коэф. передачи тока |
120 |
220 |
|
|
Граничная частота коэффициента передачи тока |
200 Мгц |
||
|
|
0.8 В |
1 В |
|
|
|
0.2 В |
0.8 В |
|
|
Емкость коллекторного перехода, при U>кб>=10 В |
7 пФ |
Максимально допустимые параметры
|
Наименование |
Обозначение |
Значение |
|
Постоянное напряжение коллектор – база |
U>кб> max |
25 В |
|
Постоянное напряжение коллектор – эмиттер |
U>кэ> max |
20 В |
|
Постоянный ток коллектора |
Iк max |
100 мА |
|
Постоянная рассеиваемая мощность коллектора |
Pк max |
300 мВт |

Выберем напряжение
питания усилителя:
.
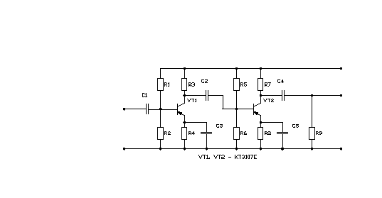
Расчет усилительного каскада на транзисторе структуры p-n-p, включенного по схеме с ОЭ по постоянному току (2-й каскад).
Из графика семейства
характеристик (см. рис. 2) выберем
рабочую точку:

Т.к. R9 – (сопротивление нагрузки) равен 3 кОм, то R7 определяется формулой:

R7=7.5 кОм
Находим ток коллектора 2-го транзистора:

I>К>=0.93 mA
Находим ток базы 2-го транзистора:

I>Б>=7.75*10-3 mA
Находим ток эмиттера 2-го транзистора:

I>Э>=0.938 mA
Зададим U>Э>=1V

R8=1.07 кОм. Находим напряжение базы 2-го транзистора:

U>б>=1.7 V
Найдем ток через R>Б>

I=38.75*10-3 mA

R6=43.9 кОм

R5=343.7 кОм
Расчет усилительного каскада на транзисторе структуры p-n-p, включенного по схеме с ОЭ по постоянному току (1-й каскад).
Найдем R>н >(нагрузки)

R>Н>=38.9 кОм

Отсюда найдем R3
R3=13.46 кОм
Выберем рабочую
точку
.
Находим ток колектора 1-го транзистора:

I>К>=0.52 mA
Находим ток базы 1-го транзистора:

I>К>=4.3*10-3 mA
Находим ток эмиттера 2-го транзистора:

I>Э>=0.524 mA
Зададим U>Э>=1V

R3=1.91 кОм
Находим напряжение базы 2-го транзистора:

U>б>=1.7 V
Найдем ток через R>Б>

I=21.5*10-3 mA

R2=79.1 кОм

R1=325.6 кОм
Расчет емкостей
Коэффициент передачи 1-й цепочки:

Отсюда С1

С1=19.5 нФ

С2=31.9 нФ

С3=12.4 мкФ

С4=0.4 мкФ

С5=12.4 nF
Литература
Ю.С. Забродин «Промышленная электроника», М.: изд-во Высшая школа, 1982 г.
В.Г. Гусев, Ю.М. Гусев «Электроника», М.: изд-во Высшая школа, 1991 г.
Справочник «Транзисторы для аппаратуры широкого применения», под ред. Б.Л. Перельман, М.: Радио и связь, 1981 г.
Дж. Фишер, Х.Б. Гетланд «Электроника: от теории к практике», пер. с анг. А.Н. Мошкова, М.: Энергия 1980 г.
И.П. Степаненко «Основы теории транзисторов и транзисторных схем»
Напряжение
насыщения база – эмиттер