Основные правила оформления схем
Курсовая работа
Тема: Основные правила оформления схем
СОДЕРЖАНИЕ
Введение
I Теоретические основы оформления схем
1 Типизация и основные виды схем
2 Глосаррий
3 Обозначение и построение схем
4 Основные правила форматирования
5 Общие правила составления рисунка
6 Основные обозначения
II Основные типы электрических схем, их характеристики
1 Особенности структурных и характеристика функциональных схем
2 Особенности схем принципиальных
ІІІ Условные обозначения в схемах
1 Процесс оформления обозначений схем вычислительной техники созданной на цифровой основе
2 Обозначения в аналоговой технике и их особенности
Приложение
Список литературы
ВВЕДЕНИЕ
Создание изделий радиоэлектронной аппаратуры начинается с разработки конструкторской документации, выполняемой в соответствии с требованиями соответствующих стандартов. Действующий в настоящее время комплекс стандартов ЕСКД, устанавливающий единые взаимосвязанные правила и положения по составлению, оформлению и обращению конструкторской документации, удовлетворяет требованиям современного производства и обеспечивает разработку конструкторской документации (чертежей, схем и пр.) на изделия при минимальных затратах труда» средств и времени. Основным видом конструкторских документов в различных областях электроники и радиоэлектроники являются схемы. Правила выполнения и оформления схем, условные графические обозначения (УГО) элементов, применяемых в схемах, регламентируются ГОСТами.
Целью данных методических указаний является:
— ознакомление с типами электрических схем и их назначением и применением;
— рассмотрение необходимых ГОСТов и соответствующих стандартов по изображению и оформлению структурной, функциональной и принципиальной схем электрорадиотехнических устройств;
— представление УГО элементов, наиболее часто встречающихся в схемах радиоэлектронной аппаратуры, с указанием их размеров и особенностей оформления электрических схем цифровой вычислительной техники и обозначений элементов аналоговой техники.
І Теоретические основы оформления схем
1 Типизация и основные виды схем
Электрические схемы всех видов выполняются в соответствии с требованиями ГОСТ 2.702-75 "Правила выполнения электрических схем", ГОСТ 2.710-81 "Обозначения буквенно-цифровые в электрических схемах", а также стандартов, регламентирующих условные графические обозначения в схемах. Классификацию Электрических схем, термины и определения устанавливают ГОСТ 2.701-76 "Схемы. Виды и типы. Общие требования к выполнению"
2 Глосаррий
Электрическая схема - графический конструкторский документ, на котором с помощью графических обозначений изображены электрические составные части объекта и связи между ними.
Элемент - составная часть объекта, которая имеет самостоятельное, а графическое обозначение, а также определенное функциональное назначение и не может быть разделена на части, имеющие самостоятельное функциональное назначение (резистор, конденсатор и др.).
Устройство - совокупность элементов, представляющих единую конструкцию (блок, плата). Может не иметь в объекте строго определенного функционального назначения.
Функциональная группа - совокупность элементов, выполняющих в объекте определенную функцию и не объединенных в единую конструкцию.
Функциональная часть - элемент, устройства или функциональная группа, имеющая в объекте строго определенное функциональное назначение.
Функциональная цепь - линия, канал, тракт определенного назначения (канал звука, видеоканал, канал СВЧ).
Линия взаимосвязи - линия на схеме, указывающая путь прохождения тока, сигнала и т.д.
Объект – это условное наименование изделия, устройства, сети применяемое в качестве общего понятия.
Схемы в зависимости от назначения подразделяются на типы, входящие в четыре группы. Каждому типу присваивается шифр, состоящий, из трех цифр: первая цифра указывает группу, вторая и третья цифры - тип в данной группе, например, 101 - схема структурная (группа 1, тип 0). -
Схемы группы 1 предназначены для общего ознакомления с электрическими составными частями объекта и для изучения общих принципов их работы и взаимосвязей. Эта группа содержит структурные (шифр -101) и функциональные (102) схемы.
Схемы группы 2 предназначены для определения полного состава и подробного изучения принципов работы объекта, а также для его расчета. Схемы служат основанием для разработки других конструкторских документов (чертежей и схем группы 3 и 4), а также при наладке, регулировке, контроле и ремонте изделий, В данную группу входят принципиальная (201) и эквивалентная (202) схемы.
Схемы группы 3 предназначены для представления сведений об электрических соединениях составных частей объекта или объекта в целом: схема соединений (301), общая схема соединений (302), схема подключений (303);
Схемы группы 4 предназначены для определения относительного расположения объектов или составных частей объекта, а при необходимости также электрических соединений (проводов, жгутов, кабелей).
Комбинирование схем. На схемах одного типа допускается изображать фрагменты схем других типов с использованием соответствующих правил выполнения. Тип такой схемы классифицируется по ее основному назначению в соответствии с ГОСТ 2.701 -76. в технически обоснованных случаях допускается совмещать схемы различных типов; Выполнение схем должно удовлетворять правилам ГОСТ 2.702-75 для соответствующих типов схем. Совмещенной схеме присваивают все шифры типов схем, совмещенных в данной схеме, начиная с наименьшего.
3 Обозначение и построение схем
Схемы обозначаются в соответствии с ГОСТ 2.201-80 "Обозначение изделий и конструкторских документов", устанавливающим единую обезличенную классификационную систему обозначения изделий и их конструкторских документов.
Обозначения присваивают каждому изделию. Обозначение изделия является одновременно обозначением его основного конструкторского документа (чертежа, схемы и т.д.). Обозначение изделия и его конструкторского документа не должно повторно использоваться для обозначения другого изделия и конструкторского документа.

Рис.1

Рис.2
Структура обозначения изделия и основного конструкторского документа включает в себя четырехзначный буквенный код организации-разработчика, шестизначный код классификационной характеристики, трехзначный порядковый регистрационный номер. Обозначение схемы должно состоять из обозначения изделия и шифра схемы (см. рис. 1) Структуракода классификационной характеристики включает класс, подкласс, группу, подгруппу и вид изделия (рис. 2).
Например, обозначение схемы электрической принципиальной (201) на изделие с порядковым номером 514 выглядит следующим образом: АБВГ.ХХХХХХ.514201
4 Основные правила форматирования
ГОСТ 2.301-68 "Форматы" устанавливает основные и дополнительные форматы листов. Для выполнения схем рекомендуются основные форматы, обозначения и размеры которых приведены в таблице 1.
Таблица 1
Основные форматы
|
Обозначение формата |
АО |
А1 |
А2 |
A3 |
А4 |
|
Размер стороны формата, мм |
1189x841 |
594x841 |
594x420 |
297x420 |
297x210 |
Допускается применять дополнительные форматы, которые образуются увеличением короткой стороны основных форматов на величину, кратную их размерам, например:
А1хЗ А2х4 А0х2 А4х4
1189x1682 841x1783 594x1682 297x841
При выборе форматов необходимо, учитывать объем и сложность проектируемого объекта, степень детализации данных, обусловленную назначением схемы; условия хранения и обращения схемы; возможность внесения изменений; особенности и возможности техники выполнения, репродуцирования технической документации; возможность обработки и выполнения схем средствами электронной вычислительной техники. При выполнении схемы на нескольких листах формат всех листов должен быть одинаков, при этом следует по возможности стремиться к уменьшению формата за счет увеличения общего количества листов. Схема, как и другие конструкторские документы, должна иметь основную надпись, содержащую необходимые сведения об изображенных объектах.
5 Общие правила составления рисунка
Схема выполняется без соблюдения масштаба, действительное пространственное расположение составных частей объекта не учитывается, или учитывается приблизительно. Расположение УГО на схеме определяется удобством чтения схемы и должно обеспечивать наилучшее представление о структуре изделия и взаимосвязи его составных частей. Для этого при построении рисунка схемы должны соблюдаться следующие условия: элементы, совместно выполняющие определенные функции, должны быть сгруппированы и расположены соответственно развитию процесса слева направо; расположение элементов внутри функциональных групп должно обеспечивать наиболее простую конфигурацию цепей (с минимальным количеством изломов и пересечений линий связи); дополнительные и вспомогательные цепи должны быть выведены из полосы, занятой основными цепями.
Допускается УГО элементов располагать в таком же порядке, как они расположены в изделии, если это не нарушает удобства чтения схемы. Для повышения наглядности схем допускается изображать графические изображения элементов и функциональных групп разнесенным способом, т.е. располагать их составные части в разных местах схемы. В этом случае на поле схемы можно указывать полные УГО функциональных частей или таблицы, разъясняющие их расположение.
Линии связи изображают в виде горизонтальных и вертикальных отрезков, имеющих минимальное количество изломов и взаимных пересечений. Для упрощения рисунка схемы допускается применять наклонные линии, ограничивая их длину. Величина промежутка между двумя соседними параллельными линиями должна быть не менее 2 мм независимо то принятой толщины линий.
На схемах разрешается графически выделять устройство, функциональные группы, части схемы, относящиеся к разным блокам. Для выделения устройств и функциональных групп используется тонкая штрих пунктирная лилия с одной точкой, а для графического разделения частей схемы — такая же линия с двумя точками.
6 Основные обозначения
Электрические элементы и устройства на схеме изображаются в виде условных графических изображений, установленных стандартами ЕСКД или построенных на их основе. При необходимости применяют нестандартизованные условные графические изображения.
Стандартизованные или строящиеся на основе стандартизованных графические обозначения на схемах не поясняются; нестандартизованные обозначения должны быть пояснены на свободном поле схемы.
Если на условные обозначения установлено несколько допустимых вариантов выполнения, различающихся геометрической формой и степенью детализации, то их применяют в зависимости от назначения и типа разрабатываемой схемы, а также количества информации, которую необходимо передать на схеме графическими средствами. При этом на всех схемах одного типа, входящих в комплект документации на изделие, применяют один выбранный вариант обозначения.
Кроме УГО, на схемах соответствующих типов можно применять другие категории графических обозначений: прямоугольники произвольных размеров, содержащие пояснительный текст; внешние очертания, представляющие собой упрощенные конструктивные изображения изделий и т.д. При этом детальные схемы соответствующих объектов выполняют на свободном поле схемы или в виде самостоятельных документов. Применение на схемах тех или иных категорий графических обозначений определяется правилами выполнения схем.
Размеры условных графических обозначений. Стандартные УГО элементов выполняются по размерам, указным в соответствующих стандартах. Если размеры стандартом не установлены, то графические обозначения на схеме должны иметь такие же размеры, как их изображения в стандартах. При выполнении схем на больших форматах можно все УГО пропорционально увеличивать по сравнению с приведенными в стандартах.
Допускается увеличивать на схеме размеры обозначений отдельных элементов, если необходимо графически выделить особое или важное значение элемента (устройства), а также поместить внутри обозначения предусмотренные стандартами квалифицирующие символы или дополнительную информацию. С целью повышения компактности схемы допускается размеры графических обозначений пропорционально уменьшать. Для обеспечения визуального восприятия схемы расстояние между двумя соседними линиями в любом графическом обозначении должно быть не менее 0,8 мм.
Условные графические обозначения элементов, используемые как составные части более сложных элементов, изображают уменьшенными по сравнению с остальными элементами схемы для сокращения общих размеров графических обозначений (например» резистор в ромбической антенне), В случаях, оговоренных соответствующими стандартами, допускается пропорциональное изменение размеров графических обозначений элементов (например, многоотводные резисторы).
При выборе размеров УГО схем руководствуются теми же рекомендациями, что и при выборе форматов. Выбранные размеры и толщина линий графических обозначений должны быть выдержаны постоянными во всех схемах одного типа на данное изделие.
Ориентация условных графических обозначений. Размещение УГО на схеме должно обеспечивать наиболее простой рисунок схемы с минимальным количеством изломов и пересечений линий электрической связи.
Рекомендуется изображать УГО в положении, указанном в стандартах, или повернутыми относительно друг друга на углы, кратные 90°,. а также зеркально повернутые. Для упрощения начертания схем или более наглядного представления отдельных цепей допускается поворачивать УГО на углы, кратные 45° по сравнению с их изображениями в стандарте (рис. 3). При этом квалифицирующие символы излучения в обозначении приборов (световой поток, рентгеновское излучение и т.п.) не должны менять своей ориентации относительно
основной надписи схемы. Если же повороты и. зеркальные отражения УГО приводят к искажению или потере их смысла (например, изображения контактов), то такие обозначение выполняют в положениях приведенных в соответствующих стандартах.

Линии. В зависимости от назначения и типа схем линиями изображают: электрические взаимосвязи (функциональные, логические и т.п.), пути прохождения электрического тока (электрические связи), механические взаимосвязи, материальные проводники (провода, кабели, шины), экранирующие оболочки, корпуса приборов и т.п., условные границы устройств и функциональных групп.
Линии на схемах всех типов выполняют в соответствии с правилами, установленными ГОСТ 2.751-73 "Электрические связи, провода, кабели и шины". Толщины линий, выбирают в зависимости от формата схемы и размеров УГО. На одной схеме рекомендуется применять не более трех типоразмеров линий по толщине: тонкую d, утолщенную 2й и толстую 3d...4d, где d - толщина линии, которая выбирается в зависимости от размеров схемы. Выбранные толщины линий должны быть постоянными во всем комплекте схем.
Электрические связи изображают, как правило, тонкими линиями d. Если необходимо графически выделить наиболее важные цепи (например, цепи силового питания), применяют утолщенные и толстые линии.
УГО и линии связи выполняют линиями одной и той же толщины. Оптимальная толщина линии 0,3...0,4 мм. Наименования, начертания, толщина линии по отношению к толщине d и основное назначение линий приведены в таблице 2.
Длину штрихов в штриховых и штрихпунктирных линиях выбирают в указанных пределах в зависимости от размера схемы. Штрихи в линии, а также промежутки между штрихами должны быть приблизительно одинаковой длины.
Таблица 2
Основные типы линий
|
Наименование по ГОСТ 2.303-68- |
Начертание |
Толщина линий |
Основное назначение |
|
Сплошная тонкая |
|
d |
Линии электрической связи, провод; кабель; шина; линия групповой связи; линия УГО |
|
Сплошная толстая основная |
|
2d, 3d...4d |
Примечание. Допускается для линий групповой связи применять утолщенные (2d) и толстые (3d-,,4d) линии |
|
Штриховая |
|
d |
Линия экранирования, механической связи |
|
Штрихпунктирная |
|
d |
Линия для выделения на схеме групп элементов, составляющих устройство или функциональную группу |
|
Штрихпунктирная с двумя точками |
|
d |
Линия разъединительная (для графического разделения частей схемы) |
II Основные типы электрических схем, их характеристики
ГОСТ 2.702-75 содержит правила выполнения вручную или автоматизированным способом электрических схем изделий всех отраслей промышленности и энергетических сооружений. Ниже рассмотрены основные правила выполнения схем типов: структурных, функциональных, принципиальных.
1 Особенности структурных и характеристика функциональных схем
Электрическая структурная схема определяет основные функциональные части изделия (элементы, устройства, функциональные группы), их назначение и связи. Все функциональные части на схеме изображают в виде прямоугольников или УГО с указанием типа элемента (устройства) и/или документа (основной конструкторской документации, ГОСТ, ТУ), на основании которого элемент (устройство) применен. Если функциональных частей много, вместо наименований, типов и обозначений допускается проставлять порядковые номера справа от изображения или над ними, как правило, сверху вниз в направлении слева направо, с их расшифровкой в таблице, помещаемой на схеме. На схеме помещают поясняющие надписи, диаграммы, таблицы, указания параметров в характерных точках (величины токов, напряжений, формы и величины импульсов) (рис. 4), математические зависимости и т.п.
На функциональной схеме изображают функциональные части изделия (элементы устройства и функциональные группы) и связи между ними с разъяснением последовательности процессов, протекающих в отдельных функциональных цепях изделия или в изделии в целом.

Рис. 4
Функциональные части схемы принято изображать либо в виде условных обозначений, либо прямоугольников с указанием:
— позиционных обозначений функциональных групп, устройств, элементов, присвоенных им на принципиальной схеме, и их наименований;
—типов;
— обозначений документов, на основании которых функциональные части применены;
—технических характеристик функциональных частей;
— поясняющих надписей, диаграмм, таблиц, параметров в характерных точках.
Эти сведения приводятся выборочно в объеме, необходимом для наиболее полного и. наглядного представления о последовательности процессов, иллюстрируемых схемой. Наименования, типы и обозначения рекомендуется вписывать в прямоугольники.
2 Особенности схем принципиальных
Принципиальная схема определяет полный состав элементов и связи между ними и дает детальное представление о принципах работы изделия. На ней изображают все электрические элементы устройства, необходимые для осуществления и контроля в изделии заданных электрических процессов, все электрические связи между ними, а также элементы (соединители, зажимы и т.п.), которыми заканчиваются входные и выходные цепи. При графическом оформлении принципиальной схемы, необходимо учитывать следующие правила и рекомендации:
—схемы выполняются для изделий, находящихся в отключенном положении;
— элементы схемы показывают условными графическими обозначениями, установленными стандартами ЕСКД.
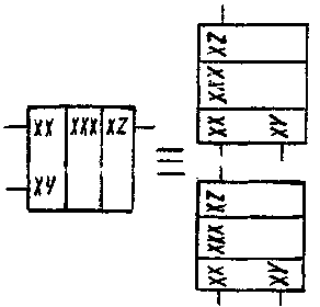
Иногда элементы в схеме используются не полностью (например, не все контакты реле или не все выходы микросхемы). В этом случае допускается показывать элементы, ограничиваясь изображением только используемых частей (изображение реле К4...К8 на рис. 5).


Рис.5 Рис.6
Элементы типа реле, трансформаторов иди других изделий, содержащих большое количество контактов, могут быть изображены на схеме двумя способами: совмещенным и разнесенным. При совмещенном способе (рис. 6) составные части элементов изображаются на схеме в непосредственной близости друг от друга, при разнесенном (реле К5...К8 на рис. 5) - в разных местах, для большей наглядности с дельных цепей. Выводы неиспользованных частей изображения следует чертить короче, чем выводы используемых.

Рис.7
Схемы рекомендуется выполнять строчным способом: (УГО) устройств и их составных частей, входящих в одну цепь, изображают последовательно друг за другом по прямой, а отдельные цепи - рядом в виде параллельных или вертикальных строк. При этом строки нумеруются арабскими цифрами (см. рис. 5).
Ни рис.8 представлены два способа изображения схем: одно- и многолинейное. Как видно из рис.8, б при много линейном изображении каждую цепь показывают отдельной линией, а элементы - отдельными условными графическими обозначениями. На рис. 8, в приведено однолинейное изображение цепи, когда цепи, выполняющие идентичные функции, изображают одной линией, а одинаковые элементы этих цепей — одним УГО.
Если необходимо, обозначают и сами электрические цепи. Эти обозначения должны соответствовать ГОСТ 2.709-72. Участки цепи, разделенные контактами аппаратов, обмотками реле и другими элементами, должны иметь разное обозначение. Участки цепи, проходящие через разъемные, разборные или неразборные контактные соединения должны иметь одинаковое обозначение.
При обозначении цепей применяют арабские Цифры и прописные буквы латинского алфавита. Цифры и буквы выполняют одним размером шрифта. В силовых цепях переменного тока используют обозначения LI, L2, L3 и N и последовательные числа (рис. 8, а). Например, участки цепи первой фазы L1 –L11, L12, L13 и т.д., участки цепи второй фазы L2 - L21, L22, L23 и т.д. Участки силовых цепей постоянного тока положительной полярности

Рис.8 обозначают нечетными числами, а отрицательной - четными.
У входных и выходных участков цепи указывают полярности: «L+», «L-». Обозначения проставляют около концов или в середине участка цепи: а) при вертикальном расположении цепей - слева от изображения цепи (рис.8, а); б) при горизонтальном расположении цепей - над изображением цепи.
Допускается сливать в одну линию несколько электрически не связанных линии связи. При этом, как показано на рис. 9, каждую линию в месте слияния, а при необходимости на обоих концах, помечают условными обозначениями.
Надписи, знаки или графические обозначения, которые должны быть нанесены на изделие (их на схеме заключают в кавычки) помещают около соответствующих элементов для пояснения их назначения.
На схеме указывают параметры входных цепей изделий (частоту, напряжение, силу тока, сопротивление и т.п.), а также параметры, подлежащие измерению на контрольных контактах, гнездах и т.п. (рис, 10).

Рис. 9
Допускается указывать адреса внешних соединений входных и выходных цепей данного изделия, если они известны. Например, адрес «=А-ХЗ:5» означает, что выходной контакт изделия должен быть соединен с пятым контактом третьего соединителя устройства А. Характеристики входных и выходных цепей, а также адреса их внешних подключений рекомендуется записывать в таблицы по форме. Таблицы помещают вместо УГО входных и выходных элементов-соединителей, плат и т.д. Таблицам присваивают позиционные обозначения элементов, которые они заменяют. Из таблицы могут быть изъяты графы, если сведения для них отсутствуют, и введены дополнительные. Если на схеме несколько таких таблиц, головку таблицы можно приводить только один раз. Порядок расположения контактов определяется удобством построения схемы.
Если устройства, имеющие самостоятельную принципиальную схему, изображены в виде прямоугольника, то вместо условных графических обозначений входных и выходных элементов в прямоугольнике (рис.11, а) помещают таблицы, с характеристиками входных и выходных цепей, а вне прямоугольника (рис. 11, б) - таблицы с указанием адресов внешних присоединений.
На поле схемы допускается помещать: а) указания о марках, сечениях и расцветках проводов и кабелей, соединяющих элементы, устройства, функциональные группы; б) указания о специфических требованиях к электрическому монтажу данного изделия.

Рис.10
Позиционные
обозначения. Всем элементам устройствам
и функциональным группам изделия,
изображенным на схеме, присваиваются
позиционные обозначения, содержащие
информацию о виде элемента и его
порядковом номере в пределах данного
вида. При необходимости записывают
информацию о функции, выполняемой данным
элементом (устройством, функциональной
группой) в изделии. Позиционное обозначение
состоит в общем случае из трех частей,
имеющих самостоятельное смысловое
значение. Их записывают без разделительных
знаков и пробелов одним размером шрифта.
В первой части указывают вид элемента
(устройства, функциональной группы)
одной или несколькими буквами согласно
ГОСТ 2.710-81 (буквенные коды распространенных
видов элементов приведены в табл. 3),
например: R
- резистор, С - конденсатор, BS
- звукосниматель; во второй части -
порядковый номер элемента (устройства.,
функциональной группы) в пределах
данного вида, например: RI,
R2,
..., .R12;
С1, С2, ..., С14; в третьей части допускается
указывать соответствующее функциональное
назначение, буквенные коды которых
приведены в табл. 4, например: C4I
- конденсатор С4, используемый как
интегрирующий. Порядковые номера
присваивают, начиная с единицы в пределах
группы с одинаковыми позиционными
обозначениями в соответствии с
последовательностью расположения
элементов на схеме, считая, как правило,
сверху вниз в направлении слева направо.
Позиционные обозначения проставляют
рядом с условными графическими
обозначениями элементов с правой стороны
или над ними. При изображении на схеме
элемента (устройства, функциональной
группы) разнесенным способом позиционные
обозначения элемента или устройства
проставляют около каждой составной
части (рис. 12). При этом в позиционное
обозначение элемента, функциональной
группы или устройства допускается
включать обозначение устройства
(группы), в которое входит элемент,
например: =АЗ-С5 - конденсатор С5, входящий
в устройство A3;
Т1-С5
- конденсатор С5, входящий в функциональную
группу Т1 (знаки «=», «* » — классифицирующие
символ - приведены в табл.5).

а б
Рис.11

Рис.12 Рис.13
Таблица 5
Классифицирующие символы условных обозначений
|
Тип условного обозначения |
Символ 1 |
|
Обозначение высшего уровня - устройство Обозначение высшего уровня - функциональная группа Обозначение конструктивного расположения Позиционное обозначение Обозначение электрического контакта Адресное обозначение |
= ≠ + - : ( ) |
Если поле схемы разбито на зоны или схема выполнена строчным способом, то позиционное обозначение составных, частей элементов, выполненных разнесенным способом, включает обозначение зон или номера строк, в которых изображены все остальные составные части элемента или устройства. Их указывают в скобках под позиционным обозначением или, справа от него (рис.13).
Позиционное обозначение одинаковых элементов при однолинейном изображении схемы наносят согласно рис.14. У одного условного графического обозначения, заменяющего несколько графических обозначений одинаковых элементов, указывают позиционное обозначение всех элементов. При отсутствии элементов в некоторых цепях, изображенных однолинейно, справа от позиционного обозначения или под ним записывают в квадратных скобках обозначение цепи, в которых эти элементы имеются.
На рис.14 представлено изображение на схеме параллельного (рис.14, а) и последовательного (рис.14, б) соединения одинаковых элементов, устройств или функциональных групп. При параллельном соединении допускается вместо изображения всех ветвей параллельного соединения изображать только одну ветвь, указывая количество ветвей с помощью обозначения ответвления. Позиционное обозначение элементов, устройств функциональных групп проставляется с учетом всех ветвей, входящих в параллельные соединения. При последовательном соединении вместо изображения всех последовательных соединенных элементов, устройств допускается изображать только первый и последний элементы, показывая электрические связи между ними штриховыми линиями. Над штриховой линией указывают общее количество одинаковых элементов. В позиционных обозначениях при этом должны быть учтены элементы, устройства и функциональные группы, не изображенные на схеме.

Рис.14
Элементам, входящим в функциональные группы, присваивают позиционное обозначение по общим правилам. При наличии в изделии нескольких одинаковых функциональных групп позиционные обозначения элементов, присвоенные в одну из этих групп, повторяются в последующих.
Элементам, входящим в устройства, присваивают позиционные обозначения в пределах каждого устройства.
В некоторых случаях около условных графических и позиционных обозначений указывают номинал резисторов и конденсаторов. При этом допускается применять упрощенный способ обозначения единиц измерения (рис. 15):

Рис.15
— для резисторов: от 0 до 999 Ом — без указания единиц измерения; от 1·103 до 999·103 Ом - в килоомах с обозначением единиц измерения строчной буквой к, от 1·106 до 999·106 Ом — в мегаомах, с обозначением единицы измерения прописной буквой М; свыше 1·109 Ом - в гигаомах с обозначением единицы измерения прописной буквой Г;
— для конденсаторов: от 0 до 9999·10-12Ф - в пикофарадах без указания единицы измерения; от 1·10-8 до 9999·10-6 Ф - в микрофарадах с обозначением единицы измерения мкФ.
ІІІ Условные обозначения в схемах
В таблице 6 (см. Приложение) приведены УГО элементов наиболее часто встречающихся в схемах радиоэлектронной аппаратуры. Размеры, кроме указанных в таблице, стандартами не оговариваются.
1 Процесс оформления обозначений схем вычислительной техники созданной на цифровой основе
Электрические схемы для изделий цифровой вычислительной техники следует выполнять в соответствии с ГОСТ 2.751-73, ГОСТ 2.702-75, ГОСТ 2.708-81 и ГОСТ 2.743-82.
Элемент цифровой техники - условное графическое обозначение изделия или части изделия, реализующее функцию или систему функций логической алгебры (например, элемент И, ИЛИ, И-ИЛИ—НЕ, набор элементов). К элементам цифровой техники относят также элементы, не выполняющие логические функции, но применяемые в логических цепях (генераторы, усилители и т.д.).
Размеры УГО принимают кратными некоторому модулю С, выбираемому в зависимости от способа выполнения схемы: при выполнении вручную С = 5, при выполнении автоматизированным способом - не менее интервала между строками. Высота УГО должна быть кратной С/2 и определяться количеством строк информации в основном и дополнительных полях и размером шрифта. Ширина условного графического обозначения определяется наличием дополнительных полей, количеством и размером знаков в одной строке. Ширина дополнительного поля зависит от количества символов в строке и должна быть не менее 5 мм (при выполнении схемы вручную).
Условные графические обозначения элементов цифровой техники по ГОСТу 2.743 -82 приведены в табл.7.
В основном в поле УГО элементов и устройств помещают следующую информацию:
в строке 1 — символ функции по ГОСТ 2.743-82 (см. табл.8);
в строке 2— полное или сохраненное наименование или тип, или код элемента (устройства);
в последующих строках — буквенно-цифровое обозначение или порядковый номер; обозначение конструктивного расположения; адресное обозначение условного графического обозначения элемента на листе и другую информацию.
Функциональные группы, состоящие из нескольких элементов (устройств) и выполняющие логические функции, разрешается изображать совмещенным способом. При этом отдельные логические элементы отделяются друг от друга штриховыми линиями. Если конструктивно объединенные логические элементы выполняют одинаковую логическую функцию, информацию о них можно помещать в одном верхнем элементе (см. табл.7).
Обозначение выводов устройства указывают сверху или в разрыве соответствующих линий связи рядом с УГО логических элементов.
Схемы цифровой вычислительной техники чертят на листах, разбитых на колонки, ряды и зоны. Колонки обозначают по верхней кромке листа (по горизонтали) слева направо последовательными порядковыми номерами с постоянным количеством знаков в номере, например: 00,01,..., 10,...,20 и т.д. Допускается дополнительно обозначать колонки по нижней кромке листа. Ширина колонки должна быть равна ширине минимального основного поля: условного графического обозначения элемента. Ряды обозначаются по вертикали по левой кромке листа (допускается и по правой) сверху вниз прописными буквами латинского алфавита. Высота ряда должна быть равна минимальной высоте условного графического обозначения элемента. Обозначение зоны состоит из обозначения ряда (буквы) и обозначения колонки (цифры), например ВО1, К12 и т.д.
Допускается деление поля листа методом координат, при этом вертикальные координаты обозначаются прописными буквами латинского алфавита (не допускается использовать буквы I и О).
Можно давать дополнительную разметку ряда и (или) колонки с помощью вертикальных и горизонтальных шкал. Деление шкал обозначают последовательными порядковыми номерами, расстояние между делениями шкалы должно быть не менее 2 мм.
При большой графической насыщенности схемы допускается входящие и выходящие линии связи начинать и обрывать внутри листа, прерывать отдельные линии связи между удаленными друг от друга элементами, изображенными на одном листе. Всем входящим, выходящим и прерванным на данном листе. Всем входящим, выходящим и прерванным на одном листе. Всем входящим, выходящим и прерванным на данном листе линиям в месте обрыва должны быть присвоены обозначения (цифровые, буквенные или буквенно-цифровые), которые указывают над линией, на уровне линии или в разрыве линии.
Ими могут быть обозначение сигнала, порядковые номера, адресное обозначение. На входящих линиях, продолжение которых изображают на других листах схемы, после обозначения в круглых скобках указывают адреса мест продолжения прерванной линии. Если выходящая линия продолжается на большом количестве листов схемы, адреса продолжения прерванной линии можно привести в таблице, помещаемой на поле схемы. В этом случае вместо адреса на прерванной линии указывают в круглых скобках знак «*», букву Т и номер таблицы, например (*Т9).
На схеме допускается выделять функциональные части штрихпунктирной линией. Каждая выделенная составная часть должна иметь наименование или условное обозначение, которое должно быть постоянно на поле схемы или в документации на изделие.
На поле структурных, функциональных и принципиальных схем допускается приводить таблицы сигналов, в которых указывают информацию, необходимую для прослеживания сигнала изделия. Форма таблицы сигналов произвольная. В таблице должна быть указана следующая обязательная информация: наименование или обозначение сигнала и/или его порядковый номер; конструктивные обозначения контактов, через которые проходит сигнал. Информация в таблицах сигналов должна быть упорядочена по алфавитному расположению сигналов и/или по конструктивным и/или схемным адресам.
Обозначения основных функций элементов цифровой техники и их производных приведены в табл.8, основных меток выводов элементов, указывающих на функциональное назначение — в табл.9, а основных меток, указывающих функциональное назначение выводов, не несущих логическую информацию — в табл.10.
На рис.16 даны примеры УГО цифровой техники.

Рис. 16

Рис.17
2 Обозначения в аналоговой технике и их особенности
Условные графические обозначения элементов аналоговой техники устанавливают ГОСТ 2.743-82 и ГОСТ 2.759-82. Принятые обозначения: для аналоговых сигналов Л или 1, а для цифровых сигналов.
Обозначение указателей выводов и условное графическое обозначение элементов аналогичны обозначениям цифровой техники. Обозначения основных меток выводов и основных функций, выполняемых аналоговыми элементами приведены в табл.11 и 12.
В основном поле УГО на первой строке помещают обозначение функции, выполняемой аналоговым элементом, состоящее из буквы латинского алфавита, цифры и специальных знаков, записанных без пробела. На рис.18 даны примеры УГО элементов аналоговой техники.
СПИСОК ЛИТЕРАТУРЫ
1. ГОСТ 2.701-76. Схемы. Виды и типы. Общие требования к выполнению.
2. ГОСТ 2.702-75. Правила выполнения электрических схем.
3. ГОСТ 2.705-70. Правила выполнения электрических схем обмоток и изделий с обмотками.
4. ГОСТ 2.708-81. Правила выполнения электрических схем цифровой вычислительной техники.
5. ГОСТ 2.710-81. Обозначения буквенно-цифровые в электрических схемах.
6. ГОСТ 2.723 -…2.758-81. Обозначение условные графические в схемах.
7. Усатенко С.Т., Каченюк Т.К., Терехова М.В. Графическое изображение электрорадиосхем: Справочник. Киев: Техника, 1986. 120 с.
8. Разработка и оформление конструкторской документации радиоэлектронной аппаратуры: Справочник/ Э.Т. Романычева, А.К.Иванова, А.С.Куликов и др.; Под ред. Э.Т.Романычевой. М.: Радио и связь, 1989. 448 с.
9. Глинкин Н.А., Воскресенский Н.А. Чтение и деталирование чертежей радиоизделий. М.:Высш. Школа, 1971. 139с.
10. Ю.Петров Г.Н., Косачева Д.И. Чтение чертежей микросхем. М: Энергия, 1973. 79 с.
11. Трифонова Э.В. Каченюк Т.К. Графическое изображение и оформление схем электрорадиотехнических усройств: Учеб.-метод. Пособие. Киев: Техника, 1971. 112 с.
ПРИЛОЖЕНИЕ
Таблица 3
Буквенные коды наиболее распространенных видов элементов
|
Первая буква кода (обязательная) |
Группа видов элементов |
Примеры видов элементов |
Двух- буквен- ный код |
|
|
А |
Устройство (общее обозначение) |
|||
|
В |
Преобразователи неэлектрических величин в электрические (кроме генераторов и источников питания) или наоборот; аналоговые или многоразрядные преобразователи или датчики для указания |
Громкоговоритель Детектор ионизирующих излучений Телефон (капсюль) Тепловой датчик Фотоэлемент Микрофон Датчик давления Пьезоэлемент Тахогенератор Датчик скорости |
ВА BD BF ВК BL ВМ ВР BQ BR BV |
|
|
С |
Конденсаторы |
|||
|
D |
Схемы интегральные, микросборки |
Схема интегральная аналоговая Схема интегральная цифровая, логический элемент Устройство задержки |
DA DD DT |
|
|
F |
Разрядники, предохранители, устройства защиты |
Дискретный элемент защиты по току мгновенного действия Предохранитель плавкий Дискретный элемент защиты по напряжению, разрядник |
FA FU FV |
|
|
Е |
Элементы разные |
Лампа осветительная |
EL |
|
|
G |
Генераторы, источники питания |
Батарея |
GB |
|
|
Н |
Устройства индикации и сигнальные |
|||
|
К |
Реле, контакторы, пускатели |
Реле токовое Реле электротепловое Магнитный пускатель Реле времени Реле напряжения |
КА КК КМ КТ KV |
|
|
L |
Катушки индуктивности, дроссели |
Дроссель люминесцентного освещения |
LL |
|
|
М |
Двигатель |
|||
|
Р |
Приборы, измерительное оборудование |
Амперметр Частотомер Омметр Вольтметр Ваттметр |
РА PF PR PV PW |
|
|
Q |
Выключатели и разъединитель в силовых полях |
Выключатель автоматический Короткозамыкатель Разъединитель |
QF QK QS |
|
|
R |
Резисторы |
Терморезисторы Потенциометр Шунт измерительный |
RK RP RS |
|
|
S |
Устройства коммутации в цепях управления, сигнализации и измерения |
Выключатель или переключатель Выключатель автоматический |
SB SF |
|
|
Т |
Трансформаторы, автотранс форматоры |
Трансформатор тока Электромагнитный стабилизатор Трансформатор напряжения |
ТА TS TV |
|
|
U |
Устройства связи Преобразователи электрических |
Модулятор Демодулятор Дискриминатор |
UB UR UI |
|
|
V |
Приборы электровакуумные и полупроводниковые |
Диод, стандартизованных билитрон Прибор электровакуумный Транзистор Тиристор |
VD VL VT VS |
|
|
W |
Линии и элементы СВЧ, антенны |
Ответвитель Короткозамыкатель Вентиль Трансформатор, фазовращатель Антенна |
WE WK WS WU WA |
|
|
X |
Соединения контактные |
Токосъемщик, контакт скользящий Штырь Гнездо Соединение разборное Соединитель высокочастотный |
XA XP XS XT XW |
|
|
Y |
Устройства механические с электромагнитным приводом |
Электромагнит Муфта с электромагнитным приводом |
YA YC |
|
|
Z |
Устройство оконечное, фильтры, ограничители |
Ограничитель Фильтр кварцевый |
ZL ZQ |
Таблица 6
Условные графические обозначения в электрических схемах
|
Обозначение |
Наименование |
ГОСТ |
|
|
Общие элементы |
|||
|
|
Магнитопровод: а)ферроманитный; б) ферромагнитный с воздушным зазором; в) магнитодиэлектрический; г) немагнитный (из меди). |
2.723-68 |
|
|
|
Катушка индуктивности, дроссель без магнитопровода |
2.723-68 |
|
|
2. |
Дроссель с ферромагнитным магнитопроводом |
2.723-68 |
|
|
|
Трансформатор: а) без магнитопровода; б) с магнитопроводом. |
2.723-68 |
|
|
|
Катушка электромеханического устройства (общее обозначение) |
2.756-76 |
|
|
|
Контакт коммуникационного устройства, общее обозначение: а) замыкающий; б) размыкающий. |
2.756-87 |
|
|
|
Контакт разъемного соединения: а) штырь; б) гнездо; в) соединение; г) соединение коаксиальное (высокочастотное). |
2.755-74 |
|
|
|
Предохранитель: а) плавкий, общее обозначение; б) пробивной. |
2.755-68 |
|
|
|
Резистор постоянный, общее обозначение |
2.728-74 |
|
|
|
Резистор с номинальной мощностью рассеяния: а) 0,125 Вт; г) 1Вт; б) 0,25 Вт; д) 2Вт; в) 0,5 Вт; е) 5Вт. |
2.728-74 |
|
|
|
Резистор переменный (реостат) |
2.728-74 |
|
|
|
Резистор подстроенный |
2.728-74 |
|
|
|
Элемент пьезоэлектрический |
2.736-68 |
|
|
|
Конденсатор: а) постоянной емкости; б) электролитический неполяризованный; в) электролитический поляризованный; г) переменной емкости. |
2.728-74 |
|
|
Полупроводниковые приборы |
|||
|
|
Диод полупроводниковый, общее обозначение |
2.730-73 |
|
|
|
Полупроводниковый диод: а) туннельный; б) обращенный; в) стабилитрон (диод лавинный выпрямительный); г) стабилитрон двухсторонний; д) варикал е) диод Шотки. |
2.730-73 |
|
|
|
Тиристоры (тиристоры, динисторы): а) диодный, запираемый в обратном направлении; б) диодный, проводящий в обратном направлении; в) триод с управлением по аноду; г) триод с управлением по катоду. |
2.730-73 |
|
|
|
Резисторы с pn-переходами: а) рnр-типа; б) npn-типа; в) лавинный npn-типа; г) однопереходной с n-базой; д) однопереходной с p-базой; е) pnp-типа с двумя базовыми выводами; ж) многоэмиттерный транзистор npn-типа. |
2.730-73 |
|
|
|
Полевые транзисторы: а) с каналом n-типа; б) с каналом p-типа; в) с изолированным затвором и индуцированным каналом p-типа г) с изолированным затвором и индуцированным каналом n-типа д) с изолированным каналом затворм и встроенным каналом p-типа |
2.730-73 |
|
|
|
е) с встроенным каналом n-типа; ж) с индуцированным каналом p-типа и выводом от подложки. |
||
|
|
Фоточувствительные, излучающие и прочие полупроводниковые приборы: а) фоторезистор; б) дифференциальный фоторезистор; в) фотодиод г) диодный фоторезистор; д) фототранзистор npn-типа; е) солнечный фотоэлемент (знаки полярности допускается не указывать); ж) фотобатарея из n-элементов; з) светодиод. |
2.730-73 |
|
|
|
Оптоэлектронные приборы (оптрон): а) диодный; б) тиристорный; в) разисторный. |
2.730-73 |
|
|
|
Датчик Холла |
2.730-73 |
Таблица 7
Условное графические обозначение элементов цифровой техники
|
Обозначение |
Наименование |
ГОСТ |
|
Обозначение элемента |
||
|
|
Изделие или часть изделия обозначается на схеме с помощью УГО. В первой строке основного поля помещают обозначение функции, выполняемой элементом, в последующих строках - информацию по ГОСТу 2.708-81. В качестве символа функции используют знак (букву, цифру или специальный знак) или последовательность знаков. |
2.743-82 |
|
|
В дополнительных полях помещают информацию о функциональных значениях выводов (указатели, метки). Метки образуют из алфавита, арабских цифр и специальных знаков, записанных без пробела. |
2.743-82 |
|
|
а) входы элементов; б) выходы элементов. |
2.743-82 |
|
|
а) группа элементов, изображенная совмещенно; б) группа элементов, изображенная совмещенно, содержит одинаковую информацию в основном поле УГО. |
2.743-82 |
|
Продолжение таблицы 7 |
||
|
Указатели выводов |
||
|
|
Обозначения на входах и выходах: а) прямой статический вход; б) прямой статический выход; в) инверсный статический: вход; г) инверсный статический выход; д) прямой динамический вход; е) инверсный динамический вход; ж) вывод, не несущий логической информации |
2.743-82 |
|
|
Графическое обозначение логического элемента выполняют без левого или правого дополнительного поля, когда все входы (выходы) логически равнозначны; функции выводов однозначно определяются функциями элемента, при этом расстояния между соседними линиями входов (выходов) должны быть одинаковыми. |
2.743-82 |
|
|
Если входы (выходы) логически не равноценны, то в дополнительном поле напротив линии каждого входа (выхода) указывают метку, которая условно обозначает функциональное свойство или назначение соответствующего входа (выхода). |
2.743-82 |
|
|
Если элемент имеет несколько групп равноценных входов (выходов), метки указывают по отношению к группам (напротив линии первого входа (выхода) в каждой группе), при этом группы входов разделяют интервалами или зонами. |
2.743-82 |
Таблица 8
Основные функции элементов цифровой техники и их производных
|
Основная функция |
Обозначения |
Производная функция |
Обозначение |
|
Вычислитель |
СР |
Секция вычислителя Центральный процессор |
CPS CPU |
|
Процессор |
Р |
Секция процессора |
PS |
|
Память |
М |
Устройство запоминающее: - оперативное с произвольным доступом; - оперативное с последователь ным доступом; - стековое; - ассоциативное; - с возможностью однократного программирования; - с возможностью многократного программирования Матрица логическая программируемая |
RAM SAM STM CAM PROM RPROM PLM |
|
Управление |
СО |
|
|
|
Перенос |
CR |
|
|
|
Прерывание |
INR |
|
|
|
Передача |
TF |
|
|
|
Прием |
RC |
|
|
|
Ввод-вывод |
IO |
Ввод-вывод: -последовательный; - параллельный |
IOS IOP |
|
Арифметика |
А |
Суммирование Умножение Деление Вычитание Умножение по основанию n |
SM или ∑ MPL DIV sub> MPLn |
|
Логика |
L |
Логическое ИЛИ Логическое И Логическое исключающее ИЛИ |
I & i=1 |
|
Элемент монтажной логики |
◊ или ¤ |
Монтажное ИЛИ Монтажное И |
I◊ или I¤ &◊ или &¤ |
|
Регистр |
RG |
Регистр со сдвигом: - слева направо или сверху вниз; - справа налево или снизу вверху; - реверсный |
RG→ RG← RG← → |
|
Счетчик |
СТ |
Счетчик: - по основанию n; - двоичный; - десятичный |
CTn CT2 CT10 |
|
Дешифратор |
DC |
|
|
|
Шифратор |
CD |
|
|
|
Преобразователь |
X/Y |
Вместо X, Y можно использовать следующие значения: - двоичный код; - десятичный код; - код Грея; - аналоговая; - цифровая; - напряжение; - ток; - n-сегментный |
В DEC G Л ИЛИ А #ИЛИ D U I nS |
|
Свертка по модулю n |
Mn |
Свертка по модулю 2 |
M2 |
|
Мультиплексор |
MUX |
|
|
|
Демультиплексор |
DMX |
|
|
|
Селектор |
SL |
|
|
|
Генератор |
G |
Генератор: - серии из прямоугольных импульсов; - с непрерывной последовательностью импульсов; - линейно-изменяющихся сигналов; - синусоидального сигнала |
Gn GN Qj GSIN |
|
Триггер |
T. |
Триггер двухступенчатый |
TT |
|
Задержка |
DL |
|
|
|
Продолжение табл. 8 |
|||
|
Формирователь |
F |
Формирователь уровня: - логического состояния n; - логического нуля; - логической единицы |
FLn FLO FL1 |
|
Усилитель |
> |
Усилитель с повышенной нагрузочной способностью |
>> |
|
Ключ |
SW |
|
|
|
Модулятор |
MD |
|
|
|
Демодулятор |
DM |
|
|
|
Нелогический элемент |
* |
Стабилизатор: - напряжения; - тока Наборы нелогических элементов: - резисторов; - конденсаторов; - индуктивностей; - диодов; - диодов с указанием полярности; - транзисторов; - трансформаторов; - индикаторов; - предохранителей |
*ST *STU *STI *R *C *L *D *D→ *T *TR *H *FU |
Таблица 9
Основные метки выводов элементов цифровой техники, указывающие, их функциональное назначение
|
Наименование |
Обозначение |
|
Установка в состояние n |
Sn |
|
Установка в состояние "логическая 1" |
S |
|
Установка в состояние "логическая 0" |
R |
|
Установка в исходное состояние (сброс) |
SR |
|
Разрешение установки универсального JK-триггера в состояние "логическая 1" (J- вход) |
J |
|
Вывод двунаправленный |
↔ или < > |
|
Авария (ошибка) |
ER |
|
Адрес |
А |
|
Адресация по координате X; Y |
X;Y |
|
Больше или равно |
>= или ≥ |
|
Байт; бит |
BY; BIT |
|
Блокировка (запрет) |
DE |
|
Готовность |
RA |
|
Запись (команда записи) |
WR |
|
Запрос (требование) |
RQ |
|
Знак |
SI |
|
Исполнение (конец) |
END |
|
Инструкция (команда) |
INS |
|
Контроль |
CH |
|
Меньше или равно |
=< или ≤ |
|
Начало |
BG |
|
Ожидание |
WI |
|
Ответ |
AN |
|
Переполнение |
OF |
|
Повтор |
RP |
|
Полярность: положительная; отрицательная |
+ ; - |
|
Пуск |
ST |
|
Разрешение |
Е |
|
Регенерация |
REP |
|
Синхронизация |
SYN |
|
Считывание |
RD |
|
Условие |
СС |
|
Инверсия |
IN |
Таблица 10
Основные метки, указывающие функциональное назначение выводов элементов цифровой техники, не несущих логической информации
|
Наименование |
Обозначение |
|
Вывод питания от источника напряжения; допускается: а) перед буквой U проставлять номинал, напряжение в вольтах; б) вместо U использовать букву V (вольт) и указывать полярность; в) после буквы U проставлять поясняющую информацию: указатель питания цифровой части элемента; указатель питания аналоговой части, элемента; признак информационного питания |
U 5U +5U U#
U UD |
|
Общий вывод |
OV |
|
Вывод питания от источника тока; допускается проставлять: а) перед буквой I номинал тока в миллиамперах; б) номинал тока в амперах, при этом буква I заменяется на А; в) порядковый номер после буквы I |
I 140I 0,14А I2 |
|
Коллектор |
К |
|
Эмиттер |
Э |
|
База |
В |
|
Ввод для подключения: - емкости; - резистора; - индуктивности |
С R L |
Таблица 11
Основные метки выводов аналоговых элементов
|
Наименование |
Обозначение |
|
Начальное значение интегрирования |
I |
|
Установка начального значения |
S |
|
Установка состояния "0" |
R |
|
Установка в исходное состояние |
SR |
|
Поддержка текущей величины сигнала |
Н |
|
Строб, акт |
С |
|
Пуск |
ST |
|
Балансировка (коррекция "О") |
NC |
|
Частотная коррекция |
FC |
|
Общий вывод: - для аналоговой части элемента; - для цифровой части элемента |
0V OV Λ 0V# |
Таблица 12
Основные функции, выполняемые аналоговыми элементами
|
Наименование |
Обозначение |
|
Общее обозначение функции |
F(X1, X2,..,YN) или f(Х1, Х2,..., Хn) |
|
Выбор максимальной переменной |
МАХ или max |
|
Выбор минимальной переменной |
MIN или min |
|
Генерирование |
G |
|
Детектирование |
DK |
|
Деление |
X:Y или х:у |
|
Деление частоты |
FR или fr |
|
Дифференцирование |
D/DT или d/dt |
|
Зона нечувствительности |
|
|
Извлечения корня |
X↑0,5
или
ХΛ
или
|
|
Интегрирование |
INT ИЛИ f |
|
Насыщение |
|
|
Логарифмирование |
LOG ил и log |
|
Образование модуля |
|
|
Переключение (ключ, коммутатор): замыкание; размыкание; переключение |
SW SWM SWB SWT |
|
Показательная функция |
X↑Y или xy |
|
Пороговый элемент |
TH или |
|
Преобразователь |
X/Y или х/у |
|
Суммирование |
SM или ∑ |
|
Умножение |
ХУ или ху |
|
Умножение - деление |
XY:Z или xy:z |
|
Экспонента |
ЕХР или ехр |
|
Блок постоянного запаздывания |
DL или |—| |
|
Блок переменного запаздывания |
DIV или
|−−| |
|
Воспроизведение коэффициентов |
К |
|
Многофункциональное преобразование |
MF |
|
Фильтрация |
FF |
|
Преобразование цифроаналоговое |
#/ |








































или

