Одноосьовий гіроскопічний стабілізатор
Міністерство освіти і науки України
Житомирський державний технологічний університет
Кафедра А і КТ
Група АТ-12
Курсовий проект
Предмет: «Теорія автоматичного керування»
«Одноосьовий гіроскопічний стабілізатор»
Виконав К.О. Гриценко
Перевірив С.С. Свістельник
Житомир 2007
Зміст
1 Завдання на курсовий проект
2 Опис роботи САК
3 Аналіз і синтез лінійної неперервної САК
3.1 Структурна схема САК
3.2 Визначення передаточної функції розімкнутої та замкнутої САК відносно вхідної
3.3 Визначення стійкості системи по критерію Гурвіца
3.4 Побудова амплітудно-фазової частотної характеристики (АФЧХ) та визначення стійкості САК за критерієм Найквіста. Дослідження
системи методом D – розбиття
3.5 Побудова логарифмічної частотної характеристики САК та визначення запасів стійкості
3.6 Використовуючи логарифмічні частотні характеристики, виконання корекції САК в області середніх частот з метою отримання заданих
запасів стійкості по фазі та амплітуді
3.7 Схема корегуючого пристрою та розрахунок його елементів
3.8 Розрахунок та побудова графіку перехідної характеристики скорегованої САК
3.9 Для заданого типу вхідної дії розрахунок та побудова графіку усталеної помилки скорегованої САК
3.10 Оцінка якості скорегованої САК
3.11 Моделювання системи в програмному модулі Simulink
4 Аналіз дискретної САК (ДСАК)
4.1 Визначення періоду дискретизації імпульсного елемента
4.2 Визначення передаточної функції розімкнутої та замкнутої ДСАК відносно вхідної дії
4.3 Визначення стійкості отриманої системи по критерію Гурвіца
4.4 Побудова логарифмічної псевдочастотної характеристики ДСАК та визначення запасів стійкості
4.5 Розрахунок та побудова графіку перехідної характеристики ДСАК
4.6 Для заданого типу вхідної дії розрахунок та побудова графіку усталеної помилки ДСАК
4.7 Оцінка якості ДСАК
Висновки по роботі
Список літератури
Завдання на курсовий проект
Система керування описується наступними рівняннями:
Г –
гіроскоп:

,
де
- кут прецесії;
М – збурюючий момент ( дія, що впливає на ОК)
МD – протидіючий зовнішньому впливу момент двигуна;
М – різниця між моментом, що впливає на ОК та
протидіючим моментом, що створюється двигуном;
ДК – датчик
кута:
,
де
u – напруга постійного струму, що повільно змінюється;
П –
підсилювач:
,
де
uD – напруга постійного струму, що повільно змінюється;
Двигун та
редуктор:
Примітка: При необхідності проводити корекцію системи шляхом введення послідовного корегувального пристрою у вигляді пасивного RC-фільтру.
2 Опис роботи САК
В сучасних умовах для забезпечення гнучкого і безперервного управління пересуванням, зосередженням, маневром військ, бойової і спеціальної техніки необхідна точна інформація про місцеположення рухомих об'єктів. Рішення цієї задачі забезпечується широким застосуванням на рухомих об'єктах засобів навігації. Для цього всі рухомі одиниці, що беруть участь в пересуванні, повинні бути оснащені системами навігації, здатними безперервно, надійно і точно визначати їх місцеположення на місцевості, в різних метеоумовах, в будь-який час доби і пору року. Найбільш повно в досягненні зазначених цілей зарекомендували себе зкомплексовані системи навігації (ЗСН). До складу ЗСН входять елементи автономних навігаційних систем (АНС) і радіонавігаційних систем (РНС), як наземного (НРНС), так і космічного базування, так званих супутникових радіонавігаційних систем (СНРС). Спільна обробка інформації, отриманої від різних незалежних СН, дозволяє підвищити точність визначення місцеположення окремих наземних об'єктів, а відповідно і ефективність управління військами. Навігаційна інформація (НІ), отримана з СН, знаходить все більш широке застосування як у військовій, так і в цивільних сферах діяльності. Провідні фахівці України, країн членів НАТО і РФ розглядають навігаційне забезпеченн як один з важливих елементів бойового забезпечення військ і оперативного сервісного забезпечення цивільних користувачів, що управляють рухомими об'єктами.
Інерціальні навігаційні системи (ІНС) на гіростабілізованих платформах здатні забезпечувати точні вимірювання навігаційних параметрів в будь-яких умовах, не випромінюючи при цьому, ніяких сигналів. Крім того, вони повністю захищені від шумів.
Однак, фахівці відмічають і недоліки ІНС. Це, передусім, досить висока вартість, складність настройки перед початком руху, необхідність частих зупинок на опорних пунктах з відомими координатами для проведення корекції. Точність ІНС значною мірою залежить від плавності ходу рухомого об'єкта (агрегату) і від наявності опорних пунктів за маршрутом руху. Незважаючи на це, ІНС на гіростабілізованих платформах широко застосовуються на різних рухомих об'єктах.
Так в США з 1981 р. прийнята в експлуатацію ІНС РАDS AN/USQ-70 фірми "Litton". За принципом дії вказана система є інерціальною і являє собою лічильник пройденого шляху. До її складу входять гіростабілізована платформа з двома механічними двохступеневими гіроскопами і трьома акселерометрами; БЦОМ з клавіатурою введення координат початкового пункту, цифровий індикатор поточних координат; джерело електроживлення. Загальна маса ІНС складає близько 40 кг, що дозволяє встановлювати її на легких машинах (носіях ІНС). ІНС PADS AN/USQ-70 дозволяє визначати прямокутні координати (Х, Y), висоту (Н) місцеположенн і дирекційний кут (a) повздовжньої осі машини (носія ІНС). Дані про місцеположенн машини (носія ІНС) відтворюються на цифровому табло. Для передачі дирекційного кута на інші об'єкти і визначення їх координат відносно машини з ІНС до комплекту системи включений теодоліт та імпульсний світловіддалемір. Початкове орієнтуванн ІНС проводиться на опорному (контрольному) пункті з відомими координатами за допомогою гіроскопічного пристрою (платформи), працюючого в режимі гірокомпасу, теодоліта і світловіддалеміра. На орієнтування витрачається 8-10 хвилин. Корекці помилок ІНС здійснюється на короткотривалих (приблизно 20 с.) зупинках через кожні 8-10 хв. руху. Кругова вірогідна помилка (КВП) визначення координат об'єкта за маршрутом руху, з урахуванням корекції, не перевищує 10 м.
Англійська фірма "Ferranti" розробила і ввела в експлуатацію в 1985 р. свій варіант системи PADS МК2. Це інерціальна система з безперервним визначенням і відображенням всіх трьох координат (X, Y, Н) машини (носія ІНС). До складу системи входять інерціальний блок на механічних гіроскопах і акселерометрах, блоки електроживлення, індикації і управління. КВП визначення координат об'єкта за маршрутом руху, з урахуванням корекції, не перевищує 5 м. Передача азимута (дирекційного кута) і визначення координат об'єктів, що прив'язуються відносно носія ІНС, проводиться за допомогою теодоліта і світловіддалеміра. Початкове орієнтування і корекція системи проводятьс аналогічно наведеній вище американській системі.
Ізраїльська фірма "TAMAM" в 1988 р. ввела в експлуатацію ІНС "PADS ТАМАМ". Вона забезпечує безперервне відображення всіх трьох координат носія ІНС (машини), в тому числі і на рухомій карті місцевості. До складу системи входять: інерціальний блок (на механічних гіроскопах і акселерометрах); БЦОМ; блок управління і індикації; світловіддалемір і теодоліт. Загальна маса ІНС складає біля 120 кг, що перевищує середні для систем цього класу значення в 2-3 рази. Відносно низька і точність системи, але можливе застосування спеціального режиму її роботи, в якому, за рахунок скороченн часу між зупинками для корекції до 2-3 хв. вдається зменшити КВП визначенн місцеположення об'єкта за маршрутом руху до 2-3 м.
Таблиця 1 Основні характеристики інерціальних навігаційних систем зарубіжного виробництва
|
Найменування ІНС, фірма, країна, рік розробки |
Склад і характеристики ІНС на гіростабілізованих платформах |
Точність визначення місцеположення |
|
1.PADS AN/USQ-70 "LITTON" США 1981 р. |
Гіроскопічний пристрій, акселерометри. ІНС визначає Х, У, Н Прив'язка проводиться за допомогою гірокомпаса, лазерного віддалеміра і теодоліта. Час орієнтування 8-10 хв. Маса ІНС – 40 кг |
10 м (КВП) з обліком корекції через кожні 8-10 хвилин (час корекції - 20 с) |
|
2.PADS МК2 "Ferranti" Англія 1985 р. |
Гіроскопічний пристрій, акселерометри ІНС визначає Х, У, Н Прив'язка проводиться за допомогою гірокомпаса, лазерного віддалеміра і теодоліта. Час орієнтування 8-10 хв. Маса ІНС - 50 кг |
5 м (КВП) з обліком корекції через кожні 5-8 хвилин. (час корекції - 20 с) |
|
3.PADS "ТАМАМ" "ТАМАМ" Ізраїль 1988 р. |
Гіроскопічний пристрій, акселерометри. ІНС визначає Х, У, Н Прив'язка проводиться за допомогою гірокомпаса, лазерного віддалеміра і теодоліта. Час орієнтування 8-10 хв. Маса ІНС –120 кг |
2-3 м (КВП) з обліком корекції через кожні 2-3 хвилин (час корекції - 20 с) |
|
4.IPS США. 1986 р. |
Гіроскопічний пристрій, акселерометри. ІНС визначає Х, У, Н Прив'язка проводиться за допомогою гірокомпаса, лазерного віддалеміра і теодоліта. Час орієнтування 8-10 хв. Маса ІНС –120 кг |
1,5-2,5 м за Х, У; . 0,9-3,5м за висотою (Н) з обліком корекції через кожні 3-5 хвилин (час корекції - 20 с) |
У 1986 р. американські фахівці випробували модернізований варіант системи PADS, який отримав найменування IВ. Помилки визначення планових координат об'єкта за маршрутом руху становили 1,5-2,5 м, висоти 0,9-3,5 м з урахуванням корекції через 3-5 хв. руху носія ІНС.
В табл. 1 для порівняння наведені основні характеристики зарубіжних ІНС на гіростабілізованих платформах.
3 Аналіз і синтез лінійної неперервної САК
3.1 Складаємо структурну схему САК (рис. 1)

Рис. 1. Структурна схема досліджуваної САК в загальному випадку
;
;
;
;
Для варіанту №1 САК матиме наступний вигляд (рис. 2):

Рис. 2. Структурна схема вказаної САК згідно з варіантом
Визначимо передатні функції розімкненої та замкненої САК відносно вхідної
а) передатну
функцію розімкненої САК визначимо як
добуток передатних функцій усіх ланцюгів
САК, оскільки маємо послідовне з’єднання
ланцюгів. Таким чином W(s)=WГ(s)·WDK(s)·WП(s)·WD(s)
=
,
w(s) =
.
Схема розімкненої САК зображена на рис. 3.

Рис. 3. Структурна схема розімкненої САК
б) передатну
функцію замкненої САК отримаємо за
формулою Ф(s) =
:
Ф(s) =
.
Зображення схеми замкненої САК зображена на рис. 4.

Рис. 4. Структурна схема замкненої САК
3.3 Визначимо стійкість системи по критерію Гурвіца
Знаючи
перехідну функцію, знайдемо характеристичне
рівняння системи:
D(s)=
.
На основі отриманих коефіцієнтів характеристичного рівняння побудуємо головний визначник Гурвіца:
=
.
За критерієм Гурвіца для того, щоб система автоматичного керування була стійкою, необхідно та достатньо, щоб при а0>0 всі визначники Гурвіца були додатними. Умовою стійкості для системи третього порядку будуть: а1·a2>a0·a3.
В даному випадку: а0 = 0,006 > 0; а1·a2 = 0,32·1 = 0,32; a0·a3 = 0,006·7,5 = 0,045; 0,32>0,045. Умова стійкості системи виконуються, отже за критерієм Гурвіца САК стійка.
3.4 Побудова амплітудно-фазової частотної характеристики (АФЧХ) та визначення стійкості САК за критерієм Найквіста. Дослідження системи методом D – розбиття
а). Побудуємо амплітудно-частотну характеристику в визначимо стійкість системи по критерію Найквіста:
1) запишемо перехідну характеристику розімкнутої САК
w(s)=
.
2) в рівнянні перехідної функції проведемо заміну s→j·ω та проведемо всі можливі перетворення та спрощення, тоді
w(j·ω) =
=
=
=
.
Дійсна
частина цього виразу Re(w(j·ω)) =
= Х(ω),
уявна
частина – Im(w(j·ω)) =
= У(ω).
3) Побудуємо на комплексній площині (Х0У) криву Найквіста та зробимо висновок про стійкість системи:
У(ω) = 0 → ω = 0 → Х(0) = 0;
У(ω) = 0 →
ω =
=12,909
→
Х(12,909) =
= -0,141.
По цим точкам побудуємо криву Найквіста (рис. 5).
Критерій Найквіста: Для того щоб замкнута система була стійкою необхідно, щоб годограф розімкненої системи починаючись на дійсній вісі і рухаючись проти годинникової стрілки (при змінній частоті від 0 до ∞) не охоплював точку (-1, j0).

Рис. 5. Крива Найквіста
Замкнена САК не охоплює точку (-1, j0), що видно на рис. 5. Отже, САК стійка.
б). Дослідження системи методом D – розбиття
За даними, що були отримані в пункті 3.3 знайдемо критичний коефіцієнт підсилення системи kкр:
0,32 ≥ k·0,006
k ≤ 53
k = 53 (теоретично розрахований коефіцієнт підсилення).
Використовуючи методику D-розбиття та за допомогою програми MathCad побудуємо межу D-розбиття, обравши за параметр дослідження коефіцієнт підсилення системи.
Характеристичний поліном САК, враховуючи, що параметр, який досліджується, коефіцієнт підсилення:
D(p) =
.
Звідси
k(p) =
і k(ωj) =

Побудуємо
область D-розбиття, знаючи, що Re(k) =
,
Im(k) = =
(див. рис. 6).

Рис. 6. Область стійкості за параметром k
На побудованій області D- розбиття можна визначити коефіцієнт підсилення (точка перетину області з дійсною віссю).
3.5 Побудова логарифмічної частотної характеристики САК та визначення
запасів стійкості
Знаючи перехідну характеристику розімкненої САК
w(s)=
,
знайдемо нульову контрольну точку: L0 = 20lgk = 20lg7,5 = 17,5 дБ.
2) Визначимо
спряжені частоти: ω1 =
= 50с-1; ω2 =
= 3,3с-1.
3) Враховуючи, що до складу системи входить пропорційна, інтегруюча та дві аперіодичні ланки першого порядку ЛАХ і ЛФХ для даної САК (рис. 7).

Рис. 7. Відповідно логарифмічно амплітудна та логарифмічно частотна характеристики системи автоматичного керування
Як видно з графіків, оскільки ЛАХ перетинає вісь 0ω під нахилом -40, а ЛФХ перетинає пряму –π, система є нестійкою.
Знайдемо запаси стійкості системи за ЛАХ та ЛФХ:
по амплітуді: ΔL = 20lg (w(j*ωс)), де ωс – частота, за якої φ(ωc) = -π. З графіка видна ωc = 6 (див. рис.7). Тоді
ΔL = 20lg (w(j*ωс)) = 20lg (w(j*6)) = -17.
Порівнюємо з значенням визначеним критерієм Найквіста h=20lg(1/Wcp) = =20lg(1/6)= 17,016 з h=17 знайденому по рис. 7.
по фазі: Δφ = π-Arg(w(j*ωз)), де ωз – частота зрізу, коли L(ωз) = 1, тобто
ωз = 6. Тоді Δφ = arg(w(j*6)) = -35°.
3.6 Використовуючи логарифмічні частотні характеристики, виконання
корекції САК в області середніх частот з метою отримання заданих
запасів стійкості по фазі та амплітуді
Корекцію системи проведемо при заданих якісних параметрах (час регулювання tp = 0,3с перерегулювання δ = 30%). Побудуємо ЛАХ бажаної роботи системи та корегуючого пристрою (рис. 8).

Рис. 8. ЛАХ заданої системи (Lз), бажаної (Lб) та коректую чого пристрою (Lк)
Складемо передаточні характеристики для бажаної та корегуючої систем:
wб(s) =
.
Враховуючи, що wб(s) = wз(s)·wк(s), отримаємо
wк(s) =
.
3.7 Схема корегуючого пристрою та розрахунок його елементів
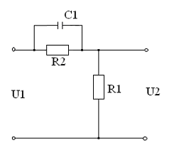
Приведемо схему корегуючого пристрою, обравши його з довідника. Згідно з наявною ЛАХ, що приведена вище, найбільше нашим вимогам задовольняють схеми №7 корегуючого пристрою (рис. 9).

а) б)
Рис. 9. Схеми корегуючого пристрою та відповідні фрагменти ЛАХ:
а) фрагмент ЛАХ, що відповідає схемі №7; б) схема №7 (К2).
Розрахуємо кожен з елементів схеми:
L0=
,L=1.
Оберемо ємність конденсатора: С1=100мкФ.
Т1 =
.
3) T2
=
.
Оберемо підсилювач з таким коефіцієнтом: 20lgk=17,5, k=10(-17,5/20)=7,5 (П1).
Підберемо з ряду опорів Е24 відповідні значення опорів: R1 = 0,6 кОм, R2 = 3 кОм.
Загальна схема корегуючого пристрою має такий вигляд:

3.8 Розрахунок та побудова графіку перехідної характеристики скорегованої САК
Визначимо аналітичний вираз для перехідної характеристики замкнутої скоректованої системи за передаточною функцією розімкнутої САК при одиничному ступінчатому вхідному сигналі та побудуємо графік.
Передатна
функція w(s) =
.
Передатна функція замкненої системи:

Перехідна
характеристика замкненої системи за
вхідним сигналом: H(s)=G(s)*Ф(s), де G(s) =
- одиничний ступінчатий вхідний сигнал.
H(s)

Графік перехідної характеристики САК зображений на рис. 10.

Рис. 10. Перехідна характеристика САКк
3.9 Для заданого типу вхідної дії розрахунок та побудова графіку усталеної помилки скорегованої САК
Дослідимо точність замкнутої системи за передаточною функцією розімкнутої САК. При дослідженні визначимо три коефіцієнти помилок С0, С1, С2, використовуючи передаточну функцію замкнутої системи за похибкою:
Фx(s)
=

Тоді
_



Тобто С0 = 0, С1 = 0,1333, С2 = - 0,00844.
Побудуємо графіки помилок в усталеному режимі при:
- одиничному ступінчатому сигналі G1(t) = 1 (G1(s) = 1/s) (рис. 11).
- помилка від вхідної
керуючої дії.
- усталена похибка.

Рис. 11. Графік похибки САК
при сигналі G2(t) = 100t (рис. 12),
- помилка від вхідної
керуючої дії.
- усталена похибка.

Рис. 12. Графік усталеної похибки САК
3.10 Оцінка якості скорегованої САК
Оцінимо якість перехідних процесів у заданій системі:
- перерегулювання δ – відносне максимальне відхилення перехідної характеристики від усталеного значення вихідної координати, виражене у відсотках:
δ =

(hmax, hуст – відповідно максимальне та усталене значення перехідної характеристики для досліджуваної системи побачимо на графіку (рис.10))
δ =
.
- час
регулювання (час перехідного процесу)
tp – мінімальний час, після сплину якого
регульована координата буде залишатися
близькою до усталеного значення із
заданою точністю
.
,
тоді tp = 0,6
(с).
- число коливань n, яке має перехідна характеристика h(t) за час регулювання tp:
n = 1.
Висновок: приведені вище розрахунки та дослідження показують, що задана система є нестійкою, але її можна скорегувати порівняно нескладними корегуючими пристроями (передаточна функція після корегування має пропорційну, інтегруючу та дві аперіодичні ланки першого порядку), метод розрахунку яких приведений вище; при роботі системи спостерігали усталену похибку САК з заданою вхідною дією, розрахунок провели за допомогою приведених вище формул.
3.11 Моделювання системи в програмному модулі Simulink
Змоделюємо систему в програмному модулі Simulink – зберемо структурну схему отриманої скоректованої системи (рис. 13).

Рис. 13. Модель скоректованої САК в програмному модулі Simulink
Реакція системи на одиничний ступінчатий сигнал (рис. 14).

Рис. 14. Реакція системи на одиничний вхідний сигнал
Порівнюючи реакцію САК, отриману за допомогою моделювання (рис. 14), з теоретично отриманою перехідною характеристикою (рис. 10) в пункті 3.8 виявили, що вони співпали (розрахунки в обох випадках проведені правильно).
Побудова графіка вихідної координати при заданій вхідній дії
g(t) = 100t (рис. 16).
Змоделюємо систему з заданою вхідною дією в програмному модулі Simulink (рис. 15).

Рис. 15. Модель САК з заданою вхідною дією
Реакція системи на вхідний сигнал (рис. 16).

Рис. 16. Реакція САК на задану вхідну дію
З графіків видно, що робота системи залежить від вхідного сигналу.
4 Аналіз дискретної САК (ДСАК)
В основі
аналізу дискретної САК візьмемо лінійну
неперервну САК після корекції з
передаточною характеристикою w(s) =
.
4.1 Визначення періоду дискретизації імпульсного елемента.
В якості формоутворювача сигналу приймемо екстраполятор нульового порядку.
ωз = 43,2 с-1 – максимальна частота в спектрі вхідного сигналу.
За теоремою
Котельникова для нормальної роботи
системи необхідно, щоб виконувалася
умова Tk =
- період дискретизації, ωк ≥ 2ωз – частота
дискретизації. Оберемо ωк ≥ 2·43,2 = 86,4
с-1, тоді
Tk ≤
(с)
Виберемо період дискретизації Tk = 0,01с, ωк = 90 с-1.
4.2 Визначення передаточної функції розімкнутої та замкнутої ДСАК відносно вхідної дії
w(z) =
.

Спочатку розкладемо функцію на простіші дроби:
.
Виконаємо z-перетворення Лапласа отриманої функції:
.
Отже,

Передатна функція замкненої ДСАК:
.
4.3 Визначення стійкості отриманої системи по критерію Гурвіца
Знаючи
перехідну функцію, знайдемо характеристичне
рівняння системи:
D(s)=
.
Виконаємо білінійне перетворення
.
Отримаємо наступне характеристичне рівняння:

На основі отриманих коефіцієнтів характеристичного рівняння побудуємо головний визначник Гурвіца:
=
.
За критерієм Гурвіца для того, щоб система автоматичного керування була стійкою, необхідно та достатньо, щоб при а0>0 всі визначники Гурвіца були додатними.
а0= 36,20740,

Умова стійкості системи виконуються, отже за критерієм Гурвіца САК стійка.
4.4 Побудова логарифмічної псевдочастотної характеристики ДСАК та визначення запасів стійкості
Для побудови логарифмічної псевдочастотної характеристики використаємо передаточну функцію розімкненої системи після корекції та виконання z- перетворення:

Виконаємо
,
де
- абсолютна псевдочастота, с-1.

Знайдемо нульову контрольну точку: L0 = 20lgk = 20lg1,1683 = 1,351 дБ.
Визначимо
спряжені частоти: λ1 =
= 19,9с-1, λ2 =
= 49,3с-1,
λ3 =
= 49,5с-1, λ4 =
= 0,212с-1.
Враховуючи, що до складу системи входить пропорційна, інтегруюча, дві аперіодичні ланки першого порядку та дві форсуючі ланки, отримуємо ЛАХ і ЛФХ для даної САК (рис. 17).

Рис. 17. Логарифмічні частотні характеристики системи
Знайдемо запаси стійкості системи за ЛАХ та ЛФХ:
по амплітуді запас стійкості h= (L), тому що ЛФХ не перетинає межу -.
по фазі: Δφ = π-Arg(w(j*ωз)), де ωз – частота зрізу, коли L(ωз) = 1, тобто
ωз = 24. Тоді Δφ = arg(w(j*24) = -34°.
4.5 Розрахунок та побудова графіку перехідної характеристики ДСАК
Для побудови перехідної характеристики ДСАК використаємо перехідну характеристику замкненої системи отриману раніше.

Розрахуємо
перехідну характеристику ДЦСАК Y(z) =
Ф(z)*G(z), де G(z) =
- зображення вхідного одиничного сигналу.
Тобто
.
Побудуємо графік перехідного процесу, попередньо розклавши перехідні характеристики в ряд Лорана:
_


_

_

_

_


Тобто С0=0,8253, C1 = 0,7991, C2 = 0,7739, C3 = 0,7498, C4 = 0,7269, C5 = 0,7053. За цими даними побудуємо графік - гістограму перехідного процесу (рис. 18).

Рис. 18. Перехідна характеристика досліджуваної ДСАК
Провівши розрахунки та побудову за допомогою Math Lab отримали такі результати:

Отримані перехідні характеристики не співпадають, що означає неточність розрахунків, а також специфіка розрахунку передаточних відношень в Math Lab.
4.6 Для заданого типу вхідної дії розрахунок та побудова графіку усталеної помилки ДСАК
Дослідимо точність замкнутої системи за передаточною функцією розімкнутої САК. При дослідженні визначимо три коефіцієнти помилок С0, С1, С2, використовуючи передаточну функцію замкнутої системи за похибкою:
Фx(z)
=
.
Виконаємо
заміну
,
тоді отримаємо такий вираз:
.
Для побудови графіку усталеної похибки визначимо коефіцієнти С0 та С1 – коефіцієнти похибок, які є коефіцієнтами розкладу передаточної функції системи за похибкою Фx(z) в ряд Маклорена за степенями s, тобто
,
в нашому випадку:


В загальному випадку при вхідній дії, що повільно змінюється, усталену похибку системи можна представити у вигляді ряду

В нашому випадку при g(n)=100n усталена похибка має вигляд:


Рис. 19. Графік усталеної похибки ДСАК
4.7 Оцінка якості ДСАК
Для оцінки якості ДСАК розрахуємо та побудуємо перехідну характеристику.




Рис. 20. Перехідна характеристика ДСАК
Оцінимо якість перехідних процесів у заданій системі:
- перерегулювання δ – відносне максимальне відхилення перехідної характеристики від усталеного значення вихідної координати, виражене у відсотках:
δ =

(hmax, hуст – відповідно максимальне та усталене значення перехідної характеристики для досліджуваної системи побачимо на графіку (рис.20))
δ =
.
- час
регулювання (час перехідного процесу)
tp – мінімальний час, після сплину якого
регульована координата буде залишатися
близькою до усталеного значення із
заданою точністю
.
,
тоді tp = 70,6
c.
- число коливань n, яке має перехідна характеристика h(t) за час регулювання tp:
n = 1.
Висновок: провівши аналіз ДСАК можна сказати, що отримана система після квантування є стійкою, коефіцієнт підсилення співпадає з коефіцієнтом підсилення лінійної САК; отримані результати вказують на те, що аналіз проведений правильно, хоча деякі якісні параметри ДСАК відрізняються від лінійної САК, це вказує на те, що деяка інформація про систему під час квантування все ж втрачається.
Висновок
При дослідженні та аналізі одноосьового гіроскопічного стабілізатора за критеріями Гурвіца, Найквіста система виявилася стійкою, але за частотними критеріями - не стійкою; за допомогою D – розбиття було досліджено, що для даної системи критичний коефіцієнт підсилення дорівнює 53. Виконали корекцію методом введення в систему корегую чого пристрою знайшли бажану передаточну функцію. Подальші дослідження проводилися за бажаною передатною функцією. Так оцінили якість скорегованої САК за такими параметрами: перерегулювання 5%, час перехідного процесу 0,6 с та число коливань n=1. Отримані параметри є допустимими, тому можна вважати, що робота скорегованої системи проходить якісно та точно.
Моделювання системи в програмному модулі Simulink дозволило показати графічно як на систему впливають різні вхідні сигнали та ще раз підтвердити точність проходження скорегованої САК.
Аналізуючи дискретну САК провели дослідження за критерієм Гурвіца та частотними критеріями, щоб потім порівняти результати з результатами лінійної САК. ДСАК дещо відрізняється від лінійної САК, що означає втрату деяких параметрів лінійної САК після її квантування. Хоча в цілому ДСАК за всіма досліджуваними критеріями є стійкою, а якість та точність перехідного процесу задовольняє допустимим параметрам.
Список літератури
Самотокін Б.Б. Лекції з теорії автоматичного керування. –Житомир ЖІТІ, 2001. -504с.
Топчеев Ю.И. Атлас для проектирования систем автоматического регулирования. –Москва „Машиностроение”, 1989. -752с.
Бесекерский В.А., Попов Е.П., Теория систем автоматического регулирования, 3 изд., М., 1975.