Однофазные параллельные регистры двухтактного действия и однотактного действия. Парафазные параллельные регистры, сдвигающие регистры
БЕЛОРУССКИЙ ГОСУДАРСТВЕННЫЙ УНИВЕРСИТЕТ ИНФОРМАТИКИ И РАДИОЭЛЕКТРОНИКИ
КАФЕДРА РЭС
РЕФЕРАТ
НА ТЕМУ:
«Однофазные параллельные регистры двухтактного действия и однотактного действия. Парафазные параллельные регистры, сдвигающие регистры»
МИНСК, 2009
Под регистрами (от лат. registrum — список, указатель) в цифровой электронике и технике подразумевают узлы и устройства, осуществляющие ряд операций с информацией, представленной в виде многоразрядного двоичного кода. К этим операциям относятся: хранение, сдвиг в разрядной сетке, поразрядные логические операции и выдача числовых слов в определенном коде. Уже одно перечисление функций регистров показывает, что это самые распространенные узлы цифровых устройств.
На схемах регистры обозначаются буквами RG. В отечественных сериях микросхем регистрам соответствуют буквы ИР.
Итак, регистрами называются устройства, выполняющие функции приема, хранения и передачи информации. Информация в регистрах хранится в виде числа (слова), представленного комбинацией сигналов 0 и 1. Каждому разряду числа, записанному в регистр, соответствует свой разряд, выполненный на основе триггера CRS-, CD- и CJK-типов с управлением записью видов L, LF, и F. Другими словами, регистр – это цепочка триггеров для запоминания одного двоичного числа (обычно от 4 до 16). Общее количество триггеров равно наибольшей разрядности хранимого числа.
На регистрах могут осуществляться операции преобразования информации из одного вида в другой (последовательного кода в параллельный и т.п.), а так же некоторые логические операции (например, поразрядное логическое сложение, умножение).
Основным классификационным признаком, по которому различают регистры, является способ записи информации или кода числа в регистр. По этому признаку можно выделить регистры трех типов: параллельные (статические); последовательные (сдвигающие); параллельно-последовательные.
В параллельные регистры запись числа осуществляется параллельным кодом, т.е. во все разряды одновременно.
Последовательные регистры характеризуются последовательной записью кода числа, начиная с младшего или старшего разряда, путем последовательного сдвига кода тактирующими импульсами.
Параллельно-последовательные регистры имеют входы как для параллельной, так и для последовательной записи кода числа. В зависимости от числа каналов, по которым поступает информация на входы разрядов регистра, различают регистры парафазного и однофазного видов.
Парафазные регистры характеризуются тем, что информация на каждый разряд поступает по двум каналам (прямому и инверсному).
В однофазных регистрах информация поступает на каждый разряд только по одному каналу. Парафазные регистры выполняются, как правило, с применением триггеров CRS-типа, а однофазные – на основе триггеров CD-типа.
В зависимости от типов триггеров, применяемых при построении регистров, и способа их тактирования различают регистры многотактные и однотактного действия.
Параллельные регистры
В параллельных (статических) регистрах схемы разрядов не обмениваются данными между собой. Общими для разрядов обычно являются цепи тактирования, сброса установки, разрешения выхода или приема, т.е. цепи управления. В этих регистрах прием и выдача слов производится по всем разрядом одновременно. В них хранятся слова, которые могут быть подвергнуты поразрядным логическим преобразованиям.
При построении N-разрядных параллельных регистров необходимо применить N триггеров, каждый из которых будет иметь число входов, соответствующее числу источников информации, подключенных ко входу регистра. По сути каждый из триггеров имеет свой независимый информационный вход и свой независимый информационный выход. Тактовые входы (С) всех триггеров соединены между собой. В результате параллельный регистр представляет собой многоразрядный, многовходовый триггер.
Однофазные параллельные регистры двухтактного действия
Наиболее экономичными
по числу компонентов являются однофазные
регистры двухтактного действия, в
качестве разрядов которых используются
триггеры
- типов (двухтактные D-триггеры
на рис.1).
На рис.1 приводится схема
параллельного регистра двухтактного
действия с однофазной записью информации
для режима записи двух чисел A
и B
(регистр на два входа). Входы
соответствуют входам разрядов первого
числа, а входы
- входам разрядов второго числа.
Рис. 1. Схема параллельного регистра на триггерах C>L>S-R>L> - типа
Первый тактирующий сигнал
осуществляет установку всех разрядных
триггеров в состояние 0 (
).
Второй сигнал
обеспечивает запись в регистр числа А,
а импульс
-
запись числа В.
Однофазные параллельные регистры двухтактного действия характеризуются наименьшим быстродействием, но вместе с тем и наименьшими затратами по числу элементов.
Однофазные параллельные регистры однотактного действия
Для реализации однотактных
параллельных однофазных регистров
применяются
-
триггеры, число входов которых
соответствует числу входов регистра.
На рис.2 приведена функциональная схема
такого регистра на два входа. Запись
числа
осуществляется при поступлении импульса
,
а запись числа
-при
поступлении импульса
без предварительной установки разрядов
в состояние 0.
Рис. 2. Схема параллельного регистра на триггерах C>L>D -типа
Быстродействие данного
регистра увеличилось примерно в 2 раза
по сравнению со схемой рис. 1, но и
аппаратурные затраты на их реализацию
увеличились, так как реализация
-
триггера требует большего числа вентилей.
На рис. 3 показан один из
наиболее экономичных вариантов схем
такого регистра, каждый разряд которого
выполнен на
-
триггере с использованием элементов
НЕ, И-НЕ, И-ИЛИ-НЕ.
Рис. 3.Схема параллельного регистра на триггерах C>L>D -типа
В режиме хранения
информации, т.е. при отсутствии тактирующих
импульсов
открыты вентили обратной связи
всех триггеров регистра. При поступлении
ТИ (например
)
закрываются вентили
и с задержкой
открываются вентили записи кода числа
А (вентили
).
В разрядах регистра
установятся уровни в соответствии с
кодом числа А. Например, при
и
на выходе
сформируется уровень 0, а на выходе
-уровень
1. После окончания действия ТИ (
)
вначале откроются вентили обратных
связей всех триггеров и зафиксируется
новый код в его разрядах, а затем через
закроются вентили записи числа А. Регистр
перейдет в режим хранения информации.
Схема получила широкое распространение
при разработке параллельных цифровых
устройств благодаря своей экономичности
и надежности. Однако самые экономичные
варианты схем рассмотренных регистров
получаются при их реализации на основе
элементов T-TTL,
когда каждый разрядный триггер выполняется
на одном элементе.
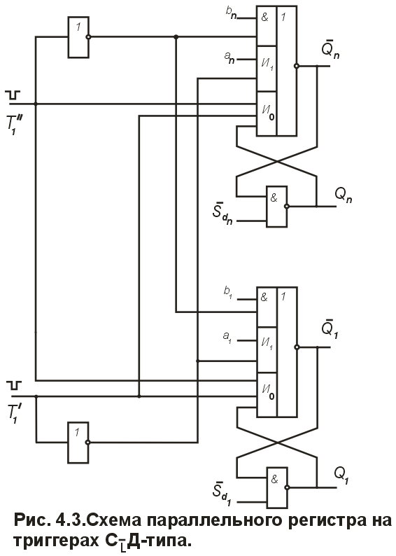
Парафазные параллельные регистры
Парафазные параллельные
регистры (ППР) не отличаются широким
многообразием, как однофазные. Все ППР
по своему принципу действия являются
однотактными и выполняются на триггерах
-
типа. На рис. 4 приведена схема ППР на
два входа (для записи чисел А и В).
Код числа поступает на
регистр по двум каналам (прямому и
инверсному), а тактирующие импульсы
и
открывают вентили прямого и инверсного
каналов одновременно. Быстродействие
ППР полностью определяется быстродействием
триггеров, используемых в качестве
типовых разрядов регистра.
При сравнительной оценке однофазных и парафазных регистров необходимо отметить, что однофазные являются наиболее эффективными при выполнении на ИМС, так как содержат в 2 раза меньше информационных входов, чем парафазные регистры. Уменьшение числа входов позволяет сократить число выводов микросхем, что упрощает процесс проектирования БИС.
Рис. 4. Схема параллельного регистра на триггерах C>L>RS-типa.
Сдвигающие (последовательные, сдвиговые) регистры и их
классификация
Сдвигающие регистры (СР) (англ. Shift Register) получили свое название от вида одной из наиболее распространенных операций, выполняемых в ЭВМ – операции сдвига кода числа. Операция сдвига – это перемещение (сдвиг) под действием внешних тактирующих импульсов содержимого регистра на определенное число разрядов вправо или влево. Чаще всего такое перемещение осуществляется на один разряд, и эту операцию можно записать в виде:

где
-
содержимое i-го(последующего)
разряда регистра после цикла сдвига;
-
содержимое (i-1)-го
(предыдущего) разряда до сдвига;
i=1,2,3,…,n – число разрядов регистра сдвига.
Наиболее общими
классификационным признаком сдвигающих
регистров можно считать способ
управления сдвигом кода числа.
Этот классификационный признак
предполагает деление регистров по числу
тактирующих сигналов
,
необходимых для выполнения операции
сдвига информации на один разряд. В
соответствии с этим числом, которое в
дальнейшем назовем тактовым числом
регистра, СР подразделяются на регистры
однотактного
и многотактного
действия. Особенностью однотактных
СР является то, что в них сдвиг кода
числа на один разряд
осуществляется за один
такт или с помощью одного
ТИ сдвига, т.е.
.
В многотактных регистрах сдвиг кода
числа на один разряд
осуществляется как минимум
за два импульса сдвига. В
свою очередь, каждый из однотактных и
многотактных СР можно классифицировать
по следующим признакам:
по виду электрической связи между разрядами;
по направлению сдвига;
по способу приема и выдачи кода числа.
Вид электрической связи между разрядами.
По этому признаку СР на триггерах подразделяются на регистры с однопроводной(однофазной), двухпроводной(парафазной) и смешанной типами связей. Первые выполняются на триггерах D-типа, вторые на триггерах RS- или JK типа, а третьи совместно, например на триггерах RS- и D- или JK- и D- типов.
Направление сдвига.
В соответствии с этим признаком регистры подразделяются на три вида:
регистры, осуществляющие сдвиг кода числа вправо(в сторону младших разрядов);
регистры, сдвигающие код числа влево( в сторону старших разрядов);
регистры, сдвигающие код числа как вправо, так и влево – реверсивные регистры сдвига.
Способ приема и выдачи кода числа.
По этому признаку регистры подразделяются на три вида:
с последовательным приемом и последовательной выдачей информации;
с параллельным вводом кода числа и параллельным его выводом;
с последовательно-параллельным вводом и последовательно-параллельным выводом кода числа.
Последние относятся к разряду наиболее универсальных, т.к. они могут применяться в качестве первого и второго типа СР.
В основу приведенных классификационных признаков СР фактически положены функциональные требования, предъявляемые к ним. А это означает, что при проектировании СР всегда задают:
а) направление сдвига;
б) способы приема и выдачи кода числа, представляющие собой функциональные требования для любого СР.
Кроме них к функциональным требованиям следует отнести функциональную надежность регистра. Эти требования для регистров (как и для триггеров) должны быть выполнены безусловно. Применительно к СР требование функциональной надежности характеризуют отсутствием опасных межкаскадных состязаний при условии выполнения разрядов регистра на функционально надежных триггерах.
К основным функциональным параметрам регистров сдвига можно отнести также разрядность и быстродействие.
Последовательный регистр сдвига обладает двумя недостатками: он позволяет вводить только по одному биту информации на каждом тактовом импульсе и каждый раз при сдвиге информации вправо теряется крайний правый информационный бит.
Эти недостатки устраняются в параллельно загружаемых регистрах сдвига кольцевого типа. Кольцевое перемещение информации предусматривает возврат данных с выхода регистра обратно на его вход, что исключает потерю данных при сдвиге.
ЛИТЕРАТУРА
1. Новиков Ю.В. Основы цифровой схемотехники. Базовые элементы и схемы. Методы проектирования. М.: Мир, 2001. - 379 с.
2. Новиков Ю.В., Скоробогатов П.К. Основы микропроцессорной техники. Курс лекций. М.: ИНТУИТ.РУ, 2003. - 440 с.
3. Пухальский Г.И., Новосельцева Т.Я. Цифровые устройства: Учеб. пособие для ВТУЗов. СПб.: Политехника, 2006. - 885 с.
4. Преснухин Л.Н., Воробьев Н.В., Шишкевич А.А. Расчет элементов цифровых устройств. М.: Высш. шк., 2001. - 526 с.
5. Букреев И.Н., Горячев В.И., Мансуров Б.М. Микроэлектронные схемы цифровых устройств. М.: Радио и связь, 2000. - 416 с.
6. Соломатин Н.М. Логические
элементы ЭВМ. М.: Высш. шк., 2000. - 160 с.