Оконечный каскад однополосного связного передатчика
Уральский Государственный Технический Университет
Радиотехнический факультет
Кафедра Радиопередающих устройств
"Устройства формирования и генерирования сигналов"
"Оконечный каскад однополосного связного передатчика"
Екатеринбург 2004
Задание
Составить структурную схему однополосного связного передатчика, рассчитать режим оконечной ступени со следующими параметрами:
Диапазон рабочих частот 1,8-3,0 МГц;
Мощность 6,0 Вт;
Антенна провод длиной 20 м;
Подавление внеполосных излучений 40 дБ;
Питание от аккумуляторов устройство 12 В.
Рассчитать согласующее устройство оконечной ступени и пояснить назначение всех элементов схемы.
Содержание
Введение 4
Расчетная часть 5
1.1 Выбор и обоснование структурной схемы передатчика 5
1.2 Выбор транзистора для выходной ступени передатчика 5
2. Расчет режима оконечной ступени 8
2.1 Расчет коллекторной цепи 8
2.2 Расчет базовой цепи 10
1.3 Расчет антенны 13
1.4 Расчет согласующей цепи оконечной ступени с антенной 13
1.5 Конструктивный расчет параметров катушек 14
Назначение элементов схемы 19
Заключение 21
Введение
Радиопередающее устройство (РПУ) – необходимый элемент любой системы передачи информации по радио – будь то система радиосвязи, навигационная или телеметрическая системы. Параметры радиопередатчиков разнообразны и определяются конкретными техническими требованиями к системе передачи данных. РПУ представляет собой достаточно сложную систему, в состав которой входит высокочастотный тракт, модулятор для управления колебаниями высокой частоты в соответствии с передаваемой информацией, источники питания, устройства охлаждения и защиты. Связные коротковолновые (f=1,5-30 МГц) передатчики работают в режиме однополосной модуляции и используются для звуковой связи.
Расчетная часть
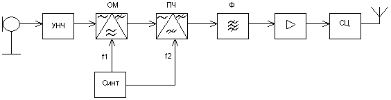
1.1 Выбор и обоснование структурной схемы передатчика

УНЧ – усилитель низкой частоты;
ОМ – однополосный модулятор (в который входит амплитудный модулятор и фильтр, выделяющий одну из боковых);
ПЧ – преобразователь частоты однополосно-модулированных колебаний;
Ф – фильтр для подавления побочных продуктов при преобразовании частоты;
Синт – источник необходимых поднесущих колебаний;
СЦ – согласующая цепь.
Сигнал с микрофона через предварительный усилитель низкой частоты попадает в однополосный модулятор, где сигнал модулирует некоторую промежуточную частоту (например, f1=128 кГц). Затем однополосный модулированный сигнал подается на преобразователь частоты и переносится на частоту f2, которую можно менять в некотором диапазоне. Затем однополосно-модулированный сигнал подается на оконечный усилитель и через согласующую цепь на антенну.
1.2 Выбор транзистора для выходной ступени передатчика
Мощность в фидере связного КВ передатчика, работающего в диапазоне 1,8-3,0 МГц равна 6,0 Вт. Т.к. между фидерным разъемом коллекторной цепью транзистора стоит цепь связи, на сопротивлениях потерь элементов цепи связи бесполезно теряется часть колебательной мощности, генерируемой транзистором. В зависимости от схемы цепи согласования, мощности и рабочей частоты передатчика величина КПД цепи связи >ЦС >= 0,7…0,9. Примем величину >ЦС >= 0,7. Мощность, на которую следует рассчитывать ГВВ, равна: Р>1> = Р>Ф>/>ЦС> = 6 / 0,7 = 8,57 Вт.
Справочная величина мощности, отдаваемой транзистором, должна быть не менее 12 Вт.
В однополосных связных передатчиках используются биполярные транзисторы коротковолнового диапазона (1,5-30 МГц) с линейными проходными характеристиками. По диапазону частот и по заданной мощности можно выделить следующие транзисторы 2T951Б, 2Т955А, 2Т921А. 2Т951Б, 2Т955А.
При одинаковой выходной мощности ГВВ на этих приборах будут иметь разный КПД и коэффициент усиления по мощности. Из группы транзисторов нужно выбрать тот, который обеспечивает наилучшие электрические характеристики усилителя мощности.
Коэффициент полезного действия каскада связан с величиной сопротивления насыщения транзистора – r >НАС. >Чем меньше его величина, тем меньше остаточное напряжение в граничном режиме и выше КПД генератора.
Коэффициент усиления по мощности К>Р >зависит от ряда параметров транзистора – коэффициента передачи тока базы >О>, частоты единичного усиления
f> >>T>> >и величины индуктивности эмиттерного вывода L>Э.> При прочих равных условиях К>Р> будет тем больше, чем выше значение >О,> f >T> и меньше L>Э>.
Из приведенных транзисторов минимальный r>НАС> у транзистора 2Т951Б.
r>НАС>=2,4 Ом;
r>э>=0 Ом;
r>б>=3 Ом;
β>0>=32;
f>т>=194 МГц;
С>к>=65 пФ;
С>э>=600 пФ;
L>э>=3,8 нГн;
U>кэ.доп>=60 В;
U>бэ.доп>=4 В;
I>к0>=3 А;
E>отс>=0,7В;
Диапазон рабочих частот – 1.5..30МГц;
P>Н>=20 Вт;
Режим работы – линейный, <-30дБ.
2. Расчет режима оконечной ступени
2.1 Расчет коллекторной цепи
Определим коэффициент использования выходного напряжения (U>вых>).

Возьмем угол отсечки () равным 900, что обеспечит лучшую линейность амплитудных характеристик усилителя, тогда >1>() = 0,5; при Е>к>=12В, ξ>гр> получается комплексным, чтобы этого избежать увеличим Е>к>.

При Е>к>=28В ξ>гр> получается равным 0,881, что обеспечивает приемлемый КПД.
Определим амплитуду напряжения между коллектором и эмиттером в граничном режиме:
U>кгр> = Е>к>·>гр>;
U>кгр> = 28В·0,881 = 24,664 В.
Найдем первую гармонику тока коллектора:

Определим постоянную составляющую коллекторного тока:

Определим подводимую мощность P>0>.
P>0 >= E>к>·I>к0>,
P>0 >= 28·0,443 12,417 Вт < P>доп> = 1/2U>кэдоп >·I>к0доп> = 0,5*36В*8А = 144 Вт.
Определим мощность, рассеиваемую в виде тепла:
P>к1 >= P>0 >- P>1>,
P>к1 >= 12,417 – 8,57 = 3,845 Вт.
Определим коэффициент полезного действия ().

Определим сопротивление коллектора (R>к>)

2.2 Расчет базовой цепи
Рассчитаем амплитуду тока базы:

где = 1 + >1>() 2f>Т>C>к>R>к>
= 1 + 0,5·2·3,14·100·106·65·10-12·35,484 2,15

Постоянные составляющие базового и эмиттерного токов:
I>б0> = I> к0>/> 0>
I>б0> = 0,934/26 = 0,014А;
I>э0> = I>к0> + I>б0>
I>э0> = 0,443 + 0,014 = 0,475А.
М
аксимальное
обратное напряжение на эмиттерном
переходе, для того чтобы U>бэ
мах> было
меньше с U>бэ
доп> R>д>
(сопротивление резистора, включенного
по РЧ между базой и эмиттером) должно
быть 8 Ом, но R>д>>>r>β>=0.034
Ом:



Напряжение смещения на эмиттерном переходе:


Для того чтобы не вводить отдельный источник питания для подачи отрицательного смещения, можно использовать схему с автосмещением. Если взять напряжение смещения по постоянному току 0,7В, то R>см>=2,8 Ом; С>см>=8,8 мкФ (X>C>>см >на частоте 1,8 МГц должно быть много меньше R>см>). U>ост>=28В 24,664В=3,336В => R>3>=(U>ост>/I>к0>) – R>см>=4,73 Ом.
R>кэ> вычисляем зная I>б0>, E>п> и R>д>. (Е>п>-Е>б>)/R>кэ>=I>б0>+Е>б>/R>д> R>кэ>=R>д>(Е>п>-Е>б>)/(I>б0>R>д>+Е>б>)= =268,966 Ом.
Рассчитаем элементы схемы:

L>вхОЭ> = 3,8·10-9 + 3,8·10-9/2,15+5·10-9 10,567 нГн;

Входное сопротивление транзистора (Z>вх> = r>вх> + jX>вх>):

δ=0,1; α>1>=0,93; α>2>=0,68.

Входная мощность:

Коэффициент усиления по мощности транзистора:
k>p> = P>1>/P>вх>; k>p>>1> = 8,57/0,832=10,306; k>p>>2> = 8,57/0,924=9,276.
1.3 Расчет антенны
λ>1>=с/f>1>=3·108м/с / 1,8·106с-1=166,67 м.
λ>2>=с/f>2>=3·108м/с / 3·106с-1=100 м.
Из конструктивных соображений выберем для антенны провод сечением 2 мм2, соответственно радиус провода – 0,798 мм.
Длина антенны
значительно меньше длины рабочей волны
,
тогда волновое сопротивление антенны
рассчитываем по формуле:
Ом
Найдем входное сопротивление:


1.4 Расчет согласующей цепи оконечной ступени с антенной
Согласующая цепь должна включать в себя:
фильтр нижних частот, обеспечивающий затухание 40 дБ на частоте равной 2∙f>н>, и 0дБ на частоте f>в>, тогда будет обеспечено заданное подавление внеполосных излучений на всем рабочем диапазоне. Входное и выходное сопротивления равны R>к>=35,48 Ом.
перестраиваемый трансформатор сопротивлений, обеспечивающий преобразование выходного сопротивления оконечного усилительного каскада к активному сопротивлению антенны.
перестраиваемое устройство, компенсирующее реактивную составляющую входного сопротивления антенны.
Фильтр нижних частот, удовлетворяющий выше указанным условиям, выбираем при помощи программы RFSim и трансформатор сопротивлений.



Т.к. реактивная составляющая входного сопротивления антенны меньше нуля, то антенну можно представить в виде последовательно соединенных конденсатора и резистора. Для компенсации реактивной составляющей входного сопротивления антенны, последовательно с антенной необходимо поставить катушку индуктивности такого же сопротивления (L=X>c>/2πf). Соответственно, эта катушка должна быть перестраиваемой в пределах от 292/(2∙3,14∙1,8∙106)=2,58∙10-5 Гн до 89/(2∙3,14∙3∙106)=4,72∙10-6 Гн.
1.5 Конструктивный расчет параметров катушек
Порядок расчета.
1. Задаются отношением длины намотки катушки l к ее диаметру D (для катушек диаметром до 50 мм обычно берут l/D=0.5…0.8, а для больших катушек мощных каскадов l/D=1…2).
2. Диаметр провода катушки выбираем исходя из соображений ее допустимого нагрева:

где d – диаметр провода, [мм];
I – радиочастотный ток, [А];
ΔT – разность температур провода и окружающей среды, [К] (для катушек ГВВ принимают ΔT=40…50 К);
f – частота тока, [МГц].
3. Выбирается шаг намотки (теоретические исследования и практика проектирования рекомендуют g=(1.3…1.5) d).
4. Число витков спирали катушки
,
где L>расч> – расчетное значение индуктивности, [Гн];
D – диаметр катушки, [мм];
F (l/D) – коэффициент формы катушки
Расчет.
Ток протекающий в
катушке индуктивности L>бл1>
это ток I>б0>=0,014А,
ток протекающий в катушке индуктивности
L>бл2>
это ток I>к0>=0,443А,
ток протекающий в катушках индуктивности
фильтра, трансформатора сопротивлений
и компенсирующей катушки будет не больше
.
Соответственно, диаметры проводов катушек будут: 7,42 мкм; 0,235 мм 0,26 мм.
Расчет.
Блокировочные.
Катушка L>бл1>=5 мГн; d=0,01 мм; I>б0>=0,014А;
Внешний диаметр – 20,02 мм.
Внутренний диаметр – 20,01 мм.
Шаг между витками – 0,01 мм.
Длина катушки – 3,88 мм.
Длина провода – 24,39 м.
Количество слоев – 1.
Количество витков – 388.
Количество витков в слое – 388.
Количество витков в слое – 87.
Индуктивность – 4,993463 мГн.
Катушка L>бл2>=5 мГн; d=0,25 мм; I>к0>=0,443А;
Внешний диаметр – 23,5 мм
Внутренний диаметр – 21,75 мм
Шаг между витками – 1,75 мм
Длина катушки – 21,89 мм
Длина провода – 41,89 м
Количество слоев – 7
Количество витков – 613
Количество витков в слое – 87
Индуктивность – 5,002767 мГн.
Фильтр.
Катушка L>1>=0,491 мкГн; d=0,3 мм; I>б0>=0,491А;
Внешний диаметр – 10,6 мм
Внутренний диаметр – 10,3 мм
Шаг между витками – 0,3 мм
Длина катушки – 1,5 мм
Длина провода – 0,16 м
Количество слоев – 1
Количество витков – 5
Количество витков в слое – 5
Индуктивность – 0,000441 мГн
Катушка L>2>=2,29 мкГн; d=0,3 мм; I>б0>=0,491А;
Внешний диаметр – 10,6 мм
Внутренний диаметр – 10,3 мм
Шаг между витками – 0,3 мм
Длина катушки – 4,2 мм
Длина провода – 0,45 м
Количество слоев – 1
Количество витков – 14
Количество витков в слое – 14
Индуктивность – 0,00228 мГн
Катушка L>3>=3,48 мкГн; d=0,3 мм; I>б0>=0,491А;
Внешний диаметр – 10,6 мм
Внутренний диаметр – 10,3 мм
Шаг между витками – 0,3 мм
Длина катушки – 5,7 мм
Длина провода – 0,61 м
Количество слоев – 1
Количество витков – 19
Количество витков в слое – 19
Индуктивность – 0,00354 мГн
Катушка L>4>=3,73 мкГн; d=0,3 мм; I>б0>=0,491А;
Внешний диаметр – 10,6 мм
Внутренний диаметр – 10,3 мм
Шаг между витками – 0,3 мм
Длина катушки – 6 мм
Длина провода – 0,65 м
Количество слоев – 1
Количество витков – 20
Количество витков в слое – 20
Индуктивность – 0,0038 мГн
Катушка L>5>=2,99 мкГн; d=0,3 мм; I>б0>=0,491А;
Внешний диаметр – 10,6 мм
Внутренний диаметр – 10,3 мм
Шаг между витками – 0,3 мм
Длина катушки – 5,1 мм
Длина провода – 0,55 м
Количество слоев – 1
Количество витков – 17
Количество витков в слое – 17
Индуктивность – 0,00303 мГн
Катушка L>6>=1,44 мкГн; d=0,3 мм; I>б0>=0,491А;
Внешний диаметр – 10,6 мм
Внутренний диаметр – 10,3 мм
Шаг между витками – 0,3 мм
Длина катушки – 3 мм
Длина провода – 0,32 м
Количество слоев – 1
Количество витков – 10
Количество витков в слое – 10
Индуктивность – 0,00137 мГн
Трансформатор сопротивления(минимальное).
Катушка L>тр>=0,935 мкГн; d=0,3 мм; I>б0>=0,491А;
Внешний диаметр – 10,6 мм
Внутренний диаметр – 10,3 мм
Шаг между витками – 0,3 мм
Длина катушки – 2,4 мм
Длина провода – 0,26 м
Количество слоев – 1
Количество витков – 8
Количество витков в слое – 8
Индуктивность – 0,000963 мГн
Компенсирующая катушка индуктивности.
Катушка L>6>=4,72 мкГн; d=0,3 мм; I>б0>=0,491А;
Внешний диаметр – 10,6 мм
Внутренний диаметр – 10,3 мм
Шаг между витками – 0,3 мм
Длина катушки – 6,9 мм
Длина провода – 0,74 м
Количество слоев – 1
Количество витков – 23
Количество витков в слое – 23
Индуктивность – 0,00460 мГн
L>бл1,> L>дл2 >– фильтрует ВЧ составляющую в цепи питания, 2πfL>дл2>, 2πfL>дл1>>>R>кэ>,
L>бл1>= L>бл2>=5мГн,
L>1>-L>6, >С>1>-С>6> – фильтр нижних частот;
L>тр>, С>тр >–трансформатор сопротивлений;
L>ком> – компенсирующая катушка индуктивности;
С>р1>, С>р2 >– развязывают каскады по постоянному току, 1/(2πfC>бл1>)<<R>кэ, >C>бл1>=С>бл2>=0,1 мкФ.
R>кэ> и R>д> – устанавливают напряжение смещения на эмиттерном переходе, R>кэ>=269Ом, R>д>=8 Ом.
R>см> и Сcм – цепь автосмещения, R>см>=2,8 Ом, С>см>=8,8 мкФ.
L>1>, L>2>, C>1>, C>2> – трансформатор сопротивления и фильтр, отфильтровывающий высшие гармоники. С>1>=6,479 нФ, С>2>=23,92 нФ, L>1>=4,83 мкГн, L>2>=1,308 мкГн.
VT – транзистор, ответственный за управляемый перенос мощности источника питания в нагрузку.
Заключение
В результате выполнения данного курсового проекта был произведен расчет оконечного каскада передатчика и цепи согласования с антенной удовлетворяющий техническому заданию. Составлена структурная схема РПУ, соответствующая принципиальной схеме. Принципиальная схема приведена в приложении. Проведено пояснение назначения всех элементов схемы. Таким образом, задание и цели курсового проекта можно считать выполненными.