Анализ избирательных цепей в частотной и временной областях (работа 4)
Министерство образования и науки Украины
Харьковский национальный университет радиоэлектроники
Радиотехнический факультет
Кафедра основы радиотехники
КУРСОВОЙ ПРОЕКТ
ПОЯСНИТЕЛЬНАЯ ЗАПИСКА
“АНАЛИЗ ИЗБИРАТЕЛЬНЫХ ЦЕПЕЙ В ЧАСТОТНОЙ И ВРЕМЕННОЙ ОБЛАСТЯХ”
“ОСНОВЫ РАДИОЭЛЕКТРОНИКИ”
Руководитель :
Иванов И.А.
Выполнил :
ст. гр.101
Блинов Б.Б.
ХАРЬКОВ 2008
РЕФЕРАТ
Курсовая работа: 19 c., содержит: 9 рис., 4 табл., 4 источника.
Объект исследования - пассивная линейная цепь первого порядка.
Цель работы – определить частотные характеристики, а также отклик пассивной линейной цепи, к входу которой приложен входной сигнал.
Метод исследования – определение отклика производится классическим и операторным методами.
Расчет отклика в пассивной цепи находится двумя способами. Для расчета отклика классическим методом составляется дифференциальное уравнение, определяются его корни и переходная характеристика цепи. Операторный метод расчета состоит в определении ОПФ цепи и нахождении изображения отклика как произведения ОПФ на изображение входного воздействия.
ОПФ, КПФ, АЧХ, ФЧХ, ОТКЛИК, ВОЗДЕЙСТВИЕ, ПЕРЕХОДНАЯ ХАРАКТЕРИСТИКА, ИМПУЛЬСНАЯ ХАРАКТЕРИСТИКА, КЛАССИЧЕСКИЙ МЕТОД, ОПЕРАТОРНЫЙ МЕТОД.
СОДЕРЖАНИЕ
ПЕРЕЧЕНЬ УСЛОВНЫХ СОКРАЩЕНИЙ
Введение
Задание к курсовому проекту
1 Расчет временных характеристик цепи классическим методом
2 Расчет отклика цепи интегралом Дюамеля
3 Расчет частотных характеристик схемы операторным методом
4 Связь между частотными и временными характеристиками
5 Расчет временных характеристик цепи операторным методом
6 Расчет отклика цепи операторным методом
Выводы по работе
ПЕРЕЧЕНЬ ССЫЛОК
ПЕРЕЧЕНЬ УСЛОВНЫХ СОКРАЩЕНИЙ
ОПФ – операторная передаточная функция;
КПФ – комплексная передаточная функция;
АЧХ – амплитудно-частотная характеристика;
ФЧХ – фазово-частотная характеристика.
ВВЕДЕНИЕ
Дисциплина «Основы радиоэлектроники» принадлежит к фундаментальным дисциплинам в образовании специалистов, которые проектируют электронную аппаратуру.
Курсовая работа по этой дисциплине - один из этапов самостоятельной работы, который позволяет определить и исследовать частотные и временные характеристики избирательных цепей, установить связь с предельными значениями этих характеристик, а также закрепить знания по классическому и операторному методам расчета отклика цепи.
ЗАДАНИЕ К КУРСОВОМУ ПРОЕКТУ
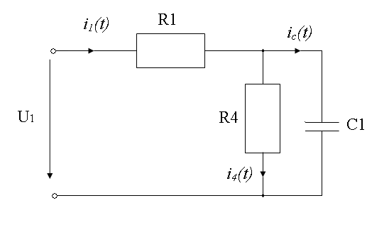
Исследуемая схема изображена на рисунке 1, начальные условия наведены таблице 1.
Таблица 1-Параметры обобщенной схемы.
-
R1,Ом
R2,Ом
C,нФ
U>1>, В
Воздействие
Отклик
15
15
600
27
U>1>
i>4>(t)

Рисунок 1- Анализируемая схема
1 Расчет временных характеристик цепи классическим методом
Составляем систему уравнений для схемы по первому и второму законам Кирхгофа:

Подставив первое уравнение во второе, получим:

Ток, протекающий через ёмкость, определяется по закону:

После подстановки получаем дифференциальное уравнение для данной цепи:
(1.1)
В соответствии с классическим
методом заменяем производные
степенями комплексной переменной p
и получаем характеристическое уравнение:
(1.2)
Из последнего уравнения находим p:
(1.3)
Постоянная времени цепи:
(1.4)
Подставив числовые значения в (1.3) и (1.4), получаем:

Переходную характеристику
определяем как отклик цепи
при условии, что входное воздействие
=1В
по формуле:
(1.5)
Принуждённую составляющую
находим в установившемся режиме, при
,когда
сопротивление ёмкости C
равно бесконечности и она представляет
собой разрыв цепи.

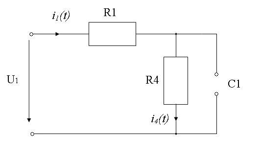
Рисунок 1.1- Состояние
схемы для


Коэффициент A
найдём из уравнения (1.5) для момента
времени t(+0),
воспользовавшись нулевыми начальными
условиями
.

Рисунок 1.2- Состояние
схемы для

Резистор R>4> шунтируется ёмкостью С и ток i>4>(+0)=0.

Из последнего уравнения находим A:

Подставим это выражение в (1.5) и получим формулу переходной характеристики:
(1.6)
Подставляем числовые значения:

Импульсную характеристику h(t) рассчитываем по формуле:
(1.7)
(1.8)
Окончательная формула h(t):

Таблица 1.1-Мгновенные значения h(t) и g(t).
|
t, мкс |
0 |
1 |
2 |
5 |
10 |
15 |
20 |
25 |
|
g(t) *10-3 См |
0 |
6.042 |
10.989 |
21.070 |
28.822 |
31.673 |
32.722 |
33.108 |
|
h(t), См |
6666.67 |
5458.21 |
4468.8 |
2452.53 |
902.235 |
331.914 |
122.104 |
44.919 |
Графики переходной и импульсной характеристик изображены на рисунках 1.3 и 1.4 соответственно.

Рисунок 1.3- График переходной характеристики

Рисунок 1.4- График импульсной характеристики
2 Расчет отклика цепи интегралом Дюамеля
График входного воздействия U(t) показан на рисунке 2.1.

Рисунок 2.1- График входного воздействия
Восстанавливаем функцию U(t) по графику при помощи формулы для прямой, проходящей через 2 точки:
(2.1)
Подставляем значения из графика, выражаем U(t) из уравнения и получаем:
(2.2)
Для расчета отклика цепи y(t) воспользуемся интегралом Дюамеля:
(2.3)
где U>1>(x) – входное воздействие, U>1>(x)=U(t), если x=t.
Подставляем выражения для U>1>(x) и для h(t) в (2.3):

Окончательное выражение для отклика цепи на воздействие U(t):
(2.4)
Таблица 2.1 - Мгновенные значения отклика цепи
|
t, мкс |
0 |
1 |
2 |
5 |
10 |
15 |
20 |
25 |
|
i>4>(t), мА |
0 |
7.91 |
18.02 |
57.85 |
142.3 |
236.6 |
334.5 |
433.7 |
График y(t) приведен на рисунке 2.2.

Рисунок 2.2- График отклика цепи
3 Расчет частотных характеристик схемы операторным методом
Найдём ОПФ цепи как отношение изображения отклика I>4>(p) к изображению воздействия U>1>(p):
(3.1)
Применяя формулу разброса токов, находим отклик в операторном виде:

Тогда операторная характеристика:
(3.2)
Заменяя в (3.2) комплексную переменную p на jw, получаем КПФ цепи:
(3.3)
(3.4)
Для определения АЧХ находим модуль КПФ:
(3.5)
(3.6)
Для определения ФЧХ находим аргумент КПФ:
(3.7)
(3.8)
Таблица 1.1-Мгновенные значения
H(f)
и
.
|
f, кГц |
0 |
5 |
10 |
25 |
50 |
100 |
150 |
200 |
|
H(f) |
0.033 |
0.033 |
0.032 |
0.027 |
0.019 |
0.011 |
0.007 |
0.005 |
|
|
0 |
-15.78 |
-29.47 |
-54.71 |
-70.51 |
-79.96 |
-83.27 |
-84.94 |
Графики АЧХ и ФЧХ приведены на рисунках 3.1 и 3.2 соответственно.

Рисунок 3.1- График АЧХ

Рисунок 3.2- График ФЧХ
4 Связь между частотными и временными характеристиками
Установим связь между частотными
и временными характеристиками цепи,
для чего найдём их граничные значения
при
.

Из полученных значений делаем
вывод, что

5 Расчет временных характеристик цепи операторным методом
Для расчета h(t) воспользуемся тем, что ОПФ соответствует изображению импульсной характеристики. Преобразуем H(p), найденное в (3.2):

Восстановим оригинал h(t) из данного изображения:


Окончательная формула для h(t) соответствует выражению (1.8):
(5.1)
Изображение переходной характеристики определяется формулой:
(5.2)

Разложим последнюю дробь на простые:

Найдём оригинал G(p):

Окончательная формула для g(t) соответствует выражению (1.6):
(5.3)
6 Расчет отклика цепи операторным методом
Из формулы для ОПФ (3.1) выражаем изображение отклика I>4>(p):
(6.1)
Определяем изображение воздействия U>1>(t):


Подставив в (6.1) требуемые формулы, получим:

Для нахождения оригинала, разложим дроби в последней формуле на простые:

Восстанавливаем оригинал отклика:

Подставляем числовые значения в i>4>(t) и упрощаем:

Окончательная формула для i>4>(t) соответствует y(t) выражения (2.4):
(6.2)
ВЫВОДЫ ПО РАБОТЕ
В процессе расчета курсовой работы проанализировали схему цепи первого порядка в частотной и временной областях.
Обобщая полученные результаты и анализируя АЧХ цепи можно сделать вывод, что исследуемая схема — фильтр низкой частоты.
В результате выполнения работы усвоили классический и операторный методы анализа цепей. Сравнение результатов обоих методов показывает, что расчеты выполнены верно. Также было установлена связь между временными, и частотными характеристиками.
ПЕРЕЧЕНЬ ССЫЛОК
1)Волощук Ю.И. Сигналы и процессы в радиотехнике: Учебник для студентов высших учебных заведений в 4-ч т.- Харьков: Компания Смит, 2003. – Т. 1:580 с.
2) Методичні вказівки до розрахункових завдань з курсів «Теорія електричних кіл», «Основи теорії кіл» для студентів спеціальності «Радіотехніка» / Упоряд.: Л.В. Грінченко, І.О. Мілютченко.– Харків: ХТУРЕ, 1999 – 44 c.
3) Конспект з лекцій «Основи теорії кіл», Ч. 1 /Упоряд.: Л.В. Гринченко, І.В. Мілютченко – Харків: ХНУРЄ, 2002. – 92 с.
4) Конспект з лекцій «Основи теорії кіл», Ч. 2 /Упоряд.: Л.В. Гринченко, І.В. Мілютченко – Харків: ХНУРЄ, 2002. – 116 с.