Дешифратор и преобразователи кодов
Дешифратор
Дешифратор, устройство для расшифровки (декодирования) сообщения и перевода содержащейся в нём информации на язык (в код) воспринимающей системы.

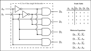
Пример дешифратора 2×4
Дешифраторами
называются комбинационные устройства,
преобразующие n-разрядный двоичный,
троичный или k-ичный код в
-ичный
одноединичный код, где
- основание системы счисления.
Логический сигнал, появляется на том
выходе, порядковый номер которого
соответствует двоичному, троичному или
k-ичному коду. Дешифраторы являются
устройствами, выполняющими двоичные,
троичные или k-ичные логические функции
(операции).
Двоичный дешифратор работает по следующему принципу: пусть дешифратор имеет N входов, на них подано двоичное слово x>N>> − 1>x>N>> − 2>...x>0>, тогда на выходе будем иметь такой код, разрядности меньшей или равной 2N, что разряд, номер которого равен входному слову, принимает значение единицы, все остальные разряды равны нулю. Очевидно, что максимально возможная разрядность выходного слова равна 2N. Такой дешифратор называется полным. Если часть входных наборов не используется, то число выходов меньше 2N, и дешифратор является неполным.
Часто дешифраторы дополняются входом разрешения работы E. Если на этот вход поступает единица, то дешифратор функционирует, в ином случае на выходе дешифратора вырабатывается логический ноль вне зависимости от входных сигналов.
Существуют дешифраторы с инверсными выходами, у такого дешифратора выбранный разряд показан нулём.
Функционирование дешифратора описывается системой конъюнкций:





Обратное преобразование осуществляет шифратор.
Дешифраторы. Это комбинационные схемы с несколькими входами и выходами, преобразующие код, подаваемый на входы в сигнал на одном из выходов. На выходе дешифратора появляется логическая единица, на остальных — логические нули, когда на входных шинах устанавливается двоичный код определённого числа или символа, то есть дешифратор расшифровывает число в двоичном, троичном или k-ичном коде, представляя его логической единицей на определённом выходе. Число входов дешифратора равно количеству разрядов поступающих двоичных, троичных или k-ичных чисел. Число выходов равно полному количеству различных двоичных, троичных или k-ичных чисел этой разрядности.
Для n-разрядов на входе, на выходе 2n, 3n или kn. Чтобы вычислить, является ли поступившее на вход двоичное, троичное или k-ичное число известным ожидаемым, инвертируются пути в определённых разрядах этого числа. Затем выполняется конъюнкция всех разрядов преобразованного таким образом числа. Если результатом конъюнкции является логическая единица, значит на вход поступило известное ожидаемое число.
Из логических элементов являющихся дешифраторами можно строить дешифраторы на большое число входов. Каскадное подключение таких схем позволит наращивать число дифференцируемых переменных.
Дешифраторы и преобразователи кодов

Микросхемы К176ИД1 и К561ИД1 (рис. 232) -дешифраторы на 10 выходов. Микросхемы имеют 4 входа для подачи кода 1-2-4-8. Выходной сигнал лог. 1 появляется на том выходе дешифратора, номер которого соответствует десятичному эквиваленту входного кода, на остальных выходах дешифратора при этом лог. 0. При подаче на входы кодов, соответствующих десятичным числам, превышающим 9, активизируются выходы 8 или 9 в зависимости от сигнала, поданного на вход 1 - при лог. 0 на этом входе лог. 1 появляется на выходе 8, при лог. 1 - на выходе 9. Микросхемы не имеют специального входа стробирования, однако для построения дешифраторов с числом выходов более 10 можно использовать для стробирования вход 8 микросхем, так как выходной сигнал может появиться на выходах 0-7 лишь при лог. 0 на входе 8 (рис. 233,234).

Микросхема К176ИД2 (рис. 235) - преобразователь двоично-десятичного кода в код семисегментного индикатора, включает в себя также триггеры, позволяющие запомнить входной код. Микросхема имеет четыре информационных входа для подачи кода 1-2-4-8 и три управляющих входа. Вход S, так же как и в микросхемах К176ИЕЗ и К176ИЕ4, определяет полярность выходных сигналов: при лог. 1 на входе S на выходах лог. 0 для зажигания сегментов, при лог. 0 на вхо-де S - лог. 1 для зажигания. При подаче лог. 1 на вход К происходит гашение индицируемого знака, лог. 0 на входе К разрешает индикацию. Вход С управляет работой триггеров памяти - при подаче на вход С лог. 1 триггеры превращаются в повторители и изменение входных сигналов на входах 1-2-4-8 вызывает соответствующее изме-нение выходных сигналов. Если же на вход С подать лог.0,запоминаются сигналы, имевшиеся на входах перед подачей лог. 0, микросхема на изменение сигналов на входах 1-2-4-8 не реагирует.

Согласование выходов микросхем К176ИД2 с семисегментными индикаторами может производиться так же, как и выходов счетчиков К176ИЕЗ и К176ИЕ4. Ток короткого замыкания микросхем К176ИД2 выше, чем у счетчиков, и численно в миллиамперах примерно равен напряжению питания в вольтах. Поэтому можно непосредственно подключать выходы микросхем К176ИД2 к электродам полупроводниковых семисегментных индикаторов серий АЛ305, АЛС321, АЛС324, помня, конечно, о том, что разброс яркости свечения при этом может быть заметен, а сама яркость может быть меньше номинальной. Микросхема К176ИДЗ имеет ту же разводку выводов и ту же логику работы, что и К176ИД2. Отличие заключается в том, что выходные каскады микросхемы выполнены с «открытым» стоком, поэтому их можно подключать непосредственно к анодам вакуумных люминесцентных индикаторов (рис. 179 с исключенными сборками DA1, DA2). Управляющий вход S микросхемы К176ИДЗ должен быть при этом соединен с общим проводом.
Микросхема 564ИД4 - преобразователь двоично-десятичного кода в код семисегментного индикатора (рис. 235), предназначена прежде всего для управления жидкокристаллическими индикаторами. Так же, как и микросхема К176ИД2, преобразователь позволяет изменять полярность выходных сигналов подачей сигнала управления на вход S - при лог. 0 включению сегментов соответствуют лог. 1 на выходах а - g, при лог. 1 на входе S включению сегментов соответствуют лог. 0. Так же, как и микросхема 564УМ1, микросхема имеет три вывода питания и увеличенную амплитуду выходных сигналов. Это позволяет при напряжении питания большей части микросхем 3...5 В управлять и такими индикаторами, которые требуют напряжение 10-15 В

Подключение жидкокристаллического индикатора к микросхеме 564ИД4 проиллюстрировано на рис. 236. На вход S микросхемы подается меандр с частотой 30...200 Гц, этот сигнал проходит без инверсии на выход Р, увеличиваясь по амплитуде, как это описано выше для микросхемы 564УМ1. При подаче на входы 1-8 двоичного кода знака на выходах, соответствующих сегментам, которые надо индицировать, напряжение начинает меняться в противофазе с напряжением на выходе Р, и эти сегменты становятся темными. На тех же выходах, которые соответствуют неиндицируемым сегментам, напряжение меняется синфазно с напря-жением на выходе Р, и сегменты неотличимы от фона. При подаче на входы кодов чисел 0...9 на индикаторе формируется изображение соответствующих цифр, для кодов 10...13 индицируются буквы «L», «Н», «Р», «А», для кода 14 - знак «минус», при подаче кода 15 происходит гашение индикатора.
Нагрузочная способность микросхемы такая же, как у 564УМ1, что позволяет использовать микросхему для управления светодиодными индикаторами как с общим анодом, так и с общим катодом без токоограничительных резисторов при напряжении питания 5...10 В и с ограничительными резисторами при 10...15 В.
Микросхема 564ИД5 отличается от 564ИД4 наличием на ее входах 1-2-4-8 статического регистра хранения информации со входом записи С и отсутствием выхода Р (рис. 235). Запись в регистр происходит так же, как и в регистр микросхем К176ИД2 и К176ИДЗ, при подаче на вход С импульса положительной полярности, регистр при этом «прозрачен» и пропускает на свои выходы (на входы преобразователя кода) информацию со входов. В режим хранения регистр переходит в момент спада входного импульса.

Интересно отметить, что одноименные входы и выходы микросхем К176ИД2, К176ИДЗ, 564ИД4,564ИД5 разведены на выводы с одинаковыми номерами.
На рис. 237 приведен пример использования микросхем 564ИД5 и 564УМ1 для управления индикатором ИЖКЦ2-5/12. Этот пятиразрядный индикатор предназначен для использования в цифровом частотомере и, кроме возможности индикации пяти цифр, имеет четыре десятичные запятые (сегменты h) и символ «Гц», перед которым могут индицироваться символы «к» или «М».
На микросхемы DD1 - DD5 подводятся коды цифр от микросхем счетчиков, на DD6 - на вход D, соответствующий необходимой запятой - лог. 1, на остальные входы - лог. 0. При подаче импульса положительной полярности на входы С происходит запоминание информации в регистрах микросхем. На входы D двух нижних триггеров микросхемы DD6 поданы разнополярные сигналы, а на входы
S всех микросхем - меандр с частотой 30...200 Гц. В результате на выводы «Гц» и «Общ.» индикатора HL1 приходят противофазные сигналы и символы «Гц» постоянно индицируются. При необходимости индикации символов «к» или «М» на соответствующие входы микросхемы DD7 следует подать лог. 1, при отсутствии такой необходимости - лог. 0.
Микросхема КР1561ИД6 - два стробируемых дешифратора на два входа и четыре прямых выхода (рис. 238). При лог. 0 на входе S лог. 1 появляется на том выходе дешифратора, номер которого соответствует десятичному эквиваленту входного кода, поданному на входы 1 и 2. При лог. 1 на входе S на всех выходах дешифратора лог. 0.

Микросхема КР1561ИД7 - два аналогичных дешифратора с инверсными выходами (рис. 238). Наличие инверсных выходов позволяет удобно использовать такую микросхему для стробирования дешифраторов при их соединении для увеличения числа входов (рис. 239), а также описываемых далее мультиплексоров.
При необходимости построения дешифратора на 8 выходов из микросхем КР1561ИД6 или КР1561ИД7 их следует дополнить одним инвертором (рис. 240).
Микросхема 564ИК2 (рис. 241) не является комбинационной, так же как при строгом отношении не являются комбинационными микросхемы К176ИД2, К176ИДЗ и 564ИД5, содержащие регистры хранения информации, но их удобно рассматривать в этом разделе как наиболее близкие к дешифраторам и преобразователям кода. Микросхема 564ИК2 предназначена для управления пятиразрядным полупроводниковым семисегментным индикатором или пятью отдельными индикаторами в динамическом режиме. Она содержит преобразователь двоичного кода 1-2-4-8 в код семисегментного индикатора (входы 1, 2, 4, 8 и Е, выходы а, Ь, с, d, e, f, g), генератор на инвертирующем триггере Шмитта (вход Т, выход G), счетчик-делитель на 5, вход которого подключен к выходу генератора. В свою очередь выходы счетчика 1, 2, 4 подключены ко входам дешифратора, имеющего пять инверсных выходов HL1 - HL5.


Преобразователь двоичного кода в код семисегментного индикатора имеет выходы с открытым стоком транзисторов с каналом р-типа. Он обеспечивает на семисегментном индикаторе с общим катодом индикацию цифр 0-9 при подаче на его входы соответствующего двоичного кода и букв «A», «b», «С», «d», «Е>>, «F» при подаче кода, соответствующего десятичным числам от 10 до 15. Форма индицируемых букв показана на рис. 242.
Преобразователь по техническим условиям обеспечивает при вытекающем выходном токе 10 мА и напряжении питания 10 В выходное напряжение не менее 9 В. В те моменты, когда на выходах преобразователя нет лог. 1, выходы находятся в высокоимпедансном состоянии.
Разрешение на включение индикатора обеспечивается подачей на вход Е лог. 1, при лог. 0 на этом входе происходит гашение индикатора.
Для нормальной работы генератора к его выводам следует подключить RC-цепь (резистор между выводами Т и G, конденсатор между выводом
Т и общим проводом). Сопротивление резистора может составлять 10 кОм.,.5 МОм, емкость конденсатора 100 пф и более. Частота генерации может быть приближенно определена по формуле:
f = k/RC,
где к = 700, 400, 350 и 300 для напряжения питания 3, 5, 10 и 15 В соответственно, частота выражена в герцах, сопротивление - в килоомах, емкость - в микрофарадах. Для сопротивления резистора 100 кОм и емкости конденсатора 0,01 мкФ частота составит от 100 до 300 Гц, при такой частоте мелькания индикатора незаметны. Счетчик при подаче на него импульсов от генератора обеспечивает на своих выходах 1, 2, 4 поочередное появление двоичных кодов чисел 0...4, а на выходах дешифратора HL5 - HL1 лог. 0 (рис. 243). Следует иметь в виду, что в те моменты, когда на выходах HL5 - HL1 нет лог. 0, они находятся в высокоимпедансном со-стоянии, так как выполнены с открытым стоком транзисторов с каналом n-типа. По техническим условиям в состоянии лог. 0 при напряжении питания 10 В и выходном втекающем токе 80 мА выходное напряжение не превышает 1 В.

Нагрузочная способность выходов счетчика 1, 2, 4 составляет 1,3 мА при напряжении питания 10 В и выходном напряжении 1В в состоянии лог. 0, такая же нагрузочная способность и при выходном напряжении 9 В в состоянии лог. 1.

Входные импульсы тактовой частоты для работы счетчика могут быть поданы от внешнего генератора на вход Т, в этом случае резистор и конденсатор не нужны, выход G не используется.
Схема включения микросхемы для работы на пять семисегментных индикаторов с общим катодом приведена на рис. 244. Мультиплексоры DD2 - DD5 служат для подачи на входы преобразователя микро-схемы DD6 кодов индицируемых цифр с пятиразрядного источника (счетчика, регистра), мультиплексор DD1 с переключателем SA1 определяют положение запятой. Если запятая фиксирована, ее включение можно обеспечить в соответствии со схемой рис. 245. Диод VD1 включен в разрыв проводника, идущего от выхода микросхемы DD6 рис. 244 к катоду индикатора, в котором необходимо включить запятую, резистор R2 подключается к сегменту h этого индикатора. Диод необходим для исключения обратного смещения светодиодов индикатора.
Инвертор DD1.1 в схеме рис. 245 - любой КМОП инвертирующий элемент. Если в качестве DD1.1 использовать элемент микросхем К561ЛН2 или К176ПУ1, К176ПУ2, транзистор VT1 не нужен. Вход Е DD6 может использоваться не только для гашения индикаторов, но и для регулировки их яркости за счет изменения скважности подава-емых на этот вход импульсов, как это проиллюстрировано на рис. 246. Дифференцирующая цепочка R1R2C1 позволяет менять длительность импульсов, подаваемых на входы Е микросхем DD6 и DD1 рис.244, и элемента DD1.1 рис. 245. В последнем случае элемент DD1.1 должен иметь не менее двух входов и выполнять функцию ИЛИ-НЕ.

Аналогично может быть подключен и пятиразрядный полупроводниковый индикатор АЛС311А.
Полупроводниковые индикаторы можно заменить на вакуумные люминесцентные индикаторы (или один многоразрядный), включив их в соответствии с рис. 247. Используемые в этом случае транзисторы р-n-р должны быть кремниевыми с допустимым напряжением коллектор - эмиттер не менее 30 В. Так же, как и при использовании полупроводниковых индикаторов, возможна регулировка яркости.

Реальная нагрузочная способность микросхемы значительно больше паспортной. При напряжении на выходах HL1 - HL5 1 В выходной втекающий ток составляет около 70, 150, 270 и 350 мА при напряжении питания 3, 5, 10, 15 В соответственно. Выходной вытекающий ток по выходам а - g при выходном напряжении на 1 В меньше напряжения питания имеет величину, примерно в 10 раз меньшую. Это позволяет подключать к выходам микросхемы при напряжении питания 10...15 В практически любые светодиодные индикаторы с общим катодом, подобрав соответствующим образом токоограничительные резисторы.
При использовании полупроводниковых индикаторов с большим размером знаков (например, АЛС335А) и напряжении питания 5 В выходных токов микросхемы может не хватить для обеспечения нормальной яркости свечения. В этом случае выходы а - g следует умонить семью эмиттерными повторителями на транзисторах n-р-n, например КТ315, выходы HL1 - HL5 - повторителями на транзисторах р-n-р средней мощности (например, КТ502).
Большие выходные токи по выходам HL1 - HL5 позволяют использовать микросхему 564ИК2 в качестве распределителя с релейными выходами (рис. 248). Обмотки реле в этом устройстве должны быть рассчитаны на напряжение питания микросхемы и на рабочий ток, не превышающий указанный выше для выходов HL1 - HL5.
Полярность тока выходов HL1 - HL5 удобна для непосредственного управления симисторами серии КУ208. На рис. 249 приведена схема простейшего варианта «бегущих огней» с использованием микросхемы 564ИК2.
Неиспользуемые входы микросхемы в схемах рис. 248 следует соединить с общим проводом или плюсом питания.
